Multilayered Polyelectrolyte Structures Deposited on Corona-Charged Substrate Blends as Potential Drug Delivery Systems
Abstract
1. Introduction
2. Materials and Methods
2.1. Materials
2.2. Methods
2.2.1. Substrates Preparation
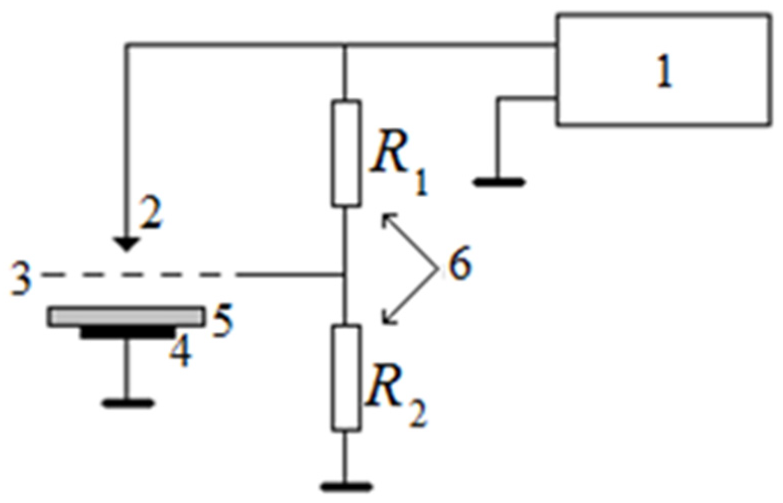
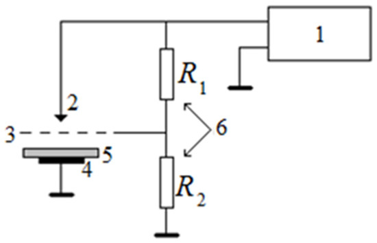
2.2.2. Corona Charging and Surface Potential Measurement
2.2.3. Layer-by-Layer Deposition
2.2.4. Differential Scanning Calorimetry (DSC)
2.2.5. Scanning Electron Microscopy (SEM)
2.2.6. Water Contact Angle Measurement
2.2.7. Benzydamine Hydrochloride Drug Release
2.2.8. Benzydamine Hydrochloride Drug Content
3. Results and Discussion
3.1. Time Storage Influence on the Electrets Surface Potential Decay
- -
- The normalized surface potential values were decaying exponentially for the first 75 min for positively charged substrates and 120 min for negatively charged ones. After this, the rate of decay decreases and is practically stabilized within 360 min. These results demonstrate the existence of different surface states that were localized on the surface of the sample and that contain entrapped charges within them. The initial exponential decrease can be accredited to the release of weakly captured charges from any shallow energy states. After this period, the potential becomes stable at a steady-state value, which can be due to the remaining tightly entrapped charges in deeper traps. Similarly, exponential decay with a subsequent slow linear reduction in the electrets charge was observed in [50,51].
- -
- The values of the normalized surface potential for the PCL electrets were the highest and begin to decrease with the increase in the PDLA content. This can be explained with the differing crystallinity degrees that were determined with the use of the DSC method. The degree of crystallinity of PCL substrates is very high compared to the other investigated substrates (see Table 1) [52]. On the other hand, it was established that pure PCL substrates have the largest pore sizes, when compared to all other substrates. The largest pore size, observed for PCL substrates, facilitates a greater capture of charges on the surface and helps with the retention of said charges for prolonged periods of time (see Section 3.3) [53].
- -
- The steady-state values of the normalized surface potential for samples charged in a positive corona were higher than those charged in a negative corona for all investigated samples. It was found, in [54], that during the corona discharge in air, at atmospheric pressure, different types of ions are deposited on the substrate, since the charging in a corona discharge depends on the corona polarity. In the case of a positive corona, the ions were mainly H+(H2O)n and the ones for a negative corona were CO3−. These ions are bound in traps of various depths and their release depends on the surrounding conditions.
- -
- The steady-state values of the normalized surface potential were the highest for the lyophilized substrates, independently of material type and corona polarity. This could be explained with the morphology of the investigated substrates since the largest pore size was observed for the lyophilized substrates (Section 3.3). The anticipated values for the crystallinity and morphology, that were used for the explanation of the aforementioned values, are presented in the next two sections of the review (Section 3.2 and Section 3.3).
3.2. Degree of Crystallinity of PDLA/PCL Blend Films
- The melting of the blend films, independently of the preparation method, takes place at two temperatures, which are the characteristic melting temperature of PCL and PDLA. Based on this result, it can be assumed that PDLA and PCL are immiscible at the molecular level and formed heterogeneous areas. Similar results were already reported by other authors [55,56].
- The glass transition temperature of PCL (Tg ≈ −63 °C) was not measured during any of the experimental series, which may be a result of the very high crystallinity degree.
- The glass transition temperature of non-porous and porous lyophilized PDLA was found to be 61.4 °C and its melting temperature was 151.4 °C. These values were close to previously reported ones [57].
- The glass transition temperature (Tg) of PDLA for porous samples with added PEG was found to be 50 °C, which is less than the values found in other sources [58]. This is likely due to polyethylene glycol’s plasticizing effect.
- The melting phenomenon of PCL in the porous films with added PEG occurred at a lower temperature compared to a system where PEG is not present. This may be a result of the increase in the free volume within the polymer solution, in addition to the increased number of interactions between the molecules of polyethylene glycol and the polymer, which hinder the formation of larger and more stable crystallites.
3.3. Scanning Electron Microscopy (SEM) Images
3.4. Surface Free Energy of the Investigated Substrates
3.5. Benzydamine Hydrochloride Drug Release
4. Conclusions
Author Contributions
Funding
Institutional Review Board Statement
Informed Consent Statement
Data Availability Statement
Acknowledgments
Conflicts of Interest
References
- Samir, A.; Ashour, F.H.; Hakim, A.A.A.; Bassyouni, M. Recent advances in biodegradable polymers for sustainable applications. NPJ Mater. Degrad. 2022, 6, 68. [Google Scholar] [CrossRef]
- Luckachan, G.E.; Pillai, C.K.S. Biodegradable Polymers—A Review on Recent Trends and Emerging Perspectives. J. Polym. Environ. 2011, 19, 637–676. [Google Scholar] [CrossRef]
- Lendlein, A.; Rehahn, M.; Buchmeiser, M.R.; Haag, R. Polymers in biomedicine and electronics. Macromol. Rapid Commun. 2010, 31, 1487–1491. [Google Scholar] [CrossRef]
- Maleki, H.; Azimi, B.; Ismaeilimoghadam, S.; Danti, S. Poly (lactic acid)-Based Electrospun Fibrous Structures for Biomedical Applications. Appl. Sci. 2022, 12, 3192. [Google Scholar] [CrossRef]
- Castañeda-Rodríguez, S.; González-Torres, M.; Ribas-Aparicio, R.; Del Prado-Audelo, M.; Leyva-Gómez, G.; Sönmez Gürer, E.; Sharifi-Rad, J. Recent advances in modified poly (lactic acid) as tissue engineering materials. J. Biol. Eng. 2023, 17, 21. [Google Scholar] [CrossRef] [PubMed]
- Xiao, L.; Wang, B.; Yang, G.; Gauthier, M. Poly (lactic acid)-based biomaterials: Synthesis, modification and applications. Biomed. Sci. Eng. Technol. 2012, 11, 247–282. [Google Scholar] [CrossRef]
- Cheng, Y.; Deng, S.; Chen, P.; Ruan, R. Polylactic acid (PLA) synthesis and modifications: A review. Front. Chem. China 2009, 4, 259–264. [Google Scholar] [CrossRef]
- Coudane, J.; Nottelet, B.; Mouton, J.; Garric, X.; Van Den Berghe, H. Poly(ε-caprolactone)-Based Graft Copolymers: Synthesis Methods and Applications in the Biomedical Field: A Review. Molecules 2022, 27, 7339. [Google Scholar] [CrossRef] [PubMed]
- Pereira, A.L.; Semitela, Â.; Girão, A.F.; Completo, A.; Marques, P.A.; Guieu, S.; Fernandes, M.H.V. Three-dimensional nanofibrous and porous scaffolds of poly(ε-caprolactone)-chitosan blends for musculoskeletal tissue engineering. J. Biomed. Mater. Res. 2023, 111, 950–961. [Google Scholar] [CrossRef] [PubMed]
- Sharma, A.; Vijayakumar, P.S.; Prabhakar, E.P.K.; Kumar, R. (Eds.) Applications of Nanotechnology in Food Sensing and Food Packaging; Academic Press: Cambridge, MA, USA, 2023; Volume 17, pp. 321–340. [Google Scholar] [CrossRef]
- Grzebieniarz, W.; Biswas, D.; Roy, S.; Jamróz, E. Advances in biopolymer-based multi-layer film preparations and food packaging applications. Food Packag. Shelf Life 2023, 35, 101033. [Google Scholar] [CrossRef]
- Li, W.; Guo, M.; Zeng, J.; Yu, X.; Zhang, X. Lidocaine-loaded polylactic acid-poly(-caprolactone) nano capsules to improve sustainable drug delivery system for nursing care of pain management. Mater. Express 2023, 13, 852–861. [Google Scholar] [CrossRef]
- Gopi, S.; Amalraj, A.; Sukumaran, N.P.; Haponiuk, J.T.; Thomas, S. Biopolymers and Their Composites for Drug Delivery: A Brief Review. Macromol. Symp. 2018, 380, 1800114. [Google Scholar] [CrossRef]
- Grigorov, A.; Yovcheva, T.; Iliev, I.; Vlaeva, I.; Viraneva, A. Impact of physical and chemical modification on the immobilization of β-galactosidase in poly-lactic acid multilayer structures. Bulg. Chem. Commun. 2022, 54, 47–52. [Google Scholar] [CrossRef]
- Guzhova, A.; Galikhanov, M.; Gorokhovatsky, Y.; Temnov, D.; Fomicheva, E.; Karulina, E.; Yovcheva, T. Improvement of polylactic acid electret properties by addition of fine barium titanate. J. Electrost. 2016, 79, 1–6. [Google Scholar] [CrossRef]
- Guzhova, A.; Galikhanov, M.; Kuznetsova, N.; Petrov, V.; Khairullin, R. Effect of polylactic acid crystallinity on its electret properties. AIP Conf. Proc. 2016, 1767, 020009. [Google Scholar] [CrossRef]
- Wang, M.; Li, H.; Liu, M. Preparation and properties of polylactic acid-based composite fluorescent membrane based on layer-by-layer assembly. eXPRESS Polym. Lett. 2019, 13, 673–684. [Google Scholar] [CrossRef]
- Hongsriphan, N.; Nualyung, J.; Yaothaisong, N.; Patanathabutr, P. Antibacterial coating of corona treated Poly(lactic acid)/Poly(butylene succinate) film with Chitosan and Zinc oxide nanoparticle. IOP Conf. Ser. Mater. Sci. Eng. 2023, 1280, 012001. [Google Scholar] [CrossRef]
- Zhu, B.; Bai, T.; Wang, P.; Wang, Y.; Liu, C.; Shen, C. Selective dispersion of carbon nanotubes and nanoclay in biodegradable poly(ε-caprolactone)/poly(lactic acid) blends with improved toughness, strength and thermal stability. Int. J. Biol. Macromol. 2020, 153, 1272–1280. [Google Scholar] [CrossRef]
- Nandhakumar, S.; Dhanaraju, M.D.; Sundar, V.D.; Heera, B. Influence of surface charge on the in vitro protein adsorption and cell cytotoxicity of paclitaxel loaded poly (ε-caprolactone) nanoparticles. Bull. Fac. Pharm. 2017, 55, 249–258. [Google Scholar] [CrossRef]
- Broz, M.E.; VanderHart, D.L.; Washburn, N.R. Structure and mechanical properties of poly (D, L-lactic acid)/poly (ε-caprolactone) blends. Biomaterials 2003, 24, 4181–4190. [Google Scholar] [CrossRef] [PubMed]
- Cohn, D.; Hotovely, S.A. Designing biodegradable multiblock PCL/PLA thermoplastic elastomers. Biomaterials 2005, 26, 2297–2305. [Google Scholar] [CrossRef] [PubMed]
- Li, S.; Huang, M.H. Synthesis and characterization of block copolymers of e-caprolactone and DL-lactide initiated by ethylene glycol or poly(ethylene glycol). Macromol. Chem. Phys. 2003, 204, 1994–2001. [Google Scholar] [CrossRef]
- Khulbe, K.C.; Feng, C.; Matsuura, T. The art of surface modification of synthetic polymeric membranes. J. Appl. Polym. Sci. 2010, 115, 855–895. [Google Scholar] [CrossRef]
- Karmazova, P.; Mekishev, G. Electrets with island surface charge distribution. Europhys. Lett. 1992, 19, 481. [Google Scholar] [CrossRef]
- Hoque, M.; McDonagh, C.; Tiwari, B.K.; Kerry, J.P.; Pathania, S. Effect of Cold Plasma Treatment on the Packaging Properties of Biopolymer-Based Films: A Review. Appl. Sci. 2022, 12, 1346. [Google Scholar] [CrossRef]
- Božović, A.; Tomašević, K.; Benbettaieb, N.; Debeaufort, F. Influence of Surface Corona Discharge Process on Functional and Antioxidant Properties of Bio-Active Coating Applied onto PLA Films. Antioxidants 2023, 12, 859. [Google Scholar] [CrossRef] [PubMed]
- Chaiwong, C.; Rachtanapun, P.; Wongchaiya, P.; Auras, R.; Boonyawan, D. Effect of plasma treatment on hydrophobicity and barrier property of polylactic acid. Surf. Coat. Technol. 2010, 204, 2933–2939. [Google Scholar] [CrossRef]
- Yovcheva, T.; Viraneva, A.; Marinova, A.; Sotirov, S.; Exner, G.; Bodurov, I.; Marudova, M.; Pelicheva, B.; Uzunova, Y.; Vlaeva, I. Insulating chitosan/casein multilayers on corona charged polylactic acid substrates. IEEE Trans. Dielectr. Electr. Insul. 2018, 25, 766–771. [Google Scholar] [CrossRef]
- Bryjak, M.; Gancarz, I.; Pozniak, G. Plasma-modified porous membranes. Chem. Pap. 2000, 54, 496. [Google Scholar]
- Jordá-Vilaplana, A.; Fombuena, V.; García-García, D.; Samper, M.D.; Sánchez-Nácher, L. Surface modification of polylactic acid (PLA) by air atmospheric plasma treatment. Eur. Polym. J. 2014, 58, 23–33. [Google Scholar] [CrossRef]
- Młotek, M.; Gadomska-Gajadhur, A.; Sobczak, A.; Kruk, A.; Perron, M.; Krawczyk, K. Modification of PLA Scaffold Surface for Medical Applications. Appl. Sci. 2021, 11, 1815. [Google Scholar] [CrossRef]
- Cools, P.; De Geyter, N.; Morent, R. PLA Enhanced via Plasma Technology: A Review. In New Developments in Polylactic Acid Research; Winthrop, C., Ed.; Nova Science Publishers: New York, NY, USA, 2015; pp. 79–110. ISBN 978-1-63463-054-2. Available online: https://hdl.handle.net/1854/LU-5831939 (accessed on 1 January 2015).
- Costa, R.; Mano, J. Polyelectrolyte multilayered assemblies in biomedical technologies. Chem. Soc. Rev. 2014, 43, 3453–3479. [Google Scholar] [CrossRef] [PubMed]
- Gunjkar, V.; Patwekar, S.; Dhage, S. Stimuli responsive layer by layer self-assembly a novel approach in current drug delivery: Review. World J. Pharm. Pharmaceut. Sci. 2015, 4, 216–238. [Google Scholar]
- Arias, C.; Kubo, M.; Tadini, C.; Augusto, P. Bio-based multilayer films: A review of the principal methods of production and challenges. Crit. Rev. Food Sci. Nutr. 2023, 63, 2260–2276. [Google Scholar] [CrossRef] [PubMed]
- Cini, N.; Calisir, F. Layer-by-layer self-assembled emerging systems for nanosized drug delivery. Nanomedicine 2022, 17, 1961–1980. [Google Scholar] [CrossRef] [PubMed]
- Potaś, J.; Winnicka, K. The Potential of Polyelectrolyte Multilayer Films as Drug Delivery Materials. Int. J. Mol. Sci. 2022, 23, 3496. [Google Scholar] [CrossRef]
- Pilicheva, B.; Uzunova, Y.; Marudova, M. Polyelectrolyte Multilayer Films as a Potential Buccal Platform for Drug Delivery. Polymers 2022, 14, 734. [Google Scholar] [CrossRef]
- Hamedi, H.; Moradi, S.; Hudson, S.M.; Tonelli, A.E.; King, M.W. Chitosan based bioadhesives for biomedical applications: A review. Carbohydr. Polym. 2022, 282, 119100. [Google Scholar] [CrossRef] [PubMed]
- Ke, C.L.; Deng, F.S.; Chuang, C.Y.; Lin, C.H. Antimicrobial actions and applications of chitosan. Polymers 2021, 13, 904. [Google Scholar] [CrossRef] [PubMed]
- Liang, L.; Luo, Y. Casein and pectin: Structures, interactions, and applications. Trends Food Sci. Technol. 2020, 97, 391–403. [Google Scholar] [CrossRef]
- Gupta, B.G.; Ray, A.R. Preparation of poly (ε-caprolactone)/poly (ε-caprolactone-co-lactide)(PCL/PLCL) blend filament by melt spinning. J. Appl. Polym. Sci. 2012, 123, 1944–1950. [Google Scholar] [CrossRef]
- Khoo, R.Z.; Ismail, H.; Chow, W.S. Thermal and morphological properties of poly (lactic acid)/nanocellulose nanocomposites. Proc. Chem. 2016, 19, 788–794. [Google Scholar] [CrossRef]
- Owens, D.K.; Wendt, R.C. Estimation of the surface free energy of polymers. J. Appl. Polym. Sci. 1969, 13, 1741–1747. [Google Scholar] [CrossRef]
- Peppas, N.A.; Sahlin, J.J. A simple equation for the description of solute release. III. Coupling of diffusion and relaxation. Int. J. Pharm. 1989, 57, 169–172. [Google Scholar] [CrossRef]
- Permanadewi, I.; Kumoro, A.; Wardhani, D.; Aryanti, N. Modelling of controlled drug release in gastrointestinal tract simulation. J. Phys. Conf. Ser. 2019, 1295, 012063. [Google Scholar] [CrossRef]
- Aranaz, I.; Alcántara, A.R.; Civera, M.C.; Arias, C.; Elorza, B.; Heras Caballero, A.; Acosta, N. Chitosan: An overview of its properties and applications. Polymers 2021, 13, 3256. [Google Scholar] [CrossRef] [PubMed]
- Marudova, M.; Exner, G.; Pilicheva, B.; Marinova, A.; Viraneva, A.; Bodurov, I.; Sotirov, S.; Vlaeva, I.; Uzinova, Y.; Yovcheva, T. Effect of assembly pH and ionic strength of chitosan/casein multilayers on benzydamine hydrochloride release. Int. J. Polym. Mater. Polym. Biomater. 2019, 68, 90–98. [Google Scholar] [CrossRef]
- Sessler, G.M. Electrets: Recent developments. J. Electrost. 2001, 51–52, 137–145. [Google Scholar] [CrossRef]
- Yovcheva, T.; Viraneva, A.; Marudova, M.; Grigorov, A. Exploring Polyelectrolyte Multilayers Deposited on Corona-Charged Porous Composite Polylactic Acid/Poly(ε-Caprolactone) Substrates for Enhanced Drug Delivery Systems. IEEE Trans. Dielectr. Electr. Insul. 2024, 31, 2330–2334. [Google Scholar] [CrossRef]
- Bodurov, I.; Marudova, M.; Viraneva, A.; Yovcheva, T.; Grigorov, A. Investigation of polyelectrolyte multilayers deposited on corona charged composite polylactic acid/poly(ε-caprolactone) substrates. J. Phys. Conf. Ser. 2021, 1762, 012006. [Google Scholar] [CrossRef]
- Viraneva, A.; Marudova, M.; Milenkova, S.; Grigorov, A.; Yovcheva, T. Investigation of Polyelectrolyte Multilayers Deposited on Biodegradable Corona-Charged Substrates Used as Drug Delivery Systems. Coatings 2024, 14, 85. [Google Scholar] [CrossRef]
- Giacometti, J.; Fedosov, S.; Costa, M. Corona charging of polymers: Recent advances on constant current charging. Braz. J. Phys. 1999, 29, 269–279. [Google Scholar] [CrossRef]
- Priselac, D.; Poljaček, S.; Tomašegović, T.; Leskovac, M. Blends Based on Poly(ε-Caprolactone) with Addition of Poly(Lactic Acid) and Coconut Fibers: Thermal Analysis, Ageing Behavior and Application for Embossing Process. Polymers 2022, 14, 1792. [Google Scholar] [CrossRef] [PubMed]
- Noroozi, N.; Schafer, L.; Hatzikiriakos, S. Thermorheological properties of poly (ε-caprolactone)/polylactide blends. Polym. Eng. Sci. 2012, 52, 2348–2359. [Google Scholar] [CrossRef]
- Gotro, J. Polymer Innovation Blog, Lactic Acid (PLA) Is Gaining Traction in the Market. Available online: https://polymerinnovationblog.com/poly-lactic-acid-pla-is-gaining-traction-in-the-market (accessed on 16 December 2024).
- Baena, I.; Sessini, V.; Dominici, F.; Torre, L.; Kenny, J.; Peponi, L. Design of Biodegradable Blends Based on PLA and PCL: From Morphological, Thermal and Mechanical Studies to Shape Memory Behavior. Polym. Degrad. Stab. 2016, 132, 97–108. [Google Scholar] [CrossRef]
- Sheng, S.J.; Wang, F.; Ma, Q.Y.; Hu, X. Impact of foaming air on melting and crystallization behaviors of microporous PLA scaffolds. J. Therm. Anal. Calorim. 2015, 122, 1077–1088. [Google Scholar] [CrossRef]
- Hossain, K.M.Z.; Felfel, R.M.; Ogbilikana, P.S.; Thakker, D.; Grant, D.M.; Scotchford, C.A.; Ahmed, I. Single Solvent-Based Film Casting Method for the Production of Porous Polymer Films. Macromol. Mater. Eng. 2018, 303, 1700628. [Google Scholar] [CrossRef]
- Park, S.B.; Sung, M.H.; Uyama, H.; Han, D.K. Poly (glutamic acid): Production, composites, and medical applications of the next-generation biopolymer. Prog. Polym. Sci. 2021, 113, 101341. [Google Scholar] [CrossRef]
- Phaechamud, T.; Chitrattha, S. Pore formation mechanism of porous poly (dl-lactic acid) matrix membrane. Mater. Sci. Eng. C 2016, 61, 744–752. [Google Scholar] [CrossRef]
- Wang, F.; Sun, Z.; Yin, J.; Xu, L. Preparation, Characterization and Properties of Porous PLA/PEG/Curcumin Composite Nanofibers for Antibacterial Application. Nanomaterials 2019, 9, 508. [Google Scholar] [CrossRef]
- Tsuji, H.; Horikawa, G. Porous biodegradable polyester blends of poly (L-lactic acid) and poly (ε-caprolactone): Physical properties, morphology, and biodegradation. Polym. Int. 2007, 56, 258–266. [Google Scholar] [CrossRef]
- Lin, W.J.; Lu, C.H. Characterization and permeation of microporous poly (ε-caprolactone) films. J. Membr. Sci. 2002, 198, 109–118. [Google Scholar] [CrossRef]
- Wongwiwattana, P. Melt Blending of Poly(lactic acid) and Poly(caprolactone): Phase Structure and Property Relationships. Ph.D. Thesis, Loughborough University, Loughborough, UK, 2020. [Google Scholar]
- Alam, F.; Verma, P.; Mohammad, W.; Teo, J.; Varadarajan, K.M.; Kumar, S. Architected poly(lactic ac-id)/poly(e-caprolactone)/ halloysite nanotube composite scaffolds enabled by 3D printing for biomedical applications. J. Mater. Sci. 2021, 56, 14070–14083. [Google Scholar] [CrossRef]
- Khandwekar, A.; Patil, D.; Shouche, Y.; Doble, M. Surface Engineering of Polycaprolactone by Biomacromolecules and their Blood Compatibility. J. Biomater. Appl. 2011, 26, 227–252. [Google Scholar] [CrossRef] [PubMed]
- Vilela, C.; Figueiredo, A.R.P.; Silvestre, A.J.D.; Freire, C.S.R. Multilayered Materials Based on Biopolymers as Drug Delivery Systems. Expert Opin. Drug Deliv. 2016, 14, 189–200. [Google Scholar] [CrossRef] [PubMed]
- Park, S.; Han, U.; Choi, D.; Hong, J. Layer-By-Layer Assembled Polymeric Thin Films as Prospective Drug Delivery Carriers: Design and Applications. Biomater. Res. 2018, 22, 29. [Google Scholar] [CrossRef] [PubMed]
- Mašek, J.; Lubasová, D.; Lukáč, R.; Turánek-Knotigová, P.; Kulich, P.; Plocková, J.; Mašková, E.; Procházka, L.; Koudelka, Š.; Sasithorn, N.; et al. Multi-Layered Nanofibrous Mucoadhesive Films for Buccal and Sublingual Administration of Drug-Delivery and Vaccination Nanoparticles—Important Step towards Effective Mucosal Vaccines. J. Control. Release 2017, 249, 183–195. [Google Scholar] [CrossRef]
- Wongwiwattana, P.; Thomas, N.L. Co-Continuous Phase Prediction in Poly(Lactic Acid) /Poly(Caprolactone) Blends from Melt Viscosity Measurements. Polym.-Plast. Technol. Mater. 2021, 60, 1393–1410. [Google Scholar] [CrossRef]
- Pilicheva, B.; Uzunova, Y.; Bodurov, I.; Viraneva, A.; Exner, G.; Sotirov, S.; Yovcheva, T.; Marudova, M. Layer-by-layer self-assembly films for buccal drug delivery: The effect of polymer cross-linking. J. Drug Deliv. Sci. Technol. 2020, 59, 101897. [Google Scholar] [CrossRef]
- Reda, R.I.; Wen, M.M.; El-Kamel, A.H. Ketoprofen-loaded Eudragit electrospun nanofibers for the treatment of oral mucositis. Int. J. Nanomed. 2017, 12, 2335–2351. [Google Scholar] [CrossRef] [PubMed]
- Mehravaran, M.; Haeri, A.; Rabbani, S.; Mortazavi, S.A.; Torshabi, M. Preparation and characterization of benzydamine hydrochloride-loaded lyophilized mucoadhesive wafers for the treatment of oral mucositis. J. Drug Deliv. Sci. Technol. 2022, 78, 103944. [Google Scholar] [CrossRef]
- Wu, I.Y.; Bala, S.; Škalko-Basnet, N.; di Cagno, M.P. Interpreting Non-Linear Drug Diffusion Data: Utilizing Korsmeyer-Peppas Model to Study Drug Release from Liposomes. Eur. J. Pharm. Sci. 2019, 138, 105026. [Google Scholar] [CrossRef] [PubMed]
- Papadopoulou, V.; Kosmidis, K.; Vlachou, M.; Macheras, P. On the Use of the Weibull Function for the Discernment of Drug Release Mechanisms. Int. J. Pharm. 2006, 309, 44–50. [Google Scholar] [CrossRef]












| Sample | Degree of Crystallinity, % | ||
|---|---|---|---|
| Non-Porous | Porous Lyophilized | Porous + PEG | |
| PDLA | 6 | 8 | 40 |
| 50/50 | 34 | 50 | 56 |
| PCL | 59 | 80 | 74 |
| Sample Composition | Corona Polarity | Modification | Encapsulated Benzydamine, µg/4 cm2 | Released Drug After 6 h, % | Major Transport Mechanism |
|---|---|---|---|---|---|
| PDLA | Positive | None | 59.3 ± 1.6 | 59 ± 5 | Fickian diffusion |
| PDLA | Positive | Lyophilized | 588 ± 20 | 92 ± 3 | Fickian diffusion |
| PDLA | Positive | PEG 400 | 98 ± 6 | 87 ± 2 | Fick diffusion and swelling controlled transport |
| PDLA | Negative | None | 132.0 ± 2.4 | 71 ± 5 | Fickian diffusion |
| PDLA | Negative | Lyophilized | 168 ± 13 | 94 ± 4 | Fick diffusion and swelling controlled transport |
| PDLA | Negative | PEG 400 | 50 ± 5 | 98 ± 5 | Complex release mechanism |
| 50/50 | Positive | None | 48.3 ± 1.7 | 69 ± 4 | Fickian diffusion |
| 50/50 | Positive | Lyophilized | 499 ± 60 | 95 ± 2 | Fickian diffusion |
| 50/50 | Positive | PEG 400 | 264 ± 18 | 92 ± 4 | Fick diffusion and swelling controlled transport |
| 50/50 | Negative | None | 62.5 ± 2.7 | 61 ± 3 | Fickian diffusion |
| 50/50 | Negative | Lyophilized | 313 ± 25 | 84 ± 1 | Complex release mechanism |
| 50/50 | Negative | PEG 400 | 183 ± 15 | 98 ± 3 | Complex release mechanism |
| PCL | Positive | None | 102.3 ± 6.8 | 60 ± 1 | Fickian diffusion |
| PCL | Positive | Lyophilized | 2526 ± 50 | 82 ± 1 | Fickian diffusion |
| PCL | Positive | PEG 400 | 361 ± 38 | 98 ± 3 | Fick diffusion and swelling controlled transport |
| PCL | Negative | None | 247.6 ± 6.6 | 60 ± 1 | Fickian diffusion |
| PCL | Negative | Lyophilized | 684 ± 34 | 79 ± 1 | Complex release mechanism |
| PCL | Negative | PEG 400 | 350 ± 41 | 97 ± 2 | Complex release mechanism |
Disclaimer/Publisher’s Note: The statements, opinions and data contained in all publications are solely those of the individual author(s) and contributor(s) and not of MDPI and/or the editor(s). MDPI and/or the editor(s) disclaim responsibility for any injury to people or property resulting from any ideas, methods, instructions or products referred to in the content. |
© 2025 by the authors. Licensee MDPI, Basel, Switzerland. This article is an open access article distributed under the terms and conditions of the Creative Commons Attribution (CC BY) license (https://creativecommons.org/licenses/by/4.0/).
Share and Cite
Viraneva, A.; Marudova, M.; Grigorov, A.; Milenkova, S.; Yovcheva, T. Multilayered Polyelectrolyte Structures Deposited on Corona-Charged Substrate Blends as Potential Drug Delivery Systems. Coatings 2025, 15, 240. https://doi.org/10.3390/coatings15020240
Viraneva A, Marudova M, Grigorov A, Milenkova S, Yovcheva T. Multilayered Polyelectrolyte Structures Deposited on Corona-Charged Substrate Blends as Potential Drug Delivery Systems. Coatings. 2025; 15(2):240. https://doi.org/10.3390/coatings15020240
Chicago/Turabian StyleViraneva, Asya, Maria Marudova, Aleksandar Grigorov, Sofia Milenkova, and Temenuzhka Yovcheva. 2025. "Multilayered Polyelectrolyte Structures Deposited on Corona-Charged Substrate Blends as Potential Drug Delivery Systems" Coatings 15, no. 2: 240. https://doi.org/10.3390/coatings15020240
APA StyleViraneva, A., Marudova, M., Grigorov, A., Milenkova, S., & Yovcheva, T. (2025). Multilayered Polyelectrolyte Structures Deposited on Corona-Charged Substrate Blends as Potential Drug Delivery Systems. Coatings, 15(2), 240. https://doi.org/10.3390/coatings15020240

