Effect of Spraying Power on the Tribological Properties of Alumina and Alumina-Graphite Coatings
Abstract
1. Introduction
2. Materials and Methods
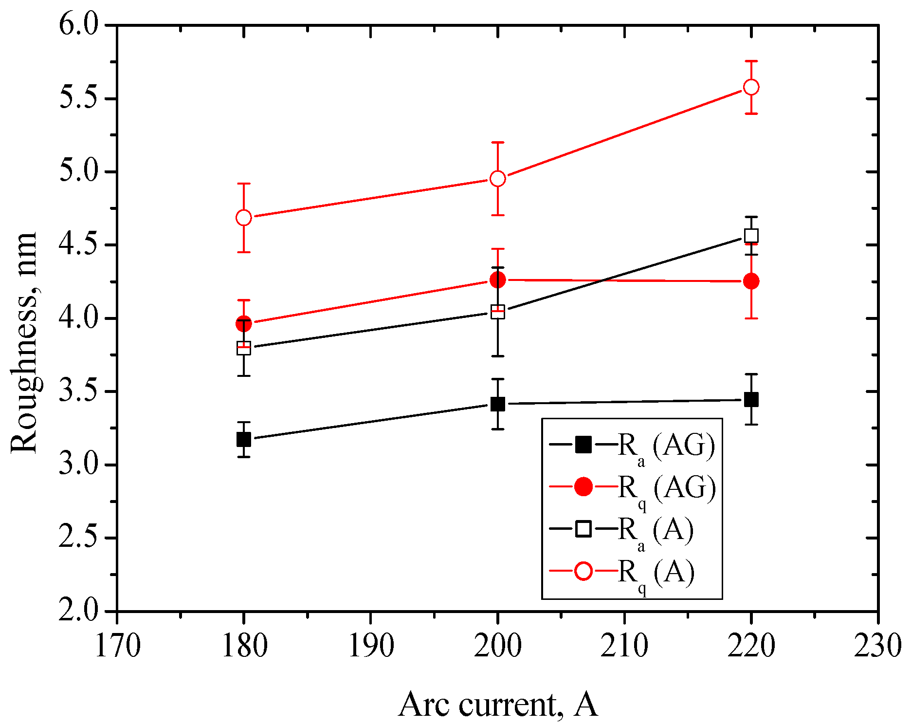
3. Results
4. Conclusions
Author Contributions
Funding
Institutional Review Board Statement
Informed Consent Statement
Data Availability Statement
Conflicts of Interest
References
- Jambagi, S.C.; Kar, S.; Brodard, P.; Bandyopadhyay, P.P. Characteristics of plasma sprayed coatings produced from carbon nanotube doped ceramic powder feedstock. Mater. Des. 2016, 112, 392–401. [Google Scholar] [CrossRef]
- Kim, K.H.; Kim, J.H.; Hong, K.W.; Park, J.Y.; Lee, C.B. Application of high-temperature ceramic plasma-spray coatings for a reusable melting crucible. Surf. Coat. Technol. 2017, 326, 429–435. [Google Scholar] [CrossRef]
- Liu, Z.; Xing, Z.; Wang, H.; Xue, Z.; Chen, S.; Jin, G.; Cui, X. Effect of ZnO on the microstructure and dielectric properties of BaTiO3 ceramic coatings prepared by plasma spraying. J. Alloys Compd. 2017, 727, 696–705. [Google Scholar] [CrossRef]
- Li, G.R.; Yang, G.J.; Li, C.X.; Li, C.J. Force transmission and its effect on structural changes in plasma-sprayed lamellar ceramic coatings. J. Eur. Ceram. Soc. 2017, 37, 2877–2888. [Google Scholar] [CrossRef]
- Deng, W.; Li, S.; Liu, X.; Zhao, X.; An, Y.; Zhou, H.; Chen, J. A novel approach to fabricate hybrid materials with excellent tribological properties from spray-formed ceramic. Mater. Lett. 2017, 193, 199–202. [Google Scholar] [CrossRef]
- Tlili, B.; Barkaoui, A.; Walock, M. Tribology and wear resistance of the stainless steel. The sol–gel coating impact on the friction and damage. Tribol. Int. 2016, 102, 348–354. [Google Scholar] [CrossRef]
- Holmberg, K.; Laukkanen, A.; Ghabchi, A.; Rombouts, M.; Turunen, E.; Waudby, R.; Suhonen, T.; Valtonen, K.; Sarlin, E. Computational modelling based wear resistance analysis of thick composite coatings. Tribol. Int. 2014, 72, 13–30. [Google Scholar] [CrossRef]
- Heimann, R.B. Plasma Spray Coating Principles and Applications; Wiley-VCH: Hoboken, NJ, USA, 2008. [Google Scholar]
- Fauchais, P.L.; Heberlein, J.V.R.; Boulos, M.I. Thermal Spray Fundamentals. In From Powder to Part; Springer: Berlin/Heidelberg, Germany, 2014. [Google Scholar]
- Yang, Y.; Wang, Y.; Tian, W.; Yan, D.; Zhang, J.; Wang, L. Influence of composite powders’ microstructure on the microstructure and properties of Al2O3–TiO2 coatings fabricated by plasma spraying. Mater. Des. 2015, 65, 814–822. [Google Scholar] [CrossRef]
- Song, E.P.; Hwang, B.; Lee, S.; Kim, N.J.; Ahn, J. Correlation of microstructure with hardness and wear resistance of stainless steel blend coatings fabricated by atmospheric plasma spraying. Mater. Sci. Eng. A. 2006, 429, 189–195. [Google Scholar] [CrossRef]
- Lin, X.; Zeng, Y.; Ding, C.; Zhang, P. Effects of temperature on tribological properties of nanostructured and conventional Al2O3–3 wt.% TiO2 coatings. Wear 2004, 256, 1018–1025. [Google Scholar] [CrossRef]
- Yin, Z.; Tao, S.; Zhou, X.; Ding, C. Particle in-flight behavior and its influence on the microstructure and mechanical properties of plasma-sprayed Al2O3 coatings. J. Eur. Ceram. Soc. 2008, 28, 1143–1148. [Google Scholar] [CrossRef]
- Sahab, A.R.M.; Saad, N.H.; Kasolang, S.; Saedon, J. Impact of Plasma Spray Variables Parameters on Mechanical and Wear Behaviour of Plasma Sprayed Al2O3 3% wt TiO2 Coating in Abrasion and Erosion Application. Procedia Eng. 2012, 41, 1689–1695. [Google Scholar] [CrossRef]
- Wang, C.; Fan, L.; Fan, J.; Zhang, D.; Wang, H. Effect of spraying power on microstructure and properties of supersonic plasma sprayed Al2O3 coating on porous Si3N4 substrate. J. Alloys Compd. 2013, 559, 152–157. [Google Scholar] [CrossRef]
- Song, E.P.; Ahn, J.; Lee, S.; Kim, N.J. Effects of critical plasma spray parameter and spray distance on wear resistance of Al2O3–8 wt.%TiO2 coatings plasma-sprayed with nanopowders. Surf. Coat. Technol. 2008, 202, 3625–3632. [Google Scholar] [CrossRef]
- Shahien, M.; Suzuki, M. Low power consumption suspension plasma spray system for ceramic coating deposition. Surf. Coat. Technol. 2017, 318, 11–17. [Google Scholar] [CrossRef]
- Jambagi, S.C. Scratch adhesion strength of plasma sprayed carbon nanotube reinforced ceramic coatings. J. Alloys Compd. 2017, 728, 126–137. [Google Scholar] [CrossRef]
- Wang, R.; Song, D.; Liu, W. Effect of arc spraying power on the microstructure and mechanical properties of Pb-Sn coating deposited onto carbon fiber reinforced epoxy composites. Polym. Polym. Compos. 2011, 19, 289–294. [Google Scholar] [CrossRef]
- Wu, H.; Li, H.J.; Lei, Q.; Fu, Q.G.; Ma, C.; Yao, D.J.; Wang, Y.J.; Sun, C.; Wei, J.F.; Han, Z.H. Effect of spraying power on microstructure and bonding strength of MoSi2-based coatings prepared by supersonic plasma spraying. Appl. Surf. Sci. 2011, 257, 5566–5570. [Google Scholar] [CrossRef]
- Wang, J.; Sun, J.; Zhang, H.; Dong, S.; Jiang, J.; Deng, L.; Zhou, X.; Cao, X. Effect of spraying power on microstructure and property of nanostructured YSZ thermal barrier coatings. J. Alloys Compd. 2018, 730, 471–482. [Google Scholar] [CrossRef]
- Wang, C.; Li, K.; Shi, X.; Huo, C.; He, Q.; Zhang, Y. Effect of spraying power on oxidation resistance and mechanical properties of plasma sprayed La-Mo-Si coating. Surf. Coat. Technol. 2017, 311, 138–150. [Google Scholar] [CrossRef]
- Zhang, X.C.; Xu, B.S.; Tu, S.T.; Xuan, F.Z.; Wang, H.D.; Wu, Y.X. Effect of spraying power on the microstructure and mechanical properties of supersonic plasma-sprayed Ni-based alloy coatings. Appl. Surf. Sci. 2008, 254, 6318–6326. [Google Scholar] [CrossRef]
- Xing, Y.Z.; Liu, Z.; Wang, G.; Li, X.H.; Xing, Y.L.; Jiang, C.P.; Chen, Y.N.; Song, X.; Dargusch, D.M. Effects of spray parameters on the adhesion between plasma-sprayed cast iron splat and aluminium substrate. Surf. Coat. Technol. 2017, 315, 1–8. [Google Scholar] [CrossRef]
- Zhao, D.; Coyle, T.W.; Chien, K. Phase composition and microstructure of yttrium aluminum garnet (YAG) coatings prepared by suspension plasma spraying of Y2O3-Al2O3 powders. Surf. Coat. Technol. 2013, 235, 303–309. [Google Scholar] [CrossRef]
- Sivakumar, G.; Dusane, R.O.; Joshi, S.V. A novel approach to process phase pure α-Al2O3 coatings by solution precursor plasma spraying. J. Eur. Ceram. Soc. 2013, 33, 2823–2829. [Google Scholar] [CrossRef]
- Song, R.G.; Wang, C.; Jiang, Y.; Li, G.; Lu, H.; Wang, Z.X. Microstructure and properties of Al2O3/TiO2 nanostructured ceramic composite coatings prepared by plasma spraying. J. Alloys Compd. 2012, 544, 13–18. [Google Scholar] [CrossRef]
- Li, C.J.; Sun, B. Effects of spray parameters on the microstructure and property of Al2O3 coatings sprayed by a low power plasma torch with a novel hollow cathode. Thin Solid Films. 2004, 450, 282–289. [Google Scholar] [CrossRef]
- Gao, Y.; Xu, X.; Yan, Z.; Xin, G. High hardness alumina coatings prepared by low power plasma spraying. Surf. Coat. Technol. 2002, 154, 189–193. [Google Scholar] [CrossRef]
- Bu, Z.; Zhao, X.; Liu, X.Y.; An, Y. Effect of Melting Behavior of Al2O3 Powder on the Structure and Dielectric Properties of Plasma-Sprayed Coatings. J. Therm. Spray Technol. 2022, 31, 449–461. [Google Scholar] [CrossRef]
- Bolelli, G.; Cannillo, V.; Lusvarghi, L.; Manfredini, T. Wear behaviour of thermally sprayed ceramic oxide coatings. Wear 2006, 261, 1298–1315. [Google Scholar] [CrossRef]
- Mahade, S.; Mulone, A.; Bjorklund, S.; Klement, U.; Joshi, S. Incorporation of graphene nano platelets in suspension plasma sprayed alumina coatings for improved tribological properties. Appl. Surf. Sci. 2021, 570, 151227. [Google Scholar] [CrossRef]
- Liu, C.; Sun, J.; Venturi, F.; Romero, A.; Hussain, T. Microstructure and wear performance of alumina/graphene coating on textured Al2O3/TiC substrate composites. J. Eur. Ceram. 2021, 41, 1438–1451. [Google Scholar] [CrossRef]
- Li, Y.; Liu, J.; Deng, J.; He, J.; Qin, Y.; Xing, Y.; Yin, F. Fabrication of graphene oxide reinforced plasma sprayed Al2O3 coatings. Ceram. Int. 2023, 49, 1667–1677. [Google Scholar] [CrossRef]
- Marcinauskas, L.; Mathew, J.S.; Milieška, M.; Aikas, M.; Kalin, M. Influence of graphite content on the tribological properties of plasma sprayed alumina-graphite coatings. Surf. Interfaces 2023, 38, 102763. [Google Scholar] [CrossRef]
- Marcinauskas, L.; Mathew, J.S.; Milieška, M.; Thanigachalam, B.; Kupec, A.; Česnavičius, R.; Kėželis, R.; Kalin, M. Microstructure and tribological properties of plasma sprayed alumina and alumina-graphite coatings. Surf. Coat. Technol. 2018, 350, 401–409. [Google Scholar] [CrossRef]
- Marcinauskas, L.; Mathew, J.S.; Milieška, M.; Aikas, M.; Kalin, M. Effect of graphite concentration on the tribological performance of alumina coatings. J. Alloys Compd. 2020, 827, 154135. [Google Scholar] [CrossRef]
- Zhao, X.; Li, S.; Hou, G.; An, Y.; Zhou, H.; Chen, J. Influence of doping graphite on microstructure and tribological properties of plasma sprayed 3Al2O3-2SiO2 coating. Tribol. Int. 2016, 101, 168–177. [Google Scholar] [CrossRef]
- Brinkienė, K.; Kėželis, R.; Mečius, V. Effect of outlet nozzle design on the YSZ particle in-flight characteristics in plasma jet generated by DC plasma torch. In Advances in Heat Transfer Engineering; Begell House: Danbury, CT, USA, 2003; pp. 629–636. [Google Scholar]
- Marcinauskas, L.; Milieška, M.; Kėželis, R. Effect of torch power on the microstructure of plasma sprayed Al2O3 coatings. Surf. Interface Anal. 2016, 48, 552–555. [Google Scholar] [CrossRef]
- Marcinauskas, L.; Kavaliauskas, Ž.; Kėželis, R. Formation of carbon composite coatings by plasma spraying. Vacuum 2015, 122, 326–331. [Google Scholar] [CrossRef]
- Kim, J.T.; Lim, K.B.; Lee, D.C. Fabrication of alumina films as a thermoelectric material by thermal plasma processing. Surf. Interface Anal. 2003, 35, 658–661. [Google Scholar] [CrossRef]
- Ghara, T.; Bandyopadhyay, P. Understanding the role of in-flight particle temperature and velocity on the residual stress depth profile and other mechanical properties of atmospheric plasma sprayed Al2O3 coating. J. Eur. Ceram. 2022, 42, 4353–4368. [Google Scholar] [CrossRef]
- Pattnayak, A.; Gupta, N.V.; Abhijith, D.; Kumar, J.; Jain, V. Chaudhry. Development of rGO doped alumina-based wear and corrosion resistant ceramic coatings on steel using HVOF thermal spray. Ceram. Int. 2023, 49, 17577–17591. [Google Scholar] [CrossRef]
- Mu, M.; Zhou, X.; Xiao, Q.; Liang, J.; Huo, X. Preparation and tribological properties of self-lubricating TiO2/graphite composite coating on Ti6Al4V alloy. Appl. Surf. Sci. 2021, 258, 8570–8576. [Google Scholar] [CrossRef]
- Ordonez, M.F.C.; Farias, M.C.M.; Descartes, S.; Machado, I.F.; Souza, R.M. Tribofilm formation during dry sliding of graphite- and MoS2- based composites obtained by spark plasma sintering. Tribol. Int. 2021, 160, 107035. [Google Scholar] [CrossRef]
- Murakami, T.; Matsuzaki, K.; Inui, H. Microstructure, friction and wear properties of αFeSi 2–graphite composite specimens. Tribol. Int. 2013, 67, 98–103. [Google Scholar] [CrossRef]
- Hou, B.; Guo, H.; Zhang, N.; Zhi, Q.; Yang, J. Anisotropic Friction Derived from the Layered Arrangement of the Oriented Graphite Flakes in the Copper–Iron Matrix Composite. Tribol. Lett. 2022, 78, 1–13. [Google Scholar] [CrossRef]
- Torres, H.; Podgornik, B.; Klug, M.; Ripol, M. Compatibility of graphite, hBN and graphene with self-lubricating coatings and tool steel for high temperature aluminium forming. Wear 2022, 490, 204187. [Google Scholar] [CrossRef]
- Kim, H.; Oh, P.Y.; Kang, B.R.; Lim, H.; Moon, M.; Hong, B.G. Ablation properties of plasma facing materials using thermal plasmas. Fusion Eng. Des. 2017, 124, 460–463. [Google Scholar] [CrossRef]
- Shiby, M.J.; Marcinauskas, L.; Thanigachalam, B.; Česnavičius, R.; Milieška, M.; Kėželis, R.; Kupec, A.; Kalin, M. The tribological properties of Al2O3 based composite coatings deposited by plasma spraying. In Proceedings of the International Conference of Young Scientists on Energy Issues (CYSENI 2018), Kaunas, Lithuania, 23–25 May 2018; pp. 425–434. [Google Scholar]
- Qin, Y.; Zhu, L.; He, J.; Yin, F.; Nan, Z. Effect of powder injection distance on microstructure and mechanical properties of reactive plasma sprayed TiCN coatings. Surf. Coat. Technol. 2017, 329, 131–138. [Google Scholar] [CrossRef]
- Qin, Y.; He, J.; Yin, F.; Liu, B.; Zhang, F. Effect of Ti particle size on mechanical and tribological properties of TiCN coatings prepared by reactive plasma spraying. Ceram. Int. 2017, 43, 16548–16554. [Google Scholar] [CrossRef]
- Robotti, M.; Dosta, S.; Gardon, M.; Cano, I.G.; Guilemany, J.M.; Kourasi, M.; Mellor, B.; Wills, R. Enhancing the performance of common electrode materials by means of atmospheric plasma spray coatings. J. Energy Storage 2016, 5, 127–133. [Google Scholar] [CrossRef]
- Huang, C.; Li, W.; Planche, M.P.; Liao, H.; Montavon, G. In-situ formation of Ni-Al intermetallics-coated graphite/Al composite in a cold-sprayed coating and its high temperature tribological behaviors. J. Mater. Sci. Technol. 2017, 33, 507–515. [Google Scholar] [CrossRef]









| Parameter | Al2O3 | Al2O3 | Al2O3 | Al2O3-Graphite | Al2O3-Graphite | Al2O3-Graphite |
|---|---|---|---|---|---|---|
| Coating | A1 | A2 | A3 | AG1 | AG2 | AG3 |
| Current, A | 180 | 200 | 220 | 180 | 200 | 220 |
| Voltage, V | 205 | 202 | 195 | 202 | 198 | 192 |
| Power, kW | 36.9 | 40.4 | 42.9 | 36.36 | 39.6 | 42.24 |
| Spray distance, mm | 70 | 70 | 70 | 70 | 70 | 70 |
| Temperature, K | 3400 ± 50 | 3445 ± 50 | 3485 ± 50 | 3380 ± 50 | 3450 ± 50 | 3480 ± 50 |
| Velocity, m/s | 1350 ± 20 | 1370 ± 20 | 1385 ± 20 | 1340 ± 20 | 1365 ± 20 | 1380 ± 20 |
Disclaimer/Publisher’s Note: The statements, opinions and data contained in all publications are solely those of the individual author(s) and contributor(s) and not of MDPI and/or the editor(s). MDPI and/or the editor(s) disclaim responsibility for any injury to people or property resulting from any ideas, methods, instructions or products referred to in the content. |
© 2023 by the authors. Licensee MDPI, Basel, Switzerland. This article is an open access article distributed under the terms and conditions of the Creative Commons Attribution (CC BY) license (https://creativecommons.org/licenses/by/4.0/).
Share and Cite
Mathew, J.S.; Marcinauskas, L.; Kavaliauskas, Ž.; Kėželis, R.; Kalin, M. Effect of Spraying Power on the Tribological Properties of Alumina and Alumina-Graphite Coatings. Coatings 2023, 13, 1165. https://doi.org/10.3390/coatings13071165
Mathew JS, Marcinauskas L, Kavaliauskas Ž, Kėželis R, Kalin M. Effect of Spraying Power on the Tribological Properties of Alumina and Alumina-Graphite Coatings. Coatings. 2023; 13(7):1165. https://doi.org/10.3390/coatings13071165
Chicago/Turabian StyleMathew, Jacob Shiby, Liutauras Marcinauskas, Žydrūnas Kavaliauskas, Romualdas Kėželis, and Mitjan Kalin. 2023. "Effect of Spraying Power on the Tribological Properties of Alumina and Alumina-Graphite Coatings" Coatings 13, no. 7: 1165. https://doi.org/10.3390/coatings13071165
APA StyleMathew, J. S., Marcinauskas, L., Kavaliauskas, Ž., Kėželis, R., & Kalin, M. (2023). Effect of Spraying Power on the Tribological Properties of Alumina and Alumina-Graphite Coatings. Coatings, 13(7), 1165. https://doi.org/10.3390/coatings13071165

