Gradient Coating of Laser Cladding TiB2/Ti-Based Alloy on Titanium Alloy Surface
Abstract
:1. Introduction
2. Experimental Section
2.1. Preparation of Composite Coating
2.2. Composite Coating Characterization and Performance Testing
3. Results and Discussion
3.1. Microstructure Characteristics of Laser Cladding Layer on Titanium Alloy Surface
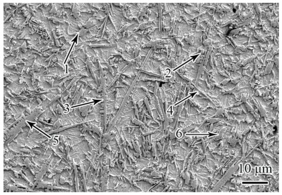
3.2. Phase Composition and Microstructure Analysis of 30%TiB2/Ti-Based Alloy Laser Cladding Layer
3.3. TEM Detection of 30%TiB2/Ti-Based Alloy Laser Cladding Layer
3.4. Hardness of 30%TiB2/Ti-Based Alloy Laser Cladding Layer
3.5. Wear Resistance of 30%TiB2/Ti-Based Alloy Laser Cladding Layer
4. Conclusions
Author Contributions
Funding
Institutional Review Board Statement
Informed Consent Statement
Data Availability Statement
Conflicts of Interest
References
- Li, G.Q.; Ma, F.C.; Liu, P.; Qi, S.C.; Li, W.; Zhang, K.; Chen, X.H. Review of micro-arc oxidation of titanium alloys: Mechanism, properties and applications. J. Alloys Compd. 2023, 22, 169773. [Google Scholar] [CrossRef]
- Shu, L.S.; Li, J.H.; Wu, H.; Heng, Z. Optimization of Multi-Track Laser-Cladding Process of Titanium Alloy Based on RSM and NSGA-II Algorithm. Coatings 2022, 12, 1301. [Google Scholar] [CrossRef]
- Akula, S.P.; Ojha, M.; Rao, K.L.; Gupta, A.K. A review on superplastic forming of Ti-6Al-4V and other titanium alloys. Mater. Today Commun. 2023, 34, 105343. [Google Scholar] [CrossRef]
- Yue, Y.; Liu, S.G.; Qiu, W.W.; Wang, F.; Xue, Y.J.; Xia, C.Q.; Du, S.M. Comparative Study on Wear Behaviors of Monolayer and Heterogeneous Multilayer Ta Coatings in Atmospheric and SBF Environments. Coatings 2023, 13, 120. [Google Scholar] [CrossRef]
- Zhou, K.; Xie, F.Q.; Wu, X.Q.; Wang, S.Q. Fretting wear behavior of nano ZrO2 doped plasma electrolytic oxidation composite coatings on TC21 titanium alloy. Surf. Coat. Technol. 2021, 421, 127429. [Google Scholar] [CrossRef]
- Wang, K.M.; Liu, W.; Hong, Y.X.; Shakhawat Sohan, H.M.; Tong, Y.G.; Hu, Y.L.; Zhang, M.J.; Zhang, J.; Xiang, D.D.; Fu, H.G.; et al. An Overview of Technological Parameter Optimization in the Case of Laser Cladding. Coatings 2023, 13, 496. [Google Scholar] [CrossRef]
- Zhou, Y.; Shen, M.X.; Cai, Z.B.; Peng, J.F.; Zhu, M.H. Study on dual rotary fretting wear behavior of Ti6Al4V titanium alloy. Wear 2017, 376–377, 670–679. [Google Scholar] [CrossRef]
- Xue, J.L.; Guo, W.; Yang, J.; Xia, M.S.; Xia, M.S.; Zhao, G.; Tan, C.W.; Wan, Z.D.; Chi, J.X.; Zhang, H.Q. In-situ observation of microcrack initiation and damage nucleation modes on the HAZ of laser-welded DP1180 joint. J. Mater. Sci. Technol. 2023, 148, 138–149. [Google Scholar] [CrossRef]
- Wang, K.M.; Du, D.; Liu, G.; Pu, Z.; Chang, B.H.; Ju, J. A study on the additive manufacturing of a high chromium nickel-based superalloy by extreme high-speed laser metal deposition. Opt. Laser Technol. 2021, 133, 106504. [Google Scholar] [CrossRef]
- Yang, S.; Han, Q.; Yin, Y.; Zhang, Z.; Wang, L.; Zhu, Z.; Liu, H.; Ma, T.; Gao, Z. Effects of TiB2 content on the processability and mechanical performance of Hastelloy-X based composites fabricated by selective laser melting. Opt. Laser Technol. 2022, 155, 108441. [Google Scholar] [CrossRef]
- Cui, Y.; King, D.J.M.; Horsfield, A.P.; Gourlay, C.M. Solidification orientation relationships between Al3Ti and TiB2. Acta Mater. 2020, 186, 149–161. [Google Scholar] [CrossRef]
- Li, J.H.; Hage, F.S.; Ramasse, Q.M.; Schumacher, P. The nucleation sequence of α-Al on TiB2 particles in Al-Cu alloys. Acta Mater. 2021, 206, 116652. [Google Scholar] [CrossRef]
- Vairamuthu, J.; Senthil, A.K.; Sivakumar, G.D.; Naveen, S.N.; Kailasanathana, C. Mechanical properties of casting titanium alloy matrix composites reinforced by WC and TiB2 ceramic particulates. Mater. Today Proc. 2022, 59, 1503–1507. [Google Scholar] [CrossRef]
- Weng, F.; Yu, H.J.; Du, X.Y.; Tian, H.F.; Chen, C.Z. In situ formed TiB2/TiC complex structure in laser-alloyed coatings with improved wear property. Ceram. Int. 2022, 48, 7056–7062. [Google Scholar] [CrossRef]
- Wang, Z.; Lan, N.; Zhang, Y.; Deng, W.R. Microstructure and Properties of MAO-Cu/Cu-(HEA)N Composite Coatings on Titanium Alloy. Coatings 2022, 12, 1877. [Google Scholar] [CrossRef]
- Jindal, J.D.V.; Sanders, A.P.; Chandran, K.S.R. CALPHAD-guided alloy design and processing for improved strength and toughness in Titanium Boride (TiB) ceramic alloy containing a ductile phase. Acta Mater. 2019, 171, 18–30. [Google Scholar]
- Ouyang, D.L.; Hu, S.W.; Cheng, T.A.O.; Xia, C.U.I.; Zhu, Z.S.; Lu, S.Q. Experiment and modeling of TiB2/TiB boride layer of Ti−6Al−2Zr−1Mo−1V alloy. Trans. Nonferrous Met. Soc. China 2021, 31, 3752–3761. [Google Scholar] [CrossRef]
- Lin, Y.H.; Jiang, C.C.; Lin, Z.H.; Chen, Q.T.; Lei, Y.P.; Fu, H.G. Laser in-situ synthesis of high aspect ratio TiB fiber bundle reinforced titanium matrix composite coating. Opt. Laser Technol. 2019, 115, 364–373. [Google Scholar] [CrossRef]
- Lin, Y.H.; Lin, Z.H.; Chen, Q.T.; Lei, Y.P.; Fu, H.G. Laser in-situ synthesis of titanium matrix composite coating with TiB−Ti network-like structure reinforcement. Trans. Nonferrous Met. Soc. China 2019, 29, 1665–1676. [Google Scholar] [CrossRef]
- Mielniczuk, B.; Hueckel, T.; Youssoufi, M.S.E. Laplace pressure evolution and four instabilities in evaporating two-grain liquid bridges. Powder Technol. 2015, 283, 137–151. [Google Scholar] [CrossRef]
- Givenhchi, R.; Tan, Z.C. The effect of capillary force on airborne nanoparticle filtration. J. Aerosol. Sci. 2015, 83, 12–24. [Google Scholar] [CrossRef]
- Feng, Q.; Ma, X.H.; Yan, Q.Z.; Ge, C.C. Preparation of soft-agglomerated nano-sized ceramic powders by sol–gel combustion process. Mater. Sci. Eng. B 2009, 162, 53–58. [Google Scholar] [CrossRef]
- Feng, J.; Han, Y.F.; Han, X.C.; Wang, X.D.; Song, S.X.; Sun, B.D.; Chen, M.W.; Liu, P. Atomic insights into heterogeneous nucleation and growth kinetics of Al on TiB2 particles in undercooled Al-5Ti-1B melt. J. Mater Sci. Technol. 2023, 156, 72–78. [Google Scholar] [CrossRef]
- Gorsse, S.; Miracle, D.B. Mechanical properties of Ti-6Al-4V/TiB composites with randomly oriented and aligned TiB reinforcements. Acta Mater. 2003, 51, 2427–2442. [Google Scholar] [CrossRef]
- Lin, Y.H.; Lei, Y.P.; Li, X.Q.; Zhi, X.H.; Fu, H.G. A study of TiB2/TiB gradient coating by laser cladding on titanium alloy. Opt. Laser Eng. 2016, 82, 48–55. [Google Scholar] [CrossRef]
- Le, J.; Boehlert, C.J.; Huang, G.; Mao, J.; Lei, L.; Han, Y.; Lu, W. TiB whisker induced variant selection in titanium matrix composites. Scr. Mater. 2022, 217, 114772. [Google Scholar] [CrossRef]
- Xu, S.Y.; Cai, Q.; Li, G.; Lu, X.F.; Zhu, X.L. Effect of scanning speed on microstructure and properties of TiC/Ni60 composite coatings on Ti6Al4V alloy by laser cladding. Opt. Laser Technol. 2022, 154, 108309. [Google Scholar] [CrossRef]
- Zhang, L.L.; Zheng, Q.J.; Jiang, H.X.; Zhao, J.Z. Interfacial energy between Al melt and TiB2 particles and efficiency of TiB2 particles to nucleate α-Al. Scr. Mater. 2019, 160, 25–28. [Google Scholar] [CrossRef]












| Composition | Al | V | Fe | S | C | O | Ni | Ti |
|---|---|---|---|---|---|---|---|---|
| Content | 6.01 | 3.84 | 0.3 | 0.15 | 0.1 | 0.1 | 0.15 | 89.35 |
| Composition | Ti | B | C | Ca | Co | Fe | O |
|---|---|---|---|---|---|---|---|
| Content | 67.5 | 28.5 | 1.0 | 1.0 | 1.0 | 0.5 | 0.5 |
| Composition | Ti | Fe | Si | Al | C | N | O | H |
|---|---|---|---|---|---|---|---|---|
| Content | 98.95 | 0.5 | 0.03 | 0.01 | 0.05 | 0.05 | 0.4 | 0.01 |
| Test Temperature (°C) | Load (N) | Frequency (Hz) | Amplitude (μm) | Time (min) | Size (mm) |
|---|---|---|---|---|---|
| 23~30 | 50, 100, 150 | 20 | 100 | 30 | 12 × 20 × 10 |
| Position No. | Mass Fraction/% | ||||
|---|---|---|---|---|---|
| Ti | B | Al | V | O | |
| 1 | 34.5 | 58.6 | 4.1 | 2.5 | 0.3 |
| 2 | 49.3 | 43.1 | 4.6 | 2.6 | 0.4 |
| 3 | 48.4 | 43.7 | 4.2 | 3.5 | 0.2 |
| 4 | 48.7 | 42.5 | 5.1 | 3.4 | 0.3 |
| 5 | 34.8 | 57.9 | 4.0 | 2.9 | 0.4 |
| 6 | 35.3 | 58.6 | 3.1 | 2.6 | 0.4 |
| Type | Average Microhardness (HV0.2) | Average Friction Coefficient/100 N |
|---|---|---|
| Substrate | 332 | 0.53 |
| Coating | 650 | 0.46 |
Disclaimer/Publisher’s Note: The statements, opinions and data contained in all publications are solely those of the individual author(s) and contributor(s) and not of MDPI and/or the editor(s). MDPI and/or the editor(s) disclaim responsibility for any injury to people or property resulting from any ideas, methods, instructions or products referred to in the content. |
© 2023 by the authors. Licensee MDPI, Basel, Switzerland. This article is an open access article distributed under the terms and conditions of the Creative Commons Attribution (CC BY) license (https://creativecommons.org/licenses/by/4.0/).
Share and Cite
Lin, Y.; Wang, H.; Zhang, M.; Lin, H.; Yan, D.; Lin, Q.; Kang, X.; Wang, X. Gradient Coating of Laser Cladding TiB2/Ti-Based Alloy on Titanium Alloy Surface. Coatings 2023, 13, 743. https://doi.org/10.3390/coatings13040743
Lin Y, Wang H, Zhang M, Lin H, Yan D, Lin Q, Kang X, Wang X. Gradient Coating of Laser Cladding TiB2/Ti-Based Alloy on Titanium Alloy Surface. Coatings. 2023; 13(4):743. https://doi.org/10.3390/coatings13040743
Chicago/Turabian StyleLin, Yinghua, Haibo Wang, Mingxing Zhang, Hui Lin, Dengqiang Yan, Qinghua Lin, Xin Kang, and Xinlin Wang. 2023. "Gradient Coating of Laser Cladding TiB2/Ti-Based Alloy on Titanium Alloy Surface" Coatings 13, no. 4: 743. https://doi.org/10.3390/coatings13040743
APA StyleLin, Y., Wang, H., Zhang, M., Lin, H., Yan, D., Lin, Q., Kang, X., & Wang, X. (2023). Gradient Coating of Laser Cladding TiB2/Ti-Based Alloy on Titanium Alloy Surface. Coatings, 13(4), 743. https://doi.org/10.3390/coatings13040743
