Young’s Modulus and Residual Stresses of Oxide-Free Wire Arc Sprayed Copper Coatings
Abstract
1. Introduction
2. Materials and Methods
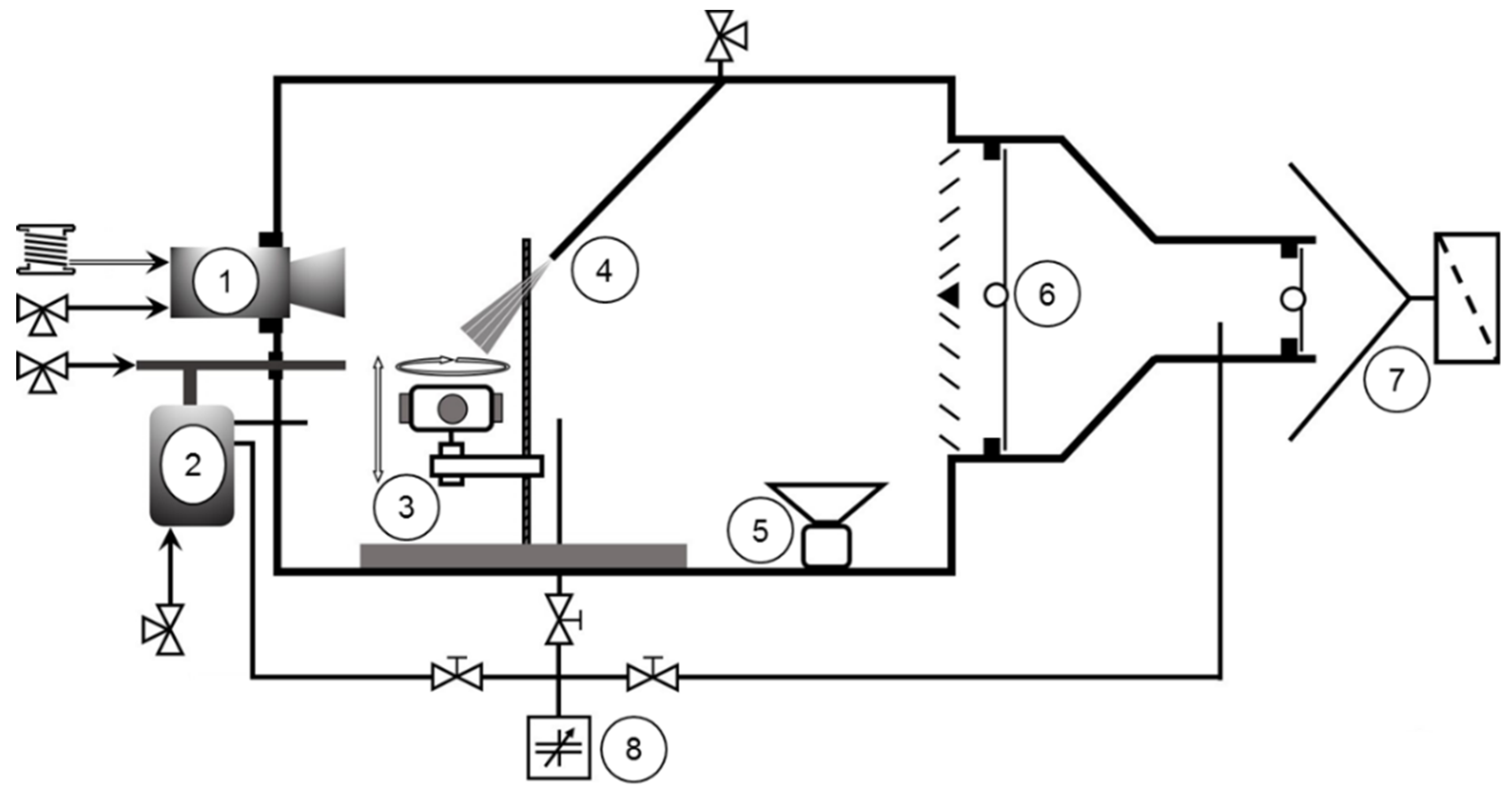
2.1. Coating Environmental Conditions
2.2. Coating Method and Materials
2.3. Characterisation of the Coating Morphology
2.4. Young’s Modulus and Residual Stress Evaluation
3. Results and Discussion
3.1. Coating Morphology
3.2. Particle Formation
3.3. Apparent Young’s Modulus
3.4. Residual Stresses
4. Conclusions
- It is possible to generate an XHV-adequate coating atmosphere using silane-doped nitrogen as the coating atmosphere and atomisation gas; thus, this method establishes the conditions needed for the formation of a material bond within thermally sprayed coatings.
- An enhanced wetting behaviour on the substrate surface is possible by conducting the surface activation process in a silane-doped inert gas environment. In this environment, new process conditions and effects can be observed: the particle formation, atomisation, and dispersion behaviour are significantly different, which have a decisive effect on the resulting coating morphology and properties.
- Due to the suppression of a wetting-inhibiting oxide film forming on the copper particles, the coatings produced in a silane-doped nitrogen atmosphere are free of oxide seams, exhibiting a significantly reduced coating porosity that ranges from 18% to 5%.
- The transfer to an oxygen-free environment led to a 56% increase in the coating ratio, resulting in an increase in the apparent Young’s modulus.
- Interestingly, although the apparent Young‘s modulus is significantly increased and almost doubles the modulus of the coatings applied in air, meaning that the relaxation mechanisms should be curtailed, the coatings produced in the XHV-adequate atmosphere feature substantially lower residual stresses than the conventionally sprayed coatings. The extent to which the absence of an oxide film in the atomised particles and the altered particle size distribution influence the temperature–time regime, splat formation, apparent Young’s modulus, and thus the residual stresses, is the subject of current investigations.
Author Contributions
Funding
Institutional Review Board Statement
Informed Consent Statement
Data Availability Statement
Acknowledgments
Conflicts of Interest
References
- Lugscheider, E. (Ed.) Handbuch Der Thermischen Spritztechnik: Technologien—Werkstoffe—Fertigung. In Deutscher Verband für Schweißen und Verwandte Verfahren; DVS-Verlag: Düsseldorf, Germany, 2001; ISBN 978-3-87155-186-4. (In German) [Google Scholar]
- Heberlein, J.V.R. Thermal Spray Fundamentals: From Powder to Part, 1st ed.; Springer: New York, NY, USA, 2014; ISBN 978-0-387-68991-3. [Google Scholar]
- Davis, J.R. (Ed.) Handbook of Thermal Spray Technology: Introduction to Thermal Spray Processing; ASM International: Novelty, OH, USA, 2004; ISBN 9780871707956. [Google Scholar]
- Planche, M.P.; Liao, H.; Coddet, C. Oxidation Control in Atmospheric Plasma Spraying Coating. Surf. Coat. Technol. 2007, 202, 69–76. [Google Scholar] [CrossRef]
- Matthews, S. Development of High Carbide Dissolution/Low Carbon Loss Cr3C2–Nicr Coatings by Shrouded Plasma Spraying. Surf. Coat. Technol. 2014, 258, 886–900. [Google Scholar] [CrossRef]
- Gattinoni, C.; Michaelides, A. Atomistic Details of Oxide Surfaces and Surface Oxidation: The Example of Copper and Its Oxides. Surf. Sci. Rep. 2015, 70, 424–447. [Google Scholar] [CrossRef]
- Bach, F.-W.; Möhwald, K.; Laarmann, A.; Wenz, T. (Eds.) Moderne Beschichtungsverfahren; Wiley-VCH: Weinheim, Germany, 2005; ISBN 978-3-527-30977-1. (In German) [Google Scholar]
- Metco, O. An Introduction to Thermal Spray. 2016. Available online: https://www.oerlikon.com/ecoma/files/BRO-0005.6_Thermal_Spray_Brochure_EN.pdf (accessed on 31 January 2022).
- Odhiambo, J.G.; Li, W.; Zhao, Y.; Li, C. Porosity and Its Significance in Plasma-Sprayed Coatings. Coatings 2019, 9, 460. [Google Scholar] [CrossRef]
- Da Silva, F.S.; Cinca, N.; Dosta, S.; Cano, I.G.; Guilemany, J.M.; Caires, C.S.A.; Lima, A.R.; Silva, C.M.; Oliveira, S.L.; Caires, A.R.L.; et al. Corrosion Resistance and Antibacterial Properties of Copper Coating Deposited by Cold Gas Spray. Surf. Coat. Technol. 2019, 361, 292–301. [Google Scholar] [CrossRef]
- Gärtner, F.; Stoltenhoff, T.; Voyer, J.; Kreye, H.; Riekehr, S.; Koçak, M. Mechanical Properties of Cold-Sprayed and Thermally Sprayed Copper Coatings. Surf. Coat. Technol. 2006, 200, 6770–6782. [Google Scholar] [CrossRef]
- Champagne, V.K. The Cold Spray Materials Deposition Process: Fundamentals and Applications; Woodhead: Cambridge, MA, USA, 2007; ISBN 978-1-84569-181-3. [Google Scholar]
- Assadi, H.; Gärtner, F.; Stoltenhoff, T.; Kreye, H. Bonding Mechanism in Cold Gas Spraying. Acta Mater. 2003, 51, 4379–4394. [Google Scholar] [CrossRef]
- Gillet, V.; Aubignat, E.; Costil, S.; Courant, B.; Langlade, C.; Casari, P.; Knapp, W.; Planche, M.P. Development of Low Pressure Cold Sprayed Copper Coatings on Carbon Fiber Reinforced Polymer (Cfrp). Surf. Coat. Technol. 2019, 364, 306–316. [Google Scholar] [CrossRef]
- Villafuerte, J. (Ed.) Modern Cold Spray: Materials, Process, and Applications, 1st ed.; Springer: Cham, Switzerland, 2015. [Google Scholar] [CrossRef]
- Smith, M.F.; Hall, A.C.; Fleetwood, J.D.; Meyer, P. Very Low Pressure Plasma Spray—A Review of an Emerging Technology in the Thermal Spray Community. Coatings 2011, 1, 117–132. [Google Scholar] [CrossRef]
- Matthews, S. Shrouded Plasma Spray of Ni–20Cr Coatings Utilizing Internal Shroud Film Cooling. Surf. Coat. Technol. 2014, 249, 56–74. [Google Scholar] [CrossRef]
- Wang, X.; Heberlein, J.; Pfender, E.; Gerberich, W. Effect of Nozzle Configuration, Gas Pressure, and Gas Type on Coating Properties in Wire Arc Spray. J. Therm. Spray Technol. 1999, 8, 565–575. [Google Scholar] [CrossRef]
- Niu, Y.; Lu, D.; Huang, L.; Zhao, J.; Zheng, X.; Chen, G. Comparison of W–Cu Composite Coatings Fabricated by Atmospheric and Vacuum Plasma Spray Processes. Vacuum 2015, 117, 98–103. [Google Scholar] [CrossRef]
- Holländer, U.; Wulff, D.; Langohr, A.; Möhwald, K.; Maier, H.J. Brazing in Sih4-Doped Inert Gases: A New Approach to an Environment Friendly Production Process. Int. J. Precis. Eng. Manuf.-Green Tech. 2020, 7, 1059–1071. [Google Scholar] [CrossRef]
- Diaz, M.R.; Szafarska, M.; Gustus, R.; Möhwald, K.; Maier, H.J. Oxide Free Wire Arc Sprayed Coatings—An Avenue to Enhanced Adhesive Tensile Strength. Metals 2022, 12, 684. [Google Scholar] [CrossRef]
- Diaz, M.R.; Nicolaus, M.; Möhwald, K.; Maier, H.J. Thermal Spraying in Silane-Doped Shielding Gases: A New Approach for Innovative Coatings in Controlled Process Atmospheres. Therm. Spray Bull. 2021, 14, 120–127. [Google Scholar]
- Broeke, J.M.M.P.J. Image Processing with Imagej, 2nd ed.; Packt Publishing Limited: Birmingham, UK, 2015; ISBN 9781785881589. [Google Scholar]
- E28 Committee. Test Method for Determining Residual Stresses by the Hole-Drilling Strain-Gage Method; E28 Committee: West Conshohocken, PA, USA. [CrossRef]
- SINT Technology, s.r.l. Restan: Messsystem zur Bestimmung von Eigenspannungen nach der Bohrlochmethode Messsystem zur Bestimmung von Eigenspannungen nach der Bohrlochmethode, Calenzano, Florenz, Italy, Calenzano, Florenz, Italy. Available online: https://docplayer.org/9582377-Messsystem-zur-bestimmung-von-eigenspannungen-nach-der-bohrlochmethode-messsystem-zur-bestimmung-von-eigenspannungen-nach-der-bohrlochmethode.html (accessed on 8 September 2022). (In German).
- Schajer, G.S. Application of Finite Element Calculations to Residual Stress Measurements. J. Eng. Mater. Technol. 1981, 103, 157–163. [Google Scholar] [CrossRef]
- Din En Iso 4287:2010-07; Geometrische Produktspezifikation (Gps) Oberflächenbeschaffenheit: Tastschnittverfahren- Benennungen, Definitionen Und Kenngrößen Der Oberflächenbeschaffenheit (Iso 4287:1997 + Cor 1:1998 + Cor 2:2005 + Amd 1:2009); Deutsche Fassung En Iso 4287:1998 + Ac:2008 + A1:2009. Beuth-Verlag: Berlin, Germany, 2010. (In German) [CrossRef]
- Oliver, W.C.; Pharr, G.M. An Improved Technique for Determining Hardness and Elastic Modulus Using Load and Displacement Sensing Indentation Experiments. J. Mater. Res. 1992, 7, 1564–1583. [Google Scholar] [CrossRef]
- Din En Iso 14577-1:2015-11; Metallische Werkstoffe—Instrumentierte Eindringprüfung Zur Bestimmung Der Härte Und Anderer Werkstoffparameter—Teil 1: Prüfverfahren (Iso_14577-1:2015), Deutsche Fassung En_Iso_14577-1:2015. Beuth: Berlin, Germany, 2015. (In German) [CrossRef]
- Oyen, M.L.; Cook, R.F. Load–Displacement Behavior During Sharp Indentation of Viscous–Elastic–Plastic Materials. J. Mater. Res. 2003, 18, 139–150. [Google Scholar] [CrossRef]
- Dean, J.; Wheeler, J.M.; Clyne, T.W. Use of Quasi-Static Nanoindentation Data to Obtain Stress–Strain Characteristics for Metallic Materials. Acta Mater. 2010, 58, 3613–3623. [Google Scholar] [CrossRef]
- Frederick, F.L.; Winer, W.O.; Bergles, A.E.; Klutke, G.A.; Wang, K.K.; Finnie, I.; Welty, J.R.; Bryant, M.D.; Yang, H.T.; Mow, V.C.; et al. Nanoindentation; Springer: New York, NY, USA, 2011. [Google Scholar] [CrossRef]
- Hay, J.L.; Pharr, G.M. Instrumented Indentation Testing, Mechanical Testing and Evaluation; Kuhn, H., Medlin, D., Eds.; ASM International: Novelty, OH, USA, 2000; pp. 232–243. [Google Scholar] [CrossRef]
- Gourlaouen, V.; Verna, E.; Beaubien, P. Enhanced Copper Coating Properties Obtained by Electric Wire Arc Spraying Process. In Thermal Spray 2010: Global Solutions for Future Applications; Marple, B.R., Agarwal, A., Hyland, M.M., Lau, Y.-C., Li, C.-J., Lima, R.S., Montavon, G., Eds.; Springer: Singapore, 2010; Volume 378, pp. 685–690. [Google Scholar] [CrossRef]
- Fernández, R.; MacDonald, D.; Nastić, A.; Jodoin, B.; Tieu, A.; Vijay, M. Enhancement and Prediction of Adhesion Strength of Copper Cold Spray Coatings on Steel Substrates for Nuclear Fuel Repository. J. Therm. Spray Technol. 2016, 25, 1577–1587. [Google Scholar] [CrossRef]
- Hussain, T.; McCartney, D.G.; Shipway, P.H.; Zhang, D. Bonding Mechanisms in Cold Spraying: The Contributions of Metallurgical and Mechanical Components. J. Therm. Spray Technol. 2009, 18, 364–379. [Google Scholar] [CrossRef]
- Váz, R.F.; Silvello, A.; Cavalière, P.D.; Dosta, S.; Cano, I.G.; Capodieci, L.; Rizzo, A.; Valerini, D. Fretting Wear and Scratch Resistance of Cold-Sprayed Pure Cu and Ti. Metallogr. Microstruct. Anal. 2021, 10, 496–513. [Google Scholar] [CrossRef]
- Yule, A.J.; Dunkley, J.J. Atomization of Melts: For Powder Production and Spray Deposition; Clarendon Press: Oxford, UK, 1994; ISBN 10-0198562586. [Google Scholar]
- Abkenar, A.H.P. Wire-Arc Spraying System: Particle Production, Transport, and Deposition; Library and Archives Canada = Bibliothèque et Archives Canada: Ottawa, ON, Canada, 2007; ISBN 9780494397237. [Google Scholar]
- Wang, J.; Wang, Y.; Liu, J.; Zhang, L.; Gao, L.; Zheng, G.; Shen, H.; Sun, J. Microstructure and Flight Behaviors of Droplet and Its Solidification in Twin-Wire Arc Sprayed Ni-Al Composite Coatings. Mat. Res. 2018, 21, 26. [Google Scholar] [CrossRef]
- Li, C.-J.; Ohmori, A. Relationships Between the Microstructure and Properties of Thermally Sprayed Deposits. J. Therm. Spray Technol. 2002, 11, 365–374. [Google Scholar] [CrossRef]
- Araujo, P.; Chicot, D.; Staia, M.; Lesage, J. Residual Stresses and Adhesion of Thermal Spray Coatings. Surf. Eng. 2005, 21, 35–40. [Google Scholar] [CrossRef]
- Clyne, T.W.; Gill, S.C. Residual Stresses in Thermal Spray Coatings and Their Effect on Interfacial Adhesion: A Review of Recent Work. J. Therm. Spray Technol. 1996, 5, 401–418. [Google Scholar] [CrossRef]
- Kuroda, S.; Fukushima, T.; Kitahara, S. Significance of Quenching Stress in the Cohesion and Adhesion of Thermally Sprayed Coatings. J. Therm. Spray Technol. 1992, 1, 325–332. [Google Scholar] [CrossRef]
- Qu, Z.; He, R.; Fang, D. Stress among the Aps-Prepared Tbcs: Testing and Analysis, Methods for Film Synthesis and Coating Procedures; Nánai, L., Samantara, A., Fábián, L., Ratha, S., Eds.; IntechOpen: London, UK, 2020. [Google Scholar] [CrossRef]
- Sampath, S.; Jiang, X.Y.; Matejicek, J.; Prchlik, L.; Kulkarni, A.; Vaidya, A. Role of Thermal Spray Processing Method on the Microstructure, Residual Stress and Properties of Coatings: An Integrated Study for Ni–5 Wt.%Al Bond Coats. Mater. Sci. Eng. A 2004, 364, 216–231. [Google Scholar] [CrossRef]
- Chen, Q.; Mao, W.; Zhou, Y.; Lu, C. Effect of Young’s modulus evolution on residual stress measurement of thermal barrier coatings by X-ray diffraction. Appl. Surf. Sci. 2010, 256, 7311–7315. [Google Scholar] [CrossRef]
- Lyphout, C.; Nylén, P.; Manescu, A.; Pirling, T. Residual Stresses Distribution Through Thick Hvof Sprayed Inconel 718 Coatings. J. Therm. Spray Technol. 2008, 17, 915–923. [Google Scholar] [CrossRef]
- Luzin, V.; Kuroda, S.; Yin, S.; Ang, A. Advanced Residual Stress Analysis in Thermal Spray and Cold Spray Processes. J. Therm. Spray Technol. 2020, 29, 1211–1217. [Google Scholar] [CrossRef]
- AAng, S.M.; Berndt, C.C. A Review of Testing Methods for Thermal Spray Coatings. Int. Mater. Rev. 2014, 59, 179–223. [Google Scholar] [CrossRef]
- Tillmann, W.; Abdulgader, M.; Hüning, S. Der Einfluss Von Eigenspannungen in 100Cr6 Auf Die Mittels Hochgeschwindigkeitsflammspritzen (Hvof) Erzeugten Wc-Co Schichten. Shaker: Maastricht, Germany, 2019. (In German) [Google Scholar] [CrossRef]
- Tian, H.; Wang, C.; Guo, M.; Tang, Z.; Tong, H.; Wang, X.; Wei, S.; Xu, B. A Residual Stresses Numerical Simulation and the Relevant Thermal-Mechanical Mapping Relationship of Fe-Based Coatings. Results Phys. 2019, 13, 102195. [Google Scholar] [CrossRef]
- Mutter, M.G. Herstellung Thermisch Gespritzter Schichten Mit Optimierten Spannungseigenschaften; Verlag Forschungszentrum Jülich GmbH: Zentralbibliothek, Germany, 2016; ISBN 978-3-95806-200-9. (In German) [Google Scholar]
- Kuroda, S.; Clyne, T.W. The Quenching Stress in Thermally Sprayed Coatings. Thin Solid Film. 1991, 200, 49–66. [Google Scholar] [CrossRef]
- Pasandideh-Fard, M.; Pershin, V.; Chandra, S.; Mostaghimi, J. Splat Shapes in a Thermal Spray Coating Process: Simulations and Experiments. J. Therm. Spray Technol. 2002, 11, 206–217. [Google Scholar] [CrossRef]
- Oki, S. Relationship Between Splat Morphology and Property of Plasma Sprayed Alumina. Coatings 2004, 449–452, 925–928. [Google Scholar] [CrossRef]
- Liu, H.; Lavernia, E.J.; Rangel, R.H. Numerical Simulation of Substrate Impact and Freezing of Droplets in Plasma Spray Processes. Int. Mater. Rev. 1993, 26, 1900–1908. [Google Scholar] [CrossRef]
- Lugscheider, E. (Ed.) Thermal Spraying—Simulation of Coating Structure. In Thermal Spray 2005: Thermal Spray Connects: Explore Its Surfacing Potential! Lugscheider, E. (Ed.) DVS-German Welding Society: Basel, Switzerland, 2005; ISBN 978-3-87155-793-4. [Google Scholar]
- Yang, K.; Liu, M.; Zhou, K.; Deng, C. Recent Developments in the Research of Splat Formation Process in Thermal Spraying. J. Mater. 2013, 2013, 260758. [Google Scholar] [CrossRef] [PubMed]
- Cedelle, J.; Vardelle, M.; Fauchais, P. Influence of Stainless Steel Substrate Preheating on Surface Topography and on Millimeter- and Micrometer-Sized Splat Formation. Surf. Coat. Technol. 2006, 201, 1373–1382. [Google Scholar] [CrossRef]
- Abkenar, A.P. Wire-Arc Spraying System: Particle production, transport, and deposition. Ph.D. Thesis, University of Toronto, Library and Archives Canada, Ottawa, Canada, 2009. [Google Scholar]
- Tillmann, W.; Hagen, L.; Luo, W. Process Parameter Settings and Their Effect on Residual Stresses in Wc/W2c Reinforced Iron-Based Arc Sprayed Coatings. Coatings 2017, 7, 125. [Google Scholar] [CrossRef]
- Wang, Z.; Kulkarni, A.; Deshpande, S.; Nakamura, T.; Herman, H. Effects of Pores and Interfaces on Effective Properties of Plasma Sprayed Zirconia Coatings. Acta Mater. 2003, 51, 5319–5334. [Google Scholar] [CrossRef]
- Sharifi, H.; Raisi, S.; Tayebi, M. The effect of stress relieving treatment on mechanical properties and microstructure of different welding areas of A517 steel. Mater. Res. Express 2017, 4, 126508. [Google Scholar] [CrossRef]
- Sun, W.; Adrian, W.-Y.T.; Kaiqiang, W.; Shuo, Y.; Xiawei, Y.; Marinescu, I.; Liu, E. Post-Process Treatments on Supersonic Cold Sprayed Coatings: A Review. Coatings 2020, 10, 123. [Google Scholar] [CrossRef]
- Biswajit, D.; Muvvala, G.; Ashish, K.N.; Bandyopadhyay, P.P. Effect of cooling rate on residual stress and mechanical properties of laser remelted ceramic coating. J. Eur. Ceram. Soc. 2018, 38, 3932–3944. [Google Scholar] [CrossRef]
- Shrestha, D.; Azarmi, F.; Tangpong, X.W. Effect of Heat Treatment on Residual Stress of Cold Sprayed Nickel-Based Superalloys. J. Therm. Spray Technol. 2022, 31, 197–205. [Google Scholar] [CrossRef]
- Contreras, P.Y.; Sánchez, J.D.O.B.; Salas, C.A.P.; Flores, J.M.M.; García, A.L.G.; López, I.D. Study of the evolution of the residual stress state in thermal barrier coatings sprayed on AISI 304 stainless steel. DYNA 2016, 83, 159. [Google Scholar] [CrossRef]
- Oukach, S.; Hamdi, H.; el Ganaoui, M.; Pateyron, B. Thermo-Mechanical Simulation of Residual Stresses in Plasma Sprayed Coatings. Appl. J. Environ. Eng. Sci. 2018, 4, 270–281. [Google Scholar] [CrossRef]
- Zhang, Z.; Sui, M.; Li, C.; Chang, Z.; Zongming, L.; Bo, C.; Yun, S.; Zafar, D.; Sujan, S. Residual stress of grinding cemented carbide using MoS2 nano-lubricant. Int. J. Adv. Manuf. Technol. 2022, 119, 5671–5685. [Google Scholar] [CrossRef]















| Blasting Parameters | ||||||
|---|---|---|---|---|---|---|
| Blasting gun (Conventional blasting in air) | Goldmann Spezial 1000 | |||||
| Blasting gun (Blasting in controlled environment) | Schneider SSP-SAV | |||||
| Blasting material | EKF 36 | |||||
| Blasting distance | 90 mm | |||||
| Blasting angle | 90° | |||||
| Blasting overruns | 6 at 1 m/s | |||||
| Conveying gas | Air | SiH4 + N2 (≈10−23 Pa) | ||||
| Conveying gas pressure | 800 kPa | |||||
| Environment gas | Air | SiH4 + N2 (≈10−23 Pa) | ||||
| Wire Arc Spraying Parameters | ||||||
| Gun | Miller BP400 (Modularc 400R) | |||||
| Coating material | Twin copper wire, Ø1.6 mm, GTV 50.12. | |||||
| Atomisation gas | Air | SiH4 + N2 (≈10−23 Pa) | ||||
| Atomisation gas rate | 90 m³/h | |||||
| Environment gas | Air | SiH4 + N2, (≈10−23 Pa) | ||||
| Relative coating velocity | 1 m/s | |||||
| Current | 100 A | |||||
| Voltage | 30 V | |||||
| Resulting wire feed rate | ≈130 g/min | |||||
| Coating distance | 100 mm | |||||
| Substrate | ||||||
| Material | Steel discs | |||||
| Material number | 1.0038 | |||||
| Chemical composition | C | Mn | P | S | N | Cu |
| 0.17 | 1.4 | 0.035 | 0.035 | 0.012 | 0.55 | |
| Coated in Air | Coated in Silane-Doped Nitrogen | |
|---|---|---|
| Projected Area | 100 µm2 | 100 µm2 |
| Rz | 83.47 µm | 70.54 µm |
| Rq | 9.39 µm | 11.70 µm |
| Ra | 36.23 µm | 33.50 µm |
![]() | ![]() |
Publisher’s Note: MDPI stays neutral with regard to jurisdictional claims in published maps and institutional affiliations. |
© 2022 by the authors. Licensee MDPI, Basel, Switzerland. This article is an open access article distributed under the terms and conditions of the Creative Commons Attribution (CC BY) license (https://creativecommons.org/licenses/by/4.0/).
Share and Cite
Rodriguez Diaz, M.; Raumel, S.; Wurz, M.C.; Szafarska, M.; Gustus, R.; Möhwald, K.; Maier, H.J. Young’s Modulus and Residual Stresses of Oxide-Free Wire Arc Sprayed Copper Coatings. Coatings 2022, 12, 1482. https://doi.org/10.3390/coatings12101482
Rodriguez Diaz M, Raumel S, Wurz MC, Szafarska M, Gustus R, Möhwald K, Maier HJ. Young’s Modulus and Residual Stresses of Oxide-Free Wire Arc Sprayed Copper Coatings. Coatings. 2022; 12(10):1482. https://doi.org/10.3390/coatings12101482
Chicago/Turabian StyleRodriguez Diaz, Manuel, Selina Raumel, Marc Christopher Wurz, Maik Szafarska, René Gustus, Kai Möhwald, and Hans Jürgen Maier. 2022. "Young’s Modulus and Residual Stresses of Oxide-Free Wire Arc Sprayed Copper Coatings" Coatings 12, no. 10: 1482. https://doi.org/10.3390/coatings12101482
APA StyleRodriguez Diaz, M., Raumel, S., Wurz, M. C., Szafarska, M., Gustus, R., Möhwald, K., & Maier, H. J. (2022). Young’s Modulus and Residual Stresses of Oxide-Free Wire Arc Sprayed Copper Coatings. Coatings, 12(10), 1482. https://doi.org/10.3390/coatings12101482



