Next Article in Journal
Influence of Substrate Materials on Nucleation and Properties of Iridium Thin Films Grown by ALD
Previous Article in Journal
Measurement of the Level of Nitric Oxide in Exhaled Air in Patients Using Acrylic Complete Dentures and with Oral Pathologies
 
 
Font Type:
Arial Georgia Verdana
Font Size:
Aa Aa Aa
Line Spacing:
Column Width:
Background:
Article

Dielectric Permittivity Model for Polymer–Filler Composite Materials by the Example of Ni- and Graphite-Filled Composites for High-Frequency Absorbing Coatings

1
Institute of Electronic Packaging Technology, Technische Universität Dresden, 01069 Dresden, Germany
2
Department of Microelectronics, National Technical University of Ukraine, 03056 Kiev, Ukraine
3
Department of Systems for Testing and Analysis, Fraunhofer Institute for Ceramic Technologies and Systems IKTS, 01109 Dresden, Germany
*
Authors to whom correspondence should be addressed.
Coatings 2021, 11(2), 172; https://doi.org/10.3390/coatings11020172
Submission received: 30 November 2020 / Revised: 11 January 2021 / Accepted: 26 January 2021 / Published: 1 February 2021

Abstract

:
The suppression of unnecessary radio-electronic noise and the protection of electronic devices from electromagnetic interference by the use of pliable highly microwave radiation absorbing composite materials based on polymers or rubbers filled with conductive and magnetic fillers have been proposed. Since the working frequency bands of electronic devices and systems are rapidly expanding up to the millimeter wave range, the capabilities of absorbing and shielding composites should be evaluated for increasing operating frequency. The point is that the absorption capacity of conductive and magnetic fillers essentially decreases as the frequency increases. Therefore, this paper is devoted to the absorbing capabilities of composites filled with high-loss dielectric fillers, in which absorption significantly increases as frequency rises, and it is possible to achieve the maximum frequency selective of absorption due to electromagnetic and electromechanical resonances.

1. Introduction

One of the most urgent tasks of modern material science is the development of radio-absorbing materials. Nowadays, high-frequency bands are widely used in electronics and information technologies. For example, cell phones use frequencies of up to 2 GHz, miscellaneous radars work in frequency bands of 3–40 GHz, local telephone communication successfully uses a frequency range of approximately 60 GHz, and car radars operate at frequencies of approximately 80 GHz. Emitting equipment also exists, such as antennas and radars that work at different ranges of up to 100 GHz and higher. Moreover, 5G communication standards, which will eventually substitute 4G due to better spectral efficiency and will add to Long-Term Evolution (LTE) capabilities due to lower latency, are going to heavily utilize millimeter-bandwidth frequencies, up to 300 GHz [1]. In addition, they are going to be highly integrative [2] and will surely contribute to the Internet of Things, which is predicted to grow to up to 50 billion interconnected devices by 2030 [3].
Radiation at high frequencies affects both surrounding electronic devices and biological objects. For instance, airline companies offer onboard broadband Internet access for their customers, and car manufacturers are introducing driverless transport systems, both of which make good examples of a shielding demand for electronic blocks and systems separation and mutual protection. Another concern is digital safety, e.g., the protection of data stored on devices and applications such as credit cards. Although it is possible to use conductive materials, energy reflection, which occurs in the case of metallic shielding, is a problem if it is reflected back inside an electronics block, as it would lead to noise and potential damage. Therefore, it is necessary to study and develop shielding materials with high losses and radio-absorbing capabilities as well as reduced probability of secondary emissions of electromagnetic (EM) waves. A large number of well-known and cited works are devoted to this topic.
Composite materials usually consist of two or more different substances with interfaces between components. The continuous interest in these materials is related to the fact that they represent a new class of artificial materials, the properties of which can be deliberately set and can vary within a very wide range by changing the matrix and filler materials as well as the concentration and the shape of the inclusions. In particular, by varying the different components, it is possible to obtain a material with predetermined conductivity—from a good dielectric to a good conductor. The greatest heterogeneity of electrical properties can be created exactly when a dielectric and a conductor are mixed. The structure of such composites is electrically inhomogeneous, which leads to the appearance of many mechanisms of polarization and conductivity that manifest themselves in a very wide frequency interval, including the microwave range. Dielectric permittivity dispersion as well as conductivity lead to high levels of electromagnetic energy absorption.
Since, currently, the working frequency band of electronic devices and systems are rapidly expanding up to the terahertz range, the prospect of obtaining the capabilities of absorbing and shielding composites for more increased operating frequency appears plausible. The point is that the absorption capacity of both conductive and magnetic fillers essentially decreases as the frequency increases. That is why the absorbing capabilities of high-loss dielectrics are discussed below, in which microwave absorption increases as the frequency increases; moreover, by using various dielectrics, it might be possible to achieve frequency-selective maxima of absorption due to the electromagnetic and electromechanical resonances in the macroscopic inclusions into the polymer matrix.

2. Materials and Methods

2.1. Electromagnetic Part of the Task

In Figure 1, the general case is considered that corresponds to the use of absorbers as a shielding layer. Three media are indicated in this figure: 1, a semi-infinite medium (air or vacuum) with the impedance Z1 = Z0; 2, a shielding medium (absorbing layer) with the complex impedance Z2; 3, a protected medium with the complex impedance Z3.
One of the important parameters shown in Figure 1 is the shielding medium with its characteristic impedance: Z2 = Z0 (μ*/ε*)1/2, where Z0 = 377 Ohm is the impedance of free space. In the non-magnetic media, characterized by both dielectric polarization and internal conductivity, this expression is simplified: Z2 = Z0/ε*1/2. The general formula for input impedance Zin of all media shown in Figure 1 is obtained from the long transmission lines theory:
Z i n = Z 2 Z 3 cosh ( γ d ) + Z 2 sinh ( γ d ) Z 2 cosh ( γ d ) + Z 3 sinh ( γ d ) .
where γ is the propagation constant and d is the absorbing layer thickness [1]. This expression allows electromagnetic analysis of different possibilities created using the single absorbing homogeneous layer.
The only case in which the impedance of the third medium is equal to the impedance of the first medium (air) is Z3 = Z0, i.e., the absorbing layer should work as a universal shield. It corresponds to a system in which the second absorbing layer separates two semi-infinite air media (Z3 = Z1 = Z0). The basic Expression (1) in this case is converted to the following formula:
Z i n = Z 0 μ * ε * 1 + tanh ( γ d ) μ * ε * tanh ( γ d ) μ * ε * = Z 0 ε * ε * + tanh ( γ d ) μ * tanh ( γ d ) μ *
This ratio relates the effectiveness of shielding to the parameters of the applied composite material. In turn, the parameters of the composite used in Expression (2) should be designed on the basis of the parameters of the used polymeric (or rubber) matrix as well as the parameters of the filler and its volume concentration.
For non-magnetic media, considering losses from dielectric polarization and conductivity only, Expression (2) can be simplified to:
Z i n = Z 0 ε * ε * + tanh ( γ d ) tanh ( γ d )
It is necessary to evaluate the effectiveness of the protective layer of a complex reflection ρ, and the complex transmission τ coefficients of a given structure are:
ρ = Z i n Z 0 Z i n + Z 0 τ = 2 Z i n Z i n + Z 0
In practice, to calculate the frequency dispersion of the transmission modulus T, the reflection modulus R, and the absorption modulus A, the following logarithmic forms are used:
T = 20 log 2 Z i n Z i n + Z 0
R = 20 log Z i n Z 0 Z i n + Z 0
A = 20 log 1 2 Z i n Z i n + Z 0 2 Z i n Z 0 Z i n + Z 0 2
The shielding efficiency is SE = −T. The obtained formulas make it possible to predict the absorbing and shielding parameters if the experimentally obtained values of the complex permittivity and complex permeability are known. However, the features of shielding layer calculations need further refinement, and for this, the electromagnetic characteristics of absorbent materials need to be known.
Initially, the electromagnetic wave propagation in a material itself (region 2 in Figure 1) should be described. Let us consider as known parameters the complex permittivity ε* and the complex permeability μ*. It is necessary to determine the complex propagation constant γ possessing real and imaginary parts, as well as the electromagnetic wave length λ in the attenuation coefficient α of the absorbent material.
The complex propagation constant of the absorbing material is:
γ = α + i β = i ω ε * μ * c
where α is the wave attenuation coefficient, β is the wave phase constant related to the wavelength (λ = 2π/β), and c = (ε0μ0)–1/2 is the speed of light in the free space. From Expression (8), the attenuation and phase constant can be determined in more detail:
α = Re ( γ ) = ω c 2 ε μ ε μ + ε 2 + ε 2 μ 2 + μ 2
β = 2 π λ = I m ( γ ) = ω c 2 ε μ ε μ 1 + ε μ ε μ 2 ε μ ε μ 2
where the known parameters are ε′, ε″, μ′, and μ″. Thus, for the complete characterization of a medium in which the transverse electromagnetic wave propagates, knowledge of the four above-listed parameters is sufficient, which can be obtained by dielectric spectroscopy. Furthermore, in a lossless environment (ε″ = μ″ = 0), the vectors of the electrical and magnetic fields change over time in phase. However, in a medium with losses, the electrical field vector lags behind the magnetic field vector or moves ahead, depending on the predominance of the electrical or magnetic losses. In the ideal case of electrical and magnetic loss equality, changes in the electrical and magnetic field vectors occur in phase over time, as in the case of the absence of losses, and constitute such a ratio that is difficult but desirable to achieve.
In non-magnetic absorbing media, the parameters are μ′ = 1 and μ″ = 0, so Expression (8) can be simplified:
γ = α + i β = i ω ε * c
In this case, the attenuation of the absorbing material can be determined as:
α = Re ( γ ) = ω c 2 ε + ε 2 + ε 2 = ω c 2 ε 1 + 1 tan δ 2 1 tan δ
where tanδ = ε″/ε′. Correspondingly, the expression for the wavelength in the absorbing media (which is the inverse of the phase constant in the non-magnetic material) is:
λ = 2 π β = 1 ν 1 2 ε 0 ε 1 + tan 2 δ + 1
In this case, another expression for the attenuation coefficient might be useful:
α = 2 π λ 0 1 2 ε 1 + tan 2 δ 1
where λ0 is the wavelength in the vacuum.
It should be noted that losses due to electrical conductivity and losses caused by the delay of polarization are indistinguishable with respect to electromagnetic absorption. In this case, in composite materials, the electromagnetic wave interacts with various boundary conditions caused by the fillers, which strongly affect the energy absorption because of the quadratic dependence on the field strength. The absorption electromagnetic wave in non-ferromagnetic materials is characterized by the attenuation coefficient measured in the decibels divided by centimeters:
20 lg E 0 E x = 8.686 × α = 8.686 × 2 π λ 0 1 2 ε 1 + tan 2 δ 1 d B c m = = 54.54 λ 0 1 2 ε 1 + tan 2 δ 1 d B c m
This formula is used hereafter to estimate the attenuation of both the filler and the absorbing composite materials. It should be emphasized that the above solution refers exclusively to the absorbing material itself and in no way to the “air–absorber–air” system shown in Figure 1.

2.2. Materials Science Part of the Task

Microwave-absorbing materials are different composites that combine high microwave losses and low reflection at microwaves and are used as low-reflection covers for metals or as elastic shielding materials. The properties of different types of composites can be predicted by studying the electrical parameters of the components included in the composite. Passing through the absorbing layer, the electromagnetic wave loses its energy, leading to heating of the absorber due to the interaction between the electromagnetic field and the molecular and electronic structure of a material. To describe this process, two complex parameters of the material are used: the dielectric permittivity ε* = ε′iε″ and the magnetic permeability μ* = μ′μ″. The real parts of the permittivity and permeability (ε′ and μ′) characterize the energy propagation and storage, while the imaginary parts (ε″ and μ″) describe the absorption of the electromagnetic energy by a medium.
Thus, polymeric composites filled with functional electronic materials combine the electrical properties of a solid filler and the mechanical flexibility, chemical stability, and high ability of processing peculiar to polymers. To achieve the desired properties, it is necessary to ensure connectivity between phases in 0–3-type composites by selection of the right materials (processed in a special way) and a reliable connection between the phases. An important role in composite properties is played by the particle size of the filler, the interfacial properties, and the level of percolation.
Absorbing composites consist of a polymer or rubber matrix, which contains different powder-like fillers—conductive, magnetic, or high-loss dielectric powder. In most composites, the mechanisms of microwave absorption are based either on the losses generated by electrical conductivity (ε″ ~ σ) or the losses given by the ferromagnetic resonance (μ″). It should be noted that the degree of absorption in both of these mechanisms linearly reduces as the frequency increases, since the influence of an active conduction current in relation to a reactive current decreases in proportion to the frequency: ε″(ω) = σ/(ε0ω). In the same way, at frequencies higher than the ferromagnetic resonance, magnetic losses also decrease: μ″(ω) ~ 1/ω. Therefore, when approaching millimeter waves, using another filler for the composites might become relevant, in which, on the contrary, the absorption rises as the frequency increases due to adding a polar dielectrics-based filler to polymer, in which the microwave absorbance grows as the frequency increases.
A more detailed analysis of the use of various fillers in shielding composites is appropriate here.

2.2.1. Absorbing Composites Based on Conductors

The experiment described below is devoted to this case. Metal–dielectric composites may include microscopic particles of metal, which may include eddy currents, thereby leading to significant losses of electromagnetic energy. However, composites with nanosized metallic inclusions are of greatest interest. Note that small nanoparticles of ~1 nm in size contain approximately 20–30 atoms, while large nanoparticles can contain from 102 to 106 identical atoms. The fact that nanoparticles are fundamentally different from macroscopic objects of same substance opens up great opportunities for creating new instruments and devices.
The properties of nanomaterials depend on the size and shape of their nanoparticles; moreover, this fact influences composites because a significant proportion of their volume falls on the interface boundaries. At low frequencies, along with the electric current that flows through the nanoparticles, these properties may also be present in the electrons tunneling between individual nanoparticles as well as interfere with electrons that have passed through different paths. That is why in high-frequency ranges, interface areas can serve as an additional source of dielectric relaxation and absorption of electromagnetic energy.
Percolation is one of the most important physical phenomena that occur in electrically conductive and absorbing microwave composites (Figure 2a). The influence of percolation on the electromagnetic properties of composites is considered in many works—for example, in [2,3].
Electrical percolation consists of changes in the properties of composites that occur during the convergence of electrically conductive particles located in an insulating medium; when the concentration of conductive particles increases and they start to touch, a fast increase in conductivity occurs, determined, for instance, by the conductivity σdc measured at a constant voltage (Figure 2b). A phase transition from the almost non-conductive phase (σdc ≈ 0) to the phase that strongly conducts direct electrical current characterizes the percolation threshold. The change in conductivity with conductive particle concentration x can be described by the formula σdc(x) = σ0(x − xc)β, which holds above the threshold concentration xc of conductive particles, i.e., for x > xc (in the case of x < xc, σdc ≈ 0). The percolation level is not a constant but rather a probabilistic value. Depending on the shape and size of the particles and on the quality and method of mixing of components, etc., it can, with a certain probability, be in a specific range of values of the volume fraction (critical range of values). For spherical particles, it is in the approximate range of 15–37%, but this is an approximate average value with a normal distribution of particles. The exponent β depends on the shape of the conductive particles as well as on other factors, and it can lie within a few units (for spherical particles of a conductor, it is theoretically assumed that β is close to unity). This parameter is much higher in the case of anisometric particles used as a filler, which seems obvious for nanotubes and graphene fillers (and in some other elongated nanoparticles such as iron oxide). Note that in this case, the percolation threshold occurs at a much lower concentration of conductive particles.
The use of carbonaceous materials as fillers in absorbing composites with a dielectric matrix has also been studied. In this case, the smallest particles (up to nanoscale) of various carbonaceous materials are added to a polymeric matrix. The use of various carbon compounds as a filler makes it possible, by varying their concentrations, to control the effective conductivity of a composite, i.e., the effective permittivity and microwave absorption. It should be noted that a carbon atom with the electronic structure 1s22s22p2 has two electrons in the p2 state, and this particular feature contributes to the sp2 hybridization of atomic orbitals and to the formation of stable two-dimensional (2D) sp2 structures with a very high energy of s- and p-bonds. Carbon-based microwave absorbers have been used for a long time and they are well researched. For the most part, they are applied as fillers in a rubber matrix. Dispersed graphite or carbon fibers can be applied to fill mesh materials or honeycomb structures (good performance has been shown when using nanotubes and graphene). As a rule, fillers made of carbon materials support sufficient elasticity and flexibility of both polymeric and rubber composites. The absorption capabilities of carbon filler composites can be controlled by changing the composition, the geometric shape of imbedded particles, and the volume concentration of the filler.
The aggregation of filler particles creates complex microstructures which form when filler particles are immersed in a liquid phase containing polymer chains. When the particles of a filler come into contact, they form irregularly shaped clusters, the morphology of which is determined by the kinetics of their aggregation, and this is what affects the conductivity and polarization mechanisms. Most traditional investigations do not take into account spatial constraints. In this regard, information on the electrical connection between filler particles is important, which can be estimated using dielectric spectroscopy.
Metallic particles, applied as fillers for microwave-absorbing composites, can significantly increase the microwave absorption of polymeric or rubber composites. Composites consisting of metallic nanoparticles placed in a dielectric medium (matrix) are of interest for various aspects of electronic applications. Metallic nanoparticles exhibit increased chemical activity even in the case of gold, which is usually chemically inert. The nanoparticles of chemically inert metals can take part in a number of chemical reactions; in particular, they often become oxidized (it has been shown that particles of nickel and even platinum can become oxidized). Moreover, it has been found that metallic nanoparticles can have mosaic structures coated with an oxide shell. The diameter and electronic structure of metallic nanoparticles does not depend on whether they are isolated or included in a multiparticle cluster.
All of the listed properties of metallic nanoparticles should be taken into account during the manufacturing of polymer–metal composites and when analyzing the separation of charges in the interface areas of nanoparticle–polymer composites. Moreover, based on polymer matrix nanocomposites, during their polymerization, coagulation and formation of dendritic structures can occur. When a model is described as having polymers filled with metallic particles, the concept of effective permittivity of the entire system might be introduced: ε*(ω) = ε′(ω) − iε″(ω); equivalently, it is possible to use the concept of effective conductivity: σ*(ω) = σ′(ω) + iσ″(ω) = iωε0ε*(ω). To determine the validity of this approach, the following restrictions must be taken into account: Inhomogeneities have to be small enough so that the electrical field can be considered constant in the homogeneous components of the composite; the homogeneous components of the composite should be significantly larger compared to the mean free path of the charge carriers; the electromagnetic wavelength should be much larger than the size of the individual components of the composite; the penetration depth of the electromagnetic wave should be much larger than the dimensions of the parts of the composite.
These assumptions make it possible not only to consider, on the one hand, metamaterials, because their components are macroscopic, but also, on the other hand, highly conductive particles of metals with a very small penetration depth of microwaves. Here, in the case of micron-sized particles of metallic fillers (and especially for nanosized particles), the band theory and electronic gas concept in metals are hardly applicable. In any case, experiments have shown that the joint use of magnetic-absorbing materials with conductive fillers seems the most promising for absorbing microwave materials.

2.2.2. Magnetic Materials as Fillers in Composites

The following experiments include investigating the magnetic impurities of nickel and iron. As follows from the above Formulas (8) and (9), high microwave absorption is not only a consequence of increased dielectric permittivity and conductivity of a medium but also the result of increased magnetic permeability and magnetic losses. Moreover, most modern microwave-absorbing materials are based precisely on high magnetic losses. When developing such composites, not only are magnetic losses important, but magnetic permeability can also play a significant role. In particular, if it is necessary to reduce the reflection of electromagnetic waves, it is desirable that the modules of complex magnetic permeability <μ*> and complex dielectric permittivity <ε*> have approximately the same value.
In fact, for the reflection coefficient R, Formula (6) depends on the input impedance Zin of the material: R(dB) = 20 log [(Zin − 1)/(Zin + 1)]; meanwhile, the impedance, in turn, depends on the ratio of magnetic permeability and dielectric permittivity (Formula (2)). The value of <ε*> in microwave composites usually lies in the range of 5–30, but permeability of the same value can be obtained only by using a ferromagnetic filler, since all other materials have <μ*> ~ 1. The nature of the increased permeability and absorption of magnetic fillers is determined by gyromagnetic resonance, which occurs in the magnetic particles of metals (such as Fe, Ni, and Co) or ferrites (such as Fe3O4, Fe2O3, and barium ferrite) and many other magnets imbedded in the polymeric matrix. Ferromagnetic resonance manifests itself as selective absorption of electromagnetic wave energy in a frequency range that coincides with the natural frequencies of magnetic moment precession in a given ferromagnetic material. Ferromagnetic resonance can be detected by high-frequency impedance spectroscopy as increased permeability and absorption. Its main characteristics—i.e., resonant frequency, damping factor, shape and width of the absorption maximum, and non-linear effects—are determined by the collective spin–lattice nature of ferromagnetic materials. Even the presence of a multidomain structure in ferromagnetic materials complicates the resonance process, leading to the appearance of several resonance peaks, so the resonant absorption of microwave energy is smeared to a wide maximum. Moreover, in the case of magneto-dielectric composites, in which small ferromagnetic particles are separated by dielectric layers, the multiresonant process becomes greatly blurred in the frequency range.
The properties of a composite that contains a filler made of ferromagnetic materials can be controlled by the selection of an appropriate polymer, as well as by the filler synthesis technique and a suitable filler–polymer ratio in the composite. It has been determined that fillers made of nanomaterials can provide greater microwave absorption. In contrast to conductive materials, in which the conductivity (and hence the microwave absorption) decreases as particles are crushed more, the permeability in magnetic nanomaterials might even increase when the size of particles decreases. The point is that ferromagnetism is due to the spin–lattice magnetic interaction; therefore, in magnetically soft materials, the spin–lattice interaction becomes weaker the greater the magnetic permeability becomes (up to a certain limit, of course). In addition, both the electrical conductivity and the dielectric loss (also inherent to magnetic fillers) contribute to the microwave absorption of electromagnetic waves.
Finally, the electromagnetic properties of composites containing magnetic fillers can be improved by adding fillers made of highly absorbing dielectrics, which allows maximum absorption of microwave energy. Due to the novelty of the problem regarding the use of high-loss dielectrics as fillers for absorbing a composite, this issue is considered in a separate section.

2.3. High-Loss Microwave Dielectrics as Potential Fillers

It should be noted that there are many diverse properties that need to be studied in the dielectric fillers embedded in a polymer matrix, such as the type of interparticle interactions, the long-range dipole–dipole interactions, the matrix–particle interactions, and clustering, as well as the adsorption of multi-contact chains on the surface of the filler. Below, the microwave absorption only in non-ferromagnetic materials is discussed, characterized by the attenuation coefficient measured in decibels divided by centimeters, as in Expression (15).

2.3.1. Mechanisms of Energy Absorption

The mechanisms of energy absorption in most of the existing dielectrics are based, first, on the losses produced by electrical conductivity or by relatively slow electrical polarization (Figure 3, curves 1′ and 1″, below 1 GHz). Second, above a frequency of 100 GHz, dielectric losses are due to the lattice vibration mechanism of polarization (Figure 3, curves 2′ and 2″). Thus, in ordinary dielectrics, their microwave losses are rather low, and it is impractical to use them in absorbing microwave composites.
However, in some materials, in the microwave range (Figure 3, darkened region, curve 3″), rather high losses are observed, which cannot be explained by simple polarization mechanisms. Experimentally and theoretically, it has been proven that at the gigahertz frequency range in dielectrics with high permittivity, major losses appear due to their internal polarity only when the dielectric has an internal polar phase [4,5,6].
One of the sources of the occurrence of such losses and polar dielectrics could be the anharmonicity in the polarization mechanisms. The main reason of anharmonism in crystalline dielectrics is the asymmetry in the distribution of electronic density along atomic connections. This is caused by the difference in the electronegativity of atoms, which can sometimes be large. Atoms with greater electronegativity attract electrons with higher force, so their charge becomes more negative. On the contrary, atoms with less electronegativity increase their positive charge. Combined, these atoms form non-harmonic polar bonds, leading to high energy losses in materials.
There are three main factors that contribute to microwave losses in polar dielectrics: strong anharmonicity of the lattice vibration [4,9], a domain structure in ferroelectrics, and a disordered structure in relaxor ferroelectrics. Domain vibrations provide maximum absorption in the region of 1–10 GHz, while disordered structures generate high losses in the full microwave range [4,9]. There are different ways to receive polar structures, but this naturally occurs in ferroelectrics [5] or can be achieved through the implementation of multilayer or otherwise multicomponent structures [10,11,12,13].
Two typical cases of interdependent frequency variations of permittivity and effective conductivity in dielectrics and semiconductors are shown in Figure 4; here, it is assumed that the intrinsic conductivity (seen at constant voltage) is so low that it can be neglected. The increase in effective σ(ω) is usually caused by a delay in the polarization mechanism. This effect is due to the close physical connection between the processes of polarization and conduction, which, in principle, can only be completely separated at direct voltage.
The relaxation dispersion of permittivity (Figure 4) consists of a ε′(ω) gradual decrease from the initial value ε(0) to the end value ε(∞), when the dielectric contribution Δε = ε(0) − ε(∞) of the relaxing polarization mechanism is completely delayed. That is, a gradual increase in the effective conductivity from almost zero to a constant value σ′effε0Δε/τ is seen (τ is the relaxation time). This dependence of conductivity in dielectrics and wide-gap semiconductors is noticed in a very broad frequency range (from 10–5 to 108 Hz); that is, such dependences are typical for the completely different structures and chemical compositions of a material. This common property of effective σ(ω) dependence can be described by the power law σ ~ ωn, where 0.7 < n < 1. This law is fulfilled when charged particles move in the local area in the structure of dielectrics or semiconductors under alternating electrical field influences.
The resonant dispersion of permittivity (Figure 4) is characterized by the fact that at first, the derivative dε′/dω is positive; then, at the resonance point, it changes sign to a negative value, but after antiresonance ends, the derivative dε′/dω again becomes positive. Therefore, dielectric permittivity passes through the maximum and minimum. In the region of the resonance dispersion of permittivity, effective conductivity is characterized by a sharp maximum σ′max = ε0Δεω0/Γ, located exactly at the resonance frequency of the oscillator describing this dispersion; here, ω0 is the oscillator frequency and Γ is the relative damping factor, while Δε = ε(0) − ε(∞) is the dielectric contribution of the oscillator, which describes the dispersion of permittivity.

2.3.2. Dielectrics with High Microwave Absorption

In fact, in many dielectrics, possible relaxation polarization, accompanied by energy absorption, is located mostly at radio frequencies and, as a rule, does not reach the microwave range. In contrast, in ionic dielectrics possessing the resonance dispersion of permittivity, strong absorption of electromagnetic waves is usually located in the terahertz range, i.e., far above the microwave range. Therefore, at first glance, in typical dielectrics, it is hard to expect the strong microwave absorption that is needed for shielding and absorbing applications. However, among dielectrics, there is an important class of materials in which structural instability is observed due to spontaneous changes in their symmetry—these are ferroelectrics. In order–disorder-type ferroelectrics, the frequency of the inherent structure relaxation increases from radio frequencies up to the microwave range, where strong absorption is observed. In ferroelectrics of the displacement type, the natural ionic–lattice dispersion of permittivity falls down from the usual terahertz range and becomes close to the microwave range, with corresponding high absorption. However, the most remarkable in this sense are relaxor ferroelectrics, in which a very wide frequency region of gigantic absorption and dispersion captures the entire microwave range.
Order–disorder-type ferroelectrics demonstrate microwave absorption due to the relaxation of their polarization; examples of well-known ferroelectrics include Rochelle salt (RS) and triglycine sulphate (TGS) (Figure 5). A very broad maximum absorption is observed in RS near a frequency of 5 GHz; as a result, for example, at a frequency of 10 GHz, the attenuation of a signal passing through an RS sample equals 60 dB/cm. Similarly, in TGS crystals, the absorption maximum is located near a frequency of 100 GHz, where attenuation equals ~200 dB/cm and remains very high, up to submillimeter waves. It should be noted that in RS and TGS, as well as in other order–disorder-type uniaxial ferroelectric crystals, microwave absorption appears only along the polar (ferroelectric) axis, while in other main crystallographic directions, absorption is as low as in ordinary ionic crystals (their microwave attenuation rarely exceeds 0.01 dB/cm).
Displacement-type ferroelectrics are another class of ferroelectrics that also exhibit microwave dielectric dispersion, which may have some prospect for use as fillers in absorbing and shielding composites. The mechanism of microwave absorption in polycrystalline ferroelectrics that possess phase transition of the displacement type is due to their multidomain structure. Even at a large distance down from the phase transition point, when permittivity is already smaller (for example, in lead titanate, PbTiO3, possessing Tc = 500 °C), microwave dispersion is observed in the gigahertz range, as shown in Figure 6a. In this case, the absorption maximum is observed near 3 GHz, when the attenuation of a signal passing through this ferroelectric equals 16 dB/cm. Note that in widely used electronic piezoelectric ceramics PZT = PbZrTiO3, the same absorption maximum remains in the gigahertz range, but it reaches the magnitude of ε″ = 120, with an attenuation value near 100 dB/cm at 10 GHz.
Barium titanate (BaTiO3) and its solid solutions are also promising fillers for flexible microwave-absorbing composites (Figure 6b). The broad maximum of microwave absorption in ferroelectric BaTiO3 ceramics can be seen at a frequency of 4 GHz and leads to specific attenuation of 80 dB/cm at a frequency of 10 GHz. For comparison, it should be noted that in paraelectric SrTiO3, which has approximately the same permittivity but tanδ = 0.02, the specific attenuation is only 3 dB/cm.
Diffuse phase transition ferroelectrics, for example (as shown in Figure 6b, solid solution (Ba, Sn)TiO3), demonstrate an absorption maximum at a lower frequency (i.e., 0.8 GHz), but their attenuation is much higher (i.e., 250 dB/cm at 10 GHz). Other ferroelectrics with diffused phase transition, namely solid solutions (Ba, Sr, Ca)TiO3 and Pb(Zr, Ti)O3, have similar properties at microwave range. All of these materials are characterized by a broad ε(T) maximum, associated with a random distribution of same-valence cations in the corresponding sublattices. The heterogeneity of a composition in the microregion is accompanied by fluctuation of the Curie temperature, which leads to a diffused ε′(T) maximum. The nature of dielectric absorption for the mentioned compositions is similar to ferroelectric BaTiO3, and their microwave absorption lies within the range 100–300 dB/cm [14]. In the “electrically soft” ferroelectric solid solutions of (Ba, Sn)TiO3 (Figure 6b), the effect of domain absorption is enhanced by the partially disordered crystalline structure. The domain walls in the structure are much wider and occupy a relatively larger volume. In this case, microwave absorption increases and the frequency of its maximum decreases, which may be of interest for selecting necessary fillers for composites designed to be used at a certain frequency range.
Relaxor ferroelectrics seem to be the best candidates among the large-loss dielectrics for fillers in microwave-absorbing composites. In the entire microwave range, these materials have highly absorbing properties. The crystal lattice of relaxor ferroelectrics is characterized by cations of different valences, which randomly occupy similar structural sites. Note that relaxor ferroelectrics might have two different types of structural disordering. For example, lead magnesium niobate (PMN = PbMg1/3Nb2/3O3) has (B+2–B+5)-type compositional disordering (the frequency dependence of its dielectric constant and the loss factor are shown in Figure 7), while potassium-lithium tantalate crystal (KLT = K1–xLixTaO3) has a strongly disordered structure only in the lithium ions that are located in non-central positions, with various associations between them [12].
Therefore, relaxor ferroelectrics usually have an ordered crystalline structure, in which “electrical disordering” is observed in the form of built-in quasi-dipole formations. They are easily amenable to orientation in the alternating electrical field, which leads to extremely high polarizability and, consequently, their permittivity reaches value of ~105 (at low frequencies). The relaxation of clusters of different sizes (which are formed from structural quasi-dipoles) occurs over a wide range of frequencies, including microwaves. The diffuse maximum of microwave absorption covers the entire microwave range, which leads to attenuation in the order of 300 dB/cm.
Thus, highly absorbing dielectrics seem to be promising fillers for shielding and absorbent composites in the short-wavelength part of the microwave range. The properties of these composites can be calculated on the basis of experimental data obtained using dielectric spectroscopy.

2.3.3. Model

As can be seen from the material presented above, the absorbing properties of a composite are largely determined by its complex dielectric constant. Therefore, it is important to have a mathematical model that makes it possible to predict the value of the complex dielectric constant of a composite material based on the dielectric properties of its components. As for composites consisting of a dielectric matrix and a dielectric filler, this task does not cause any particular difficulties, but in the case of a metal filler, a number of problems arise. Therefore, we propose a model that makes it possible to predict the value of the complex dielectric constant of polymer–metal composites for metal volume fractions below the percolation threshold.
To describe the properties of the dielectric matrix, relaxor and oscillator models were used. The “relaxor” is a physical model that describes the interaction of dipoles (or polar complexes) with an applied electrical field whose action is opposed by thermal chaotic motion.
The description of relaxation dielectric dispersion is based on the Debye formula [14]:
ε * ω = ε + ε 0 ε 1 + i ω τ
ε ω = ε + ε 0 ε 1 + ω 2 τ 2
ε ω = ε 0 ε ω τ 1 + ω 2 τ 2
The oscillator describing the resonant dielectric dispersion is a physical object that characterizes the dynamic reaction of a system of elastically coupled electrical charges to an externally applied electrical field, which is opposed by internal elastic forces, tending to return the system to a non-polarized state [15].
The frequency dependence of permittivity on a simple oscillator model can be described by the following expression:
ε * = ε i ε = ε + ε 0 ε 1 ω ω T O 2 + i Γ ω ω T O
where ωTO is the transverse optical frequency, Γ is the relative attenuation, and the difference ε(0) − ε(∞) characterizes the dielectric contribution of the ionic polarization mechanism. It is necessary to separate the above equation into the real and imaginary parts of complex permittivity [16]:
ε ω = ε + ε 0 ε 1 ω ω T O 2 1 ω ω T O 2 2 + Γ 2 ω 2 ω 2 T O ; ε ω = ε 0 ε Γ ω ω T O 1 ω ω T O 2 2 + Γ 2 ω 2 ω 2 T O
σ ω = ε 0 ε ω 0 ε 0 Γ Γ 2 ω ω O 2 1 ω ω T O 2 2 + Γ 2 ω ω O 2
The dielectric constant of a composite material can be calculated using the Lichtenecker formula:
ε c * = i = 1 n ε i * q i
where i is the number of components of the compound, and qi is the volume fraction of the i-th component.
For the case of two components, the Lichtenecker formula has the form:
ε c * = ε d q ε m 1 q
where εd is the dielectric constant of the dispersed phase, and εm is the dielectric constant of the matrix.
The dielectric constant of the metal dispersed phase can be calculated using the Drude–Lorentz theory:
ε d = 1 ω p 2 ω ω + i τ d
where ωp is the plasma frequency, and τd is the time of the free path of electrons.
The free path of electrons can be determined from the following expression:
τ d = σ d ω p 2 ε 0
where σd is the conductivity of the metal dispersed phase.
The dielectric constant of a polymer matrix can be calculated using the next formula:
ε m = r e a l ε + i = 1 n A r . i 1 + ω 2 τ i 2 + j = 1 m A o s . i 1 ω ω 0 j 2 + i Γ j ω ω 0 j 2
where Ar.i is the amplitude of the i-th relaxor, and Aos.j is the amplitude of the j-th oscillator.
The final formula for the dielectric constant of a two-component composite material is:
ε c * = ε d q ε m 1 q cos q π 2 + 1 q ε m ε m i sin q π 2 + 1 q ε m ε m
The resulting model makes it possible to predict the value of the complex dielectric constant of a polymer–metal composite material in a wide frequency range.

2.3.4. Method of Reflection–Transmission Energy Coefficients

This method consists of measuring S-parameters using a panoramic VSWR meter P2-57; a vector network analyzer is also suitable for this. The test sample is placed in a waveguide cell, passed through an electromagnetic wave, and then, the reflected and transmitted radiation are measured. In the range of 8–12 GHz, the waveguide section was 23 × 10 mm. The measurement scheme is shown in Figure 8. During the measurement, values of the parameters S11 and S21 can be obtained at any point of the scale by placing the cursor at the required point, and then, the dielectric constant and the dielectric loss tangent are determined from the formulas given below. In the 3.2–4.8 GHz frequency range, a microstrip cell was used, and the sample size was 3 × 3 mm (Figure 9 and Figure 10).
The sample introduces additional capacitance and losses into the electrical circuit. Consequently, the resonant frequency and Q-factor of the measuring cell decrease. The magnitude of the frequency decrease can be used to calculate the dielectric constant of the material and the magnitude of the decrease in quality factor—the tangent delta.

2.3.5. Serial RLC Circuit Method of Dielectric Constant Measurement

For measurement of the dielectric constant of specimens (ε), a serial RLC (R—resistor, L—inductor, C—capacitor) circuit was used. The measuring circuit (Figure 11) consists of a signal source U1, resistor R1, inductor L1, capacitor C1, and registration unit V. As the signal source, we used a DDS (Direct Digital Synthesis) signal generator JOY-IT JDS 6600; for signal registration, we used a digital oscilloscope RIGOL DS 1054 Z; the inductor was chosen with nominal 150 uH, and the resistor was used with nominal 470 Ohm. As capacitor, we used self-made parallel capacitors (Figure 12a) from 0.035-mm copper foil and samples. The foil was used as conductive plates as it has an adhesive layer that provides a good connection between copper and composites.
The capacitor is connected via small copper foil sockets (Figure 12b). The sockets fit well to the jumper contacts and provide good contact. Furthermore, this connection method provides simple and fast switching between capacitors.
The measurement process could be divided into three parts: coarse tuning of the RLC circuit, smooth tuning of the RLC circuit, and calculating ε. During coarse tuning, the frequency at the signal source changes in large steps until the signal amplitude decreases. During smooth tuning, two frequency points are found on either side of the maximum amplitude, where the signal begins to decrease. The medium point of this segment is accepted as a resonance frequency f0. Such a script simplifies the search for the resonant frequency by the maximum amplitude. At the last stage, the previously found f0 is substituted into Formula (28) to calculate ε.
ε = d 4 π 2 f 0 2 L · ε 0 · S

3. Results and Discussion

To check the adequacy of the model, the calculation results were compared with the experimental data. Experimental studies were carried out in the 3 MHz, 4 GHz, and 10 GHz frequency ranges. A polymer with a complex dielectric constant ε* = 3.78 − j7.1·10–4 was used as the matrix material. Nickel and graphite powders were used as the dispersed phase. The nickel powder particles had an average size of 60 microns, while the graphite filler particles had an average size of 100 microns according to the datasheet.
Composite materials were prepared by mechanical mixing of the dispersed phase with the matrix material at room temperature. The thickness of the samples was 1 mm. The sample was placed in a section of a detachable rectangular waveguide path in such a way so as to fill the cross-section of the waveguide (Figure 13). The waveguide path was connected to the measuring equipment.
Dielectric constants were determined by the method of reflection–transmission energy coefficients, measuring reflection coefficients (parameter S11) and transmission (parameter S21) of the electromagnetic energy of microwave radiation.
S 11 = R 1 2 Γ 1 z 2 1 Γ 2 z 2 , · S 21 = R 1 R 2 z 1 Γ 2 1 Γ 2 z 2 ,
R 1 = e γ 0 L 1 , R 2 = e γ 0 L 2 , z = e γ L , · Γ = γ 0 γ 1 γ 0 γ + 1 ,
γ = k c 2 ε k 0 2 , γ 0 = k c 2 k 0 2 , k 0 = ω μ ε 0 ,
where R1 and R2 are the phase factors, taking into account the position of the calibration planes on the ports; Γ is the reflection coefficient from the surface of the sample (at the air–dielectric interface); z is the transfer coefficient; L1 and L2 are distances from the calibration planes to the faces of the sample; L is the thickness of the test sample; γ0 and γ refer to the constant wave propagation in the air and in the test material, respectively; kc is the critical wave number of the waveguide.
By solving the system of Equations (29)–(31), the dielectric constant and the level of losses in the test material can be determined.
The experimental data were processed by the least squares method. The theoretical and experimental results are presented in Figure 14 and Figure 15. We have few points on the graphs, but 10 samples were measured at each point. The values of the dielectric constant obtained experimentally have a tolerance of ±10%. These figures show that the simulation results are in agreement with the experimental ones. However, there is a discrepancy between the theoretical and experimental results at some points, which can be explained by the uneven distribution of the dispersed phase (Figure 16).
Images of the top layer of the test samples were obtained using a scanning electron microscope at the Engineering Physics Institute of the Kiev Polytechnic Institute, Kiev, Ukraine. These images show the presence of an uneven distribution of the filler over the sample. The presence of particles of both graphite and nickel of different sizes can also be observed. The uneven distribution of the dispersed phase particles can affect the results obtained experimentally and differ from those expected theoretically using modeling.
For the composite material of the polymer–metal type, the dielectric constant was calculated according to Formula (24). Meanwhile, for calculating the dielectric constant of the composite material of the polymer–graphite type, the εd value was 13. The resulting model allows one to calculate the dielectric parameters of composite materials, depending on their composition in a wide frequency range.

4. Conclusions

In this work, a model that makes it possible to predict the value of the dielectric constant of a composite material of the polymer–metal and polymer–dielectric types, depending on their composition in a wide frequency range, was established and experimentally tested. The model describes well the character of the composite dielectric constant dependence on the frequency and on the volume part of the dispersed phase. However, there was a discrepancy between the theoretical and experimental results at some points, which can be explained by the uneven distribution of the dispersed phase and requires additional investigation. The next step is to refine the model and to take into account the magnetic properties of the metallic dispersed phase.

Author Contributions

Conceptualization and methodology, A.P. and D.T.; writing—original draft preparation, A.P.; writing—review and editing, A.P., D.T., and Y.D.; supervision, project administration, and funding acquisition, H.H.; experiments, A.P., D.T., Y.P., and I.Z.; Providing suggestions and comments for the paper, D.T. and Y.P. All authors have read and agreed to the published version of the manuscript.

Funding

This research was funded by the German Research Foundation (DFG) and the DFG Mercator Fellow program under project number 419162977, “Research on Inner Polar Phase Effects for High Frequency Absorbing Materials”.

Institutional Review Board Statement

Not applicable.

Informed Consent Statement

Not applicable.

Data Availability Statement

The data presented in this study are available on request from the corresponding author.

Conflicts of Interest

The authors declare no conflict of interest.

References

  1. Baldemair, R.; Dahlman, E.; Fodor, G.; Mildh, G.; Parkvall, S.; Selen, Y.; Tullberg, H.; Balachandran, K. Evolving Wireless Communications. IEEE Veh. Technol. Mag. 2013, 8, 24–30. [Google Scholar] [CrossRef]
  2. Andrews, J.G.; Buzzi, S.; Choi, W.; Hanly, S.V.; Lozano, A.; Soong, A.C.K.; Zhang, J.C. What Will 5G Be? IEEE J. Sel. Areas Commun. 2014, 32, 1065–1082. [Google Scholar] [CrossRef]
  3. Osseiran, A.; Boccardi, F.; Braun, V.; Kusume, K.; Marsch, P.; Maternia, M.; Queseth, O.; Schellmann, M.; Schotten, H.; Taoka, H.; et al. Scenarios for 5G Mobile and Wireless Communications: The Vision of the METIS Project. IEEE Commun. Mag. 2014, 52, 26–35. [Google Scholar] [CrossRef]
  4. Poplavko, Y.M. Dielectric Spectroscopy of Solid Materials; LAMBERT Academic Publishing: Saarbrücken, Germany, 2013; p. 253. [Google Scholar]
  5. Rabe, K.M.; Ahn, C.H.; Triscorie, J.-M. (Eds.) Physics of Ferroelectrics. A Modern Perspective; Springer: Berlin, Germany, 2007; Volume 105, p. 388. [Google Scholar]
  6. Ye, Z.-G. (Ed.) Handbook of Advanced Dielectric, Piezoelectric and Ferroelectric Materials; Woodhead Publishing: Cambridge, UK, 2008; p. 1096. [Google Scholar]
  7. Poplavko, Y.M.; Didenko, Y.V.; Tatarchuk, D.D. Nature of Losses in High Frequency Dielectrics. In Proceedings of the Physics of Dielectrics (Dielectrics-2014), Materials of the XIII International Conference, St. Petersburg, Russia, 2–6 June 2014; pp. 27–30. [Google Scholar]
  8. Mailadil, T.S. Dielectric Materials for Wireless Communication; Elsevier: Oxford, UK, 2008; p. 688. [Google Scholar]
  9. Poplavko, Y.M. Physics of Active Dielectrics. Volume 1. Polarization, Conduction, Losses, Breakdown; LAMBERT Academic Publishing: Saarbrücken, Germany, 2015; p. 349. [Google Scholar]
  10. Dang, Z.-M. (Ed.) Dielectric Polymer Materials for High-Density Energy Storage; William Andrew Publishing: Norwich, NY, USA, 2018; p. 500. [Google Scholar]
  11. Feng, M.; Chi, O.; Feng, Y.; Zhang, Y.; Zhang, T.; Zhang, C.; Chen, Q.; Lei, Q. High energy storage density and efficiency in aligned nanofiber filled nanocomposites with multilayer structure. Compos. Part. B Eng. 2020, 198, 108206. [Google Scholar] [CrossRef]
  12. Bovtun, V.; Pashkov, V.; Molchanov, V.; Poplavko, Y.M.; Yakymenko, Y.; Kamba, S. Microwave and terahertz dielectric properties of single crystal scandata substrates. In Proceedings of the Microwave and Telecommunication Technology (CriMiCo), 2013 23rd International Crimean Conference 2013, Crimea, Ukraine, 8–13 September 2013; pp. 646–648. [Google Scholar]
  13. Langhe, D.; Ponting, M. Manufacturing and Novel Applications of Multilayer Polymer Films; William Andrew Publishing: Norwich, NY, USA, 2016; p. 250. [Google Scholar]
  14. Poplavko, Y.M. Electronic Materials: Principles and Applied Science; Elsevier: Cambridge, MA, USA, 2019; p. 707. [Google Scholar]
  15. Poplavko, Y.M.; Tatarchuk, D.D.; Didenko, Y.V. Using the Dielectric Dispersion Oscillator with Distributed Frequency for Analysis of Broadband Resonance Dielectric Spectra. In Proceedings of the 2020 IEEE 40th International Conference on Electronics and Nanotechnology (ELNANO), Kyiv, Ukraine, 22–24 April 2020; IEEE: Kyiv, Ukraine, 2020; pp. 51–56. [Google Scholar] [CrossRef]
  16. Levitskaya, T.; Sternberg, B. Electrical Spectroscopy of Earth Materials; Elsevier: Cambridge, MA, USA, 2019; p. 330. [Google Scholar]
Figure 1. Incident electromagnetic wave interaction with the absorbent layer possessing thickness d, impedance Z2, propagation constant γ, permittivity ε* = ε′ − iε″ (or equivalent conductivity σ* = σ′ − iσ″), and permeability μ* = μ′ − iμ″: 1, air or vacuum; 2, absorbing layer; 3, protected environment.
Figure 1. Incident electromagnetic wave interaction with the absorbent layer possessing thickness d, impedance Z2, propagation constant γ, permittivity ε* = ε′ − iε″ (or equivalent conductivity σ* = σ′ − iσ″), and permeability μ* = μ′ − iμ″: 1, air or vacuum; 2, absorbing layer; 3, protected environment.
Coatings 11 00172 g001
Figure 2. Percolation view in a conductor–polymer composite: (a) Appearance of the agglomeration of conducting particles at increasing concentrations; (b) conductivity in polymer polyamide with multiwalled nanotube (MNT) additives [4].
Figure 2. Percolation view in a conductor–polymer composite: (a) Appearance of the agglomeration of conducting particles at increasing concentrations; (b) conductivity in polymer polyamide with multiwalled nanotube (MNT) additives [4].
Coatings 11 00172 g002
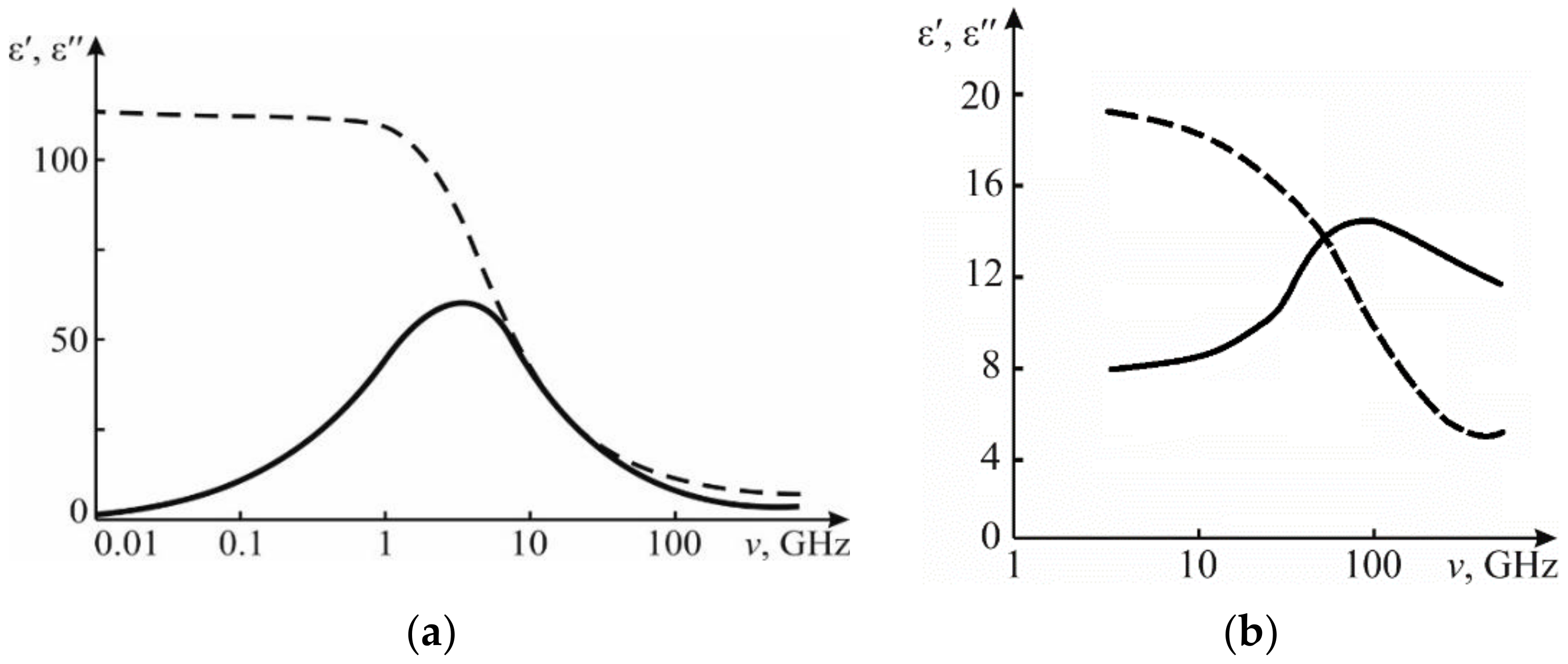
Figure 3. Frequency dependence of permittivity ε′ (dotted lines) and loss factor ε″ (hard lines) for typical relaxation (1′, 1″) and typical resonance (2′, 2″) dielectric spectra; the gigahertz range is darkened, and curve 3″ shows the loss of the polar dielectric [7,8].
Figure 3. Frequency dependence of permittivity ε′ (dotted lines) and loss factor ε″ (hard lines) for typical relaxation (1′, 1″) and typical resonance (2′, 2″) dielectric spectra; the gigahertz range is darkened, and curve 3″ shows the loss of the polar dielectric [7,8].
Coatings 11 00172 g003
Figure 4. A comparison of the permittivity and effective conductivity frequency dependence of two main models describing permittivity dispersion: (a) relaxation; (b) resonance.
Figure 4. A comparison of the permittivity and effective conductivity frequency dependence of two main models describing permittivity dispersion: (a) relaxation; (b) resonance.
Coatings 11 00172 g004
Figure 5. Microwave dispersion and absorption in order–disorder-type ferroelectrics: (a) Rochelle salt, RS = KNaC4H4O6⋅4H2O; (b) triglycine sulfate, TGS = (NH2CH2COOH)3⋅H2SO4 [14].
Figure 5. Microwave dispersion and absorption in order–disorder-type ferroelectrics: (a) Rochelle salt, RS = KNaC4H4O6⋅4H2O; (b) triglycine sulfate, TGS = (NH2CH2COOH)3⋅H2SO4 [14].
Coatings 11 00172 g005
Figure 6. Microwave permittivity dispersion and absorption in displacement-type ferroelectrics: (a) lead titanate (PbTiO3); (b) barium titanate (BaTiO3) and solid solution (Ba, Sn)TiO3 [14].
Figure 6. Microwave permittivity dispersion and absorption in displacement-type ferroelectrics: (a) lead titanate (PbTiO3); (b) barium titanate (BaTiO3) and solid solution (Ba, Sn)TiO3 [14].
Coatings 11 00172 g006
Figure 7. Microwave dielectric dispersion in lead magnesium niobate (PMN) = PbMg1/3Nb2/3O3 at the temperatures of 1–290, 2–300, and 3–320 K: (a) permittivity ε′; (b) loss factor ε″ [12].
Figure 7. Microwave dielectric dispersion in lead magnesium niobate (PMN) = PbMg1/3Nb2/3O3 at the temperatures of 1–290, 2–300, and 3–320 K: (a) permittivity ε′; (b) loss factor ε″ [12].
Coatings 11 00172 g007
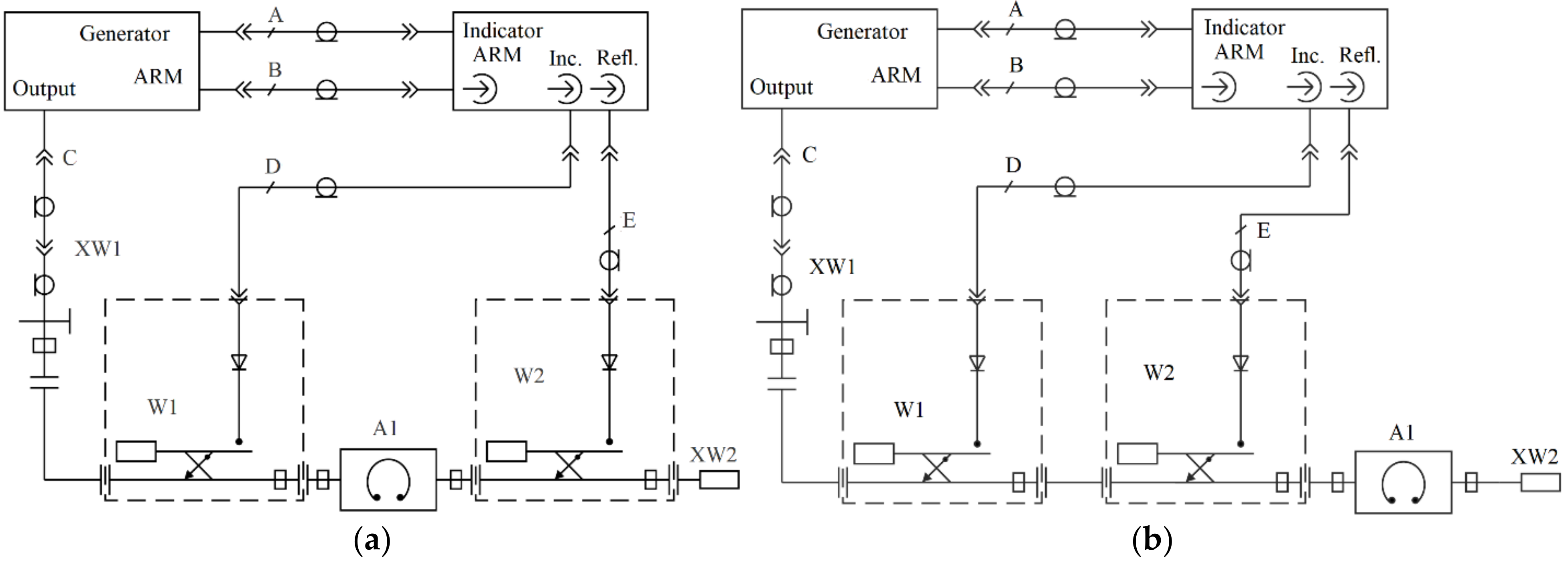
Figure 8. Flowchart of connecting a panoramic meter for measuring: (a) The parameter S21; (b) S11. XW1, coaxial cable; W1, directional waveguide of the incident wave; W2, directional waveguide of the reflected wave; A1, measuring waveguide section with the sample; XW2, matched load; Inc., incident wave; Refl., reflected wave; ARM, system of automatic power control.
Figure 8. Flowchart of connecting a panoramic meter for measuring: (a) The parameter S21; (b) S11. XW1, coaxial cable; W1, directional waveguide of the incident wave; W2, directional waveguide of the reflected wave; A1, measuring waveguide section with the sample; XW2, matched load; Inc., incident wave; Refl., reflected wave; ARM, system of automatic power control.
Coatings 11 00172 g008
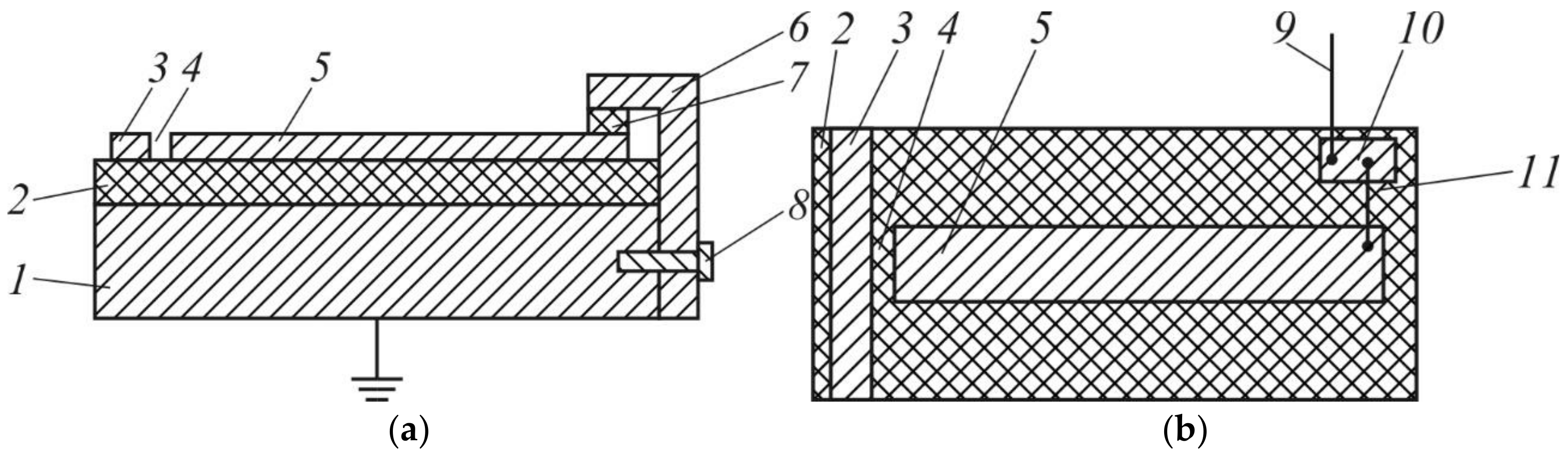
Figure 9. The structure of the measuring microstrip cell: (a) side view; (b) top view, without clamp and test specimen. 1, metal electrode; 2, dielectric polycor substrate; 3, microstrip line; 4, capacitive gap; 5, half-wave microstrip resonator; 6, clamp; 7, test sample; 8, screw; 9, conductor; 10, contact pad; 11, conductor that is an inductive element.
Figure 9. The structure of the measuring microstrip cell: (a) side view; (b) top view, without clamp and test specimen. 1, metal electrode; 2, dielectric polycor substrate; 3, microstrip line; 4, capacitive gap; 5, half-wave microstrip resonator; 6, clamp; 7, test sample; 8, screw; 9, conductor; 10, contact pad; 11, conductor that is an inductive element.
Coatings 11 00172 g009
Figure 10. The microstrip cell for measurements in the 3.2–4.8 GHz frequency range.
Figure 10. The microstrip cell for measurements in the 3.2–4.8 GHz frequency range.
Coatings 11 00172 g010
Figure 11. Serial RLC circuit: U1, signal source; R1, resistor; V, registration unit; L1, inductor; C1, capacitor.
Figure 11. Serial RLC circuit: U1, signal source; R1, resistor; V, registration unit; L1, inductor; C1, capacitor.
Coatings 11 00172 g011
Figure 12. Capacitor with test sample: (a) front and side views; (b) copper foil sockets with contact terminals.
Figure 12. Capacitor with test sample: (a) front and side views; (b) copper foil sockets with contact terminals.
Coatings 11 00172 g012
Figure 13. Measuring unit: 1, Section of a detachable waveguide path; 2, test sample.
Figure 13. Measuring unit: 1, Section of a detachable waveguide path; 2, test sample.
Coatings 11 00172 g013
Figure 14. Dielectric constant dependence on the volume part of the filler at different frequencies. Red, 3 MHz; green, 4 GHz; blue, 10 GHz. (a) Polymer–Ni samples; (b) polymer–Gr samples.
Figure 14. Dielectric constant dependence on the volume part of the filler at different frequencies. Red, 3 MHz; green, 4 GHz; blue, 10 GHz. (a) Polymer–Ni samples; (b) polymer–Gr samples.
Coatings 11 00172 g014
Figure 15. Dielectric constant dependence on frequency. (a) Polymer–Ni with q = 0.02452 (red curve) and q = 0.0523 (green curve); (b) polymer–Gr with q = 0.0324 (red curve), q = 0.0563 (green curve), and q = 0.0867 (blue curve). Solid line, theory; points, experimental results.
Figure 15. Dielectric constant dependence on frequency. (a) Polymer–Ni with q = 0.02452 (red curve) and q = 0.0523 (green curve); (b) polymer–Gr with q = 0.0324 (red curve), q = 0.0563 (green curve), and q = 0.0867 (blue curve). Solid line, theory; points, experimental results.
Coatings 11 00172 g015
Figure 16. SEM images of the test samples. (a) Polymer–Ni; (b) polymer–graphite.
Figure 16. SEM images of the test samples. (a) Polymer–Ni; (b) polymer–graphite.
Coatings 11 00172 g016
Publisher’s Note: MDPI stays neutral with regard to jurisdictional claims in published maps and institutional affiliations.

Share and Cite

MDPI and ACS Style

Prokopchuk, A.; Zozulia, I.; Didenko, Y.; Tatarchuk, D.; Heuer, H.; Poplavko, Y. Dielectric Permittivity Model for Polymer–Filler Composite Materials by the Example of Ni- and Graphite-Filled Composites for High-Frequency Absorbing Coatings. Coatings 2021, 11, 172. https://doi.org/10.3390/coatings11020172

AMA Style

Prokopchuk A, Zozulia I, Didenko Y, Tatarchuk D, Heuer H, Poplavko Y. Dielectric Permittivity Model for Polymer–Filler Composite Materials by the Example of Ni- and Graphite-Filled Composites for High-Frequency Absorbing Coatings. Coatings. 2021; 11(2):172. https://doi.org/10.3390/coatings11020172

Chicago/Turabian Style

Prokopchuk, Artem, Ivan Zozulia, Yurii Didenko, Dmytro Tatarchuk, Henning Heuer, and Yuriy Poplavko. 2021. "Dielectric Permittivity Model for Polymer–Filler Composite Materials by the Example of Ni- and Graphite-Filled Composites for High-Frequency Absorbing Coatings" Coatings 11, no. 2: 172. https://doi.org/10.3390/coatings11020172

APA Style

Prokopchuk, A., Zozulia, I., Didenko, Y., Tatarchuk, D., Heuer, H., & Poplavko, Y. (2021). Dielectric Permittivity Model for Polymer–Filler Composite Materials by the Example of Ni- and Graphite-Filled Composites for High-Frequency Absorbing Coatings. Coatings, 11(2), 172. https://doi.org/10.3390/coatings11020172

Note that from the first issue of 2016, this journal uses article numbers instead of page numbers. See further details here.

Article Metrics

Back to TopTop