Cross-Domain Transfer Learning for PCG Diagnosis Algorithm
Abstract
1. Introduction
- (1)
- A new segmentation method is proposed to improve existing signal segmentation methods such as RR (R wave to R wave) interval segmentation and fixed segmentation.
- (2)
- A large kernel is proposed to improve the convolution performance for the PCG waveform.
- (3)
- Migration transfer learning is designed for this PCG framework, and can enable PCG migration from ECG to PCG.
- (4)
- This paper proposes a boosting model based on Transfer Learning LKnet (MFS-LKNet Boosting).
2. Related Work
2.1. Noise Reduction
2.2. Segmentation
2.3. Feature Extraction
2.4. Diagnostic Classification
3. Architecture and Algorithm
3.1. PCG Noise Reduction and Removal of Spikes
3.2. PCG Signal Segmentation
- (1)
- The signal is divided into 500 ms per window.
- (2)
- Find the maximum absolute amplitude (MAA) in each window.
- (3)
- If at least one MAA exceeds three times the median of all window MAAs, perform the following steps. If not, go to step (4).
- Select the window with the largest MAA value.
- In the selected window, the position of the MAA point is defined as the top of the noise spike.
- The beginning of the noise spike is defined as the last zero crossing point before the MAA point.
- The end of the peak is defined as the first zero crossing point after the maximum point.
- The defined noise spike is set to zero.
- Go back to step (2) and continue.
- (4)
- The program is complete.
3.3. Filter Feature Extraction
- a.
- Homomorphic filtering is often used for image processing and is a kind of frequency domain filtering. However, homomorphic filtering has its own advantages. Frequency domain filtering can flexibly solve the additive noise problem, but it cannot reduce multiplicative or convolution noise. In order to separate the additive combination signal, the linear filtering method is often used. The nonadditive signal combination commonly uses the homomorphic filtering technique to convert the nonlinear problem into a linear problem processing, that is, first to nonlinear (multiplicative or convolution). The mixed signal is a mathematical operation that is transformed into additive. Then, it is processed by the linear filtering method, and finally the inverse transform operation is performed to restore the processed image.
- b.
- Hilbert transform is a common method in signal processing. It has a real-valued function x(t) whose Hilbert transform is denoted as or H[x(t)] as follows:
- c.
- Power spectral density estimation:where rx (m) is the autocorrelation function of the random signal. The power spectrum reflects that the power of the signal is distributed in the frequency domain with frequency ω, so Px (ejω) is also called the power density:
3.4. Transfer Learning LKNet
- (1)
- From the Normal, Atrial Fibrillation (AF) Abnormal, Noise, and Other types of data samples in the ECG database, Noise and Others are removed, and the retained Normal and AF are exactly the same as the sample categories in the PCG database.
- (2)
- The ECG data are first input to Full Connected (FC), than it is trained by LKNet, and eight blocks are used to obtain a source network with an accuracy of 90% or more.
- (3)
- The last four of the eight blocks in the source network are removed, then the first four are fixed, and eight blocks are added to form a new network for training PCG data.
- (4)
- Figure 3 shows the process for the PCG migration from ECG data.
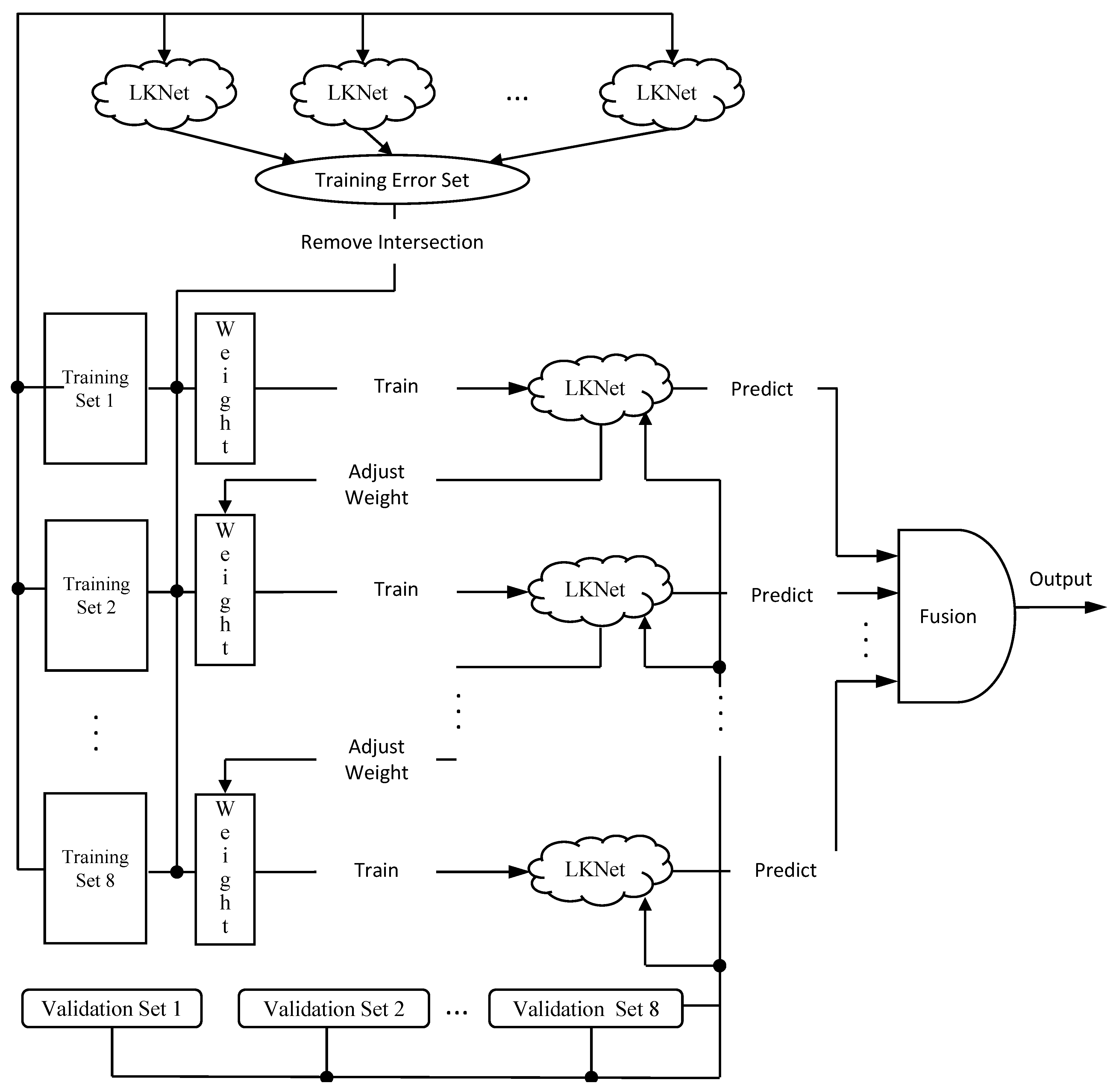
3.5. Boosting LKNet
- (1)
- The first reason is that PCG has fewer public databases. The database selected this time is relatively large, but there are fewer than 3300 samples, and PCG can extract several continuous features, such as state filtering, Hilbert transform, PSD features, and others. It is helpful for the boosting model to learn the characteristics of PCG signals from different angles.
- (2)
- The second reason is that LKNet is adopted from CNN, the structure proposed in the previous section, and it has ideal performance for single modules. Therefore, the method of our boosting classifier enhances the predictive ability through multiple loop iterations of weight adjustment. The iterative optimization task is mainly completed by adjusting the weights of LKNet, and only a small portion is carried out by the fusion module.
4. Experiment
4.1. Data Sources and Evaluation Criteria
4.2. Comparison of Different Segmentation
4.3. Comparison of Single Classification Method
4.4. Comparison of Fusion Classification
5. Discussion
- 1.
- What Is the Algorithm Contribution of this Work?
- 2.
- What Is the Application Contribution?
- 3.
- What Is the Data Set?
- 4.
- What Is the Evaluation Procedure?
- Step 1: Divide the data into six training and test sets;
- Step 2: First train separately for ECG data set and PCG data set;
- Step 3: Transfer the training weight of ECG to the PCG network;
- Step 4: Select the test group that is the different as the training set and perform the test;
- Step 5: Repeat Step 2 for the cross-validation experiment.
6. Conclusions
Author Contributions
Funding
Institutional Review Board Statement
Informed Consent Statement
Data Availability Statement
Conflicts of Interest
References
- Zhidong, Z. Research of Independent Component Analysis for Preprocessing Phonocardiograms. Chin. J. Sens. Actuators 2003, 16, 103–195. [Google Scholar]
- Gupta, A.; Misal, A.; Sinha, P.G.; Director, A. Classification of PCG Signals: A Survey. Int. J. Comput. Appl. 2014, 975, 8887. [Google Scholar]
- Adithya, P.C.; Sankar, R.; Moreno, W.A.; Hart, S. Trends in Fetal Monitoring Through Phonocardiography: Challenges and Future Directions. Biomed. Signal Process. Control 2017, 33, 289–305. [Google Scholar] [CrossRef]
- Liu, C.Y.; Springer, D.; Clifford, G.D. Performance of an Open-Source Heart Sound Segmentation Algorithm on Eight Independent Databases. Physiol. Meas. 2017, 38, 1730–1745. [Google Scholar] [CrossRef] [PubMed]
- Liang, H.; Lukkarinen, S.; Hartimo, I. Heart Sound Segmentation Algorithm Based on Heart Sound Envelolgram. In Proceedings of the Computing in Cardiology, Lund, Sweden, 7–10 September 1997; Volume 105–108. [Google Scholar]
- Moukadem, A.; Dieterlena, A.; Hueberb, N.; Brandt, C. A robust Heart Sounds Segmentation Module Based on S-Transform Biomed. Biomed. Signal Process. Control 2013, 8, 273–281. [Google Scholar] [CrossRef]
- Sun, S.; Jiang, Z.; Wang, H.; Fang, Y. Automatic Moment Segmentation and Peak Detection Analysis of Heart Sound Pattern via Short-Time Modified Hilbert Transform. Comput. Methods Programs Biomed. 2014, 114, 219–230. [Google Scholar] [CrossRef]
- Jiang, Z.; Choi, S. A Cardiac Sound Characteristic Waveform Method for In-Home Heart Disorder Monitoring with Electric Stethoscope. Expert Syst. Appl. 2006, 31, 286–298. [Google Scholar] [CrossRef]
- Ari, S.; Kumar, P.; Saha, G. A Robust Heart Sound Segmentation Algorithm for Commonly Occurring Heart Valve Diseases. J. Med. Eng. Technol. 2008, 32, 456–465. [Google Scholar] [CrossRef]
- Naseri, H.; Homaeinezhad, M.R. Detection and Boundary Identification of Phonocardiogram Sounds Using an Expert Frequency-Energy Based Metric. Ann. Biomed. Eng. 2013, 41, 279–292. [Google Scholar] [CrossRef]
- Kumar, D.; Carvalho, P.; Antunes, M.; Henriques, J.; Eugenio, L.; Schmidt, R.; Habetha, J. Detection of S1 and S2 Heart Sounds by High Frequency Signatures. In Proceedings of the International Conference of the IEEE Engineering in Medicine & Biology Society, New York, NY, USA, 30 August–3 September 2006; pp. 1410–1416. [Google Scholar]
- Varghees, V.N.; Ramachandran, K.I. A Novel Heart Sound Activity Detection Framework for Automated Heart Sound Anal-ysis. Biomed. Signal Process. Control 2014, 13, 174–188. [Google Scholar] [CrossRef]
- Pedrosa, J.; Castro, A.; Vinhoza, T.T.V. Automatic Heart Sound Segmentation and Murmur Detection in Pediatric Phonocar-diograms. In Proceedings of the Engineering in Medicine & Biology Society, Chicago, IL, USA, 26–30 August 2014; pp. 2294–2297. [Google Scholar]
- Nigam, V.; Priemer, R. Accessing Heart Dynamics to Estimate Durations of Heart Sounds. Physiol. Meas. 2005, 26, 1005–1018. [Google Scholar] [CrossRef]
- Vepa, J.; Tolay, P.; Jain, A. Segmentation of Heart Sounds Using Simplicity Features and Timing Information. In Proceedings of the IEEE International Conference on Acoustie, Speech and Signal Processing, Las Vegas, NV, USA, 31 March–4 April 2008; pp. 469–472. [Google Scholar]
- Papadaniil, C.D.; Hadjileontiadis, L.J. Efficient Heart Sound Segmentation and Extraction Using Ensemble Empirical Mode Decomposition and Kurtosis Features. IEEE J. Biomed. Health Inform. 2014, 18, 1138–1152. [Google Scholar] [CrossRef] [PubMed]
- Sepehri, A.A.; Gharehbaghi, A.; Dutoit, T.; Kocharian, A.; Kiani, A. A Novel Method for Pediatric Heart Sound Segmentation without Using the ECG. Comput. Methods Progr. Biomed. 2010, 99, 43–48. [Google Scholar] [CrossRef] [PubMed]
- Gupta, C.N.; Palaniappan, R.; Swaminathan, S.; Krishnan, S.M. Neural Network Classification of Homomorphic Segmented Heart Sounds. Appl. Soft Comput. 2007, 7, 286–297. [Google Scholar] [CrossRef]
- Tang, H.; Li, T.; Qiu, T.; Park, Y. Segmentation of Heart Sounds Based on Dynamic Clustering. Biomed. Signal Process. Control 2012, 7, 509–516. [Google Scholar] [CrossRef]
- Rajan, S.; Budd, E.; Stevenson, M.; Doraiswami, R. Unsupervised and Uncued Segmentation of the Fundamental Heart Sounds in Phonocardiograms Using a Time-Scale Representation. In Proceedings of the International Conference of the IEEE Engineering in Medicine & Biology Society, New York, NY, USA, 30 August–3 September 2006; pp. 3732–3735. [Google Scholar]
- Gamero, L.G.; Watrous, R. Detection of the First and Second Heart Sound Using Probabilistic Models. In Proceedings of the International Conference of the IEEE Engineering in Medicine & Biology Society, Cancun, Mexico, 17–21 September 2003; pp. 2877–2880. [Google Scholar]
- Ricke, A.D.; Povinelli, R.J.; Johnson, M.T. Automatic Segmentation of Heart Sound Signals Using Hidden Markov Models. In Proceedings of the Computers in Cardiology, Lyon, France, 25–28 September 2005; pp. 953–956. [Google Scholar]
- Gill, D.; Gavrieli, N.; Intrator, N. Detection and Identification of Heart Sounds Using Homomorphic Envelogram and Self-Organizing Probabilistic Model. In Proceedings of the Computers in Cardiology, Lyon, France, 25–28 September 2005; pp. 957–960. [Google Scholar]
- Sedighian, P.; Subudhi, A.W.; Scalzo, F.; Asgari, S. 2014 Pediatric Heart Sound Segmentation Using Hidden Markov Model. In Proceedings of the Annual International Conference of the IEEE Engineering in Medicine and Biology Society, Chicago, IL, USA, 26–30 August 2014; pp. 5490–5493. [Google Scholar]
- Schmidt, S.E.; Holsthansen, C.; Graff, C.; Toft, E.; Struijk, J.J. Segmentation of Heart Sound Recordings by a Duration-Dependent Hidden Markov Model. Physiol. Meas. 2010, 31, 513–529. [Google Scholar] [CrossRef] [PubMed]
- Springer, D.B.; Tarassenko, L.; Clifford, G.D. Logistic Regression-HSMM-Based Heart Sound Segmentation. IEEE Trans. Biomed. Eng. 2016, 63, 822–832. [Google Scholar] [CrossRef]
- Djebbari, A.; Bereksi, R.F. Short-Time Fourier Transform Analysis of the Phonocardiogram Signal. In Proceedings of the ICECS 2000 7th IEEE International Conference on Electronics, Circuits and Systems (Cat. No. 00EX445), Jounieh, Lebanon, 17–20 December 2000; Volume 2, pp. 844–847. [Google Scholar]
- Vikhe, P.S.; Nehe, N.S.; Ahmednagar, L.; Thool, V.R. Heart Sound Abnormality Detection Using Short Time Fourier Transform and Continuous Wavelet Transform. In Proceedings of the 2009 Second International Conference on Emerging Trends in Engineering & Technology, Nagpur, India, 16–18 December 2009. [Google Scholar]
- Khadra, L.; Matalgah, M.; El-Asir, B.; Mawagdeh, S. The Wavelet Transform and its Applications to Phonocardiogram Signal Analysis. Inform. Health Soc. Care 1991, 16, 271–277. [Google Scholar] [CrossRef]
- Jamous, G.; Durand, L.G.; Langlois, Y.E.; Lanthier, T.; Pibarot, P.; Carioto, S. Optimal Time-Window Duration for Computing Time/Frequency Representations of Normal Phonocardiograms in Dogs. Med. Biol. Eng. Comput. 1992, 30, 503–508. [Google Scholar] [CrossRef]
- Wu, Y.-C. Application of Generalized Window Function in Phonocardiogram Signal Filter. J. Lanzhou Petrochem. Coll. Vocat. Technol. 2017, 17, 1–29. [Google Scholar]
- Gavrovska, A.; Slavković, M.; Reljin, I.; Reljin, B. Application of Wavelet and EMD-Based Denoising to Phonocardio-grams. In Proceedings of the International Symposium on Signals, Iasi, Romania, 11–12 July 2013; pp. 1–4. [Google Scholar]
- Jiang, Z.; Wang, H. A New Approach on Heart Murmurs Classification with SVM Technique. In Proceedings of the ISITC IEEE Computer Society, Jeonju, Korea, 23–24 November 2007; pp. 240–244. [Google Scholar]
- Leung, T.S.; White, P.R.; Collis, W.B.; Brown, E.; Salmon, A.P. Classification of Heart Sounds Using Time-Frequency Method and Artificial Neural Networks. In Proceedings of the International Conference of the IEEE Engineering in Medicine & Biology Society, Chicago, IL, USA, 23–28 July 2000; pp. 988–991. [Google Scholar]
- Turkoglu, I.; Arslan, A. An Intelligent Pattern Recognition System Based on Neural Network and Wavelet Decomposition for Interpretation of Heart Sounds. In Proceedings of the International Conference of the IEEE Engineering in Medicine & Biology Society, Istanbul, Turkey, 25–28 October 2001; pp. 1547–1550. [Google Scholar]
- Potes, C.; Parvaneh, S.; Rahman, A.; Conroy, B. Ensemble of Feature-Based and Deep Learning-Based Classifiers for Detection of Abnormal Heart Sounds. In Proceedings of the Computing in Cardiology Conference, Vancouver, BC, Canada, 11–14 September 2016; pp. 621–624. [Google Scholar]
- Sujadevi, V.G.; Soman, K.P.; Vinayakumar, R.; Sankar, A.P. Deep Models for Phonocardiography (PCG) Classification. In Proceedings of the International Conference on Intelligent Communication & Computational Techniques, Jaipur, India, 22–23 December 2017; pp. 211–216. [Google Scholar]
- Chen, T.; Kuan, K.; Celi, L.A.; Clifford, G.D. Intelligent Heart Sound Diagnostics on a Cellphone Using a Hands-Free Kit. In AAAI Artificial Intelligence for Development; Springer: California, CA, USA, 2010; pp. 26–31. [Google Scholar]
- Oskiper, T.; Watrous, R. Detection of the First Heart Sound Using a Time-Delay Neural Network. In Proceedings of the Computers in Cardiology, Memphis, TN, USA, 22–25 September 2002; pp. 537–540. [Google Scholar]
- Hernandez, M.; Quintero, N.; Perpiñan, G.; Quintana, A.; Warrick, P. Automatic Heart Sound Recording Classification Using a Nested Set of Ensemble Algorithms. In Proceedings of the Computing in Cardiology Conference, Vancouver, BC, Canada, 11–14 September 2016; pp. 11–14. [Google Scholar]
- Tang, H.; Dai, Z.; Jiang, Y.; Li, T.; Liu, C. PCG Classification Using Multidomain Features and SVM Classifier. Biomed. Res. Int. 2018, 2018, 1–14. [Google Scholar] [CrossRef] [PubMed]




| Segmentation Method | Stride (s) | Window (s) | MAcc (%) |
|---|---|---|---|
| Fixed Segmentation | 2 | 2 | 77.38 |
| Sliding Segmentation | 1 | 2 | 79.25 |
| 2 | 5 | 78.14 | |
| 4 | 10 | 79.06 | |
| Beat Segmentation | - | - | 77.21 |
| No Segmentation | - | - | 77.64 |
| Models | MAcc (%) |
|---|---|
| Linear SVM | 66.48 |
| RF | 66.42 |
| GBDT | 65.01 |
| LKNet | 79.06 |
| LKNet with Homo, Hilbert, PSD | 80.16 |
| LKNet with Ensemble SVM | 71.39 |
| LKNet with transfer learning | 82.73 |
Publisher’s Note: MDPI stays neutral with regard to jurisdictional claims in published maps and institutional affiliations. |
© 2021 by the authors. Licensee MDPI, Basel, Switzerland. This article is an open access article distributed under the terms and conditions of the Creative Commons Attribution (CC BY) license (https://creativecommons.org/licenses/by/4.0/).
Share and Cite
Tseng, K.-K.; Wang, C.; Huang, Y.-F.; Chen, G.-R.; Yung, K.-L.; Ip, W.-H. Cross-Domain Transfer Learning for PCG Diagnosis Algorithm. Biosensors 2021, 11, 127. https://doi.org/10.3390/bios11040127
Tseng K-K, Wang C, Huang Y-F, Chen G-R, Yung K-L, Ip W-H. Cross-Domain Transfer Learning for PCG Diagnosis Algorithm. Biosensors. 2021; 11(4):127. https://doi.org/10.3390/bios11040127
Chicago/Turabian StyleTseng, Kuo-Kun, Chao Wang, Yu-Feng Huang, Guan-Rong Chen, Kai-Leung Yung, and Wai-Hung Ip. 2021. "Cross-Domain Transfer Learning for PCG Diagnosis Algorithm" Biosensors 11, no. 4: 127. https://doi.org/10.3390/bios11040127
APA StyleTseng, K.-K., Wang, C., Huang, Y.-F., Chen, G.-R., Yung, K.-L., & Ip, W.-H. (2021). Cross-Domain Transfer Learning for PCG Diagnosis Algorithm. Biosensors, 11(4), 127. https://doi.org/10.3390/bios11040127
