Multimaterial 3D Printing for Arbitrary Distribution with Nanoscale Resolution
Abstract
1. Introduction
2. Experimental Details
2.1. Fabrication of Concentric Ring Array
2.2. Characterization
3. Results and Discussion
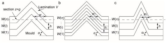
3.1. 3D Printing Strategy for an Arbitrary Distribution of Multiple Materials
3.2. Concentric Ring Array Fabricated by MGP Method
4. Summary
Supplementary Materials
Author Contributions
Funding
Acknowledgments
Conflicts of Interest
References
- Suresh, S.; Mortensen, A. Functionally graded metals and metal-ceramic composites: Part 2 thermomechanical behaviour. Int. Mater. Rev. 1997, 42, 85–116. [Google Scholar] [CrossRef]
- Rutz, A.L.; Hyland, K.E.; Jakus, A.E.; Burghardt, W.R.; Shah, R.N. A multimaterial bioink method for 3D printing tunable, cell-compatible hydrogels. Adv. Mater. 2015, 27, 1607–1614. [Google Scholar] [CrossRef] [PubMed]
- Han, X.X.; Bibb, R.; Harris, R. Engineering design of artificial vascular junctions for 3D printing. Biofabrication 2016, 8, 025018. [Google Scholar] [CrossRef] [PubMed]
- Macdonald, E.; Salas, R.; Espalin, D.; Perez, M.; Aguilera, E.; Muse, D.; Wicker, R.B. 3D printing for the rapid prototyping of structural electronics. IEEE Access 2014, 2, 234–242. [Google Scholar] [CrossRef]
- Ebendorff-Heidepriem, H.; Schuppich, J.; Dowler, A.; Lima-Marques, L.; Monro, T.M. 3D-printed extrusion dies: A versatile approach to optical material processing. Opt. Mater. Express 2014, 8, 1494–1504. [Google Scholar] [CrossRef]
- Liu, T.; Guessasma, S.; Zhu, J.H.; Zhang, W.H.; Belhabib, S. Functionally graded materials from topology optimisation and stereolithography. Eur. Polym. J. 2018, 108, 199–211. [Google Scholar] [CrossRef]
- Chia, H.N.; Wu, B.M. Recent advances in 3D printing of biomaterials. J. Biol. Eng. 2015, 9, 4. [Google Scholar] [CrossRef]
- Yap, C.Y.; Chua, C.K.; Dong, Z.L.; Liu, Z.H.; Zhang, D.Q.; Loh, L.E.; Sing, S.L. Review of selective laser melting: Materials and applications. Appl. Phys. Rev. 2015, 2, 041101. [Google Scholar] [CrossRef]
- Yan, A.R.; Wang, Z.Y.; Yang, T.T.; Wang, Y.L.; Ma, Z.H. Sintering densification behaviors and microstructural evolvement of W-Cu-Ni composite fabricated by selective laser sintering. Int. J. Adv. Manuf. Technol. 2017, 90, 657–666. [Google Scholar] [CrossRef]
- Gnanasekaran, K.; Heijmans, T.; Van Bennekom, S.; Woldhuis, H.; Wijnia, S.; De With, G.; Friedrich, H. 3D printing of CNT-and graphene-based conductive polymer nanocomposites by fused deposition modeling. Appl. Mater. Today 2017, 9, 21–28. [Google Scholar] [CrossRef]
- Kitson, P.J.; Glatzel, S.; Chen, W.; Lin, C.G.; Song, Y.F.; Cronin, L. 3D printing of versatile reactionware for chemical synthesis. Nat. Protoc. 2016, 11, 920–936. [Google Scholar] [CrossRef]
- Chen, X.F.; Liu, W.Z.; Dong, B.Q.; Lee, J.; Ware, H.O.T.; Zhang, H.F.; Sun, C. High-speed 3D printing of millimeter-size customized aspheric imaging lenses with sub 7 nm surface roughness. Adv. Mater. 2018, 30, 1705683. [Google Scholar] [CrossRef]
- Tumbleston, J.R.; Shirvanyants, D.; Ermoshkin, N.; Janusziewicz, R.; Johnson, A.R.; Kelly, D.; Chen, K.; Pinschmidt, R.; Rolland, J.P.; Ermoshkin, A.; et al. Continuous liquid interface production of 3D objects. Science 2015, 347, 1349–1352. [Google Scholar] [CrossRef]
- Hu, R.; Huang, B.X.; Xue, Z.H.; Li, Q.Y.; Xia, T.; Zhang, W.; Lu, C.H.; Xu, H.G. Synthesis of photocurable cellulose acetate butyrate resin for continuous liquid interface production of three-dimensional objects with excellent mechanical and chemical-resistant properties. Carbohydr. Polym. 2019, 207, 609–618. [Google Scholar] [CrossRef]
- Lin, W.X.; Liu, H.G.; Huang, H.Z.; Huang, J.H.; Ruan, K.M.; Lin, Z.X.; Wu, H.C.; Zhang, Z.; Chen, J.M.; Li, J.H. Enhanced continuous liquid interface production with track-etched membrane. Rapid Prototyp. J. 2019, 25, 117–125. [Google Scholar] [CrossRef]
- Zhao, Y.Y.; Zhang, Y.L.; Zheng, M.L.; Dong, X.Z.; Duan, X.M.; Zhao, Z.S. Three-dimensional Luneburg lens at optical frequencies. Laser Photon. Rev. 2016, 10, 665–672. [Google Scholar] [CrossRef]
- Xu, B.B.; Xia, H.; Niu, L.G.; Zhang, Y.L.; Sun, K.; Chen, Q.D.; Xu, Y.; Lv, Z.Q.; Li, Z.H.; Misawa, H.; et al. Flexible nanowiring of metal on nonplanar substrates by femtosecond-laser-induced electroless plating. Small 2010, 6, 1762–1766. [Google Scholar] [CrossRef]
- Cao, Y.Y.; Takeyasu, N.; Tanaka, T.; Duan, X.M.; Kawata, S. 3D metallic nanostructure fabrication by surfactant-assisted multiphoton-induced reduction. Small 2009, 5, 1144–1148. [Google Scholar] [CrossRef]
- Vyatskikh, A.; Delalande, S.; Kudo, A.; Zhang, X.; Portela, C.M.; Greer, J.R. Additive manufacturing of 3D nano-architected metals. Nat. Commun. 2018, 9, 593. [Google Scholar] [CrossRef]
- Ma, Z.C.; Zhang, Y.L.; Han, B.; Chen, Q.D.; Sun, H.B. Femtosecond-laser direct writing of metallic micro/nanostructures: From fabrication strategies to future applications. Small Methods 2018, 2, 1700413. [Google Scholar] [CrossRef]
- Tang, H.; Lin, X.F.; Feng, Z.; Chen, J.Y.; Gao, J.; Sun, K.; Wang, C.Y.; Lai, P.C.; Xu, X.Y.; Wang, Y.; et al. Experimental two-dimensional quantum walk on a photonic chip. Sci. Adv. 2018, 4, eaat3174. [Google Scholar] [CrossRef]
- Zhang, Y.F.; Zhang, N.B.; Hingorani, H.; Ding, N.Y.; Wang, D.; Yuan, C.; Zhang, B.; Gu, G.Y.; Ge, Q. Fast-response, stiffness-tunable soft actuator by hybrid multimaterial 3D printing. Adv. Funct. Mater. 2019, 29, 1806698. [Google Scholar] [CrossRef]
- Li, F.; Macdonald, N.P.; Guijt, R.M.; Breadmore, M.C. Multimaterial 3D printed fluidic device for measuring pharmaceuticals in biological fluids. Anal. Chem. 2019, 91, 1758–1763. [Google Scholar] [CrossRef]
- Su, M.; Huang, Z.D.; Li, Y.F.; Qian, X.; Li, Z.; Hu, X.T.; Pan, Q.; Li, F.Y.; Li, L.H.; Song, Y.L. A 3D self-shaping strategy for nanoresolution multicomponent architectures. Adv. Mater. 2017, 30, 1703963. [Google Scholar] [CrossRef]
- Li, Y.F.; Su, M.; Li, Z.; Huang, Z.D.; Li, F.Y.; Pan, Q.; Ren, W.J.; Hu, X.T.; Song, Y.L.; Su, M.; et al. Patterned arrays of functional lateral heterostructures via sequential template-directed printing. Small 2018, 14, 1800792. [Google Scholar] [CrossRef]
- Huang, Z.D.; Yang, Q.; Su, M.; Li, Z.; Hu, X.T.; Li, Y.F.; Pan, Q.; Ren, W.J.; Li, F.Y.; Song, Y.L. A general approach for fluid patterning and application in fabricating microdevices. Adv. Mater. 2018, 30, 1802172. [Google Scholar] [CrossRef]
- Kokkinis, D.; Schaffner, M.; Studart André, R. Multimaterial magnetically assisted 3D printing of composite materials. Nat. Commun. 2015, 6, 8643. [Google Scholar] [CrossRef]
- Wang, T.; Handschuh-Wang, S.; Huang, L.; Zhang, L.; Jiang, X.; Kong, T.; Zhang, W.; Lee, C.S.; Zhou, X.C.; Tang, Y.B. Controlling directional liquid motion on micro- and nanocrystalline diamond/β-SiC composite gradient films. Langmuir 2018, 34, 1419–1428. [Google Scholar] [CrossRef]
- Lipson, H.; Kurman, M. Fabricated: The New World of 3D Printing; John Wiley and Sons Inc.: Hoboken, NJ, USA, 2013; pp. 263–281. [Google Scholar]
- Li, X.; Zhang, J.M.; Yi, X.; Huang, Z.; Duan, H. Multimaterial microfluidic 3D printing of textured composites with liquid inclusions. Adv. Sci. 2019, 6, 1800730. [Google Scholar] [CrossRef]
- Cao, Q.; Tersoff, J.; Farmer, D.B.; Zhu, Y.; Han, S.J. Carbon nanotube transistors scaled to a 40-nanometer footprint. Science 2017, 356, 1369–1372. [Google Scholar] [CrossRef]
- Arazoe, H.; Miyajima, D.; Akaike, K.; Araoka, F.; Sato, E.; Hikima, T.; Kawamoto, M.; Aida, T. An autonomous actuator driven by fluctuations in ambient humidity. Nat. Mater. 2016, 15, 1084–1089. [Google Scholar] [CrossRef]
- Miri, A.K.; Nieto, D.; Iglesias, L.; Hosseinabadi, H.G.; Maharjan, S.; Ruiz-Esparza, G.U.; Khoshakhlagh, P.; Manbachi, A.; Dokmeci, M.R.; Chen, S.C.; et al. Microfluidics-enabled multimaterial maskless stereolithographic bioprinting. Adv. Mater. 2018, 30, 1800242. [Google Scholar] [CrossRef]





| Concentric rings a | 1 | 2 | 3 | 4 | 5 | 6 | 7 | 8 | 9 | 10 |
| Circle radius b (nm) | 65.7 ± 9.5 | 228.3 ± 8.6 | 372.3 ± 12.4 | 424.9 ± 11.4 | 524.4 ± 16.5 | 578.2 ± 14.7 | 623.9 ± 16.0 | 668.4 ± 12.7 | 710.6 ± 14.4 | 752.4 ± 13.7 |
| Ring width c (nm) | 65.7 | 162.6 | 144 | 52.6 | 99.5 | 53.8 | 45.7 | 44.5 | 42.2 | 41.8 |
© 2019 by the authors. Licensee MDPI, Basel, Switzerland. This article is an open access article distributed under the terms and conditions of the Creative Commons Attribution (CC BY) license (http://creativecommons.org/licenses/by/4.0/).
Share and Cite
Zhang, F.; Li, C.; Wang, Z.; Zhang, J.; Wang, Y. Multimaterial 3D Printing for Arbitrary Distribution with Nanoscale Resolution. Nanomaterials 2019, 9, 1108. https://doi.org/10.3390/nano9081108
Zhang F, Li C, Wang Z, Zhang J, Wang Y. Multimaterial 3D Printing for Arbitrary Distribution with Nanoscale Resolution. Nanomaterials. 2019; 9(8):1108. https://doi.org/10.3390/nano9081108
Chicago/Turabian StyleZhang, Fengqiang, Changhai Li, Zhenlong Wang, Jia Zhang, and Yukui Wang. 2019. "Multimaterial 3D Printing for Arbitrary Distribution with Nanoscale Resolution" Nanomaterials 9, no. 8: 1108. https://doi.org/10.3390/nano9081108
APA StyleZhang, F., Li, C., Wang, Z., Zhang, J., & Wang, Y. (2019). Multimaterial 3D Printing for Arbitrary Distribution with Nanoscale Resolution. Nanomaterials, 9(8), 1108. https://doi.org/10.3390/nano9081108

