Calculation of the Mass Transfer Coefficient for the Dissolution of Multiple Carbon Dioxide Bubbles in Sea Water under Varying Conditions
Abstract
1. Introduction
2. Theory
3. Experimental Apparatus and Methods
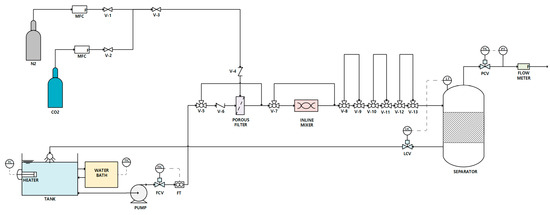
3.1. Experimental Apparatus
3.2. Experimental Methods
4. Results and Discussions
4.1. Effect of the Bubble Size
4.2. Effect of the Turbulence Intensity
4.3. Effect of Retention Time
4.4. Effect of the Solvent
4.5. Discussion
5. Conclusions
- When the bubble size decreased from 30 to 10 μm, the average mass transfer coefficient increased by −21% at the experimental pressure of 3 bara and by −17% at the experimental pressure of 4 bara. This is because the contact area between the solvent and bubble increases as the bubble size decreases.
- When an inline mixer was applied, the average mass transfer coefficient increased by approximately 20% at the experimental pressure of 3 bara and by approximately 34% at the experimental pressure of 4 bara. This is because the inline mixer accelerates the gas–liquid mass transfer by strengthening the turbulent flow.
- When the retention time increased from 40 to 160 s, the average mass transfer coefficient decreased by −62% at the experimental pressure of 3 bara and −61% at the experimental pressure of 4 bara. This is because when the retention time increases, the dissolution amount increases, but the rate of solution decreases because the rate of solution is defined by the dissolution amount per time.
- When the solvent type was changed to distilled water and sea water, the average mass transfer coefficient in the distilled water was lower by −27% at the experimental pressure of 3 bara and −29% at the experimental pressure of 4 bara. This is because the change rate of Schmidt number according to the change of solvent is larger than the change rate of diffusivity.
- The same effect as dissolution at a high pressure can be obtained at a low pressure by reducing the bubble size, increasing the retention time, and applying the inline mixer. Thus, it is expected that shortening the time that carbon dioxide is stored in the underwater weapon system will reduce the size of the underwater weapon system.
- Future studies on the increased power requirements of the underwater weapon system should be made because a pressure loss is expected due to the reduction of bubble size and the application of an inline mixer.
Author Contributions
Funding
Acknowledgments
Conflicts of Interest
References
- Yin, B.; Zou, Y.; Wang, J. Studies on New High-Effective Power System of Conventional Submarine. In Proceedings of the Sixth International Conference on Electrical Machines and Systems, Beijing, China, 9–11 November 2003; pp. 923–925. [Google Scholar]
- De-Troya, J.J.; Alvarez, C.; Fernández-Garrido, C.; Carral, L. Analysing the Possibility of Using Fuel Cells in Ships, International. J. Hydrog. Energy 2016, 41, 2853–2866. [Google Scholar] [CrossRef]
- Daniel, R.P.; Robert, A.D.; Jamie, D.H. Methanol Steam Reforming for Hydrogen Production. J. Am. Chem. Soc. 2007, 107, 3992–4020. [Google Scholar]
- Stefan, K.; Javier, L. Methanol Reformer—The Next Milestone for Fuel Cell Powered Submarines. Int. J. Hydrog. Energy 2015, 40, 5482–5486. [Google Scholar]
- Noorlisa, H.; Thanita, N.; Peter, L.D.; Eric, C.; Luis, A.R.-S. Dynamic Simulation of MEA Absorption Process for CO2 Capture from Power Plants. Int. J. Greenh. Gas Control 2012, 10, 295–309. [Google Scholar]
- Chen, P.C.; Huang, C.H.; Su, T.; Chen, H.W.; Yang, M.W.; Tsao, J.M. Optimum Condition for the Capture of Carbon Dioxide with a Bubble-Column Scrubber. Int. J. Greenh. Gas Control 2015, 35, 47–55. [Google Scholar] [CrossRef]
- Abu-Zahra, M.R.; Schneiders, L.H.; Niederer, J.P.; Feron, P.H.; Versteeg, G.F. CO2 Capture from Power Plant: Part 1. A Parametric Study of the Technical Performance Based on Monoethanolamine. Int. J. Greenh. Gas Control 2007, 1, 37–46. [Google Scholar] [CrossRef]
- Calderbank, P.H.; Lochiel, A.C. Mass Transfer Coefficient, Velocities and Shapes of Carbon Dioxide Bubbles in Free Rise Through Distilled Water. Chem. Eng. Sci. 1964, 19, 485–503. [Google Scholar] [CrossRef]
- Liu, Q.; Endo, H.; Fukuda, K.; Shibahara, M.; Zhang, P. Experimental Study on Solution and Diffusion Process of Single Carbon Dioxide Bubble in Seawater. Mech. Eng. J. 2016, 3, 1–9. [Google Scholar] [CrossRef][Green Version]
- Jan, E.O.; Dorien, D.; Emlyn, D.; Paal, S.; John, M. Mass Transfer Between Bubbles and Seawater. Chem. Eng. Sci. 2017, 161, 308–315. [Google Scholar]
- Ranz, W.E.; Marshall, W.R.J. Evaporation from Droplets Parts I & II. Chem. Eng. Prog. 1952, 48, 173–180. [Google Scholar]
- Leifer, I.; Patro, R.K. A Review and Sensitivity study. Cont. Shelf Res. 2002, 22, 2409–2428. [Google Scholar] [CrossRef]
- Ng, W.Y.; Walkley, J. Diffusion of Gases in Liquids: The Constant Size Bubble Method. Can. J. Chem. 1969, 47, 1075–1077. [Google Scholar] [CrossRef]
- Higbie, R. The rate of absorption of a pure gas into a still liquid during short periods of exposure. Trains. AIChE 1935, 31, 365–389. [Google Scholar]
- ASTM. D1141-98: Standard Practice for The Preparation of Substitute Ocean Water; American Society for Testing and Materials International: West Conshohocken, PA, USA, 2013. [Google Scholar]
- Kim, J.H.; Jung, C.W.; Kang, Y.T. Mass Transfer Enhancement during CO2 Absorption Process in Methanol/Al2O3 Nanofluids. Int. J. Heat Mass Transf. 2014, 76, 484–491. [Google Scholar] [CrossRef]
- Rik, W. Relationship Between Wind Speed and Gas Exchange Over the Ocean. J. Geophys. Res. 1992, 97, 7373–7382. [Google Scholar]







| Item List | Specification |
|---|---|
| Type of Gas | N2, CO2 (>99.9% purity) |
| Tank | 70(W)*77(L)*68(H) |
| Water Bath | 5–96 ℃ |
| MFC (N2) | 0–0.25 SLPM |
| MFC (CO2) | 0–25 SLPM |
| Pump | VFD Type |
| Porous Filter Grade | 10 μm, 30 μm |
| Inline Mixer | 1/2“(Clear PVC) |
| Pipe | 40 A |
| Flow Control Valve | 40 A, Equal%, Cv: 3.60 |
| Pressure Control Valve | 20 A, Linear, Cv: 0.02 |
| Level Control Valve | 40 A, Equal%, Cv: 2.00 |
| Pressure Transmitter | 0–10 barg |
| Flow Transmitter | 0–25 LPM |
| Level Transmitter | Float Type (Resolution: 12 mm) |
| Flow Meter | Coriolis Type (Measurement Error Mass: 0.5%) |
| Separator | 250 φ*1167 H (mm), Side Glass: 50 φ, Filter Grade: 300 μm |
| Component | Content |
|---|---|
| NaCl | 58.490% |
| MgCl2-6H2O | 24.460% |
| Na2SO4 | 9.750% |
| CaCl2 | 2.765% |
| KCl | 1.645% |
| NaHCO3 | 0.477% |
| KBr | 0.238% |
| H3BO3 | 0.071% |
| SrCl2-6H2O | 0.095% |
| NaF | 0.007% |
| Solvent | Distilled Water |
|---|---|
| Sea Water | |
| Solute | CO2 |
| Temperature (°C) | 25 |
| Pressure (bara) | 3 |
| 4 | |
| Flow Rate (LPM) | Solvent: 10 |
| Solute: 25% of Maximum Solubility | |
| Bubble Size (μm) | 10 |
| 30 | |
| Inline Mixer | Applied |
| Not Applied | |
| Retention Time (s) | 40 |
| 160 |
| Bubble Size | Number of Bubbles | Contact Area (mm2) |
|---|---|---|
| 10 μm | 6.5 × 106 | 8204 |
| 30 μm | 6.7 × 105 | 7606 |
| Parameter | D (m2/s) (Liu et al. [9]) | Sc (Wanninkhof [17]) | |
|---|---|---|---|
| Solvent | |||
| Distilled Water | 1.72 × 109 | 600 | |
| Sea Water | 1.64 × 109 | 660 | |
| Average Mass Transfer Coefficient in Distilled Water (mm/s) | ||||||||||||
| Bubble Size | 10 μm | 30 μm | ||||||||||
| Pressure | 3 bara | 4 bara | 3 bara | 4 bara | ||||||||
| Retention Time | 40 s | 160 s | 40 s | 160 s | 40 s | 160 s | 40 s | 160 s | ||||
| W/Inline Mixer | 0.099 | 0.041 | 0.13 | 0.042 | 0.096 | 0.033 | 0.14 | 0.039 | ||||
| W/O Inline Mixer | 0.098 | 0.030 | 0.11 | 0.035 | 0.077 | 0.029 | 0.092 | 0.036 | ||||
| Average Mass Transfer Coefficient in Sea Water (mm/s) | ||||||||||||
| Bubble Size | 10 μm | 30 μm | ||||||||||
| Pressure | 3 bara | 4 bara | 3 bara | 4 bara | ||||||||
| Retention Time | 40 s | 160 s | 40 s | 160 s | 40 s | 160 s | 40 s | 160 s | ||||
| W/Inline Mixer | 0.17 | 0.050 | 0.20 | 0.056 | 0.17 | 0.055 | 0.21 | 0.054 | ||||
| W/O Inline Mixer | 0.14 | 0.037 | 0.16 | 0.047 | 0.11 | 0.050 | 0.13 | 0.051 | ||||
© 2019 by the authors. Licensee MDPI, Basel, Switzerland. This article is an open access article distributed under the terms and conditions of the Creative Commons Attribution (CC BY) license (http://creativecommons.org/licenses/by/4.0/).
Share and Cite
Cho, H.-J.; Choi, J. Calculation of the Mass Transfer Coefficient for the Dissolution of Multiple Carbon Dioxide Bubbles in Sea Water under Varying Conditions. J. Mar. Sci. Eng. 2019, 7, 457. https://doi.org/10.3390/jmse7120457
Cho H-J, Choi J. Calculation of the Mass Transfer Coefficient for the Dissolution of Multiple Carbon Dioxide Bubbles in Sea Water under Varying Conditions. Journal of Marine Science and Engineering. 2019; 7(12):457. https://doi.org/10.3390/jmse7120457
Chicago/Turabian StyleCho, Hee-Joo, and Jungho Choi. 2019. "Calculation of the Mass Transfer Coefficient for the Dissolution of Multiple Carbon Dioxide Bubbles in Sea Water under Varying Conditions" Journal of Marine Science and Engineering 7, no. 12: 457. https://doi.org/10.3390/jmse7120457
APA StyleCho, H.-J., & Choi, J. (2019). Calculation of the Mass Transfer Coefficient for the Dissolution of Multiple Carbon Dioxide Bubbles in Sea Water under Varying Conditions. Journal of Marine Science and Engineering, 7(12), 457. https://doi.org/10.3390/jmse7120457

