Advanced Capacitor-Based Battery Equalizer for Underwater Vehicles
Abstract
1. Introduction
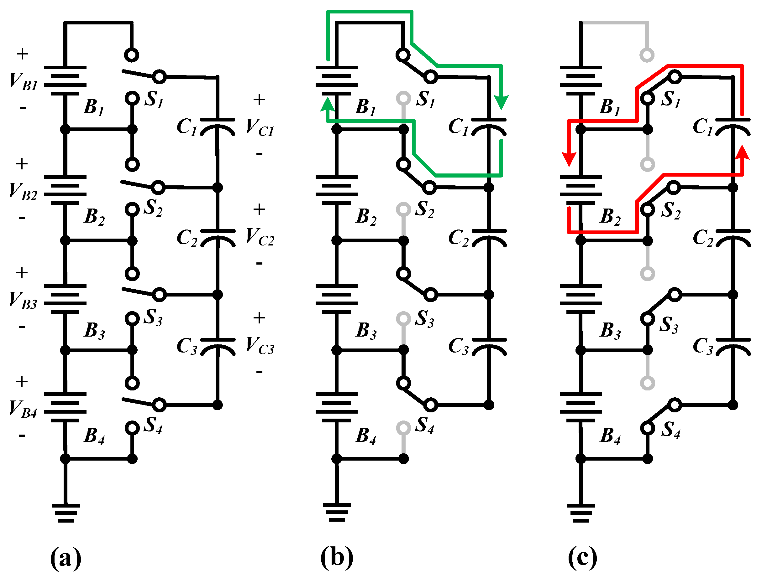
2. Capacitor-Based Battery Equalizer Architecture and Model
3. Operating Principle and Simulation Results of Capacitor-Based Battery Equalizer
4. Hardware Prototype and Testing Platform
5. Experimental Results
6. Conclusions
Funding
Institutional Review Board Statement
Informed Consent Statement
Data Availability Statement
Acknowledgments
Conflicts of Interest
References
- Paull, L.; Saeedi, S.; Seto, M.; Li, H. AUV navigation and localization: A review. IEEE J. Ocean. Eng. 2013, 39, 131–149. [Google Scholar] [CrossRef]
- Sands, T. Development of deterministic artificial intelligence for unmanned underwater vehicles (UUV). J. Mar. Sci. Eng. 2020, 8, 578. [Google Scholar] [CrossRef]
- Depcik, C.; Cassady, T.; Collicott, B.; Burugupally, S.P.; Li, X.; Alam, S.S.; Arandia, J.R.; Hobeck, J. Comparison of lithium ion Batteries, hydrogen fueled combustion Engines, and a hydrogen fuel cell in powering a small Unmanned Aerial Vehicle. Energy Convers. Manag. 2020, 207, 112514. [Google Scholar] [CrossRef]
- Manley, J.E.; Smith, J. Rapid development and evolution of a micro-UUV. In Proceedings of the OCEANS 2017-Anchorage, Anchorage, AK, USA, 18–21 September 2017; pp. 1–4. [Google Scholar]
- Gezer, E.C.; Zhao, L.; Beason, J.; Zhou, M. Towards seafloor mapping using an affordable micro-UUV. In Proceedings of the OCEANS 2021: San Diego–Porto, San Diego, CA, USA, 20–23 September 2021; pp. 1–5. [Google Scholar]
- Underwater Vehicle Charging. Available online: https://www.energy.gov/sites/default/files/2019/09/f66/73355-3.pdf (accessed on 8 August 2024).
- Orekan, T.; Zhang, P.; Shih, C. Analysis, design, and maximum power-efficiency tracking for undersea wireless power transfer. IEEE J. Emerg. Sel. Top. Power Electron. 2017, 6, 843–854. [Google Scholar] [CrossRef]
- Liu, J.W.; Cheng, Y.S.; Ho, K.C. Development of a Wireless Charging System based on LLC Resonant Converter for Underwater Drone. In Proceedings of the 2023 11th International Conference on Power Electronics and ECCE Asia (ICPE 2023-ECCE Asia), Jeju Island, Republic of Korea, 22–25 May 2023; pp. 2579–2584. [Google Scholar]
- Deebak, B.D.; Al-Turjman, F. Aerial and underwater drone communication: Potentials and vulnerabilities. In Drones in Smart-Cities; Elsevier: Amsterdam, The Netherlands, 2020; pp. 1–26. [Google Scholar]
- Guida, R.; Demirors, E.; Dave, N.; Melodia, T. Underwater ultrasonic wireless power transfer: A battery-less platform for the internet of underwater things. IEEE Trans. Mob. Comput. 2020, 21, 1861–1873. [Google Scholar] [CrossRef]
- Mohsan, S.A.H.; Khan, M.A.; Mazinani, A.; Alsharif, M.H.; Cho, H.S. Enabling underwater wireless power transfer towards sixth generation (6g) wireless networks: Opportunities, recent advances, and technical challenges. J. Mar. Sci. Eng. 2022, 10, 1282. [Google Scholar] [CrossRef]
- Lin, M.; Lin, R.; Yang, C.; Li, D.; Zhang, Z.; Zhao, Y.; Ding, W. Docking to an underwater suspended charging station: Systematic design and experimental tests. Ocean Eng. 2022, 249, 110766. [Google Scholar] [CrossRef]
- Yoshida, H.; Hyakudome, T.; Aoki, T.; Fujiya, N.; Konno, S.; Oomiya, M.; Ozawa, K. Improvement of a high energy type lithium-ion battery system for unmanned underwater vehicle. In Proceedings of the ISOPE International Ocean and Polar Engineering Conference, Osaka, Japan, 21–26 July 2009; ISOPE: Mountain View, CA, USA, 2009; p. 690. [Google Scholar]
- Toh, W.D.; Xu, B.; Jia, J.; Chin, C.S.; Chiew, J.; Gao, Z. Lithium iron phosphate (LiFePO4) battery power system for deepwater emergency operation. Energy Procedia 2017, 143, 348–353. [Google Scholar] [CrossRef]
- Wang, Y.F.; Wu, J.T. Performance improvement of thermal management system of lithium-ion battery module on purely electric AUVs. Appl. Therm. Eng. 2019, 146, 74–84. [Google Scholar] [CrossRef]
- Mao, Z.; Yan, S. Design and analysis of the thermal-stress coupled topology optimization of the battery rack in an AUV. Ocean Eng. 2018, 148, 401–411. [Google Scholar] [CrossRef]
- Ataner, E.; Özdeş, B.; Öztürk, G.; Çelik, T.Y.C.; Terzioğlu, H.; Durdu, A. Design of communication and power systems in unmanned underwater vehicles. Avrupa Bilim Teknol. Derg. 2020, 262–267. [Google Scholar] [CrossRef]
- Yar, G.N.A.H.; Ahmad, A.; Khurshid, K. Low cost assembly design of unmanned underwater vehicle (UUV). In Proceedings of the 2021 International Bhurban Conference on Applied Sciences and Technologies (IBCAST), Islamabad, Pakistan, 12–16 January 2021; pp. 829–834. [Google Scholar]
- Huang, H.; Lai, Z.; Zhang, X.; Liu, X.; Yi, H.; Zhuo, F. Design and Energy Management Comparison of Fuel Cell Hybrid Power System for Underwater Unmanned Vehicle. In Proceedings of the 2021 IEEE Sustainable Power and Energy Conference (iSPEC), Nanjing, China, 23–25 December 2021; pp. 3630–3635. [Google Scholar]
- Yang, Y.D.; Hu, K.Y.; Tsai, C.H. Digital battery management design for point-of-load applications with cell balancing. IEEE Trans. Ind. Electron. 2019, 67, 6365–6375. [Google Scholar] [CrossRef]
- Zahedmanesh, A.; Muttaqi, K.M.; Sutanto, D. A sequential decision-making process for optimal technoeconomic operation of a grid-connected electrical traction substation integrated with solar PV and BESS. IEEE Trans. Ind. Electron. 2020, 68, 1353–1364. [Google Scholar] [CrossRef]
- Ouyang, Q.; Han, W.; Zou, C.; Xu, G.; Wang, Z. Cell balancing control for lithium-ion battery packs: A hierarchical optimal approach. IEEE Trans. Ind. Inform. 2019, 16, 5065–5075. [Google Scholar] [CrossRef]
- Vulligaddala, V.B.; Vernekar, S.; Singamla, S.; Adusumalli, R.K.; Ele, V.; Brandl, M.; Srinivas, M.B. A 7-cell, stackable, li-ion monitoring and active/passive balancing IC with in-built cell balancing switches for electric and hybrid vehicles. IEEE Trans. Ind. Inform. 2019, 16, 3335–3344. [Google Scholar] [CrossRef]
- Shang, Y.; Zhao, S.; Fu, Y.; Han, B.; Hu, P.; Mi, C.C. A lithium-ion battery balancing circuit based on synchronous rectification. IEEE Trans. Power Electron. 2019, 35, 1637–1648. [Google Scholar] [CrossRef]
- Raeber, M.; Heinzelmann, A.; Abdeslam, D.O. Analysis of an active charge balancing method based on a single nonisolated DC/DC converter. IEEE Trans. Ind. Electron. 2020, 68, 2257–2265. [Google Scholar] [CrossRef]
- Ho, K.C.; Liu, Y.H.; Ye, S.P.; Chen, G.J.; Cheng, Y.S. Mathematical modeling and performance evaluation of switched-capacitor-based battery equalization systems. Electronics 2021, 10, 2629. [Google Scholar] [CrossRef]
- Farzan Moghaddam, A.; Van den Bossche, A. An efficient equalizing method for lithium-ion batteries based on coupled inductor balancing. Electronics 2019, 8, 136. [Google Scholar] [CrossRef]
- Cui, X.; Shen, W.; Zhang, Y.; Hu, C. A fast multi-switched inductor balancing system based on a fuzzy logic controller for lithium-ion battery packs in electric vehicles. Energies 2017, 10, 1034. [Google Scholar] [CrossRef]
- Noh, G.; Lee, J.; Ha, J.I. Design and analysis of single-inductor power converter for both battery balancing and voltage regulation. IEEE Trans. Ind. Electron. 2021, 69, 2874–2884. [Google Scholar] [CrossRef]
- Al-Smadi, M.K.; Qahouq, J.A.A. Generalized Analysis and Evaluation of Switched Inductor PWM-based Lithium-ion Battery Cell Balancing. In Proceedings of the 2022 IEEE Energy Conversion Congress and Exposition (ECCE), Detroit, MI, USA, 9–13 October 2022; pp. 1–5. [Google Scholar]
- Park, S.H.; Kim, T.S.; Park, J.S.; Moon, G.W.; Yoon, M.J. A new battery equalizer based on buck-boost topology. In Proceedings of the 2007 7th Internatonal Conference on Power Electronics, Daegu, Republic of Korea, 22–26 October 2007; pp. 962–965. [Google Scholar]
- Lee, Y.S.; Cheng, G.T. Quasi-resonant zero-current-switching bidirectional converter for battery equalization applications. IEEE Trans. Power Electron. 2006, 21, 1213–1224. [Google Scholar] [CrossRef]
- Shi, F.; Song, D. A novel high-efficiency double-input bidirectional DC/DC converter for battery cell-voltage equalizer with flyback transformer. Electronics 2019, 8, 1426. [Google Scholar] [CrossRef]
- Farzan Moghaddam, A.; Van den Bossche, A. Forward converter current fed equalizer for lithium based batteries in ultralight electrical vehicles. Electronics 2019, 8, 408. [Google Scholar] [CrossRef]
- Gallardo-Lozano, J.; Romero-Cadaval, E.; Milanes-Montero, M.I.; Guerrero-Martinez, M.A. Battery equalization active methods. J. Power Sources 2014, 246, 934–949. [Google Scholar] [CrossRef]
- Ye, Y.; Cheng, K.W.E. An automatic switched-capacitor cell balancing circuit for series-connected battery strings. Energies 2016, 9, 138. [Google Scholar] [CrossRef]
- Kim, M.Y.; Kim, C.H.; Kim, J.H.; Moon, G.W. A chain structure of switched capacitor for improved cell balancing speed of lithium-ion batteries. IEEE Trans. Ind. Electron. 2013, 61, 3989–3999. [Google Scholar] [CrossRef]
- Chin, C.S.; Jia, J.; Chiew, J.H.K.; Da Toh, W.; Gao, Z.; Zhang, C.; McCann, J. System design of underwater battery power system for marine and offshore industry. J. Energy Storage 2019, 21, 724–740. [Google Scholar] [CrossRef]
- Yang, Z.Z. Development of an active equalizer for lithium-ion batteries. Electronics 2022, 11, 2219. [Google Scholar] [CrossRef]
- Toshiba. TLP3109A Datasheet. 2023. Available online: https://toshiba.semicon-storage.com/info/TLP3109A_datasheet_en_20230525.pdf?did=65124&prodName=TLP3109A (accessed on 8 August 2024).









| Specification Items | Parameters |
|---|---|
| Cell Voltage () | 3–4 V |
| Cell Capacity () | 1 F |
| Switch Resistance () | m |
| Capacitor (C) | 1500 uF |
| Capacitor ESR (ESR) | m |
| Switching Frequency () | 500 Hz |
| Duty Cycle (D) | 50% |
| Dead Time | 300 ns |
| Initial Voltage (V) | ||||
|---|---|---|---|---|
| Scenario 1 | 3.98 | 3.78 | 3.54 | 3.01 |
| Scenario 2 | 3.83 | 3.07 | 4.00 | 3.61 |
| Scenario 3 | 3.51 | 3.96 | 3.05 | 3.83 |
| Scenario 4 | 3.03 | 3.47 | 3.72 | 3.98 |
Disclaimer/Publisher’s Note: The statements, opinions and data contained in all publications are solely those of the individual author(s) and contributor(s) and not of MDPI and/or the editor(s). MDPI and/or the editor(s) disclaim responsibility for any injury to people or property resulting from any ideas, methods, instructions or products referred to in the content. |
© 2024 by the author. Licensee MDPI, Basel, Switzerland. This article is an open access article distributed under the terms and conditions of the Creative Commons Attribution (CC BY) license (https://creativecommons.org/licenses/by/4.0/).
Share and Cite
Ho, K.-C. Advanced Capacitor-Based Battery Equalizer for Underwater Vehicles. J. Mar. Sci. Eng. 2024, 12, 1357. https://doi.org/10.3390/jmse12081357
Ho K-C. Advanced Capacitor-Based Battery Equalizer for Underwater Vehicles. Journal of Marine Science and Engineering. 2024; 12(8):1357. https://doi.org/10.3390/jmse12081357
Chicago/Turabian StyleHo, Kun-Che. 2024. "Advanced Capacitor-Based Battery Equalizer for Underwater Vehicles" Journal of Marine Science and Engineering 12, no. 8: 1357. https://doi.org/10.3390/jmse12081357
APA StyleHo, K.-C. (2024). Advanced Capacitor-Based Battery Equalizer for Underwater Vehicles. Journal of Marine Science and Engineering, 12(8), 1357. https://doi.org/10.3390/jmse12081357

