Next Article in Journal
Reinforcement-Learning-Based Visual Servoing of Underwater Vehicle Dual-Manipulator System
Previous Article in Journal
USV Path Planning in a Hybrid Map Using a Genetic Algorithm with a Feedback Mechanism
 
 
Font Type:
Arial Georgia Verdana
Font Size:
Aa Aa Aa
Line Spacing:
Column Width:
Background:
Article

Applicability of Variable-Geometry Turbocharger for Diesel Generators under High Exhaust Back Pressure

Department of Mechanical and Mechatronic Engineering, National Taiwan Ocean University, Keelung City 202301, Taiwan
*
Author to whom correspondence should be addressed.
J. Mar. Sci. Eng. 2024, 12(6), 938; https://doi.org/10.3390/jmse12060938
Submission received: 6 May 2024 / Revised: 29 May 2024 / Accepted: 31 May 2024 / Published: 3 June 2024
(This article belongs to the Section Ocean Engineering)

Abstract

The exhaust back pressure of diesel engines is becoming increasingly higher nowadays. In order to keep discharging exhaust unhindered and operating smoothly under high exhaust back pressure, a large reduction in engine maximum brake output is often observed, as well as increased fuel consumption and lower combustion efficiency with heavy exhaust smokes. In our previous study, “Applicability of Reducing Valve Timing Overlap for Diesel Engines under High Exhaust Back Pressure”, a reduced valve timing overlap of 12 °CA partially improves the brake output and BSFC for a fixed-geometry turbocharged diesel engine under high exhaust back pressures. A potential solution for restoring the brake output under high exhaust back pressures could be the use of variable-geometry turbochargers. In this study, a variable-geometry turbocharger is applied to a diesel engine to study the engine performance characteristics and applicability, especially the further improvement of brake output and the brake-specific fuel consumption of the engine. Continuing with the results of our previous research, a basic setting of 12 °CA for the valve timing overlap is set up for the subsequent engine performance simulations in this study (using GT-Power SW). Via simulation, exhaust back pressures of 25 kPa, 45 kPa, and 65 kPa gauge are studied for a turbocharged diesel engine. The results for the engine parameters, including brake output, brake-specific fuel consumption, compressor outlet temperature, turbine inlet temperature, intake air mass flow rate, and exhaust mass flow rate are analyzed. The results of the variable-geometry turbocharger, including turbocharger speed, pressure ratios and efficiencies of compressor and turbine are also analyzed. The results indicate that the brake output and brake-specific fuel consumption are effectively improved under full-load operation with an adequate variable-geometry turbocharger rack position. Operable ranges of rack position are also set up for different back pressures.

1. Introduction

Nowadays, the exhaust back pressure of diesel engines has become increasingly high. As an example, the increasingly stringent emission standards have necessitated diesel engines to install denitrification (De-NOx) systems and desulfurization (De-SOx) systems, both of which would result in increased exhaust back pressure for diesel engines [1,2]. For passenger-carrying ships, the exhaust of the diesel engine commonly adopts a “wet exhaust” and underwater exhaust system [3,4]. However, the exhaust back pressure of diesel engines increases due to the hydrostatic pressure difference between the water position and the exhaust pipe exit. According to Wikipedia, the Beaufort wind force scale defines the wind speed and the corresponding wave height of the open sea [5]. For “fresh breeze” with 8~10.7 m/s wind speed, the Beaufort number is 5, with an average wave height of 2~3 m. For “gale, fresh gale” with 17.2~20.7 m/s wind speed, the Beaufort number is 8, with an average wave height of 5.5~7.5 m. For “storm, whole gale” with a wind speed of 24.5~28.4 m/s, the Beaufort number is 10, with an average wave height of 9~12.5 m.
For the marine diesel engine of vessels with underwater exhaust, the exhaust back pressure oscillates with instantaneous wave height. If the underwater exhaust is 0.5 m below sea level, the peak value of exhaust back gauge pressure would be about 25 kPa for a 2 m wave height and 65 kPa for a 6 m wave height. In our previous study, “Applicability of Reducing Valve Timing Overlap for Diesel Engines under High Exhaust Back Pressure” [6], which identifies a valve timing overlap of 12 °CA as the optimal setting for prioritizing brake output for a diesel engine with a fixed-geometry turbocharger, the brake output dwindles significantly under high exhaust back pressures. However, reducing the valve timing overlap can only partially resolve this problem. Specifically, with the optimal 12 °CA valve timing overlap, the brake output was 999.8 bkW under 0 kPa back pressure (gauge). But it declines significantly to, respectively, 500.6, 380.4, and 319.6 bkW under 25, 45, and 65 kPa back pressure (gauge). This has caused a serious problem with engine applicability. Developing an effective way to increase brake output is the critical topic for this study.
For the applications of diesel engines operating under fixed high exhaust back pressure, the solution may be to use another fixed-geometry turbocharger with better matching results. However, for the application of a marine diesel generator set of vessels with underwater exhaust, the high exhaust back pressure oscillates with instantaneous wave height. For the continuously varying exhaust back pressure, it is therefore the best solution to use a variable-geometry turbocharger to obtain better matching results for the varying high exhaust back pressure.
In this study, a variable-geometry turbocharger is adopted, and the 12 °CA valve timing overlap is now treated as the foundational set-up for engine simulation (using GT-Power SW).
The primary function of a turbocharger is to effectively recover energy from the exhaust emitted by a diesel engine, thereby maximizing the intake airflow and boost pressure. However, under high exhaust back pressure, the energy recovery of a fixed-geometry turbocharger is significantly reduced. This issue can be addressed by a variable-geometry turbocharger by incorporating guide vanes or sliding nozzles on the exhaust side of the diesel engine. By altering the nozzle area size to control the exhaust flow passing through the turbocharger, better energy recovery can be achieved [7]. Thus, a variable-geometry turbocharger can be employed on diesel engines operating over a wide speed range. With a variable geometry turbocharger, the airflow passages can be adjusted in accordance with the exhaust flow, preventing excess exhaust pressure when the diesel engine runs at a high speed. The diesel engine analyzed in this study operates at a fixed speed (typically used in diesel generators), and under different exhaust back pressures. The pressure ratio and the amount of exhaust on the exhaust side of the turbocharger decrease. Therefore, the use of a variable-geometry turbocharger is proposed as a solution. By adjusting the nozzle area size of the variable-geometry turbocharger to increase its kinetic energy, the energy recovery can be improved, subsequently increasing the intake airflow and boosting pressure (which increases output on the compressor side), and improving the matching between the compressor and the turbine, ultimately increasing the brake output of a diesel engine.

1.1. Scope and Objectives

When operating under elevated exhaust back pressures, the maximum brake output of diesel engines with a fixed-geometry turbocharger (FGT) dwindles significantly, accompanying reduced volumetric efficiency and increased fuel consumption. This would cause a serious problem in engine applicability. Observing the output data of a diesel engine equipped with a fixed-geometry turbocharger, the most serious problem is that the turbine pressure ratio is too low when the engine is operating under elevated exhaust back pressure. The little turbine work developed due to the low pressure ratio can only drive the accompanying compressor with a low pressure ratio, thus resulting in a low intake air flow rate, low turbocharger speed, and, most importantly, poor engine performance.
The scope and objective of this study is to propose a solution for the poor performance of diesel engines operating under elevated exhaust back pressure, especially for vessels with underwater exhaust, aiming at an objective of effectively resolve this problem. By adopting a variable geometry turbocharger (VGT) operating with a decreased nozzle area, the turbine pressure ratio may be retained at a reasonable value when the engine is operating under high exhaust back pressure. With the retained turbine pressure ratio, more work is transmitted through the turbocharger shaft to drive the compressor; thus, a reasonable compressor ratio and intake mass flow rate will be developed. Via engine simulation for a turbocharged diesel engine, exhaust back pressures of 25 kPa, 45 kPa, and 65 kPa gauge are studied, while the rack position is varied for different back pressures.

1.2. Literature Review

The VGT technology was initially used to improve low-speed torque and reduce turbo lag, focusing on the performance of diesel engines in low-speed, steady-state conditions for both load and transient response, as demonstrated in the research by McCutcheon et al. [8], Hashimoto et al. [9], Watson et al. [10], Wallace et al. [11], Pilley et al. [12], and Watson et al. [13]. There is also a focus on investigating control methods, such as in Brace et al. [14], who considered the impact of VGT controller design in dynamic analysis. Their conclusion shows significant advantages in transient response. However, due to VGT’s increased production costs and the continuous improvement of FGT, the advantages of using VGT have become less significant, resulting in limited VGT adoption.
In addition, Stefanopoulou, A.G. [15] conducted research on diesel engines incorporating EGR and VGT control systems. When the EGR valve is closed, the VGT vanes reduce the opening area into the turbine, leading to an increase in exhaust manifold pressure. This results in increased turbine waste energy recovery, which is then transferred to the compressor, allowing the compressor to increase the airflow into the intake manifold. Conversely, increasing the opening area of the VGT vanes produces the opposite effect. Additionally, when the EGR valve is opened, exhaust gases can be redirected back into the intake manifold. The recirculated exhaust gases in the cylinders can act as inert gases, thereby reducing combustion temperature and reducing the formation of NO.
For coordinated control of VGT–EGR in diesel engines, Wahlström et al. [16] proposed a PID structure that controls the air–fuel ratio λ and the intake manifold EGR-fraction xEGR. Control goals in their study are to fulfill the legislated emission levels and ensure safe operations of the diesel engine. VGT–EGR control systems require high precision and strong stability to resist external disturbance. Han Jingqing [17] proposed the Active Disturbance Rejection Control (ADRC) method, which inherits the advantages of PID and maintains the stability that accurate modeling offers. Additionally, Zhang, Pingyue et al. [18] proposed a nonlinear active disturbance rejection control (NLADRC) strategy to achieve precise control in a diesel engine. The research team compared the NLADRC controller with PID controllers and LADRC controllers, finding that the NLADRC controller can rapidly track signals without overshoot and is resistant to external disturbances from square wave signal and sine wave signal control.
Wahlstrom [19] developed three functions for controlling the EGR–VGT system. The first function optimizes engine efficiency by minimizing pumping work to the maximum extent. The second function investigates a nonlinear compensator with a PI controller. The third function explores nonlinear control design to address nonlinear effects. Also, the thesis proposed using the oxygen/fuel ratio instead of the traditional air/fuel ratio because the oxygen contents are crucial for smoke generation, thus using the cylinder oxygen mass instead of cylinder air mass flow.
According to the research of Tang, H [20], turbochargers face shortcomings in low-end torque and transient torque response. While the VGT is a proven measure for diesel engines, quantitative understanding is still required to optimize the use of VGT on gasoline engines. The author’s experiments demonstrated that the replacing of FGT with VGT has resulted in a 17.7% increase in maximum torque and approximately 4% fuel consumption reduction. This improvement mainly stems from the reduction in pumping work and extended knock-limited spark timing. Based on simulations, replacing FGT with VGT could increase the response time of the turbocharger by up to 4 s (73.4%). Therefore, the choice of VGT size depends on the trade-off between steady-state performance and transient performance.
Byungchan Lee’s doctoral dissertation [21] focuses on the application of variable geometry turbochargers in diesel engines to overcome turbo lag. The dominant VGT technology is the Variable Nozzle Turbine (VNT), which is a system that uses pivoting vanes to change the speed and angle of the exhaust gas as it enters the turbine rotor. As a result of using the VGT, the exhaust energy absorbing capabilities of the turbine are increased substantially, especially during transient operations. They also developed a dual-stage turbocharging system that incorporates the VGT, in the configuration of placing two turbocharger in series. The system uses the fixed-geometry turbine (FGT) on the low-pressure turbocharger and a variable-geometry turbine (VGT) on the high-pressure turbocharger.
Feneleya, A.J. [22] investigated the current and near-term applications of variable-geometry systems in turbocharger compressors and turbines. VGTs cost more to manufacture than FGTs, yet they offer improvements on various performance aspects, including fuel efficiency, transient response, emissions, and torque characteristics. The two key technologies of VGT, sliding and pivoting vane systems, are both suitable for working with EGR systems. Electrical and hydraulic variants are becoming more and more common for VGT equipment as they provide better control precision compared to pneumatic actuator drive. As a result, VGT systems will continue to play a significant role in future applications of energy recovery and power boosting for internal combustion engines.
Cieslar, D. [23] studied the transient response of turbocharged engines, investigating from the perspective of engine control how to reduce CO2 emissions from today’s passenger cars. System dynamics is one of the important topics in the field of control engineering, thus the author employed advanced engine simulation and control tools to improve the transient response of high-turbocharged engines, simulating the injection of compressed gas into the exhaust manifold, which proved an effective method to reduce turbo-lag; the author also experimentally verified the method on the engine test stand. The primary function of a turbocharger is to effectively recover energy from exhaust emitted by a diesel engine, thereby maximizing the intake airflow and boost pressure. By altering the nozzle area size by incorporating guide vanes or sliding nozzles to control exhaust flow passing through turbocharger, better energy recovery can be achieved [7].
It is well-recognized for gas turbine engines that there exists a limitation of maximum allowable turbine inlet temperature, according to the material of the turbine blades. As for the turbine of a turbocharger, the turbine wheel sustains a continuous, high-velocity jet of high-temperature gases. Furthermore, the rotor of a turbocharger often operates at 100,000 rpm. Extremely high tensile loads, bending loads, and vibration are imposed on the turbine wheel under high-temperature environments.
Chung J. et al. have bench-tested an automotive wastegate turbocharger (WGT) with a 600 °C turbine inlet temperature and compared the results at the same temperature by turbocharger maker [24].
Chung J. et al. have also bench-tested a variable-geometry turbocharger (VGT) with a 600 °C turbine inlet temperature. The results of the VGT bench-test were compared with the vehicle test on a chassis dynamometer with a 200~800 °C turbine inlet temperature [24]. Most current production turbochargers use nickel-based material of Inconel for the turbine wheel [25,26]. A turbine wheel using Inconel 713LC can endure continuous operation at 950 °C [26]. Koji Matsumoto et al. of Mitsubishi Heavy Industries, Ltd. (Tokyo, Japan). used another similar superalloy material, MarM, to offer greater strength to the turbine wheel for the turbocharger (with a wastegate) of automotive gasoline engines. It is claimed to be capable of operating at 1050 °C, the world’s highest level (in 2008) of exhaust gas temperature (EGT) [25]. Honeywell Turbo Technology (Garrett, Saitama, Japan) supplied TR30R turbochargers of fixed geometry with a wastegate to the engine of racing vehicles. The turbine wheels in these turbochargers must operate continuously under exhaust gas temperatures (EGT) up to 1050 °C. The material used for the turbine wheel is superalloy Mar-M-247, a material originally developed for gas turbine blades, discs, and burner cans [26]. As for variable-geometry turbochargers (VGT), the current VGT implementations are limited to a continuous EGT of 950 °C, with an occasional spike to 980 °C [26]. However, current efforts are focused on the development of VGT systems capable of operating successfully at 1050 °C.
As for turbocharger compressors, with a pressure ratio of 4.0 and a compressor efficiency of 80%, the discharge temperature of a compressor can exceed 205 °C. The blades of the compressor wheel are subjected to high bending loads at high pressure ratios. On the other hand, the compressor rotor often operates at 100,000 rpm [26], which would exert very-high centrifugal load on the compressor wheel. Currently, the most popular material for production compressors is cast aluminum alloy 354-T61, due to its superior properties at 205 °C exceeding any of the wrought alloys [26]. For applications of turbochargers on CI engines with 30~40% EGR (exhaust gas recirculation), the compressor inlet temperature increases by mixing ambient air with EGR. This poses an increased challenge to the tensile and fatigue strength of even the best aluminum alloys. This has caused the development of titanium as the material of the compressor wheel, which provides stiffer blades, higher strength at elevated temperatures, and greater fatigue resistance [26].

1.3. Research Methods

The simulation tool used in this study is a GT-Power engine simulation software (GT-SUITE versions v2021), which is a submodule of the GT-Suite software (GT-SUITE versions v2021) [27,28]. The CAT C32 diesel engine, a 12-cylinder, twin-turbocharger diesel engine, is selected as the research platform. In our previous study, “Applicability of Reducing Valve Timing Overlap for Diesel Engines under High Exhaust Back Pressure” [6], an engine model has been established based on the CAT C32 engine design parameters [29,30,31]. The simulation results for the engine model under 0 kPa (gauge) back pressure have been validated with the factory acceptance test (FAT) results, with the results for brake power under 50%, 75%, 100%, and 110% load operations to be accurate within an error range of 1% [6]. Carrying on with our previous study, the already validated engine model is used in this study.
To set up the VGT rack positions, seven different rack positions, 0.1, 0.2, 0.3, 0.4, 0.6, 0.8, and 1.0, are configured. Then, the corresponding turbine performance maps served as the basis for our understanding of the VGT performance, as presented in Section 3.3. For each exhaust back pressure condition studied in this research, simulations were conducted starting from a rack position of 1.0, then gradually reduced with intervals of 0.02, until reaching 0.5. This resulted in a total of 26 simulation cases with rack position variations, ranging from 1.0 to 0.5 in steps of 0.02.
Consider the marine diesel engines of vessels with an underwater exhaust 0.5 m below sea level. The exhaust back gauge pressure is, respectively, about 25 kPa, 45 kPa and 65 kPa for 2 m, 4 m and 6 m wave height.
Three high exhaust back pressure conditions were studied, namely 25, 45, and 65 kPa gauge, while the results for the 0 kPa gauge back pressure condition were used for comparison purposes. The results for full-load characteristics under the conditions of VGT 26 rack positions and four exhaust back pressure conditions were analyzed.

1.4. Achievements

  • The results for the engine parameters, including brake output, brake-specific fuel consumption (BSFC), turbocharger speed, pressure ratios and efficiencies of compressor and turbine, compressor outlet temperature, and intake air flow rate were studied. The results indicate that the brake output and BSFC were effectively improved under full-load operation with adequate VGT rack position. The compressor outlet temperature was set at 186 °C, and the results for brake output and BSFC under high back pressures are compared with the 0 kPa back pressure condition. The brake output for a VGT decreases only by, respectively, 1.09%, 2.12%, and 3.61% under 25 kPa, 45 kPa, and 65 kPa conditions. The BSFC for a VGT increases only by, respectively, 1.13%, 2.17%, and 3.79%, under 25 kPa, 45 kPa, and 65 kPa conditions;
  • Turbocharger speed and compressor outlet temperature are two important parameters affecting engine performance. Aiming at higher brake output without the risk of turbocharger failure, operable range of VGT rack position has been set up for different back pressures. VGT rack position ranges from 0.92 to 0.84 under the 25 kPa condition, 0.86 to 0.748 under the 45 kPa condition, and 0.81 to 0.649 under the 65 kPa condition. Within the operable range of VGT rack position, the variations of brake output and BSFC are very small. To avoid operating the compressor wheel in harsh environments, the middle point of operable range is suggested;
  • In order to achieve optimal engine performance, both turbocharger speed and compressor outlet temperature can be used as the parameters for the control of VGT rack position. Examining the relations between brake output turbocharger speed and compressor outlet temperature using figures can inform the establishment of the control algorithm.

2. Overview of Simulation

2.1. Caterpillar C32 Diesel Engine (CAT C32)

The CAT C32 diesel engine, manufactured by Caterpillar Inc., was selected as the research platform. It can be obtained in the following different types: main engine for marine propulsion, diesel-generator set (DE) propulsion, and generator engine. In this study, we used the diesel-generator set C32 engine. The engine speed was kept constant at 1800 rpm, and the engine was four-stroke, direct injected, turbocharged, and after-cooled. The engine configuration is V12, with two turbochargers placed in parallel. Each side of the six cylinders shares one turbocharger and one aftercooler. Table 1 lists the specifications of the C32 engine.
Based on the design data of the CAT C32 engine [29,30,31], an engine model using GT-Power software has been established [27,28]. The engine model was validated with the factory acceptance test (FAT) results for the CAT C32 diesel engine [6].
By using VGT variable rack positions ranging from 1.0 to 0.5 (0.02 interval difference, a total of 26 rack position variables), simulations are performed for four exhaust back-pressure conditions (0, 25, 45, and 65 kPa gauge). As such, the effects of reducing the valve timing overlap angle on the load characteristics and power output of the C32 diesel engine are studied.

2.2. Engine and Turbocharger Performance Parameters

Engine performance parameters [28,32]
Brake   mean   effective   pressure   B M E P = P b n R V d N
Brake - specific   fuel   consumption   B S F C = m ˙ f P b
P b : brake power
n R : 2 rev/cycle for four stroke cycle
V d : engine displacement volume
N: engine speed
m ˙ f : fuel mass flow rate
Balancing the energy between the compressor and turbine, the compressor input power is represented as the product of the output power of the turbine and the mechanical efficiency of the turbocharger ( η m ) [32].
W ˙ C = η m W ˙ T
The performance parameters, including mass flow parameter, speed parameter, pressure ratio and efficiency, for compressor and turbine are listed in Table 2.
m ˙ c o r r : compressor-corrected mass flow rate
m ˙ r e d u c e d : turbine reduced mass flow rate
N c o r r : compressor-corrected speed
N r e d u c e d : turbine reduced speed
N T C : turbocharger speed
m ˙ C : compressor mass flow rate
m ˙ T : turbine mass flow rate
T 01 : compressor stagnation temperature at inlet
T 03 : turbine stagnation temperature at inlet
T r e f : reference temperature
P 01 : stagnation pressure at compressor inlet
P 02 : stagnation pressure at compressor outlet
P 03 : stagnation pressure at turbine inlet
P 4 : static pressure at turbine outlet
P r e f : reference pressure
η C : compressor efficiency
η T : turbine efficiency
η m : turbocharger mechanical efficiency
W ˙ C : compressor input power
W ˙ T : turbine output power
A/F: air–fuel ratio

3. Simulation Method

3.1. Simulation Model

An engine simulation model was built on the GT-Power software according to the official specifications and technical data, to simulate the performance of the C32 engine at different operating conditions.
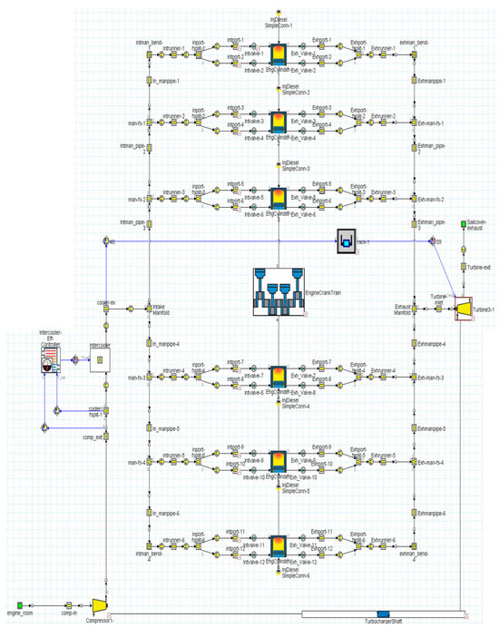
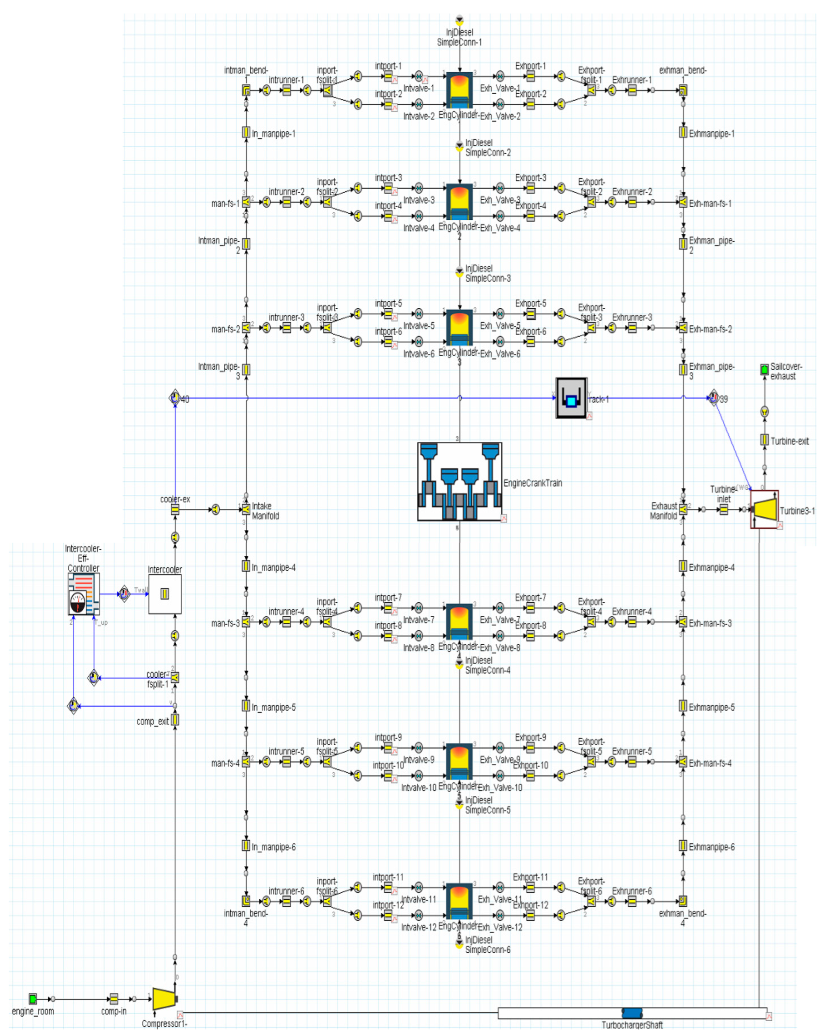
  • An engine simulation model was built using GT-Power software as shown in Figure 1;
  • Based on the V12 configuration of the C32 engine, two separate turbochargers, and two aftercoolers, and only one side of the six cylinders of the V-type engines were modeled for the simulation. Some of the simulation results (such as mass flow rates and brake output) were multiplied by two to obtain the V12 engine results;
  • The design parameters, such as (but not limited to) engine bore, stroke, compression ratio, valve size, valve lash, and the sizes of intake and exhaust manifolds, were used in the model according to the engine specifications and all possible sources, such as maintenance and service guides;
  • The engine speed was set constant at 1800 rpm for the diesel generator set. The air–fuel ratio is estimated according to the technical data of dry intake air mass and wet exhaust mass obtained from the manufacture’s FAT results for 100% load;
  • The performance maps of the compressor and turbine were established from the mass flow rates and pressure ratios of the compressor at different load settings and were estimated based on the technical data obtained from the manufacture’s FAT results for the C32 engine;
  • The intake boundary conditions were set at 1 atm (or 101.3 kPa) and 25 °C of dry air. Additionally, the exhaust boundary condition was set at 0, 25, 45, and 65 kPa gauge of exhaust back pressure.
In our previous study, “Applicability of Reducing Valve Timing Overlap for Diesel Engines under High Exhaust Back Pressure” [6], the prioritizing setting of valve timing overlap for brake output under high exhaust back pressures was found to be a 12 °CA overlap. Based upon the previous research, the 12 °CA valve timing overlap set-up is used throughout this study. The valve timing setting of this study is as follows: IVO (intake valve open) 5.5 °CA bTDC, IVC (intake valve close) 46 °CA aBDC, EVO (exhaust valve open) 45 °CA bBDC, and EVC (exhaust valve close) 6.5 °CA aTDC.
Although turbocharger cooling is very important to the engine performance, considering the exhaust back pressure varying with instantaneous wave height, and the complexity of the wave period, the heat transfer of the turbocharger is not incorporated in this study.

3.2. VGT Variable Rack Position

Figure 2 shows the configuration of a variable-geometry turbocharger (VGT). The VGT in our simulations was implemented solely on the turbine side. The different VGT rack positions represent different opening areas of turbine nozzle vanes. In the software, the VGT turbine performance parameters are set up into seven different rack positions: 0.1, 0.2, 0.3, 0.4, 0.6, 0.8, and 1.0. The VGT rack position of 1.0 indicates that the rotating nozzle vanes fully open to attain maximum flow area, equivalent to an FGT. Conversely, a VGT rack position of 0.1 indicates that the nozzle vanes close to the smallest opening to allow minimum flow.

3.3. Turbine Map Parameters under Different VGT Rack Positions

The VGT rack positions are set up into seven different rack positions: 0.1, 0.2, 0.3, 0.4, 0.6, 0.8, and 1.0.
Since different VGT rack positions represent a different opening area of the nozzle vanes, the rack position 0.1 indicates the smallest opening area and the rack position 1.0 indicates the largest opening area.
Figure 3 shows the turbine map parameters for VGT rack position 1.0. The database for the turbine map includes five curves, each representing a constant turbine reduced speed line. Each data point on the curve provides the data of turbine map parameters, including reduced speed, pressure ratio, reduced flow rate, and turbine efficiency. For rack positions other than 1.0, the turbine map parameters are automatically set up with the GT-Power software to establish the turbine map corresponding to each respective rack position.
The turbine maps corresponding to different rack positions are basically the same except the ranges of turbine map parameters are different. Table 3 shows the comparisons of the maximum values of turbine map parameters among different rack positions. The ranges of maximum pressure ratio and reduced speed only show minor variations among different rack positions. However, the maximum reduced mass flow rate shows very large variations among different rack positions.

3.4. VGT Simulations

As mentioned earlier, the VGT is configured with seven different rack positions: 0.1, 0.2, 0.3, 0.4, 0.6, 0.8, and 1.0. The corresponding turbine performance maps then served as the basis for our understanding of the VGT performance, as will be presented in Section 4.1 and Section 4.2. The objective is to study the effects on engine performance and fuel consumption at full-load conditions under different VGT rack positions and different exhaust back pressures. The cases of VGT simulations are explained as follows:
  • One independent parameter in the simulation cases is the exhaust back pressure. Four exhaust back pressures, namely 0, 25, 45, and 65 kPa gauge, are studied;
  • The other independent parameter in the simulation cases is the VGT rack position. The simulating cases for the VGT rack position variations are explained below. Starting from a rack position of 1.0, the position is reduced in intervals of 0.02, until reaching 0.5. The rack position variations, namely 1.0, 0.98, 0.96, 0.94, …, 0.56, 0.54, 0.52, and 0.5, result in a total of 26 simulation cases. In addition, for the periods of unstable transition, additional rack position cases are simulated in order to observe performance changes. The additional rack positions are listed below:
  • For the 25 kPa condition, 11 additional rack position cases were simulated: 0.955, 0.95, 0.945, 0.944, 0.943, 0.942, 0.941, 0.9404, 0.9403, 0.9402, and 0.9401;
  • For the 45 kPa condition, 5 additional rack position cases were simulated: 0.875, 0.873, 0.871, 0.87, and 0.865;
  • For the 65 kPa condition, 7 additional rack position cases were simulated: 0.815, 0.814, 0.813, 0.812, 0.811, 0.81, and 0.805.

4. Results and Discussion

4.1. Results for Operating Points under Different Exhaust Back Pressures at VGT Rack Position 1.0

Figure 4 shows the performance map for the compressor, with the horizontal and vertical axes representing the corrected mass flow rate and pressure ratio, respectively. The lines of different colors stand for contour lines of constant compressor efficiency, with efficiency values listed on the right of figure. The 10 curves with data points represent lines of constant corrected speed of the compressor, with values listed on the top of figure. As shown in the figure, the right-most curve is the contour line of constant corrected speed is 100,000 rpm. By the definition of corrected speed, N c o r r = N T r e f T 01 1 / 2 , since the reference temperature and compressor inlet temperature are the same in this study, this right-most curve at the colored boundary represents the contour line for 100,000-rpm turbocharger speed.
The figure also includes four operating points corresponding to exhaust back pressures of 0, 25, 45, and 65 kPa under 100% load (VGT rack position 1.0, non-VGT effect).
Figure 5 shows the performance map for the turbocharger turbine, where the horizontal axis represents the pressure ratio, and the vertical axis represents the reduced mass flow rate of the turbine. As shown, the color lines of different colors stand for contour lines of constant turbine efficiency, with efficiency values listed on the right of figure. The figure includes four operating points corresponding to exhaust back pressures of 0, 25, 45, and 65 kPa gauge conditions, all under 100% load (VGT rack position 1.0, non-VGT effect).
The pressure ratio on the turbine side of the turbocharger decreases dramatically with the increase in exhaust back pressure. Thus, under high back pressures, only a little turbine work is developed to drive the compressor. Therefore, a great decrease in the turbocharger speed is observed when operating under high exhaust back pressures. This, in turn, decreases the pressure ratio at the compressor side when the turbine output is transmitted to the coaxial compressor. Consequently, the required air-mass flow rate for the diesel engine decreases; thereby, the engine performance is significantly reduced.
Figure 6 shows the simulation results for a VGT rack position of 1.0 under different back pressures when the engine is operating under 100% load. A VGT with a rack position of 1.0 is identical to an FGT. When the exhaust back pressure increases from 0 kPa to 65 kPa gauge, the brake output decreases significantly, so does the turbocharger speed, turbine pressure ratio, and compressor pressure ratio. The BSFC increases with the increase in back pressure.

4.2. Results for Operating Points on Performance Maps at Different VGT Rack Positions

Under the exhaust back pressure of 0 kPa gauge condition, a total of 26 cases of VGT rack positions were simulated. The cases for the simulations start from the rack position 1.0 and then reduce each time by 0.02 until the final rack position of 0.5 is reached. Under the 0 kPa back pressure condition and full-load operation, the operating points for all 26 rack positions obtained from simulation results are drawn on the compressor performance map (Figure 7) and on the turbine performance map (Figure 8).
In Figure 7, the operating line shows that the corrected mass flow rate is proportional to the compressor pressure ratio. In this study, the reference pressure and compressor inlet pressure are both 1 atm, and the reference temperature and compressor inlet temperature are both 25 °C. Based on the definition m ˙ c o r r = m ˙ C T 01 T r e f 1 / 2 P r e f P 01 , the compressor mass flow rate equals the corrected mass flow rate (as read from the horizontal axis). Since there are two turbochargers for the V12 engine, the intake air mass flow rate is twice that of the compressor mass flow rate. From Figure 6a, one may conclude that intake air mass flow rate is proportional to compressor pressure ratio. By the definition of corrected speed, N c o r r = N T r e f T 01 1 / 2 , the turbocharger speed equals the corrected speed. The right-most colored boundary in the map represents the 100,000-rpm reduced speed contour line, which is also the 100,000-rpm turbocharger speed contour line.
Under the 0 kPa condition, the compressor pressure ratio is 2.99 at rack position 1.0 and 4.01 at rack position 0.86. When the VGT rack position decreases, three of the compressor parameters (corrected mass flow rate, pressure ratio, and corrected speed) increase, while compressor efficiency decreases. The turbocharger speed is 78,644 rpm at rack position 1.0 and 98,181 rpm at rack position 0.86. When the VGT rack position decreases further from 0.84 to 0.5, the simulation results show all operating points are lumped together at the 100,000-rpm contour line boundary. Actually, the computational results for the turbocharger speed were far beyond 100,000 rpm for rack positions 0.84 to 0.5. But the GT-Power software realized that the errors were caused by extrapolation from a database of performance map parameters, therefore all the operating points of rack positions 0.84 to 0.5 were automatically packed at the 100,000-rpm contour line boundary.
In Figure 8, the turbine pressure ratio is 2.49 at rack position 1.0, and it increases to 3.47 at rack position 0.86. As the VGT rack position decreases, the reduced mass flow rate of the turbine also decreases, while both turbine pressure ratio and turbine efficiency increase. This phenomenon occurs because the VGT rack position is set on the turbine side. As the VGT rack position decreases from 1.0 to 0.5, the opening area at the vane’s outlet decreases. The definition of reduced mass flow rate is m ˙ r e d u c e d = m ˙ T T 03 P 03 . As the rack position decreases under 0 kPa exhaust back pressure, the reduced mass flow rate increases, which is caused by the increase in mass flow rate and turbine inlet pressure.
Figure 9 shows the operating points on the compressor performance map under 25 kPa back pressure. The operating line shows the corrected mass flow rate is proportional to the compressor pressure ratio. Again, since the reference pressure and compressor inlet pressure are both 1 atm, and both the reference temperature and compressor inlet temperature are 25 °C, compressor mass flow rate equals the corrected mass flow rate (as read from the horizontal axis). The intake air mass flow rate is twice that of the compressor mass flow rate. This then leads to the result of the intake air mass flow rate being proportional to the compressor pressure ratio.
As seen in the figure, under the 25 kPa condition, the compressor pressure ratio is only 1.61 at rack position 1.0, and it is restored to 4.05 at rack position 0.74. As the VGT rack position decreases, both the corrected mass flow rate and pressure ratio increase. However, the compressor efficiency increases initially, then decreases with the decrease in the VGT rack position. These results suggest that the engine intake mass flow rate increases with the decrease in the VGT rack position. The turbocharger speed is 49,471 rpm at rack position 1.0 and 98,875 rpm at rack position 0.74. When the VGT rack position decreases further from 0.72 to 0.5, the simulation results show all operating points are lumped together at the 100,000-rpm contour line boundary. Actually, the computational results for turbocharger speed were far beyond 100,000 rpm for rack positions 0.72 to 0.5. But the GT-Power software amends the errors by packing all the operating points of rack positions 0.72 to 0.5 at the 100,000-rpm contour line boundary.
Figure 10 shows the operating points on the turbine performance map under the 25 kPa exhaust back pressure condition. The turbine pressure ratio is only 1.38 at rack position 1.0, and it increases to 3.10 at rack position 0.74.
As the VGT rack position decreases, the reduced mass flow rate increases until reaching a maximum and then decreases; this highest point is at a VGT rack position of 0.92, which corresponds to a relatively high brake output of 991.2 bkW. On the other hand, the turbine efficiency increases with the decrease in the VGT rack position. Under the exhaust back pressure of 45 kPa gauge condition, a total of 31 cases of VGT rack positions were simulated. Starting from the rack position 1.0 and then reducing each time by 0.02 until the final rack position 0.5. To observe the periods of unstable transition, five additional rack position cases were simulated. Specifically, these rack positions are as follows: 1.0, 0.98, 0.96, 0.94, 0.92, 0.9, 0.88, 0.875, 0.873, 0.871, 0.87, 0.865, 0.86, 0.84, 0.82, 0.8, 0.78, 0.76, 0.74, 0.72, 0.7, 0.68, 0.66, 0.64, 0.62, 0.6, 0.58, 0.56, 0.54, 0.52, and 0.5.
Figure 11 shows the operating points on the compressor performance map under 45 kPa back pressure. The operating line shows that the corrected mass flow rate is proportional to compressor pressure ratio. Again, the compressor mass flow rate equals the corrected mass flow rate (as read from the horizontal axis). The intake air mass flow rate is twice that of the compressor mass flow rate. It is then concluded that the intake air mass flow rate is proportional to the compressor pressure ratio. As the VGT rack position decreases, both the corrected mass flow rate and the pressure ratio increase. This suggests that the engine intake mass flow rate increases with the decrease in the VGT rack position. As for the compressor efficiency, it increases initially then decreases with the decrease in the VGT rack position. As seen in the figure, under the 45 kPa condition, the compressor pressure ratio is only 1.33 at rack position 1.0, and it is restored to 4.05 at rack position 0.64. The turbocharger speed is 38,271 rpm at rack position 1.0 and 98,568 rpm at rack position 0.64. When the VGT rack position decreases further from 0.62 to 0.5, the simulation results show all operating points are lumped together at the 100,000-rpm contour line boundary. Actually, the computational results for turbocharger speed were far beyond 100,000 rpm for rack positions 0.62 to 0.5. But the GT-Power software amends the errors by packing all the operating points of rack positions 0.62 to 0.5 at the 100,000-rpm contour line boundary.
Figure 12 shows the operating points on the turbine performance map under 45 kPa exhaust back pressure. The turbine pressure ratio is only 1.22 at rack position 1.0, and it increases to 2.92 at rack position 0.64. As the VGT rack position decreases, the reduced mass flow rate increases until reaching a maximum and then decreases; this highest point is at a VGT rack position of 0.86, which corresponds to a relatively high brake output of 977.8 bkW. On the other hand, the turbine efficiency keeps increasing with the decrease in the VGT rack position. Under the exhaust back pressure of 65 kPa gauge condition, a total of 33 cases of VGT rack positions were simulated. Starting from the rack position 1.0 and then reducing each time by 0.02 until the final rack position 0.5. To observe the periods of unstable transition, seven additional rack position cases were simulated. Specifically, these rack positions are as follows: 1.0, 0.98, 0.96, 0.94, 0.92, 0.9, 0.88, 0.86, 0.84, 0.82, 0.815, 0.814, 0.813, 0.812, 0.811, 0.81, 0.805, 0.8, 0.78, 0.76, 0.74, 0.72, 0.7, 0.68, 0.66, 0.64, 0.62, 0.6, 0.58, 0.56, 0.54, 0.52, and 0.5.
Figure 13 shows the operating points on the compressor performance map under 65 kPa back pressure. The operating line shows that the corrected mass flow rate is proportional to the compressor pressure ratio. Again, the compressor mass flow rate equals the corrected mass flow rate (as read from the horizontal axis). The intake air mass flow rate is twice that of the compressor mass flow rate. As the VGT rack position decreases, both the corrected mass flow rate and the pressure ratio increase. Under the 65 kPa condition, the compressor pressure ratio is only 1.21 at rack position 1.0, and it is restored to 4.09 at rack position 0.50. The turbocharger speed is 31,464 rpm at rack position 1.0 and 99,053 rpm at rack position 0.50. The engine intake mass flow rate increases with the decrease in the VGT rack position. As for the compressor efficiency, it increases initially then decreases as the VGT rack position decreases.
Figure 14 shows the operating points on the turbine performance map under 65 kPa exhaust back pressure. The turbine pressure ratio is only 1.15 at rack position 1.0, and it increases to 2.94 at rack position 0.50. As the VGT rack position decreases, the reduced mass flow rate increases until reaching a maximum and then decreases; this highest point is at a VGT rack position of 0.805, which corresponds to a relatively high brake output of 966.8 bkW. On the other hand, both the pressure ratio and turbine efficiency keep increasing with the decrease in the VGT rack position.

4.3. Results for Turbocharger Speed and Intake Air Mass Flow Rate

Figure 15 shows the simulation results for turbocharger speed and intake air mass flow rate under different back pressures and VGT rack positions. In Figure 15a, turbocharger speed increases with the decrease in rack position. Under 0 kPa exhaust back pressure, the turbocharger speed is 78,644 rpm at rack position 1.0 and 98,181 rpm at rack position 0.86. Under 25 kPa exhaust back pressure, the turbocharger speed is only 49,471 rpm at rack position 1.0 but is restored to 60,480 rpm at rack position 0.95. During the reduction in rack position from 0.95 to 0.86, the turbocharger speed increases rapidly to 78,275 rpm. After that, turbocharger speed increases at a lower rate with the decrease in rack position. At rack position 0.74, the turbocharger speed is 98,875 rpm.
Under 45 kPa exhaust back pressure, the turbocharger speed is only 38,271 rpm at rack position 1.0 and 54,655 rpm at rack position 0.90. As rack position decreases further from 0.90 to 0.86, the turbocharger speed increases abruptly to 78,275 rpm. After that, turbocharger speed increases at a lower rate with the decrease in rack position. At rack position 0.64, the turbocharger speed is 98,568 rpm.
Under 65 kPa exhaust back pressure, the turbocharger speed is only 31,464 rpm at rack position 1.0, and it increases to 55,906 rpm at rack position 0.82. When rack position decreases further from 0.82 to 0.81, the turbocharger speed increases abruptly to 76,220 rpm. After that, turbocharger speed increases at a lower rate with the decrease in rack position. At rack position 0.50, the turbocharger speed is 99,053 rpm.
Figure 15b shows the results for intake air mass flow rate as the function of turbocharger speed under different back pressures. The intake mass flow rate increases monotonically with the increase in turbocharger speed. For different back pressures, all the data points fall into a single curve. This shows that the intake air mass flow rate is a linear function of turbocharger speed.

4.4. Results for Turbine Pressure Ratio and Compressor Pressure Ratio

Figure 16a shows the results for the turbine pressure ratio under different back pressures and VGT rack positions. Considering full-load operation of the diesel engine under 0 kPa exhaust back pressure, the turbine pressure ratio is 2.49 at rack position 1.0. When the rack position decreases from 1.0 to 0.86, the turbine pressure ratio has increased to 3.47. Under the 25 kPa condition, the turbine pressure ratio at rack position 1.0 is only 1.38, which is strongly influenced by high exhaust back pressure. When the rack position decreases to 0.94, the turbine pressure ratio increases to 1.75. Within the range of rack position from 0.94 decreasing to 0.92, the turbine pressure ratio increases abruptly to 2.20. When rack position continues to decrease, the rate of increase for the turbine pressure ratio becomes lower. At rack position 0.74, the turbine pressure ratio is 3.10.
Under the 45 kPa condition, the turbine pressure ratio at rack position 1.0 is even lower at 1.22, strongly affected by high exhaust back pressure. When rack position decreases to 0.88, the turbine pressure ratio increases to 1.56. Within the range of rack position from 0.88 decreasing to 0.86, the turbine pressure ratio increases abruptly to 2.00. When the rack position continues to decrease, the rate of increase for the turbine pressure ratio becomes steady. At rack position 0.64, the turbine pressure ratio is 2.92. Under the 65 kPa condition, the turbine pressure ratio at rack position 1.0 is even lower at 1.15, strongly affected by high exhaust back pressure. When the rack position decreases to 0.82, the turbine pressure ratio increases to 1.38. Within the range of rack positions from 0.82 decreasing to 0.80, the turbine pressure ratio increases abruptly to 1.89. When the rack position continues to decrease, the turbine pressure ratio increases steadily until reaching 2.94 at rack position 0.5. All the above results have proved that the turbine pressure ratio is appreciably improved with the VGT, especially under elevated exhaust back pressure conditions.
Figure 16b shows the results for the compressor pressure ratio under different back pressures and VGT rack positions. Considering full-load operation of the diesel engine under 0 kPa exhaust back pressure, the compressor pressure ratio is 2.99 at rack position 1.0. When the rack position decreases to 0.86, the compressor pressure ratio increases to 4.01.
Under the 25 kPa condition, the compressor pressure ratio at rack position 1.0 is only 1.61, which is strongly influenced by high exhaust back pressure. When the rack position decreases to 0.94, the compressor pressure ratio increases to 2.30. Within the range of rack positions from 0.94 to 0.92, the compressor pressure ratio increases abruptly to 3.05. When the rack position continues to decrease, the compressor pressure ratio keeps increasing steadily, until reaching a peak value of 4.05 at rack position 0.74. Under the 45 kPa condition, strongly affected by high exhaust back pressure, the compressor pressure ratio at rack position 1.0 is even lower at 1.33. When the rack position decreases to 0.90, the compressor pressure ratio increases to 1.77. Within the range of rack positions from 0.90 to 0.86, the compressor pressure ratio increases abruptly to 2.97. When the rack position continues to decrease, the compressor pressure ratio keeps increasing steadily until reaching a peak value of 4.05 at rack position 0.64. Under the 65 kPa condition, strongly affected by high exhaust back pressure, the compressor pressure ratio at rack position 1.0 is even lower at 1.21. When the rack position decreases to 0.82, the compressor pressure ratio increases to 1.82. Within the range of rack positions from 0.82 decreasing to 0.80, the compressor pressure ratio increases abruptly to 2.99. When the rack position continues to decrease, the compressor pressure ratio keeps increasing steadily, until a peak value of 4.09 at rack position 0.5. All the above results have proved that the compressor pressure ratio is greatly improved with the VGT, especially under elevated exhaust back pressure conditions.

4.5. Results for Compressor Efficiency and Turbine Efficiency

Figure 17a shows the full-load operation results for the turbine efficiency under different back pressures and VGT rack positions. Under 0 kPa exhaust back pressure, the turbine efficiency is 68.4% at rack position 1.0. The trend shows that turbine efficiency increases with the decrease in rack position. When rack position decreases to 0.86, the turbine efficiency has increased to 86.8%. Under 25 kPa exhaust back pressure, the turbine efficiency is 73.2% at rack position 1.0. When rack position decreases to 0.74, the turbine efficiency has increased to 95.0%.
Under 45 kPa exhaust back pressure, the turbine efficiency is 71.2% at rack position 1.0. When rack position decreases to 0.74, the turbine efficiency has increased to 95.2%. Turbine efficiency keeps increasing with the decrease in rack position, except within the rack position range 0.873 to 0.860. At rack position 0.64, the turbine efficiency has increased to 98.4%. Under 65 kPa exhaust back pressure, the turbine efficiency is 69.5% at rack position 1.0. When rack position decreases to 0.74, the turbine efficiency has increased to 95.2%. The turbine efficiency keeps increasing with the decrease in rack position, except when it hesitates within the rack position range 0.81 to 0.76. The turbine efficiency has increased to a peak value of 100% at rack position 0.60, and falls back to 97.8% at rack position 0.50.
Figure 17b shows the full-load operation results for compressor efficiency under different back pressures and VGT rack positions. Under 0 kPa exhaust back pressure, compressor efficiency is 78.4% at rack position 1.0. The trend shows that compressor efficiency decreases with the decrease in rack position. When rack position decreases to 0.86, the compressor efficiency has decreased to 68.9%.
Under 25 kPa back pressure, compressor efficiency is 77.9% at rack position 1.0. Within the rack position range 0.98 to 0.92, compressor efficiency is between 78.1% and 78.4%. When the rack position decreases to below 0.92, compressor efficiency starts to decrease until reaching the lowest value, 68.6%, at rack position 0.74.
Under 45 kPa exhaust back pressure, compressor efficiency is 75.2% at rack position 1.0. When rack position decreases to 0.90, compressor efficiency increases to 78.3%. Within the rack position range 0.90 to 0.84, compressor efficiency is between 78.2% and 78.4%. When the rack position decreases to below 0.84, compressor efficiency starts to decrease until reaching the lowest value, 68.9%, at rack position 0.64.
Under 65 kPa exhaust back pressure, compressor efficiency is 71.0% at rack position 1.0. When rack position decreases to 0.82, compressor efficiency increases to 78.2%. Within the rack position range 0.82 to 0.76, compressor efficiency is between 78.0% and 78.4%. When the rack position decreases to below 0.76, compressor efficiency starts to decrease until reaching the lowest value, 68.7%, at rack position 0.50.

4.6. Results for Brake Output and Brake-Specific Fuel Consumption

Figure 18a shows the results for brake output under full-load operation at different back pressures and VGT rack positions. Under 0 kPa exhaust back pressure, the brake output at VGT rack position 1.0 is 999.8 bkW. As the VGT decreases, the brake output increases slightly to 1019.2 bkW at rack position 0.90 and 1018.6 bkW at rack position 0.86.
Under 25 kPa exhaust back pressure, the brake output at VGT rack position 1.0 has already decreased to 499.8 bkW, which is only 50% of the 999.8 kbW under the 0 kPa case. Brake output increases as the VGT rack position decreases from 1.0, especially in the range of 0.95 to 0.92, where an abrupt increase is observed. At rack position 0.92, the brake output has increased to 991.2 bkW. From rack position 0.92 to 0.74, brake output stays at nearly the same level, with the maximum value 1006.6 bkW occurring at rack position 0.82, a 101% increase compared to the 499.8 bkW at rack position 1.0. Thus, it is evident that utilizing VGT to increase brake output is highly beneficial under high exhaust back pressure.
Under 45 kPa exhaust back pressure, the brake output at rack position 1.0 is only 380.0 bkW, which is only 38.0% of the 999.8 kbW for the 0 kPa case. When the VGT rack position decreases from 1.0, brake output increases, and an abrupt increase is observed in the rack position range of 0.90 to 0.86. At rack position 0.86, the brake output has increased to 977.8 bkW. From rack position 0.86 to 0.64, brake output stays at nearly the same level, with the maximum value 994.0 bkW occurring at rack position 0.78, representing a 261.6% increase compared to the 380.0 bkW at rack position 1.0. This shows that using a VGT is an effective means to increase brake output under elevated exhaust back pressure.
Under 65 kPa exhaust back pressure, the brake output at rack position 1.0 is only 319.4 bkW, which is only 31.9% of the 999.8 kbW of the 0 kPa case. However, as the VGT rack position decreases to 0.81, the brake output has increased in great magnitude to 940.8 bkW. Within the rack position range of 0.86 to 0.81, an abrupt increase in brake output is observed. The maximum brake output of 977.6 bkW occurs at rack position 0.68, representing a 306.0% increase compared to the 319.4 bkW at rack position 1.0. This again demonstrates the effectiveness in using VGT to increase brake output under elevated back pressure conditions.
Figure 18b shows the results for brake-specific fuel consumption (BSFC) under full-load operation at different back pressures and VGT rack positions. Under 0 kPa exhaust back pressure, the BSFC at rack position 1.0 is 205.9 g/bkWh. When the VGT rack position decreases to 0.9, the BSFC reaches its lowest value of 202.0 g/bkWh, 1.9% lower than the value at rack position 1.0 (205.9 g/bkWh). At rack position 0.86, the BSFC is 202.1 g/bkWh.
Under 25 kPa back pressure, the BSFC at rack position 1.0 is 230.0 g/bkWh. As the VGT rack position decreases from 1.0 to 0.74, the BSFC decreases rapidly and then slightly increases. The lowest BSFC value of 204.5 g/bkWh occurs at rack position 0.82, which is 11.1% lower than the initial value of 230.0 g/bkWh at rack position 1.0. Thus, it shows that using a VGT to improve BSFC is highly beneficial under high back pressure conditions.
Under 45 kPa back pressure, the BSFC at rack position 1.0 is 248.8 g/bkWh. As the VGT rack position decreases from 1.0 to 0.64, the BSFC decreases rapidly and then slightly increases. The BSFC reaches its lowest value of 207.1 g/bkWh at rack position 0.78, which is 16.8% lower than the initial value of 248.8 g/bkWh at rack position 1.0. Thus, it shows that using a VGT to reduce BSFC is highly beneficial under high back pressure conditions. It is observed that BSFC drops steeply in the range of rack positions decreasing from 0.90 to 0.86.
Under 65 kPa back pressure, the BSFC at rack position 1.0 is 266.5 g/bkWh. As the VGT rack position decreases from 1.0 to 0.5, the BSFC decreases rapidly and then slightly increases. The BSFC reaches its lowest value of 210.6 g/bkWh at rack position 0.68 and 0.70, which is 21.0% lower than the initial value of 266.5 g/bkWh at rack position 1.0. Thus, it shows that using a VGT to reduce BSFC is highly beneficial under high exhaust back pressure conditions. Once again, BSFC drops steeply in the range of rack positions from 0.86 decreasing to 0.81.

4.7. Results for Turbine Inlet Temperature and Compressor Outlet Temperature

Figure 19a shows the results for the turbine inlet temperature under different back pressures and VGT rack positions. Considering full-load operation of the diesel engine under 0 kPa exhaust back pressure, the turbine inlet temperature at rack position 1.0 is 566 °C. When the VGT rack position decreases, the turbine inlet temperature also decreases until it reaches 501 °C at rack position 0.86. However, under 25 kPa, 45 kPa, and 65 kPa back pressure conditions, the trends are completely different from that in the 0 kPa conditions.
Under 25 kPa back pressure, the turbine inlet temperature at rack position 1.0 is 547 °C. When the VGT rack position decreases from 1.0, turbine inlet temperature increases until it reaches the highest point of 567 °C at rack position 0.94. Subsequently, it decreases significantly until reaching its lowest point of 507 °C at rack position 0.74.
Under 45 kPa back pressure, the turbine inlet temperature at rack position 1.0 is 541 °C. When VGT rack position decreases from 1.0, the turbine inlet temperature increases. In the rack position range of 0.90 to 0.84, the curve for turbine inlet temperature appears to increase abruptly then decrease rapidly. The discontinuity of the curve occurs at rack position 0.87 with the peak value of 579 °C. Subsequently, it decreases significantly until reaching its lowest point of 513 °C at rack position 0.64.
Under 65 kPa back pressure, the turbine inlet temperature at rack position 1.0 is 540 °C. When VGT rack position decreases from 1.0, the turbine inlet temperature increases. When the rack position decreases from 0.82 to 0.81, turbine inlet temperature increases abruptly from 561 °C to the peak value of 583 °C. Subsequently, as the rack position decreases, the turbine inlet temperature decreases significantly to 521 °C at the rack position 0.5. The turbine wheel of the turbocharger sustains a continuous, high-velocity jet of high-temperature exhaust gases. Extremely high tensile loads, bending loads, and vibration are imposed on the turbine wheel under high-temperature environments. The current technology of VGT implementations is limited to a continuous EGT of 950 °C, with an occasional spike to 980 °C [26]. The maximum value for turbine inlet temperature is 583 °C, which occurs at rack position 0.81 under 65 kPa exhaust back pressure. This maximum turbine inlet temperature of 583 °C in this study is far below the current limitation.
Figure 19b shows the results for compressor outlet temperature under different back pressures and VGT rack positions. Considering full-load operation at rack position 0, the compressor pressure ratio is 2.99, 1.61,1.33, and 1.21, respectively, under exhaust pressures of 0 kPa, 25 kPa, 45 kPa, and 65 kPa. Therefore, the compressor outlet temperature at rack position 0 is 163 °C, 80 °C, 50 °C, and 48 °C, respectively, under exhaust pressures of 0 kPa, 25 kPa, 45 kPa, and 65 kPa. Under the 0 kPa condition, when rack position decreases from 1.0 to 0.86, the compressor pressure ratio increases from 2.99 to 4.01, while the compressor outlet temperature increases from 163 °C to 231 °C.
Under the 25 kPa condition, when the rack position decreases from 1.0 to 0.74, the compressor pressure ratio increases from 1.61 to 4.05, while the compressor outlet temperature increases from 80 °C to 234 °C.
Under 45 kPa back pressure, the compressor outlet temperature curve is divided into three sections: rack position 1.0 to 0.90, 0.90 to 0.86, and 0.86 to 0.64. It is observed that both the compressor pressure ratio and compressor outlet temperature increase abruptly for rack positions within the range from 0.90 to 0.86. When the rack position decreases from 1.0 to 0.90 and from 0.86 to 0.64, both the compressor pressure ratio and compressor outlet temperature increase at a slower rate. The compressor outlet temperatures at rack position 0.90, 0.86, and 0.64 are, respectively, 92 °C, 162 °C, and 233 °C.
Under 65 kPa back pressure, the compressor outlet temperature curve is also divided into three sections: rack position 1.0 to 0.82, 0.82 to 0.81, and 0.81 to 0.50. When the rack position decreases from 1.0 to 0.82 and from 0.81 to 0.50, both the compressor pressure ratio and compressor outlet temperature increase at a slower rate. When the rack position decreases from 0.82 to 0.81, both the compressor pressure ratio and compressor outlet temperature increase abruptly. The compressor outlet temperatures at rack position 0.82, 0.81, and 0.50 are, respectively, 96 °C, 156 °C, and 235 °C.

4.8. Optimal Operating Ranges for VGT Turbocharger under Different Exhaust Back Pressures

Figure 20a shows the relation between compressor outlet temperature and turbocharger speed under different back pressures and VGT rack positions. It is amazing to find out the four curves with respect to different exhaust back pressures overlap with each other and become a single curve. The compressor outlet temperature increases monotonically with the increase in turbocharger speed. For compressor outlet temperatures greater than 90 °C, or turbocharger speeds greater than 60,000 rpm, the compressor outlet temperature appears to be directly proportional to the turbocharger speed.
Figure 20b shows the relation of power output as a function of turbocharger speed under different back pressures and VGT rack positions. For turbocharger speeds less than 76,220 rpm, the power output continues to increase linearly with the increase in turbocharger speed. But for turbocharger speeds greater than 76,220 rpm, it appears that there are different types of variation in the power output. Under the 0 kPa condition, the power output increases slightly with the increase in turbocharger speed. Under 25 kPa and 45 kPa conditions, the power output shows little variation. Under the 65 kPa condition, the power output gradually decreases with the increase in turbocharger speed.
The blades of the compressor wheel are subjected to high bending loads at high pressure ratios. On the other hand, the 100,000-rpm compressor rotor speed would exert very high centrifugal load on the compressor wheel. Currently, the most popular material for production compressors is cast aluminum alloy 354-T61, due to its superior properties at 205 °C exceeding any of the wrought alloys. Development of titanium material would provide stiffer blades, higher strength at elevated temperatures, and greater fatigue resistance for the compressor wheel [26]. Let us consider using the most popular material, cast aluminum alloy 354-T61, for the compressor wheel and take 205 °C as the limitation of the compressor outlet temperature in this study. Examining again the data of compressor outlet temperature, some of the data have already exceeded the 205 °C limit. Using linear interpolation to a 205 °C compressor outlet temperature, the rack positions with a 205 °C compressor outlet temperature under 0 kPa, 25 kPa, 45 kPa, and 65 kPa would be, respectively, 0.918, 0.84, 0.748, and 0.649, respectively, under 0 kPa, 25 kPa, 45 kPa, and 65 kPa.
Consider that the maximum allowable compressor outlet temperature is 205 °C. The lowest rack position for the 205 °C limit is 0.918 for 0 kPa back pressure; 0.84 for 25 kPa back pressure; 0.748 for 45 kPa back pressure; and 0.649 for 65 kPa back pressure. Therefore, it is required to monitor compressor outlet temperature during VGT operations.
Figure 21a shows the relation between brake output and compressor outlet temperature under different back pressures. For compressor outlet temperatures lower than 163 °C, there seems to exist a linear relation for the three back pressure conditions (25 kPa, 45 kPa, and 65 kPa). The brake output appears to be proportional to compressor outlet temperature for temperatures less than 163 °C. For compressor outlet temperatures higher than 163 °C, the brake output keeps at a higher level but appears differently among the four curves.
Figure 21b shows the relationship between BSFC and compressor outlet temperature under different back pressures and VGT rack positions. For compressor outlet temperatures lower than 163 °C (25 kPa, 45 kPa, and 65 kPa conditions), BSFC decreases with the increase in compressor outlet temperature. For compressor outlet temperatures higher than 163 °C, BSFC keeps at a lower level but appears differently among the four curves.
As shown in Figure 19b, the compressor outlet temperature increases (due to higher compressor pressure ratios) with the decrease in rack position. But some of the data at very-low rack positions have already exceeded the 205 °C limit, which could cause failure and shorten the life of the compressor blade. It is observed in Figure 21a that, for compressor outlet temperatures less than 163 °C, brake output increases with compressor outlet temperature almost in a proportional way. However, for compressor outlet temperatures higher than 163 °C, the variation in brake output is small. Based on these results, operable ranges of VGT rack positions under different back pressures are set up, as shown in Table 4.
Under 0 kPa back pressure, the VGT rack position can be set between 1.0 and 0.918. The corresponding range of brake outputs is from 999.8 to 1018 bkW. The corresponding turbocharger speed ranges from 78,644 to 90,588 rpm. The compressor outlet temperature ranges from 163 °C to 205 °C. Under 25 kPa back pressure, the operable range of VGT rack positions is between 0.92 and 0.84. The corresponding range of brake outputs is from 991.2 to 1006 bkW. The corresponding turbocharger speed ranges from 79,577 to 90,533 rpm. Compressor outlet temperature ranges from 166 °C to 205 °C. Under 45 kPa back pressure, the operable range of VGT rack positions is between 0.86 and 0.748. The corresponding range of brake outputs is from 977.8 to 993.0 bkW. The corresponding turbocharger speed ranges from 78,275 to 90,610 rpm. Compressor outlet temperature ranges from 162 °C to 205 °C. Under 65 kPa back pressure, the operable range of VGT rack positions is between 0.81 and 0.649. The corresponding range of brake output is from 968.4 to 976.5 bkW. The corresponding turbocharger speed ranges from 78,507 to 90,452 rpm. Compressor outlet temperature ranges from 163 °C to 205 °C. It is observed that operating at the higher end of the operable range would lead to higher compressor outlet temperatures and higher turbocharger speed. Although little benefit is obtained for brake output and BSFC, the compressor is bound to operate in a harsh environment, which would shorten the life of the turbocharger. Therefore, it is suggested to operate at somewhere in the middle of the operable range.
The pressures at the inlet boundary and compressor inlet are both 101.3 kPa. The pressure at the exhaust boundary is the back pressure: 0, 25, 45, and 65 kPa gauge. Due to the very short length of the exhaust pipe, the turbine exit pressure should be nearly the same as the exhaust boundary pressure.

4.9. Summaries and Discussion

  • VGTs as a solution for poor performance of diesel engines operating under high exhaust pressure
Comparing of the results when operating under different VGT rack positions but at the same back pressure condition the following results have been obtained:
Compared to an FGT or rack position 1.0, by operating at a lower VGT rack position, the turbine pressure ratio increases, so that higher turbine work may be developed. As the work is transmitted to the compressor, a higher compressor pressure ratio and turbocharger speed are obtained, and the intake air flow rate increases. Although turbine efficiency increases with the decrease in rack position, compressor efficiency increases initially (in the cases of the 45 and 65 kPa conditions) and then decreases. It can be observed in Figure 15a, Figure 16a,b, Figure 18a, and Figure 19b that there are rapid increases in turbocharger speed, compressor and turbine pressure ratios, brake output, and compressor outlet temperature when the rack position is decreasing during the following ranges: 0.95 to 0.92 in the 25 kPa condition, 0.88 to 0.86 in the 45 kPa condition, and 0.82 to 0.81 in the 65 kPa condition. These phenomena may be attributed to the changes in turbine efficiency and compressor efficiency (Figure 17a,b).
For the 25 kPa condition, turbine efficiency increases while compressor efficiency stays nearly constant as rack position changes from 0.95 to 0.92. For the 65 kPa condition, turbine efficiency increases while compressor efficiency decreases as the rack position changes from 0.82 to 0.81. The combined effect causes the developed turbine work to be in excess of the required compressor work. This leads to the acceleration of the turbocharger shaft. With a higher turbocharger speed, all the following parameters increase rapidly, including compressor and turbine pressure ratios, turbocharger speed, intake air mass flow rate, brake output, and compressor outlet temperature.
The primary function of a turbocharger is to effectively recover energy from exhaust emitted by a diesel engine, thereby maximizing the intake airflow and boost pressure. However, under high exhaust back pressure, the energy recovery of a fixed-geometry turbocharger (FGT) is significantly reduced. A diesel engine with an FGT has suffered from the problem of poor performance when operating under high exhaust pressures.
Recalling Figure 6, which displays the results for a VGT rack position of 1.0 (identical to an FGT), as the exhaust back pressure increases from 0 kPa to 65 kPa gauge, the brake output decreases significantly, as does the turbocharger speed, turbine pressure ratio, and compressor pressure ratio. The brake output under the 0, 25, 45, and 65 kPa conditions is, respectively, 999.8, 499.8, 380.0, and 319.4 bkW. Compared with the 0 kPa condition, the brake output decreases by, respectively, 50%, 62%, and 68%, under the 25, 45, and 65 kPa conditions. The BSFC under the 0, 25, 45, and 65 kPa conditions is, respectively, 205.9, 230.0, 248.8, and 266.5 g/bkWh. Again, compared with the 0 kPa condition, the BSFC increases by, respectively, 11.7%, 20.8%, and 29.4%, under the 25, 45, and 65 kPa conditions.
The issue of FGT poor performance under high back pressure can be addressed by the VGT by incorporating guide vanes or sliding nozzles on the exhaust side of the diesel engine; by altering the nozzle area size to control the exhaust flow passing through the turbocharger, better energy recovery can be achieved [24]. Via operation of a VGT with an adequate rack position, the decreased brake output under high back pressure can be almost recovered completely. Within the operable range of VGT rack positions displayed in Table 4, by setting the compressor outlet temperature to 186 °C, the results for brake output and BSFC are shown in Figure 22.
Since the compressor outlet temperature is set constant at 186 °C, the turbocharger speed is almost constant (85,469 to 85,375 rpm) among different back pressures. The brake output under the 0, 25, 45, and 65 kPa conditions is, respectively, 1013.4, 1002.4, 991.9, and 976.8 bkW. Compared with the 0 kPa condition, the brake output decreases only by, respectively, 1.09%, 2.12%, and 3.61% under the 25, 45, and 65 kPa conditions. The BSFC under the 0, 25, 45, and 65 kPa conditions is, respectively, 203.1, 205.4, 207.5, and 210.75 g/bkWh. Again, compared with the 0 kPa condition, the BSFC increases only by, respectively, 1.13%, 2.17%, and 3.79%, under the 25, 45, and 65 kPa conditions.
It is evident that, with adequate VGT rack control, the adoption of VGTs has been proven as an effective means for significant improvement of engine performance when the engine is operating under elevated exhaust back pressure.
  • Establishment of operable ranges of VGT rack positions
Turbocharger speed and compressor outlet temperature are two important parameters affecting engine performance. It can be easily understood that a low turbocharger speed would yield a low pressure ratio and outlet temperature for the compressor and would cause poor engine performance. But too high values for the turbocharger speed and compressor outlet temperature would cause failure and shorten the life of the compressor wheel. The blades of the compressor wheel are subjected to high bending loads at high pressure ratios. The high turbocharger speed would exert very-high centrifugal load on the compressor wheel. Based on the most popular material for production compressors, 205 °C has been chosen as the limitation for compressor outlet temperature in this study.
As depicted in Figure 20a, if the compressor outlet temperature is less than 163 °C, brake output increases proportionally to the compressor outlet temperature. But brake output only fluctuates when the compressor outlet temperature is higher than 164 °C. And, as seen in Figure 19b, at very-low rack positions, the compressor outlet temperature exceeds the 205 °C limit, which could cause failure and shorten the life of the compressor blade. Aiming at better brake output and avoiding the risk of turbocharger failure, the operable ranges for VGT rack positions are established as in Table 4. Brake output exhibits little variation within the operable range. To avoid the risk of failure of the compressor wheel, it is suggested to operate in the middle of the operable range.
  • Compressor outlet temperature and turbocharger speed as parameters for VGT rack control
Turbocharger speed and compressor outlet temperature are two important parameters affecting engine performance. In Figure 20a, the turbocharger speed seems to be proportional to the compressor outlet temperature when the turbocharger speed is greater than 60,000 rpm.
The relation between brake output and turbocharger speed is shown in Figure 21a, which is very similar to Figure 20b, which shows the relation between brake output and compressor outlet temperature. In order to achieve optimal engine performance, both the turbocharger speed and compressor outlet temperature can be used as the parameters for the control of the VGT rack position. Figure 21a,b can be used as the information to establish the control algorithm.

5. Conclusions and Future Work

5.1. Summary

This study shows through simulation results for a diesel engine operating under high exhaust back pressures that the brake output dwindles significantly. This has caused a serious problem with engine applicability. Using a VGT can easily resolve this problem. Aiming at better brake output and avoiding the risk of turbocharger failure, operable ranges for VGT rack positions are established. Both the turbocharger speed and compressor outlet temperature can be used as the parameters for the control of the VGT rack position, using the information from this study.
Using a variable geometry turbocharger, the brake output decreases only by 3.61%, and the BSFC increases only by 3.79%, under 65 kPa gauge exhaust back pressure.

5.2. Evaluation

Our simulation results indicate that using a VGT and reducing rack position improves brake output and lowers BSFC when the diesel engine operates with high exhaust back pressure. For marine vessels with underwater exhaust, the exhaust back pressure oscillates with the instantaneous wave height. With adequate control of the VGT rack position, the variable-geometry turbocharger may adjust itself to find a much better matching in the performance of the turbocharger, effectively improving the brake output and BSFC of a marine diesel generator set for these vessels when the high exhaust back pressure varies with wave height.
Therefore, it is the most feasible application of VGT in the marine diesel generator set of these vessels with underwater exhaust.

5.3. Future Work

In this research, we investigated whether VGT can bring the brake output back to its original levels as a diesel engine runs under high exhaust back pressure conditions. Future research may encompass an analysis of control methods or changes in transient response. Another prospective research focus that warrants attention is the impact of wave effects on the responsiveness and performance of VGTs. Underwater exhaust systems are susceptible to wave effects, which could cause dynamic fluctuations in exhaust back pressure with significant variations. Consequently, the dynamic changes in exhaust back pressure at the VGT outlet and the variation in exhaust gases at the VGT inlet after diesel engine combustion directly impact the responsiveness and performance of the VGT. Additionally, future research endeavors would entail the simulation of a diverse array of diesel engine models and VGT sizes to elicit even more granular diesel engine performance indicators. Given that distinct VGT sizes and rack positions yield disparate turbine maps, this could engender varied performance outcomes across different diesel engines.

Author Contributions

Conceptualization, C.-C.C.; Methodology, C.-C.C.; Writing—original draft, C.-C.C.; Writing—review & editing, Y.-L.J.; Supervision, Y.-L.J. and S.-C.Y. All authors have read and agreed to the published version of the manuscript.

Funding

The funding support for purchasing GT-power software was from a previous project with CSBC Corporation, Taiwan, ROC. But this is an independent research report and not related to the previous project.

Institutional Review Board Statement

Not applicable.

Informed Consent Statement

Not applicable.

Data Availability Statement

The original contributions presented in the study are included in the article, further inquiries can be directed to the corresponding author.

Acknowledgments

We acknowledged that the funding support for purchasing the GT-power software was from a previous project with CSBC Corporation, Taiwan, Republic of China. But this is an independent research report and not related to the previous project.

Conflicts of Interest

The authors declare no conflict of interest.

References

  1. Raj, R.; Singh, D.K.; Tirkey, J.V. Co-gasification of Low-grade coal with Madhuca longifolia (Mahua) biomass and dual-fuelled mode engine performance: Effect of biomass blend and engine operating condition. Energy Convers. Manag. 2022, 1, 116150. [Google Scholar] [CrossRef]
  2. Raj, R.; Singh, D.K.; Tirkey, J.V. Performance simulation and optimization of SI engine fueled with peach biomass-based producer gas and propane blend. Therm. Sci. Eng. Prog. 2023, 41, 101816. [Google Scholar] [CrossRef]
  3. Layout and Inspection of Engine Room Exhaust System, Marine Management, Ship Management Network. Available online: https://www.shipmg.com/html/234.html (accessed on 25 September 2017).
  4. Underwater Smoke Exhaust Device for High-Speed Ships. State Intellectual Property Office, People Republic of China; Utility Model Patent CN202657238U. 16 May 2012. Available online: https://patents.google.com/patent/CN202657238U/zh (accessed on 16 May 2012).
  5. Beaufort_Scale, Wikipedua. Available online: https://en.wikipedia.org/wiki/Beaufort_scale (accessed on 4 January 2024).
  6. Chen, C.-C.; Jeng, Y.-L.; Yen, S.-C. Applicability of Reducing Valve Timing Overlap for Diesel Engines under High Exhaust Back Pressure. J. Mar. Sci. Technol. 2024, 32, 5. Available online: https://jmstt.ntou.edu.tw/journal/vol32/iss1/5 (accessed on 18 March 2024). [CrossRef]
  7. Martinez-Botas, R.; Pesiridis, A. Overview of Boosting Options for Future Downsized Engines. Science China, 21 December 2010. [Google Scholar]
  8. McCutcheon, A.R.S.; Brown, M.W.G. Evaluation of a variable geometry turbocharger on a commercial diesel engine. In Proceedings of the IMechE Conference on Turbocharging and Turbochargers, C104/86, London, UK, 6–8 May 1986. [Google Scholar]
  9. Hashimoto, T.; Okada, K.; Oikawa, T. SUZU New 9.8 L Diesel Engine with Variable Geometry Turbocharger; SAE Paper 860460; SAE: Warrendale, PA, USA, 1986. [Google Scholar]
  10. Watson, N.; Banisoleiman, K. Performance of the highly rated diesel engine with a variable geometry turbocharger. In Proceedings of the IMechE Conference on Turbocharging and Turbochargers, C121/86, London, UK, 6–8 May 1986. [Google Scholar]
  11. Wallace, F.J.; Howard, D.; Roberts, E.W.; Anderson, U. Variable Geometry Turbocharging of a Large Truck Diesel Engine; SAE Paper 860452; SAE: Warrendale, PA, USA, 1986. [Google Scholar]
  12. Pilley, A.D.; Noble, A.D.; Beaumont, A.J.; Needham, J.R.; Porter, B.C. Optimization of Heavy-Duty Diesel Engine Transient Emissions by Advanced Control of a Variable Geometry Turbocharger; SAE Paper 890395; SAE: Warrendale, PA, USA, 1989. [Google Scholar]
  13. Watson, N.; Banisoleiman, K. A Variable Geometry Turbocharger Control System for High Output Diesel Engines; SAE Paper 880118; SAE: Warrendale, PA, USA, 1988. [Google Scholar]
  14. Brace, C.J.; Cox, A.; Hawley, J.G.; Vaughan, N.D.; Wallace, F.J.; Horrocks, R.W.; Bird, G.L. Transient Investigation of Two Variable Geometry Turbochargers for Passenger Vehicle Diesel Engines; SAE Paper 1999-01-1241; SAE: Warrendale, PA, USA, 1999. [Google Scholar]
  15. Stefanopoulou, A.G.; Kolmanovsky, I.; Freudenberg, J.S. Control of Variable Geometry turbocharged Diesel Engines for Reduced Emissions. IEEE Trans. Control Syst. Technol. 2000, 8, 733–745. [Google Scholar] [CrossRef]
  16. Wahlström, J.; Eriksson, L.; Nielsen, L.; Pettersson, M. PID controllers and their tuning for EGR and VGT control in diesel engines. In Preprints of the 16th IFAC World Congress, Prague, Czech Republic, 3–8 July 2005; Elsevier: Prague, Czech Republic, 2005. [Google Scholar]
  17. Han, J. From PID to active disturbance rejection control. IEEE Trans. Ind. Electron. 2009, 56, 900–906. [Google Scholar] [CrossRef]
  18. Zhang, P.; Zhang, J.; Li, Y.; Wu, Y. Nonlinear Active Disturbance Rejection Control of VGT-EGR System in Diesel Engines. Energies 2020, 13, 5331. [Google Scholar] [CrossRef]
  19. Wahlstrom, J. Control of EGR and VGT for Emission Control and Pumping Work Minimization in Diesel Engines. Ph.D. Thesis, Linköping University, Linköping, Sweden, 2006. [Google Scholar]
  20. Tang, H. Application of Variable Geometry Turbine on Gasoline Engines and the Optimization of Transient Behaviours. Ph.D. Thesis, University of Bath, Bath, UK, February 2016. [Google Scholar]
  21. Lee, B. Dual-Stage Boosting Systems: Modeling of Configurations, Matching and Boost Control Options. Ph.D. Thesis, Mechanical Engineering, The University of Michigan, Ann Arbor, MI, USA, 2009. [Google Scholar]
  22. Feneleya, A.J.; Pesiridisa, A.; Andwari, A.M. Variable Geometry Turbocharger Technologies for Exhaust Energy Recovery and Boosting—A Review. Renew. Sustain. Energy Rev. 2017, 71, 959–975. [Google Scholar] [CrossRef]
  23. Cieslar, D. Control for Transient Response of Turbocharged Engines. Ph.D. Thesis, Department of Engineering, University of Cambridge, Cambridge, UK, March 2013. [Google Scholar]
  24. Chung, J.; Lee, S.; Kim, N.; Lee, B.; Kim, D.; Choi, S.; Kim, G. Study on the Effect of Turbine Inlet Temperature and Backpressure Conditions on Reduced Turbine Flow Rate Performance Characteristics and Correction Method for Automotive Turbocharger. Energies 2019, 12, 3934. [Google Scholar] [CrossRef]
  25. Matsumoto, K.; Tojo, M.; Jinnai, Y.; Hayashi, N.; Ibaraki, S. Development of Compact and High-Performance Turbocharger for 1050 °C Exhaust Gas; Technical Review 45 No. 3; Mitsubishi Heavy Industries, Ltd.: Hong Kong, China, 2008. [Google Scholar]
  26. Turbochargers: How They Work, and Current Turbo Technology. by EPI Inc., Last Update: 15 Nov. 2021, a Modified Version of an Article by Jack Kane in Race Engine Technology Magazine, Nov. 2008, No. 034. Available online: http://www.epi-eng.com/piston_engine_technology/turbocharger_technology.htm (accessed on 14 October 2023).
  27. GT-POWER Engine Simulation Software, Industry Leading Engine Simulation Software. Available online: https://www.gtisoft.com/gt-power/ (accessed on 8 July 2023).
  28. User’s Manual, GT-POWER Engine Simulation Software, Engine Performance Analysis Modelling, Gamma Technologies LLC. Available online: https://www.gtisoft.com/download/general-download/#downloads (accessed on 14 October 2023).
  29. CAT C32 Marine Project Guide. 2015. Available online: https://emc.cat.com/pubdirect.ashx?media_string_id=LEBM0009-05.pdf (accessed on 14 October 2023).
  30. CAT C32 Diesel Electric Propulsion Tier 4. 2018. Available online: https://s7d2.scene7.com/is/content/Caterpillar/CM20210219-3fe4a-102d8 (accessed on 14 October 2023).
  31. C27 and C32 Generator Set Engine Specifications. Available online: https://www.scribd.com/document/228221290/C27-and-C32-Generator-Set-Engines-Troubleshooting-RENR9348-01-Jan-2007-CATERPILLAR (accessed on 14 October 2023).
  32. Heywood, J.B. Internal Combustion Engine Fundamentals; McGraw-Hill: New York, NY, USA, 1988. [Google Scholar]
Figure 1. GT-Power simulation model.
Figure 1. GT-Power simulation model.
Jmse 12 00938 g001
Figure 2. VGT system diagram.
Figure 2. VGT system diagram.
Jmse 12 00938 g002
Figure 3. Turbine map parameters for VGT rack position 1.0.
Figure 3. Turbine map parameters for VGT rack position 1.0.
Jmse 12 00938 g003
Figure 4. Operating points on compressor performance maps under different exhaust back pressures and 100% load. (12 °CA valve overlap, VGT rack position 1.0).
Figure 4. Operating points on compressor performance maps under different exhaust back pressures and 100% load. (12 °CA valve overlap, VGT rack position 1.0).
Jmse 12 00938 g004
Figure 5. Operating points on VGT turbine performance maps under different exhaust back pressures and 100% load. (12 °CA valve overlap, VGT rack position 1.0).
Figure 5. Operating points on VGT turbine performance maps under different exhaust back pressures and 100% load. (12 °CA valve overlap, VGT rack position 1.0).
Jmse 12 00938 g005
Figure 6. Simulation results at VGT rack position 1.0 under different back pressures. (a) Brake output, BSFC, and turbocharger speed. (b) Turbine pressure ratio and compressor pressure ratio.
Figure 6. Simulation results at VGT rack position 1.0 under different back pressures. (a) Brake output, BSFC, and turbocharger speed. (b) Turbine pressure ratio and compressor pressure ratio.
Jmse 12 00938 g006
Figure 7. Operating points on compressor performance maps under 0 kPa back pressure (rack position from 1.0 to 0.5).
Figure 7. Operating points on compressor performance maps under 0 kPa back pressure (rack position from 1.0 to 0.5).
Jmse 12 00938 g007
Figure 8. Operating points on VGT turbine performance maps under 0 kPa back pressure (rack position from 1.0 to 0.5).
Figure 8. Operating points on VGT turbine performance maps under 0 kPa back pressure (rack position from 1.0 to 0.5).
Jmse 12 00938 g008
Figure 9. Operating points on compressor performance maps under 25 kPa back pressure (rack position from 1.0 to 0.5).
Figure 9. Operating points on compressor performance maps under 25 kPa back pressure (rack position from 1.0 to 0.5).
Jmse 12 00938 g009
Figure 10. Operating points on VGT turbine performance maps under 25 kPa back pressure (rack position from 1.0 to 0.5).
Figure 10. Operating points on VGT turbine performance maps under 25 kPa back pressure (rack position from 1.0 to 0.5).
Jmse 12 00938 g010
Figure 11. Operating points on compressor performance maps under 45 kPa back pressure (rack position from 1.0 to 0.5).
Figure 11. Operating points on compressor performance maps under 45 kPa back pressure (rack position from 1.0 to 0.5).
Jmse 12 00938 g011
Figure 12. Operating points on turbine performance maps under 45 kPa back pressure (rack position from 1.0 to 0.5).
Figure 12. Operating points on turbine performance maps under 45 kPa back pressure (rack position from 1.0 to 0.5).
Jmse 12 00938 g012
Figure 13. Operating points on compressor performance maps under 65 kPa back pressure (rack position from 1.0 to 0.5).
Figure 13. Operating points on compressor performance maps under 65 kPa back pressure (rack position from 1.0 to 0.5).
Jmse 12 00938 g013
Figure 14. Operating points on turbine performance maps under 65 kPa back pressure (rack position from 1.0 to 0.5).
Figure 14. Operating points on turbine performance maps under 65 kPa back pressure (rack position from 1.0 to 0.5).
Jmse 12 00938 g014
Figure 15. Turbocharger speed and intake air mass flow rate under different back pressures and VGT rack positions. (a) Turbocharger speed (b) Intake mass flow rate.
Figure 15. Turbocharger speed and intake air mass flow rate under different back pressures and VGT rack positions. (a) Turbocharger speed (b) Intake mass flow rate.
Jmse 12 00938 g015
Figure 16. Turbine pressure ratio and compressor pressure ratio under different back pressures and VGT rack positions. (a) Turbine pressure ratio (b) Compressor pressure ratio.
Figure 16. Turbine pressure ratio and compressor pressure ratio under different back pressures and VGT rack positions. (a) Turbine pressure ratio (b) Compressor pressure ratio.
Jmse 12 00938 g016
Figure 17. Compressor efficiency and turbine efficiency under different back pressures and VGT rack positions. (a) Compressor efficiency (b) Turbine efficiency.
Figure 17. Compressor efficiency and turbine efficiency under different back pressures and VGT rack positions. (a) Compressor efficiency (b) Turbine efficiency.
Jmse 12 00938 g017
Figure 18. Brake output and BSFC under different back pressures and VGT rack positions. (a) Brake output (b) Brake specific fuel consumption.
Figure 18. Brake output and BSFC under different back pressures and VGT rack positions. (a) Brake output (b) Brake specific fuel consumption.
Jmse 12 00938 g018
Figure 19. Turbine inlet temperature and compressor outlet temperature under different back pressures and rack positions. (a) Turbine inlet temperature (b) Compressor outlet temperature.
Figure 19. Turbine inlet temperature and compressor outlet temperature under different back pressures and rack positions. (a) Turbine inlet temperature (b) Compressor outlet temperature.
Jmse 12 00938 g019
Figure 20. Compressor outlet temperature and brake output as functions of turbocharger speed under different back pressures. (a) Compressor outlet temperature vs. turbocharger speed (b) Brake output vs. turbocharger speed.
Figure 20. Compressor outlet temperature and brake output as functions of turbocharger speed under different back pressures. (a) Compressor outlet temperature vs. turbocharger speed (b) Brake output vs. turbocharger speed.
Jmse 12 00938 g020
Figure 21. Brake output and BSFC as functions of compressor outlet temperature under different back pressures. (a) Brake output (b) Brake specific fuel consumption.
Figure 21. Brake output and BSFC as functions of compressor outlet temperature under different back pressures. (a) Brake output (b) Brake specific fuel consumption.
Jmse 12 00938 g021
Figure 22. Simulation results under different back pressures; compressor outlet temperature 186 °C.
Figure 22. Simulation results under different back pressures; compressor outlet temperature 186 °C.
Jmse 12 00938 g022
Table 1. Specifications of C32 diesel engine [29,30,31].
Table 1. Specifications of C32 diesel engine [29,30,31].
Manufacturer and ModelCAT C32
ConfigurationV12, 4 stroke, direct injection diesel
Rated engine speed1800 rpm
Bore × stroke145 mm × 162 mm
Displacement32.1 L
AspirationTurbocharged after cooled aspiration
Engine power (bkW)994
Compression ratio15
Table 2. Turbocharger performance parameters [28,32].
Table 2. Turbocharger performance parameters [28,32].
Compressor ParametersTurbine Parameters
Mass flow m ˙ c o r r = m ˙ C T 01 T r e f 1 / 2 P r e f P 01 (4) m ˙ r e d u c e d = m ˙ T T 03 P 03 (5)
Speed N c o r r = N T C T r e f T 01 1 / 2 (6) N r e d u c e d = N T C T 03 (7)
Pressure ratio P 02 P 01 P 03 P 4
Efficiency η C η T
Table 3. Comparisons of maximum turbine map parameters among different rack positions.
Table 3. Comparisons of maximum turbine map parameters among different rack positions.
Rack PositionMax. Reduced Speed
rpm/K^0.5
Max. Pressure RatioMax. Reduced Flow Rate
(kg/s) × K^0.5/kPa
0.228463.100.037
0.428402.660.051
0.628672.500.064
0.828802.480.072
1.028692.600.082
Table 4. Operable ranges of VGT rack positions under different exhaust back pressures.
Table 4. Operable ranges of VGT rack positions under different exhaust back pressures.
Back Pressure
(kPa gauge)
VGT Rack PositionBrake Output
(bkW)
BSFC
(g/bkWh)
Comp Outlet Temp
(°C)
Turbocharger Speed
(rpm)
Compressor Pressure RatioA/F
01.0~0.918999.8~1018205.9~202.2163~20578,644~90,5882.99~3.67622.27~27.21
250.92~0.84991.2~1006207.7~204.7166~20579,577~90,5333.05~3.6822.82~27.03
450.86~0.748977.8~993.0210.5~207.3162~20578,275~90,6102.97~3.69222.21~26.98
650.81~0.649968.4~977.6212.6~210.9163~20578,507~90,4522.99~3.69121.86~26.90
Back Pressure
(kPa gauge)
VGT rack positionInlet boundary pressure (kPa)Compressor inlet pressure (kPa)Comp. outlet pressure (kPa)Turbine inlet pressure (kPa)Exhaust boundary pressure (kPa)
01.0~0.918101.3101.3300.4~369.0249.8~313.5101.3
250.92~0.84101.3101.3306.2~369.3276.7~335.5126.3
450.86~0.748101.3101.3298.3~370.3291.0~362.5146.3
650.81~0.649101.3101.3285.6~370.1300.5~394.9166.3
Disclaimer/Publisher’s Note: The statements, opinions and data contained in all publications are solely those of the individual author(s) and contributor(s) and not of MDPI and/or the editor(s). MDPI and/or the editor(s) disclaim responsibility for any injury to people or property resulting from any ideas, methods, instructions or products referred to in the content.

Share and Cite

MDPI and ACS Style

Chen, C.-C.; Jeng, Y.-L.; Yen, S.-C. Applicability of Variable-Geometry Turbocharger for Diesel Generators under High Exhaust Back Pressure. J. Mar. Sci. Eng. 2024, 12, 938. https://doi.org/10.3390/jmse12060938

AMA Style

Chen C-C, Jeng Y-L, Yen S-C. Applicability of Variable-Geometry Turbocharger for Diesel Generators under High Exhaust Back Pressure. Journal of Marine Science and Engineering. 2024; 12(6):938. https://doi.org/10.3390/jmse12060938

Chicago/Turabian Style

Chen, Chien-Cheng, Yuan-Liang Jeng, and Shun-Chang Yen. 2024. "Applicability of Variable-Geometry Turbocharger for Diesel Generators under High Exhaust Back Pressure" Journal of Marine Science and Engineering 12, no. 6: 938. https://doi.org/10.3390/jmse12060938

APA Style

Chen, C.-C., Jeng, Y.-L., & Yen, S.-C. (2024). Applicability of Variable-Geometry Turbocharger for Diesel Generators under High Exhaust Back Pressure. Journal of Marine Science and Engineering, 12(6), 938. https://doi.org/10.3390/jmse12060938

Note that from the first issue of 2016, this journal uses article numbers instead of page numbers. See further details here.

Article Metrics

Back to TopTop