Next Article in Journal
Numerical Investigation on Hydrodynamic Characteristics and Drag Influence of an Open-Frame Remotely Operated Underwater Vehicle
Previous Article in Journal
Enhanced Mixing Induced by Near-Inertial Waves Inferred by Glider Observation in the Northern South China Sea
 
 
Font Type:
Arial Georgia Verdana
Font Size:
Aa Aa Aa
Line Spacing:
Column Width:
Background:
Article

Full Operating Range Optimization Design Method of LLC Resonant Converter in Marine DC Power Supply System

1
College of Intelligent Systems Science and Engineering, Harbin Engineering University, Harbin 150001, China
2
School of Electrical and Information Engineering, Zhengzhou University, Zhengzhou 450001, China
3
State Key Laboratory of Intelligent Agricultural Power Equipment, Luoyang 471000, China
*
Author to whom correspondence should be addressed.
J. Mar. Sci. Eng. 2023, 11(11), 2142; https://doi.org/10.3390/jmse11112142
Submission received: 7 October 2023 / Revised: 31 October 2023 / Accepted: 7 November 2023 / Published: 9 November 2023
(This article belongs to the Topic Sustainable Energy Technology, 2nd Edition)

Abstract

:
The marine DC power supply system is the key to a ship’s power supply, which needs to convert the energy from storage batteries or distributed power generation units into stable DC voltage for electric propulsion or the ship’s electronics. The LLC resonant converter can be used as the key power conversion link in the marine DC power supply system due to its ability to realize electrical isolation in a high-power environment and soft switching within a wide load range. Aiming at the problem of sudden changes in voltage gain at a high switching frequency under light load conditions and the problem of insufficient voltage gain under heavy load conditions due to the parasitic parameters of power devices (mainly referring to the junction capacitor), this paper first proposes a full operating range performance optimization design method. By adding an auxiliary circuit that can be opened according to the operating conditions and a multi-objective particle swarm parameter optimization method that considers the converter loss and voltage gain under heavy load conditions, the performance of the LLC resonant converter can be improved in a full range of operating conditions. Finally, the effectiveness of the proposed method is verified by an experimental prototype and compared with the conventional methods and existing solutions to highlight the superiority of the proposed method in this paper.

1. Introduction

The marine DC power supply system in ships is categorized into high-power supplies and low-voltage auxiliary power supplies according to their functions [1]. Among them, the power supply of all-electric propulsion ships consists of a diesel engine and generator, which is a high-power power supply used to drive the propeller to provide power to the ship. The low-voltage auxiliary power supply is generally composed of battery packs and a DC/DC converter of small- and medium-power power supplies used for the cockpit and the centralized control room for a variety of low-voltage power supplies. In the design requirements of marine DC power supplies, the power quality requirements of the power supply increase as the accuracy and stability requirements of these electronic devices increase. Moreover, due to the very large temperature difference in the maritime environment, the requirements for converter efficiency and temperature rise are relatively high [2,3,4,5]. In general, compared with the inland power supply, the marine DC power supply has higher requirements for voltage regulation accuracy, conversion efficiency, power density, and other aspects. In order to meet the high-power density requirements of marine DC power supplies, it is feasible and effective to increase the switching frequency. With the extensive use of MOSFETs in power supply equipment, the operating frequency of the converter has been increased, and the requirements for power supplies have been further improved. The LLC resonant converter has received extensive attention and research from scholars all over the world because of its simple topology, ability to realize zero-voltage switching over a wide load range, and thus its high efficiency in power transfer [6,7,8].
When the switching frequency is higher or lower than the resonant frequency point, the LLC resonant converter will reduce or increase its voltage gain, so that the output voltage of the converter can be regulated by the variable frequency control technique. In order to obtain an accurate relationship between the voltage gain and switching frequency, scholars have proposed many modeling methods, such as the first harmonic approximation, extended description function, and generalized mean models [9,10,11]. However, these modeling methods often do not consider circuit parasitic parameters such as the junction capacitors of MOSFET and the diodes. These can lead to an insufficient accuracy when analyzing the problems that exist under different operating conditions. For example, in the marine DC power supply system, the energy storage battery will operate in light load or very light load conditions during the charging process. This will lead to the problem of the voltage gain rising instead of decreasing when the switching frequency of the LLC resonant converter is higher than the resonance frequency, thus affecting the voltage regulation and deteriorating the control performance. Ref. [12] develops an impedance model that posits this problem is due to the secondary diode junction capacitor and proposes an improved circuit topology to solve it, but it does not consider the effect of switching junction capacitors, so their analysis is not comprehensive enough. This approach is also used in [13] to analyze the light load performance, but also without considering the parasitic parameters of the switching device. Nowadays, most of LLC resonant converters use MOSFET, whose junction capacitor cannot be easily ignored. In order to solve the problem of the sudden change in voltage gain under light load conditions, [14,15,16] propose various modulation methods, but none of them consider the effect of the parasitic parameters of power devices. In the authors’ previous work, an impedance model considering the switching device’s junction capacitor and diode junction capacitor is established to analyze the causes of the sudden change in voltage, and then an improved circuit topology is proposed to solve the problem of the sudden change in voltage under light load conditions [17].
On the other hand, the marine DC power supply system operates under heavy load conditions when the ship is at full speed, which requires the converter to be able to stabilize the voltage output and at the same time minimize losses as much as possible. The parameters of the resonant tank of the LLC resonant converter directly affect the voltage gain and loss under heavy load conditions, so it is necessary to analyze and optimize them. The impedance model that takes into account the parasitic parameters of power devices is used in [18] to qualitatively analyze the effect of the resonant tank’s parameters on the voltage gain. However, it does not give quantitative results and focuses only on the dynamic performance affected by the voltage gain and not on the effect of the parameters’ design on losses. Since it is difficult to optimize the dynamic performance corresponding to the loss and voltage gain at the same time, a compromise is needed. With the development of artificial intelligence optimization technology in recent years, many scholars have combined AI with the parameter optimization of converters. Evolutionary algorithms such as bee swarm optimization, particle swarm optimization (PSO), and the genetic algorithm are often used in power supply optimization design [19,20,21]. They utilize large data populations and multiple iterative updates to find the global optimum. And among them, the particle swarm optimization algorithm is simple, practical, and widely used to find optimal solutions. In [22], a five-stage PSO-based design method is proposed to satisfy three constrained objectives simultaneously. In [23], the PSO algorithm is used to obtain the optimal operating point over the entire power range of a dual active bridge converter, which improves the system efficiency. In [24], the multi-objective optimization design method is also used for inductive power transfer systems to achieve a high-efficiency, high-power-density, and low-stray electric field. However, none of the above studies considered the parasitic parameters of the power devices in their objective function, and only a few of them simultaneously considered both the converter’s dynamic performance and loss as the objective function, which are key indicators of the marine DC power supply system.
Therefore, to improve the performance of the LLC resonant converter in the marine DC power supply system within the full operating range, this paper proposes a full-operating-range optimization design method, which first establishes an impedance model that takes into account the parasitic parameters of power devices on the primary and secondary sides of the transformer. For light load conditions, an auxiliary inductor in series with an auxiliary resistor branch is connected in parallel with the primary side of the transformer in the conventional topology for LLC resonant converter circuits. It solves the problem of the sudden change in voltage gain that occurs when the switching frequency is higher than the resonance frequency under light load conditions. For heavy load conditions, a multi-objective particle swarm parameter optimization algorithm is designed in the method to obtain the optimal resonant tank parameters with the converter loss and voltage gain as the optimization objectives. Then, in order to avoid the loss brought by the auxiliary circuit under heavy load conditions, this paper calculates the critical operating point of the sudden change in the voltage gain and designs a window-switching method to open or close the auxiliary circuit for the appropriate operating condition. Finally, an experimental prototype is designed and constructed, and the effectiveness of the proposed method is verified through experimental results and a comparison with existing research results.
The rest of the paper is organized as follows. Section 2 introduces and analyzes the performance of the impedance-model-based LLC resonant converter under different operating conditions and draws impedance bode plots to illustrate the aforementioned issues. Section 3 proposes a full-range operating performance optimization method and gives detailed design steps. Section 4 verifies the effectiveness of the proposed method by building an experimental prototype and compares it with the existing methods. Section 5 is the conclusion.

2. Performance Analysis of LLC Resonant Converter Based on Impedance Model under Different Operating Conditions

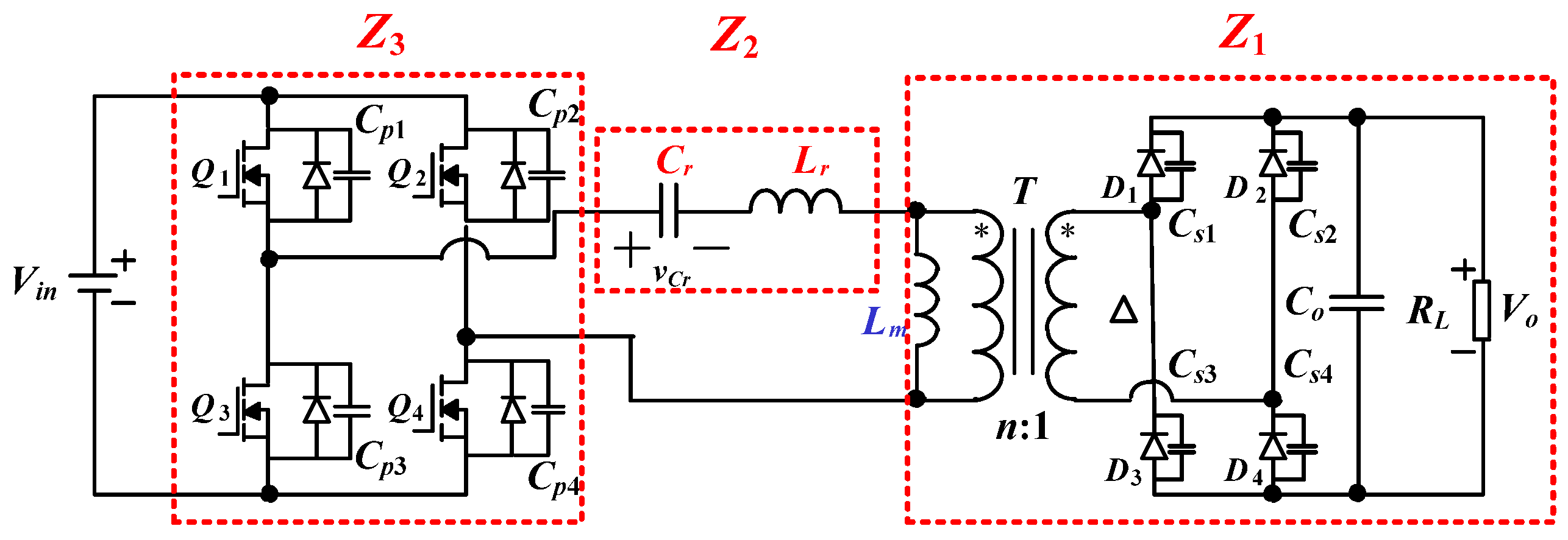
The topology of the LLC resonant converter is shown in Figure 1, where the resonant inductor, resonant capacitor and magnetic inductor are represented by Lr, Cr and Lm, respectively. RL and Co mean the load and output capacitor, respectively. And T represents the transformer, which turns ratio is n. The primary side of the transformer adopts a full-bridge structure (Q1Q4), and the secondary side is a rectifier bridge consisting of diodes (D1D4). The design of the parameters in the resonant tank can realize the converter within a wide range of ZVS, and it can also adjust its switching frequency to adjust the voltage gain of the converter so as to achieve voltage regulation. In order to obtain the relationship between the voltage gain and switching frequency, the conventional method mainly uses a fundamental wave analysis to achieve this. However, because it does not take into account the parasitic parameters of the switch and diode, this will lead to a sudden change in the voltage gain when the switching frequency increases to reduce the voltage gain under light load conditions. Meanwhile, when the switching frequency is reduced in order to increase the voltage gain under heavy load conditions, an improper parameter design can lead to the problem that the voltage gain cannot be increased.
To analyze the causes of these problems in depth, this paper considers the parasitic parameters of the power devices and then uses the impedance modeling method to establish the impedance model of the LLC resonant converter, where Cp and Cs mean the parasitic capacitor of switching and diode, respectively. This method starts by plotting the topology of the converter circuit into three impedance sections: Z1, Z2, and Z3 as shown in Figure 1, in which the secondary diode junction capacitor and the load need to be converted to the primary side. By the calculation method proposed by the authors in [18], the voltage gain Gc can be calculated as follows.
G c = n V o V i n = Z 1 Z 3 / / Z 1 + Z 2 = Z 1 Z 1 + Z 2 + Z 3 Z 1 + Z 2 Z 3
where Z1 is the resonant inductance and resonant capacitor and Z2 is the impedance connected in parallel to the primary side of the transformer. Since the primary-side switching network of the LLC resonant converter is a full-bridge structure, this means that there are always two switching devices with junction capacitor connected in parallel. Therefore, these junction capacitors will change the impedance of the resonant tank, thus adding an impedance cell, Z3, whose expression is shown below.
Z 1 = S L m / / R a c / / 1 S C s = S L m R a c S 2 L m C s R a c + S L m + R a c Z 2 = 1 S C r + S L r = S 2 L r C r + 1 S C r Z 3 = 1 2 S C p
where “//” denotes a parallel connection, and Rac is the equivalent AC resistance of the load R converted to the transformer’s primary side.
Based on the above voltage gain model, the impedance bode plots can be plotted for light load and heavy load conditions, respectively, as shown in Figure 2, which gives the relationship between the switching frequency and voltage gain. It can be seen that when the circuit parasitic parameters are taken into account, the voltage gain appears to be abrupt in the high switching frequency under light load conditions and there is insufficient gain in the low switching frequency under heavy load conditions, thus failing to meet the operation and control requirements.
For the voltage gain under heavy load conditions, the authors of this paper proposed a parameter optimization method based on the impedance model in [18], which improves the voltage gain in the low-frequency band by increasing the value of the resonant capacitor on the basis of the conventional parameter design. For the light load condition, the authors of this paper propose to use the improved LLC resonant converter topology in [17], which solves the problem of the sudden change in voltage gain in the high-frequency band by connecting an auxiliary inductor in series with an auxiliary resistor branch in parallel on the primary side of the transformer. However, the above method does not consider the whole range of operating conditions, so there are limitations.

3. Full-Operating-Range Performance Optimization Design Method for LLC Resonant Converter

Although the above-proposed methods can solve their corresponding problems under different operating conditions, they have not been effectively combined together. In the marine DC power supply system, the LLC resonant converter not only operates under light load conditions in energy storage, but also under heavy load conditions during its normal operation. Therefore, in order to optimize the performance of the LLC resonant converter within a full range of operating conditions, this paper combines the aforementioned methods for light load and heavy load conditions and deduces their design laws. Then, a full-operating-range performance optimization design method based on the circuit topology of the improved LLC resonant converter is proposed, which adopts the equivalent circuit topology shown in Figure 3, where Ladd, Radd and Qa mean the auxiliary inductor, auxiliary resistant and auxiliary switching, respectively. Since the LLC resonant converter does not have the problem of the sudden change in voltage gain under heavy load conditions, there is no need to open the auxiliary circuit, and thus a switching device is added to the auxiliary circuit branch to change the auxiliary circuit’s open state under different operating conditions. Therefore, our main focus is on how to optimize the converter parameters under heavy load conditions.

3.1. Multi-Objective Parameter Optimization Method for Heavy Load Conditions

For the performance of the LLC resonant converter system, in addition to its voltage gain, its efficiency is also one of the key design factors, especially under heavy load conditions. Therefore, multiple objectives need to be considered when designing the parameters in order to improve the whole system’s performance. So, the process of solving the multi-objective optimization problem of the LLC resonant converter requires balancing multiple objective functions and seeking a set of compromised optimal solutions. The multi-objective particle swarm algorithm is able to find the optimal solution to the problem by using a population of individuals through an iterative process, so this algorithm is used in this paper to solve the optimal resonant tank parameters of the LLC resonant converter under heavy load conditions. The next step is to first obtain the two objective functions.

3.1.1. Objective Function: Loss Breakdown and Voltage Gain

According to the circuit topology of the LLC resonant converter, its losses are mainly composed of switching losses, transformer losses, and resonant inductor losses.
First of all, in terms of switching losses, there is no turn-on loss because the LLC resonant converter can realize ZVS. Meanwhile, the conduction loss is related to the RMS value of the resonant current, the switch, and diode on-resistance. The turn-off loss is related to the turn-off process switch. Therefore, the switching loss can be expressed as follows.
P l o s s _ s w = P l o s s _ c + P l o s s _ o f f _ p r i + P l o s s _ o f f _ sec
where the turn-off losses include the primary-side switch’s turn-off losses and secondary-side diode’s turn-off losses.
Secondly, the resonant inductor losses include the core loss and coil loss, which can be obtained by the Steinmetz formula and the copper wire resistance formula, mainly related to the core size, copper wire parameters, switching frequency, the RMS value of the resonant current, etc., which can be expressed as follows.
P l o s s _ i n d u c t o r = P l o s s _ L _ c o p p e r + P l o s s _ L _ i r o n
Finally, the transformer loss and resonant inductor loss calculation methods are basically the same; the difference is that the transformer loss includes the primary side loss and secondary side loss, expressed as follows.
P l o s s _ t r a n s f o r e r = P l o s s _ T _ c o p p e r + P l o s s _ T _ i r o n
The total loss of the LLC resonant converter, i.e., the loss objective function, can be obtained by summing the above losses.
On the other hand, the voltage gain objective function of the LLC resonant converter can be calculated based on the impedance model in the previous section. From the above two objective functions, it can be seen that they are directly related to the parameters of the resonant tank of the LLC resonant converter, so the optimal parameters can be solved by the multi-objective optimization method.

3.1.2. Multi-Objective Particle Swarm Parameter Optimization Method for LLC Resonant Converter

According to the basic principle of the multi-objective particle swarm optimization algorithm, it is known that the parameters will converge to the Pareto optimal frontier after many iterations, so that multiple objectives can reach an optimal combination point. Figure 4 shows the multi-objective parameter optimization design process.
Firstly, the boundary of the parameters is determined by setting the initial conditions and then taking the ZVS conditions as constraints. Then the weights between the two objective functions are set. Because the converter should first satisfy the dynamic performance and voltage regulation ability, the weight of the voltage gain objective function can be set greater than 0.5. Then the particle information is updated continuously and iteratively by updating the equations of particle velocity and position. The global optimal particle library (GOPL) and current optimal particle library (COPL) are represented by gopl and copl, respectively. The specific update equations are shown below.
v j k + 1 = ω v j k + a 1 r 1 , n c o p l j k p j k + a 2 r 1 , n g o p l j k p j k p j k + 1 = p j k + v j k + 1
where vj and pj are the velocity and position of the jth particle; r() is a stochastic function; and coplj and goplj are the current best result of the jth particle and the global best result of the overall particle, respectively. k and n are the current number of iterations and parameter dimensions.
After the number of iterations reaches a preset value, the algorithm stops the calculation and stores the final optimal parameters in GOPL. Since the calculation process will produce a large number of optimal results but not every result meets the practical conditions, further screening is needed. The main purpose of this is to delete the particles with excessive losses and also to consider the ratio of the resonant inductor to the magnetic inductor to prevent effects on the resonance process. In order to ensure the voltage regulation capability under heavy load conditions, the set of resonant cavity element parameters with the highest gain is finally selected.

3.2. Critical Operating Point and Window Condition Switching Method

Compared with the circuit topology proposed in [17], a switching device is added to the auxiliary circuit for opening under light load conditions and closing under heavy load conditions. This optimizes the voltage regulation performance under light load conditions and avoids adding excessive losses under heavy load conditions. The role of the auxiliary circuit is to solve the problem of the sudden change in the voltage gain under light load conditions, while such problems do not exist under heavy load conditions. Therefore, in order to determine the appropriate open conditions for the auxiliary circuit, it is necessary to find the critical operating point at which the sudden change in the voltage gain occurs, as shown in Figure 5.
As can be seen from Figure 5, when the load increases, the degree of the high-frequency band of the sudden change in voltage gain is gradually reduced until the voltage gain is equal to 1. When the load is further increased, the high-frequency band voltage gain is no longer greater than 1, and the phenomenon of the sudden change in voltage gain disappears. Therefore, based on the aforementioned impedance model, this paper calculates the operating conditions in which the voltage gain equals 1 at the high-frequency point, and the specific process is shown below:
First, let s = 2πfsj and then convert Equation (1) to the complex frequency domain. Then, the voltage gain G can be calculated by the amplitude-frequency equation as follows.
G = 20 lg G c 2 π f s j
The switching frequency point expression for G = 1 can be calculated from the above equation as follows.
G = C + D j A + B j
where the expressions for A, B, C, and D are shown below, respectively.
A = C r L r ω 2 1 C s L m R a c ω 2 + R a c 2 C r L r ω 2 1 L m ω 2 C r C s L m R a c ω 2 + R a c L m R a c ω 2 B = 2 C r L r ω 2 1 C s L m R a c ω 2 + R a c L m ω C r L m ω L m R a c ω 2 C = 2 C p C r L r ω 2 1 C s L m R a c ω 2 + R a c L m R a c ω 2 C r C s L m R a c ω 2 + R a c L m R a c ω 2 D = C r L m ω L m R a c ω 2 + 2 C p C r L r ω 2 1 L m ω L m R a c ω 2 2 C p C r L m R a c ω 2 2
Then, by deleting the points where the switching frequency is equal to the resonance frequency in the above calculation results, and retaining the expression for the points at which the switching frequency is greater than the resonance frequency, its relationship can be obtained with the load R, i.e., the expression for its relationship with the operating conditions. Because the above expression is more complicated, it is more difficult to solve the critical operating condition point Pc. And there is no need to be too fine when considering the load power, as long as the unit power accuracy can meet the performance requirements. Therefore, the critical operating point can be determined in the mathematical simulation software by substituting a certain power range to plot the gain variation.
To avoid the frequent opening of auxiliary circuits near the critical operating condition point, this paper adopts the window condition switching method to avoid this problem. First of all, the auxiliary circuit closing conditions are set to more than 20% of the critical operating point. Then, the open conditions of the auxiliary circuit are set to more than 10% of the critical operating point, that is, to avoid the frequent opening and closing the auxiliary circuits brought about by the same operating point and to ensure that the problem of the sudden change in voltage gain before the opening of the auxiliary circuits will not occur. The specific working conditions are shown in Figure 6.

3.3. Proposed Full-Operating-Range Performance Optimization Design Method

According to the method of auxiliary circuit design by the authors of this paper in a previous research work, it is known that the selection of the auxiliary inductor with the improved circuit topology under light load conditions is consistent with the resonant inductor, while its auxiliary resistance is determined based on the power consumption. Therefore, in order to determine the auxiliary inductor, it is necessary to determine the resonant inductor first. Then, the full-operating-range performance optimization design method for the LLC resonant converter should first start from the multi-objective parameter optimization design for heavy load conditions and finally return to the parameter design for light load conditions, as shown in Figure 7. The detailed design steps are as follows:

3.3.1. Step 1: Determination of Soft-Switching Conditions

Since the primary side of the converter uses a full-bridge structure with four MOSFETs, the realization of soft switching has a decisive effect on the converter losses and electromagnetic interference, which is mainly realized by charging and discharging the parasitic junction capacitor of the switches by the magnetic inductor current in the dead time. Therefore, the boundary value of the magnetic inductor can be calculated as shown below.
L m = n V o 4 f s I m = n V o 4 f s I p = n V o T d 4 f s V i n C z v s
where n is the turns ratio. Td and Czvs are the dead time and junction capacitor, respectively.

3.3.2. Step 2: Loss Calculation

LLC resonant converter loss is one of the core indicators of converter design, which is mainly divided into conduction loss, turn-on loss, turn-off loss, inductor copper loss, inductor iron loss, transformer copper loss, and transformer iron loss. The calculation formulas of these designs are present in a lot of existing research and will not be elaborated in detail here. As different resonant tank parameters can deduce different loss results of the converter, the part of the loss calculation can be used as one of the objective functions of the multi-objective optimization parameter design.

3.3.3. Step 3: Determination of Voltage Gain Calculation

According to the impedance-model-based modeling method, the transformer primary-side impedance Z2 of the LLC resonant converter with the shunt auxiliary circuit can be recalculated as follows.
Z 1 = S L m / / R a c / / 1 S C s / / S L a d d + R a d d = S 2 L m R a c L a d d + S L m R a c R a d d S 3 L m L a d d C s R a c + S 2 L m C s R a c R a d d + L a d d + S L m R a d d + R a c + R a c L a d d + R a c R a d d
where Ladd and Radd are the auxiliary inductor and auxiliary resistor, respectively.
Then the above equation can be substituted into Equation (1) to calculate the LLC resonant converter voltage gain at the same frequency. Therefore, in the multi-objective optimization parameter design, the voltage gain calculation can be used as another objective function to determine whether the selected resonant tank parameters can satisfy the voltage gain requirement in the specified frequency band.

3.3.4. Step 4: Multi-Objective Optimized Parameter Design for Heavy Load Condition

The optimal design of the resonant tank parameters using the multi-objective particle swarm parameter optimization method is given in Section 3.2, with the converter loss and voltage gain as the design objectives, and the specific steps and flowchart are shown in Figure 4. The resonant tank parameters can be finally determined: the resonant inductor Lr, the resonant capacitor Cr, and the magnetic inductance Lm.

3.3.5. Step 5: Parameter Design for Auxiliary Circuits

According to the method of calculating the parameters of the auxiliary circuit proposed in [17], the parameters of the auxiliary inductor Ladd can be determined and selected to be consistent with the resonant inductor Lr. Then, the auxiliary resistance calculation is shown below, with the auxiliary circuit loss not exceeding 1.5% of the light load power as the upper boundary.
R a d d = 2 2 n V o 4 / P × 1.5 % 2 π f s L a d d
In addition, the selection of the switching device Qa in the auxiliary circuit is mainly based on the transformer primary voltage and the current flowing through the auxiliary circuit. Therefore, considering the voltage withstand margin, the Vds voltage withstand value of Qa should be selected as 1.5 × nVo, and the current withstand value can be calculated according to the calculation process of Radd. According to engineering experience, the margin of 1.5 times these values is considered.

3.3.6. Step 6: Auxiliary Circuit Critical Operating Point Calculation

After the parameters of the auxiliary circuit are determined, the critical operating point for the sudden change in the voltage gain is calculated according to Equation (7), and then the two switching operating condition points of the auxiliary switch are set according to the proposed window-switching method.
Through the above six steps, the resonant tank parameters can be designed to optimize the full-operating-range performance of the LLC resonant converter, and the auxiliary circuit parameters can be designed to solve the problem of the sudden change in voltage gain under light load conditions and improve the output voltage regulation capability under heavy load conditions by using the critical operating condition point of the sudden change in voltage gain.

4. Results

4.1. Calculation and Analysis of Experimental Parameters

In order to verify the validity of the proposed full-operating-range performance optimization design method for the LLC resonant converter, this subsection performs parameter calculations in mathematical software. The basic operating parameters are shown in Table 1, for which the values of the switch junction capacitor and diode junction capacitor are obtained from the technical manual. Firstly, the parameters of the resonant tank elements and auxiliary circuit are designed based on the basic parameters and the steps in Section 3.3, as shown in Table 2. The list of the main components of the prototype are shown in Table 3.
Then, the voltage gain impedance bode plots under the light load and heavy load conditions are plotted in Matlab, as shown in Figure 8. It can be seen that using the proposed optimization design method to obtain the parameters of the LLC resonant converter can lead to the converter having a good decreasing trend in terms of the high-frequency band voltage gain within a certain range under the light load condition. Although at an even higher frequency, the voltage gain will still rise, the minimum voltage gain has to satisfy the need for the regulation of the converter. Under the rated load condition, when the converter switching frequency is lower than the resonant frequency, the voltage gain rises obviously, which can improve its output voltage regulation capability.
Secondly, the voltage gain curve within a certain power range is plotted according to the above parameters. Due to the limited output switching frequency of the adopted controller, the switching frequency is set to an upper limit of 300 KHz. And then we determined the operating point at which the converter voltage gain is less than 1 when the system outputs the highest switching frequency, as shown in Figure 9. It can be seen that as the power increases, the converter voltage gain will eventually be less than 1 and the critical operating point can be determined to be 34 W. Finally, the two switching operating points of the auxiliary switch are calculated according to the window-switching method and are 37.4 W and 40.8 W, respectively.

4.2. Analysis of Experimental Results

In order to further verify the validity of the parameters of the resonant tank designed by the full-operating-range performance optimization design method of the LLC resonant converter, an experimental prototype is built according to Table 1, Table 2 and Table 3, as shown in Figure 10.
The steady-state waveforms under the light load condition and heavy load condition are shown in Figure 11, which are composed of the converter output current Io, converter output voltage Vo, resonant current iLr, and auxiliary switch drive signal Qa, respectively. From the experimental results, it can be seen that when the converter is operating under the light load condition, the auxiliary switch is opened, and the output voltage is stabilized at 60 V, which indicates that the auxiliary circuit can improve the voltage gain of the converter. When the converter is operating in the heavy load condition, the auxiliary switch is closed, the auxiliary circuit does not participate in the operation, and the output voltage is also stabilized at 60 V. Therefore, the proposed method can keep the steady-state output voltage at the desired output voltage of 60 V under different operating conditions.
Figure 12 shows the experimental waveforms during the step change between the light load condition and the heavy load condition. Figure 12a shows the experimental waveform step from the light load condition to the heavy load condition; it can be seen that when the condition exceeds the critical condition point of the sudden change in voltage gain, the auxiliary switch rapidly changes from the closed state to the open state, and the auxiliary circuit is no longer opened. At the same time, the output voltage is also quickly adjusted to re-stabilize the falling voltage to the desired value. Figure 12b shows the experimental waveform step from the heavy load condition to the light load condition. When the operating condition is lower than the critical condition point, the auxiliary switch is turned on and the auxiliary circuit is opened to eliminate the problem of the sudden change in voltage gain under the light load condition. Figure 12c,d show the experimental waveforms after the output voltage is biased by 55 V, and it can be seen that the converter can stabilize the output voltage quickly.
From the above experimental results, it can be seen that the selected resonant tank parameters and auxiliary circuit parameters can be able to stabilize the output voltage of the converter when the operating condition fluctuates violently. It shows good dynamic performance and eliminates the phenomenon of the sudden change in voltage gain under the light load condition.

4.3. Comparison of Conventional Methods and Performance

In order to better illustrate the advantages of the method proposed in this paper over conventional methods and existing solutions, a comparison with recent optimization design methods is given in Table 4 for each key index. The table compares whether the parasitic parameters, voltage regulation capability, converter loss, the light load voltage gain problem, and the full range of operating conditions are considered or not. The table also shows the number of optimization objectives. It can be seen that the method proposed in this paper takes all the above factors into account, whereas the other existing solutions in the table fail to consider all these factors at the same time and hence have limitations.
To further illustrate the superiority of the proposed method, this subsection conducts an operating condition step experiment using the conventional method, as shown in Figure 13. During the experiments, the converter operating conditions are stepped from light load to heavy load conditions and then from heavy load to light load conditions, respectively. From the experimental results, it can be seen that it is difficult to ensure its voltage regulation ability under both light load and heavy load conditions.

4.4. Comparison of Loss Breakdown

Since the method proposed in this paper has loss as one of its focuses, a comparison of the loss with conventional parameters under the rated power is shown in Figure 14a. From the comparison results, it can be seen that the losses based on the proposed optimization design method are smaller than those of the conventional parameter design method. A comparison of the efficiency with the conventional method over the full load range is shown in Figure 14b, and it can be seen that the proposed method is able to improve the voltage regulation performance, although it is slightly less efficient than the conventional method due to the auxiliary circuits in the light load condition. And in all other operating conditions, the efficiency of the proposed method is higher than that of the conventional method.

5. Conclusions

In the power conversion of marine DC power supply systems, the LLC resonant converter is often used, so its performance is very important. However, the parasitic parameters of power devices have a great influence on the system, which leads to different problems under different operating conditions. Under light load conditions, there is a problem of the sudden change in voltage gain when the switching frequency is higher than the resonance frequency. Under heavy load conditions, there is a problem of insufficient voltage gain which affects its voltage regulation. Therefore, this paper combines the authors’ previous research work to propose a full-operating-range performance optimization design method for the LLC resonant converter. It analyzes the causes of the above problems by establishing an impedance model of the converter that takes into account the parasitic parameters of the switch and diode. Then, the problem of the sudden change in the voltage gain in high-frequency band is solved by introducing auxiliary circuits under the light load condition. And under the heavy load condition, the optimal circuit parameters are solved by using the multi-objective particle swarm parameter optimization method with the converter loss and voltage regulation capability as our focuses and the ZVS condition as the constraint. Then the critical condition point and window-switching method are calculated, so that the auxiliary circuit only works in the light load condition to avoid losses in the heavy load condition. Finally, the specific design steps are given, the parameters are designed according to practical operating conditions, and an experimental prototype is built. The effectiveness of the proposed method in this paper is verified by the experimental results, and then the losses are compared with those of the existing solutions and conventional methods to highlight the superiority of the proposed method.

Author Contributions

Conceptualization, X.H. and Y.L.; methodology, X.H. and Y.L.; validation, Y.L. and X.Y.; formal analysis, X.H. and Y.L.; investigation, X.H.; resources, X.H. and Y.L.; data curation, Y.L.; writing—original draft preparation, X.H.; writing—review and editing, X.Y.; visualization, X.H.; supervision, X.Y.; project administration, X.H. and Y.L.; funding acquisition, Y.L. All authors have read and agreed to the published version of the manuscript.

Funding

This research was funded by the National Natural Science Foundation of China, grant number 52307226, and the Key R&D and Promotion Special (Scientific Problem Tackling) Project of Henan Province, grant number 232102241025.

Institutional Review Board Statement

Not applicable.

Informed Consent Statement

Not applicable.

Data Availability Statement

No new data were created or analyzed in this study. Data sharing is not applicable to this article.

Conflicts of Interest

The authors declare no conflict of interest.

References

  1. Xu, L.; Guerrero, J.M.; Lashab, A.; Wei, B.Z.; Bazmohammadi, N.; Vasquez, J.C.; Abusorrah, A. A Review of DC Shipboard Microgrids—Part I: Power Architectures, Energy Storage, and Power Converters. IEEE Trans. Power Electron. 2022, 37, 5155–5172. [Google Scholar] [CrossRef]
  2. Kim, S.; Kim, S.N.; Dujic, D. Impact of Synchronous Generator Deexcitation Dynamics on the Protection in Marine DC Power Distribution Networks. IEEE Trans. Transp. Electron. 2021, 7, 267–275. [Google Scholar] [CrossRef]
  3. Chen, H.X.; Lin, W.M.; He, W. Research on a DC–DC Converter and Its Advanced Control Strategy Applied to the Integrated Energy System of Marine Breeding Platforms. J. Mar. Sci. Eng. 2023, 11, 512. [Google Scholar] [CrossRef]
  4. Chen, Y.; Zhao, S.S.; Li, Z.Y.; Wei, X.G.; Kang, Y. Modeling and Control of the Isolated DC–DC Modular Multilevel Converter for Electric Ship Medium Voltage Direct Current Power System. IEEE J. Emerg. Sel. Top. Power Electron. 2017, 5, 124–139. [Google Scholar] [CrossRef]
  5. Park, D.; Zadeh, M. Modeling and Predictive Control of Shipboard Hybrid DC Power Systems. IEEE Trans. Transp. Electron. 2021, 7, 892–904. [Google Scholar] [CrossRef]
  6. Wang, C.S.; Zhang, S.H.; Wang, Y.F.; Chen, B.; Liu, J.H. A 5-kW Isolated High Voltage Conversion Ratio Bidirectional CLTC Resonant DC–DC Converter with Wide Gain Range and High Efficiency. IEEE Trans. Power Electron. 2019, 34, 340–355. [Google Scholar] [CrossRef]
  7. Ortiz, G.; Leibl, M.G.; Huber, J.E.; Kolar, J.W. Design and experimental testing of a resonant DC-DC converter for solid-state transformers. IEEE Trans. Power Electron. 2017, 32, 7534–7542. [Google Scholar] [CrossRef]
  8. Fei, C.; Li, Q.; Lee, F.C. Digital Implementation of Light-Load Efficiency Improvement for High-Frequency LLC Converters with Simplified Optimal Trajectory Control. IEEE J. Emerg. Sel. Top. Power Electron. 2018, 6, 1850–1859. [Google Scholar] [CrossRef]
  9. Hong, H. FHA-Based Voltage Gain Function with Harmonic Compensation for LLC Resonant Converter. In Proceedings of the 2010 Twenty-Fifth Annual IEEE Applied Power Electronics Conference and Exposition (APEC), Palm Springs, CA, USA, 18 March 2010; pp. 1770–1777. [Google Scholar]
  10. Degioanni, F.; Zurbriggen, I.G.; Ordonez, M. Dual-Loop Controller for LLC Resonant Converters Using an Average Equivalent Model. IEEE Trans. Power Electron. 2018, 33, 9875–9889. [Google Scholar] [CrossRef]
  11. Qin, H.S.; Kimball, J.W. Generalized Average Modeling of DAB DC–DC Converter. IEEE Trans. Power Electron. 2012, 27, 2078–2084. [Google Scholar]
  12. Yeon, C.O.; Kim, J.W.; Park, M.H.; Lee, I.; Moon, G.W. Improving the Light-Load Regulation Capability of LLC Series Reso-nant Converter Using Impedance Analysis. IEEE Trans. Power Electron. 2017, 32, 7056–7067. [Google Scholar] [CrossRef]
  13. Shu, D.D.; Wang, H.Y. Light-Load Performance Enhancement Technique for LLC-Based PEV Charger Through Circuit Reconfiguration. IEEE Trans. Transp. Electron. 2021, 7, 2104–2113. [Google Scholar] [CrossRef]
  14. Lin, J.Y.; Liu, P.H.; Yueh, H.Y.; Lin, Y.F. Design and Analysis of LLC Resonant Converter with Valley Switching Control for Light-Load Conditions. IEEE J. Emerg. Sel. Top. Power Electron. 2022, 10, 6033–6044. [Google Scholar] [CrossRef]
  15. Kim, J.W.; Park, M.H.; Lee, B.H.; Lai, J.S. Analysis and design of LLC converter considering output voltage regulation under no-load condition. IEEE Trans. Power Electron. 2020, 1, 522–534. [Google Scholar] [CrossRef]
  16. Kim, C.E. Minimization of abnormal output voltage rising for LLC resonant converter at very light load. IEEE Trans. Ind Electron. 2020, 67, 10295–10303. [Google Scholar] [CrossRef]
  17. Yao, X.L.; Han, X.; Liao, Y.F.; Wang, J.F. Parameters Optimization and Design for LLC Resonant Converter Based on Impedance Model. Circuit World, 2023; ahead of print. [Google Scholar] [CrossRef]
  18. Yao, X.L.; Han, X.; Liao, Y.F.; Wang, J.F. Light load performance optimization for LLC resonant converter. Circuit World, 2022; ahead of print. [Google Scholar] [CrossRef]
  19. Tian, G.D.; Ren, Y.P.; Feng, Y.X.; Zhou, M.C.; Zhang, H.H.; Tan, J.R. Modeling and Planning for Dual-Objective Selective Dis-assembly Using and or Graph and Discrete Artificial Bee Colony. IEEE Trans. Ind. Inform. 2019, 15, 2456–2468. [Google Scholar] [CrossRef]
  20. Imran, M.; Hashim, R.; Khalid, A.N.E. An Overview of Particle Swarm Optimization Variants. Procedia Eng. 2013, 53, 491–496. [Google Scholar] [CrossRef]
  21. Sirigu, S.A.; Foglietta, L.; Giorgi, G.; Bonfanti, M.; Cervelli, G.; Bracco, G.; Mattiazzo, G. Techno-Economic Optimization for a Wave Energy Converter via Genetic Algorithm. J. Mar. Sci. Eng. 2020, 8, 482. [Google Scholar] [CrossRef]
  22. Mou, D.; Yuan, J.L.; Hou, N.; Li, J.C.; Li, Y.W.; Zhao, Z.M. Modeling and Analysis of Hybrid Dual Active Bridge Converter to Optimize Efficiency Over Whole Operating Range. IEEE J. Emerg. Sel. Top. Power Electron. 2023, 11, 432–441. [Google Scholar] [CrossRef]
  23. Jiang, Y.; Li, X.Y.; Qin, C.W.; Xing, X.Y.; Chen, X.Y. Improved Particle Swarm Optimization Based Selective Harmonic Elimination and Neutral Point Balance Control for Three-Level Inverter in Low-Voltage Ride-Through Operation. IEEE Trans. Ind. Inform. 2022, 18, 642–652. [Google Scholar] [CrossRef]
  24. Bosshard, R.; Kolar, J.W. Multi-Objective Optimization of 50 kW/85 kHz IPT System for Public Transport. IEEE J. Emerg. Sel. Top. Power Electron. 2016, 4, 1370–1382. [Google Scholar] [CrossRef]
  25. Lin, F.F.; Zhang, X.; Li, X.Z. Design Methodology for Symmetric CLLC Resonant DC Transformer Considering Voltage Conversion Ratio, System Stability, and Efficiency. IEEE Trans. Power Electron. 2021, 36, 10157–10170. [Google Scholar] [CrossRef]
  26. Han, R.; Xu, Q.M.; Ding, H.Q.; Gao, B.; Wang, L.; Tang, C.; Zhang, J.K.; Luo, A. Multi-objective Design Optimization of Extremely Low-Frequency Power Amplifier Considering Accuracy, Volume, and Reliability. IEEE J. Emerg. Sel. Top. Power Electron. 2022, 10, 5240–5251. [Google Scholar] [CrossRef]
Figure 1. The topology of the LLC resonant converter.
Figure 1. The topology of the LLC resonant converter.
Jmse 11 02142 g001
Figure 2. Impedance bode plots for different operating conditions considering parasitic parameters of power devices.
Figure 2. Impedance bode plots for different operating conditions considering parasitic parameters of power devices.
Jmse 11 02142 g002
Figure 3. Equivalent LLC resonant converter circuit topology based on full-operating-range performance optimization design method.
Figure 3. Equivalent LLC resonant converter circuit topology based on full-operating-range performance optimization design method.
Jmse 11 02142 g003
Figure 4. Multi-objective parameter optimization design process.
Figure 4. Multi-objective parameter optimization design process.
Jmse 11 02142 g004
Figure 5. Schematic diagram of critical operating point for the sudden change in voltage gain.
Figure 5. Schematic diagram of critical operating point for the sudden change in voltage gain.
Jmse 11 02142 g005
Figure 6. Window condition switching method schematic (* means denotes multiplication).
Figure 6. Window condition switching method schematic (* means denotes multiplication).
Jmse 11 02142 g006
Figure 7. Flowchart of the proposed full-operating-range performance optimization design method.
Figure 7. Flowchart of the proposed full-operating-range performance optimization design method.
Jmse 11 02142 g007
Figure 8. Voltage gain impedance bode plots for different operating conditions.
Figure 8. Voltage gain impedance bode plots for different operating conditions.
Jmse 11 02142 g008
Figure 9. Schematic diagram for determining the critical operating point.
Figure 9. Schematic diagram for determining the critical operating point.
Jmse 11 02142 g009
Figure 10. The experimental prototype of the proposed LLC resonant converter.
Figure 10. The experimental prototype of the proposed LLC resonant converter.
Jmse 11 02142 g010
Figure 11. Steady-state waveforms for different load conditions. (a) Heavy load condition; (b) light load condition.
Figure 11. Steady-state waveforms for different load conditions. (a) Heavy load condition; (b) light load condition.
Jmse 11 02142 g011
Figure 12. Experimental waveforms for step changes in different operating conditions. (a) Step from light load to heavy load. (b) Step from heavy load to light load. (c) Step from light load to heavy load after setting the output voltage bias. (d) Step from heavy load to light load after setting the output voltage bias.
Figure 12. Experimental waveforms for step changes in different operating conditions. (a) Step from light load to heavy load. (b) Step from heavy load to light load. (c) Step from light load to heavy load after setting the output voltage bias. (d) Step from heavy load to light load after setting the output voltage bias.
Jmse 11 02142 g012
Figure 13. Experimental waveforms for step changes with conventional method.
Figure 13. Experimental waveforms for step changes with conventional method.
Jmse 11 02142 g013
Figure 14. The loss breakdown comparison and efficiency comparison. (a) Loss breakdown comparison under rated power. (b) Efficiency comparison over the full load range.
Figure 14. The loss breakdown comparison and efficiency comparison. (a) Loss breakdown comparison under rated power. (b) Efficiency comparison over the full load range.
Jmse 11 02142 g014
Table 1. Basic parameters of LLC resonant converter in full operating condition.
Table 1. Basic parameters of LLC resonant converter in full operating condition.
SymbolParameterValue
VinInput Voltage60 V
VoOutput Voltage60 V
PHHeavy Load180 W
PLLight Load10 W
CpSwitch Junction Capacitor600 pF
CsDiode Junction Capacitor400 pF
Table 2. Parameters designed by the full-operating-range performance optimization design method.
Table 2. Parameters designed by the full-operating-range performance optimization design method.
SymbolParameterValue
LrResonant Inductor2.3 μH
CrResonant Capacitor0.97 μF
LmMagnetic Inductor50 μH
LaddAuxiliary Inductor3 μH
RaddAuxiliary Resistor1500 Ω
Table 3. Prototype component list.
Table 3. Prototype component list.
ComponentSymbolPart Number/Core Type
Primary SwitchingQ1Q4IRFP3710PBF
Secondary DiodeD1D4IRFP9140NPBF
Resonant InductorLrPQ2020/DMR95
TransformerTPQ3225/DMR95
Adding InductorLaddPQ2020/DMR95
Adding ResistorRaddAluminum Case Resistor
Table 4. Comparison of existing optimization design methods.
Table 4. Comparison of existing optimization design methods.
Ref.Considering Objective Number
Voltage Regulation CapabilityParasitic ParametersLossLight Load Voltage Gain ProblemFull Operating Range Design Method
[17]YesYesNoYesNo1Impedance
[18]YesYesNoNoNo1Impedance
[22]NoNoYesNoNo1PSO
[23]NoNoNoNoNo1IPSO
[24]NoNoYesNoNo3MO-PSO
[25]NoYesYesNoNo3RODD-PSO
[26]NoNoYesNoNo3MO-PSO
ProposedYesYesYesYesYes2MO-PSO
Disclaimer/Publisher’s Note: The statements, opinions and data contained in all publications are solely those of the individual author(s) and contributor(s) and not of MDPI and/or the editor(s). MDPI and/or the editor(s) disclaim responsibility for any injury to people or property resulting from any ideas, methods, instructions or products referred to in the content.

Share and Cite

MDPI and ACS Style

Han, X.; Yao, X.; Liao, Y. Full Operating Range Optimization Design Method of LLC Resonant Converter in Marine DC Power Supply System. J. Mar. Sci. Eng. 2023, 11, 2142. https://doi.org/10.3390/jmse11112142

AMA Style

Han X, Yao X, Liao Y. Full Operating Range Optimization Design Method of LLC Resonant Converter in Marine DC Power Supply System. Journal of Marine Science and Engineering. 2023; 11(11):2142. https://doi.org/10.3390/jmse11112142

Chicago/Turabian Style

Han, Xiao, Xuliang Yao, and Yuefeng Liao. 2023. "Full Operating Range Optimization Design Method of LLC Resonant Converter in Marine DC Power Supply System" Journal of Marine Science and Engineering 11, no. 11: 2142. https://doi.org/10.3390/jmse11112142

APA Style

Han, X., Yao, X., & Liao, Y. (2023). Full Operating Range Optimization Design Method of LLC Resonant Converter in Marine DC Power Supply System. Journal of Marine Science and Engineering, 11(11), 2142. https://doi.org/10.3390/jmse11112142

Note that from the first issue of 2016, this journal uses article numbers instead of page numbers. See further details here.

Article Metrics

Back to TopTop