Next Article in Journal
Technological Advancements in Field Investigations of Marine Microorganisms: From Sampling Strategies to Molecular Analyses
Previous Article in Journal
Differences in Bacterial Growth and Mortality between Seagrass Meadows and Adjacent Unvegetated Areas
 
 
Font Type:
Arial Georgia Verdana
Font Size:
Aa Aa Aa
Line Spacing:
Column Width:
Background:
Article

Ageing of Liquified Natural Gas during Marine Transportation and Assessment of the Boil-Off Thermodynamic Properties

1
Faculty of Mechanical Engineering, University of Ljubljana, Aškerčeva cesta 6, 1000 Ljubljana, Slovenia
2
Faculty of Engineering, Juraj Dobrila University of Pula, Zagrebačka 30, 52100 Pula, Croatia
*
Author to whom correspondence should be addressed.
J. Mar. Sci. Eng. 2023, 11(10), 1980; https://doi.org/10.3390/jmse11101980
Submission received: 13 September 2023 / Revised: 6 October 2023 / Accepted: 9 October 2023 / Published: 13 October 2023
(This article belongs to the Section Ocean Engineering)

Abstract

:
During LNG storage and transportation by ship, a fraction of the LNG in the cryogenic tanks evaporates due to heat ingress through the insulation, resulting in boil-off gas (BOG) production and a change in LNG composition, a phenomenon known as LNG ageing. Common practice is to assume that BOG composition and related density are identical to the initial LNG or pure methane, resulting in inaccuracy in BOG mass flow measurements. This is particularly important regarding LNG shipping economics and the utilization of BOG as a fuel for ship propulsion. This work investigates the influence of LNG ageing on the produced BOG thermodynamic properties relevant to the mentioned inaccuracies’ estimation and correction. An established, simplified, dynamic boil-off model is utilized for the simulation of LNG and BOG properties’ changes during the voyage. Four cases represented by limiting the minimum and maximum values of methane and nitrogen content are used to estimate the general influence of the compositional variability over the whole range of practically possible LNG source mixtures. Research results provide an insight into the relevant BOG properties’ variability and confirm that BOG flow measurements should be corrected with dynamic model simulations results due to significant differences between the total BOG mixture and forced BOG mixture corresponding to the LNG composition.

1. Introduction

The use of liquefied natural gas (LNG) as a source of energy is expanding on a global scale. An increasing demand for this type of gas has brought about a very rapid increase in the amount of LNG being transported by sea. It is becoming the fastest-increasing energy sector due to clean-energy demands. The current state of the world economy results in restrictions or even cancellations of the previously established LNG delivery routes. Furthermore, LNG supply is becoming unstable, the source of the supply is changing and becoming erratic, and with the current growth in demand, supplying LNG by ship is one of the only ways to remove the imbalance and close the gap in the supply chain (see Zhao et al. [1]). Currently, there are 577 operating ships, not including those vessels with a capacity equal to or less than 90,000 m3 (see International Group of Liquefied Natural Gas Importers, GIIGNL [2]).
LNG’s liquid phase is a mixture of two main components: a light hydrocarbon (designated hydrocarbon) and methane (designated C1). An LNG mixture is characterized by a higher mol% concentration of methane (above 80%) compared to the concentrations of the other impurities. The LNG mixture also consists of a small proportion of nitrogen (N2), ethane (C2), and propane (C3), and traces of i-butane (iC4), n-butane (nC4), i-pentane (iC5), and n-pentane (nC5), which are maintained at approximately atmospheric pressure during transportation. LNG can be classified in accordance with several criteria: composition (mol%), LNG density (kg/m3), mass gross calorific value (MJ/kg), Wobbe Index (MJ/m3), etc. (see GIIGNL [2]). LNG is transported by ships at slightly above atmospheric pressure close to its boiling point, typically at about −162 °C (111 K), depending on the composition of the LNG. During transport, due to the imperfect insulation of LNG tanks, incoming heat flux is present, causing a portion of the LNG to vaporize into the gaseous phase as the so-called boil-off gas (BOG). The LNG fraction changes over time due to the heterogeneous nature of LNG vaporization. Since the boiling points of different LNG components vary widely, vaporization rates of the more volatile components, such as nitrogen and methane, are significantly higher than those of the heavier components, i.e., ethane, propane, and other higher hydrocarbons (see Miana et al. [3]). Therefore, the properties of the LNG change over time. This slow but continuous process is called the ageing or weathering of LNG (see Faruque et al. [4]; Głomski and Michalski [5]; Benito [6]; British Petrol and International Gas Union [7]; GIIGNL [2]). This ageing is critical in the market for LNG since LNG is sold by energy content, i.e., specification at the port of unloading, determined by the volume of LNG transferred, the density, fraction, and heat value. The ageing phenomenon occurs due to different boiling points for each fraction, (ranging from −196 °C to +28 °C, see Table 1, [8]). Components with a lower boiling point, especially nitrogen and methane, will vaporize first.
The LNG industry is facing an LNG ageing problem accompanied with BOG release in different links of the LNG supply chain (see Dobrota et al. [9]), primarily during LNG production, storage, loading, transportation, unloading, and regasification. The BOG increases the pressure in the LNG cargo tank. To maintain the tank pressure within a safe range, the BOG must be continuously extracted. During the transportation of LNG by ship, the quantity of evaporated cargo is normally presented as the loss expressed as a percentage of the total volume of liquid cargo during a single day, i.e., as the so-called boil-off rate (BOR). For newer LNG tankers and insulation solutions, the BOR ranges from 0.10% to 0.15% for a laden or loaded voyage and from 0.06% to 0.10% for a ballast voyage (see Głomski and Michalski [5]; GIIGNL [2]). The ingress of heat and, therefore, the BOR during the voyage, changes depending on the ambient temperature, the sea temperature, the sea roughness, and the cargo tank’s contents (see Faruque et al. [4]). Additionally, BOG utilization as a fuel has potential benefits, e.g., environmental protection impacts, following the MARPOL marine vessels exhaust emission control requirements classified as an emission control area (ECAs), or sulfur emission control areas (SECAs) (see Gospic et al. [10]; MAN [11]). Sea areas under strict control were established to minimize the airborne emissions from the vessel as defined by Annex VI of the MARPOL Protocol.
BOG generation and its handling during transportation have been addressed in many studies, including the following: Shin and Lee [12]; Sayyaadi and Babaelahi [13]; Pil et al. [14]; Romero Gómez et al. [15]; Bahgat [16]; Faruque et al. [4]; with a focus on the handling of BOG and the control and optimization of reliquefication systems on LNG vessels. Kountz [17] measured the evolution of LNG components with a constant thermal flow over time transferred to the mixture, based on the equilibrium between the liquid and vapor phases, and proposed a model to estimate the vaporization rate of LNG and predict this phenomenon. Aspelund et al. [18] developed a model that predicts the aging of LNG under constant heat flow in small-scale LNG chains. The mentioned research deals with the unstable evaporation of LNG fractions during transport and is more focused on the ageing of LNG or dealing with reducing or handling BOG. In order to predict the behavior of LNG during transportation, the software ‘MOLAS’ (Models for prediction of LNG Ageing during Ship transportation) was developed for the analysis of LNG ageing processes at any time during a ship’s voyage (Miana et al. ([3]); Benito [6]). The model is fed with the data, which include the ship’s characteristics (BOR and capacity), the duration of the voyage, the LNG’s composition, the temperature, pressure, and volume occupied by the liquid phase at the start of the voyage, together with the pressure at the destination port. The results presented at the end of the voyage are the LNG’s composition, the temperature, and the volume of liquid. This software is not developed for billing purposes, and it does not analyze the BOG, but it predicts the fraction of LNG at the end of the voyage (Miana et al. ([3]); Benito [6]). However, the model also does not account for the use of forcing boil-off gas (FBOG) during the voyage.
In most of the studies dealing with the propulsion of LNG ships (Raj et al. [19], Levander and Hannula [20], MAN-B&W [21,22]), a certain radical adjustment and a simplifying assumption were made regarding the available BOG in terms of quantity and composition. The daily BOR is assumed to be constant, and the BOG’s thermodynamic properties are equal to pure methane (as this is the main fraction of LNG). For a rapid evaluation of the system, those assumptions are acceptable. However, to evaluate in detail the thermal economy efficiency of the system and its optimization, we must analyze the system in more detail, as empirically recognized in the design of the LNG propulsion system (Kuver et al. [23], Laurilehto [24]). Based on observations of the typical BOR on LNG tankers, it is estimated that the BOG represents about 70–90% of the energy needed for the LNG tanker during a laden voyage and 40–50% during a ballast voyage [25]. Therefore, additional fuel oil is required, or alternatively, forced BOG must be generated. Most modern LNG tankers must force vaporizers for additional BOG to allow the ship to run on BOG alone. The use of forcing vaporizers depends on the relative fuel economics and the preference of the charterer [25]. It should be noted that during ageing process the voyage increases the heating value of the BOG over time. This reduces the need for additional quantities of forced BOG.
An analysis of the BOG quantity, composition, and thermodynamic properties during the voyage is very important for a technical and economic analysis of the LNG ship complete energy system. See, for example, the research of Raj et al. [19], where a techno-economic study of LNG transport by ship shows that a propulsion system using only BOG as the fuel is the most economical scenario. Measuring the BOG flow used for the propulsion during the voyage is one aspect of evaluating the system of the LNG ship. Volumetric measurements of the BOG to account for daily consumption are misleading, both from the technical and physical points of view, even if they are performed under standard reference conditions that account for the adjusted value of the gas, unless the corresponding energy values (i.e., the gas quality data) are not accurately associated. Unfortunately, direct energy measurements for LNG or BOG on board the vessel are still unavailable. Thus, the complex measurement chains (made up of at least a flow meter and a flow computer with pressure and temperature transmitters) must be integrated using a data-transmission unit and a gas-quality measurement device (i.e., a process gas chromatograph or a gas analyzer).
The misleading misconception that the composition of the BOG is always the same, regardless of the source of LNG, without accounting for the fraction, heating value, and density, which vary from location to location, indicates potential problems associated with mass-flow measurements of the BOG consumption applicable to most metering technologies, although in different ways. The evaporation of the LNG changes the fraction of BOG and the thermodynamic properties more quickly over time compared to the as-loaded LNG. Without evaluating and analyzing those changes, there will be deviations in the reported fuel consumption for the vessel. At the same time, it has been common to assume a composition for the BOG that is identical to the loaded LNG when calculating the corresponding consumption. A BOG measurement based on a flow meter usually does not account for the changes in the composition of the BOG and its density under standard conditions during the voyage. In addition, BOG measurement is based on that assumption and misled with assumptions that BOG gross calorific value ( G C V B O G )  is the same as the loaded LNG gross calorific value ( G C V L N G ) . The fractions in the LNG, such as nitrogen and methane, are more volatile for a given loading temperature, which implies a larger fraction of these substances in the BOG than in the LNG itself. Any difference in the BOG’s composition will influence the vessel’s fuel consumption since it is used as a fuel during the transport and is directly connected with this fact. Because of the changes in those fractions over time, it is essential to analyze the properties commonly used in flow calculations for natural gas flowmeters that influence the accuracy. The required properties for gas-flow measurements are the density  ρ , the molar fractions of the individual constituents  x i , and the compressibility factor  Z . With various strategies for calculating the flow and energy, important questions include the following: to what extent is knowledge of the composition of the gas required and what is the accuracy that can be achieved. The mass flow rate  q m  is given by the actual volumetric flow rate under the line condition  q V  and the density under the line condition  ρ :
q m = ρ · q V
ρ · q V = ρ 0 · q 0
q m = ρ 0 · p p 0 · Z 0 Z · T 0 T q V
where  ρ 0  is the density;  Z 0  is the compressibility factor;  p 0  is the pressure;  T 0  is the temperature;  q 0  is the standard flow under the standard reference conditions (0 °C temperature and 101.325 kPa pressure); and ρ, Z, p, and T are the line values under the line condition.
Measuring the BOG flow to the engine and assuming the fraction, such as the LNG fractions in the cargo tanks, does not represent the actual flowing fraction of BOG to the engine for consumption. Because of the source of LNG and its impurities, accurate measurements of the consumed BOG are challenging, resulting in many questions about how to deal with an accurate evaluation of the system as well the mass flow measured when the BOG fractions are changing over time. The compositions and fractions of the gas influence the accuracy of the mass measurements of the flow, as well as volumetric measurements due to the interconnection and influence of the density, molar fraction, and compressibility factor. A process of accounting for the changes in the BOG’s density and the  G C V B O G  besides an already-installed measurement chain (a flow meter and a flow computer with pressure and temperature transmitters) should bring more accuracy and more valid data for assessing the system and the consumption. Compared to the usual industrial practice at the end of a long laden voyage, the consumption of BOG represents 5% of the total loaded cargo. This consumption is not the issue when a vessel is in port during the loading or discharging due to the standard loading and unloading periods of 12 to 14 h. A simplification of this calculation is acceptable as the use of gas with an assumption of 100% methane and due to the estimated energy of the gas consumed in the engine room between the opening and closing custody transfer surveys (CTSs) can typically be 0.05 to 0.06% of the total energy of transferred LNG (see GIIGNL [2]).
An assessment of produced BOG composition and associated thermodynamic properties requires an appropriate dynamic model that adequately describes physical and chemical processes related to LNG mixture vaporization. Various models capable of modeling the LNG ageing process were developed with particular applications for LNG ship cargo tanks or above-ground LNG storage tanks. Distinguished models for LNG shipping are from Aspelund et al. [18], Dimopoulos and Frangopolous [26], Faruque et al. [4] and Miana et. Al. [3]. More recent and advanced models were modeled for above-ground storage tanks by Adom et al. [27], Pellegrini et al. [28] and Migliore ([29,30]).
For this research, simulations applied the dynamic model of Dimopoulos and Frangopoulos [26] because of its reasonable simplifications (assumed ideal behavior of the liquid and gas phase, bulk evaporation model that neglects surface effects) with which the time-consuming complete LNG storage tank finite element analysis was avoided, while preserving rather accurate estimates of BOG mass flow and composition with related thermodynamic properties. With this model, the simulation cannot account for a more complex phenomenon, such as rollover or the sloshing inside the LNG tanks as well as the outside temperature and the sea conditions, because such an analysis would require additional inputs as well as the appropriate additional equations within a description of the state of the LNG components and the mixture (Nasrifar and Bolland [31]; Faruque et al. [4]).
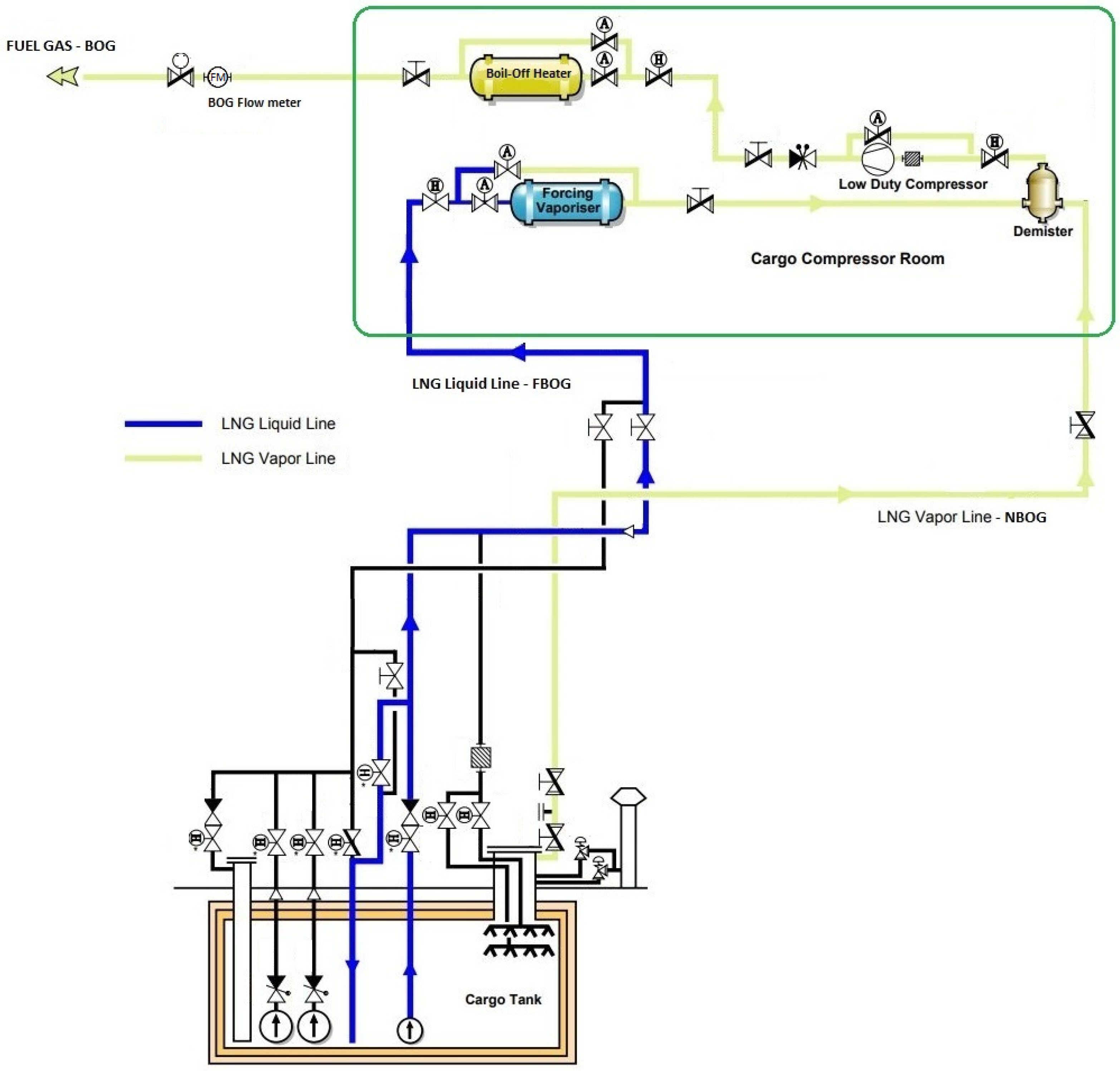
The focus of this research was on how vaporization (NBOG—Natural Boil of Gas + FBOG—Forcing Boil of Gas) affects the BOG (BOG = NBOG + FBOG) and how the BOG should be considered to have a more accurate tracking and assessment in an analysis of the techno-economic complete energy system, accounting also for changes in the  G C V B O G , molar fraction ( x i ), density ( ρ 0 ) , and compressibility factor ( Z 0 )  of the BOG when it is measured with a flow meter. Those parameters should be calculated because they all determine the energy of the BOG consumed during the voyage. In this research, we focused only on the gas mode using the NBOG and FBOG for propulsion. A voyage varies from seven to 35 days, depending on the loading–discharging terminal. The total number of days for the entire voyage depends on the voyage, and an extended voyage has been used in this case. However, an important feature of these cases was not to calculate the changes in concentrations for a fixed period of time, but rather to highlight the changing trend of the fractions per day of the voyage. A voyage of 25 days was chosen to see the overall trend in the vaporization, as most voyages will be covered by this value. Figure 1 presents the typical arrangement of the LNG vessel system for utilizing BOG as a fuel for propulsion.
The research was carried out to present the composition variability during the voyage, comparing four marginal-limit-value cases from different sources and how the different fractions affect the LNG and BOG over time, presenting the cases when the BOG was used as a fuel for propulsion and how the parameters such as density ( ρ 0 ) , compressibility ( Z 0 ) G C V L N G , and  G C V B O G  vary over the time and can affect the measurement because of those changes. Section 2 presents the model and assumptions that were used in this analysis. Section 3 presents the results for four cases using the model and illustrates the variation in methane and nitrogen, the  G C V L N G  and  G C V B O G , the variation in the standard density ( ρ 0 )  and the compressibility factor ( Z 0 )  over time. The research showed the starting and ending molar compositions, a comparison of the density value under standard conditions over the pure methane, the compressibility factor under standard conditions, and the same comparison of our cases and the difference between the  G C V L N G  and  G C V B O G . Finally, Section 4 gives a discussion and conclusions based on the research results.

2. Methodology

This section will cover all the assumptions and equations that provide the model’s foundation and computer code development based on the dynamic model of Dimopoulos and Frangopoulos [26].

2.1. Vapor–Liquid Equilibrium and Boil-Off Gas

Based on an assumption of ideal behavior for the liquid-phase solution, the simplified vapor–liquid equilibrium (VLE) condition can be written as:
p i = x g i · p g = x l i · p v a p i .
This formula is based on the simplified Raoult’s Law, which gives the relationships between the partial pressures for each i-th constituent of the vapor mixture and the vapor saturation pressure  p v a p i  of the pure constituent and its molar fraction  x l i .
The LNG mixture’s molar composition is defined by the molar fractions of the individual constituents  x i , where g denotes the gaseous phase and l is the liquid phase. Then,  p g  is the total pressure of the gas mixture. The molar fraction for the i-th component is defined by:
x i = N i N ,
where  N i  is the number of moles of the individual constituents and  N  is the total number of moles. Taking into account Equations (4) and (5) we obtain:
N g i N g · p g = N l i N l · p v a p i .
The vapor pressure  p v a p i  of each constituent i is estimated using the Antoine equation:
log 10 p v a p i = A i B i T V + C i
The Antoine Equation’s (7) parameters A, B, and C are obtained by curve fitting the experimentally derived data and are given for typical LNG constituents in Ref. [32]. The temperature used is the LNG mixture’s temperature in the cargo tank  T V .
The rate of the total molar quantity of produced BOG due to LNG vaporization depends on the heat flow rate through the tank’s insulation  Q ˙ H T  and the total molar enthalpy of vaporization for the LNG mixture  H v a p L N G :
Q ˙ H T = q N g , N B O G · H v a p L N G ,
where  q N g , N B O G = i = 1 n q N g i , N B O G  (corresponding to the boil-off molar flow rates due to natural evaporation,  q N g i , N B O G = x g , i q N g , N B O G ) and the total molar enthalpy of vaporization for the LNG mixture  H v a p L N G  is calculated from a mixture of the molar composition and the molar enthalpies of vaporization for the mixture’s individual constituents  H v a p i  according to (7):
H v a p L N G = i = 1 n x l i · H v a p i ( T V ) .
The individual constituents’ enthalpies of vaporization  H v a p i  are calculated using an experimentally derived equation (Somayajulu [24]):
H v a p i = a i · X i m + b i · X i 1 + m + c i · X i 2 + m + d i · X i 3 + m
X i = T c i T V T c i T t i
where  a i b i c i , and  d i  are fraction-dependent parameters and their values are given in Somayajulu [33] for each fraction calculated in this model as well as the critical temperature  T c i , the triple-point temperature  T t i  for each fraction calculated value  X i . The constant m is equal to 0.375.
Equation (8) presents a simplified energy conservation law for a VLE vaporization process where the change in vapor and liquid sensible heat is neglected during one time step. That simplification is justified for contemporary LNG ships and storage tanks designs where the temperature rise for a one-day period is close to zero (0.02–0.1 K/day).
Based on the obtained BOG mixture composition, the molar-basis calorific values GCV and LHV are calculated using the equations and parameters given in Ref. [34]. The total molar-basis gross calorific value for the gaseous phase (the BOG) for the reference temperature  t r e f  = 15 °C,  G C V g ( t r e f )  is calculated from the individual constituents’ gross calorific values at the same temperature  G C V g i ( t r e f ) :
G C V g ( t r e f ) = i = 1 n x g i · G C V g i ( t r e f ) .
The total molar-basis lower heating value for the gaseous phase (the BOG) at the reference temperature  t r e f L H V g ( t r e f ) , is calculated from  G C V g ( t r e f )  by subtracting the heat of vaporization for the water such that:
L H V g ( t r e f ) = G C V g i = 1 n x g i · b i 2 · L 0 ( t r e f ) ,
where  L 0 ( t r e f )  is the standard enthalpy of vaporization of the water and  b i  is the number of the hydrogen atomic index of each constituent.

2.2. Dynamic Model

A dynamic model needs to recalculate this equilibrium state during the time of the voyage, as the concentration of the LNG will change due to the gas boiling off. The model represents a conservation law of the LNG mixture constituents and produced BOG and forced BOG (FBOG) constituents over time and is given by a set of n ordinary differential equations (ODEs) for every LNG mixture constituent. The molar quantity of any LNG part is decreased by the natural BOG evaporation rate  q N g i , N B O G  and the forced BOG outflow rate  q N l i , F B O G , while it is increased with the BOG reliquefication rate  q N g i , R L Q . The rate of change for a number of moles  N l , i  is related to the corresponding boil-off molar flow rates due to natural and forced evaporation,  q N g , i , N B O G = x g , i q N , N B O G q N l , i , F B O G = x l , i q N , F B O G , and  q N g , i , R L Q = x g , i q N , R L Q , respectively:
d N l , i d t = q N g , i , N B O G q N l , i , F B O G + q N g , i , R L Q
The fuel heat power input is defined as the sum of the fuel heat powers from the natural BOG with the gaseous phase composition and the forced BOG with the LNG mixture composition within the law of conservation of energy, which defines the required forced boil-off rate to assure the specified required fuel heat power  P F H P ( t ) :
P F H P = q N g , N B O G L H V g + q N l , F B O G L H V l .
The exact form of Equation (15) is derived by combining Equations (5), (12), and (13):
q N l , F B O G t , N l , i = P F H P ( t ) q N g , N B O G t , N l , i L H V g t , N l , i L H V l N l , i .
The initial condition for the number of moles of the liquid phase is determined from the given initial time composition  x l , i 0 , volume  V l 0 ,  and temperature  T V 0 :
N l , i 0 = x l , i 0 N l 0 = x l , i 0 ρ l T V 0 V l 0 M l 0 ,
where  ρ l T V 0  is the density at the initial temperature and  M l 0  is the initial time molar mass  M l 0 = i x l , i 0 M l , i .
The model is extended with calculations of lower heating values (LHV) and gross calorific values (GCV) according to ISO 6976 standard [34]. LNG, FBOG, NBOG, and BOG mixtures’ thermodynamic properties calculations are implemented through the utilization of REFPROP® 10 database software functions calls.
The computer code for the described dynamic model with VLE equilibrium calculations is implemented in the Mathworks Matlab programming environment. A system of n ordinary differential equations is solved using the Mathworks Matlab ODE45 solver function [35]. Number n corresponds to the number of LNG constituents. The solver is based on the explicit Dormand–Prince pair method that belongs into the Runge–Kutta 4th- and 5th-order family of methods, see Ref. [36].

2.3. Case Study Model Parameters

Four cases represented by limiting the minimum and maximum values of methane and nitrogen content are used to estimate the general influence of the compositional variability over the whole range of practically possible LNG source mixtures. Table 2 shows the initial molar composition for the four cases selected in this research. Table 3 shows the cargo parameters that were accounted for in the calculation. All simulations are conducted with a 1-day time step because it is proven that the difference in simulation results between a time step of 1 h and 1 day is negligible. For example, and as guidance for Case 1A, the difference between the molar fractions of the individual constituents  x g , i  and  x l , i  at the start and the end of the voyage between the 1-day step and 1-h step is negligible, with the difference higher than 10−5. This is completely in line with conclusions drawn in [26].
The function that defines the change in cargo tank temperature over time  T V ( t )  is set to a constant value equal to the initial cargo tank temperature during the whole voyage time. That assumption is justified with fact that modern LNG ships and storage tanks designs achieve a practically negligible temperature increase for a one-day period (0.02–0.1 K/day). Additionally, the influence of energy conservation law simplification, expressed with Equation (8), is avoided with that approach.
The BOG reliquefication rate  q N g , i , R L Q  is considered to be zero. The propulsion requirements for this study are defined as a constant required for the fuel heat power input  P F H P . In this research, the heat flow rate  Q ˙ H T  is considered constant during the voyage, with a value of 600 kW. This is based on an empirical estimation of the average boil-off rate for typical LNG vessels (Kuver, et al., [23]). For the purpose of the research, a typical propulsion unit with a nominal power of 25 MW and a thermal efficiency of 40% was considered. With this assumption, the required fuel heat power input  P F H P  for the propulsion plant is 25 MW/0.4 = 62.5 MW. The ship’s speed and, consequently, the propulsion power are considered to be constant throughout the voyage. The BOG represents the total BOG needed for propulsion, NBOG represents the natural boil-off gas explained in Section 2.1, and FBOG represents the forced boil-off explained in Section 2.2. The forced boil-off of the LNG is the result of capturing a certain amount of liquid from the cargo tanks, and the composition of the forced boil-off is the same as the composition of the LNG in the cargo tanks at the moment. So, the BOG consists of a part of the NBOG and the forcing BOG, and as such represents the value used as the propulsion fuel.

3. Results

All the results are produced with simulations conducted for defined cases with the mentioned Mathworks Matlab program that is developed for the purpose of this research.
Figure 2, Figure 3, Figure 4 and Figure 5 show the fraction of methane (CH4) and nitrogen (N2) variations and how they change during the voyage. In the slopes of the graphs for Case 1A through Case 2B, in cases where the concentration of CH4 was low and N2 high (Case 2A, 2B), the evaporation of N2 is very intense and high, with ranges from the start to end of the trip being 9.85%/5.94% (Case 2A—start/end) and 9.35%/5.62% (Case 2B—start/end), while CH4 ranges from 90.33%/94.04% (Case 2A—start/end) to 89.68%/93.39% (Case 2B—start/end), see Table 4. On the slopes of the graphs there is a very intense evaporation of N2 in Cases 2A and 2B compared to the other two cases, Cases 1A and 1B. Due to the difference in the fraction and interdependence, more volatile fractions evaporate faster. CH4 in Case 2A and 2B changes much more from the start/end conditions, due to the more significant presence of N2, which is more volatile than CH4 (boiling point at atm pressure N2 = −196 °C; CH4 = −161 °C), it evaporates faster. Changes are shown for the BOG, which due to the presence of the FBOG, reduces this difference because the composition of the forced boil-off is the same as the composition of the LNG in the cargo tanks and is an addition to the power demand for the ship’s propulsion.
Figure 6, Figure 7, Figure 8 and Figure 9 present typical  G C V  changes for the BOG, LNG, and the comparison of pure methane, which is commonly used in many studies and as such is not correct. The fractional composition of the cargo greatly influences the behavior of the GCV. At the beginning of the voyage, when the cargo tanks are at the lowest temperature, only the most volatile fractions evaporate (nitrogen and methane Figure 7 and Figure 9), resulting in a lower  G C V B O G , see Table 5. The nitrogen concentration in the BOG is higher (see Figure 3 and Figure 5) at the start of the trip and results in lower  G C V B O G  values. The concentration of nitrogen decreases during the trip, consequently affecting the increase in  G C V B O G  towards the end of the trip, while the demand for forcing BOG also decreases due to the increase in the  G C V N B O G  of NBOG (evaporation of N2 to a greater extent at the beginning of the trip). This can be seen comparing Figure 3 with Figure 7 and Figure 5 with Figure 9, where the contribution of N2 and other fractions can be readily deduced to influence the GCV for Case 1A and 1B (Figure 2 and Figure 4 with Figure 6 and Figure 8). However, if we compare all these values with pure methane, we see that the assumption about the evaporation of pure methane is not correct, and in a comparison of the GCVs for each case, they differ greatly due to the contribution of the fractional composition of the cargo and these differences are very large and characteristic in the cases of Case 2A and 2B.
Figure 10, Figure 11, Figure 12 and Figure 13 show the density ( ρ 0 )  under standard conditions for the four cases, accounting for their fractions and their changes during the voyage and making a comparison with pure methane. The differences that occur when compared to the different fractional values during the voyage for the BOG and FBOG (LNG) compositions under standard conditions (0 °C; 101,325 kPa) are significant in the Case 2A and 2B. The results illustrate how the cargo behaves during transport and what effect the fractions have on the density under standard conditions when compared to methane. Results in Table 6 show that for the Case 1A, where a high concentration of methane is present, the difference between the FBOG and actual BOG densities at standard conditions is insignificant. Still, this difference is from 4.2 to 7.3% for other cases. In Table 4, we see the differences between the molar component fractions for the individual cases at the beginning and the end of the trip and how much they differ between the FBOG fractions and the BOG under standard conditions (Table 6).
The thermodynamic properties such as the real gas constant or the compressibility factor Z (which is used in flow calculations), relevant for non-ideal behavior of the real gas influence, are one part of the important sources of uncertainties. Figure 14, Figure 15, Figure 16 and Figure 17 show a comparison of the compressibility factor Z at standard conditions changing over time. The corresponding summary results are presented in Table 7.
Compressibility factor results show negligible differences between the analyzed fractions (cases). This is primarily because the compressibility factor is always close to one (1) at standard conditions. This leads to the conclusion that compressibility factor at standard conditions (Z0) will add to the minor uncertainty in the measuring chain, with a negligible impact.
BOG mass flow variation over time for all analyzed cases is presented in Figure 18 and represents the influence of the composition on the mass flow due to the different actual compositions of the BOG. It is evident that nitrogen content has the major influence on the differences between BOG mass flow functions over time. A comparison of Figure 18 results with graphs of density and GCV functions over time shows an interconnection in mass flow and impact on mass flow during the voyage, where we must account for the composition of the BOG during the voyage. When we compare the cases’ density and gross calorific value, Figure 18 presents the logical outcome compared with the mass flow accounting for the composition of the BOG. With this, we see that if we do not account for those changes in the BOG, this will add to the uncertainty in the measuring chain, impacting measurements.

4. Discussion

The main focus of this research was to gain an insight into the extent of BOG flow measurement inaccuracies and related uncertainties that should be accounted for during an LNG ship voyage characterized with the LNG ageing process and BOG generation. The LNG industry common practice is to assume that the BOG composition and related density are identical to the initial LNG or pure methane, resulting in inaccuracy in BOG mass flow measurements. An estimation of these uncertainties and the quantification of required gas flow measurement correction factors are particularly important regarding LNG shipping economics and the utilization of BOG as a fuel for ship propulsion.
Four cases represented by limiting the minimum and maximum values of methane and nitrogen content are established to assess the influence of the compositional variability over the whole range of possible LNG source mixtures. A Matlab program implemented with a simplified dynamic boil-off model is utilized for LNG voyage simulations and the assessment of LNG and BOG properties variability with time.
The combined influence of the starting LNG mixture’s composition, the natural vaporization of the LNG during transport, and the ship’s propulsive power place demands on the produced BOG’s composition, its gross calorific value ( G C V ), and the parameters that can influence flow measurement such as the compressibility factor and density, which are analyzed and presented. A comparison of the results is given for a mixture with a high methane content (Case 1) and a mixture with a high nitrogen content (Case 2). The impact on the calculation is higher due to the higher level of nitrogen in the LNG mixture. A higher nitrogen concentration and higher volatility give us an interconnection between the  G C V  compared in the cases.
A higher nitrogen content influences the density of BOG under standard conditions during the voyage, bringing us less accuracy in measuring the BOG mass flow due to more significant differences from the start and end of the voyage. Comparing Case 2A and Case 2B, these represent a higher deviation during the voyage than Case 1A and 1B. Furthermore, there is an interconnection with the methane content impacting the  G C V  of the BOG. This interconnection is more visible when comparing the BOG mass flow between the cases where there is a notable difference in flow for each case where the nitrogen content is higher (Case 2A, 2B), influenced by the lower  G C V  of BOG during the voyage. A notable influence comparing the density is in Case 2A (−6.63%), where we have a difference presenting as the less accounted mass flow, or in Case 1B (3.40%), where we have a more accounted mass flow of BOG if we do not account for density variability during the voyage. In addition, it is notable that during the voyage in Case 2A with a higher content of methane and higher content of nitrogen, Case 2A (−6.63%/−4.06%) brings more uncertainties than in Cases 2B, with a lower concentration of methane and a higher concentration of nitrogen (−1.80%/+0.75%). Our assessment for a wide limiting range of LNG compositions led to the conclusion that LNG mixtures with higher nitrogen contents will have higher deviations in density,  G C V , and methane fraction, impacting the measurement of different directions pending also on the concentration of methane. It is not acceptable to make simplifications such as assumptions that the actual BOG composition is approximately equal to the LNG composition or equal to pure methane, thus disregarding fractions of other constituents. Furthermore, the BOG’s density variability during the voyage must be accounted for. The BOG’s composition affects its density under standard conditions and, consequently, the BOG flow measurements. The conducted analyses of the LNG and BOG compositions provide an insight into the related variability, enabling accurate measurements of the gas flow, bringing us the deviation in BOG density from 6.63% up to 3.40% (Table 5), compared with the LNG composition. Compared to the density of pure methane, the difference ranges from 0.63 to 7.32% (Table 5). The research performed with the model indicates the behavior of the cargo during transport and how the cargo itself behaves with its fractions that affect the consumption of BOG in the engine room, as presented in the graphs of  G C V F B O G ( L N G ) G C V B O G , density ( ρ 0 ) , and the molar fractions of the individual constituents of  x B O G i  in the tables. The  G C V , density, molar fractions of individual constituents, and compressibility deviate throughout the voyage, adding a number of uncertainties to the chain of measurements.
Further investigations of these uncertainties are required to assess possible mitigation measures. Another direction of research could be focused on the enhancements to the applied dynamic model or the utilization of more advanced models in order to account for real gas behavior, liquid temperature stratification, a realistic heat exchange model, etc. The advanced model could be validated with available data acquired during the realistic LNG ship voyages.

Author Contributions

Conceptualization, D.P. and I.B.; Methodology, D.P., D.K., I.B. and J.K.; Software, D.K. and J.K.; Validation, D.K. and J.K.; Formal analysis, D.P. and J.K.; Investigation, D.P.; Resources, D.P.; Data curation, D.P.; Writing—original draft, D.P. and D.K.; Writing—review & editing, D.K., I.B. and J.K. All authors have read and agreed to the published version of the manuscript.

Funding

This research received no external funding.

Institutional Review Board Statement

Not applicable.

Informed Consent Statement

Not applicable.

Data Availability Statement

The data presented in this study are available on request from the corresponding author. The data are not publicly available due to privacy.

Conflicts of Interest

The authors declare no conflict of interest.

References

  1. Zhongbin, Z.; Xifu, W.; Hao, W.; Suxin, C.; Wei, L. Fleet Deployment Optimization for LNG Shipping Vessels Considering the Influence of Mixed Factors. J. Mar. Sci. Eng. 2022, 10, 2034. [Google Scholar]
  2. GIIGNL (International Group of Liquefied Natural Gas Importers). LNG Custody Transfer Handbook, 6th ed.; GIIGNL: Neuilly-sur-Seine, France, 2021; pp. 12–192. [Google Scholar]
  3. Mian, M.; Hoyo, R.D.; Rodrigalvarez, V.; Valdes, J.R.; Llorens, R. Calculation model for prediction of liquified natural gas (LNG) ageing during ship transportation. Appl. Energy 2010, 87, 1687–1700. [Google Scholar] [CrossRef]
  4. Faruque, M.M.H.; Zheng, M.A.; Karimi, I.A. Minimizing Boil Off Losses in Liquefied Natural Gas Transportation. American Chemical Society. Ind. Eng. Chem. Res. 2009, 48, 9571–9580. [Google Scholar]
  5. Głomski, P.; Michalski, R. Problems with Determination of Evaporation Rate and Properties of Boil-off Gas on Board LNG Carriers. J. Pol. CIMAC 2011, 6, 133–140. [Google Scholar]
  6. Benito, A. Accurate determination of LNG quality unloaded in Receiving Terminals: An Innovative Approach. Int. Gas. Union World Gas. Conf. Pap. 2009, 6, 4627–4646. [Google Scholar]
  7. British Petrol and International Gas Union. Guidebook to Gas Interchangeability and Gas Quality. 2011. Available online: http://www.igu.org/igupublications/Gas%20Interchangeability%202011%20v6%20HighRes.pdf (accessed on 15 June 2022).
  8. ISO 6578:2017; Refrigerated Hydrocarbon Liquids—Static Measurement—Calculation Procedure. BSI Standards Limited: London, UK, 2017.
  9. Dobrota, Đ.; Lalić, B.; Komar, I. Problem of Boil–off in LNG Supply Chain. Trans. Marit. Sci. 2013, 2, 91–100. [Google Scholar] [CrossRef]
  10. Gospic, I.; Martic, I.; Degiuli, N.; Farkas, A. Energetic and Ecological Effects of the Slow Steaming Application and Gasification of Container Ships. J. Mar. Sci. Eng. 2022, 10, 703. [Google Scholar] [CrossRef]
  11. MAN Energy Solutions. Emission Project Guide, 13th ed.; MAN Energy Solutions: Shanghai, China, 2023; Available online: https://man-es.com/applications/projectguides/2stroke/content/special_pg/PG_7020-0145.pdf (accessed on 10 January 2023).
  12. Shin, Y.; Lee, Y.P. Design of a boil-off natural gas reliquefaction control system for LNG carriers. Appl. Energy 2009, 86, 37–44. [Google Scholar] [CrossRef]
  13. Sayyaadi, H.; Babaelahi, M. Thermoeconomic optimization of a cryogenic refrigeration cycle for re-liquefaction of the LNG boil-off gas. Int. J. Refrig. 2010, 33, 1197–1207. [Google Scholar] [CrossRef]
  14. Pil, C.K.; Rausand, M.; Vatn, J. Reliability assessment of reliquefication systems on LNG carriers. Reliab. Eng. Syst. Saf. 2008, 93, 1345–1353. [Google Scholar]
  15. Romero, G.J.; Romero, G.M.; Lopez, B.J.; Baalinã Insua, A. Analysis and efficiency enhancement of a boil-off gas reliquefication system with cascade cycle on board LNG carriers. Energy Convers. Manag. 2015, 94, 261–274. [Google Scholar] [CrossRef]
  16. Bahgat, W.M. Proposed method for dealing with boil-off gas on board LNG carriers during loaded passage. Int. J. Multidiscip. Curr. Res. 2015, 3, 508–512. [Google Scholar] [CrossRef]
  17. Kountz, K.J. Watering of on-Board Storage Tank; Project Final Report, IGT Project 32034-02; Institute of Gas Technology: Des Plaines, IL, USA, 1999. [Google Scholar]
  18. Aspelund, A.; Cjovag, G.A.; Neksa, P.; Kolsaker, K. LNG-chain a calculation tool for natural gas quality in small scale LNG distribution chains. In Proceedings of the ICEC-21 International Cryogenic Engineering Conference, Prague, Czech Republic, 17–21 July 2006. CR06-133. [Google Scholar]
  19. Ratan, R.; Samane, G.; Amit, K.; Jia, G.; Linwei, M. A techno-economic study of shipping LNG to the Asia-Pacific from Western Canada by LNG carrier. J. Nat. Gas Sci. Eng. 2016, 34, 979–992. [Google Scholar]
  20. Lavander, O.; Hannula, S. More gas for LNG carriers. Wartsila Mar. News 2004, 3, 6–11. [Google Scholar]
  21. MAN B & W, 2023, MAN B & W S65ME-C8.6 Project Guide. Available online: https://man-es.com/applications/projectguides/2stroke/content/printed/S65ME-C8_6.pdf (accessed on 8 January 2023).
  22. MAN B & W, 2021, MAN B & W S65ME-C8.6-GI Project Guide. Available online: https://man-es.com/applications/projectguides/2stroke/content/printed/S65ME-C8_6-GI.pdf (accessed on 8 January 2023).
  23. Kuver, M.; Clucas, C.; Fuhrmann, N. Evaluation of Propulsion Option for LNG carriers. In Proceedings of the GASTECH 2002, Doha, Qatar, 13–16 October 2002. [Google Scholar]
  24. Laurilehto, M. Propulsion system for future LNG carriers. Wartsila Mar. News 2000, 3, 20–23. [Google Scholar]
  25. LNG Carriers with ME-GI Engine and High-Pressure Gas Supply System. Available online: https://mandieselturbo.com/files/news/filesof8121/5510-002600ppr.indd.pdf (accessed on 20 May 2022).
  26. Dimopoulos, G.G.; Frangopoulos, C.A. A Dynamic Model for Liquefied Natural Gas Evaporation During Marine Transportation. Int. J. Thermodyn. 2008, 11, 123–131. [Google Scholar]
  27. Adom, E.; Islam, S.Z.; Ji, X. Modelling of boil-off gas in LNG tanks: A case study. Int. J. Eng. Technol. 2010, 2, 292–296. [Google Scholar]
  28. Pellegrini, L.A.; Moioli, S.; Brignoli, F.; Bellini, C. LNG Technology: The weathering in above-ground storage tanks. Ind. Eng. Chem. 2014, 53, 3931–3937. [Google Scholar] [CrossRef]
  29. Migliore, C.C. Modelling the Weathering Process of Stored Liquefied Natural Gas (LNG). Ph.D. Thesis, Imperial College London, London, UK, April 2016. [Google Scholar]
  30. Migliore, C.C.; Tubilleja, C.; Vesovic, V. Weathering prediction model for stored liquefied natural gas (LNG). J. Nat. Gas Sci. Eng. 2015, 26, 570–580. [Google Scholar] [CrossRef]
  31. Nasrifar, K.; Bolland, O. Prediction of thermodynamic properties of natural gas mixture using 10 equation of state including a new cubic two-constant equation of state. J. Sci. Eng. 2006, 51, 253–266. [Google Scholar] [CrossRef]
  32. NIST. U.S. National Institute of Science and Technology (NIST) Standard Reference Chemical Properties Database; NIST: Gaithersburg, MD, USA, 2007.
  33. Somayajulu, G.R. New equations for enthalpy of vaporization from the triple point to the critical point. Int. J. Thermophys. 1988, 9, 56–575. [Google Scholar] [CrossRef]
  34. ISO 6976:2016; Natural Gas—Calculation of Calorific Values, Density, Relative Density and Wobbe Indices from Composition. BSI Standards Limited: London, UK, 2016.
  35. The Mathworks Inc. Optimization Toolbox™ User’s Guide, MATLAB; The Mathworks Inc. 2022. Available online: https://www.mathworks.com/help/pdf_doc/optim/optim.pdf (accessed on 15 June 2022).
  36. Shampine, L.F.; Reichelt, M.W. The MATLAB ODE suite. SIAM J. Sci. Comp. 1997, 18, 1–22. [Google Scholar] [CrossRef]
Figure 1. LNG vessel system for BOG utilization as a fuel.
Figure 1. LNG vessel system for BOG utilization as a fuel.
Jmse 11 01980 g001
Figure 2. Variation in BOG methane and nitrogen composition for Case 1A.
Figure 2. Variation in BOG methane and nitrogen composition for Case 1A.
Jmse 11 01980 g002
Figure 3. Variation in BOG methane and nitrogen composition for Case 2A.
Figure 3. Variation in BOG methane and nitrogen composition for Case 2A.
Jmse 11 01980 g003
Figure 4. Variation in BOG methane and nitrogen composition for Case 1B.
Figure 4. Variation in BOG methane and nitrogen composition for Case 1B.
Jmse 11 01980 g004
Figure 5. Variation in BOG methane and nitrogen composition for Case 2B.
Figure 5. Variation in BOG methane and nitrogen composition for Case 2B.
Jmse 11 01980 g005
Figure 6. BOG GCV variation for Case 1A.
Figure 6. BOG GCV variation for Case 1A.
Jmse 11 01980 g006
Figure 7. BOG GCV variation for Case 2A.
Figure 7. BOG GCV variation for Case 2A.
Jmse 11 01980 g007
Figure 8. BOG GCV variation for Case 1B.
Figure 8. BOG GCV variation for Case 1B.
Jmse 11 01980 g008
Figure 9. BOG GCV variation for Case 2B.
Figure 9. BOG GCV variation for Case 2B.
Jmse 11 01980 g009
Figure 10. Variation in the BOG density under standard conditions considering the different compositions for Case 1A.
Figure 10. Variation in the BOG density under standard conditions considering the different compositions for Case 1A.
Jmse 11 01980 g010
Figure 11. Variation in the BOG density under standard conditions considering different compositions for Case 2A.
Figure 11. Variation in the BOG density under standard conditions considering different compositions for Case 2A.
Jmse 11 01980 g011
Figure 12. Variation in the BOG density under standard conditions considering the different compositions for Case 1B.
Figure 12. Variation in the BOG density under standard conditions considering the different compositions for Case 1B.
Jmse 11 01980 g012
Figure 13. Variation in the BOG density under standard conditions considering different compositions for Case 2B.
Figure 13. Variation in the BOG density under standard conditions considering different compositions for Case 2B.
Jmse 11 01980 g013
Figure 14. Variation in compressibility factor Z under standard conditions for Case 1A.
Figure 14. Variation in compressibility factor Z under standard conditions for Case 1A.
Jmse 11 01980 g014
Figure 15. Variation in compressibility factor Z under standard conditions for Case 2A.
Figure 15. Variation in compressibility factor Z under standard conditions for Case 2A.
Jmse 11 01980 g015
Figure 16. Variation in compressibility factor Z under standard conditions for Case 1B.
Figure 16. Variation in compressibility factor Z under standard conditions for Case 1B.
Jmse 11 01980 g016
Figure 17. Variation in compressibility factor Z under standard conditions for Case 2B.
Figure 17. Variation in compressibility factor Z under standard conditions for Case 2B.
Jmse 11 01980 g017
Figure 18. Variation in BOG mass flow for all four cases during the voyage.
Figure 18. Variation in BOG mass flow for all four cases during the voyage.
Jmse 11 01980 g018
Table 1. Boiling point of LNG components.
Table 1. Boiling point of LNG components.
ComponentBoiling Point (at 101.325 kPa)
Nitrogen N2−196 °C
Methane CH4−161 °C
Ethane C2H6−89 °C
Propane C3H8−42 °C
Iso Butane i-C4H10−12 °C
N-Butane n-C4H10−1 °C
Iso Pentane i-C5H12+28 °C
Table 2. Initial molar composition of the examples used.
Table 2. Initial molar composition of the examples used.
CaseCH4C2H6N2
Case_1A99.86960.01640.1140
Case_2A99.16960.01640.8140
Case_1B93.56006.18000.2600
Case_2B93.06006.18000.7600
Table 3. Cargo parameters used in the calculation.
Table 3. Cargo parameters used in the calculation.
Voyage duration [days]25
Start LNG volume [m3]144,000Start LNG temperature [°C]−160
LNG tank Heat transfer rate [kW]600Simulation time step [days]1
Standard reference conditions
Temperature [°C]0Pressure [kPa]101.325
Table 4. Molar components for individual cases at the beginning and end of the voyage.
Table 4. Molar components for individual cases at the beginning and end of the voyage.
STARTENDSTARTENDSTARTENDSTARTEND
LNG (FBOG) [% mol/mol]Case_1ACase_1ACase_2ACase_2ACase_1BCase_1BCase_2BCase_2B
Methane CH499.869699.921999.169699.520193.560093.421393.060093.1328
Ethane C2H60.01640.01670.01640.01676.18006.28046.18006.2814
Nitrogen N20.11400.06140.81400.45690.26000.14040.76000.4234
BOG [% mol/mol]molar compositions [% mol/mol]
Methane CH498.370399.109290.332294.048995.584097.175389.683293.3956
Ethane C2H60.00110.00110.00230.00190.84410.81021.12050.9935
Nitrogen N21.62860.88989.85535.94923.60072.00529.35235.6295
Table 5. Initial and final values of GCV for LNG and BOG and their difference.
Table 5. Initial and final values of GCV for LNG and BOG and their difference.
STARTENDSTARTENDSTARTENDSTARTEND
GCV [MJ/kg]Case_1ACase_1ACase_2ACase_2ACase_1BCase_1BCase_2BCase_2B
FBOG (LNG) 55.46055.59854.78555.21554.93555.12454.48054.865
BOG comp.54.09554.80746.75350.12352.21253.69847.18150.388
Deviation
% diff. GCV−2.52%−1.44%−17.18%−10.16%−5.22%−2.66%−15.47%−2.66%
Table 6. Initial and final density values for FBOG (LNG) composition and BOG compared to the density of pure methane under standard conditions.
Table 6. Initial and final density values for FBOG (LNG) composition and BOG compared to the density of pure methane under standard conditions.
STARTENDSTARTENDSTARTENDSTARTEND
Case_1ACase_1ACase_2ACase_2ACase_1BCase_1BCase_2BCase_2B
FBOG (LNG) density [kg/m3]0.71820.71770.72190.71980.75790.75890.76050.7592
BOG density [kg/m3]0.72600.72200.76980.74900.74180.73310.77410.7536
CH4 density [kg/m3]0.71750.71750.71750.71750.71750.71750.71750.7175
Deviation
% diff. CH4 vs. BOG comp. density1.17%0.63%6.79%4.21%3.28%2.13%7.32%4.79%
% diff. CH4 vs. FBOG comp. density0.10%0.04%0.62%0.33%5.33%5.45%5.66%5.50%
% diff. LNG vs. BOG comp. density−1.09%−0.60%−6.63%−4.06%2.12%3.40%−1.79%0.75%
Table 7. Initial and final values of compressibility factor Z for LNG composition and BOG and their differences under standard conditions.
Table 7. Initial and final values of compressibility factor Z for LNG composition and BOG and their differences under standard conditions.
STARTENDSTARTENDSTARTENDSTARTEND
Case_1ACase_1ACase_2ACase_2ACase_1BCase_1BCase_2BCase_2B
FBOG (LNG) comp. Z factor0.997620.997620.997640.997630.997310.997330.997320.99731
BOG comp. Z factor0.997650.997640.997860.9977640.997660.997620.997790.99702
Deviation
% diff. FBOG vs. BOG comp.−0.003%−0.002%−0.022%−0.014%−0.036%−0.030%−0.047%0.029%
Disclaimer/Publisher’s Note: The statements, opinions and data contained in all publications are solely those of the individual author(s) and contributor(s) and not of MDPI and/or the editor(s). MDPI and/or the editor(s) disclaim responsibility for any injury to people or property resulting from any ideas, methods, instructions or products referred to in the content.

Share and Cite

MDPI and ACS Style

Peruško, D.; Karabaić, D.; Bajsić, I.; Kutin, J. Ageing of Liquified Natural Gas during Marine Transportation and Assessment of the Boil-Off Thermodynamic Properties. J. Mar. Sci. Eng. 2023, 11, 1980. https://doi.org/10.3390/jmse11101980

AMA Style

Peruško D, Karabaić D, Bajsić I, Kutin J. Ageing of Liquified Natural Gas during Marine Transportation and Assessment of the Boil-Off Thermodynamic Properties. Journal of Marine Science and Engineering. 2023; 11(10):1980. https://doi.org/10.3390/jmse11101980

Chicago/Turabian Style

Peruško, Dalibor, Damir Karabaić, Ivan Bajsić, and Jože Kutin. 2023. "Ageing of Liquified Natural Gas during Marine Transportation and Assessment of the Boil-Off Thermodynamic Properties" Journal of Marine Science and Engineering 11, no. 10: 1980. https://doi.org/10.3390/jmse11101980

APA Style

Peruško, D., Karabaić, D., Bajsić, I., & Kutin, J. (2023). Ageing of Liquified Natural Gas during Marine Transportation and Assessment of the Boil-Off Thermodynamic Properties. Journal of Marine Science and Engineering, 11(10), 1980. https://doi.org/10.3390/jmse11101980

Note that from the first issue of 2016, this journal uses article numbers instead of page numbers. See further details here.

Article Metrics

Back to TopTop