Next Article in Journal
Null Broadening Beamforming for Passive Sonar Based on Weighted Similarity Vector
Previous Article in Journal
Evaluating the Readiness of Ships and Ports to Bunker and Use Alternative Fuels: A Case Study from Brazil
 
 
Font Type:
Arial Georgia Verdana
Font Size:
Aa Aa Aa
Line Spacing:
Column Width:
Background:
Article

Sensitivity Analysis and Optimization of the Hydraulic Interconnected Suspension Damping System of a Small Rescue Craft

1
Ship Electromechanical Equipment Institute, Dalian Maritime University, Dalian 116026, China
2
China Harzone Industry Corp., Ltd., Wuhan 430200, China
*
Author to whom correspondence should be addressed.
J. Mar. Sci. Eng. 2023, 11(10), 1857; https://doi.org/10.3390/jmse11101857
Submission received: 25 August 2023 / Revised: 18 September 2023 / Accepted: 22 September 2023 / Published: 25 September 2023
(This article belongs to the Section Ocean Engineering)

Abstract

:
Component parameters directly affect the dynamic characteristics of suspension systems in small rescue craft. To study and improve the vibration reduction performance of a new suspension system, sensitivity analysis and genetic algorithm (GA) optimization were performed for a three-degree-of-freedom (3-DOF) vibration reduction suspension system. The system performance was analyzed using AMESim multi-condition simulations, and the sensitivity of the system to parameters that affect its dynamic characteristics was analyzed. Furthermore, the parameters were optimized using the GA. The simulation results indicated that the hydraulic cylinder inner diameter, the piston rod diameter, the accumulator volume, the accumulator pre-charge pressure, and the damper valve aperture size all influenced the working performance of a small salvage vessel. The optimization results showed that the stability of the ship was improved by 60% and that the main hull acceleration root mean square value decreased by 2.24% as a result of the optimization. The stability and riding comfort of the small salvage ship were improved, and there was an evident stability optimization effect. The comprehensive performance of the salvage ship was significantly improved.

1. Introduction

Improving riding comfort has always been the focus of traffic industry research. Riding comfort is important to the evaluation of ground vehicles. Scholars have devoted themselves to researching and improving shock absorption and damping devices. One of the most promising and widely used technologies is suspension. Suspension systems usually consist of springs, shock absorbers, tires, and connecting rods. They can reduce the vibration interference caused by road roughness to a certain extent, thus providing a better vehicle maintenance capability and improved driving quality [1]. Ocean surfaces are coarser and are more prone to causing violent shaking than are road profiles. However, suspension systems are rarely used in marine vehicles to improve riding comfort and stability [2]. Multi-hull ships are necessary for meeting the current transportation requirements of faster travel, improved operability, and enhanced passenger comfort [3]. Ship riding comfort and stability improvement technologies can be divided into three categories: roll stabilizer fins, moving masses, and multi-hull designs [1]. The advent of fast ferries emphasized the need for improved seakeeping systems. Catamarans are the most popular type of high-speed boat for passenger and vehicle transport. They have better transport efficiency at medium and high speeds than do other high-speed ships. Ideal features of catamarans include large deck areas, small roll rates, and small roll angles, which lead to good stability [4].
Because the primary operational purpose of small lifeboats is to save lives at sea, they often work in bad weather in exposed coastal areas. Rescue boat operations can be serious, and concerns about human performance and safety are common, which can reduce the ability of the crew to perform its mission, thereby causing damage and impairment. Damage mitigation is particularly important for rescue operations, where measures must be taken to reduce or mitigate violent motion to protect the occupants [5]. Because catamarans have elongated hulls and high Froude numbers which means that the velocity of the hull is high relative to the wave velocity, these high-speed ships usually operate at speeds that exceed those of conventional ships [6]. Farkas et. al. [7] proposed a hydrodynamic model of a small rescue catamaran and obtained the effects of the hull parameters on the ship maneuverability. Moraes et al. [8] applied the multi-criteria optimization technique to the preliminary design of a high-speed catamaran. Marine Advanced Robotics [9,10,11] used a unique flexible articulated suspension system to adapt to wave fluctuations and thus maintain main hull stability. Suspension improvements can also be achieved by applying optimized control strategies [12] or by using advanced shock absorbers [13,14]. Nong et al. [15] conducted a local sensitivity analysis based on anti-roll interconnections and executed multi-objective optimization. Saglam and Unlusoy [16] optimized the riding comfort of three-axle vehicles equipped with hydraulic interconnection suspension (HIS) systems. The Incat Tasmania company uses active motion control systems in its high-speed wave-piercing catamarans to reduce the ship rolling motion and dynamic structural loads [17,18]. Servo Yachts LLC has also conducted research regarding wave adaptation technology [19]. Its yachts actively adjust according to the heights and angles of the waves to improve passenger riding comfort. Xie and Wang [20] presented a smooth control algorithm to improve the riding comfort of a catamaran sailing at high speeds in bad sea conditions. The energy acquisition from suspension vibration motion has also attracted the attention of researchers [21,22]. Han et al. [23] applied the wave compensation concept to the field of energy recovery; his prototype was composed of a helical spring, a rack and pinion mechanism, and a DC motor, forming a spring suspension system. Fang and Chan [24] studied the influence of the vertical vibration characteristics of catamarans on human seasickness and then proposed a comfort evaluation method.
In summary, it is difficult to use the sensitivity research methods described above to theoretically analyze the effects of suspension system parameters on the dynamic characteristics of rescue craft. It is also difficult to analyze the effects of the suspension system parameters on the ship performance. To solve this problem, sensitivity analysis and optimization of new suspension system parameters were taken as the research object during this study. This study produced two primary contributions to the overall body of literature:
(1) A three-degree-of-freedom (3-DOF) hydraulic interconnected damping–absorbing suspension system for small rescue boats was proposed, and the effects of the suspension system parameters on the dynamic characteristics of a small rescue boat were obtained;
(2) An optimization algorithm was used to optimize the parameters of the suspension system to improve the wave adaptation performance of the small rescue boat. Additionally, it was verified that there is a conflict between the riding comfort and the stability of the rescue boat when the boat is impacted by waves.
Section 2 of this paper describes the development of the AMESim model. Section 3 presents the results of a sensitivity analysis for the boat when it was impacted by large crest waves. Section 4 discusses the optimization of the suspension system parameters using the genetic algorithm (GA). Finally, the paper is summarized in Section 5.

2. AMESim Suspension System Simulation Model Development

The suspension system is a key subsystem for the navigation and operations of small twin-hull rescue craft, with its primary function being to support the main hull and reduce the impact of waves. Therefore, the stability of small rescue craft is significantly influenced by the suspension system. Figure 1 shows a side view of a small catamaran rescue craft structure, with the suspension system located between the main hull and the left and right sub-hull. Each sub-hull is equipped with two bi-directional hydraulic actuators to replace traditional dampers. The piston rod of the double-acting hydraulic cylinder and the cylinder barrel are fixed to the main hull and sub-hull, respectively, using ball joints to allow for multi-DOF motion of the main hull.
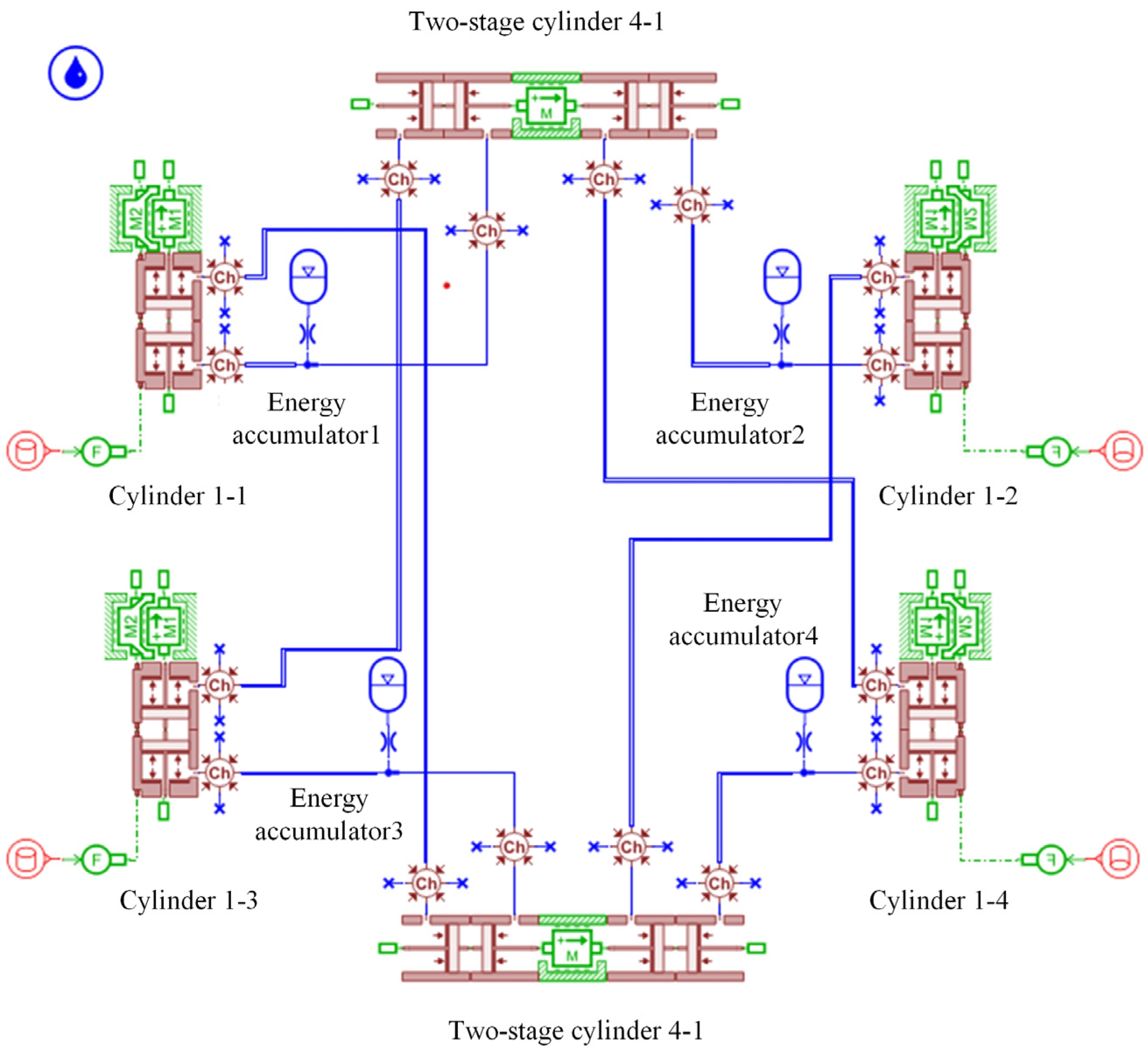
Based on the principle that the spatial layout of a suspension system compensates for different motion degrees of freedom, four hydraulic cylinders are arranged according to spatial position [25]. A 3-DOF hydraulic interconnected suspension system for rescue boats was developed during this study, as shown in Figure 2. It was composed of several hydraulic components, and there was an innovative design element in the loop—a symmetric hydraulic cylinder. The entire loop had significant nonlinear characteristics, which caused certain difficulties in theoretically modeling the system. Therefore, based on the structure and working principle of interconnected suspension, the AMESim simulation platform was used in this study to build a hydraulic system model. The loop dynamic characteristics were thoroughly studied using the multi-condition simulation method, and the general trends between different types of wave impacts and the suspension system performance were explored.
When a small rescue ship is hit by a beam wave with an angle of 90° on its left side, the left buoy moves upward. With differential cylinder 1-1 and 1-3 piston rod compression, rod-free cavity volume decreases and pressure rises. The hydraulic oil flows out through the pipeline, driving the piston rod of the two-stage hydraulic cylinder 4-1 and 4-2 to move left. The oil flows out through the pipeline, making the pressure of rod chambers 1-2 and 1-4 rise, pushing the piston rod to retract, and the buoy on the right moves upward. The simultaneous rise of the left and right buoys keeps the ship platform balanced, reduces the roll angle, and realize the roll freedom. Similarly, when subjected to forward and vertical wave impact, the suspension achieves pitch freedom and heave freedom.

Suspension System Model

The simulation model was established in AMESim according to the working principle of the suspension system and the working state of each component during the vibration reduction process. A differential hydraulic cylinder was used to connect the hull and the buoy, which is an important part of the suspension system because it bears the support force.
The model used a double-acting hydraulic cylinder to drive the reciprocating motion of the hull. The hull mass was equivalent to four one-quarter hull masses connected by hinges to four differential cylinder piston rods. The two-stage hydraulic cylinder indirectly transmitted the system pressure so the differential hydraulic cylinder could evenly distribute the force. The hydraulic component design (HCD) library was used to establish the model. In the model, the pistons of two adjacent chambers moved in opposite directions, and the maximum strokes of all the piston rods in the hydraulic cylinder section were the same. The intermediate mass set the friction coefficient and limited the piston stroke.
The overall model of the interconnected suspension system is shown in Figure 3. The system parameters are listed in Table 1.

3. Sensitivity Analysis of the Key Component Parameters of the Suspension System

Under cross wave, crest wave, and bow oblique wave conditions, the stability of small salvage ships is most affected by crest wave impacts [10]. There is no obvious relationship between ship riding comfort and the wave direction. Therefore, impacts by large crest waves were selected as the simulation condition for the sensitivity analysis and optimization of the suspension system design.
Root mean square (RMS) is one of the most basic and common techniques for quantifying acceleration. RMS acceleration, often referred to as the effective value of acceleration, represents the standard deviation of the acceleration about the mean, presented with the following formula:
R M S = 1 n i = 1 n a i 2 ,
where n represents the total number of points of data recorded in the data set, and ai represents the data points, which was calculated by the AMESim result-post-processing module.
Factor refers to the independent variables in the system. The different results caused by a factor to the system are called the level of the factor. Single-factor analysis means that the different levels of a factor can analyze the impact of this factor on the system. Interactive-factor analysis refers to when the difference between the various levels of a factor varies with respect to the different levels of other factors and there is interaction between the factors; in this case the interaction will have an impact on the system.
In the proposed suspension system, the accumulators and the symmetric hydraulic cylinders could adjust the stiffness characteristics of the system, and the damping valve could adjust the damping characteristics of the system. Therefore, a single-factor or interaction-factor analysis was conducted for seven parameters: the left accumulator pre-charge pressure, the right accumulator pre-charge pressure, the accumulator volume, the damping valve aperture size, and the symmetric hydraulic cylinder inner diameter, piston rod diameter, and stroke. The effects of these parameters on the stability and riding comfort of the salvage ship are discussed later in this section using the sensitivity analysis results.

3.1. Symmetric Hydraulic Cylinder Parameter Sensitivity Analysis

(1) Chamber length
A single-factor analysis for the chamber length of the symmetric hydraulic cylinder was performed while keeping the other hydraulic cylinder parameters unchanged. The values used for the chamber length are listed in Table 2. Curves that depict the impacts of the different chamber lengths on the objective function are shown in Figure 4, Figure 5 and Figure 6; these curves illustrate the impacts of level-3 sea state crest waves on the small salvage vessel.
Figure 4, Figure 5 and Figure 6 show that the root mean square values of the acceleration, roll angle, and pitch angle of the main hull had increasing trends with increases in the length of the chamber, but the variations were small. Therefore, it was concluded that the chamber length parameter had little influence on the stability and comfort of the ship since the objective function was not very sensitive to changes in this parameter.
(2) Inner diameter
The inner diameter of the symmetric hydraulic cylinder was set to 32 ± 4 mm for five groups of simulations to ensure that the piston rod diameter, as well as other parameters, remained unchanged for the crest wave impact simulations. The results of the impact of the inner diameter value on each optimization target are shown in Figure 7, Figure 8 and Figure 9. To ensure reliable parameter values, Figure 10 and Figure 11 depict the single-period symmetric cylinder stroke and the main hull roll angle, respectively. Table 3 provides the peak displacement and velocity of the main hull as functions of the inner diameter.
Figure 7, Figure 8 and Figure 9 show that the inner diameter of the symmetric hydraulic cylinder significantly influenced the stability of the main hull. When the inner diameter of the hydraulic cylinder increased, the acceleration of the main hull generally decreased. The main hull pitch angle showed a nonlinear increasing trend with increases in the inner diameter, while the hull roll angle exhibited a decreasing trend.
When the inner diameter decreased, the velocity ratio of the hydraulic cylinder decreased, the piston rod of symmetric cylinder 4-1 had a large impact, and the stability was poor. At this time, the roll angle of the main hull exhibited obvious abnormal jitter, and the ship stability was poor. The acceleration of the main hull increased to 4 m/s2, and there was an unstable instantaneous impact on the deck platform, which was not conducive to the ship operation or the health of those rescued. As the inner diameter of the symmetric hydraulic cylinder grew larger, the working pressure of the suspension system increased, the ideal gas in the accumulator in the loop was further compressed, the strokes of double-acting hydraulic cylinders 1-1–1-4 increased, and the displacement and velocity of the main hull increased.
(3) Piston rod diameter
Five different piston rod diameters, equal to 28 mm ± 4 mm, were selected for the five groups of simulations performed. A single-factor analysis was conducted under large crest wave impact conditions, and the results are presented in Figure 12, Figure 13 and Figure 14. Figure 15 and Figure 16 show single-period symmetric cylinder stroke and main hull roll angle curves, respectively. Table 4 provides the main hull peak displacement and velocity as functions of the piston rod diameter.
The diameter of the piston rod of the symmetric hydraulic cylinder significantly influenced the riding comfort of the small salvage ship, while it had only a small influence on the ship stability. As the piston rod diameter increased, the roll angle of the hull increased nonlinearly, the pitch angle decreased, and the RMS value of the acceleration increased irregularly. Comparisons of Figure 15 and Figure 16 with Figure 10, Figure 11 and Figure 12 show that the hydraulic cylinder inner diameter and piston rod diameter factors had opposite effects on the optimization objective. The effects of the two factors on the ride optimization index were similar, but piston rod diameter had a greater influence on the stability optimization index.
As the piston rod diameter decreased, the peak displacement and velocity of the main hull increased, and the comfort of the ship was slightly affected. However, increases in the diameter of the piston rod caused abnormal jitter in the roll angle of the main hull, increasing the main hull acceleration; there was an unstable instantaneous impact; and the ship stability and riding comfort were poor.
(4) Interaction between the hydraulic cylinder inner diameter and the piston rod diameter
The combined effects of the symmetric hydraulic cylinder inner diameter and the piston rod diameter influenced the effective area and the velocity ratio of each chamber. With the symmetrical hydraulic cylinder as the central adjustment device of the suspension system, the interaction effect between the two impacted the stiffness.
Figure 17 shows that when the inner diameter of the hydraulic cylinder and the diameter of the piston rod varied within the 30–36 and 24–30 ranges, respectively, the RMS value of the main hull acceleration fluctuated between 2.20 and 2.30. A larger difference between the two values caused a smaller acceleration RMS value and higher damping capacity of the suspension system. Additionally, the piston rod diameter had a larger effect than the hydraulic cylinder inner diameter, as the ship stability was more sensitive to this parameter.
The RMS roll angle and pitch angle values of the main hull are shown in Figure 18 and Figure 19, respectively. The changes in the symmetric hydraulic cylinder inner diameter and in the piston rod diameter had greater impacts on the roll DOF than on the pitch DOF. Additionally, changes in these parameter values had opposite effects on the roll and pitch angles of the main hull. A large cylinder diameter ratio led to a small roll angle and a large pitch angle.

3.2. Accumulator Parameter Sensitivity Analysis

(1) Left loop pre-charge pressure
A single-factor analysis of the pre-charge pressure of the accumulator on the left side of the interconnected loop was performed under crest wave impact conditions while ensuring that the values of the other parameters remained unchanged. Five pre-charge pressure levels, equal to 5.2 ± 0.4 MPa, were selected for use in five simulation groups. Curves that illustrate the impact of the pre-charge pressure values on each optimization objective are provided in Figure 20, Figure 21 and Figure 22. Table 5 lists the maximum strokes of symmetric hydraulic cylinders 4-1 and 4-2 for the different pre-charge pressures.
The accumulator pressure had a great influence on the rolling motion of the main hull, and it also had a certain influence on the pitching motion and the acceleration of the hull. When the pre-charge pressure increased, the vertical stiffness of the suspension system increased, the vibration damping capability weakened, and the RMS value of the vertical acceleration of the main hull exhibited a slight upward trend. When the pre-chare pressure was greater than 5.0 MPa, the roll angle RMS value tended to increase gradually and linearly. A greater accumulator pre-charge pressure caused a greater system oil pressure at equilibrium. When there were wave impacts, the volume compression in the left accumulator decreased, the flow into (or out of) symmetric hydraulic cylinders 4-1 and 4-2 decreased, the adjustment capability of the symmetric cylinders worsened, and the roll stiffness decreased. At this point, the stroke difference between the bi-directional hydraulic cylinders on the left and right sides of the main hull increased, thereby increasing the platform roll angle.
(2) Right loop pre-charge pressure
Five levels of pre-charge pressures for the accumulator in the right loop were selected to be 3.1 ± 0.4 MPa. Resultant curves that illustrate the influence of the pressure value on each optimization objective are shown in Figure 23, Figure 24 and Figure 25. The figures show that the pre-charge pressure of the right accumulator significantly impacted both the ship stability and the riding comfort objective functions. The pressure value was positively correlated with the RMS value of the vertical acceleration of the main hull, while it had negative correlations with the hull roll and pitch angles.
Table 6 lists the maximum volume compression ratios of accumulator 2-2 that correspond to different pre-charge pressures. For the same wave impact conditions, the highest pressure in the interconnected circuit remained constant, while a greater right accumulator pre-charge pressure caused a smaller pressure difference when the left and right circuits were balanced, as well as a smaller volume compression rate in the right accumulator. At this point, the stroke difference between the bi-directional hydraulic cylinders on the left and right sides of the loop decreased, the capacity of the suspension system to inhibit ship rolling increased, and the roll angle of the main hull was reduced.
(3) Interaction between the pre-charge pressures on both sides
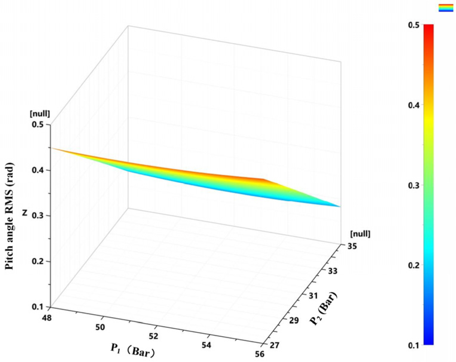
Figure 26 indicates that as the pre-charge pressure of the accumulator in the right loop increased, the damping capacity of the suspension system decreased. When the right accumulator pre-charge pressure, P2, was greater than 3.1 MPa, the main hull experienced a large vertical acceleration. When the left accumulator pre-charge pressure, P1, was close to 5.6 MPa, the vibration amplitude of the main hull was the smallest.
Figure 27 and Figure 28 show that the ship riding comfort was more sensitive to P2 than to P1 and that when P2 was greater and the difference between P2 and P1 was large, the pitch angle of the main hull was smaller. The analysis results presented above indicate that the suspension system requirements for the stability and riding comfort of the ship were contrary and that the research results were consistent with the theory.
(4) Accumulator volume
While keeping the other parameters unchanged, a single-factor analysis was performed for the accumulator volume when the ship was impacted by crest waves. The five levels of accumulator volumes were equal to 0.35 ± 0.2 L. Curves illustrating the impacts of the nominal accumulator volume on the main-hull-related parameters are shown in Figure 29, Figure 30 and Figure 31.
To ensure reliable parameter values, Figure 32 and Figure 33 show the flow difference between the double-acting hydraulic cylinders on the front and rear sides of the main hull and the roll angle of the main hull over a single period, respectively. The accumulator volume parameters had a significant impact on the stability and riding comfort of the small salvage ship; additionally, the nominal accumulator volume was positively correlated with the main hull acceleration, as well as with the roll and pitch angles.
When the sub-hull was impacted by a wave, a larger nominal accumulator volume meant that more high-pressure oil would be absorbed. The flow difference between the two hydraulic cylinders in the suspension system increased, the anti-roll and anti-pitch moments of the ship decreased, the pitch and roll angles of the main hull increased, and the stability of the ship worsened.
A larger nominal accumulator volume led to a more instantaneous impact of the waves on the sub-hull, as well as a reduction in the fatigue life of the buoy. However, greater vibration and energy absorption by the suspension system increased its suitability for harsh sea conditions with high wave frequencies and large wave amplitudes. The RMS values of the vertical acceleration of the sub-hull and the vibration absorption capacity values of the suspension system are listed in Table 7 alongside the corresponding nominal accumulator volume values.

3.3. Damper Valve Parameter Sensitivity Analysis

Reasonable layouts and designs of the damping valves can improve the damping characteristics of hydraulic interconnected suspension systems, thereby reducing the vibration intensity and improving the riding comfort of small salvage ships. While keeping other system parameters unchanged, five levels of damping valve aperture diameters, equal to 5 ± 2 mm, were selected. The resultant curves for each optimization target as a function of the damping valve aperture size are shown in Figure 34, Figure 35 and Figure 36. The figures show that the damping valve aperture size significantly influenced the riding comfort of the ship. With increases in the damping valve aperture size, the RMS value of the main hull acceleration exhibited a nonlinear increasing trend.
The damping force of the proposed suspension system was primarily provided by two groups of components: symmetric hydraulic cylinder and damping valve components. Even when the damping valve aperture size decreased and the damping force of the accumulator branch increased, the flow in the symmetric cylinders changed steadily, the platform was stable during the main hull orientation adjustments, the vertical acceleration was small, and the riders were comfortable. When the damping aperture size increased, there was significant flow pulsation in each branch connected to the intermediate symmetric hydraulic cylinder, the piston rod in each support cylinder fluctuated noticeably, the vibration of the main hull was large, and the riding comfort was poor.

4. Suspension System Parameter Optimization

4.1. Performance Evaluation Index of the Rescue Craft

The working area of a small salvage ship is always exposed to wind and waves, so the ship must have excellent stability and seaworthiness. Simultaneously, to ensure the health and safety of operators and those in need of rescue, the smoothness of the ship motion must also be considered. Therefore, the stability and comfort of the small salvage ship were selected as the evaluation indices of the dynamic characteristics of the suspension system.
The stability index of a ship is generally taken to be the maximum roll angle of the hull platform over some time; it is chosen as a way to determine the extreme working conditions that the ship may experience. In addition to a rolling motion, the proposed suspension system can also cause a certain pitching motion of the main hull under various working conditions. Severe pitching motion will lead to structural damage to the ship, so this consideration should also be included in the stability evaluation index. However, analyses have been constrained to consider only the peak roll angle. Therefore, in this study, by referring to the constant seakeeping of the Nordic Cooperative Research Program, the RMS values of the roll and pitch angles were selected as the system stability optimization objectives to weaken the limitations of standard ship stability evaluations. The calculation formulae for these evaluation indices are presented as follows:
φ = lim T 1 T 0 T φ 2 ( t ) d t ,
θ = lim T 1 T 0 T θ 2 ( t ) d t ,
where φ ( t ) represents the main hull roll angle (rad), θ ( t ) represents the main hull pitch angle (rad), and T represents the time (s). A smaller RMS value of the roll (or pitch) angle indicates that the main hull has a smaller roll (or pitch) amplitude and thus greater stability.
The ship riding comfort is the key index used to measure the damping capability of a suspension system. Good riding comfort can ensure the comfort of the driver and provide a strong guarantee for the health of people rescued from the water. The ISO 2631-1-1997 [26] standard provides a method for assessing human comfort when the entire body is exposed to vibrations and shocks. When the human body is in a sitting position, the origin of the vibration coordinate system is usually determined by the external environments in direct contact with the back, buttocks, and feet. The vibration of the deck platform of a small salvage ship directly affects the rescued people. Therefore, the RMS value of the vertical acceleration at the center of mass of the main hull was selected as the evaluation index for riding comfort. It can be calculated using the following equation:
Z ¨ s = lim T 1 T 0 T Z ¨ s 2 ( t ) d t ,
where Z s t   represents the vertical displacement of the center of mass of the main hull (m).
A smaller Z s ¨ ( t ) indicates that the suspension system has a better vibration absorption effect, that the riding comfort of the ship is higher, and that the comfort of the people rescued from the water is greater. A smaller value indicates a worse shock absorption effect, poor riding comfort, and risk of secondary injury to the rescued people.
The stability and comfort of small salvage vessels should be considered comprehensively during system optimization, the RMS value of the roll angle, RMS value of the pitch angle, and RMS value of acceleration at the center of mass of the main hull should be made as small as possible, and the objective function should be the set of indicators discussed above. The objective function for the optimization of the suspension system design used in this study was defined according to the following equation:
M i n ( φ , θ , z ¨ s ) .
Since the stability and comfort of the ship were contrary to the suspension system requirements, there was no guarantee that all the optimization objectives could reach optimal values simultaneously; therefore, only a group of relatively optimal solutions were able to be selected as the parameter optimization results.

4.2. Optimization Design Method and Optimization Results

According to the analyses discussed in the previous section, the effects of some of the suspension system parameters on the stability and comfort of the small salvage vessel were mutually restricted; therefore, these parameters could not be optimized simultaneously. In this case, it was necessary to consider certain characteristics according to the usage requirements.
According to the hydraulic component parameter sensitivity analysis results presented in Section 3, and based on the premise that the suspension system can still operate stably under extreme working conditions, seven analysis factors were screened. Thus, the design variables and sample space for the optimization of the stability and comfort of the small salvage vessel were obtained. The default values and upper and lower limits of the parameters are listed in Table 8.
The experimental design module in the AMESim simulation platform provides the GA as the optimization algorithm. The GA is a solution model based on Darwin’s theory of evolution. It has the advantages of fast running speed and good convergence of solution set and is often used in multi-objective optimization. The algorithm ranks the fitness value of the population through non-dominant ranking, uses the crowding degree distance to ensure the population diversity, selects the parent population through elite strategy, and generates the child population through heredity and variation and so on until the set evolutionary algebra is reached. It finds the optimal solution using an iterative process by simulating natural selection and survival of the fittest, as well as other biological concepts [27].
In this study, the optimization module in AMESim was used to combine the physical model for the entire ship presented in Section 2 with the GA to obtain a parameter optimization program for the hydraulic interconnected suspension system. The population size was set to 100, the crossover probability was set to 0.8, and the mutation probability was set to 0.1. Due to the complexity of the physical model and the large number of optimization variables, the large number of calculations would lead to an excessively long solution time. Therefore, the number of generations was set to 20, the optimization results for each design variable were slightly adjusted, and the final values are listed in Table 9.

4.3. Analysis of the Optimization Results

Under large crest wave impact working conditions, the objective function results both before and after optimization were obtained, as shown in Table 10. A frequency-domain distribution diagram of the vertical acceleration of the main hull before and after optimization and the roll and pitch angles of the main hull before and after optimization are shown in Figure 37, Figure 38 and Figure 39.
Under large crest wave impact conditions, the optimization reduced the RMS values of the main hull acceleration, the roll angle, and the pitch angle by 2.24%, 76.36%, and 63.30%, respectively. The stability and riding comfort of the small salvage ship was improved, but the stability optimization effect was more obvious.
The fluctuation of the roll angle of the main hull at 0.2 s occurred for multiple reasons. First, before the parameter optimization, the suspension system was affected by the crest wave impacts, and the left and right loop pressure asymmetry led to the unsynchronized motion of the left and right hydraulic cylinders. This caused the roll angle of the main hull to increase rapidly with time. Additionally, after the optimization, the difference between the pre-charge pressures of the left and right accumulators decreased, while the pre-charge pressure of the right accumulator increased. After the pressure of the right loop increased at 0.2 s, the gas in the accumulator was rapidly compressed, the stroke difference between the bi-directional hydraulic cylinders on both sides decreased sharply, and the roll angle of the main hull fluctuated. However, the front and back of the interconnected loop were identical, so the pitch angle of the main hull did not exhibit large fluctuations.
After the system parameters were reasonably optimized, the operation stability and riding comfort of the small salvage ship were improved for various wave impact conditions, and the suspension system had a greater wave compensation effect and a better vibration damping performance.

5. Conclusions

This study focused on the parameter sensitivity analysis and optimization of a hydraulic interconnected suspension system for a small rescue craft. Based on AMESim simulation analyses and parameter sensitivity analyses, optimization of the key component parameters of the suspension system was performed using the GA. The study yielded two primary conclusions:
(1) The symmetric hydraulic cylinder inner diameter and piston rod diameter, the accumulator volume, the accumulator pre-charge pressures, and the damping valve aperture size affected the working performance of the small salvage ship. Changes in the inner diameter and piston rod diameter of the symmetric cylinder had greater effects on the rolling DOF than on the pitching DOF. The accumulator pressure had a significant influence on the rolling motion of the main hull, and the ship riding comfort was more sensitive to the right accumulator pre-charge pressure than to the pre-charge pressure of the left accumulator. An analysis of the interaction between the accumulators indicated that the ship stability and riding comfort were highly sensitive to the pre-charge pressure of the accumulator in the right loop. Changes in the damping valve aperture size also significantly influenced the ship riding comfort.
(2) The comprehensive characteristics of the entire ship were improved through GA optimization. The results showed that the optimized RMS values of the main hull acceleration, the roll angle, and the pitch angle were reduced by 2.24%, 76.36%, and 63.30%, respectively, from the initial values. Therefore, the stability and riding comfort of the small salvage ship was improved, but the stability optimization effect was more obvious.
Future research work will focus on two primary aspects:
(a) The design of an interconnected suspension system test device will be explored to further verify the vibration reduction characteristics of the proposed interconnected suspension system for small rescue boats;
(b) Considering the complexity of ocean conditions, the corresponding control compensation algorithm will be studied to improve the wave compensation capabilities of small rescue boats and to improve the control accuracy of the interconnected suspension system.

Author Contributions

Validation, W.X.; investigation, Y.N.; data curation, W.W.; writing—original draft preparation, H.D.; writing—review and editing, H.D.; All authors have read and agreed to the published version of the manuscript.

Funding

This research was funded by the National Natural Science Foundation of China (Grant No. 52075065) and the Open Fund of National Center for International Research of Subsea Engineering Technology and Equipment (Grant No. 3132023357).

Institutional Review Board Statement

Not applicable.

Informed Consent Statement

Not applicable.

Data Availability Statement

The data presented in this study are available upon request from the corresponding authors.

Acknowledgments

The authors acknowledge technical support from the Dalian Maritime University School of Marine Engineering staff. The authors appreciate the feedback of the reviewers and the editors on this submission.

Conflicts of Interest

The authors declare no conflict of interest.

References

  1. Han, J.; Kitazawa, D.; Kinoshita, T.; Maeda, T.; Itakura, H. Experimental investigation on a cabin-suspended catamaran in terms of motion reduction and wave energy harvesting by means of a semi-active motion control system. Appl. Ocean Res. 2019, 83, 88–102. [Google Scholar] [CrossRef]
  2. Han, J.; Maeda, T.; Kinoshita, T.; Kitazawa, D. Towing test and motion analysis of motion controlled ship—Based on an application of skyhook theory. In Proceedings of the 12th International Conference on the Stability of Ships and Ocean Vehicles (STAB2015), Glasgow, Scotland, 14–19 June 2015. [Google Scholar]
  3. Atlar, M.; Seo, K.; Sampson, R.; Danisman, D.B. Anti-slamming bulbous bow and tunnel stern applications on a novel Deep-V catamaran for improved performance. Int. J. Nav. Archit. Ocean Eng. 2013, 5, 302–312. [Google Scholar] [CrossRef]
  4. Fang, C.-C.; Chan, H.; Incecik, A. Investigation of motions of catamarans in regular waves—I. Ocean Eng. 1996, 23, 89–105. [Google Scholar] [CrossRef]
  5. Townsend, N.; Coe, T.; Wilson, P.; Shenoi, R. High speed marine craft motion mitigation using flexible hull design. Ocean Eng. 2012, 42, 126–134. [Google Scholar] [CrossRef]
  6. Thomas, G.; Winkler, S.; Davis, M.; Holloway, D.; Matsubara, S.; Lavroff, J.; French, B. Slam events of high-speed catamarans in irregular waves. J. Mar. Sci. Technol. 2011, 16, 8–21. [Google Scholar] [CrossRef]
  7. Farkas, A.; Degiuli, N.; Martić, I. Numerical investigation into the interaction of resistance components for a series 60 catamaran. Ocean Eng. 2017, 146, 151–169. [Google Scholar] [CrossRef]
  8. Moraes, H.; Vasconcellos, J.; Almeida, P. Multiple criteria optimization applied to high speed catamaran preliminary design. Ocean Eng. 2007, 34, 133–147. [Google Scholar] [CrossRef]
  9. Fratello, J.; Ahmadian, M. Multi-body dynamic simulation and analysis of wave-adaptive modular vessels. In Proceedings of the 11th International Conference on Fast Sea Transportation, Honolulu, HI, USA, 26–29 September 2011. [Google Scholar]
  10. Peterson, A.W. Simulation and Testing of Wave-Adaptive Modular Vessels; Virginia Tech: Blacksburg, VA, USA, 2014. [Google Scholar]
  11. Pandey, J.; Hasegawa, K. Study on turning manoeuvre of catamaran surface vessel with a combined experimental and simulation method. IFAC-PapersOnLine 2016, 49, 446–451. [Google Scholar] [CrossRef]
  12. Fargione, G.; Tringali, D.; Risitano, G. A fuzzy-genetic control system in the ABS for the control of semi-active vehicle suspensions. Mechatronics 2016, 39, 89–102. [Google Scholar] [CrossRef]
  13. Du, H.; Sze, K.Y.; Lam, J. Semi-active H∞ control of vehicle suspension with magneto-rheological dampers. J. Sound Vib. 2005, 283, 981–996. [Google Scholar] [CrossRef]
  14. Ryabov, I.; Novikov, V.; Pozdeev, A. Efficiency of shock absorber in vehicle suspension. Procedia Eng. 2016, 150, 354–362. [Google Scholar] [CrossRef]
  15. Nong, Z.; Shaohua, W.; Bangji, Z.; Bohuan, T. Global sensitivity analysis and multi-objective optimization of hydraulically interconnected suspension parameters. J. Hunan Univ. Nat. Sci. 2020, 47. Available online: http://jonuns.com/index.php/journal/article/view/446 (accessed on 5 August 2023).
  16. Saglam, F.; Unlusoy, Y.S. Optimization of ride comfort for a three-axle vehicle equipped with interconnected hydro-pneumatic suspension system. Adv. Automot. Eng. 2018, 1, 1–20. [Google Scholar]
  17. Jacobi, G.; Thomas, G.; Davis, M.; Holloway, D.; Davidson, G.; Roberts, T. Full-scale motions of a large high-speed catamaran: The influence of wave environment, speed and ride control system. Int. J. Marit. Eng. 2012, 154. [Google Scholar] [CrossRef]
  18. Jacobi, G.; Thomas, G.; Davis, M.R.; Davidson, G. An insight into the slamming behaviour of large high-speed catamarans through full-scale measurements. J. Mar. Sci. Technol. 2014, 19, 15–32. [Google Scholar] [CrossRef]
  19. Nauti-Craft Marine Suspension Technology. 2017. Available online: https://www.youtube.com/watch?v=kCgVumRpLro (accessed on 5 September 2016).
  20. AlaviMehr, J.; Lavroff, J.; Davis, M.R.; Holloway, D.S.; Thomas, G.A. An experimental investigation on slamming kinematics, impulse and energy transfer for high-speed catamarans equipped with ride control systems. Ocean Eng. 2019, 178, 410–422. [Google Scholar] [CrossRef]
  21. Xie, X.; Wang, Q. Energy harvesting from a vehicle suspension system. Energy 2015, 86, 385–392. [Google Scholar] [CrossRef]
  22. Zhang, Y.; Zhang, X.; Zhan, M.; Guo, K.; Zhao, F.; Liu, Z. Study on a novel hydraulic pumping regenerative suspension for vehicles. J. Frankl. Inst. 2015, 352, 485–499. [Google Scholar] [CrossRef]
  23. Han, J.; Maeda, T.; Itakura, H.; Kitazawa, D. Experimental study on the wave energy harvesting performance of a small suspension catamaran exploiting the maximum power point tracking approach. Ocean Eng. 2022, 243, 110176. [Google Scholar] [CrossRef]
  24. Fang, C.-C.; Chan, H.-S. An investigation on the vertical motion sickness characteristics of a high-speed catamaran ferry. Ocean Eng. 2007, 34, 1909–1917. [Google Scholar] [CrossRef]
  25. Hawley, J.J.B. Shock Absorber and the Like for Vehicles. U.S. Patent 1,647,518A, 1 November 1927. [Google Scholar]
  26. Ittianuwat, R.; Fard, M.; Kato, K. Evaluation of seatback vibration based on ISO 2631-1 (1997) standard method: The influence of vehicle seat structural resonance. Ergonomics 2017, 60, 82–92. [Google Scholar] [CrossRef] [PubMed]
  27. Loyer, B.; Jézéquel, L. Robust design of a passive linear quarter car suspension system using a multi-objective evolutionary algorithm and analytical robustness indexes. Veh. Syst. Dyn. 2009, 47, 1253–1270. [Google Scholar] [CrossRef]
Figure 1. Side view of small catamaran rescue craft structure.
Figure 1. Side view of small catamaran rescue craft structure.
Jmse 11 01857 g001
Figure 2. 3-DOF hydraulic interconnected suspension system for rescue boats.
Figure 2. 3-DOF hydraulic interconnected suspension system for rescue boats.
Jmse 11 01857 g002
Figure 3. Hydraulic interconnected suspension system model.
Figure 3. Hydraulic interconnected suspension system model.
Jmse 11 01857 g003
Figure 4. Acceleration RMS value as a function of the chamber length.
Figure 4. Acceleration RMS value as a function of the chamber length.
Jmse 11 01857 g004
Figure 5. Roll angle RMS value as a function of the chamber length.
Figure 5. Roll angle RMS value as a function of the chamber length.
Jmse 11 01857 g005
Figure 6. Pitch angle RMS value as a function of the chamber length.
Figure 6. Pitch angle RMS value as a function of the chamber length.
Jmse 11 01857 g006
Figure 7. Acceleration RMS value as a function of the hydraulic cylinder inner diameter.
Figure 7. Acceleration RMS value as a function of the hydraulic cylinder inner diameter.
Jmse 11 01857 g007
Figure 8. Roll angle RMS value as a function of the hydraulic cylinder inner diameter.
Figure 8. Roll angle RMS value as a function of the hydraulic cylinder inner diameter.
Jmse 11 01857 g008
Figure 9. Pitch angle RMS value as a function of the hydraulic cylinder inner diameter.
Figure 9. Pitch angle RMS value as a function of the hydraulic cylinder inner diameter.
Jmse 11 01857 g009
Figure 10. Intermediate hydraulic cylinder stroke.
Figure 10. Intermediate hydraulic cylinder stroke.
Jmse 11 01857 g010
Figure 11. Roll angle of the main hull.
Figure 11. Roll angle of the main hull.
Jmse 11 01857 g011
Figure 12. Acceleration RMS value as a function of the piston rod diameter.
Figure 12. Acceleration RMS value as a function of the piston rod diameter.
Jmse 11 01857 g012
Figure 13. Roll angle RMS value as a function of the piston rod diameter.
Figure 13. Roll angle RMS value as a function of the piston rod diameter.
Jmse 11 01857 g013
Figure 14. Pitch angle RMS value as a function of the piston rod diameter.
Figure 14. Pitch angle RMS value as a function of the piston rod diameter.
Jmse 11 01857 g014
Figure 15. Intermediate hydraulic cylinder stroke.
Figure 15. Intermediate hydraulic cylinder stroke.
Jmse 11 01857 g015
Figure 16. Roll angle of the main hull.
Figure 16. Roll angle of the main hull.
Jmse 11 01857 g016
Figure 17. Acceleration RMS value as a function of the inner diameter and the piston rod diameter.
Figure 17. Acceleration RMS value as a function of the inner diameter and the piston rod diameter.
Jmse 11 01857 g017
Figure 18. Roll angle RMS value as a function of the inner diameter and the piston rod diameter.
Figure 18. Roll angle RMS value as a function of the inner diameter and the piston rod diameter.
Jmse 11 01857 g018
Figure 19. Pitch angle RMS value as a function of the inner diameter and the piston rod diameter.
Figure 19. Pitch angle RMS value as a function of the inner diameter and the piston rod diameter.
Jmse 11 01857 g019
Figure 20. Acceleration RMS value as a function of the left accumulator pre-charge pressure.
Figure 20. Acceleration RMS value as a function of the left accumulator pre-charge pressure.
Jmse 11 01857 g020
Figure 21. Roll angle RMS value as a function of the left accumulator pre-charge pressure.
Figure 21. Roll angle RMS value as a function of the left accumulator pre-charge pressure.
Jmse 11 01857 g021
Figure 22. Pitch angle RMS value as a function of the left accumulator pre-charge pressure.
Figure 22. Pitch angle RMS value as a function of the left accumulator pre-charge pressure.
Jmse 11 01857 g022
Figure 23. Acceleration RMS value as a function of the right accumulator pre-charge pressure.
Figure 23. Acceleration RMS value as a function of the right accumulator pre-charge pressure.
Jmse 11 01857 g023
Figure 24. Roll angle RMS value as a function of the right accumulator pre-charge pressure.
Figure 24. Roll angle RMS value as a function of the right accumulator pre-charge pressure.
Jmse 11 01857 g024
Figure 25. Pitch angle RMS value as a function of the right accumulator pre-charge pressure.
Figure 25. Pitch angle RMS value as a function of the right accumulator pre-charge pressure.
Jmse 11 01857 g025
Figure 26. Acceleration RMS value as a function of the left and right accumulator pre-charge pressures.
Figure 26. Acceleration RMS value as a function of the left and right accumulator pre-charge pressures.
Jmse 11 01857 g026
Figure 27. Roll angle RMS value as a function of the left and right accumulator pre-charge pressures.
Figure 27. Roll angle RMS value as a function of the left and right accumulator pre-charge pressures.
Jmse 11 01857 g027
Figure 28. Pitch angle RMS value as a function of the left and right accumulator pre-charge pressures.
Figure 28. Pitch angle RMS value as a function of the left and right accumulator pre-charge pressures.
Jmse 11 01857 g028
Figure 29. Acceleration RMS value as a function of the accumulator volume.
Figure 29. Acceleration RMS value as a function of the accumulator volume.
Jmse 11 01857 g029
Figure 30. Roll angle RMS value as a function of the accumulator volume.
Figure 30. Roll angle RMS value as a function of the accumulator volume.
Jmse 11 01857 g030
Figure 31. Pitch angle RMS value as a function of the accumulator volume.
Figure 31. Pitch angle RMS value as a function of the accumulator volume.
Jmse 11 01857 g031
Figure 32. Hydraulic cylinder flow difference.
Figure 32. Hydraulic cylinder flow difference.
Jmse 11 01857 g032
Figure 33. Roll angle of the main hull.
Figure 33. Roll angle of the main hull.
Jmse 11 01857 g033
Figure 34. Acceleration RMS value as a function of the damping valve aperture size.
Figure 34. Acceleration RMS value as a function of the damping valve aperture size.
Jmse 11 01857 g034
Figure 35. Roll angle RMS value as a function of the damping valve aperture size.
Figure 35. Roll angle RMS value as a function of the damping valve aperture size.
Jmse 11 01857 g035
Figure 36. Pitch angle RMS value as a function of the damping valve aperture size.
Figure 36. Pitch angle RMS value as a function of the damping valve aperture size.
Jmse 11 01857 g036
Figure 37. Vertical acceleration of the main hull.
Figure 37. Vertical acceleration of the main hull.
Jmse 11 01857 g037
Figure 38. Main hull roll angle with time.
Figure 38. Main hull roll angle with time.
Jmse 11 01857 g038
Figure 39. Main hull pitch angle with time.
Figure 39. Main hull pitch angle with time.
Jmse 11 01857 g039
Table 1. Main parameters of the hydraulic interconnected suspension system.
Table 1. Main parameters of the hydraulic interconnected suspension system.
ParameterValueUnit
Two-stage hydraulic cylinder inner diameter/D50mm
Two-way hydraulic cylinder piston rod diameter/d36mm
Two-way hydraulic cylinder stroke/L−150–150mm
Symmetric hydraulic cylinder diameter/D032mm
Symmetric hydraulic cylinder piston rod diameter/d028mm
Symmetric hydraulic cylinder stroke/L0−100–100mm
Accumulator volume/V00.35L
Left accumulator pre-charge pressure/P15.2MPa
Right accumulator pre-charge pressure/P23.1MPa
Damping valve aperture size/r5mm
25% of the main hull mass/m1550kg
50% of the main hull mass/m297.5kg
Table 2. Simulation parameters for the symmetric hydraulic cylinder chamber length analysis.
Table 2. Simulation parameters for the symmetric hydraulic cylinder chamber length analysis.
Length of Chamber/L (mm)Parameter Change Gradient
80−20%
90−10%
100Reference value
110+10%
120+20%
Table 3. Main hull heave displacement and peak velocity.
Table 3. Main hull heave displacement and peak velocity.
Symmetric Hydraulic Cylinder Inner Diameter/D0 (mm)Peak Heave Displacement of the Main Hull (mm)Peak Heave Velocity of the Main Hull (m/s)
2835.7276−0.0720
3042.7771−0.0869
3249.4203−0.0984
3455.5105−0.1293
3661.2230−0.1454
Table 4. Main hull heave displacement and peak velocity.
Table 4. Main hull heave displacement and peak velocity.
Piston Rod Diameter/d0 (mm)Peak Heave Displacement of the Main Hull (mm)Peak Heave Velocity of the Main Hull (m/s)
2464.7805−0.1418
2656.8600−0.1357
2849.4324−0.0984
3042.3381−0.0850
3235.6796−0.0724
Table 5. Maximum intermediate hydraulic cylinder strokes.
Table 5. Maximum intermediate hydraulic cylinder strokes.
Left Accumulator Pre-Charge Pressure/P1 (MPa)Maximum Stroke of Symmetric Hydraulic Cylinder 4-1 (mm)Maximum Stroke of Symmetric Hydraulic Cylinder 4-2 (mm)
4.851.5069.84
5.048.2268.05
5.242.9563.33
5.437.6458.62
5.632.3753.98
Table 6. Maximum volume compression ratio of accumulator 2-2.
Table 6. Maximum volume compression ratio of accumulator 2-2.
Right Accumulator Pre-Charge Pressure/P2 (MPa)Volume Compression Ratio of Accumulator 2-2 (%)
2.742.55
2.939.66
3.136.81
3.334.02
3.531.27
Table 7. Suspension system damping capacity characteristics.
Table 7. Suspension system damping capacity characteristics.
Nominal Accumulator Volume/V0 (L)RMS Values of the Sub-Hull Vertical Acceleration (m/s2)Suspension Vibration Absorption Capacity (m/s2)
0.154.82840.9513
0.255.76821.8497
0.356.50022.5433
0.456.44632.4898
0.556.57302.6093
Table 8. Suspension system optimization design variables.
Table 8. Suspension system optimization design variables.
Design VariableReference ValueLower LimitUpper Limit
Hydraulic cylinder inner diameter/D0 (mm)323036
Piston rod diameter/d0 (mm)282430
Left accumulator pre-charge pressure/P1 (MPa)5.24.85.6
Right accumulator pre-charge pressure/P2 (MPa)3.12.73.5
Accumulator volume/V0 (L)0.350.150.45
Damping valve aperture size/r (mm)536
Table 9. Optimization results.
Table 9. Optimization results.
Design VariableInitial ValueOptimal ValueRounded Value
Hydraulic cylinder inner diameter/D0 (mm)3234.734
Piston rod diameter/d0 (mm)2828.228
Left accumulator pre-charge pressure/P1 (MPa)5.25.0825.08
Right accumulator pre-charge pressure/P2 (MPa)3.13.4973.50
Accumulator volume/V0 (L)0.350.1500.15
Damping valve aperture size/r (mm)53.03
Table 10. Optimization results.
Table 10. Optimization results.
Objective FunctionInitial Value (m/s2)Optimization Result (m/s2)Optimization Rate (%)
RMS value of the vertical acceleration of the main hull3.95693.86842.24
RMS value of main hull roll angle0.91410.216176.36
RMS value of main hull pitch angle0.54010.192863.30
Disclaimer/Publisher’s Note: The statements, opinions and data contained in all publications are solely those of the individual author(s) and contributor(s) and not of MDPI and/or the editor(s). MDPI and/or the editor(s) disclaim responsibility for any injury to people or property resulting from any ideas, methods, instructions or products referred to in the content.

Share and Cite

MDPI and ACS Style

Wang, W.; Du, H.; Xiong, W.; Nie, Y. Sensitivity Analysis and Optimization of the Hydraulic Interconnected Suspension Damping System of a Small Rescue Craft. J. Mar. Sci. Eng. 2023, 11, 1857. https://doi.org/10.3390/jmse11101857

AMA Style

Wang W, Du H, Xiong W, Nie Y. Sensitivity Analysis and Optimization of the Hydraulic Interconnected Suspension Damping System of a Small Rescue Craft. Journal of Marine Science and Engineering. 2023; 11(10):1857. https://doi.org/10.3390/jmse11101857

Chicago/Turabian Style

Wang, Wenchao, Hongwang Du, Wei Xiong, and Yong Nie. 2023. "Sensitivity Analysis and Optimization of the Hydraulic Interconnected Suspension Damping System of a Small Rescue Craft" Journal of Marine Science and Engineering 11, no. 10: 1857. https://doi.org/10.3390/jmse11101857

APA Style

Wang, W., Du, H., Xiong, W., & Nie, Y. (2023). Sensitivity Analysis and Optimization of the Hydraulic Interconnected Suspension Damping System of a Small Rescue Craft. Journal of Marine Science and Engineering, 11(10), 1857. https://doi.org/10.3390/jmse11101857

Note that from the first issue of 2016, this journal uses article numbers instead of page numbers. See further details here.

Article Metrics

Back to TopTop