Next Article in Journal
Cruising Under and Post the COVID Pandemic: Toward Realization of the United Nations’ Sustainable Development Goals
Next Article in Special Issue
Prediction of Cavitation Performance over the Pump-Jet Propulsor Using Computational Fluid Dynamics and Hybrid Deep Learning Method
Previous Article in Journal / Special Issue
Similarity Evaluation Rule and Motion Posture Optimization for a Manta Ray Robot
 
 
Font Type:
Arial Georgia Verdana
Font Size:
Aa Aa Aa
Line Spacing:
Column Width:
Background:
Article

Deep-Sea Underwater Cooperative Operation of Manned/Unmanned Submersible and Surface Vehicles for Different Application Scenarios

1
Department of Technology, National Deep Sea Center, Qingdao 266237, China
2
Key Laboratory of Submarine Geosciences, Ministry of Natural Resources, Hangzhou 310012, China
3
Laboratory for Marine Geology, Qingdao National Laboratory for Marine Science and Technology, Qingdao 266237, China
*
Authors to whom correspondence should be addressed.
J. Mar. Sci. Eng. 2022, 10(7), 909; https://doi.org/10.3390/jmse10070909
Submission received: 27 May 2022 / Revised: 22 June 2022 / Accepted: 28 June 2022 / Published: 1 July 2022
(This article belongs to the Special Issue Frontiers in Deep-Sea Equipment and Technology)

Abstract

In this paper, we propose three cooperative operational modes of manned and unmanned submersibles for a range of different deep-sea application scenarios. For large-scale exploration, a lander or an unmanned surface vehicle (USV) is paired with one or more autonomous underwater vehicles (AUVs), while the liberated research vessel R/V can transport the manned submersible to another area for diving operations. When manned submersibles and AUVs perform small-scale accurate measurements, the research vessel R/V supports both submersible types for diving operations and has a positioning and communication time allocation mechanism for cooperative operations. Through the analysis of the operating efficiency of different modes, we found that the cooperative operational mode based on the pure research vessel R/V is suitable for local small-scale accurate detection, and the cooperative operational mode based on the USV/lander system is suitable for large-scale and long-distance underwater operations.

1. Introduction

The ocean covers approximately 71% of the earth’s surface and is the largest resource base on earth that humans have not fully understood and utilized. Approximately 85% of the species on earth live in the ocean, and there are extremely rich biological and mineral resources in the ocean bed. Currently, mineral resources in the seabed, such as polymetallic nodules, cobalt-rich crusts, and polymetallic sulfides, are known to have commercial mining value [1,2]. However, in the ocean, the deep-sea areas at depths of over 2000 m account for 84% of the total ocean area. Therefore, most of the Earth’s surface is considered deep sea.
Submersibles are essential vehicles used for transporting equipment for scientific research and investigative operations in the deep sea and can complete certain designated tasks in harsh marine environments. As the first self-propelled underwater research vehicle was built in the 1950s, several different types of submersibles have been developed to meet different requirements. Submersibles are classified into manned and unmanned submersibles. Unmanned submersibles are further divided into remotely operated vehicles (ROVs), autonomous underwater vehicles (AUVs), autonomous and remotely operated vehicles (ARVs), and autonomous underwater gliders (AUGs) [3,4,5,6,7]. Manned submersibles are usually called human occupied vehicles (HOVs), fully utilize human wisdom in deep-sea operations in a timely manner and can quickly and accurately transport humans to the seabed [8].
An ROV is unmanned and cabled, and it provides energy, transmits data, and executes commands transmitted using armored optoelectronic composite cables. An AUV is suitable for large-scale ocean scanning because it is unmanned, cableless, powered by its own battery, and pre-programmed to complete a specific set of diving tasks [9]. An ARV is a hybrid underwater robot with its own energy and can perform real-time data transmission through optical fiber micro-cables. Not only can it achieve a wide range of detection but it can also carry light tools to complete simple tasks. An AUG is suitable for long-term and large-scale ocean exploration because it uses net buoyancy and attitude angle adjustment to obtain propulsion, and its energy consumption is extremely low. The submersible types discussed above have been widely used in marine scientific research, marine engineering operations, resource and environmental surveys, and military fields [10].
As ocean exploration advances, new tasks demand more stringent requirements for submersibles. However, large-scale and time-sensitive tasks causes relying on a single submersible impractical. Owing to the development and maturity of different submersible technologies, the cooperative operation of multiple submersibles to complete tasks together has become a new form of application [11,12]. Underwater cooperative operations comprise of multiple homogeneous/heterogeneous submersibles that use underwater acoustic communication, wireless radio communication, and satellite communication as information exchange methods to cooperate with each other and complete the specified tasks [13].
This technique can help to overcome the operating efficiency limitations of a single submersible and realize the operative capabilities of differentiated configuration of several different submersibles, which is an effective way to perform complex underwater tasks [14,15,16]. Currently, research pertaining to underwater collaboration mainly focuses on AUV and AUG clusters, which includes formation control, task assignment, path planning, and cooperative navigation. As related technologies improve, they have been widely used in typhoon/hurricane observations, mesoscale eddy observations, hydrothermal plume detection, seabed topography detection, and rapid target search [17,18,19].
In recent years, Artificial Intelligence (AI) has developed rapidly and has begun to be applied to object classification in underwater videos [20]. With the development of technology, AI may develop by leaps and bounds in the future, which can replace human perception of unknown environments to achieve deep-sea exploration and cognition. However, at present, the ability of AUVs and AUGs to perceive and autonomously understand the underwater environment cannot replace human thinking and judgment.
Therefore, it is difficult to satisfy the high-level autonomy and intelligence requirements expected of the unmanned submersibles in complex underwater environments. As a result, operational modes that rely solely on AUV and AUG clusters often fail to make optimal decisions rapidly in command and decision-making. In most missions, AUVs and AUGs cannot completely erase the status of “human in the mission loop”. Therefore, in future underwater operations, it is necessary to consider the cooperative operation of manned/unmanned submersibles to overcome the limitations of pure unmanned submersible swarms.
Compared to pure unmanned submersibles, the parallel interaction and integration of human intelligence, and machine intelligence in manned/unmanned submersible cooperation is conducive to realize two-way complementation between manned and unmanned submersibles. Therefore, the manned/unmanned submersible cooperation can result in improved performance when dealing with complex tasks.
There are fewer deep-sea manned submersibles worldwide compared to unmanned submersibles (AUVs, ROVs, ARVs, and AUGs). Among them, only eight deep operational manned submersibles, namely America’s New Alvin (6500 m), France’s Nautile (6000 m), Russia’s MIR-1 and MIR-2 (6000 m), Japan’s Shinkai6500 (6500 m), and China’s Jiaolong (7000 m), Shenhai Yongshi (4500 m), and Fendouzhe (11,000 m) [21], can dive to a depth equal to or more than 4500 m.
Therefore, there has been little research conducted on the cooperative operation of deep-sea manned/unmanned submersibles. Unlike the widely used AUV and AUG clusters, there are few instances of cooperative operation of deep-sea manned/unmanned submersibles. Manned submersibles and AUVs conduct dives in a time-segmented manner, that is, when the manned submersible dives, the AUV does not dive; when the AUV dives, the manned submersible does not dive. Therefore, manned submersibles and AUVs have not yet achieved simultaneous diving and cooperative operation. This also restricts the improvement of the operation efficiency of the whole voyage. In this study, we focus mainly on the cooperative operation between manned submersibles and AUVs, which can significantly improve the efficiency of scientific investigations, resource surveys, and search and rescue operations.
The remainder of this paper is structured as follows: Section 2 provides an overview of cooperative operation of manned/unmanned submersibles. Section 3 describes the underwater cooperative operation modes of manned submersibles and AUVs for different application scenarios in the deep sea. Section 4 focuses on the support system. In Section 5, we analyze the relative efficiency of several different scenarios, and finally, Section 6 provides the conclusions of this study.

2. Related Studies on Cooperative Operations

2.1. Manned and Unmanned Submersibles

In mother–child cooperative operations, the manned submersible acts as the mother and transports the unmanned cable-controlled submersible into complex operating environments. Furthermore, this operation provides opportunities for exploiting the unique advantages associated with each of the manned and unmanned submersibles, such as operating cooperatively under the leadership of the manned submersible, emphasizing the complementarity of manned and unmanned submersibles, and implementing coordinated actions by sharing significant amounts of information, task integration, resource optimization, and jointly completing the tasks [22].
In 1986, the Woods Hole Oceanographic Institution (WHOI) used the Alvin HOV to remotely control the small ROV called “Jason Junior” and approached the wreck of the Titanic (3800 m) for the first time in history. They captured detailed photographs and videos, and investigated the exterior and interior of the wreck. Jason Junior was equipped with optical detection equipment, such as cameras, which were mounted in the sampling basket of the small ROV. The small ROV was remotely controlled by the Alvin using a 60 m fiber optic cable to reach the dangerous or complex areas that the Alvin could not reach.
Based on a single HOV/single ROV mother–child cooperation, Russia improved the scale and quantity of mother–child cooperation and expanded the cooperative operational mode of double HOV/double ROV mother–child cooperation. In 2005, the Russian engineers of the Mir HOV and American experts jointly developed related deep-sea live broadcast technology and used two Mir HOVs to broadcast a live video of the wreck of the Titanic, thereby, realizing the first deep-sea live broadcast. The Mir HOV deployed the Jake and Elwood, which are small ROVs for a close-up live video broadcast of the exterior and interior of the Titanic wreck [23].
In 2014, the Jiaolong HOV of China was equipped with the Longzhu ARV to conduct deep-sea test applications in the Caiwei Sea mountain (2424 m) in the northwestern Pacific Ocean. According to the planned cooperative operational process, they completed the interactive shooting between each other (as shown in Figure 1), and the underwater operational image of the Jiaolong HOV was obtained for the first time. This resulted in the development of a new mother–child cooperative operating model wherein different types of submersibles in China complemented each other’s advantages and cooperated with each other [24].

2.2. Manned Submersibles and Other Underwater Equipment

In April 2018, the “Ocean No. 6” scientific research ship of the China Geological Survey transported the Hai Ma ROV and the “Exploration No. 1” scientific research ship of the Institute of Deep-Sea Science and Engineering of the Chinese Academy of Sciences transported the Shenhai Yongshi HOV. They conducted a joint dive in the “Haima Cold Spring” area in the western part of the Pearl River Mouth Basin of the South China Sea. The HOV and ROV cooperatively photographed and recorded each other and exchanged national flags at a predetermined position on the seabed of “Haima Cold Spring” at a depth of 1410 m (Figure 2). This was the first time China had conducted joint scientific research using two types of domestically made deep-sea submersibles with independent intellectual property rights, thereby, giving full play to the respective functional advantages of both submersibles. This was a pioneer demonstration of cooperative operation of domestic deep-sea equipment [25].
In September 2020, the deep-sea mining joint experimental team from China Merchants Industry Group, Guangzhou Marine Geological Survey, the Institute of Deep-Sea Science and Engineering of the Chinese Academy of Sciences, and Zhongtian Science and Technology Submarine Cable Co., Ltd. completed the first cooperative operation of a deep-sea mining vehicle with the Shenhai Yongshi HOV and the “Exploration No. 2” scientific research ship. This realized the continuous in-situ real-time monitoring and sampling in the mining test area, in which the environment was sampled and investigated before and after the test. This provided basic data support to effectively reduce the impact of deep-sea mining on the natural environment [26,27].
In November 2020, the Fendouzhe HOV and the deep-sea video lander Canghai was led by the China Central Radio and Television Station and was jointly developed by several institutions, conducted a cooperative operation in the Mariana Trench (Figure 3). The Fendouzhe HOV accurately determined the position of the Canghai Lander using underwater positioning technology and actively approached it after sitting on the seabed. Both systems used underwater blue-green lasers to communicate with each other, making this the first time in history that a broadcast video was broadcast from a cabin on a manned submersible 10,000 m below on the ocean floor. This broke through a series of common problems in the marine research fields, such as deep-sea video acquisition, data processing, and signal transmission, and provided strong technical support for deep-sea environmental exploration and scientific research [28].

2.3. Unmanned Surface Vehicles and Autonomous Underwater Vehicles

The cooperative operation of unmanned surface vehicles (USVs) and AUVs can be generally divided into two modes, single USV to single AUV and single USV to multiple AUVs. The role of the USV is to act as a communication relay station between the support (mother) ship and the AUVs, which in turn are responsible for transmitting data and issuing instructions to realize cooperative operation of multi-AUV cluster operations to promote the formation of a three-dimensional grid and a large-scale ocean observation system.
WHOI proposed a three-phase vision for deep-sea operations without requiring a research vessel R/V [29]. The first phase was unmanned by supporting the deployment of the USV and the AUV on the research vessel R/V. However, there was a restriction that the research vessel R/V must remain within the ultrashort baseline (USBL) operational range when the AUV mission is launched by the USV, which acts as an intermediary. Nonetheless, the research vessel R/V was required for all launch and recovery operations, with a repeat cycle of one or more days.
The second phase realized the ridge segment’s large-scale autonomous exploration with the USV and AUG. The research vessel R/V was needed only to complete the initial launch of the USV and AUGs and the recovery after the entire detection mission was completed by the USV and AUG, autonomously. The third phase adopted a new generation of USV to realize oceanic basin’s large-scale autonomous exploration and monitoring. In addition to undertaking AUV navigation and communication between the surface-based center and AUV, this type of USV can perform an autonomous launch as well as charge and recover unmanned submersibles, which significantly improves the marine endurance and investigation range and reduces operating costs.
Ocean Infinity proposed a wide-area ocean exploration system based on pairwise matching of USVs and AUVs [30]. The entire system comprised of a single research vessel R/V and a fleet of USV-AUV pairs. After launching the USVs and AUVs, the AUVs shook hands with their corresponding USVs before entering the mission phase. During the mission, each AUV communicated with its paired USV through underwater high precision acoustic positioning system (HiPAP) only, and the AUV sent the status data to the USV, which in turn transmitted the data to the research vessel R/V and returned the command of the research vessel R/V (change direction or terminate the mission) to the AUV simultaneously. The USV therefore tracked the AUV and communicated with the research vessel R/V as an information relay.
The “Zipangu of the sea” project proposed a regional underwater positioning and communication system comprising a semi-submersible USV, a hovering AUV, and three surface buoys to support multi-AUV cluster operations [31,32]. The semi-submersible USV was used as a moving surface relay system for positioning and communication. It obtained its own position data using global navigation satellite system (GNSS) antenna, established communication with the research vessel R/V through a wireless local area network or iridium communication and provided positioning and communication for unmanned submersibles through the USBL and underwater acoustic communication systems (UACS) [33,34].
The hovering AUV was located at any depth and acted as an underwater communication relay system between the research vessel R/V and the unmanned submersibles. Therefore, it maintained acoustic communication with the research vessel R/V, semi-submersible USV, and AUVs without being affected by the sea surface or the sea floor [35,36]. Three buoys formed a sea surface long baseline system.
In recent years, with the main focus on the marine stereoscopic observation network, China has successively launched AUGs, AUVs, and USVs; buoys; and other marine observation equipment networking operations. Furthermore, they built an offshore demonstration application system for submersible networking, conducted three types of 54 sets of multi-task and multi-platform cooperative networking, and realized high-precision passive positioning and short message services supported by AUGs.

2.4. Autonomous Underwater Vehicles and Remotely Operated Vehicles

The cooperative operation of AUVs and ROVs combines the advantages of AUV area detection and ROV fixed-point operation. In July 2017, based on the “Kexue” ship, the Exploration 4500 AUV and the Discovery ROV conducted China’s first cooperative operational test with AUVs and ROVs in the cold spring area in the northern South China Sea. It created a new model of marine scientific investigation [18]. The AUV independently conducted near-seabed optical surveys. Scientists manipulated the robotic arms of the ROV to collect data on submarine cold springs in situ and perform in situ quantitative analysis. Furthermore, they remotely controlled the AUV to perform optical detection at the position adjacent to the ROV and simultaneously used the camera on the ROV to closely monitor the working status of the AUV in real time.

3. Cooperative Operational Modes

We herein propose three underwater cooperative operational modes of manned and unmanned submersibles and surface vehicles for different deep-sea application scenarios, based on the pure research vessel R/V, USVs, and the lander. The mode based on the pure research vessel R/V is suitable for small scope operational scenarios that require coordination and cooperation between people and a complex timing allocation mechanism to uniformly handle communication and positioning timing issues.
The operational modes based on USVs and landers are suitable for large-scale survey operations and target search operational scenarios. The cooperative operation based on USVs is suitable for submersibles able to operate in all sea conditions and with strong underwater autonomous navigation ability. The cooperative operation based on landers is suitable for occasions where the required positioning accuracy of the submersible is high, irrespective of the sea conditions.

3.1. Pure Research Vessel R/V-Based Mode

Figure 4 shows the scene diagram of the cooperative operational mode based on the pure research vessel R/V. It comprises the research vessel R/V, manned submersibles, AUVs, and other equipment. The research vessel R/V is equipped with command-and-control systems, a UACS, and a USBL. The command-and-control systems are used to guide the underwater cooperation of the HOVs and AUVs. The UACS is used for information transfer between the research vessel R/V and different types of submersibles. The USBL is used for precise underwater positioning of different types of submersibles. AUV clusters can be used for subsea micro-topography and geomorphological mapping can be used for the detection of key hydrological data.
Manned submersibles are mainly used for field surveys in hotspot areas, accurate sampling, and accurate detection. Manned submersibles and AUV clusters can achieve three-dimensional operations in a local underwater area. The AUV cluster conducts scanning and surveying operations in an area 80–120 m from the bottom, while the HOV conducts fixed-point operations, such as observation and sampling on the seabed. To ensure the time consistency of the measured data of each submersible, unified timing is required before diving operations. In the field of seabed resource exploration, the AUV cluster detection data is transmitted to the HOV in real-time, and the detection data can provide underwater guidance for the HOV, which could improve the efficiency of underwater exploration.
Figure 5 shows a schematic diagram of the cooperative operational mode of manned and unmanned submersibles based on the pure research vessel R/V. During the underwater cooperative operation, the HOV and the AUV cluster send the submersible status information to the research vessel R/V into a certain time period through the UACS. This status information includes mainly information about the submersible attitude, motion status, energy, early warnings, and life support systems (only provided by HOVs).
The UACS of the research vessel R/V decodes the communication after receiving it and sends it to the surface command and monitoring system of the research vessel R/V through the network link. In the feedback communication, the UACS of the research vessel R/V sends control instructions and USBL positioning information to each submersible, to realize the command and dispatch of the underwater submersible cluster. However, owing to the constraints of underwater acoustic communication and positioning distance, when this cooperative operational mode is adopted, submersibles, such as HOVs and AUVs, are relatively close, and the distance from the research vessel R/V is less than 10 km.

3.2. Unmanned Surface Vehicle-Based Mode

To realize large-scale and long-distance underwater survey operations and give full play to the advantages of submersible swarm operations, we have also proposed a USV-based manned and unmanned submersible cooperative operational mode, as shown in Figure 6. It comprises of the research vessel R/V, a USV, an HOV, an AUV cluster, and other equipment. The USV is used to monitor the AUV cluster operations in real time instead of the research vessel R/V, transmit the data to the research vessel R/V, and can also accept control commands from the research vessel R/V. The USV can move with the AUV cluster to improve the operating distance and range of the AUV cluster. The research vessel R/V focuses on the underwater operation of the HOV at the far end to monitor the overall situation of the cooperative operation.
When the AUV cluster works underwater, the USV is used to track and monitor the underwater operation of the AUV cluster. The USV is equipped with an automatic driving system, unattended control nodes, UACS, GNSS, satellite communication system, etc., as shown in Figure 7. The space-based communication system can establish real-time communication with the research vessel R/V to realize functions, such as data transmission and command delivery. The UACS realizes data transmission with the underwater AUV cluster. GNSS provides unified timing and positioning services.
The AUV cluster sends its own status information and detection load information to the USV through UACS, and the USV control system node sends the submersible status, position, and basic information of the USV back to the comprehensive command and monitoring systems of the research vessel R/V through the satellite communication module system. In this way, the surface monitoring personnel can monitor the working status of the underwater AUV cluster in real time and can issue control instructions to the underwater AUV cluster in real time according to the relevant information returned.
The USV is equipped with an autopilot system, which can autonomously plan the ship’s course, speed, and other motion state parameters according to the submersible cluster position information, surface sea, wave, and current information, and keep the USV in a low power consumption state. The research vessel R/V can fully guarantee the underwater operation of the HOV and can also consider the monitoring and command of the AUV cluster so that more investigation data can be obtained in a limited time.
The introduction of satellite communication system allows surface commanders to monitor the status of AUVs at a distance in real time. In the event of a sudden failure, they can use a response plan prepared in advance to ensure the smooth recovery of the failed AUV. The surface commander can also monitor the detection load data in real time. When receiving the detection information of an underwater target, the research vessel R/V goes directly to the target area to release the HOV or ROV for on-site verification, which is of great significance for underwater salvage and target search. This mode also has certain limitations.
The unmanned ship is too small to achieve relatively stable navigation and cannot be equipped with a USBL. The AUV needs to be equipped with an advanced underwater autonomous navigation system. During underwater operations, it can only rely on its own navigation system to calculate real-time position information. At this time, the accuracy and stability of the autonomous navigation system are particularly important, especially in the process of diving. The submersible is in a spiral descent, and the changes in its own attitude and speed make it difficult for the autonomous navigation system to calculate relatively accurate position information.
When necessary, a forced correction of the underwater position of the AUV cluster is required. The specific method is to use the USBL positioning system on the research vessel R/V to locate the AUV when the submersible dives to the planned depth and starts sailing. The initial coordinate information is sent to the AUV through UACS, and the AUV automatically calculates the underwater position based on this coordinate point. In addition, when there is a strong surface wind and/or a heavy swell, it is difficult to guarantee the safety of the USV, and thus it is necessary to evaluate the sea state changes in advance.

3.3. Lander-Based Mode

In order to overcome the limitations of the USV and realize the AUV swarm to perform operational tasks in difficult sea conditions, we further propose a manned and unmanned cooperative operational mode based on the lander, as shown in Figure 8. It comprises of the research vessel R/V, lander, HOV, AUV cluster, and other equipment. The lander replaces the USV for monitoring the underwater AUV cluster operations. The lander can send the positioning information of the AUV cluster to the AUV cluster through the UACS. The research vessel R/V can perform HOV diving tasks in places with relatively long operating distances, to achieve a wider range of underwater operations.
The lander is equipped with a USBL transponder, USBL, UACS, power system, motion sensor, and other modules, as shown in Figure 9. Limited by the size of the lander, the UACS and the USBL are highly integrated, which can realize the functions of communication and positioning simultaneously. To obtain the accurate position coordinates of the lander, after the lander is deployed, the research vessel R/V can use the USBL to accurately locate the transponders installed on the lander. Then, the coordinate information of the lander is sent to the communication positioning system installed on the lander through the UACS of the research vessel R/V.
The lander calculates the relative position information of the AUV cluster and calculates the absolute geodetic coordinates of each AUV based on its own coordinates. It is sent to the AUV cluster through UACS to provide underwater orientation guidance for the AUVs. The AUV cluster performs operations on the seabed through a preset planning route. The AUVs use the autonomous decision-making system to complete underwater navigation, terrain mapping, and obstacle avoidance. After completing the task, they surfaced in turn and are recovered by the research vessel R/V.
This operational mode can also liberate the research vessel R/V so that the research vessel R/V can fully focus on the underwater operations of the HOV or perform routine investigation tasks in another area, which can considerably improve the scope of scientific investigations and the efficiency of offshore operations. Compared with the cooperative operational mode based on USVs, the lander can operate in severe sea conditions, and this poses less risk to the operation.
Since the lander is relatively close to the AUV cluster and is unaffected by the swell current on the sea surface, the USBL on the lander is relatively geostatic and is superior to the USBL of the research vessel R/V in terms of positioning accuracy and positioning stability. Therefore, this operational mode has significant advantages in the fields of large-scale seabed topographic mapping and mineral resource exploration.
The disadvantage of this mode is that the cooperative operational command and monitoring system cannot monitor the position and ontology data of the AUVs in real time and cannot issue control instructions to the AUV. Relevant information can be obtained through the satellite communication system installed on the AUVs only when the AUVs are thrown to the surface. In addition, the lander cannot move with the AUV cluster as does the USV, which to a certain extent, limits the underwater operating range of the AUV cluster.

4. Support System

Underwater wireless communication is crucial to ensure the interconnection of underwater manned/unmanned submersibles and surface vehicles. Although the underwater wireless optical communication can achieve high-speed communication, the transmission distance is short, usually only a few hundred meters. As it is difficult for electromagnetic waves to propagate through seawater, underwater acoustic communication is the only solution for long-distance underwater wireless communication.
Four communication methods are integrated for the UACS to meet different needs: (1) coherent underwater acoustic communication, with a variable transmission rate from 5 to 15 kbps, to transmit images; (2) non-coherent underwater acoustic communication, with a transmission rate of 300 bps, to transmit texts, instructions, and sensor data; (3) spread spectrum underwater communication, with a transmission rate of 16 bps, to transmit instructions; and (4) underwater voice communication, using single sideband modulation, to transmit human voice.
Coherent, non-coherent, and spread spectrum underwater acoustic communications are forms of digital communication, while underwater voice communication is a form of analog communication. Furthermore, the transmission distance of conventional radio communication is limited due to the curvature of the earth. The communication between the USV and the research vessel R/V mainly relies on the communication satellites in the sky.
To complete the three cooperative operational modes, the research vessel R/V, USVs, lander, and HOVs need to be installed or equipped with a complete cooperative operational command and monitoring system. This can realize on-site information summarization, real-time data display, and command output and data storage of underwater cooperative operation through the integration of water surface monitoring, underwater acoustic communication, and underwater navigation and positioning. In this way, it provides decision support for the on-site commander and forms a complete on-site command and monitoring system for the cooperative operation of manned and unmanned submersibles.
Figure 10 illustrates the schematic diagram of the cooperative operational command and monitoring system. It is installed on the research vessel R/V and can receive data from the shipboard integrated positioning sonar, shipboard compass, shipboard GNSS, UACS, shipboard video server, and other equipment. The cooperative operational command and monitoring system is connected to the research vessel R/V’s area network, and the water surface monitoring server provides services for the whole research vessel R/V network.
It can receive data from the USBL server, UACS server, GNSS signal, satellite communication signal, and the gyro sensor from onboard networks. These data are integrated and displayed externally by the surface monitoring display matrix, which can be used and analyzed by the surface commanders. When manned and unmanned submersibles work together underwater, the command and monitoring system plays the role of providing a map display and data support for surface commanders.
The hardware part of the cooperative operational command and monitoring system includes the water surface control box and the water surface integrated display and controller matrix. The water surface control box is the core unit of the water surface monitoring unit. As the operating carrier of the water surface monitoring software, it is responsible for comprehensive processing of multi-source data, such as shipborne, underwater acoustic, position indication, and satellite communication data.
The surface integrated display matrix is responsible for visually displaying the integrated information of the submersibles and the research vessel R/V. The surface monitoring software collects the data provided by the research vessel R/V through the research vessel R/V area network, such as GNSS, USBL, and gyro data. It also obtains different submersible data, such as submersible body, life support system, and detection load data through underwater acoustic communication. All the collected data are summarized, analyzed, and fused by the water surface monitoring software, and then displayed in the form of intuitive maps and graphics. The water surface command monitoring software stores the obtained data simultaneously throughout the process.

5. Work Efficiency Analysis

The implementation of oceanic scientific expeditions provides great attention to the efficiency of offshore operations. According to our previous operating experiences with the Jiaolong HOV and Qianlong AUV, underwater operational time is the key in completing underwater tasks. Our evaluation of the work efficiency generally refers to the time spent on completing the same task or completing a fixed task in a unit time. Therefore, it is reasonable for us to choose operational time to evaluate the operational efficiency to some degree.
To facilitate analysis, the durations of some operating processes were normalized following previous operating experiences with the Jiaolong HOV and Qianlong AUV. In general, the diving speed of each HOV and AUV is 40 m/min, the preparation time of each submersible before diving is 1 h, and the deployment time is 0.5 h. The diving time depends on the operating depth. The dive and ascent times are approximately the same, the recovery time is approximately the same as the deployment time, and the deck transfer and system maintenance time is 1 h.
The deployment and recovery processes of the lander/USV system are similar to those of the AUV. The underwater operation time of the HOV is 8 h, the underwater operation time of the AUV is up to 40 h, and the speed of the research vessel R/V is 12 kn (22.224 km/h). The aforementioned data considers the technical data and power consumption of each submersible and research vessel R/V (including communication, positioning and navigation, detection, and sampling systems). We obtained these data based on previous diving operations. Due to the different operating depths, the dive and ascent times are different. The surface commander needs to do the corresponding time assessment and task planning in advance. The key elements, such as the operational tasks, sea conditions in the operational area, and operational scope, will affect the operational mode of the on-site decision-maker’s constituency to perform the operational tasks.

5.1. Pure Research Vessel R/V Mode

The research vessel R/V can only provide communication and positioning services for one HOV and two AUVs simultaneously based on the underwater cooperative operation of the research vessel R/V because of the limitation of underwater acoustic communication bandwidth and underwater positioning time. During underwater cooperative operations, the research vessel R/V can deploy one HOV and two AUVs in sequence to perform underwater operations. After completing the operational task, the submersibles are recovered at regular intervals. Figure 11 shows the elapsed time in the cooperative operational mode.
If the operating water depth is 4000 m, the time for diving and ascent is 1.6 h each, and the time required to complete the task is 52 h. However, in the previous distributed mode operations, three steps were required to complete these tasks, that is, after the HOV completed the underwater operation, it was recovered by the research vessel R/V, and then, AUV01 was deployed to conduct the underwater operation. When AUV01 was successfully recovered by the research vessel R/V, and AUV02 was deployed to continue the underwater operation.
After the operation was completed, AUV02 was recovered by the research vessel R/V. Figure 12 shows the elapsed time in a traditional distributed operational mode. Distributed mode takes 110 h to complete the same task. This shows that cooperative operations have a considerable advantage in the execution time needed to complete the unit tasks, which saves the research vessel R/V’s time and improves the operational efficiency.
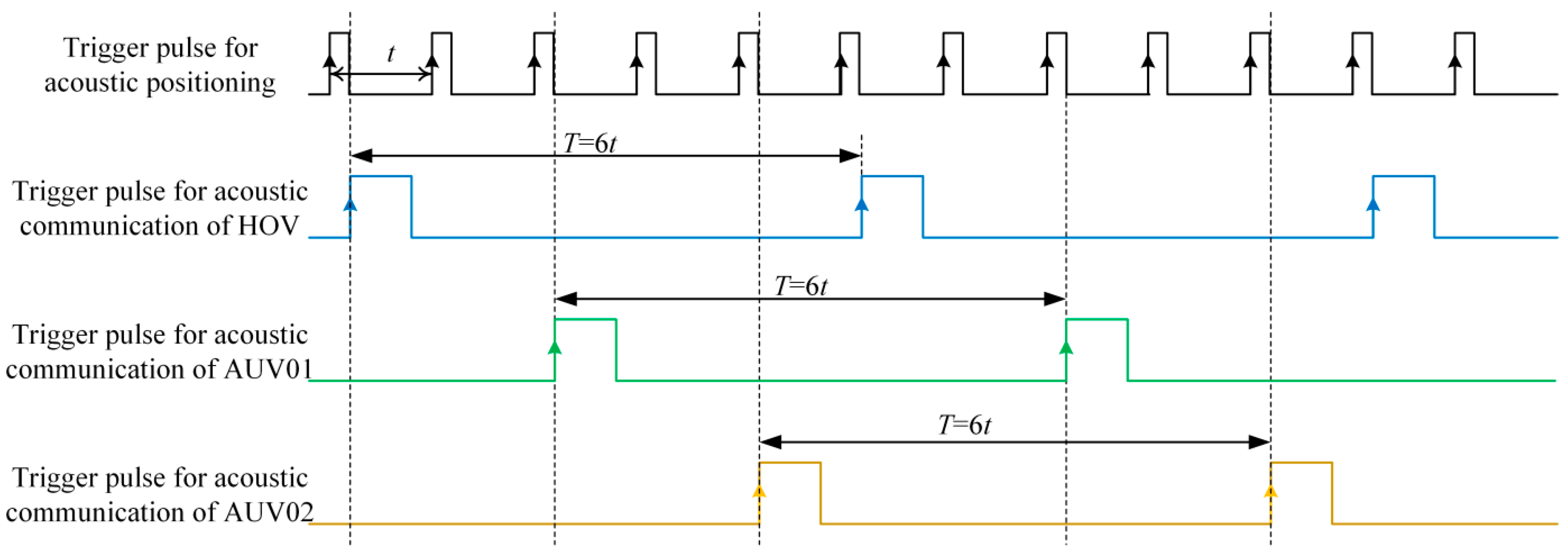
Based on the cooperative operation of the pure research vessel R/V, positioning and communication timing allocation mechanisms are also required to ensure the effective operation of submersible communication and positioning. In this study, we propose a positioning and communication timing allocation method for heterogeneous submersible underwater cooperative operations. The timing distribution of positioning and communication is realized by a high-precision atomic clock acting as a synchronous clock module.
The synchronous clock module has four trigger pulse outputs for the USBL, and the UACS of the HOV, AUV01, and AUV02. The trigger pulse periods are t, 6t, 6t, and 6t, respectively. The operating mode of UACS needs to be set. After the communication host receives the trigger pulse, it will not transmit the acoustic signal immediately but will transmit it after a delay (τ), in order wait for the positioning transponder to transmit the response signal and then transmit the underwater acoustic signal to the research vessel R/V.
Each submersible is equipped with a synchronous clock module, which supports the research vessel R/V surface communication system and the USBL, which share a synchronous clock module. Before diving, unified timing synchronization is performed through the precise positioning service of the differential GNSS. The timing allocation diagram of underwater positioning communication is shown in Figure 13.
To avoid the interference between communication and positioning, the positioning mode of heterogeneous submersibles when operating underwater uniformly uses the external synchronization positioning mode. The synchronization pulse comes from the clock source module that realizes the unified time reference with the submersible and the transponder equipped with the submersible. The trigger pulse signal comes from the synchronous clock source of each submersible, which can ensure the accuracy of the time recorded by the USBL.
To determine the identity of the transponder sending the signal, each transponder has a fixed response signal and an identity number (ID number), and the ID number of the transponder corresponds to the different submersibles. The position and ID information of the transponder calculated by the USBL are sent to the integrated command and monitoring system of the research vessel R/V, and the integrated command and monitoring system calculates and displays the real-time position of each submersible.

5.2. Unmanned Surface Vehicle/Lander Mode

In the cooperative operational mode based on the USV/lander, the USV/lander system can monitor a cluster comprising three AUVs to conduct underwater operations simultaneously. In the actual operation, the first step is to deploy the USV/lander system. Since the position coordinates of the lander when sitting on the bottom are unknown, the position of the lander needs to be measured, and the research vessel R/V circles the lander to accurately calibrate the position of the submerged buoy. AUV clusters are then deployed in turn to conduct underwater operations. When the AUV deployment operation is completed, the research vessel R/V transports the HOV to the operational area to conduct underwater investigation operations. During the manned deep diving operation, the research vessel R/V monitors the operational dynamics in real time near the HOV.
If the manned deep diving operational area is 100 nm away from the USV/lander, the ferry time of the research vessel R/V will take 5 h. After the manned deep diving operation is completed, the research vessel R/V will sail to the AUV operational area to recover the AUV clusters in turn and finally complete the recovery of the lander and USV. Figure 14 shows the USV/lander-based collaboration time. It takes approximately 50 h to use the USV and approximately 55 h to use the lander to complete the same task.
In the traditional distributed operational mode relying on the research vessel R/V, one HOV and three AUVs complete their operations and are recovered, and then a submersible is deployed. The operational time is shown in Figure 15. It takes 165 h, including the transit time to the research vessel R/V to complete the same task at the same operating location. When performing large-scale and long-distance underwater surveys, the introduction of a USV/lander cooperative operation was determined to have considerable advantages in terms of the operational time. This operational mode uses the AUV cluster operational gap to perform underwater operations of the HOV, which saves the research vessel R/V time and expands the operational scope.
It should be noted that the above operational scope is not infinitely expandable, and specific analysis needs to be performed depending on the operational radius and specific tasks. If the distance is too far, the transit time will be too long, and the research vessel R/V will not be able to recover the AUV cluster. If the operating range is relatively short or the USV follows the AUV cluster to move toward the research vessel R/V, the transit time could be reduced, and the AUV operational gap could be used to perform two HOV dive missions to further improve the operational efficiency. Figure 16a shows a schematic diagram of the cooperative operational scope based on the USV/lander. Figure 16b shows the statistics of operating time in different operating radii.
When the operating radius exceeds 100 nm, the research vessel R/V is unable to recover the AUV cluster in time. Thus, the operating radius should be less than 100 nm. When the operating radius is less than 40 nm, two manned deep-sea diving operations can be conducted during the AUV operation. Within the effective operating radius, the elapsed time of the traditional distributed operational mode is more than three times that of the cooperative operational mode. Therefore, manned and unmanned underwater cooperative works have significant time advantages.

5.3. Typical Operating Task

For the above three operational modes, the elapsed time of the cooperative operation based on the lander mode and the USV mode is similar. However in certain typical operational scenarios, there is still a substantial difference in completing fixed investigation tasks. Consider an example in which an HOV and AUVs are performing a special investigation mission. The main task is to search for underwater target objects in unfamiliar sea areas.
The task of the AUV cluster is to perform high-precision topographical mapping and target recognition for the most probable area of the target, and to determine the coordinates of the suspected target. The double-sided effective strip width of the sounding side-scan sonar is 350 m, the parallel detection width of the three AUV clusters is approximately 2.1 km, and the detection navigation speed is 1 kn. The main task of the HOV is to conduct accurate near-bottom inspection and investigation of the target. The operating range is approximately 40 × 50 km, and the work area is shown in Figure 17.
If the USV-based cooperative operational mode is used to complete the above tasks, the cluster of AUVs can work together in a certain direction, and the USV can move with the AUV cluster. At this time, the operational path can be planned as a straight line, and the detection area to complete one dive is approximately 155 km2, which takes 50 h. The operational diagram is shown in Figure 18a, and 13 cooperative operational dives are required to complete the entire area. If the lander is used to complete the target detection in the target sea area, since the submersible mark system is stationary on the seabed and limited by the maximum communication distance, the AUV cluster cannot be detected along a straight line but can only be planned as a polyline.
In this way, useless routes will inevitably appear, which will require underwater operational time. One operational dive can only complete the side sweep task of 144 km2 in a square area of 12 km × 12 km, which reduces the operational efficiency and takes 55 h. Figure 18b depicts the operation diagram. This mode also requires frequent placement and correction of submerged buoys, occupying research vessel R/V time. Using the operational mode based on the pure research vessel R/V is similar to using the lander mode except that each cooperative operational dive uses two AUVs to conduct detection tasks.
Each operational dive can only complete a 96 km2 detection area, which takes 52 h and requires 21 cooperative operational dives to complete the entire area. Table 1 lists the operational and dive times of the aforementioned three cooperative operational modes for the same operating task.
The total operating times of the USV, lander, and pure research vessel R/V modes are 650, 770, and 1092 h, respectively. The total operating time of the USV mode is 120 h less than that of the lander mode, which is approximately 18.5% and 442 h less than that of the pure research vessel R/V mode, which is approximately 68.0%. To some degree, the USV mode can be considered as the most efficient. Thus, in the search and salvage scene of a large-scale underwater target, if sea conditions allow it, we should adopt the underwater cooperative operation based on the USV mode.

6. Conclusions

In this study, three cooperative operational modes using combinations of HOV, USVs, landers, and AUVs were developed for different application scenarios in the deep sea, and an on-site command system of manned and unmanned submersibles was introduced. Aiming at the cooperative operating mode of manned and unmanned submersibles, a timing allocation mechanism to avoid mutual interference between positioning and communication was designed. The cooperative operation of manned and unmanned submersibles can change the manner in which AUV detection operations are conducted while the HOV is diving. The AUV detection results can provide support for the selection of the HOV diving site.
The time required to complete the same task is only one-third of the traditional operational mode. The cooperative operational mode improves the overall operational efficiency of scientific research work. Finally, through the analysis of a typical underwater target search task, the operational time and the required number of dives for the three cooperative operational modes were determined. If sea conditions permit, the cooperative operation mode based on a USV is the most suitable for underwater target detection tasks.

Author Contributions

Conceptualization, L.Y. and T.Z.; methodology, X.W., S.Z. and T.Z.; writing—original draft preparation, L.Y., S.Z. and X.W.; writing—review and editing, P.S. and T.Z.; visualization, S.Z. and X.W.; supervision, L.Y. and T.Z.; project administration, L.Y. and T.Z.; funding acquisition, L.Y. and T.Z. All authors have read and agreed to the published version of the manuscript.

Funding

This work was partially funded by the National Key Research and Development Program of China (Grant No. 2021YFC2803000); the Open Foundation of Key Laboratory of Submarine Geosciences, MNR (Grant No. KLSG2003); the National Natural Science Foundation of China (Grant No. 41976182, 51979041); and the Taishan Scholar Project Funding (Grant No. TSQN202103137).

Institutional Review Board Statement

Not applicable.

Informed Consent Statement

Not applicable.

Data Availability Statement

Not applicable.

Conflicts of Interest

The authors declare no conflict of interest.

Abbreviations

The following abbreviations are used in this manuscript:
AIArtificial intelligence
ARVAutonomous and remotely operated vehicle
AUGAutonomous underwater glider
AUVAutonomous underwater vehicle
HiPAPHigh-Precision Acoustic Positioning System
HOVHuman occupied vehicle
ID numberIdentity number
GNSSGlobal navigation satellite system
ROVRemote operated vehicle
UACSUnderwater acoustic communication system
USBLUltrashort baseline
USVUnmanned surface vehicle
WHOIWoods Hole Oceanographic Institution

References

  1. Koslow, J.A. The Silent Deep: The Discovery, Ecology, and Conservation of the Deep Sea; University of Chicago Press: Chicago, IL, USA, 2007. [Google Scholar]
  2. Ramirez-Llodra, E.; Brandt, A.; Danovaro, R.; De Mol, B.; Escobar, E.; German, C.R.; Levin, L.A.; Martinez Arbizu, P.; Menot, L.; Buhl-Mortensen, P.; et al. Deep, diverse and definitely different: Unique attributes of the world’s largest ecosystem. Biogeosciences 2010, 7, 2851–2899. [Google Scholar] [CrossRef]
  3. Zhu, D.Q.; Hu, Z. Research status and prospect of deep-sea underwater vehicle. J. Anhui Norm. Univ. Nat. Sci. 2018, 41, 205–216. (In Chinese) [Google Scholar]
  4. Xu, H.X. Autonomous Underwater Vehicles; China Science Publishing & Media Ltd.: Beijing, China, 2019. [Google Scholar]
  5. Pan, G.; Song, B.W.; Huang, Q.G.; Yao, S. Development and key techniques of unmanned undersea system. J. Unmanned Undersea Syst. 2017, 25, 44–51. [Google Scholar]
  6. Zhao, Y.Y.; Zeng, X.G.; Jin, W.C. Research on system construction and development direction of marine scientific research equipment. Ship Sci. Technol. 2019, 41, 1–6. [Google Scholar]
  7. Pang, S.; Jiu, H.F. Current status of autonomous underwater vehicles research and development. Sci. Technol. Rev. 2015, 33, 66–71. [Google Scholar]
  8. Liu, F. Technical status and development trend of the deep-sea manned submersible. J. Eng. Stud. 2016, 8, 172–178. [Google Scholar]
  9. Wynn, R.B.; Huvenne, V.A.I.; Le Bas, T.P.; Murton, B.J.; Connelly, D.P.; Bett, B.J.; Ruhl, H.A.; Morris, K.J.; Peakall, J.; Persons, D.R.; et al. Autonomous underwater vehicles (AUVs): Their past, present and future contributions to the advancement of marine geoscience. Mar. Geol. 2014, 352, 451–468. [Google Scholar] [CrossRef]
  10. Li, S.; Tang, Y.G.; Huang, Y.; Liu, T.J.; Liu, J.; Li, B.; Zhang, X.; Luan, Z.D.; Wang, Y.J. Review and prospect for Chinese deep-sea technology and equipment. Bull. Chin. Acad. Sci. 2016, 31, 1316–1325. [Google Scholar]
  11. Levin, L.A.; Bett, B.J.; Gates, A.R.; Heimbach, P.; Howe, B.M.; Janssen, F.; McCurdy, A.; Ruhl, H.A.; Snelgrove, P.; Stocks, K.I.; et al. Global observing needs in the deep ocean. Front. Mar. Sci. 2019, 6, 1–32. [Google Scholar] [CrossRef]
  12. Kohnen, W. Human exploration of the deep seas: Fifty years and the inspiration continues. Mar. Technol. Soc. J. 2009, 43, 42–62. [Google Scholar] [CrossRef]
  13. Wang, H.J.; Song, S.; Wu, X.T.; Tian, Y.Y. Application of SeaRay wave glider in underwater positioning and communication. Digit. Ocean. Underw. Warf. 2021, 4, 498–505. [Google Scholar]
  14. Sasano, M.; Inaba, S.; Okamoto, A.; Seta, T.; Tamura, K.; Ura, T.; Sawada, S.; Suto, T. Development of a regional underwater positioning and communication system for control of multiple autonomous underwater vehicles. In Proceedings of the 2016 IEEE/OES Autonomous Underwater Vehicles (AUV), Tokyo, Japan, 6–9 November 2016. [Google Scholar]
  15. Aguiary, A.; Almeiday, J.; Bayaty, M.; Cardeiray, B.; Cunhay, R.; Hauslery, A.; Mauryay, P.; Oliveiray, A.; Pascoaly, A.; Pereira, A.; et al. Cooperative autonomous marine vehicle motion control in the scope of the EU GREX project: Theory and practice. In Proceedings of the OCEANS 2009—Europe, Bremen, Germany, 11–14 May 2009. [Google Scholar]
  16. Vasilijević, A.; Nad, D.; Mandi, F.; Mišković, N.; Vukić, Z. Coordinated navigation of surface and underwater marine robotic vehicles for ocean sampling and environmental monitoring. IEEE-ASME T. Mech. 2017, 22, 1174–1184. [Google Scholar] [CrossRef]
  17. Feng, X.S.; Li, Y.P.; Xu, H.X.; Li, Z.G. Development of deep-sea autonomous underwater vehicle and its application in resource survey. Chin. J. Nonferrous Met. 2021, 31, 2746–2756. (In Chinese) [Google Scholar]
  18. Li, S.; Liu, J.; Xu, H.X.; Zhao, H.Y.; Wang, Y.Q. Research status of autonomous underwater vehicles in China. Sci. Sin. Inform. 2018, 48, 1152–1164. (In Chinese) [Google Scholar] [CrossRef][Green Version]
  19. Xu, H.X.; Jiang, C.L. Heterogeneous oceanographic exploration system based on USV and AUV: A survey of developments and challenges. J. Univ. Chin. Acad. Sci. 2021, 38, 145–159. [Google Scholar]
  20. Szymak, P.; Piskur, P.; Naus, K. The effectiveness of using a pretrained deep learning neural networks for object classification in underwater video. Remote Sens. 2020, 12, 3020. [Google Scholar] [CrossRef]
  21. Zhang, T.W.; Tang, J.L.; Yang, J.C.; Qi, H.B.; Li, Z.G. Deep operational manned submersibles > 4500 m. Ship Eng. 2017, 39, 77–83. [Google Scholar]
  22. Yang, F.; Dong, Z.H. Research on cooperation technologies and combat patterns of manned /unmanned platforms. Def. Technol. Rev. 2018, 39, 57–62. [Google Scholar]
  23. Cao, J.; Xu, W.Z.; Hu, Z.H.; Jiang, L.; Yang, Q.S. Research on mother-child cooperative technology of manned/unmanned underwater vehicle. In Proceedings of the 4th Underwater Unmanned System Technology Summit Forum, Xi’an, China, 4 December 2021. [Google Scholar]
  24. Li, Y.P.; Li, S.; Zhang, A.Q. Research status of autonomous/remote controlled underwater vehicle. J. Eng. Stud. 2016, 8, 217–221. [Google Scholar]
  25. Zhang, X.D. China realizes cable-controlled and autonomous underwater vehicle deep-sea rendezvous shooting. Mil. Civ. Dual-Purp. Technol. Prod. 2017, 15, 5. [Google Scholar]
  26. China Dives for Springs in South China Sea—China Used Two Deep-Sea Operational Submersibles for the First Time to Conduct a Joint Scientific Expedition in Haima Cold Spring. Available online: https://www.cas.cn/cm/201806/t20180601_4648199.shtml (accessed on 1 June 2018).
  27. Gao, Y.; Sun, D.; Huang, H.; Wang, C.S.; Qian, P.Y.; Wang, Z.L.; Shi, X.P.; Song, C.B. Progress of environmental research and management related to mineral resources in international seabed. Chin. J. Nonferrous Met. 2021, 31, 2722–2737. [Google Scholar]
  28. Cooperative Operation of “Fendouzhe” and “Canghai” to Realize the World’s First Live Broadcast of 10,000 Meters of Ocean Floor. Available online: http://news.cctv.com/2020/11/13/ARTIGU70PinRwzxkaAMGAW9t201113.shtml (accessed on 13 November 2020).
  29. German, C.R.; Jakuba, M.V.; Kinsey, J.C.; Partan, J.; Suman, S.; Belani, A.; Yoerger, D.R. A long-term vision for long-range ship-free deep ocean operations: Persistent presence through coordination of autonomous surface vehicles and autonomous underwater vehicles. In Proceedings of the 2012 IEEE/OES Autonomous Underwater Vehicles (AUV), Southampton, UK, 24–27 September 2012. [Google Scholar]
  30. Christ, B.; Klara, J. A new approach to wide area survey multiple AUV application. In Proceedings of the OCEANS 2016 MTS/IEEE Monterey, Monterey, CA, USA, 19–23 September 2016. [Google Scholar]
  31. Kim, K.; Tamura, K. The Zipangu of the sea project overview: Focusing on the R&D for simultaneous deployment and operation of multiple AUVs. In Proceedings of the Offshore Technology Conference Asia, Kuala Lumpur, Malaysia, 22–25 March 2016. [Google Scholar]
  32. Urabe, T.; Ura, T.; Tsujimoto, T.; Hotta, H. Next-generation technology for ocean resources exploration (Zipangu-in-the-Ocean) project in Japan. In Proceedings of the OCEANS 2015—Genova, Genova, Italy, 18–21 May 2015. [Google Scholar]
  33. Nakatani, T.; Hyakudome, T.; Sawa, T.; Nakano, Y.; Watanabe, Y.; Fukuda, T.; Matsumoto, H.; Suga, R.; Yoshida, H. Development of an autonomous surface vehicle for monitoring underwater vehicles. In Proceedings of the OCEANS 2015—MTS/IEEE Washington, Washington, DC, USA, 19–22 October 2015. [Google Scholar]
  34. Sasano, M.; Inaba, S.; Okamoto, A.; Seta, T.; Tamura, K.; Ura, T.; Sawada, S.; Suto, T. Development of a semi-submersible autonomous surface vehicle for control of multiple autonomous underwater vehicles. In Proceedings of the 2016 Techno-Ocean (Techno-Ocean), Kobe, Japan, 6–8 October 2016. [Google Scholar]
  35. Okamoto, A.; Tamura, K.; Sasano, M.; Sawada, K.; Seta, T.; Inaba, S.; Ura, T.; Nishida, Y.; Kojima, J.; Itoh, Y. Development of hovering-type AUV “HOBALIN” for exploring seafloor hydrothermal deposits. In Proceedings of the OCEANS 2016 MTS/IEEE Monterey, Monterey, CA, USA, 19–23 September 2016. [Google Scholar]
  36. Seta, T.; Okamoto, A.; Inaba, S.; Sasano, M. Development of a new operating system software for a hovering-type autonomous underwater vehicle HOBALIN. In Proceedings of the 2017 11th Asian Control Conference (ASCC), Gold Coast, QLD, Australia, 17–20 December 2017. [Google Scholar]
Figure 1. Cooperative operation of Jiaolong HOV and Longzhu ARV. (a) Longzhu ARV is placed on the sampling basket of the Jiaolong HOV before diving. (b) Longzhu ARV dived to the seabed with Jiaolong HOV. The Chinese characters on ARV is Longzhu, which is the name of ARV.
Figure 1. Cooperative operation of Jiaolong HOV and Longzhu ARV. (a) Longzhu ARV is placed on the sampling basket of the Jiaolong HOV before diving. (b) Longzhu ARV dived to the seabed with Jiaolong HOV. The Chinese characters on ARV is Longzhu, which is the name of ARV.
Jmse 10 00909 g001
Figure 2. Haima ROV and Shenhai Yongshi HOV handover national flags.
Figure 2. Haima ROV and Shenhai Yongshi HOV handover national flags.
Jmse 10 00909 g002
Figure 3. Cooperative operation of Canghai Lander and Fendouzhe HOV. The Chinese characters on HOV is Fendouzhe, which is the name of HOV.
Figure 3. Cooperative operation of Canghai Lander and Fendouzhe HOV. The Chinese characters on HOV is Fendouzhe, which is the name of HOV.
Jmse 10 00909 g003
Figure 4. Scenario of a cooperative operation based on the pure research vessel R/V.
Figure 4. Scenario of a cooperative operation based on the pure research vessel R/V.
Jmse 10 00909 g004
Figure 5. Information flow of a cooperative operation based on the pure research vessel R/V.
Figure 5. Information flow of a cooperative operation based on the pure research vessel R/V.
Jmse 10 00909 g005
Figure 6. A scenario of cooperative operation based on USVs.
Figure 6. A scenario of cooperative operation based on USVs.
Jmse 10 00909 g006
Figure 7. Information flow of a cooperative operation based on USVs.
Figure 7. Information flow of a cooperative operation based on USVs.
Jmse 10 00909 g007
Figure 8. A scenario of cooperative operation based on a lander.
Figure 8. A scenario of cooperative operation based on a lander.
Jmse 10 00909 g008
Figure 9. Information flow of a cooperative operation based on a lander.
Figure 9. Information flow of a cooperative operation based on a lander.
Jmse 10 00909 g009
Figure 10. Schematic diagram of the cooperative operational command and monitoring system.
Figure 10. Schematic diagram of the cooperative operational command and monitoring system.
Jmse 10 00909 g010
Figure 11. Elapsed time in cooperative operation mode based on the pure research vessel R/V.
Figure 11. Elapsed time in cooperative operation mode based on the pure research vessel R/V.
Jmse 10 00909 g011
Figure 12. Elapsed time in traditional distributed operational mode (one HOV and Two AUVs).
Figure 12. Elapsed time in traditional distributed operational mode (one HOV and Two AUVs).
Jmse 10 00909 g012
Figure 13. Time sequence allocation of underwater positioning communication.
Figure 13. Time sequence allocation of underwater positioning communication.
Jmse 10 00909 g013
Figure 14. Elapsed time in cooperative operational mode based on a lander/USV.
Figure 14. Elapsed time in cooperative operational mode based on a lander/USV.
Jmse 10 00909 g014
Figure 15. Elapsed time in traditional distributed operational mode (one HOV and Three AUVs).
Figure 15. Elapsed time in traditional distributed operational mode (one HOV and Three AUVs).
Jmse 10 00909 g015
Figure 16. (a) Cooperative operating radius. (b) Operating time within different operating radii.
Figure 16. (a) Cooperative operating radius. (b) Operating time within different operating radii.
Jmse 10 00909 g016
Figure 17. Operating area map.
Figure 17. Operating area map.
Jmse 10 00909 g017
Figure 18. (a) Operation based on USV mode. (b) Work based on lander mode.
Figure 18. (a) Operation based on USV mode. (b) Work based on lander mode.
Jmse 10 00909 g018
Table 1. Operational time and dive times of the three cooperative operational modes.
Table 1. Operational time and dive times of the three cooperative operational modes.
Work ModeSingle Job Time (h)Single Operating Area (km2)Total DivesTotal Operating Time (h)
USV5015513650
Lander5514414770
Pure research vessel R/V5296211092
Publisher’s Note: MDPI stays neutral with regard to jurisdictional claims in published maps and institutional affiliations.

Share and Cite

MDPI and ACS Style

Yang, L.; Zhao, S.; Wang, X.; Shen, P.; Zhang, T. Deep-Sea Underwater Cooperative Operation of Manned/Unmanned Submersible and Surface Vehicles for Different Application Scenarios. J. Mar. Sci. Eng. 2022, 10, 909. https://doi.org/10.3390/jmse10070909

AMA Style

Yang L, Zhao S, Wang X, Shen P, Zhang T. Deep-Sea Underwater Cooperative Operation of Manned/Unmanned Submersible and Surface Vehicles for Different Application Scenarios. Journal of Marine Science and Engineering. 2022; 10(7):909. https://doi.org/10.3390/jmse10070909

Chicago/Turabian Style

Yang, Lei, Shengya Zhao, Xiangxin Wang, Peng Shen, and Tongwei Zhang. 2022. "Deep-Sea Underwater Cooperative Operation of Manned/Unmanned Submersible and Surface Vehicles for Different Application Scenarios" Journal of Marine Science and Engineering 10, no. 7: 909. https://doi.org/10.3390/jmse10070909

APA Style

Yang, L., Zhao, S., Wang, X., Shen, P., & Zhang, T. (2022). Deep-Sea Underwater Cooperative Operation of Manned/Unmanned Submersible and Surface Vehicles for Different Application Scenarios. Journal of Marine Science and Engineering, 10(7), 909. https://doi.org/10.3390/jmse10070909

Note that from the first issue of 2016, this journal uses article numbers instead of page numbers. See further details here.

Article Metrics

Back to TopTop