Depth and Heading Control of a Manta Robot Based on S-Plane Control
Abstract
1. Introduction
2. Overview of Manta Robot
2.1. Mechanical Structure
2.2. Control System of the Manta Robot
3. Design of S-Plane-Based Controller
3.1. Design of Depth Controller for the Manta Robot
| Steps | Details |
|---|---|
| 1 | Set controller parameters and |
| 2 | Calculate the deviation according to Equation (1). |
| where, is the deviation at the current moment, is the sampled value of the control quantity at the current moment, and is the expected value of the control quantity. | |
| 3 | Since time is discretized in the control system, the deviation rate of change is expressed in a discretized form. The deviation rate of change is calculated according to Equation (1). |
| where, is the deviation rate of change at the current moment, is the deviation at the current moment, and is the deviation at the previous moment. | |
| 4 | Normalization of deviation and deviation rate of change . |
| 5 | Calculate the control output according to Equation (1). |
| Inverse normalization of the control output by Equation (2) | |
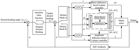
3.2. Design of Heading Controller for Manta Robot
3.2.1. Transition Process Based on the Transition Value Function
3.2.2. Fuzzy Inference-Based Parameter Adjustment
- (1)
- When is large, a larger value of is selected to improve the response rate of the system, while a smaller value of is selected at this time to avoid system instability caused by an excessive value of .
- (2)
- When the value of is moderately large, a smaller value of is selected to avoid excessive overshoot, while a moderate value of is selected to improve the response rate of the system.
- (3)
- When the value of is small, selecting a larger value and a moderate value can improve the steady-state performance of the system while avoiding system oscillations near the equilibrium point.
4. Experiments and Results
4.1. Depth and Heading Holding Experiment
4.2. Heading Switching Experiment
5. Conclusions
Author Contributions
Funding
Institutional Review Board Statement
Informed Consent Statement
Data Availability Statement
Acknowledgments
Conflicts of Interest
References
- Neveln, I.D.; Bai, Y.; Snyder, J.B.; Solberg, J.R.; Curet, O.M.; Lynch, K.M.; MacIver, M.A. Biomimetic and bio-inspired robotics in electric fish research. J. Exp. Biol. 2013, 216, 2501–2514. [Google Scholar] [CrossRef] [PubMed]
- Aly, A.A.; The Vu, M.; El-Sousy, F.F.M.; Alotaibi, A.; Mousa, G.; Le, D.-N.; Mobayen, S. Fuzzy-Based Fixed-Time Nonsingular Tracker of Exoskeleton Robots for Disabilities Using Sliding Mode State Observer. Mathematics 2022, 10, 3147. [Google Scholar] [CrossRef]
- Alattas, K.A.; Mobayen, S.; Din, S.U.; Asad, J.H.; Fekih, A.; Assawinchaichote, W.; Vu, M.T. Design of a Non-Singular Adaptive Integral-Type Finite Time Tracking Control for Nonlinear Systems With External Disturbances. IEEE Access 2021, 9, 102091–102103. [Google Scholar] [CrossRef]
- Vu, M.T.; Le Thanh, H.N.N.; Huynh, T.-T.; Thang, Q.; Duc, T.; Hoang, Q.-D.; Le, T.-H. Station-Keeping Control of a Hovering Over-Actuated Autonomous Underwater Vehicle Under Ocean Current Effects and Model Uncertainties in Horizontal Plane. IEEE Access 2021, 9, 6855–6867. [Google Scholar] [CrossRef]
- Thanh, H.L.N.N.; Vu, M.T.; Mung, N.X.; Nguyen, N.P.; Phuong, N.T. Perturbation Observer-Based Robust Control Using a Multiple Sliding Surfaces for Nonlinear Systems with Influences of Matched and Unmatched Uncertainties. Mathematics 2020, 8, 1371. [Google Scholar] [CrossRef]
- Mobayen, S.; Bayat, F.; Din, S.; Vu, M.T. Barrier function-based adaptive nonsingular terminal sliding mode control technique for a class of disturbed nonlinear systems. ISA Trans. 2022. [Google Scholar] [CrossRef]
- Vu, M.T.; Alattas, K.A.; Bouteraa, Y.; Rahmani, R.; Fekih, A.; Mobayen, S.; Assawinchaichote, W. Optimized Fuzzy Enhanced Robust Control Design for a Stewart Parallel Robot. Mathematics 2022, 10, 1917. [Google Scholar] [CrossRef]
- Mokhtare, Z.; Vu, M.T.; Mobayen, S.; Fekih, A. Design of an LMI-Based Fuzzy Fast Terminal Sliding Mode Control Approach for Uncertain MIMO Systems. Mathematics 2022, 10, 1236. [Google Scholar] [CrossRef]
- Martins, A.; Almeida, J.; Almeida, C.; Matias, B.; Kapusniak, S.; Silva, E. EVA a Hybrid ROV/AUV for Underwater Mining Operations Support. In Proceedings of the 2018 OCEANS—MTS/IEEE Kobe Techno-Oceans (OTO), Kobe, Japan, 28–31 May 2018; pp. 1–7. [Google Scholar] [CrossRef]
- Dunbabin, M.; Roberts, J.; Usher, K.; Winstanley, G.; Corke, P. A Hybrid AUV Design for Shallow Water Reef Navigation. In Proceedings of the 2005 IEEE International Conference on Robotics and Automation, Barcelona, Spain, 18–22 April 2005; pp. 2105–2110. [Google Scholar] [CrossRef]
- Eichhorn, M.; Ament, C.; Jacobi, M.; Pfuetzenreuter, T.; Karimanzira, D.; Bley, K.; Boer, M.; Wehde, H. Modular AUV System with Integrated Real-Time Water Quality Analysis. Sensors 2018, 18, 1837. [Google Scholar] [CrossRef]
- Gao, Z.; Guo, G. Fixed-Time Leader-Follower Formation Control of Autonomous Underwater Vehicles With Event-Triggered Intermittent Communications. IEEE Access 2018, 6, 27902–27911. [Google Scholar] [CrossRef]
- Wynn, R.B.; Huvenne, V.A.I.; Le Bas, T.P.; Murton, B.J.; Connelly, D.P.; Bett, B.J.; Ruhl, H.A.; Morris, K.J.; Peakall, J.; Parsons, D.R.; et al. Autonomous Underwater Vehicles (AUVs): Their past, present and future contributions to the advancement of marine geoscience. Mar. Geol. 2014, 352, 451–468. [Google Scholar] [CrossRef]
- Yu, C.; Xiang, X.; Lapierre, L.; Zhang, Q. Robust Magnetic Tracking of Subsea Cable by AUV in the Presence of Sensor Noise and Ocean Currents. IEEE J. Ocean. Eng. 2018, 43, 311–322. [Google Scholar] [CrossRef]
- Huang, S.-W.; Chen, E.; Guo, J. Efficient Seafloor Classification and Submarine Cable Route Design Using an Autonomous Underwater Vehicle. IEEE J. Ocean. Eng. 2018, 43, 7–18. [Google Scholar] [CrossRef]
- Villar, S.A.; Acosta, G.G.; Sousa, A.L.; Rozenfeld, A. Evaluation of an Efficient Approach for Target Tracking from Acoustic Imagery for the Perception System of an Autonomous Underwater Vehicle. Int. J. Adv. Robot. Syst. 2014, 11, 24. [Google Scholar] [CrossRef]
- Review of Biomimetic Underwater Robots Using Smart Actuators|SpringerLink. Available online: https://link.springer.com/article/10.1007/s12541-012-0171-7 (accessed on 27 September 2022).
- Fish, F.E.; Kocak, D.M. Biomimetics and Marine Technology. Mar. Technol. Soc. J. 2011, 45, 8–13. [Google Scholar] [CrossRef]
- Villanueva, A.; Smith, C.; Priya, S. A biomimetic robotic jellyfish (Robojelly) actuated by shape memory alloy composite actuators. Bioinspir. Biomim. 2011, 6, 036004. [Google Scholar] [CrossRef]
- Sfakiotakis, M.; Lane, D.M.; Davies, J.B.C. Review of fish swimming modes for aquatic locomotion. IEEE J. Ocean. Eng. 1999, 24, 237–252. [Google Scholar] [CrossRef]
- Yu, J.; Wang, M.; Dong, H.; Zhang, Y.; Wu, Z. Motion Control and Motion Coordination of Bionic Robotic Fish: A Review. J. Bionic. Eng. 2018, 15, 579–598. [Google Scholar] [CrossRef]
- Wang, S.; Wang, Y.; Wei, Q.; Tan, M.; Yu, J. A Bio-Inspired Robot With Undulatory Fins and Its Control Methods. IEEE/ASME Trans. Mechatron. 2017, 22, 206–216. [Google Scholar] [CrossRef]
- Qu, Y.; Guo, Z.; Zhang, G.; Gao, X.-L.; Jin, F. A New Model for Circular Cylindrical Kirchhoff-Love Shells Incorporating Microstructure and Flexoelectric Effects. J. Appl. Mech. 2022, 89, 121010. [Google Scholar] [CrossRef]
- Qu, Y.L.; Zhang, G.Y.; Gao, X.-L.; Jin, F. A new model for thermally induced redistributions of free carriers in centrosymmetric flexoelectric semiconductor beams. Mech. Mater. 2022, 171, 104328. [Google Scholar] [CrossRef]
- Qu, Y.; Jin, F.; Yang, J. Torsion of a piezoelectric semiconductor rod of cubic crystals with consideration of warping and in-plane shear of its rectangular cross section. Mech. Mater. 2022, 172, 104407. [Google Scholar] [CrossRef]
- Qu, Y.; Jin, F.; Yang, J. Temperature-induced potential barriers in piezoelectric semiconductor films through pyroelectric and thermoelastic couplings and their effects on currents. J. Appl. Phys. 2022, 131, 094502. [Google Scholar] [CrossRef]
- Tuna Robotics: A High-Frequency Experimental Platform Exploring the Performance Space of Swimming Fishes|Science Robotics. Available online: https://www.science.org/doi/abs/10.1126/scirobotics.aax4615 (accessed on 27 September 2022).
- Aubin, C.A.; Choudhury, S.; Jerch, R.; Archer, L.A.; Pikul, J.H.; Shepherd, R.F. Electrolytic vascular systems for energy-dense robots. Nature 2019, 571, 51–57. [Google Scholar] [CrossRef] [PubMed]
- Chen, X.; Yu, J.; Wu, Z.; Meng, Y.; Kong, S. Toward a Maneuverable Miniature Robotic Fish Equipped With a Novel Magnetic Actuator System. IEEE Trans. Syst. Man Cybern. Syst. 2020, 50, 2327–2337. [Google Scholar] [CrossRef]
- Zhou, C.; Low, K.H. Design and Locomotion Control of a Biomimetic Underwater Vehicle With Fin Propulsion. IEEE/ASME Trans. Mechatron. 2012, 17, 25–35. [Google Scholar] [CrossRef]
- Low, K.H.; Zhou, C.; Seet, G.; Bi, S.; Cai, Y. Improvement and testing of a robotic manta ray (RoMan-III). In Proceedings of the 2011 IEEE International Conference on Robotics and Biomimetics, Karon Beach, Thailand, 7–11 December 2011; pp. 1730–1735. [Google Scholar] [CrossRef]
- Yan, Q.; Wang, L.; Liu, B.; Yang, J.; Zhang, S. A Novel Implementation of a Flexible Robotic Fin Actuated by Shape Memory Alloy. J. Bionic. Eng. 2012, 9, 156–165. [Google Scholar] [CrossRef]
- Arastehfar, S.; Chew, C.-M.; Jalalian, A.; Gunawan, G.; Yeo, K.S. A Relationship Between Sweep Angle of Flapping Pectoral Fins and Thrust Generation. J. Mech. Robot. 2018, 11, 011014. [Google Scholar] [CrossRef]
- Wang, R.; Wang, S.; Wang, Y. A Hybrid Heading Control Scheme for a Biomimetic Underwater Vehicle. In Proceedings of the 26th International Ocean and Polar Engineering Conference, Rhodes, Greece, 26 June 2016. [Google Scholar]
- Liu, Q.; Chen, H.; Wang, Z.; He, Q.; Chen, L.; Li, W.; Li, R.; Cui, W. A Manta Ray Robot with Soft Material Based Flapping Wing. J. Mar. Sci. Eng. 2022, 10, 962. [Google Scholar] [CrossRef]
- Zhang, D.; Pan, G.; Cao, Y.; Huang, Q.; Cao, Y. A Novel Integrated Gliding and Flapping Propulsion Biomimetic Manta-Ray Robot. J. Mar. Sci. Eng. 2022, 10, 924. [Google Scholar] [CrossRef]
- Zhong, Y.; Xie, F.; Song, J.; Du, R. Implementation and depth control of an active-and-compliant propelled robot fish. In Proceedings of the 2017 IEEE International Conference on Robotics and Biomimetics (ROBIO), Macao, China, 5–8 December 2017; pp. 2331–2336. [Google Scholar] [CrossRef]
- Cao, Y.; Xie, Y.; Ma, S.; Zhang, D.; Hao, Y.; He, Y.; Cao, Y. Control of Robotic Manta Based on T-S Fuzzy Neural Network. In Proceedings of the 2021 International Conference on Autonomous Unmanned Systems (ICAUS 2021); Wu, M., Niu, Y., Gu, M., Cheng, J., Eds.; Springer: Singapore, 2022; pp. 2813–2822. [Google Scholar] [CrossRef]
- Wei, Q.; Wang, S.; Wang, Y.; Zhou, C.; Tan, M. Course and Depth Control for a Biomimetic Underwater Vehicle—RobCutt-I. Int. J. Offshore Polar Eng. 2015, 25, 81–87. [Google Scholar] [CrossRef]
- Yu, J.; Liu, J.; Wu, Z.; Fang, H. Depth Control of a Bioinspired Robotic Dolphin Based on Sliding-Mode Fuzzy Control Method. IEEE Trans. Ind. Electron. 2018, 65, 2429–2438. [Google Scholar] [CrossRef]
- Yan, Z.; Yang, H.; Zhang, W.; Lin, F.; Gong, Q.; Zhang, Y. Bionic fish tail design and trajectory tracking control. Ocean Eng. 2022, 257, 111659. [Google Scholar] [CrossRef]
- Chen, J.; Yin, B.; Wang, C.; Xie, F.; Du, R.; Zhong, Y. Bioinspired Closed-loop CPG-based Control of a Robot Fish for Obstacle Avoidance and Direction Tracking. J. Bionic. Eng. 2021, 18, 171–183. [Google Scholar] [CrossRef]
- Cao, Y.; Xie, Y.; He, Y.; Pan, G.; Huang, Q.; Cao, Y. Bioinspired Central Pattern Generator and T-S Fuzzy Neural Network-Based Control of a Robotic Manta for Depth and Heading Tracking. J. Mar. Sci. Eng. 2022, 10, 758. [Google Scholar] [CrossRef]
- Hao, Y.; Cao, Y.; Cao, Y.; Huang, Q.; Pan, G. Course Control of a Manta Robot Based on Amplitude and Phase Differences. J. Mar. Sci. Eng. 2022, 10, 285. [Google Scholar] [CrossRef]
- Zhang, L.; Pang, Y.; Su, Y.; Zhao, F.; Qin, Z. Expert S-surface control for autonomous underwater vehicles. J. Mar. Sci. Appl. 2008, 7, 236–242. [Google Scholar] [CrossRef]
- Yushan, S.; Lei, W.; Yueming, L.; Liwei, L.; Guocheng, Z. S plane control based on parameters optimization with simulated annealing for underwater vehicle. In Proceedings of the 2011 International Conference on Electronic & Mechanical Engineering and Information Technology, Harbin, China, 12–14 August 2011; pp. 552–556. [Google Scholar] [CrossRef]











| NB | NM | NS | Z | PS | PM | PB | ||
|---|---|---|---|---|---|---|---|---|
| NB | PB | PB | PM | PM | PS | ZO | ZO | |
| NM | PB | PB | PM | PS | PS | ZO | NS | |
| NS | PM | PM | PM | PS | ZO | NS | NS | |
| Z | PM | PM | PS | ZO | NS | NM | NM | |
| PS | PS | PS | ZO | NS | NS | NM | NM | |
| PM | PS | ZO | NS | NM | NM | NM | NB | |
| PB | ZO | ZO | NM | NM | NM | NB | NB | |
| NB | NM | NS | Z | PS | PM | PB | ||
|---|---|---|---|---|---|---|---|---|
| NB | PS | NS | NB | NB | NB | NM | PS | |
| NM | PS | NS | NB | NM | NM | NS | ZO | |
| NS | ZO | NS | NM | NM | NS | NS | ZO | |
| Z | ZO | NS | NS | NS | NS | NS | ZO | |
| PS | ZO | ZO | ZO | ZO | ZO | ZO | ZO | |
| PM | PB | NS | PS | PS | PS | PS | PB | |
| PB | PB | PM | PM | PM | PS | PS | PB | |
Publisher’s Note: MDPI stays neutral with regard to jurisdictional claims in published maps and institutional affiliations. |
© 2022 by the authors. Licensee MDPI, Basel, Switzerland. This article is an open access article distributed under the terms and conditions of the Creative Commons Attribution (CC BY) license (https://creativecommons.org/licenses/by/4.0/).
Share and Cite
He, Y.; Xie, Y.; Pan, G.; Cao, Y.; Huang, Q.; Ma, S.; Zhang, D.; Cao, Y. Depth and Heading Control of a Manta Robot Based on S-Plane Control. J. Mar. Sci. Eng. 2022, 10, 1698. https://doi.org/10.3390/jmse10111698
He Y, Xie Y, Pan G, Cao Y, Huang Q, Ma S, Zhang D, Cao Y. Depth and Heading Control of a Manta Robot Based on S-Plane Control. Journal of Marine Science and Engineering. 2022; 10(11):1698. https://doi.org/10.3390/jmse10111698
Chicago/Turabian StyleHe, Yue, Yu Xie, Guang Pan, Yonghui Cao, Qiaogao Huang, Shumin Ma, Daili Zhang, and Yong Cao. 2022. "Depth and Heading Control of a Manta Robot Based on S-Plane Control" Journal of Marine Science and Engineering 10, no. 11: 1698. https://doi.org/10.3390/jmse10111698
APA StyleHe, Y., Xie, Y., Pan, G., Cao, Y., Huang, Q., Ma, S., Zhang, D., & Cao, Y. (2022). Depth and Heading Control of a Manta Robot Based on S-Plane Control. Journal of Marine Science and Engineering, 10(11), 1698. https://doi.org/10.3390/jmse10111698

