Abstract
Because of the numerous ecosystem services provided by soil, such as elemental cycling, food production, and water filtration and storage, this resource requires special protection to maintain total efficiency of these services. However, standard agricultural practices can have a degrading effect, not only on the physical and chemical properties of soil, but may also threaten soil invertebrate communities. Soil macrofauna, and earthworms in particular, play a critical role in soil ecosystems because their activities affect the availability of nutrients for plants, shape soil structure, and significantly impact organic matter dynamics. The present study was undertaken to determine the effects of two systems used in plant cultivation (no-dig and conventional digging). Both used vermicompost as an organic fertilizer and looked at selected characteristics of Lumbricidae groupings and the dynamics of selected soil physicochemical properties. This study was conducted over three years in the same area to ensure that the soil characteristics were the same. The NDG (no-dig) and DG (conventional digging) sites were prepared as appropriate with a perennial hay meadow (MW) used as a control site. An electrical extraction (octet) method was used to collect earthworms. The same six species of earthworm were found at each site: Dendrodrilus rubidus (Sav.), Lumbricus rubellus (Hoff.), Aporrectodea caliginosa (Sav.), Aporrectodea rosea (Sav.), Octolasion lacteum (Örley), and Lumbricus terrestris (L.). Earthworm abundance and biomass were found to be significantly higher at the NDG site compared to DG (NDG > DG; abundance by 24% (p < 0.05), biomass by 22% (p < 0.05)). No significant differences between NDG and MW were shown. Moisture, temperature, and soil organic carbon content likely influenced the abundance and biomass of Lumbricidae. The NDG site showed significantly higher organic carbon and moisture content and significantly lower temperatures than the DG site. The average number of earthworms damaged by digging was 0.85 ind. m−2, but did not significantly affect the other results. Overall, NDG is preferable to DG for enhancing the earthworm and physicochemical parameters of soil.
1. Introduction
Soil ecosystems are considered a fundamental environmental resource and responsible for the production of plant matter that is the basis for life on Earth. In recent years, soils have been subjected to intense degradation due to numerous natural and anthropogenic processes [1] while simultaneously being a potentially renewable or non-renewable resource [2]. Due to the numerous ecosystem services provided by soil, such as the cycling of elements, food production, and water filtration and storage, this resource requires special protection and various revitalization treatments in order to maintain the services provided [3,4]. Studies show that a characteristic of a large part of the soils in the European Union is a reduction in fertility through the loss of organic matter, acidification and the deterioration of nutrient abundance, and a reduction in biodiversity, which translates directly into the quantity and quality of crops produced. Evidence shows that if appropriate measures are not taken, adverse processes will continue to increase [5]. To this end, one of the recommendations of sustainable agriculture is to increase the use of organic fertilizers in crop production [6] and to preserve soil biodiversity [7]. However, commonly used agricultural practices can have degrading effects on soil physical and chemical properties and threaten soil invertebrate communities.
Soil macrofauna, and earthworms in particular, play a vital role in soil ecosystems because, by their activity, they influence the availability of nutrients for plants, promote soil aggregate formation, and have a significant influence on the dynamics of organic matter [8,9]. Earthworms produce structures called coprolites, which have a high content of organic compounds that greatly influence the physical properties of soil and the dynamics of soil organic matter (SOM). Through the production of coprolites, Lumbricidae play an essential role in stimulating the growth of various groups of microorganisms that have a crucial role in reducing dead organic matter in the soil environment [10]. The mucus excreted by earthworms, along with coprolites, binds soil particles into aggregates and causes protection for organic carbon from microbial degradation [11]. The tillage systems used can affect not only the local biota through changes in the soil habitat [12], but also the loss of organic matter [13] and the dynamics of changes in soil temperature and moisture [14]. Earthworm populations are susceptible to mechanical damage caused by tillage operations that disrupt soil structure. It is estimated that tillage in areas where ploughing of various depths has been used can reduce earthworm biomass in the field by up to 70% [15]. Tillage with ploughing of varying depths is also indirectly detrimental to Lumbricidae because the disturbance of soil structure destroys their habitat while minimal tillage of the soil has a positive effect on earthworm abundance and biomass [16,17]. Nevertheless, Kladivko et al. [18] showed no significant differences in the characteristics of Lumbricidae populations in no-till and conventional tillage. However, a low clay particle content may explain this, contributing to greater soil moisture retention. In contrast, the distribution and activity of earthworms are significantly influenced by soil moisture and temperature, in addition to organic matter content, texture, and pH [12]. Edwards [19] noted that the abundance of earthworms was higher in soils where cereals were grown compared to soybeans, as more organic residue is left in the field as a result of cereal cultivation.
Numerous studies show that specific practices used in tillage, such as cropping systems [20,21], fertilization, the application of crop protection products [22], or the removal of crop residues from fields after tillage [23], affect the abundance and biomass of Lumbricidae. By contrast, relatively few studies have investigated the effects of these agricultural practices on earthworm species diversity, mainly based on ecomorphological groups. This type of research is critical, as a vital challenge of the current era is undoubtedly the transformation from broad-based agricultural production to a conservation role revitalizing numerous ecosystem benefits to address threats to global biodiversity [24]. Therefore, the no-till method of organic fertilization, promoted especially on small farms and in backyard gardens, is in line with the recommendations of sustainable agriculture. This promotes an increase in the use of organic fertilizers in crop production [6] and protection of soil biodiversity.
In studies on the impact of applied tillage technologies on earthworm groupings, an essential aspect is homogeneity of soils in the study area. Heterogeneous soils, where their texture and related properties (e.g., moisture, temperature, or organic matter content) vary considerably over short distances of larger-scale croplands, can distort the results obtained when comparing the effects of applied tillage systems on selected habitat elements [25]. Therefore, the present study was conducted over a relatively small area to ensure that the soil characteristics and the Lumbricidae populations would likely be directly comparable. Also, vermicompost fertilization and straw mulching were applied identically to maximize the potential effect of no-dig (NDG) and conventional digging (DG) tillage system treatments on Lumbricidae groupings and selected soil characteristics.
Accordingly, the main aim of the present study was to determine the effects of two systems used in crop cultivation (no-dig and conventional digging), with organic fertilization in the form of vermicompost, on selected characteristics of Lumbricidae groupings. The objectives were to record the population abundance, biomass, species richness, and diversity of Lumbricidae at each site and to analyze the dynamics of selected physicochemical properties of the soil.
2. Materials and Methods
2.1. Producing Vermicompost from Waste Sugar Beet Pulp
Vermicompost production was conducted according to the methodology proposed by Pączka et al. [26] in vermicompost reactors constructed from plastic boxes measuring 700 mm × 500 mm × 500 mm (length × width × height). Waste sugar beet pulp was placed into the prepared vermireactors (150 l of waste for each), and sexually mature (clitellate) earthworms (Eisenia fetida), with an initial density of 5 ind. dm−3 of waste, were introduced. The vermicomposting process was conducted at 20 ± 0.5 °C with appropriate humidity maintained by moistening every ten days with tap water, as required. Details of the vermicompost are provided in Table 1.
Table 1.
Content of macronutrients, trace elements, and selected features in the given cultivation treatment soils (mean ± standard deviation based on twenty-seven samples—NDG, DG, and MW; five samples—vermicompost; and six samples—SBAT).
2.2. Experimental Design
The experiments were conducted in southeastern Poland (Podkarpackie voivodeship), near Rzeszów (50°08.662′ N 21°98.615′ E) on privately owned farms. This is a relatively flat area located at an altitude of 195 m. According to the World Reference Base for Soil Resources, the soil texture can be classified as silt loam [27]. The average soil temperature and soil moisture content during the experimental period (2020–2022) are shown in Table 1. Experimental treatment sites characterized by different cropping systems were created for the study:
- NDG—no-dig + vermicompost;
- DG—conventional digging + vermicompost;
- MW—perennial hay meadow (comparative site with no intervention).
NDG and DG experimental treatment sites with 50 m2 (5 m × 10 m) plots were located c. 5 m from each other, while the MW meadow site was approximately 20 m from the treatment plots.
The NDG and DG treatments were created in November 2019. NDG construction consisted of removing larger plants with stiff stems from the soil surface and then covering the soil with one layer of unprinted cardboard. The surface thus prepared was wetted evenly with water, and a 7 cm layer of vermicompost (50 kg/m2) was surface-applied and mulched with an even (c. 3 cm) layer of wheat straw (cut into 20 cm fragments). Preparation of the DG treatment consisted, as in the NDG site, of removing larger plants with stiff stems from the soil surface and then digging the soil to a depth of 25 cm. A 7 cm layer of vermicompost (50 kg/m2) was then applied evenly to the surface and mixed evenly into the soil to a depth of 20 cm. The area was then mulched with an even (c. 3 cm) layer of straw (as with the NDG stand). The mulching with straw of both sites was intended, among other things, to maintain more significant soil moisture and reduce weed growth. These preparatory activities were repeated on the same soil plots in the following 2 years (November 2020 and 2021). Both NDG and DG monoculture sites were annually cultivated with carrot (Daucus carota L.), no pesticides were applied, no supplemental fertilization was used, and weeds that grew up were removed by hand.
2.3. Earthworm and Soil Sampling
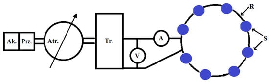
Sampling for earthworms at NDG, DG, and MW was conducted three times per year (May, July, and September) in three successive annual cycles (2020–2022). At each of the three sites (with an area of 50 m2), five randomly designated samples were taken on each occasion, but in such a way as not to duplicate the places where earthworms are flushed out on subsequent dates. A method using the action of an electric current [28] was adopted to collect earthworms. This octet device comprises eight soil probes in an octagonal arrangement (6 mm in diameter and 65 cm in active length) with insulated handles around a circle (52 cm in diameter, enclosing an area of 0.22 m2). The wires on the outside are terminated with clips, which provide an electrical connection to the soil probe. Adjacent rods are spaced 20 cm apart, and opposite rods 52 cm apart (Figure 1) [29]. The time selected for each sequence was 2.5 min. Earthworm specimens were collected for analysis from the central part defined by the ring and probes (Figure 1). Prior to the collection of Lumbricidae from the soil, the straw from the displacement area of these invertebrates was raked out. After the completion of earthworm sampling, the sites were restored to their original appearance.
Figure 1.
Block diagram of the octet device. Ak.—12 V battery; Prz.—inverter; Atr.—autotransformer (regulating output voltage); Tr.—transformer (increases voltage from 230 V to a maximum of 450V); A—ammeter; V—voltmeter; S—probes (rods around the ring); R—ring limiting the operating surface. Reproduced from [29], author of original diagram published in 2020 in Journal of Ecological Engineering is Anna Mazur-Pączka (corresponding author of this manuscript).
Collected earthworms were washed in water for 15 min, and euthanized by immersion in 30% ethanol, and then preserved in 4% formalin. They were identified and counted, and weights were determined with gastrointestinal contents. Species identification was carried out using the key of Kasprzak [30]. Soil samples (n = 3) (from 0–20 cm depth) were also taken from each study area during earthworm sampling to determine physical properties (temperature and humidity) plus the content of selected macronutrients and trace elements, but in such a way as not to duplicate sampling locations on subsequent dates. Content of selected soil macronutrients and heavy metals are shown in Table 1. During annual soil digging at the DG site, the number of spade-damaged individuals of specific Lumbricidae species was analyzed. Damaged earthworms from the entire area (50 m2) were counted and assigned to a specific species. The results were presented per m2, and the percentage of damaged individuals of a particular species in relation to their abundance was also determined. It was impossible to reliably determine the biomass of damaged earthworms since, in numerous cases, the severed fragments of these invertebrates penetrated deep into the soil profile.
2.4. Physicochemical Analysis of Soil
The total content of macronutrients (N, P, K, Ca, Mg) and micronutrients (Cu, Mn, Zn, Cd, Pb) was determined using the procedures described by Ostrowska et al. [31]. Nitrogen was determined by the Kjeldhal method using Kjeltec 8100 and 2006 Foss Tecator Digestor apparatus [31]. The test material was digested in pure concentrated HClO4 to determine other elements. Phosphorus was determined colorimetrically by the vanadium-molybdenum method with a Shimadzu UV-2600 spectrophotometer, and potassium, magnesium, calcium, and trace elements by an atomic absorption spectrophotometry technique using Hitachi Z-2000 [31]. Carbon was determined using a Vario EL-CUBE elemental analyzer (from Elementar Analysensysteme GmbH). Soil pH was determined by a potentiometric method, with a soil/water ratio of 1:2.5, using a HI 4221 pH meter (HANNA Instruments Inc.). Salt concentration was determined by a conductometric method using a HI 2316 conductivity/resistivity meter (HANNA Instruments Inc.). The C/N ratio of the analyzed cultivated soils was also calculated. At the sampling sites, soil temperature and moisture were measured at a depth of 20 cm. Soil moisture content was determined by oven drying at 105 °C [32].
2.5. Data Analysis
To assess the Lumbricidae associations, the Shannon–Wiener diversity index (H′) and dominance index (D) were used:
where pi—the ratio of the number of organisms of a given species to the total number of all organisms [33];
where Na—the number of individuals belonging to the species in all samples, n—the number of individuals of the studied species group in all samples [34]. Classes of dominance were adopted after Górny and Grüm [35]: eudominants >10%, dominants 5.1–10%, subdominants 2.1–5%, recedents 1.1–2%, subrecedents <1% of the total number of individuals in the assemblage.
H′ = Σpi × logn pi
D = Na/n
The results were analyzed statistically by Statistica software v. 13.3. To assess the differences between means of abundance (ind. m−2), biomass of earthworms (g m−2), Shannon–Wiener diversity index (H′) per cultivation treatment and species, a two-way analysis of variance, and Tukey’s HSD (post hoc) test were used. The same test was used to assess the significance of differences between means for tested soil properties. To assess the impact of twelve soil physicochemical parameters on occurrence and biodiversity, correlation analysis and partial least squares (PLS) regression were used. Three PLS models were built, all consisting of three components (p1, p2, p3) for which eigenvalues exceeded 1 for each dependent variable, which explained 89.62%, 89.82%, and 88.39% of the total variance for abundance, biomass, and H′ index, respectively. The significance of the correlation coefficients was tested by a t-test (p > 0.05).
3. Results and Discussion
3.1. Earthworm Species in the Study Area
According to Dumnicka and Kostecka [36] and Mazur-Pączka et al. [37], about 40 species of Lumbricidae have been found in Poland with different distributions. In the present study, six species were recorded in the observed area: Dendrodrilus rubidus (Savigny 1826), Lumbricus rubellus (Hoffmeister 1843), Aporrectodea caliginosa (Savigny 1826), Aporrectodea rosea (Savigny 1826), Octolasion lacteum (Örley 1885), and Lumbricus terrestris (Linnaeus 1758) (Table 2). All of the species found were present at each of the analyzed study sites. A characteristic feature of each species was homogeneity in dominance class membership regardless of the study site. At all study sites, two species were classified as eudominants (A. caliginosa and A. rosea), two species as dominants (L. rubellus and O. lacteum), and one species each as subdominants (D. rubidus) and recedents (L. terrestris) (Table 2).
Table 2.
Mean (±sd) abundance [ind. m−2], mean (±sd) biomass [g m−2], and dominance of earthworm species found at the cultivation treatments (mean ± standard deviation based on forty-five samples).
Other ongoing studies of Lumbricidae groupings in agricultural of Southeast Poland report the occurrence of six to seven earthworm species in arable fields and permanent grassland [39] and five species in energy crops [40,41]. The number of six earthworm species recorded in the present study is small, considering that Rodriguez et al. [42] found 12 species in their study in areas with different intensifications of crop cultivation. By contrast, Peigne et al. [43] showed the occurrence of 9 species of Lumbricidae in organic crops with different farming systems.
3.2. Effect of Applied Tillage Technologies on Earthworm Abundance and Biomass
The species of Lumbricidae found at the study sites were classified into all three ecological groups (Table 2 and Figure 2a,b). Litter-dwelling earthworms (epigees) were represented by two species, D. rubidus and L. rubellus. Horizontal burrowing species (endogees) were A. caligionosa, A. rosea, and O. lacteum and the sole representative of the deep-burrowing earthworms (aneciques) was L. terrestris.
Figure 2.
Abundance (a) and biomass (b) of Lumbricidae in the research sites based on ecological groups. (Abbreviations of research sites are given in Table 1). Different letters within individual ecomorphological groups of Lumbricids indicate statistically significant differences (p < 0.05).
Our results showed that endogeic earthworms had the highest values of analyzed traits at all studied sites. For this earthworm group, significant differences were found in mean abundance and total biomass between sites (NDG > MW > DG). The largest difference was between NDG and DG (abundance; NDG > DG by 24%, biomass; NDG > DG by 23%). For epigeic species: abundance NDG > DG by 33% and for biomass NDG > DG by 30%. There were no significant differences between NDG and MW (Figure 2). These results concur with findings of Chan [21], who suggested that earthworm abundance is higher in agroecosystems cultivated with a no-till system than conventional cultivation. In contrast, Kladivko et al. [18] report that in some cases, both the abundance and biomass of Lumbricidae may be lower in no-till, especially in the first few years after ploughing pastures. Studies by Doube et al. [44] and Boström [15] also support this, with the authors claiming that the incorporation of pasture plant matter into the soil during ploughing provides sufficient food for earthworms, especially the epigeic and endogeic groups for the first few years. This information does not coincide with the results obtained in the present study, which showed significant differences in the abundance and biomass of Lumbricidae for both epigeic and endogeic groups at NDG and DG sites (Figure 2a,b). Such a trend began to be observed about six months after digging the soil at the DG site, and this regularity continued throughout the three years of the study. For abundance and biomass of L. terrestris, the only anecique earthworm (deep burrowing species) at the study sites, no significant differences were found in analyzed traits: NDG = DG = MW. Different observations were obtained by Berry and Karlen [45], who showed an approximately 80% decrease in the population of L. terrestris in agroecosystems where ploughing was applied compared to unploughed sites. Boström [15] conversely showed that both the abundance and biomass of L. terrestris went unchanged after applying a ploughed tillage system. Capowiez et al. [46] showed that the application of rotary harrowing to a depth of 7 cm had a positive effect on the abundance of deep-burrowing earthworms compared with ploughing to a depth of 30 cm. A higher earthworm abundance and biomass in agroecosystems where the soil profile is not disturbed is attributed to more favorable habitat conditions for these invertebrates, primarily regarding the accumulation of organic matter in and on the soil surface and favorable moisture and temperature conditions.
As the present study shows, soil moisture and temperature probably had the most significant impact on the abundance, biomass, and H′ index of Lumbricidae. However, soil organic carbon content significantly influenced abundance and C/N ratio on H′ index (Figure 3a–d). The tillage systems used significantly affected the abundance and biomass of earthworms (NDG > DG; abundance by 24%, biomass by 22%). There were no significant differences of traits between NDG and MW sites. However, significant differences were found in the Shannon–Wiener diversity index (H′) between all MW > NDG > DG sites (Table 3).
Figure 3.
Loading scatter plot for the two most essential components (p1 and p2) of PLS models for density (a), biomass (b), H′ index (c) (statistically significant variables in red), variability importance in the projection (d).
Table 3.
The influence of research sites on abundance (ind. m−2), biomass (g m−2), and H′ index for Lumbricidae.
Tripathi and Bhardwaj [47] and Adigun et al. [48] showed that soil moisture, organic carbon, and nitrogen content significantly affect the distribution of earthworms, their abundance, and biomass. Hendrix et al. [13] found that increased soil organic carbon content increased earthworm abundance and biomass. The present observations partially coincide with such results (Table 3, Figure 3). Edwards et al. [8] reported that no-till crops can be characterized by up to 30 times more earthworms than ploughed fields. In contrast, Whalen et al. [49] showed that after five years of continuous cultivation of maize fertilized with manure in the same area, there was a decrease in both the number and biomass of earthworms. In the present study, as a result of three years of continuous cultivation of carrots fertilized with vermicompost on the same sites, no significant changes were observed in the qualitative and quantitative structure of Lumbricidae of both NDG and DG sites.
The present study assessed the number of individuals of earthworm species damaged by soil digging at the DG site (Table 4).
Table 4.
Damage to earthworms caused by digging at the DG site.
The results showed that the highest percentage of damaged individuals (Table 4) in relation to the observed abundance (Table 2) was characteristic of earthworm species from the groups epigees and aneciques. The largest number of damaged individuals in relation to the observed abundance was recorded by the epigees D. rubidus (1.55%) and deep-burrowing L. terrestris (0.95%). Slightly fewer damaged earthworms were found in the species L. rubellus (0.84%) and O. lacteum (0.63%) (Table 4). Interestingly, the horizontally digging species A. caliginosa and A. rosea were characterized by the lowest percentage of damaged individuals, and their abundance was the highest in study site (Table 2).
As shown, the average number of damaged individuals of Lumbricidae at the DG site was 0.85 ind. m−2 (Table 4), while the average abundance of earthworms at this site was 255.5 ind. m−2. Therefore, earthworm damage due to soil digging probably did not directly affect the study results for the qualitative and quantitative structure of Lumbricidae at the DG site.
3.3. Effect of Tillage Technologies on Selected Soil Physicochemical Parameters
Our research showed that the applied tillage systems affected selected soil parameters differently. The NDG and DG sites showed a significantly steady increase in organic carbon content over the study period (Figure 4a), as might be expected. At the same time, the NDG site was characterized by a significantly higher mean value, both over the entire research period (NDG > DG by 48%; Table 1) and in individual years of observations (2020 NDG > DG by 48%, 2021 by 50% and 2022 by 46%; Figure 4a). At the MW control site, organic carbon (OC) content remained stable throughout the study (2020 MW > NDG > DG, 2021 NDG > MW > DG, 2022 MW ≈ DG < NDG; Figure 4a). The stabilized and relatively high OC content at the MW site was likely due to the lack of interference with soil structure and the high organic matter content at the ground surface despite removing mowed plant biomass from the site.

Figure 4.
Mean content of analyzed macronutrients and trace elements: OC (a), TN (b), P (c), K (d), Ca (e), Mg (f), Cd (g), and Pb (h) in soils of research sites in each year of the experiment (2020–2022). Different letters indicate statistically significant differences (p < 0.05).
The lower OC content may be caused by more rapid mineralization of organic matter, e.g., due to better oxygen supply and higher soil temperature, which results in a more rapid chemical processes and improved contact of vermicompost with the soil, which in turn may increase microbiological activity and the rate of decomposition of organic matter. At the NDG site, the soil structure was not mechanically mixed, which had an impact on the higher abundance and biomass of earthworms, and according to Al-Maliki and Scullion [10], the production of coprolites stimulates the growth of microorganisms responsible for the reduction of dead organic matter. At the NDG site, surface-applied vermicompost was mixed into the soil by earthworm activity. Bossuyt et al. [11] reported that earthworm mucus, including that contained in their coprolites, binds soil particles into aggregates which protects organic carbon from microbial degradation. Gwenzi et al. [50] showed that the no-till method on small farms improved soil structural stability and carbon sequestration. Therefore, the authors suggested that this system is more sustainable than conventional ploughing, especially regarding soil carbon conservation. Good agricultural practices show that a switch (especially on small-scale crop farms) to a no-till system contributes to improved soil structural conditions and increased carbon stocks in agricultural soils, which is essential to help mitigate climate change. It is estimated that agricultural soils (especially with no-till systems) account for about 30% of the total carbon sequestration potential of the planet’s soils [51,52]. Haque and Biswas [53] showed that using vermicompost in rice cultivation increased the organic carbon content of the soil and reduced greenhouse gas emissions such as CH4 and CO2 from the atmosphere, compared to fertilizing with cattle manure. Additionally, Jat and Ahlawat [54] reported that the application of vermicompost to chickpeas and corn significantly increased the nitrogen and phosphorus content of the soil after two cropping cycles.
Soil contents of other macronutrients and trace elements did not differ significantly between NDG and DG cropping systems each year (Figure 4b–h). A tendency for nitrogen content in the NDG and (slightly slower) DG systems to increase over the years was observed, with a stable—and always statistically significantly lower—nitrogen content in the control simple. In the first two years of the experiment, there was no significant difference between the DG and NDG systems; only in the last year (2022) was the N content in the NDG system statistically significantly higher (by 12% on average) compared to DG (Figure 4b). During the study, significant differences were found in the content of other macronutrients between the control site (MW), NDG, and DG (MW < average NDG and DG; TN by 43%, P by 65%, K by 377%, Ca by 23%, Mg by 97%). No significant differences were found concerning trace elements at the sites (Table 1, Figure 4b–h). Application of organic fertilization in the form of vermicompost, regardless of the applied tillage technology, contributes to a significant increase in soil content of the given macronutrients.
The tillage systems used in this study affected the physical parameters of the selected soil differently. The NDG site showed significantly lower soil temperature compared to the DG site (NDG = MW < DG by 15%) (Table 1, Figure 5a) and significantly higher soil moisture NDG > DG by 55%) (Table 1, Figure 5b). The average soil temperature remained similar across the study sites throughout the study period.
Figure 5.
Mean values of temperature (a), moisture (b), and pH (c) in soils of the research sites in each year of the experiment. Different letters indicate statistically significant differences (p < 0.05).
According to Sakar and Singh [55], a reduction in plough depth from 15 to 9 cm and mulch application in the form of rice straw significantly reduced soil temperature and increased soil moisture. In contrast, Guan et al. [56] showed that deep ploughing is responsible for creation of favorable conditions for the development of plant root systems by loosening the soil, but also leads to a remarkable decrease in soil moisture. Conversely, no-till (especially with surface mulching) reduces water evaporation from the soil, but long-term use of no-till can lead to excessive soil compaction and reduce the rainwater absorption [57]. Given the above, it is crucial to create soil conditions favorable for maintaining a high qualitative and quantitative structure of Lumbricidae, which, for example, will contribute to loosening of soil structure. As this study has shown, this can be achieved through an appropriate tillage system. At the NDG site, mixing of the vermicompost into the mineral soil was systematically observed, and attributed to epigeic and endogees earthworms. There were no significant differences in pH between sites (Table 1, Figure 5c).
It should also be noted that this study only analyzed the impact of various cultivation systems on selected features of earthworm communities and selected physicochemical parameters of soil, but did not analyze other biotic elements of soil, such as microorganisms and numerous representatives of soil fauna. However, it should be noted that functioning of soil ecosystems depends on many interactions from abiotic and biotic factors, which mutually influence each other. Various processes occurring in the soil are greatly influenced by numerous soil organisms belonging to all trophic levels, from producers through consumers and decomposers. In turn, as shown in these studies, the cultivation systems used have an impact on earthworm communities, which are characterized by numerous connections with many microorganisms, because, among others, by grinding dead organic matter, they contribute to its effective decomposition by microorganisms from the decomposer group. Moreover, Lumbricidae participate in the wide spread of microorganisms in the soil profile, and the mucus of these annelids can stimulate the development of many groups of microorganisms that play a key role in the circulation of matter. Earthworm coprolites are characterized by a greater diversity of bacteria and fungi and greater enzymatic activity in relation to the surrounding soil [58]. Microorganisms are also nutrients for earthworms, but their absorption by annelids is selective [59]. Cooke and Luxton [60] showed that the growth of selected species of fungi in an organic substrate can increase the availability of carbohydrates and nitrogen compounds for earthworms. Brown [61] reported that soil organisms such as microarthropods, enchytraeids, and isopods can increase their qualitative and quantitative structure in earthworm habitats. Therefore, the use of the NDG cultivation system, while positively influencing the Lumbricidae communities, may also have a positive effect on the communities of other beneficial soil organisms.
4. Conclusions
Results presented show that the NDG and DG tillage systems used, while not affecting the qualitative structure of Lumbricidae, had a significant effect on the abundance of litter-dwelling (epigees) and surface-burrowing (endogees) species. The abundance and biomass of earthworms were significantly higher in NDG, where soil structure was not disturbed, compared with DG, where the site was dug. There were no significant differences in the values of the analyzed earthworm traits between NDG and the MW control site (NDG = MW > DG). Although earthworm damage was observed due to soil digging, this did not affect the significantly lower density and biomass of Lumbricidae at the DG site. The tillage systems used significantly affected the selected physicochemical parameters of the soil. The NDG site showed significantly higher average organic carbon content, higher soil moisture, and lower soil temperature than the DG site. Application of vermicompost fertilizer in both NDG and DG fields contributed to an increase in the average content of macronutrients in the soil. The content of most macronutrients in the NDG and DG sites was significantly higher relative to the MW hay meadow (with the exception of organic carbon). Therefore, the use of a NDG tillage system, in addition to the benefits of minimizing the labour associated with soil digging, may also contribute to maintaining a higher abundance and biomass of Lumbricidae (with preservation of their numerous ecosystem services) and result in an increase in the content of essential crop nutrients.
Author Contributions
Conceptualization, A.M.-P.; methodology, A.M.-P.; investigation, A.M.-P., K.R.B., M.G., M.J., E.H., J.K. and G.P; data curation, M.G. and M.J.; writing—original draft preparation, A.M.-P.; writing—review and editing, A.M.-P., K.R.B. and G.P.; All authors have read and agreed to the published version of the manuscript.
Funding
This research received no external funding.
Institutional Review Board Statement
Ethical review and approval were waived for this study (the European Parliament and of the Council of 22 September 2010 on the protection of animals used for scientific purposes requires the approval of the Ethics Committee on Animal Experiments for vertebrate species and cephalopods (representatives of invertebrates). The approval of the Ethics Committee is not required for other species of invertebrates (not under protection), which include earthworms).
Data Availability Statement
The data presented in this study are available on request from the corresponding author.
Conflicts of Interest
The authors declare no conflicts of interest.
References
- Alam, A. Soil degradation: A challenge to sustainable agriculture. Int. J. Sci. Res. Agric. Sci. 2014, 1, 50–55. [Google Scholar] [CrossRef]
- Lal, R. Soil degradation as a reason for inadequate human nutrition. Food Secur. 2009, 1, 45–57. [Google Scholar] [CrossRef]
- Robinson, D.; Emmett, B.; Reynolds, B.; Rowe, E.; Spurgeon, D.; Keith, A.; Lebron, I.; Hockley, N.; Hester, R.; Harrison, R. Soil natural capital and ecosystem service delivery in a world of global soil change. In Soils and Food Security; Hester, R.E., Harrison, R.M., Eds.; Royal Society of Chemistry: Cambridge, UK, 2012; Volume 19, pp. 41–68. [Google Scholar] [CrossRef]
- Singer, M.J.; Warkentin, B.P. Soil in an environmental context: An American perspective. Catena 1996, 27, 179–189. [Google Scholar] [CrossRef]
- Montanarella, L. Trends in land degradation in Europe. In Climate and land Degradation; Sivakumar, M.V.K., Ndiangui, N., Eds.; Environmental Science and Engineering; Springer: Berlin/Heidelberg, Germany, 2007. [Google Scholar] [CrossRef]
- Tilman, D.; Cassman, K.G.; Matson, P.A.; Naylor, R.; Polasky, S. Agricultural sustainability and intensive production practices. Nature 2002, 418, 671–677. [Google Scholar] [CrossRef] [PubMed]
- Jamatia, S.K.S.; Chaudhuri, P.S. Earthworm community structure under tea plantations (Camellia sinensis) of Tripura (India). Trop. Ecol. 2017, 58, 105–113. [Google Scholar]
- Edwards, C.A.; Bohlen, P.J.; Linden, D.R.; Subler, S. Earthworms in agroecosystems. In Earthworm Biology and Biogeography in North America; Hendrix, P.F., Ed.; CRC Press: Boca Raton, FL, USA, 1995; pp. 185–220. ISBN 978-156-670-053-5. [Google Scholar]
- Blouin, M.; Hodson, M.E.; Aranda Delgado, E.; Baker, G.; Brussaard, L.; Butt, K.R.; Dai, J.; Dendooven, L.; Pérès, G.; Tondoh, J.; et al. A review of earthworm impact on soil function and ecosystem services. Eur. J. Soil Sci. 2013, 64, 161–182. [Google Scholar] [CrossRef]
- Al-Maliki, S.; Scullion, J. Interactions between earthworms and residues of differing quality affecting aggregate stability and microbial dynamics. Appl. Soil Ecol. 2013, 64, 56–62. [Google Scholar] [CrossRef]
- Bossuyt, H.; Six, J.; Hendrix, P.F. Protection of soil carbon by microaggregates within earthworm casts. Soil Biol. Biochem. 2005, 37, 251–258. [Google Scholar] [CrossRef]
- Van Capelle, C.; Schrader, S.; Brunotte, J. Tillage-induced changes in the functional diversity of soil biota—A review with a focus on German data. Eur. J. Soil Biol. 2012, 50, 165–181. [Google Scholar] [CrossRef]
- Hendrix, P.F.; Mueller, B.R.; Bruce, R.R.; Langdale, G.W.; Parmelee, R.W. Abundance and distribution of earthworms in relation to landscape factors on the Georgia Piedmont, U.S.A. Soil Biol. Biochem. 1992, 24, 1357–1361. [Google Scholar] [CrossRef]
- Curry, J.P. Factors affecting the abundance of earthworms in soils. In Earthworm Ecology, 2nd ed.; Edwards, C.A., Ed.; CRC Press: Boca Raton, FL, USA, 2004; pp. 91–113. ISBN 978-042-912-904-9. [Google Scholar]
- Boström, U. Earthworm populations (Lumbricidae) in ploughed and undisturbed leys. Soil Till. Res. 1995, 35, 125–133. [Google Scholar] [CrossRef]
- Brown, G.G.; Benito, N.P.; Pasini, A.; Sautter, K.D.; de Guimaraes, M.F.; Torres, E. No-tillage greatly increases earthworm populations in Parana’ state, Brazil. Pedobiologia 2003, 47, 764–771. [Google Scholar] [CrossRef]
- Johnson-Maynard, J.L.; Umiker, K.J.; Guy, S.O. Earthworm dynamics and soil physical properties in the first three years of no-till management. Soil Till. Res. 2007, 94, 338–345. [Google Scholar] [CrossRef]
- Kladivko, E.J.; Akhouri, N.M.; Weesies, G. Earthworm populations and species distributions under no-till and conventional tillage in Indiana and Illinois. Soil Biol. Biochem. 1997, 29, 613–615. [Google Scholar] [CrossRef]
- Edwards, C.A. Earthworm ecology in cultivated soils. In Earthworm Ecology: From Darwin to Vermiculture; Satchell, J.E., Ed.; Chapman and Hall: London, UK, 1983; pp. 123–137. [Google Scholar]
- Holland, J.M. The environmental consequences of adopting conservation tillage in Europe: Reviewing the evidence. Agric. Ecosyst. Environ. 2004, 103, 1–25. [Google Scholar] [CrossRef]
- Chan, K.Y. An overview of some tillage impacts on earthworm population abundance and diversity—Implications for functioning in soils. Soil Till. Res. 2001, 57, 179–191. [Google Scholar] [CrossRef]
- Yusnaini, S.; Niswati, A.; Arif, M.A.S.; Komalasari, Y.; Kaneko, N. Earthworm population under different soil tillage and herbicide application at integrated field laboratory agriculture faculty, University of Lampung. IOP Conf. Ser. Earth Environ. Sci. 2015, 215, 012015. [Google Scholar] [CrossRef]
- Peigne, J.; Ball, B.; Roger-Estrade, J.; David, C. Is conservation tillage suitable for organic farming? A review. Soil Use Manag. 2007, 23, 129–144. [Google Scholar] [CrossRef]
- Scherr, S.J.; McNeely, J.A. Biodiversity conservation and agricultural sustainability: Towards a new paradigm of ‘ecoagriculture’ landscapes. Philos. Trans. R. Soc. B 2008, 363, 477–494. [Google Scholar] [CrossRef]
- Strudley, M.W.; Green, T.R.; Ascough, J.C., II. Tillage effects on soil hydraulic properties in space and time: State of the science. Soil Till. Res. 2008, 99, 4–48. [Google Scholar] [CrossRef]
- Pączka, G.; Mazur-Pączka, A.; Garczyńska, M.; Kostecka, J.; Butt, K.R. Effects of Vermireactor Modifications on the Welfare of Earthworms Eisenia fetida (Sav.) and Properties of Vermicomposts. Agriculture 2020, 10, 481. [Google Scholar] [CrossRef]
- IUSS Working Group WRB. World Reference Base for Soil Resources 2014, Update 2015, International Soil Classification System for Naming Soils and Creating Legends for Soil Maps; World Soil Resources Reports No. 106; FAO: Rome, Italy, 2015. [Google Scholar]
- Thieleman, U. Elektrischer regenwurmfang mit der oktett-methode. Pedobiologia 1986, 29, 296–302. [Google Scholar] [CrossRef]
- Mazur-Pączka, A.; Pączka, G.; Kostecka, J.; Podolak, A.; Garczyńska, M. Effectiveness of Lumbricidae extracting with an environmentally friendly method. J. Ecol. Eng. 2020, 21, 114–119. [Google Scholar] [CrossRef] [PubMed]
- Kasprzak, K.; Soil, O., III. The Family of Earthworms (Lumbricidae), the Keys to Indicate the Invertebrates of Poland; PWN: Warsaw, Poland, 1986; 187p. [Google Scholar]
- Ostrowska, A.; Gawliński, S.; Szczubiałka, Z. The Soil and Plants Method of Analysis and Evaluation; IOŚ Publishing: Warsaw, Poland, 1991; 334p. [Google Scholar]
- PN ISO 11465:1999; Soil Quality—Determination of Dry Matter Content of Soil and Water in Soil in Terms of Dry Mass—Weight Method. Polish Standardization Committee: Warsaw, Poland, 1999; pp. 1–3.
- Southwood, T.R.E. Ecological Methods, 2nd ed.; Chapman and Hall: London, UK, 1978; ISBN 978-0-412-30710-2. [Google Scholar]
- Kasprzak, K.; Niedbała, W. Biocenotic indices used for data organisation and analysis in the quantitative studies. In Methods Used in Soil Zoology; Górny, M., Grüm, L., Eds.; PWN: Warsaw, Poland, 1981; pp. 397–416. [Google Scholar]
- Górny, M.; Grüm, L. Methods Used in Soil Zoology; PWN: Warsaw, Poland, 1981; 483p. [Google Scholar]
- Dumnicka, E.; Kostecka, J. Overview of oligochaeta (Oligochaeta) and leeches (Hirudinea) in the Bieszczady Mountains. Bieszczadzkie Monogr. 2004, 7, 15–28. [Google Scholar]
- Mazur-Pączka, A.; Pączka, G.; Kostecka, J.; Butt, K.R.; Jaromin, M.; Garczyńska, M.; Podolak, A. Community structure of Lumbricidae in beech woodland of the Bieszczady National Park (Carpathian mountains, SE Poland). Pedosphere 2021, 31, 391–397. [Google Scholar] [CrossRef]
- Bouche, M.B. Strategies lombriciennes. In Soil Organisms as Components of Ecosystems; Lohm, U., Persson, T., Eds.; Ecological Bulletins: Stockholm, Sweden, 1977; Volume 25, pp. 122–132. [Google Scholar]
- Mazur-Pączka, A.; Pączka, G.; Kostecka, J.; Garczyńska, M.; Podolak, A.; Szura, R. Community structure of Lumbricidae in permanent grassland and arable land. J. Ecol. Eng. 2019, 20, 1–6. [Google Scholar] [CrossRef]
- Mazur-Pączka, A.; Pączka, G.; Garczyńska, M.; Jaromin, M.; Hajduk, E.; Kostecka, J.; Butt, K.R. Effects of energy crop monocultures and sewage sludge fertiliser on soils and earthworm community attributes. Agriculture 2023, 13, 323. [Google Scholar] [CrossRef]
- Mazur-Pączka, A.; Butt, K.R.; Garczyńska, M.; Kostecka, J.; Pączka, G. Effects of selected annual and perennial energy crops on Lumbricidae community assemblages. J. Ecol. Eng. 2023, 24, 287–293. [Google Scholar] [CrossRef]
- Rodríguez, M.P.; Domínguez, A.; Ferroni, M.M.; Wall, L.G.; Bedano, J.C. The diversification and intensification of crop rotations under no-till promote earthworm abundance and biomass. Agronomy 2020, 10, 919. [Google Scholar] [CrossRef]
- Peigne, J.; Cannavaciuolo, M.; Gautronneau, Y.; Aveline, A.; Giteau, J.L.; Cluzeau, D. Earthworm populations under different tillage systems in organic farming. Soil Till. Res. 2009, 104, 207–214. [Google Scholar] [CrossRef]
- Doube, B.M.; Buckerfield, J.C.; Kirkegaard, J.A. Short-term effects of tillage and stubble man-agement on earthworm populations in cropping systems in southern New South Wales. Aust. J. Agric. Res. 1994, 45, 1587–1600. [Google Scholar] [CrossRef]
- Berry, E.C.; Karlen, D.L. Comparison of alternative farming systems. II. Earthworm population density and species diversity. Am. J. Altern. Agric. 1993, 8, 21–26. [Google Scholar] [CrossRef]
- Capowiez, Y.; Cadoux, S.; Bouchant, P.; Ruy, S.; Roger-Estrade, J.; Richard, G.; Biozard, H. The effect of tillage type and cropping system on earthworm communities, macroporosity and water infiltration. Soil Till. Res. 2009, 105, 209–216. [Google Scholar] [CrossRef]
- Tripathi, G.; Bhardwaj, P. Earthworm diversity and habitat preferences in arid regions of Rajasthan. Zoos Print J. 2004, 19, 1515–1519. [Google Scholar] [CrossRef]
- Adigun, M.O.; Akinbola, G.E.; Olaleye, A.O.; Obuh, J. Variability of soil properties across planted fallows under earthworm casts on an alfisols in South Western Nigeria. World J. Agric. Sci. 2008, 4, 435–441. [Google Scholar]
- Whalen, J.; Parmelee, R.; Edwards, C. Population dynamics of earthworm communities in corn agroecosystems receiving organic or inorganic fertilizer amendments. Biol. Fertil. Soils. 1998, 27, 400–407. [Google Scholar] [CrossRef]
- Gwenzi, W.; Gotosa, J.; Chakanetsa, S.; Mutema, Z. Effects of tillage systems on soil organic carbon dynamics, structural stability and crop yields in irrigated wheat (Triticum aestivum L.)–cotton (Gossypium hirsutum L.) rotation in semiarid Zimbabwe. Nutr. Cycl. Agroecosys. 2009, 83, 211–221. [Google Scholar] [CrossRef]
- Smith, P. Carbon sequestration in croplands: The potential in Europe and the global context. Eur. J. Agron. 2004, 20, 229–236. [Google Scholar] [CrossRef]
- Lal, R. Soil carbon sequestration impacts on global climate change and food security. Science 2004, 304, 1623–1627. [Google Scholar] [CrossRef]
- Haque, M.; Biswas, J.C. Emission factors and global warming potential as influenced by fertilizer management for the cultivation of rice under varied growing seasons. Environ. Res. 2021, 197, 111156. [Google Scholar] [CrossRef]
- Jat, R.S.; Ahlawat, I.P.S. Direct and residual effect of vermicompost, biofertilizers and phosphorus on soil nutrient dynamics and productivity of chickpea-fodder maize sequence. J. Sustain. Agric. 2006, 28, 41–54. [Google Scholar] [CrossRef]
- Sakar, S.; Singh, S.R. Interactive effect of tillage depth and mulch on soil temperature, productivity and water use pattern of rainfed barley (Hordium vulgare L.). Soil Till. Res. 2007, 92, 79–86. [Google Scholar] [CrossRef]
- Guan, D.; Zhang, Y.; Mahdi, M.; Kaisi, A.; Wang, Q.; Zhang, M.; Li, Z. Tillage practices effect on root distribution and water use efficiency of winter wheat under rain-fed condition in the North China Plain. Soil Till. Res. 2015, 146, 286–295. [Google Scholar] [CrossRef]
- Matula, S. The influence of tillage treatments on water infiltration. Plant Soil Environ. 2003, 49, 298–306. [Google Scholar] [CrossRef]
- Edwards, C.A.; Arancon, N.Q. Interactions between earthworms, microorganisms, and other invertebrates. In Biology and Ecology of Earthworms; Springer: New York, NY, USA, 1995; pp. 275–301. [Google Scholar] [CrossRef]
- Neilson, R.; Boag, B. Feeding preferences of some earthworm species common to upland pastures in Scotland. Pedobiologia 2003, 47, 1–8. [Google Scholar] [CrossRef]
- Cooke, A.; Luxton, M. Effect of microbes on food selection by Lumbricus terrestris L. Rev. Ecol. Biol. Sol. 1980, 17, 365–370. [Google Scholar]
- Brown, G.G. How do earthworms affect microfloral and faunal community diversity? Plant Soil 1995, 170, 209–231. [Google Scholar] [CrossRef]
Disclaimer/Publisher’s Note: The statements, opinions and data contained in all publications are solely those of the individual author(s) and contributor(s) and not of MDPI and/or the editor(s). MDPI and/or the editor(s) disclaim responsibility for any injury to people or property resulting from any ideas, methods, instructions or products referred to in the content. |
© 2024 by the authors. Licensee MDPI, Basel, Switzerland. This article is an open access article distributed under the terms and conditions of the Creative Commons Attribution (CC BY) license (https://creativecommons.org/licenses/by/4.0/).