Determination of Material and Interaction Properties of Granular Fertilizer Particles Using DEM Simulation and Bench Testing
Abstract
:1. Introduction
2. Materials and Methods
2.1. Test Method of Material and Interaction Properties of Granular Fertilizer Particle
2.1.1. Shape and Size Analysis of Granular Fertilizer
2.1.2. Density
2.1.3. Coefficient of Restitution
2.1.4. Coefficient of Static Friction
2.2. DEM Simulation and Validation Experiment Method
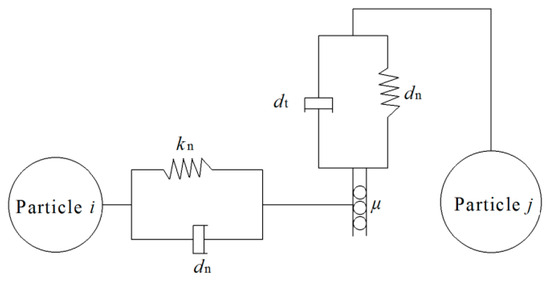
2.2.1. Particle-Contact Model
2.2.2. DEM Simulation Model
2.2.3. DEM Simulation Design
2.2.4. Simulation Method and Validation Experiment of Angle of Repose
2.2.5. Validation Experiment of Fertilization Uniformity
3. Results and Analysis
3.1. Coefficient of Restitution and Angle of Repose of Experimental Study
3.2. Parameters Determination in DEM Simulation
3.3. Parameters Verification between DEM Simulation and Bench Test
4. Discussion
4.1. Fertilizer Particle and Interaction Properties Determination Method
4.2. Accuracy Analysis of Simulation Parameters
5. Conclusions
Author Contributions
Funding
Institutional Review Board Statement
Informed Consent Statement
Data Availability Statement
Conflicts of Interest
References
- Khalid, A.A.; ElKamil, T.; Ahmed, A.A.; Rangaswamy, M.; Samy, A.M.; Ahmed, M.Z.; Mohamed, K.E. Control and monitoring systems used in variable rate application of solid fertilizers: A review. J. King Saud Univ. Sci. 2023, 35, 102574. [Google Scholar] [CrossRef]
- Dintwa, E.; Tijskens, E.; Olieslagers, R.; Baerdenaeker, J.D.; Ramon, H. Calibration of a spinning disc spreader simulation model for accurate site-specific fertiliser application. Biosys. Eng. 2004, 88, 49–62. [Google Scholar] [CrossRef]
- Lv, H.; Yu, J.Q.; Fu, H. Simulation of the operation of a fertilizer spreader based on an outer groove wheel using a discrete element method. Math. Comput. Model. 2013, 58, 842–851. [Google Scholar] [CrossRef]
- Pasha, M.; Hare, C.; Ghadiri, M.; Gunadi, A.; Piccione, P.M. Effect of particle shape on flow in discrete element method simulation of a rotary batch seed coater. Powder Technol. 2016, 296, 29–36. [Google Scholar] [CrossRef]
- Yuan, J.; Liu, Q.H.; Liu, X.M.; Zhang, T.; Zhang, X.H. Granular multi-flows fertilization process simulation and tube structure optimization in nutrient proportion of variable rate fertilization. Transact. Chin. Soc. Agric. Mach. 2014, 45, 81–87. [Google Scholar]
- Liu, C.L.; Li, Y.N.; Song, J.N.; Ma, T.; Wang, M.M.; Wang, X.J.; Zhang, C. Performance analysis and experiment on fertilizer spreader with centrifugal swing disk based on EDEM. Transact. Chin. Soc. Agric. Eng. 2017, 33, 32–39. [Google Scholar]
- Wang, Y.X.; Liang, Z.J.; Cui, T.; Zhang, D.X.; Qu, Z.; Yang, L. Design and experiment of layered fertilization device for corn. Transact. Chin. Soc. Agric. Mach. 2016, 47, 163–169. [Google Scholar]
- Chen, G.B.; Wang, Q.G.; Xu, D.J.; Li, H.W.; He, J.; Lu, C.Y. Design and experimental research on the counter roll differential speed solid organic fertilizer crusher based on DEM. Comput. Elect. Agric. 2023, 207, 107748. [Google Scholar] [CrossRef]
- Coetzee, C.J.; Lombard, S.G. Discrete element method modelling of a centrifugal fertilizer spreader. Biosys. Eng. 2011, 109, 308–325. [Google Scholar] [CrossRef]
- Liedekerke, P.V.; Tijskens, E.; Ramon, H. Discrete element simulations of the influence of fertilizer physical properties on the spread pattern from spinning disc spreaders. Biosys. Eng. 2009, 102, 392–405. [Google Scholar] [CrossRef]
- Ding, S.P.; Bai, L.; Yao, Y.X.; Yue, B.; Fu, Z.L.; Zheng, Z.Q.; Huang, Y.X. Discrete element modelling (DEM) of fertilizer dual-banding with adjustable rates. Comput. Elect. Agric. 2018, 152, 32–39. [Google Scholar] [CrossRef]
- Xi, X.B.; Wang, R.Y.; Wang, X.T.; Shi, Y.J.; Zhao, Y.; Zhang, B.F.; Qu, J.W.; Gan, H.; Zhang, R.H. Parametric optimization and experimental verification of multi-fertilizer mixing by air blowing and blade stirring based on discrete element simulations. Comput. Elect. Agric. 2023, 210, 107895. [Google Scholar] [CrossRef]
- Kim, Y.S.; Siddique, M.A.A.; Kim, W.S.; Kim, Y.J.; Lee, S.D.; Lee, D.K.; Hwang, S.J.; Nam, J.S.; Park, S.U.; Lim, R.G. DEM simulation for draft force prediction of moldboard plow according to the tillage depth in cohesive soil. Comput. Elect. Agric. 2021, 189, 106368. [Google Scholar] [CrossRef]
- Horabik, J.; Beczek, M.; Mazur, R.; Parafiniuk, P.; Ryzak, M.; Molenda, M. Determination of the restitution coefficient of seeds and coefficients of visco-elastic Hertz contact models for DEM simulations. Biosys. Eng. 2017, 161, 106–119. [Google Scholar] [CrossRef]
- Huang, X.M.; Zha, X.T.; Pan, H.B.; Zong, W.Y.; Chen, H. Measurement and analysis of rapeseeds’ restitution coefficient in point-to-plate collision model. Transact. Chin. Soc. Agric. Eng. 2014, 30, 22–29. [Google Scholar]
- Wang, L.J.; Li, R.; Wu, B.X.; Wu, Z.C.; Ding, Z.J. Determination of the coefficient of rolling friction of an irregularly shaped maize particle group using physical experiment and simulations. Particuology 2018, 38, 185–195. [Google Scholar] [CrossRef]
- Liu, C.L.; Wei, D.; Song, J.N.; Li, Y.N.; Du, X.; Zhang, F.Y. Systematic study on boundary parameters of discrete element simulation of granular fertilizer. Transact. Chin. Soc. Agric. Mach. 2018, 49, 82–89. [Google Scholar]
- Lu, F.Y.; Ma, X.; Tan, S.Y.; Chen, L.T.; Zeng, L.C.; An, P. Simulative calibration and experiment on main contact parameters of discrete elements for rice bud seeds. Transact. Chin. Soc. Agric. Mach. 2018, 49, 93–99. [Google Scholar]
- Irazábal, J.; Salazar, F.; Oñate, E. Numerical modelling of granular materials with spherical discrete particles and the bounded rolling friction model. Application to railway ballast. Comput. Geotech. 2017, 85, 220–229. [Google Scholar] [CrossRef]
- Persson, A.S.; Frenning, G. The influence of rolling friction on the shear behaviour of non-cohesive pharmaceutical granules-An experimental and numerical investigation. Eur. J. Pharm. Sci. 2013, 49, 241–250. [Google Scholar] [CrossRef]
- Lei, X.L.; Yang, W.H.; Yang, L.J.; Liu, L.Y.; Liao, Q.X.; Ren, W.J. Design and experiment of seed hill-seeding centralized metering device for rapeseed. Transact. Chin. Soc. Agric. Mach. 2020, 51, 54–64. [Google Scholar]
- Zhu, Q.Z.; Wu, G.W.; Chen, L.P.; Zhao, C.J.; Meng, Z.J. Influences of structure parameters of straight flute wheel on fertilizing performance of fertilizer apparatus. Transact. Chin. Soc. Agric. Eng. 2018, 34, 12–20. [Google Scholar]
- Beakawi Al-Hashemi, H.M.; Baghabra Al-Amoudi, O.S. A review on the angle of repose of granular materials. Powder Technol. 2018, 330, 397–417. [Google Scholar] [CrossRef]
- Wang, S.; Yu, Z.H.; Aorigele; Zhang, W.J. Study on the modeling method of sunflower seed particles based on the discrete element method. Comput. Elect. Agric. 2022, 198, 107012. [Google Scholar] [CrossRef]
- Su, Y.; Xu, Y.; Cui, T.; Gao, X.J.; Xia, G.Y.; Li, Y.B.; Qiao, M.M. Determination and interpretation of bonded particle model parameters for simulation of maize kernels. Biosys. Eng. 2021, 210, 193–205. [Google Scholar] [CrossRef]
- Song, X.F.; Dai, F.; Zhang, F.W.; Wang, D.M.; Liu, Y.C. Calibration of DEM models for fertilizer particles based on numerical simulations and granular experiments. Comput. Elect. Agric. 2023, 204, 107507. [Google Scholar] [CrossRef]
- Zhou, L.; Yu, J.Q.; Wang, Y.; Yan, D.X.; Yu, Y.J. A study on the modelling method of maize-seed particles based on the discrete element method. Powder Technol. 2020, 174, 353–376. [Google Scholar] [CrossRef]
- Yan, D.X.; Yu, J.Q.; Wang, Y.; Zhou, L.; Yu, Y.J. A general modelling method for soybean seeds based on the discrete element method. Powder Technol. 2020, 372, 212–226. [Google Scholar] [CrossRef]












| Fertilizer Types | Nutrient Ratio (%) | Length (mm) | Width (mm) | Thickness (mm) | Equivalent Diameter (mm) | Sphericity (%) | Bulk Density (kg m−3) |
|---|---|---|---|---|---|---|---|
| Zhushang | N:P2O5:K2O = 20:9:11 | 4.24 ± 0.40 | 3.77 ± 0.24 | 3.35 ± 0.29 | 3.76 ± 0.21 | 89.21 ± 5.67 | 941.90 |
| Zhonghua | N:P2O5:K2O = 15:15:15 | 4.52 ± 0.46 | 4.04 ± 0.36 | 3.63 ± 0.35 | 4.04 ± 0.31 | 89.68 ± 5.42 | 799.00 |
| Sanning | N:P2O5:K2O = 15:15:15 | 3.55 ± 0.25 | 3.43 ± 0.22 | 3.32 ± 0.22 | 3.43 ± 0.22 | 96.80 ± 2.04 | 826.00 |
| Average | - | 4.10 | 3.75 | 3.43 | 3.74 | 91.90 | 865.97 |
| Parameters | Fertilizer | 304 Stainless Steel | ABS | Aluminum | Plastic | Source/Method of Measurement |
|---|---|---|---|---|---|---|
| Poisson’s ratio | 0.25 | 0.3 | 0.394 | 0.36 | 0.47 | [14] |
| Shear modulus (Pa) | 2.8 × 107 | 7.9 × 1010 | 8.9 × 108 | 6.85 × 1010 | 2.9 × 109 | [21] |
| Density (kg m−3) | 1542 | 7 930 | 1 060 | 2707 | 1350 | Measured for fertilizer and [21] for other materials |
| Coefficient of restitution | ||||||
| Particle-particle | 0.3–0.4 * | - | - | - | - | |
| Particle-material | - | 0.35 | 0.52 | 0.32 | 0.45 | Measured |
| Coefficient of static friction | ||||||
| Particle-particle | 0.30–0.40 * | - | - | - | - | |
| Particle-material | - | 0.45–0.55 * | 0.45–0.55 * | 0.45–0.55 * | 0.3 | Measured |
| Coefficient of rolling friction | ||||||
| Particle-particle | 0.10–0.20 | - | - | - | - | |
| Particle-material | - | 0.1 | 0.1 | 0.1 | 0.1 | [22] |
| Gravitational acceleration (m s−2) | 9.81 |
| Parameter | −1 | 0 | 1 |
|---|---|---|---|
| Coefficient of restitution of fertilizer-fertilizer (x1) | 0.30 | 0.35 | 0.40 |
| Coefficient of static friction of fertilizer-fertilizer (x2) | 0.30 | 0.35 | 0.40 |
| Coefficient of static friction of fertilizer-plate material (x3) | 0.45 | 0.50 | 0.55 |
| Coefficient of rolling friction of fertilizer- fertilizer (x4) | 0.10 | 0.15 | 0.20 |
| Fertilizer Types | Type of Contact Surface | Dropping Height (mm) | ||
|---|---|---|---|---|
| 100 | 200 | 300 | ||
| Zhushang | Acrylonitrile-butadiene-styrene copolymer | 0.524 | 0.520 | 0.518 |
| 304 stainless steel | 0.381 | 0.379 | 0.364 | |
| Aluminum | 0.380 | 0.330 | 0.326 | |
| Zhonghua | Acrylonitrile-butadiene-styrene copolymer | 0.533 | 0.523 | 0.522 |
| 304 stainless steel | 0.350 | 0.346 | 0.330 | |
| Aluminum | 0.331 | 0.322 | 0.311 | |
| Sanning | Acrylonitrile-butadiene-styrene copolymer | 0.523 | 0.517 | 0.490 |
| 304 stainless steel | 0.376 | 0.375 | 0.357 | |
| Aluminum | 0.346 | 0.321 | 0.312 | |
| Average | Acrylonitrile-butadiene-styrene copolymer | 0.527 | 0.520 | 0.510 |
| 304 stainless steel | 0.369 | 0.367 | 0.350 | |
| Aluminum | 0.352 | 0.324 | 0.316 | |
| F value | Fertilizer types | 0.088 | ||
| Material type | 305.62 ** | |||
| Dropping height | 0.613 | |||
| Type of Contact Surface | Angle of Repose (°) | |||||
|---|---|---|---|---|---|---|
| Test 1 | Test 2 | Test 3 | Test 4 | Test 5 | Average | |
| 304 stainless steel | 32.80 | 33.24 | 32.04 | 34.16 | 36.68 | 33.78 |
| Acrylonitrile-butadiene-styrene copolymer | 31.40 | 31.15 | 31.03 | 32.93 | 30.18 | 31.34 |
| Aluminum | 31.02 | 28.47 | 33.73 | 29.5 | 30.44 | 30.70 |
| Test Number | Test Factors | Angle of Repose (°) | |||
|---|---|---|---|---|---|
| x1 | x2 | x3 | x4 | ||
| 1 | −1 | 1 | 0 | 0 | 31.75 ± 3.09 |
| 2 | 0 | −1 | 0 | −1 | 21.73 ± 3.08 |
| 3 | −1 | 0 | 0 | 1 | 33.69 ± 1.49 |
| 4 | 0 | 0 | −1 | −1 | 24.74 ± 3.16 |
| 5 | 0 | 1 | 1 | 0 | 31.92 ± 0.98 |
| 6 | 1 | −1 | 0 | 0 | 27.25 ± 2.37 |
| 7 | 0 | −1 | 0 | 1 | 34.21 ± 0.96 |
| 8 | 0 | 0 | 0 | 0 | 31.00 ± 3.11 |
| 9 | −1 | −1 | 0 | 0 | 28.00 ± 1.36 |
| 10 | 0 | −1 | 1 | 0 | 27.14 ± 2.06 |
| 11 | 0 | 1 | −1 | 0 | 32.52 ± 1.97 |
| 12 | 0 | 1 | 0 | −1 | 23.45 ± 2.18 |
| 13 | 0 | 0 | 1 | −1 | 24.15 ± 2.76 |
| 14 | 1 | 0 | −1 | 0 | 30.91 ± 0.87 |
| 15 | −1 | 0 | −1 | 0 | 30.58 ± 1.00 |
| 16 | 0 | 0 | −1 | 1 | 37.40 ± 4.37 |
| 17 | 0 | 0 | 0 | 0 | 30.69 ± 1.20 |
| 18 | −1 | 0 | 1 | 0 | 29.99 ± 1.16 |
| 19 | 0 | 0 | 0 | 0 | 31.54 ± 2.08 |
| 20 | 0 | −1 | −1 | 0 | 26.46 ± 2.99 |
| 21 | 0 | 1 | 0 | 1 | 33.52 ± 0.81 |
| 22 | 0 | 0 | 1 | 1 | 34.28 ± 1.31 |
| 23 | 1 | 0 | 0 | 1 | 35.53 ± 1.75 |
| 24 | 1 | 0 | 1 | 0 | 28.38 ± 2.04 |
| 25 | 1 | 1 | 0 | 0 | 31.03 ± 2.10 |
| 26 | 0 | 0 | 0 | 0 | 31.03 ± 0.27 |
| 27 | 1 | 0 | 0 | −1 | 25.40 ± 0.43 |
| 28 | −1 | 0 | 0 | −1 | 24.39 ± 1.87 |
| 29 | 0 | 0 | 0 | 0 | 29.99 ± 1.49 |
| Source | Sum of Squares | df | Mean Square | F-Value | p-Value |
|---|---|---|---|---|---|
| Model | 402.23 | 10 | 40.22 | 29.98 | <0.0001 ** |
| x1 | 0.0008 | 1 | 0.0008 | 0.0006 | 0.9814 |
| x2 | 31.41 | 1 | 31.41 | 23.42 | 0.0001 ** |
| x3 | 3.77 | 1 | 3.77 | 2.81 | 0.1109 |
| x4 | 349.46 | 1 | 349.46 | 260.5 | <0.0001 ** |
| x1x3 | 0.9433 | 1 | 0.9433 | 0.7032 | 0.4127 |
| x2x4 | 1.45 | 1 | 1.45 | 1.08 | 0.3119 |
| x3x4 | 1.61 | 1 | 1.61 | 1.2 | 0.2882 |
| x2x2 | 10.62 | 1 | 10.62 | 7.92 | 0.0115 * |
| x3x3 | 0.0346 | 1 | 0.0346 | 0.0258 | 0.8742 |
| x4x4 | 4.51 | 1 | 4.51 | 3.36 | 0.0834 |
| Residual | 24.15 | 18 | 1.34 | ||
| Lack of fit | 22.85 | 14 | 1.63 | 5.05 | 0.0648 |
| Pure error | 1.29 | 4 | 0.3234 | ||
| Total | 426.38 | 28 |
Disclaimer/Publisher’s Note: The statements, opinions and data contained in all publications are solely those of the individual author(s) and contributor(s) and not of MDPI and/or the editor(s). MDPI and/or the editor(s) disclaim responsibility for any injury to people or property resulting from any ideas, methods, instructions or products referred to in the content. |
© 2023 by the authors. Licensee MDPI, Basel, Switzerland. This article is an open access article distributed under the terms and conditions of the Creative Commons Attribution (CC BY) license (https://creativecommons.org/licenses/by/4.0/).
Share and Cite
Lei, X.; Wu, W.; Deng, X.; Li, T.; Liu, H.; Guo, J.; Li, J.; Zhu, P.; Yang, K. Determination of Material and Interaction Properties of Granular Fertilizer Particles Using DEM Simulation and Bench Testing. Agriculture 2023, 13, 1704. https://doi.org/10.3390/agriculture13091704
Lei X, Wu W, Deng X, Li T, Liu H, Guo J, Li J, Zhu P, Yang K. Determination of Material and Interaction Properties of Granular Fertilizer Particles Using DEM Simulation and Bench Testing. Agriculture. 2023; 13(9):1704. https://doi.org/10.3390/agriculture13091704
Chicago/Turabian StyleLei, Xiaolong, Wencheng Wu, Xuan Deng, Tao Li, Hongnan Liu, Jinyue Guo, Ju Li, Peixu Zhu, and Ke Yang. 2023. "Determination of Material and Interaction Properties of Granular Fertilizer Particles Using DEM Simulation and Bench Testing" Agriculture 13, no. 9: 1704. https://doi.org/10.3390/agriculture13091704
APA StyleLei, X., Wu, W., Deng, X., Li, T., Liu, H., Guo, J., Li, J., Zhu, P., & Yang, K. (2023). Determination of Material and Interaction Properties of Granular Fertilizer Particles Using DEM Simulation and Bench Testing. Agriculture, 13(9), 1704. https://doi.org/10.3390/agriculture13091704

