Impact of Pre-Ozonation during Nanofiltration of MBR Effluent
Abstract
:1. Introduction
2. Materials and Methods
2.1. Matrix Used for the Study
2.1.1. Real Secondary Effluent Matrix
2.1.2. Synthetic Ionic Solution Matrix Composition
2.2. Nanofiltration Experiments
2.2.1. Membrane Selection and Characterization
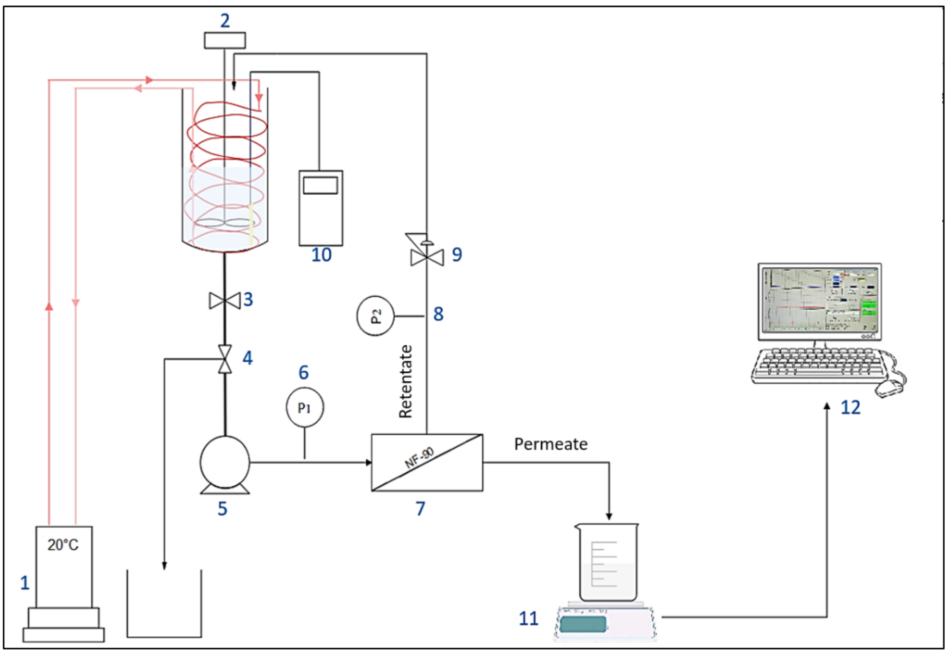
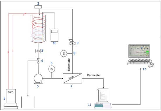
2.2.2. Cross-Flow Nanofiltration Unit and Experimental Protocol
2.2.3. Membrane Fouling Propensity Test
2.2.4. Osmotic Pressure
2.2.5. Concentration Polarization
2.3. Bench-Scale Ozonation System Setup
2.4. Chemical Analysis
2.4.1. Ionic Chromatography
- -
- Anionic compounds concentrations were determined with an ICS 1000 system (Thermo-Fisher, Waltham, MA, USA) equipped with a Dionex AS19 column fed by an eluent flow rate of 1 mL·min−1. A KOH eluent was used as mobile phase through the following gradient: 10 mM for 10 min, then 45 mM for 20 min and 10 mM for 10 min.
- -
- Cationic compounds concentrations were determined with an ICS 900 system (Thermofisher Dionex, France) equipped with a Dionex CS12A column fed by 20 mM methanesulfonic acid at a flow rate of 1 mL·min−1.
2.4.2. Global Indicators for Pollution Monitoring: TOC, UV254 and SUVA Analysis
2.4.3. Scanning Electron Microscopy (SEM)
3. Results
3.1. Flux Evolution and Fouling Mechanisms during Nanofiltration
3.2. Influence of Ionic Matrix during Nanofiltration
3.2.1. Influence of the Osmotic Pressure
3.2.2. Characterization of Membrane Fouling
3.3. Influence of Pre-Ozonation during Nanofiltration of Real MBR Effluent
3.3.1. Monitoring of Organic Matter
3.3.2. Nanofiltration of Ozonated Real MBR Effluent
3.3.3. Cleaning and Nanofiltration Performances Recovery
4. Conclusions
Author Contributions
Funding
Institutional Review Board Statement
Informed Consent Statement
Conflicts of Interest
Abbreviations
| AOP | Advanced Oxidation Process |
| COD | Chemical Oxygen Demand (gO2/m3) |
| Da | Dalton |
| DCOM | Dissolved and Colloidal Organic Matter |
| DWW | Domestic Wastewater |
| EDX | Energy-Dispersive X-ray |
| MBR | Membrane Bioreactor |
| MWCO | Molecular Weight Cut-Off |
| NF | Nanofiltration |
| NOM | Natural Organic Matter |
| OM | Organic Matter |
| [O3]gas | Applied gas ozone concentration (gO3/Nm3) |
| SEM | Scanning Electron Microscopy |
| SIS | Synthetic Ionic Solution |
| T° | Temperature |
| TMP | Transmembrane Pressure (bar) |
| TOC | Total Organic Carbon |
| TOD | Transferred Ozone Dose |
| TSS | Total Suspended Solid (mg/L) |
| UPW | Ultrapure Water |
| UV254 | UV absorbance at 254 nm of wavelength |
| v | Cross-flow velocity (m/s) |
| Vreactor | Volume of reactor (m3) |
| Vstir | Stirring velocity (rpm) |
| WWTP | Wastewater Treatment Plant |
| Y | Permeate recovery rate (%) |
References
- Alturki, A.A.; Tadkaew, N.; McDonald, J.A.; Khan, S.J.; Price, W.E.; Nghiem, L.D. Combining MBR and NF/RO membrane filtration for the removal of trace organics in indirect potable water reuse applications. J. Membr. Sci. 2010, 365, 206–215. [Google Scholar] [CrossRef]
- Rizzo, L.; Gernjak, W.; Krzeminski, P.; Malato, S.; McArdell, C.S.; Perez, J.A.S. Best available technologies and treatment trains to address current challenges in urban wastewater reuse for irrigation of crops in EU countries. Sci. Total Environ. 2010, 710, 136312. [Google Scholar] [CrossRef] [PubMed]
- Bellona, C.; Heil, D.; Yu, C.; Fu, P.; Drewes, J.E. The pros and cons of using nanofiltration in lieu of reverse osmosis for indirect potable reuse applications. Sep. Purif. Technol. 2012, 85, 69–76. [Google Scholar] [CrossRef]
- Khanzada, N.K.; Farid, M.U.; Kharraz, J.A.; Choi, J.; Tang, C.Y.; Nghiem, L.D. Removal of organic micropollutants using advanced membrane-based water and wastewater treatment: A review. J. Membr. Sci. 2020, 598, 117672. [Google Scholar] [CrossRef]
- Azaïs, A.; Mendret, J.; Petit, E.; Brosillon, S. Evidence of solute-solute interactions and cake enhanced concentration polarization during removal of pharmaceuticals from urban wastewater by nanofiltration. Water Res. 2016, 104, 156–167. [Google Scholar] [CrossRef]
- Jarusutthirak, C.; Amy, G. Role of Soluble Microbial Products (SMP) in Membrane Fouling and Flux Decline. Environ. Sci. Technol. 2016, 40, 969–974. [Google Scholar] [CrossRef]
- Lin, W.; Li, M.; Xiao, K.; Huang, X. The role shifting of organic, inorganic and biological foulants along different positions of a two-stage nanofiltration process. J. Membr. Sci. 2020, 602, 117979. [Google Scholar] [CrossRef]
- Byun, S.; Taurozzi, J.S.; Tarabara, V.V. Ozonation as a pretreatment for nanofiltration: Effect of oxidation pathway on the permeate flux. Sep. Purif. Technol. 2015, 149, 174–182. [Google Scholar] [CrossRef]
- Park, M.; Anumol, T.; Simon, J.; Zraick, F.; Snyder, S.A. Pre-ozonation for high recovery of nanofiltration (NF) membrane system: Membrane fouling reduction and trace organic compound attenuation. J. Membr. Sci. 2017, 523, 255–263. [Google Scholar] [CrossRef]
- Mansas, C.; Atfane-Karfane, L.; Petit, E.; Mendret, J.; Brosillon, S.; Ayral, A. Functionalized ceramic nanofilter for wastewater treatment by coupling membrane separation and catalytic ozonation. J. Environ. Chem. Eng. 2020, 8, 104043. [Google Scholar] [CrossRef]
- Vatankhah, H.; Murray, C.C.; Brannum, J.W.; Vanneste, J.; Bellona, C. Effect of pre-ozonation on nanofiltration membrane fouling during water reuse applications. Sep. Purif. Technol. 2018, 205, 203–211. [Google Scholar] [CrossRef]
- Yu, W.; Liu, T.; Crawshaw, J.; Liu, T.; Graham, N. Ultrafiltration and nanofiltration membrane fouling by natural organic matter: Mechanisms and mitigation by pre-ozonation and pH. Water Res. 2018, 139, 353–362. [Google Scholar] [CrossRef]
- Johnson, D.; Hashaikeh, R.; Hilal, N. Basic principles of osmosis and osmotic pressure. In Osmosis Engineering; Elsevier: Amsterdam, The Netherlands, 2021; Volume 1, pp. 1–15. [Google Scholar]
- Bader, H.; Hoigné, J. Determination of ozone in water by the indigo method. Water Res. 1981, 15, 449–456. [Google Scholar] [CrossRef]
- Justo, A.; González, O.; Aceña, J.; Pérez, S.; Barceló, D.; Sans, C. Pharmaceuticals and organic pollution mitigation in reclamation osmosis brines by UV/H2O2 and ozone. J. Hazard. Mater. 2013, 263, 268–274. [Google Scholar] [CrossRef] [PubMed]
- Mänttäri, M.; Puro, L.; Nuortila-Jokinen, J.; Nyström, M. Fouling effects of polysaccharides and humic acid in nanofiltration. J. Membr. Sci. 2000, 165, 1–17. [Google Scholar] [CrossRef]
- Li, K.; Wang, J.; Liu, J.; Wei, Y.; Chen, M. Advanced treatment of municipal wastewater by nanofiltration: Operational optimization and membrane fouling analysis. J. Environ. Sci. 2016, 43, 106–117. [Google Scholar] [CrossRef]
- Lan, Y.; Groenen-Serrano, K.; Coetsier, C.; Causserand, C. Nanofiltration performances after membrane bioreactor for hospital wastewater treatment: Fouling mechanisms and the quantitative link between stable fluxes and the water matrix. Water Res. 2018, 146, 77–87. [Google Scholar] [CrossRef] [Green Version]
- Fersi, C.; Gzara, L.; Dhahbi, M. Flux decline study for textile wastewater treatment by membrane processes. Desalination 2009, 244, 321–332. [Google Scholar] [CrossRef]
- Teixeira, M.R.; Rosa, M.J. The impact of the water background inorganic matrix on the natural organic matter removal by nanofiltration. J. Membr. Sci. 2006, 279, 513–520. [Google Scholar] [CrossRef]
- Anwar, N.; Rahaman, M.S. Membrane desalination processes for water recovery from pre-treated brewery wastewater: Performance and fouling. Sep. Purif. Technol. 2020, 252, 117420. [Google Scholar] [CrossRef]
- Song, W.; Lee, L.Y.; Liu, E.; Shi, X.; Ong, S.L.; Ng, H.Y. Spatial variation of fouling behavior in high recovery nanofiltration for industrial reverse osmosis brine treatment towards zero liquid discharge. J. Membr. Sci. 2020, 609, 118185. [Google Scholar] [CrossRef]
- Chon, K.; Sarp, S.; Lee, S.; Lee, J.-H.; Lopez-Ramirez, J.A.; Cho, J. Evaluation of a membrane bioreactor and nanofiltration for municipal wastewater reclamation: Trace contaminant control and fouling mitigation. Desalination 2011, 272, 128–134. [Google Scholar] [CrossRef]
- Gong, J.; Liu, Y.; Sun, X. O3 and UV/O3 oxidation of organic constituents of biotreated municipal wastewater. Water Res. 2008, 42, 1238–1244. [Google Scholar] [CrossRef] [PubMed]
- Weishaar, J.L.; Aiken, G.R.; Bergamaschi, B.A.; Fram, M.S.; Fujii, R.; Mopper, K. Evaluation of Specific Ultraviolet Absorbance as an Indicator of the Chemical Composition and Reactivity of Dissolved Organic Carbon. Environ. Sci. Technol. 2003, 37, 4702–4708. [Google Scholar] [CrossRef] [PubMed]
- Bahr, C.; Schumacher, J.; Ernst, M.; Luck, F.; Heinzmann, B.; Jekel, M. SUVA as control parameter for the effective ozonation of organic pollutants in secondary effluent. Water Sci. Technol. 2007, 55, 267–274. [Google Scholar] [CrossRef]
- Kim, Y.; Li, S.; Ghaffour, N. Evaluation of different cleaning strategies for different types of forward osmosis membrane fouling and scaling. J. Membr. Sci. 2020, 596, 117731. [Google Scholar] [CrossRef]










| Parameters | Unit | Average | Minimum | Maximum |
|---|---|---|---|---|
| pH | 7.40 | 7.10 | 7.80 | |
| Electric conductivity | µS/cm | 3300 | 2460 | 3940 |
| TOC | mgC/L | 6.70 | 5.50 | 8.60 |
| COD | mg O2/L | 19.10 | 13.60 | 23.00 |
| Absorbance at 254 nm | 0.14 | 0.13 | 0.16 | |
| SUVA254 | L/mg/m | 2.1 | 1.9 | 2.4 |
| TSS | mg/L | 2.50 | 2.30 | 2.70 |
| Parameters | Unit | Real MBR Effluent | Synthetic Ionic Solution | Diffusion Coefficient k (m2/s) |
|---|---|---|---|---|
| Ammonium NH4+ | mg/L | 1.80 | 2.00 | 0.51 |
| Bromide Br− | mg/L | 1.20 | 0.00 | 1.46 |
| Calcium Ca2+ | mg/L | 134.70 | 130.70 | 0.58 |
| Chloride Cl− | mg/L | 602.10 | 640.30 | 1.47 |
| Hydrogen carbonate HCO3− | mg/L | 254.00 | 290.50 | 1.00 |
| Magnesium Mg2+ | mg/L | 48.50 | 47.50 | 0.51 |
| Nitrate NO3− | mg/L | 9.00 | 7.30 | 1.38 |
| Nitrite NO2− | mg/L | 7.70 | 0.00 | 1.39 |
| Orthophosphate PO43− | mg/L | 10.00 | 9.60 | 0.44 |
| Potassium K+ | mg/L | 34.10 | 30.40 | 1.42 |
| Sodium Na+ | mg/L | 321.90 | 324.10 | 0.96 |
| Sulfate SO42− | mg/L | 153.70 | 101.40 | 0.78 |
| Compounds | Concentration (mg/L) |
|---|---|
| NaCl | 400 |
| CaCl2, 2H2O | 477 |
| MgCl2, 6H20 | 400 |
| Na2HPO4, 2H2O | 18 |
| Na2SO4 | 150 |
| NaHCO3 | 400 |
| KCl | 60 |
| NaNO3 | 10 |
| NH4Cl | 2 |
| Matrixes Used for NF Experiments | Unit | Flux at the Beginning of the Filtration Experiment | Flux at the End of the Filtration Experiment |
|---|---|---|---|
| Non-ozonated MBR effluent | L·m−2·h−1 | 53 | 17 |
| SIS | L·m−2·h−1 | 64 | 17 |
| Ozonated MBR effluent | L·m−2·h−1 | 54 | 21 |
Publisher’s Note: MDPI stays neutral with regard to jurisdictional claims in published maps and institutional affiliations. |
© 2022 by the authors. Licensee MDPI, Basel, Switzerland. This article is an open access article distributed under the terms and conditions of the Creative Commons Attribution (CC BY) license (https://creativecommons.org/licenses/by/4.0/).
Share and Cite
Amadou-Yacouba, Z.; Mendret, J.; Lesage, G.; Zaviska, F.; Brosillon, S. Impact of Pre-Ozonation during Nanofiltration of MBR Effluent. Membranes 2022, 12, 341. https://doi.org/10.3390/membranes12030341
Amadou-Yacouba Z, Mendret J, Lesage G, Zaviska F, Brosillon S. Impact of Pre-Ozonation during Nanofiltration of MBR Effluent. Membranes. 2022; 12(3):341. https://doi.org/10.3390/membranes12030341
Chicago/Turabian StyleAmadou-Yacouba, Zoulkifli, Julie Mendret, Geoffroy Lesage, François Zaviska, and Stephan Brosillon. 2022. "Impact of Pre-Ozonation during Nanofiltration of MBR Effluent" Membranes 12, no. 3: 341. https://doi.org/10.3390/membranes12030341
APA StyleAmadou-Yacouba, Z., Mendret, J., Lesage, G., Zaviska, F., & Brosillon, S. (2022). Impact of Pre-Ozonation during Nanofiltration of MBR Effluent. Membranes, 12(3), 341. https://doi.org/10.3390/membranes12030341

