Operation Characteristics and Transient Simulation of an ICE-ORC Combined System
Abstract
Featured Application
Abstract
1. Introduction
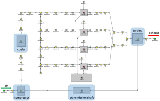
2. Simulation Model of ICE-ORC System
2.1. ICE Modeling
- (1)
- The thermodynamic properties of the working fluid such as the internal energy and the specific heat capacity are functions of the temperature and the components.
- (2)
- The fluctuations of the pressure and temperature inside the intake system are neglected.
- (3)
- The thermodynamic state inside the cylinder is considered homogeneous and the influence of the residual combusted gas inside the cylinder is ignored.
2.2. ORC Modeling
2.2.1. Evaporator
2.2.2. Condenser
2.2.3. Expander and Pump
2.3. ICE-ORC Combined System
3. Operating Characteristics of the ICE-ORC System
3.1. Performance Under the Rated Power Condition
3.2. Influence of the Expander Efficiency
3.3. Operation Characteristics Under Various Conditions
4. Transient Simulation of the ICE-ORC System
5. Conclusions
- (1)
- The influence of the expander inlet pressure on the net power output and the thermal efficiency of the ORC system was greater than the expander inlet temperature when the engine was operating on a fixed condition. Therefore, the mass flow rate of the working fluid should be adjusted to improve the evaporation pressure as high as possible while maintaining the working fluid slightly superheat at the inlet of the expander. The expander efficiency also had a great influence on the performance of the ORC. The measured efficiency of the prototype single-screw expander was relatively small. If its efficiency is improved to a level that industrial products can achieve, the net power output and the thermal efficiency of the ORC can be increased by more than 20%.
- (2)
- There exists an optimal operation condition of the ORC system defined by the pump speed and the expander speed corresponding to each operation point of the engine. For the ICE-ORC combined system, this pattern can be programed as a feedforward control method to coordinate the operation of the ORC with the engine under transient operation conditions. When the engine operates under the ECE-EUDC driving cycle, the designed control strategy can adjust the operation point of the ORC system accordingly. The exhaust energy must be greater than a minimum value to ensure the ORC system operating properly. The ORC system operates in a pulsating way when the vehicle is running under the urban conditions because of a frequent start and stop and a low exhaust energy. However, the designed ORC system can operate for most of the time during the high-way conditions except during the braking process. The net power output of the expander essentially follows the power output of the engine.
Author Contributions
Funding
Conflicts of Interest
References
- Yang, F.; Zhang, H.; Song, S.; Bei, C.; Wang, H.; Wang, E. Thermoeconomic multi-objective optimization of an organic Rankine cycle for exhaust waste heat recovery of a diesel engine. Energy 2015, 93, 2208–2228. [Google Scholar] [CrossRef]
- Zhang, J.; Zhang, H.; Yang, K.; Yang, F.; Wang, Z.; Zhao, G.; Liu, H.; Wang, E.; Yao, B. Performance analysis of regenerative organic Rankine cycle (RORC) using the pure working fluid and the zeotropic mixture over the whole operating range of a diesel engine. Energy Convers. Manag. 2014, 84, 282–294. [Google Scholar] [CrossRef]
- Hou, X.; Zhang, H.; Yu, F.; Liu, H.; Yang, F.; Xu, Y.; Tian, Y.; Li, G. Free piston expander-linear generator used for organic Rankine cycle waste heat recovery system. Appl. Energy 2017, 208, 1297–1307. [Google Scholar] [CrossRef]
- Schuster, A.; Karellas, S.; Aumann, R. Efficiency optimization potential in supercritical Organic Rankine Cycles. Energy 2010, 35, 1033–1039. [Google Scholar] [CrossRef]
- Drescher, U.; Brüggemann, D. Fluid selection for the Organic Rankine Cycle (ORC) in biomass power and heat plants. Appl. Therm. Eng. 2007, 27, 223–228. [Google Scholar] [CrossRef]
- Papadopoulos, A.I.; Stijepovic, M.; Linke, P. On the systematic design and selection of optimal working fluids for Organic Rankine Cycles. Appl. Therm. Eng. 2010, 30, 760–769. [Google Scholar] [CrossRef]
- Saleh, B.; Koglbauer, G.; Wendland, M.; Fischer, J. Working fluids for low-temperature organic Rankine cycles. Energy 2007, 32, 1210–1221. [Google Scholar] [CrossRef]
- Shu, G.; Li, X.; Tian, H.; Liang, X.; Wei, H.; Wang, X. Alkanes as working fluids for high-temperature exhaust heat recovery of diesel engine using organic Rankine cycle. Appl. Energy 2014, 119, 204–217. [Google Scholar] [CrossRef]
- Zhu, S.; Deng, K.; Qu, S. Energy and exergy analyses of a bottoming Rankine cycle for engine exhaust heat recovery. Energy 2013, 58, 448–457. [Google Scholar] [CrossRef]
- Dai, Y.; Wang, J.; Gao, L. Parametric optimization and comparative study of organic Rankine cycle (ORC) for low grade waste heat recovery. Energy Convers. Manag. 2009, 50, 576–582. [Google Scholar] [CrossRef]
- Wang, E.H.; Zhang, H.G.; Fan, B.Y.; Ouyang, M.G.; Zhao, Y.; Mu, Q.H. Study of working fluid selection of organic Rankine cycle (ORC) for engine waste heat recovery. Energy 2011, 36, 3406–3418. [Google Scholar] [CrossRef]
- Zhang, X.; Cao, M.; Yang, X.; Guo, H.; Wang, J. Economic analysis of organic Rankine cycle using R123 and R245fa as working fluids and a demonstration project report. Appl. Sci. 2019, 9, 288. [Google Scholar] [CrossRef]
- Peris, B.; Navarro-Esbrí, J.; Molés, F. Bottoming organic Rankine cycle configurations to increase Internal Combustion Engines power output from cooling water waste heat recovery. Appl. Therm. Eng. 2013, 61, 364–371. [Google Scholar] [CrossRef]
- Seyedkavoosi, S.; Javan, S.; Kota, K. Exergy-based optimization of an organic Rankine cycle (ORC) for waste heat recovery from an internal combustion engine (ICE). Appl. Therm. Eng. 2017, 126, 447–457. [Google Scholar] [CrossRef]
- Wang, E.H.; Zhang, H.G.; Zhao, Y.; Fan, B.Y.; Wu, Y.T.; Mu, Q.H. Performance analysis of a novel system combining a dual loop organic Rankine cycle (ORC) with a gasoline engine. Energy 2012, 43, 385–395. [Google Scholar] [CrossRef]
- Tian, H.; Shu, G.; Wei, H.; Liang, X.; Liu, L. Fluids and parameters optimization for the organic Rankine cycles (ORCs) used in exhaust heat recovery of Internal Combustion Engine (ICE). Energy 2012, 47, 125–136. [Google Scholar] [CrossRef]
- Sprouse, C., III; Depcik, C. Review of organic Rankine cycles for internal combustion engine exhaust waste heat recovery. Appl. Therm. Eng. 2013, 51, 711–722. [Google Scholar] [CrossRef]
- Shi, L.; Shu, G.; Tian, H.; Deng, S. A review of modified Organic Rankine cycles (ORCs) for internal combustion engine waste heat recovery (ICE-WHR). Renew. Sustain. Energy Rev. 2018, 92, 95–110. [Google Scholar] [CrossRef]
- Karvonen, M.; Kapoor, R.; Uusitalo, A.; Ojanen, V. Technology competition in the internal combustion engine waste heat recovery: A patent landscape analysis. J. Clean. Prod. 2016, 112, 3735–3743. [Google Scholar] [CrossRef]
- Zhao, M.; Wei, M.; Song, P.; Liu, Z.; Tian, G. Performance evaluation of a diesel engine integrated with ORC system. Appl. Therm. Eng. 2017, 115, 221–228. [Google Scholar] [CrossRef]
- Zhang, H.; Wang, H.; Yang, K.; Yang, F.; Song, S.; Chang, Y.; Bei, C.; Meng, F. Parametric optimization of organic Rankine cycle for vehicle diesel engine based on particle swarm optimization. CIESC J. 2015, 66, 5031–5039. (in Chinese). [Google Scholar]
- Vincent, G.; Thomas, R.; Vincent, L.; Nadri, M.; Dufour, P. Transient performance evaluation of waste heat recovery Rankine cycle based system for heavy duty trucks. Appl. Energy 2016, 165, 878–892. [Google Scholar]
- Park, H.; Heo, H.; Choi, B.; Kim, K.C.; Kim, J. Speed control for turbine-generator of ORC power generation system and experimental implementation. Energies 2019, 12, 200. [Google Scholar] [CrossRef]
- Quoilin, S.; Broek, M.V.D.; Declaye, S.; Dewallef, P.; Lemort, V. Techno-economic survey of Organic Rankine Cycle (ORC) systems. Renew. Sustain. Energy Rev. 2013, 22, 168–186. [Google Scholar] [CrossRef]
- Roy, J.P.; Mishra, M.K.; Misra, A. Parametric optimization and performance analysis of a waste heat recovery system using Organic Rankine Cycle. Energy 2010, 35, 5049–5062. [Google Scholar] [CrossRef]
- Yu, G.; Shu, G.; Tian, H.; Wei, H.; Liu, L. Simulation and thermodynamic analysis of a bottoming Organic Rankine Cycle (ORC) of diesel engine (DE). Energy 2013, 51, 281–290. [Google Scholar] [CrossRef]
- Wang, J.; Yan, Z.; Wang, M.; Li, M.; Dai, Y. Multi-objective optimization of an organic Rankine cycle (ORC) for low grade waste heat recovery using evolutionary algorithm. Energy Convers. Manag. 2013, 71, 146–158. [Google Scholar] [CrossRef]
- Yang, F.; Cho, H.; Zhang, H.; Zhang, J. Thermoeconomic multi-objective optimization of a dual loop organic Rankine cycle (ORC) for CNG engine waste heat recovery. Appl. Energy 2017, 205, 1100–1118. [Google Scholar] [CrossRef]
- Boyaghchi, F.A.; Sohbatloo, A. Assessment and optimization of a novel solar driven natural gas liquefaction based on cascade ORC integrated with linear Fresnel collectors. Energy Convers. Manag. 2018, 161, 77–89. [Google Scholar] [CrossRef]
- Zhang, S.; Wang, H.; Guo, T. Performance comparison and parametric optimization of subcritical Organic Rankine Cycle (ORC) and transcritical power cycle system for low-temperature geothermal power generation. Appl. Energy 2011, 88, 2740–2754. [Google Scholar]
- Ge, Z.; Li, J.; Duan, Y.; Yang, Z.; Xie, Z. Thermodynamic performance analyses and optimization of dual-loop organic Rankine cycles for internal combustion engine waste heat recovery. Appl. Sci. 2019, 9, 680. [Google Scholar] [CrossRef]
- Lee, Y.; Kuo, C.; Wang, C. Transient response of a 50 kW organic Rankine cycle system. Energy 2012, 48, 532–538. [Google Scholar] [CrossRef]
- Xie, H.; Yang, C. Dynamic behavior of Rankine cycle system for waste heat recovery of heavy duty diesel engines under driving cycle. Appl. Energy 2013, 112, 130–141. [Google Scholar] [CrossRef]
- Jin, Y.; Gao, N.; Zhu, T. The study of dynamic process of ORC variable conditions based on control characteristics analysis. Energy Procedia 2017, 129, 208–215. [Google Scholar] [CrossRef]
- Li, X.; Shu, G.; Tian, H.; Shi, L.; Wang, X. Dynamic modelling of CO2 transcritical power cycle for waste heat recovery of gasoline engines. Energy Procedia 2017, 105, 1576–1581. [Google Scholar] [CrossRef]
- Shu, G.; Wang, X.; Tian, H.; Liu, P.; Jing, D.; Li, X. Scan of working fluids based on dynamic response characters for organic Rankine cycle using for engine waste heat recovery. Energy 2017, 133, 609–620. [Google Scholar] [CrossRef]
- Andwari, A.M.; Pesiridis, A.; Karvountzis-Kontakiotis, A.; Esfahanian, V. Hybrid electric vehicle performance with organic Rankine cycle waste heat recovery system. Appl. Sci. 2017, 7, 437. [Google Scholar] [CrossRef]
- Alshammari, F.; Karvountzis-Kontakiotis, A.; Pesyridis, A.; Usman, M. Expander technologies for automotive engine organic Rankine cycle applications. Energies 2018, 11, 1905. [Google Scholar] [CrossRef]
- Li, P.; Han, Z.; Jia, X.; Mei, Z.; Han, X.; Wang, Z. An improved analysis method for organic Rankine cycles based on radial-inflow turbine efficiency prediction. Appl. Sci. 2019, 9, 49. [Google Scholar] [CrossRef]
- Shao, J.; Rutland, C.J. Modeling investigation of different methods to suppress engine knock on a small spark ignition engine. J. Eng. Gas Turbines Power 2015, 137, 061506. [Google Scholar] [CrossRef]
- Liu, T.; Wang, E.; Meng, F.; Zhang, X. Dynamic characteristics of an ICE-ORC combined system under various working conditions. IFAC-PapersOnline 2018, 51, 29–34. [Google Scholar]
- Zhang, Y.; Wu, Y.; Xia, G.; Ma, C.; Ji, W.; Liu, S.; Yang, K.; Yang, F. Development and experimental study on organic Rankine cycle system with single-screw expander for waste heat recovery from exhaust of diesel engine. Energy 2014, 77, 499–508. [Google Scholar] [CrossRef]
- Giuffrida, A. Improving the semi-empirical modelling of a single-screw expander for small organic Rankine cycles. Appl. Energy 2017, 193, 356–368. [Google Scholar] [CrossRef]











| Parameter | Value | Unit |
|---|---|---|
| Displacement | 2.771 | L |
| Rated power | 85 | kW |
| Max. torque | 280 | N·m |
| Bore | 93 | mm |
| Stroke | 102 | mm |
| Compression ratio | 17.4 | – |
| Parameter | Value | Unit |
|---|---|---|
| Tube length | 850 | mm |
| Tube diameter | 12 | mm |
| Tube number | 90 | mm |
| Shell diameter | 150 | mm |
| Path number | 1 | — |
| Parameter | Value | Unit |
|---|---|---|
| Plate length | 300 | mm |
| Plate width | 200 | mm |
| Channel height | 3 | mm |
| Channel number | 45 | — |
| Parameter | Value | Unit |
|---|---|---|
| Engine speed | 3600 | r/min |
| Power | 83.0 | kW |
| Torque | 220.2 | N·m |
| Fuel consumption | 260.2 | g/kW·h |
| Thermal efficiency | 32.2 | % |
| Exhaust mass flow | 185.6 | g/s |
| Exhaust temperature | 757 | K |
| Heat addition | 75.6 | kW |
© 2019 by the authors. Licensee MDPI, Basel, Switzerland. This article is an open access article distributed under the terms and conditions of the Creative Commons Attribution (CC BY) license (http://creativecommons.org/licenses/by/4.0/).
Share and Cite
Liu, T.; Wang, E.; Meng, F.; Zhang, F.; Zhao, C.; Zhang, H.; Zhao, R. Operation Characteristics and Transient Simulation of an ICE-ORC Combined System. Appl. Sci. 2019, 9, 1639. https://doi.org/10.3390/app9081639
Liu T, Wang E, Meng F, Zhang F, Zhao C, Zhang H, Zhao R. Operation Characteristics and Transient Simulation of an ICE-ORC Combined System. Applied Sciences. 2019; 9(8):1639. https://doi.org/10.3390/app9081639
Chicago/Turabian StyleLiu, Tong, Enhua Wang, Fanxiao Meng, Fujun Zhang, Changlu Zhao, Hongguang Zhang, and Rui Zhao. 2019. "Operation Characteristics and Transient Simulation of an ICE-ORC Combined System" Applied Sciences 9, no. 8: 1639. https://doi.org/10.3390/app9081639
APA StyleLiu, T., Wang, E., Meng, F., Zhang, F., Zhao, C., Zhang, H., & Zhao, R. (2019). Operation Characteristics and Transient Simulation of an ICE-ORC Combined System. Applied Sciences, 9(8), 1639. https://doi.org/10.3390/app9081639

