PLA/Graphene/MWCNT Composites with Improved Electrical and Thermal Properties Suitable for FDM 3D Printing Applications
Abstract
1. Introduction
2. Materials and Methods
2.1. Materials
2.2. Preparation of Nanocomposites
2.3. Preparation of Test Samples
2.4. Experimental Methods
3. Results and Discussion
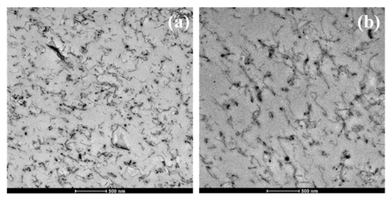
3.1. Structure and Morphology
3.2. Effect of Filler Concentration and Combinations of Nanofillers on the Electrical Conductivity
3.3. Effect of Filler Concentration and Combination of Nanofillers on the THERMAL Conductivity
4. Conclusions
Author Contributions
Funding
Acknowledgments
Conflicts of Interest
References
- Wang, X.; Jiang, M.; Zhou, Z.; Gou, J.; Hui, D. 3D printing of polymer matrix composites: A review and prospective. Compos. Part B Eng. 2017, 110, 442–458. [Google Scholar] [CrossRef]
- Gonçalves, C.; Gonçalves, I.; Magalhães, F.; Moreira Pinto, A.D. Poly(lactic acid) Composites Containing Carbon-Based Nanomaterials: A Review. Polymers 2017, 9, 269. [Google Scholar] [CrossRef]
- Lasprilla, A.J.; Martinez, G.A.; Lunelli, B.H.; Jardini, A.L.; Maciel Filho, R. Poly-lactic acid synthesis for application in biomedical devices—A review. Biotechnol. Adv. 2012, 30, 321–328. [Google Scholar] [CrossRef]
- Chen, Z.; Appenzeller, J.; Knoch, J.; Lin, Y.M.; Avouris, P. The role of metal—nanotube contact in the performance of carbon nanotube field-effect transistors. Nano Lett. 2005, 5, 1497–1502. [Google Scholar] [CrossRef]
- Darchy, L.; Hanifi, N.; Vialla, F.; Voisin, C.; Bayle, P.A.; Genovese, L.; Celle, C.; Simonato, J.P.; Filoramo, A.; Derycke, V.; et al. A highly selective non-radical diazo coupling provides low cost semi-conducting carbon nanotubes. Carbon 2014, 66, 246–258. [Google Scholar] [CrossRef]
- Franklin, A.D.; Luisier, M.; Han, S.J.; Tulevski, G.; Breslin, C.M.; Gignac, L.; Lundstrom, M.S.; Haensch, W. Sub-10 nm carbon nanotube transistor. Nano Lett. 2012, 12, 758–762. [Google Scholar] [CrossRef]
- Zhou, C.; Zhao, J.; Ye, J.; Tange, M.; Zhang, X.; Xu, W.; Zhang, K.; Okazaki, T.; Cui, Z. Printed thin-film transistors and NO2 gas sensors based on sorted semiconducting carbon nanotubes by isoindigo-based copolymer. Carbon 2016, 108, 372–380. [Google Scholar] [CrossRef]
- Kuan, C.F.; Kuan, H.C.; Ma, C.C.M.; Chen, C.H. Mechanical and electrical properties of multi-wall carbon nanotube/poly(lactic acid) composites. J. Phys. Chem. Solids 2008, 69, 1395–1398. [Google Scholar] [CrossRef]
- Ceregatti, T.; Pecharki, P.; Pachekoski, W.M.; Becker, D.; Dalmolin, C. Electrical and thermal properties of PLA/CNT composite films. Rev. Matér. 2017, 22. [Google Scholar] [CrossRef]
- Raja, M.; Ryu, S.H.; Shanmugharaj, A.M. Thermal, mechanical and electroactive shape memory properties of polyurethane (PU)/poly (lactic acid) (PLA)/CNT nanocomposites. Eur. Polym. J. 2013, 49, 3492–3500. [Google Scholar] [CrossRef]
- Jouni, M.; Djurado, D.; Massardier, V.; Boiteux, G. A representative and comprehensive review of the electrical and thermal properties of polymer composites with carbon nanotube and other nanoparticle fillers. Polym. Int. 2017, 66, 1237–1251. [Google Scholar] [CrossRef]
- Ivanov, E.; Kotsilkova, R. Reinforcement Effects of Carbon Nanotubes in Polypropylene: Rheology, Structure, Thermal Stability, and Nano-, Micro-, and Macromechanical Properties. In Handbook of Nanoceramic and Nanocomposite Coatings and Materials; Elsevier: Amsterdam, The Netherlands, 2015; pp. 357–388. [Google Scholar]
- Kotsilkova, R.; Ivanov, E.; Todorov, P.; Petrova, I.; Volynets, N.; Paddubskaya, A.; Kuzhir, P.; Uglov, V.; Biró, I.; Kertész, K.; Márk, G.I. Mechanical and electromagnetic properties of 3D printed hot pressed nanocarbon/poly(lactic) acid thin films. J. Appl. Phys. 2017, 121, 064105. [Google Scholar] [CrossRef]
- Li, A.; Zhang, C.; Zhang, Y.F. Review: Thermal Conductivity of Graphene-Polymer Composites: Mechanisms, Properties, and Applications. Polymers 2017, 9, 437. [Google Scholar]
- Kotsilkova, R.; Todorov, P.; Ivanov, E.; Kaplas, T.; Svirko, Y.; Paddubskaya, A.; Kuzhir, P. Mechanical properties investigation of bilayer graphene/poly(methyl methacrylate) thin films at macro, micro and nanoscale. Carbon 2016, 100, 355–366. [Google Scholar] [CrossRef]
- Chrissafis, K.; Bikiaris, D. Review: Can nanoparticles really enhance thermal stability of polymers? Part I: An overview on thermal decomposition of addition polymers. Thermochim. Acta 2011, 523, 1–24. [Google Scholar] [CrossRef]
- Zhang, K.; Zhang, Y.; Wang, S. Effectively decoupling electrical and thermal conductivity of polymer composites. Carbon 2013, 65, 105–111. [Google Scholar] [CrossRef]
- Plesa, I.; Notingher, P.V.; Schlögl, S.; Sumereder, C.; Muhr, M. Review: Properties of Polymer Composites Used in High-Voltage Applications. Polymers 2016, 8, 173. [Google Scholar] [CrossRef]
- Szeluga, U.; Kumanek, B.; Trzebicka, B. Synergy in hybrid polymer/nanocarbon composites. A review. Compos. Part A Appl. Sci. Manuf. 2015, 73, 204–231. [Google Scholar] [CrossRef]
- Gnanasekaran, K.; Heijmans, T.; Bennekom, S.; Woldhuis, H.; Wijnia, S.; Friedrich, H. 3D printing of CNT- and graphene-based conductive polymer nanocomposites by fused deposition modelling. Appl. Mater. Today 2017, 9, 21–28. [Google Scholar] [CrossRef]
- Wei, X.; Li, D.; Jiang, W.; Gu, Z.; Wang, X.; Zhang, Z.; Sun, Z. 3D Printable Graphene Composite. Sci. Rep. 2017, 5, 11181. [Google Scholar] [CrossRef] [PubMed]
- Kennedy, Z.C.; Christ, J.; Evans, K.; Arey, B.W.; Sweet, L.E.; Warner, M.G.; Erikson, R.L.; Barrett, C.A. 3D-Printed Poly(vinylidene fluoride) Carbon Nanotube Composites as a Tuneable, Low-Cost Chemical Vapour Sensing Platform. Nanoscale 2017, 9, 5458–5466. [Google Scholar] [CrossRef] [PubMed]
- Al-Hariri, L.A.; Leonhardt, L.E.; Nowotarski, M.S.; Magi, J.; Chambliss, K.; Venzel, T.; Delekar, S.; Acquah, S. Carbon Nanotubes and Graphene as Additives in 3D Printing. In Carbon Nanotubes—Current Progress of Their Polymer Composites; InTech: London, UK, 2016; p. 1448. [Google Scholar]
- Srivastava, V.K. A Review on Advances in Rapid Prototype 3D Printing of Multi-Functional Applications. Sci. Technol. 2017, 7, 4–24. [Google Scholar]
- Szebényi, G.; Czigány, T.; Magyar, B.; Karger-Kocsis, J. 3D printing-assisted interphase engineering of polymer composites: Concept and feasibility. Express Polym. Lett. 2017, 11, 525–530. [Google Scholar] [CrossRef]
- Rahim, T.; Abdullah, A.; Akil, A.; Mohamad, D.; Rajion, Z.A. The improvement of mechanical and thermal properties of polyamide 12 3D printed parts by fused deposition modelling. Express Polym. Lett. 2017, 11, 963–982. [Google Scholar] [CrossRef]
- Lewicki, J.P.; Rodriguez, J.N.; Zhu, C.; Worsley, M.A.; Wu, A.S.; Kanarska, Y.; Horn, J.D.; Duoss, E.B.; Ortega, J.M.; Elmer, W.; et al. 3D-Printing of Meso-structurally Ordered Carbon Fiber/Polymer Composites with Unprecedented Orthotropic Physical Properties. Sci. Rep. 2017, 7, 43401. [Google Scholar] [CrossRef] [PubMed]
- Huang, X.; Qi, X.Y.; Boey, F.; Zhang, H. Graphene-based composites. Chem. Soc. Rev. 2012, 41, 666–686. [Google Scholar] [CrossRef] [PubMed]
- Lee, J.Y.; An, J.; Chua, C.K. Fundamentals and applications of 3D printing for novel materials. Appl. Mater. Today 2017, 7, 120–133. [Google Scholar] [CrossRef]
- Kim, H.; Abdala, A.A.; Macosko, C.W. Graphene/polymer nanocomposites. Macromolecules 2010, 43, 6515–6530. [Google Scholar] [CrossRef]
- Ferrari, A.C.; Meyer, J.C.; Scardaci, V.; Casiraghi, C.; Lazzeri, M.; Mauri, F.; Piscanec, S.; Jiang, D.; Novoselov, K.S.; Roth, S.; et al. Raman spectrum of graphene and graphene layers. Phys. Rev. Lett. 2006, 97, 187401. [Google Scholar] [CrossRef] [PubMed]
- Ferrari, A.C.; Basko, D.M. Raman spectroscopy as a versatile tool for studying the properties of graphene. Nat. Nanotechnol. 2013, 8, 235–246. [Google Scholar] [CrossRef]
- Auras, R.A.; Lim, L.T.; Selke, S.E.; Tsuji, H. Poly (Lactic Acid): Synthesis, Structures, Properties, Processing, and Applications; John Wiley & Sons: Hoboken, NJ, USA, 2011. [Google Scholar]
- Hao, Y.; Wang, Y.; Wang, L.; Ni, Z.; Wang, Z.; Wang, R.; Koo, C.K.; Shen, Z.; Thong, J.T.L. Probing Layer Number and Stacking Order Few-Layer Graphene by Raman Spectroscopy. Small 2010, 6, 195–200. [Google Scholar] [CrossRef] [PubMed]
- Bokobza, L.; Zhang, J. Raman spectroscopic characterization of multiwall carbon nanotubes and of composites. Express Polym. Lett. 2012, 6, 601–608. [Google Scholar] [CrossRef]
- Kurita, S.; Yoshimura, A.; Kawamoto, H.; Uchida, T.; Kojima, K.; Tachibana, M.; Molina-Morales, P.; Nakai, H. Raman spectra of carbon nanowalls grown by plasma-enhanced chemical vapor deposition. J. Appl. Phys. 2005, 97, 104320. [Google Scholar] [CrossRef]
- Rao, A.M.; Chen, J.; Richter, E.; Schlecht, U.; Eklund, P.C.; Haddon, R.C.; Venkateswaran, U.D.; Kwon, Y.K.; Tomanek, D. Effect of van der Waals interactions on the Raman modes in single walled carbon nanotubes. Phys. Rev. Lett. 2001, 86, 3895–3898. [Google Scholar] [CrossRef] [PubMed]
- Ivanov, E.; Kotsilkova, R.; Krusteva, E. Effect of processing on rheological properties and structure development of EPOXY/MWCNT nanocomposites. J. Nanopart. Res. 2011, 13, 3393–3403. [Google Scholar] [CrossRef]
- Safdari, M.; Al-Haik, M.S. Synergistic Electrical and Thermal Transport Properties of Hybrid Polymeric Nanocomposites Based on Carbon Nanotubes and Graphite Nanoplatelets. Carbon 2013, 64, 111–121. [Google Scholar] [CrossRef]
- Yang, W.P.; Macosko, C.W.; Wellinghoff, S.T. Thermal Degradation of Urethanes Based on 4,4′-Diphenylmethane Diisocyanate and 1,4-Butanediol (MDI/BDO). Polymer 1986, 27, 1235–1240. [Google Scholar] [CrossRef]
- Olivier, C.; Moreau, C.; Bertoncini, P.; Bizot, H.; Chauvet, O.; Cathala, B. Cellulose Nanocrystal-Assisted Dispersion of Luminescent Single-Walled Carbon Nanotubes for Layer-By-Layer Assembled Hybrid Thin Films. Langmuir 2012, 28, 12463–12471. [Google Scholar] [CrossRef] [PubMed]
- Yue, L.; Pircheraghi, G.; Monemian, S.A.; Manas-Zloczower, I. Epoxy Composites with Carbon Nanotubes and Graphene Nanoplatelets—Dispersion and Synergy Effects. Carbon 2014, 78, 268–278. [Google Scholar] [CrossRef]
- Pedrazzoli, D.; Manas-Zloczower, I. Understanding the Phase Separation and Morphology in the Thermoplastic Polyurethanes Nanocomposites. Polymer 2016, 90, 256–263. [Google Scholar] [CrossRef]
- Batakliev, T.; Georgiev, V.; Ivanov, E.; Kotsilkova, R.; Di Maio, R.; Silvestre, C.; Cimmino, S. Nanoindentation analysis of 3D printed poly(lactic acid)-based composites reinforced with graphene and multiwall carbon nanotubes. J. Appl. Polym. Sci. 2018, 136, 47260. [Google Scholar] [CrossRef]
- Rossinsky, E.; Müllerplathe, F. Anisotropy of the thermal conductivity in a crystalline polymer: Reverse nonequilibrium molecular dynamics simulation of the delta phase of syndiotactic polystyrene. J. Chem. Phys. 2009, 130, 134905. [Google Scholar] [CrossRef] [PubMed]
- Choy, C.L.; Greig, D. The low-temperature thermal conductivity of a semi-crystalline polymer, polyethylene terephthalate. J. Phys. C Solid State Phys. 1975, 8, 3121–3130. [Google Scholar] [CrossRef]
- Choy, C.L.; Chen, F.C.; Luk, W.H. Thermal conductivity of oriented crystalline polymers. J. Polym. Phys. 1980, 18, 1187–1207. [Google Scholar] [CrossRef]
- Lee, J.H.; Koh, C.Y.; Singer, J.P.; Jeon, S.J.; Maldovan, M.; Stein, O.; Thomas, E.L. 25th anniversary article: Ordered polymer structures for the engineering of photons and phonons. Adv. Mater. 2014, 26, 532–569. [Google Scholar] [CrossRef] [PubMed]
- Ivanova, R.; Kotsilkova, R. Rheological study of poly(lactic) acid nanocomposites with carbon nanotubes and graphene additives as a tool for materials characterization for 3D printing application. Appl. Rheol. 2018, 28, 54014. [Google Scholar]
- Kotsilkov, S.; Ivanov, E.; Vitanov, N.K. Release of Graphene and Carbon Nanotubes from Biodegradable Poly(Lactic Acid) Films during Degradation and Combustion: Risk Associated with the End-of-Life of Nanocomposite Food Packaging Materials. Materials 2018, 11, 2346. [Google Scholar] [CrossRef] [PubMed]
- Velichkova, H.; Petrova, I.; Kotsilkov, S.; Ivanov, E.; Vitanov, N.K.; Kotsilkova, R. Influence of polymer swelling and dissolution into food simulants on the release of graphene nanoplates and carbon nanotubes from poly(lactic) acid and polypropylene composite films. J. Appl. Polym. Sci. 2017, 134, 45469. [Google Scholar] [CrossRef]
- Velichkova, H.; Kotsilkov, S.; Ivanov, E.; Kotsilkova, R.; Gyoshev, S.; Stoimenov, N.; Vitanov, N.K. Release of carbon nanoparticles of different size and shape from nanocomposite poly (lactic) acid film into food simulants. Food Addit. Contam. Part A 2017, 34, 1072–1085. [Google Scholar] [CrossRef] [PubMed]








| Composition Code (wt.%) | GNP Content (wt.%) | MWCNT Content (wt.%) | PLA Content (wt.%) | Name |
|---|---|---|---|---|
| PLA | - | - | 100 | referent |
| PLA/1.5% GNP | 1.5 | - | 98.5 | mono-filler |
| PLA/3% GNP | 3 | - | 97 | mono-filler |
| PLA/6% GNP | 6 | - | 94 | mono-filler |
| PLA/1.5% MWCNT | - | 1.5 | 98.5 | mono-filler |
| PLA/3% MWCNT | - | 3 | 97 | mono-filler |
| PLA/6% MWCNT | - | 6 | 94 | mono-filler |
| PLA/1.5% GNP/1.5% MWCNT | 1.5 | 1.5 | 97 | bi-filler |
| PLA/1.5% GNP/4.5% MWCNT | 1.5 | 4.5 | 94 | bi-filler |
| PLA/3% GNP/3% MWCNT | 3 | 3 | 94 | bi-filler |
| PLA/4.5% GNP/1.5% MWCNT | 4.5 | 1.5 | 94 | bi-filler |
| Composition Code | FWHM (cm−1) |
|---|---|
| PLA/1.5% GNP | 96 |
| PLA/6% GNP | 79 |
| PLA/1.5% MWCNT | 96 |
| PLA/6% MWCNT | 90 |
| Composition Code (wt.%) | Electrical Conductivity (S/m) | Thermal Conductivity (W/mK) | Thermal Diffusivity (mm2/s) |
|---|---|---|---|
| PLA | 7.3 × 10−10 (±3.39 × 10−10) | 0.205 (±0.0045) | 0.154 (±0.0002) |
| PLA/1.5% GNP | 2.51 × 10−8 (±1.48 × 10−9) | 0.2695 (±0.014) | 0.245 (±0.0001) |
| PLA/3% GNP | 9.9 × 10−8 (2.97 × 10−8) | 0.3748 (±0.0011) | 0.3079 (±0.0002) |
| PLA/6% GNP | 0.00835 (±0.00233) | 0.577 (±0.0151) | 0.485 (±0.0018) |
| PLA/1.5% MWCNT | 1.4 × 10−8 (±2.83 × 10−9) | 0.2275 (±0.0026) | 0.1887 (±0.0001) |
| PLA/3% MWCNT | 7.86 × 10−4 (±4.86 × 10−4) | 0.2612 (±0.0026) | 0.1859 (±0.0001) |
| PLA/6% MWCNT | 0.021 (0.00707) | 0.303 (±9.9.10-4) | 0.221 (±8.7 × 10−4) |
| PLA/1.5% GNP/1.5% MWCNT | 5.4 × 10−7 (±7.07 × 10−8) | 0.3013 (±0.0071) | 0.2339 (±0.0002) |
| PLA/1.5% GNP/4.5% MWCNT | 0.0585 (±0.0318) | 0.3779 (±0.0031) | 0.2551 (±0.0001) |
| PLA/3% GNP/3% MWCNT | 0.036 (±0.0112) | 0.4253 (±0.0213) | 0.3138 (±0.002) |
| PLA/4.5% GNP/1.5% MWCNT | 0.00244 (±8.56 × 10−4) | 0.4692 (±0.0228) | 0.3971 (±0.005) |
© 2019 by the authors. Licensee MDPI, Basel, Switzerland. This article is an open access article distributed under the terms and conditions of the Creative Commons Attribution (CC BY) license (http://creativecommons.org/licenses/by/4.0/).
Share and Cite
Ivanov, E.; Kotsilkova, R.; Xia, H.; Chen, Y.; Donato, R.K.; Donato, K.; Godoy, A.P.; Di Maio, R.; Silvestre, C.; Cimmino, S.; et al. PLA/Graphene/MWCNT Composites with Improved Electrical and Thermal Properties Suitable for FDM 3D Printing Applications. Appl. Sci. 2019, 9, 1209. https://doi.org/10.3390/app9061209
Ivanov E, Kotsilkova R, Xia H, Chen Y, Donato RK, Donato K, Godoy AP, Di Maio R, Silvestre C, Cimmino S, et al. PLA/Graphene/MWCNT Composites with Improved Electrical and Thermal Properties Suitable for FDM 3D Printing Applications. Applied Sciences. 2019; 9(6):1209. https://doi.org/10.3390/app9061209
Chicago/Turabian StyleIvanov, Evgeni, Rumiana Kotsilkova, Hesheng Xia, Yinghong Chen, Ricardo K. Donato, Katarzyna Donato, Anna Paula Godoy, Rosa Di Maio, Clara Silvestre, Sossio Cimmino, and et al. 2019. "PLA/Graphene/MWCNT Composites with Improved Electrical and Thermal Properties Suitable for FDM 3D Printing Applications" Applied Sciences 9, no. 6: 1209. https://doi.org/10.3390/app9061209
APA StyleIvanov, E., Kotsilkova, R., Xia, H., Chen, Y., Donato, R. K., Donato, K., Godoy, A. P., Di Maio, R., Silvestre, C., Cimmino, S., & Angelov, V. (2019). PLA/Graphene/MWCNT Composites with Improved Electrical and Thermal Properties Suitable for FDM 3D Printing Applications. Applied Sciences, 9(6), 1209. https://doi.org/10.3390/app9061209

