Enhanced Pathological Element-Based Symbolic Nodal Analysis
Abstract
:1. Introduction
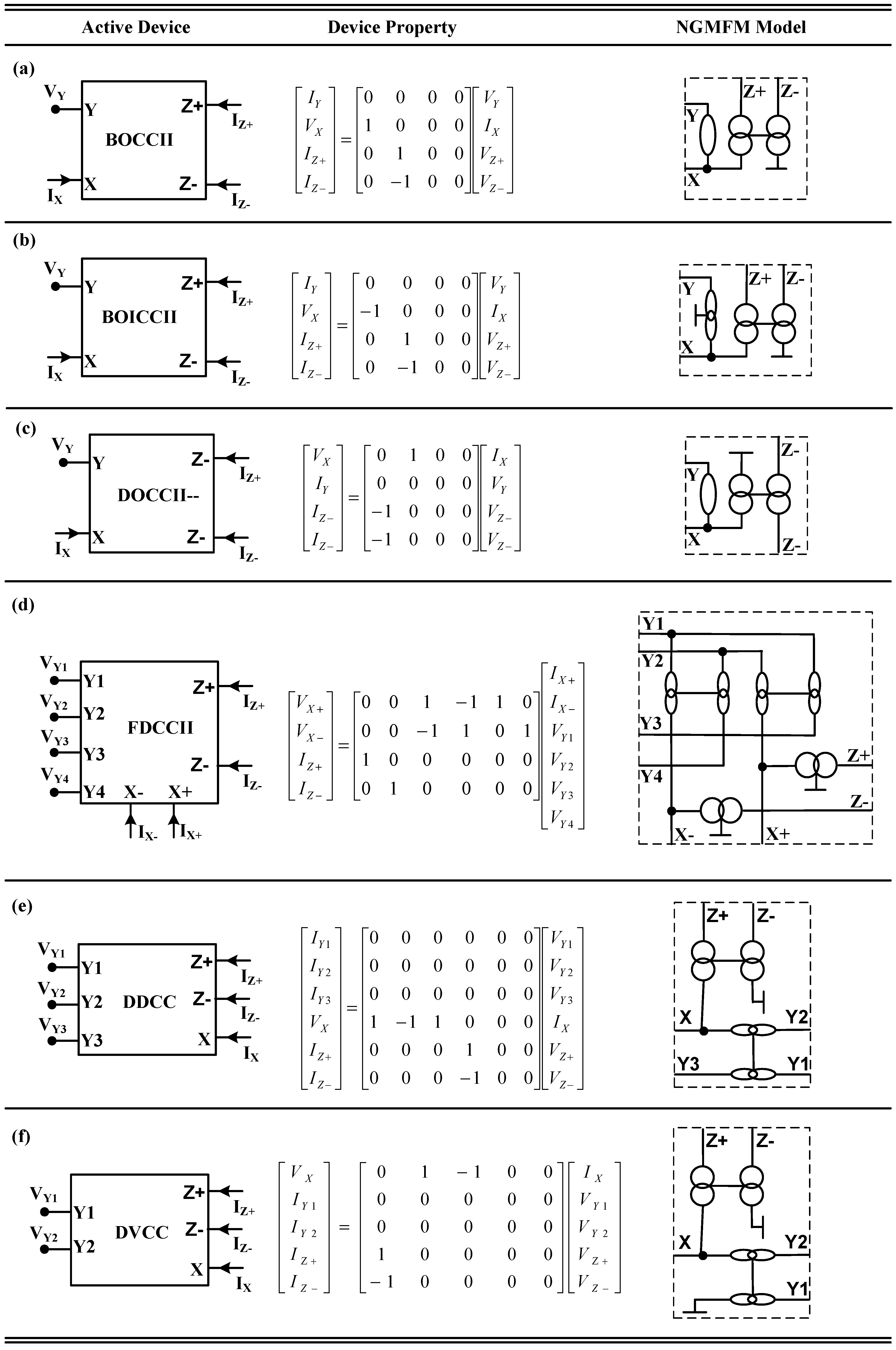
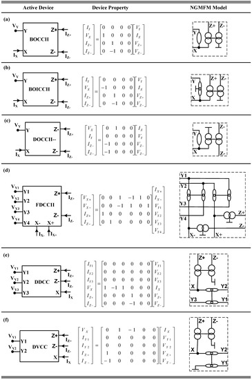
2. Pathological Section-Based Active Device Model
3. Symbolic NA of RLC-NGMFM Network
- Step 1:
- For the symbolic NA of an arbitrary interconnection of RLC–NGMFM networks with (N + 1) nodes (excluding the reference nodes between two mirror elements since we do not particularly wish to know the voltages of these reference nodes), select a ground node and label all other nodes from 1 to N. Mark the directions of current flow through each of norators, CMs, current replication cells and input voltage signal sources to build nodal equations.
- Step 2:
- Write the nodal admittance equations for each labeled node in matrix form asI = {I1, I2, …, IN}’, where the ith component Ii is defined as the sum of the currents flowing into the ith node from the independent current sources, input voltage signal sources, norators, grounded CMs, or current replication cells. YN × N is the passive nodal admittance matrix. V is the unknown column vector {V1, V2,…, VN}’ of node voltages. It must be noted that the voltage of the node connected to input voltage signal source is regarded as an unknown voltage variable in this step.I = YN × N V
- Step 3:
- For a norator that is connected between nodes l and m, for example, add the equation in row m to the equation in row l and delete row m of the nodal equations. This involves adding the mth row of Y to the lth row of Y. If m is the ground node, simply delete row l of the nodal equations. The number of rows of the Y matrix is thereby reduced by one. This operation is the same as supernode. Since the characteristic of an input voltage signal source is similar to a grounded norator, the treatment of each input voltage signal source is the same as a grounded norator.
- Step 4:
- For a grounded CM that is connected between the nodes e and f, for example, subtract the equation in row e from the equation in row f and delete row e of the nodal equations. This involves subtracting the eth row of Y from the fth row of Y. If e is the ground node, simply delete row f of the nodal equations. A similar manipulation process can be applied to grounded two-output CM. For a grounded two-output CM connected between the nodes e, f and g (none is grounded), subtract the equation in row e from the equation in row f, and subtract the equation in row e from the equation in row g and delete row e of the nodal equations. If one of the three nodes is grounded, this grounded two-output CM can be regarded as a grounded CM connected between two ungrounded nodes. One grounded CM (or grounded two-output CM) incurs the deletion of one row of the Y matrix. This operation is based on the similar properties of a grounded CM and a norator.
- Step 5:
- For a nullator that is connected between the nodes p and q, for example, add the elements of column q to the elements of column p and delete column q of Y. The reason is that Vp = Vq so one unknown voltage variable can be omitted. If q is the ground node, simply delete column p of Y. The number of columns of the Y matrix is thereby reduced by one.
- Step 6:
- For a grounded VM that is connected between the nodes r and s, for example, subtract the elements of column s from the elements of column r and delete column s of Y. If s is the ground node, simply delete column r of Y. The number of columns of the Y matrix is thereby reduced by one. This operation is based on the similar properties of a grounded VM and a nullator.
- Step 7:
- For the differential voltage conveying cell in Figure 2b that is connected between the nodes w, x, y and z terminals, select the ungrounded node w, for example, then add the elements of column w to the elements of column x, add the elements of column w to the elements of column y and subtract the elements of column w from the elements of column z and then delete column w of Y. This operation is based on the voltage property (Vw = Vx + Vy − Vz) of the differential voltage conveying cell. For the differential voltage cell in Figure 2a with voltage property (Vw = Vx + Vy), the operation is similar to a differential voltage conveying cell except the discard of column z operation. It must be noted that each of floating VM sections incur the deletion of one column of Y matrix.
- Step 8:
- For the pathological current replication cell in Figure 2d that is connected between the nodes a, b, c and d terminals, for example, add the equation in row a to the equation in row b, add the equation in row a to the equation in row c, subtract the equation in row a from the equation in row d and delete row a of the nodal equations. The above operation is based on the current property (Ia = Id = -Ib = -Ic) of a current replication cell. A similar manipulation process can also be applied to the current replication cells in Figure 2c,e. It must be noted that each current replication cell in Figure 2c–e will incur the deletion of one row of Y matrix.
- Step 9:
- Move the terms of node voltages connected to input voltage signal sources in matrix V of (1) into matrix I of (1) since they are known variables. Then a square nodal admittance matrix can be obtained. The equations can be solved to obtain a unique solution for each unknown voltage variable.
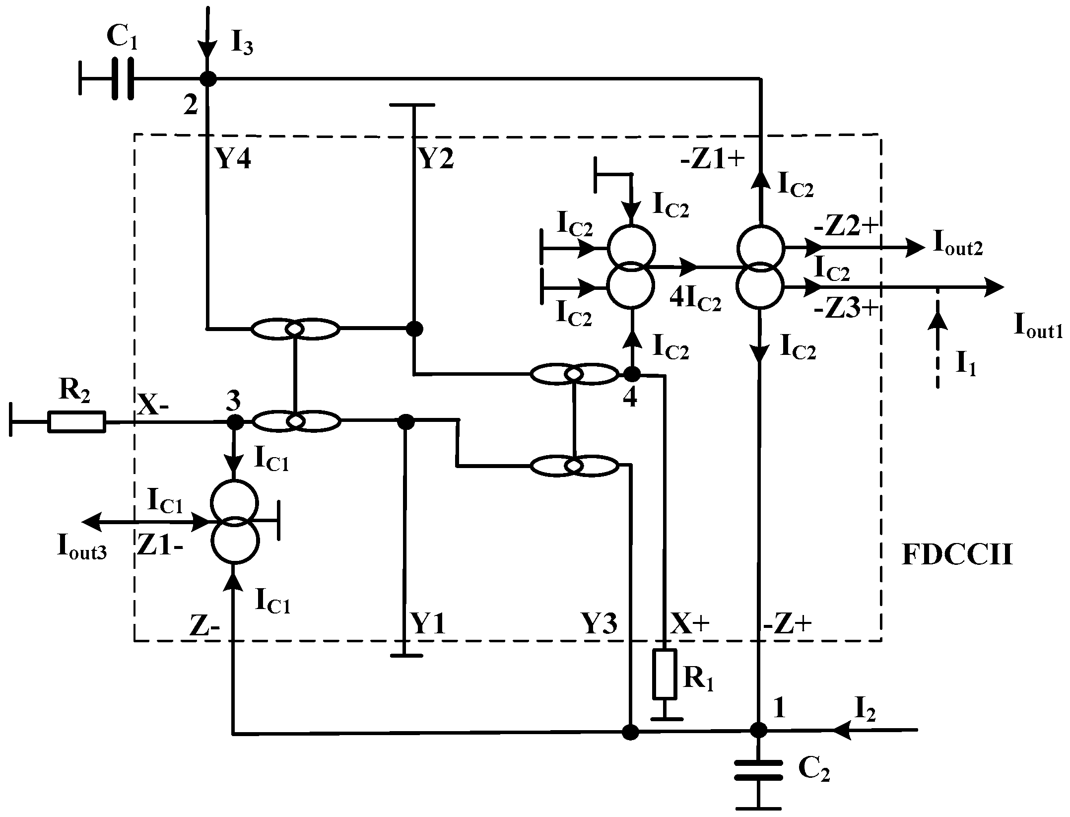
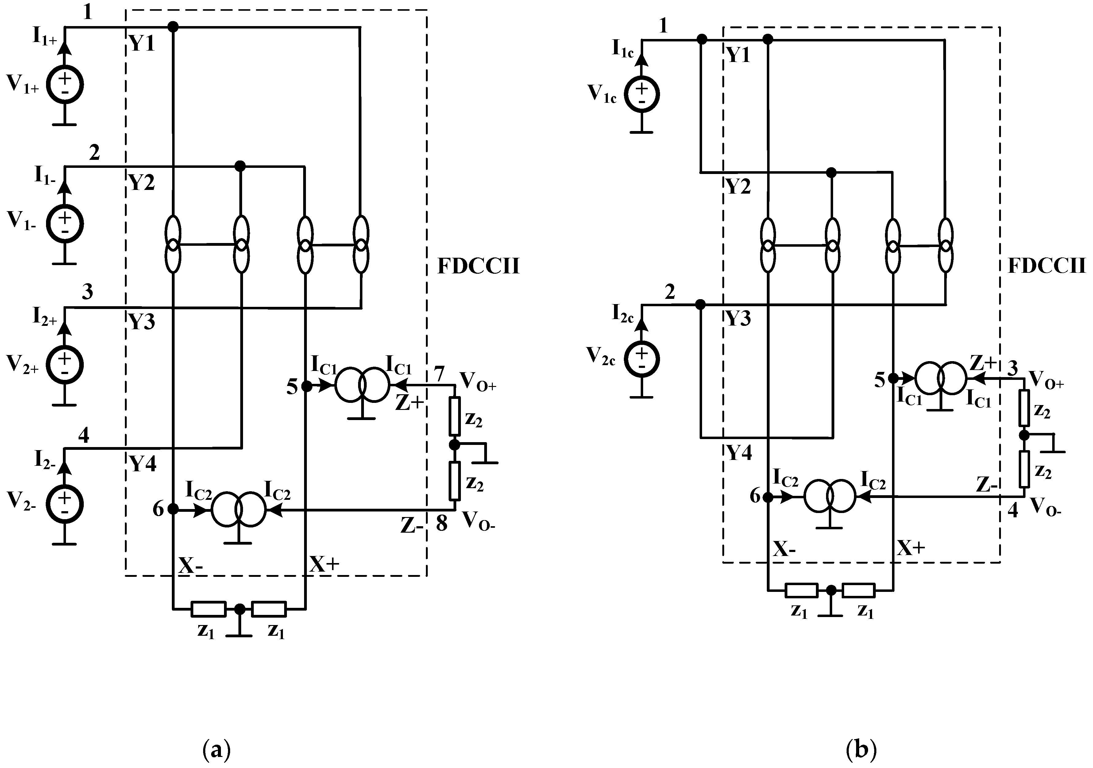
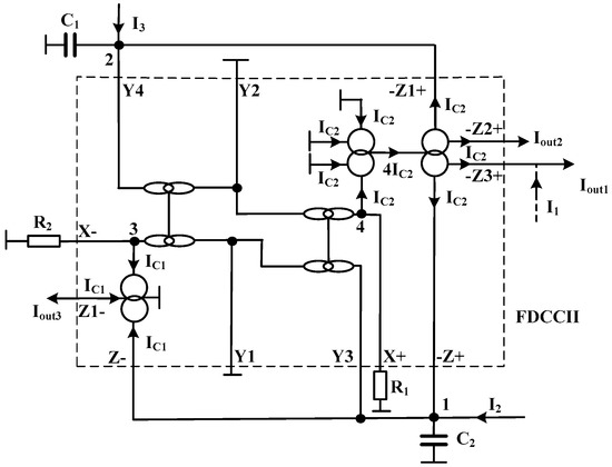
4. Application Examples
5. Conclusions
Author Contributions
Funding
Acknowledgments
Conflicts of Interest
References
- Tellegen, B.D.H. La recherche pour una série complète d’éléments de circuit ideaux nonlinéaires. Rend. Semin. Mat. Fis. Milano 1954, 25, 134–144. [Google Scholar] [CrossRef]
- Carlosena, A.; Moschytz, G.S. Nullators and norators in voltage to current mode transformations. Int. J. Circuit Theory Appl. 1993, 21, 421–424. [Google Scholar] [CrossRef]
- Kumar, P.; Senani, R. Bibliography on nullors and their applications in circuit analysis, synthesis and design. Anal. Integr. Circuits Signal Process. 2002, 33, 65–76. [Google Scholar] [CrossRef]
- Swamy, M.N.S. Transpose of a multiterminal element and applications. IEEE Trans. Circuits Syst. II 2010, 57, 696–700. [Google Scholar] [CrossRef]
- Mitra, S.K. Equivalent circuit of gyrators. Electron. Lett. 1967, 3, 333–334. [Google Scholar] [CrossRef]
- Mitra, S.K. Non-reciprocal negative impedance inverter. Electron. Lett. 1967, 3, 388. [Google Scholar] [CrossRef]
- Hashemian, R. Fixator-norator pairs vs direct analytical tools in performing analog circuit designs. IEEE Trans. Circuits Syst. II Exp. Briefs 2014, 61, 569–573. [Google Scholar] [CrossRef]
- Papazoglou, C.A.; Karybakas, C.A. A transformation to obtain CCII-based adjoint of op.-amp.-based circuits. IEEE Trans. Circuits Syst. II 1998, 45, 894–898. [Google Scholar] [CrossRef]
- Svoboda, J.A. Using nullors to analyse linear networks. Int. J. Circuit Theory Appl. 1986, 14, 169–180. [Google Scholar] [CrossRef]
- Soliman, A.M. The inverting second generation current conveyors as universal building blocks. AEU Int. J. Electron. Commun. 2008, 62, 114–121. [Google Scholar] [CrossRef]
- Leuciuc, A. Using nullors for realisation of inverse transfer functions and characteristics. Electron. Lett. 1997, 33, 949–951. [Google Scholar] [CrossRef]
- Floberg, H. Symbolic Analysis in Analog Integrated Circuit Design; Kluwer Academic: Boston, MA, USA, 1997. [Google Scholar]
- Chipipop, B.; Surakampontorn, W. Realisation of current-mode FTFN-based inverse filter. Electron. Lett. 1999, 35, 690–692. [Google Scholar] [CrossRef]
- Awad, I.A.; Soliman, A.M. Inverting second generation current conveyors: The missing building blocks, CMOS realizations and applications. Int. J. Electron. 1999, 86, 413–432. [Google Scholar] [CrossRef]
- Saad, R.A.; Soliman, A.M. A new approach for using the pathological mirror elements in the ideal representation of active devices. Int. J. Circuit Theory Appl. 2010, 38, 148–178. [Google Scholar] [CrossRef]
- Soliman, A.M. On the DVCC and the BOCCII as adjoint elements. J. Circuits Syst. Comput. 2009, 18, 1017–1032. [Google Scholar] [CrossRef]
- Soliman, A.M. Pathological representation of the two-output CCII and ICCII family and application. Int. J. Circuit Theory Appl. 2011, 39, 589–606. [Google Scholar] [CrossRef]
- Huang, W.C.; Wang, H.Y.; Cheng, P.S.; Lin, Y.C. Nullor equivalents of active devices for symbolic circuit analysis. Circuits Syst. Signal Process. 2012, 31, 865–875. [Google Scholar] [CrossRef]
- Tan, L.; Liu, K.; Bai, Y.; Teng, J. Construction of CDBA and CDTA behavioral models and the applications in symbolic circuit analysis. Anal. Integr. Circuits Signal Process. 2013, 75, 517–523. [Google Scholar] [CrossRef]
- Wang, H.Y.; Huang, W.C.; Chiang, N.H. Symbolic nodal analysis of circuits using pathological elements. IEEE Trans. Circuits Syst. II 2010, 57, 874–877. [Google Scholar] [CrossRef]
- Sanchez-Lopez, C.; Fernandez, F.V.; Tlelo-Cuautle, E.; Tan, S.X.D. Pathological element-based active device models and their application to symbolic analysis. IEEE Trans. Circuits Syst. I 2011, 58, 1382–1395. [Google Scholar] [CrossRef]
- Davies, A.C. Matrix analysis of networks containing nullators and norators. Electron. Lett. 1966, 2, 48–49. [Google Scholar] [CrossRef]
- Sanchez-Lopez, C. Pathological equivalents of fully-differential active devices for symbolic nodal analysis. IEEE Trans. Circuits Syst. I 2013, 60, 603–615. [Google Scholar] [CrossRef]
- Wang, H.Y.; Chang, S.H.; Chiang, N.H.; Nguyen, Q.M. Symbolic analysis using floating pathological elements. In Genetic and Evolutionary Computing; Springer: Cham, Switzerland, 2013; pp. 379–387. [Google Scholar]
- Chang, C.M.; Al-Hashimi, B.M.; Wang, C.L.; Hung, C.W. Single fully differential current conveyor biquad filters. IEE Proc. Circuits Devices Syst. 2003, 150, 394–398. [Google Scholar] [CrossRef]
- Ibrahim, M.A.; Kuntman, H.; Cicekoglu, O. New second-order low-pass, high-pass and band-pass filters employing minimum number of active and passive elements. In Proceedings of the International Symposium on Signals, Circuits and Systems, Iasi, Romania, 10–11 July 2003; pp. 557–560. [Google Scholar]
- El-Adawy, A.A.; Soliman, A.M.; Elwan, H.O. A novel fully differential current conveyor and applications for analog VLSI. IEEE Trans. Circuits Syst. II 2000, 47, 306–313. [Google Scholar] [CrossRef]






© 2018 by the authors. Licensee MDPI, Basel, Switzerland. This article is an open access article distributed under the terms and conditions of the Creative Commons Attribution (CC BY) license (http://creativecommons.org/licenses/by/4.0/).
Share and Cite
Sujito; Tran, H.-D.; Lin, Y.-L.; Pham, C.C.; Wang, H.-Y.; Chang, S.-H. Enhanced Pathological Element-Based Symbolic Nodal Analysis. Appl. Sci. 2019, 9, 93. https://doi.org/10.3390/app9010093
Sujito, Tran H-D, Lin Y-L, Pham CC, Wang H-Y, Chang S-H. Enhanced Pathological Element-Based Symbolic Nodal Analysis. Applied Sciences. 2019; 9(1):93. https://doi.org/10.3390/app9010093
Chicago/Turabian StyleSujito, Huu-Duy Tran, Yueh-Ling Lin, Cong Chuan Pham, Hung-Yu Wang, and Shun-Hsyung Chang. 2019. "Enhanced Pathological Element-Based Symbolic Nodal Analysis" Applied Sciences 9, no. 1: 93. https://doi.org/10.3390/app9010093
APA StyleSujito, Tran, H.-D., Lin, Y.-L., Pham, C. C., Wang, H.-Y., & Chang, S.-H. (2019). Enhanced Pathological Element-Based Symbolic Nodal Analysis. Applied Sciences, 9(1), 93. https://doi.org/10.3390/app9010093
