High-Efficiency Digital Filters for Spectral Parameter Approximation in SDR
Abstract
1. Introduction
2. Review of Methods for Designing Reconfigurable Digital Filters
2.1. Examination of the SPA Technique
- H(ω,ωc) is the overall frequency response of the variable filter;
- ω denotes angular frequency;
- ωc is the cutoff frequency control parameter;
- Hi(ω) represents the response of the ith subfilter;
- Wi(ωc) are cutoff-dependent weighting functions;
- S indicates the interpolation order;
- i is the stage index.
- hi,k(ωc) denotes the kth impulse response coefficient of the ith subfilter parameterized by the cutoff frequency ωc;
- akj(i) represents the fixed polynomial coefficient associated with the jth power term of the kth tap in the ith stage;
- ωc is the cutoff frequency control parameter;
- S is the polynomial approximation order;
- i is the subfilter stage index;
- k is the tap index;
- j is the polynomial term index.
- V is the Vandermonde matrix employed in least-squares polynomial fitting;
- xi denotes the ith sampled cutoff frequency value used to construct the approximation grid, vij = xij represents the matrix element at row i and column j;
- S is the polynomial order;
- i,j = 0, 1,…, S indicate the matrix indices.
- V is the Vandermonde matrix;
- y is the target data;
- a is the vector of polynomial coefficients.
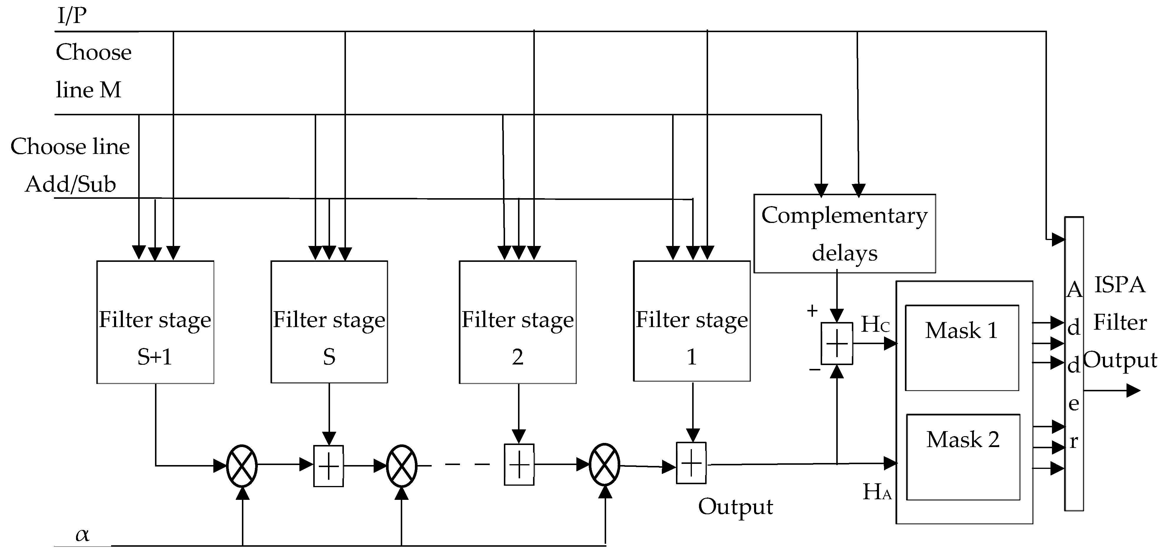
2.2. Examination of the ISPA Approach
3. Suggested FIR Filter Based on Single-Channel MAC
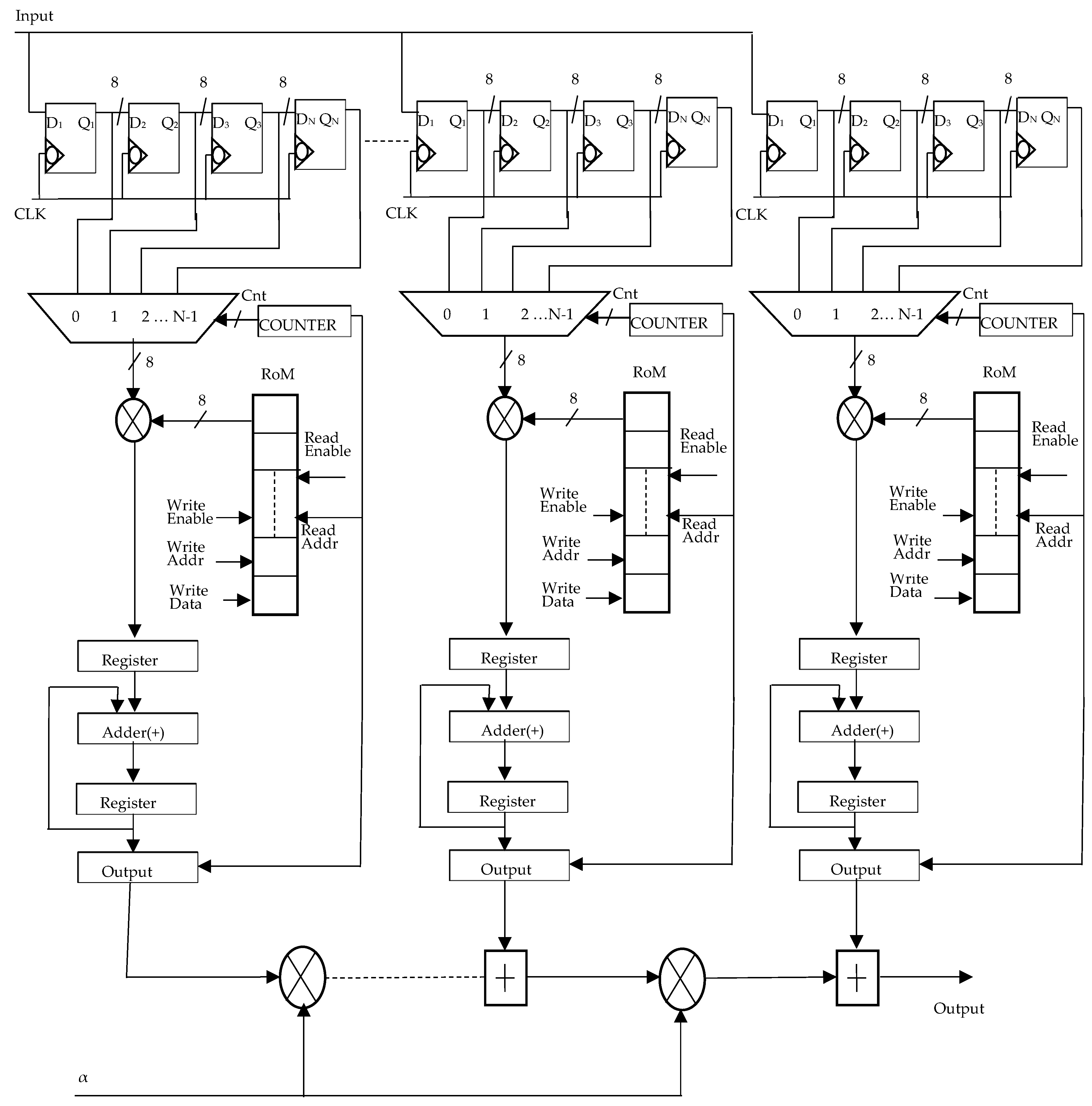
3.1. Effective FIR Filter Design Using One MAC Unit-Based SPA Method
| Algorithm 1: Time–Multiplexed MAC–Based SPA FIR Filter. |
| 1: Input: x[n], coefficient matrix h[S][N], interpolation index μ 2: Output: y[n] 3: Initialize: 4: acc ← 0 5: tap_idx ← 0 6: sub_idx ← μ 7: for each clock cycle do 8: acc ← acc + h[sub_idx][tap_idx] × x_shift[tap_idx] 9: if tap_idx == N − 1 then 10: tap_idx ← 0 11: if sub_idx == S − 1 then 12: y_out ← acc 13: y_valid ← 1 14: acc ← 0 15: sub_idx ← μ 16: else 17: sub_idx ← sub_idx + 1 18: end if 19: else 20: tap_idx ← tap_idx + 1 21: end if 22: end for |
3.2. Effective FIR Filter Structure of ISPA Based on One MAC Unit
4. Results of the Experiment
4.1. Results of the Synthesis for a Single-MAC-Based SPA Method
4.2. Synthesis Results for an ISPA Approach Based on a Single MAC
5. Conclusions
Author Contributions
Funding
Institutional Review Board Statement
Informed Consent Statement
Data Availability Statement
Conflicts of Interest
References
- Solla, T.; Vainio, O. Comparison of programmable FIR filter architectures for low power. Proc. Eur. Solid-State Circuits Conf. 2002, 28, 759–762. [Google Scholar]
- Chen, K.H.; Chiueh, T.D. A low-power digit-based reconfigurable FIR filter. IEEE Trans. Circuits Syst. II 2006, 53, 617–621. [Google Scholar] [CrossRef]
- Deng, T.B. Weighted least-squares method for designing arbitrarily variable 1-D FIR digital filters. Signal Process. 2000, 4, 597–613. [Google Scholar] [CrossRef]
- Pun, C.K.S.; Chan, S.C.; Yeung, K.S.; Ho, K.L. On the design and implementation of FIR and IIR digital filters with variable frequency characteristics. IEEE Trans. Circuits Syst. II 2002, 49, 689–703. [Google Scholar] [CrossRef]
- Kidambi, S.S. An efficient closed-form approach to the design of linear-phase FIR digital filters with variable bandwidth characteristics. Signal Process. 2005, 86, 1656–1669. [Google Scholar] [CrossRef]
- Kumar, A.; Suman, S.; Singh, G.K. A new closed form method for variable bandwidth linear phase FIR filter using different polynomials. AEU Int. J. Electron. Commun. 2014, 68, 351–360. [Google Scholar] [CrossRef]
- Tsui, K.M.; Yeung, K.S.; Chan, S.C.; Tse, K.W. On the minimax design of passband linear-phase variable digital filters using semidefinite programming. IEEE Signal Process. Lett. 2004, 11, 867–870. [Google Scholar] [CrossRef]
- Lowenborg, P.; Johansson, H. Minimax design of adjustable bandwidth linear-phase FIR filters. IEEE Trans. Circuits Syst. I 2006, 53, 431–439. [Google Scholar] [CrossRef]
- Chenchi, L.; McClellan, J.H. Adjustable bandwidth filter design with generalized Farrow structure. In Proceedings of the IEEE International Conference on Acoustics, Speech and Signal Processing, Prague, Czech Republic, 22–27 May 2011; pp. 4364–4367. [Google Scholar]
- Dumitrescu, B.; Sicleru, B.C.; Stefan, R. Minimax design of adjustable FIR filters using 2D polynomial methods. In Proceedings of the IEEE International Conference on Acoustics, Speech and Signal Processing, Taipei, Taiwan, 19–24 April 2009; pp. 3181–3184. [Google Scholar]
- Harris, D. Computationally Efficient Variable Linear-Phase Filters. Master’s Thesis, University of Miami, Coral Gables, FL, USA, 2007. [Google Scholar]
- Darak, S.; Vinod, A.P.; Lai, E.M.-K.; Zhang, H.; Palicot, J. Linear-phase VDF design with unabridged bandwidth control over the Nyquist band. IEEE Trans. Circuits Syst. II Express Briefs 2014, 61, 428–432. [Google Scholar] [CrossRef]
- Dhabu, S.; Darak, S.; Vinod, A.P.; Palicot, J. Design of low complexity variable digital filter with large cutoff frequency range based on second order frequency transformation and interpolation. In Proceedings of the 31st URSI General Assembly and Scientific Symposium, Beijing, China, 16–23 August 2014. [Google Scholar]
- Pitchaiah, T.; Sridevi, P.V. Design and FPGA implementation of variable FIR filters using the spectral parameter approximation and time-domain approach. Int. J. Future Revolut. Comput. Sci. Commun. Eng. 2018, 4, 338–342. [Google Scholar]
- Eddla, A.; Jayasree Pappu, V.Y. Low area FPGA implementation of FIR filter with optimal designs using Parks–McClellan. Int. J. Adv. Res. Eng. Technol. 2020, 11, 1219–1234. [Google Scholar]
- Johansson, H.; Gustafsson, O.; Johansson, K.; Vanhammar, L. Adjustable fractional-delay FIR filters using the Farrow structure and multirate techniques. In Proceedings of the 2006 IEEE Asia Pacific Conference on Circuits and Systems (APCCAS), Singapore, 4–7 December 2006; IEEE: Piscataway, NJ, USA, 2006. [Google Scholar]
- Meher, P.K.; Chandrasekaran, S.; Amira, A. FPGA realization of FIR filters by efficient and flexible systolization using distributed arithmetic. IEEE Trans. Signal Process. 2008, 56, 3009–3017. [Google Scholar] [CrossRef]
- Bose, S.; De, A.; Chakrabarti, I. Area-delay-power efficient VLSI architecture of FIR filter for processing seismic signal. IEEE Trans. Circuits Syst. II Express Briefs 2021, 68, 3451–3455. [Google Scholar] [CrossRef]
- Vaithiyanathan, D.; James, B.P.; Mariammal, K. Comparative study of single MAC FIR filter architectures with different multiplication techniques. In Proceedings of the 2023 Second International Conference on Electrical, Electronics, Information and Communication Technologies (ICEEICT), Tiruchirappalli, India, 5–7 April 2023; IEEE: Piscataway, NJ, USA, 2023. [Google Scholar]
- Pari, B.; Vaithiyanathan, D. An efficient multichannel FIR filter architecture for FPGA and ASIC realizations. Int. J. Appl. Eng. Res. 2017, 12, 2209–2220. [Google Scholar]
- Ezilarasan, M.R.; Pari, J.B.; Leung, M.-F. High-performance FPGA implementation of single MAC adaptive filter for independent component analysis. J. Circuits Syst. Comput. 2023, 32, 2350294. [Google Scholar] [CrossRef]
- Dhabu, S.; Vinod, A.P. Design and FPGA implementation of reconfigurable linear phase digital filter with wide cutoff frequency range and narrow transition bandwidth. IEEE Trans. Circuits Syst. II Express Briefs 2015, 62, 1152–1156. [Google Scholar] [CrossRef]
- Khan, A.H.; Cao, X.; Luo, C.; Zhang, S.; Guo, W.; Katsikis, V.N.; Li, S. Spiking neural networks: A comprehensive survey of training methodologies, hardware implementations and applications. Artif. Intell. Sci. Eng. 2025, 1, 175–207. [Google Scholar] [CrossRef]
- Shan, H.; Wei, C.; Yang, X.; Guo, C.; Li, H.; Chen, Y.; Zhou, M. Neuromorphic computing in the era of large models. Artif. Intell. Sci. Eng. 2025, 1, 17–30. [Google Scholar] [CrossRef]
- Maamoun, M.; Hassani, A.; Dahmani, S.; Ait Saadi, H.; Zerari, G.; Chabini, N.; Beguenane, R. Efficient FPGA-based architecture for high-order FIR filtering using simultaneous DSP and LUT reduced utilization. IET Circuits Devices Syst. 2021, 15, 475–484. [Google Scholar] [CrossRef]
- Datta, D.; Dutta, H.S. High efficient half-band decimation filter on FPGA. Trans. Indian Natl. Acad. Eng. 2023, 8, 317–323. [Google Scholar] [CrossRef]










| Method | Principle | Strengths | Limitations |
|---|---|---|---|
| SPA | Spectral parameter approximation using polynomial expansion | Wide tuning range, sharp transitions | Parallel complexity, high DSP usage |
| ISPA | Interpolated SPA with masking filters | Full Nyquist range, improved selectivity | Increased filter stages, high area |
| ISFT | Spectral frequency transformation | Reduced multipliers | Limited tuning resolution, distortion |
| MCDM | Modified coefficient decimation | Lower coefficient storage | Spectral replicas, limited fc range |
| Proposed MAC-SPA/MAC-ISPA | Time-multiplexed MAC realization of SPA/ISPA | Ultra-low DSP, low power, high scalability | Slight increase in latency (acceptable in SDR) |
| Design | DSPs | LUTs | Power | Tunability | Scalability |
|---|---|---|---|---|---|
| Farrow FIR | Very High | Very High | High | Excellent | Poor |
| Parallel SPA | Extremely High | Extremely High | Very High | Excellent | Poor |
| ISPA-PM FIR | High | High | High | Very Good | Moderate |
| MCDM | Low | Moderate | Moderate | Limited | Good |
| Proposed MAC-SPA/MAC-ISPA | 1 DSP | Very Low | Very Low | Excellent | Excellent |
| Design | LUTs | FFs | DSP48E1 | BRAM | fmax (MHz) | Power (mW) | Power Reduction |
|---|---|---|---|---|---|---|---|
| Proposed MAC-SPA | 3800 | 5200 | 1 | 2 | 260 | 210 | - |
| ISPA-PM FIR [15] | 18,000 | 12,000 | 120 | 6 | 210 | 820 | 74.4% ↓ |
| Farrow SPA FIR [14] | 38,000 | 24,500 | 960 | 0 | 180 | 1450 | 85.5% ↓ |
| DSP-LUT Hybrid FIR [25] | 9200 | 7800 | 32 | 3 | 240 | 420 | 50.0% ↓ |
| CSD-based FIR [26] | 6500 | 6200 | 24 | 2 | 230 | 350 | 40.0% ↓ |
| Multiplier Count | Group Delay (in Samples) | |
|---|---|---|
| Suggested MAC SPA filter | 21 | 10 |
| ISPA filter [22] | 610 | 360 |
| ISFT filter [13] | 188 (−69%) | 600 (+67%) |
| SPA-MCDM filter [12] | 1435 (+135%) | 69 (−81%) |
| Occupied Slices Count | Post-PAR Minimum Period (in ns) | Post-PAR Maximum Operating Speed (in MHz) | Group Delay (in Samples) | ||
|---|---|---|---|---|---|
| Suggested MAC SPA filter | 43,179 | 3.299 | 303.14 | 10 | |
| ISPA filter [22] | 66,593 | 10.706 | 93.406 | 376 | |
| ISFT filter [13] | 56,189 (−16%) | 12.752 | 78.419 | 699 (+86%) | |
| Variable- coefficient filter [1] | (cutoff frequency resolution of 0.000089) | 46,385 (−30%) | 2.988 | 334.672 | 66 (−82%) |
| (cutoff frequency resolution of 0.000054) | 61,807 (−7%) | 5.203 | 192.197 | ||
| Design | Passband Ripple (dB) | Stopband Attenuation (dB) | Transition BW |
|---|---|---|---|
| Farrow SPA FIR | 0.12 | 65 | Wide |
| ISPA-PM FIR | 0.08 | 72 | Medium |
| Proposed MAC-SPA FIR | 0.03 | 85 | Sharp |
| Design | LUTs | FFs | DSP48E1 | BRAM | fmax (MHz) | Power (mW) |
|---|---|---|---|---|---|---|
| Proposed MAC-ISPA | 4600 | 6800 | 1 | 3 | 270 | 240 |
| ISPA-PM FIR [15] | 18,000 | 12,000 | 120 | 4 | 210 | 820 |
| Farrow SPA FIR [14] | 38,000 | 24,500 | 960 | 0 | 180 | 1450 |
| Multiplier Count | Group Delay (in Samples) | |
|---|---|---|
| Suggested MAC ISPA filter | 25 | 12 |
| ISPA filter [22] | 610 | 360 |
| ISFT filter [13] | 188 (−69%) | 600 (+67%) |
| SPA-MCDM filter [12] | 1435 (+135%) | 69 (−81%) |
| Occupied Slices Count | Post-PAR Minimum Period (in ns) | Post-PAR Maximum Operating Speed (in MHz) | Group Delay (in Samples) | ||
|---|---|---|---|---|---|
| Suggested MAC ISPA filter | 44,179 | 3.47 | 288.18 | 12 | |
| ISPA filter [22] | 66,593 | 10.706 | 93.406 | 376 | |
| ISFT filter [13] | 56,189 (−16%) | 12.752 | 78.419 | 699 (+86%) | |
| Variable- coefficient filter [1] | (cutoff frequency resolution of 0.000089) | 46,385 (−30%) | 2.988 | 334.672 | 66 (−82%) |
| (cutoff frequency resolution of 0.000054) | 61,807 (−7%) | 5.203 | 192.197 | ||
| Design Architecture | Std-Cell Area (kGE) | Cell Area (mm2) | Timing (fmax) | Power (mW) | Energy/Output (pJ) |
|---|---|---|---|---|---|
| MAC-SPA 12 × 80 FIR (proposed) | 5.2 kGE | 0.035 mm2 | 350 MHz | 38 | 0.11 |
| ISPA-PM FIR [15] | 19.8 kGE | 0.134 mm2 | 280 MHz | 120 | 0.35 |
| Farrow SPA FIR [14] | 41.5 kGE | 0.282 mm2 | 230 MHz | 260 | 0.78 |
Disclaimer/Publisher’s Note: The statements, opinions and data contained in all publications are solely those of the individual author(s) and contributor(s) and not of MDPI and/or the editor(s). MDPI and/or the editor(s) disclaim responsibility for any injury to people or property resulting from any ideas, methods, instructions or products referred to in the content. |
© 2026 by the authors. Licensee MDPI, Basel, Switzerland. This article is an open access article distributed under the terms and conditions of the Creative Commons Attribution (CC BY) license.
Share and Cite
Arivalagan, S.; James, B.P.; Leung, M.-F. High-Efficiency Digital Filters for Spectral Parameter Approximation in SDR. Appl. Sci. 2026, 16, 3097. https://doi.org/10.3390/app16063097
Arivalagan S, James BP, Leung M-F. High-Efficiency Digital Filters for Spectral Parameter Approximation in SDR. Applied Sciences. 2026; 16(6):3097. https://doi.org/10.3390/app16063097
Chicago/Turabian StyleArivalagan, Subahar, Britto Pari James, and Man-Fai Leung. 2026. "High-Efficiency Digital Filters for Spectral Parameter Approximation in SDR" Applied Sciences 16, no. 6: 3097. https://doi.org/10.3390/app16063097
APA StyleArivalagan, S., James, B. P., & Leung, M.-F. (2026). High-Efficiency Digital Filters for Spectral Parameter Approximation in SDR. Applied Sciences, 16(6), 3097. https://doi.org/10.3390/app16063097

