Next Article in Journal
A Reliability-Guided Unsupervised Domain Adaptation Framework for Robust Semantic Segmentation Under Adverse Driving Conditions
Previous Article in Journal
Mechanical Characteristics Analysis and Structural Optimization of Wheeled Multifunctional Motorized Crossing Frame
 
 
Font Type:
Arial Georgia Verdana
Font Size:
Aa Aa Aa
Line Spacing:
Column Width:
Background:
Article

Designing a Wind Harvester to Complement Remote Weather Station Power Supply

Department of Industrial Engineering, University of Padova, 35131 Padova, Italy
*
Author to whom correspondence should be addressed.
Appl. Sci. 2026, 16(6), 3035; https://doi.org/10.3390/app16063035
Submission received: 27 February 2026 / Revised: 18 March 2026 / Accepted: 19 March 2026 / Published: 20 March 2026
(This article belongs to the Section Mechanical Engineering)

Abstract

This study analyzes how wind-induced vibrations can be exploited to harvest energy for powering remote weather stations. Three kinds of wind-induced vibrations are considered: vortex-induced vibrations, galloping, and flutter. Experimental tests on prototypes and numerical results show that the galloping harvester is the solution most suited to the proposed application. The numerical model makes it possible to simulate both T- and I-shaped harvesters and to analyze the effect of variations in the main design parameters: bluff-body mass, cantilever stiffness, and damping. Experimental tests show that a galloping energy harvester can supply an average power close to the average electrical load of an IoT wireless sensor for environmental monitoring, without requiring an additional battery supply.

1. Introduction

The present era is characterized by vast networks of sensors that monitor natural, industrial, and urban environments and send data to mainframes for analysis, prediction, and simulation. Wireless sensors are necessary in many practical conditions where wiring is not feasible or it is complex and expensive.
The simplest energy source for a remote sensor node is a battery, but batteries carry high replacement costs, and used battery disposal poses environmental problems. Currently, many wireless sensor nodes are equipped with solar panels, but the energy produced by these panels in severe weather conditions and during the night is sometimes insufficient to power the sensor node; as such, solar panels are thus complemented by batteries characterized by the above-mentioned problems.
A smarter solution comprises complementing the solar panel with other devices able to harvest other forms of energy from the surrounding environment, such as kinetic energy from wind and water streams, heat, and mechanical energy from vibrations [1,2,3,4]. In recent years, much research has been conducted to develop energy harvesting technologies [5,6], with mechanical energy harvesting devices based on piezoelectric, electromagnetic, and triboelectric technologies now available [7].
This study primarily aims to design an energy harvester to replace batteries supporting remote weather stations. Remote weather stations can be installed in various locations ranging from home backyards to the summits of mountain or cliffs, yet these locations all share the common challenge of wind and rain exposure.
The impact of raindrops can produce significant excitation [8,9], but in some areas, rainfall is scarce in some seasons. Conversely, wind represents a more constant and widely available source of energy. For this reason, this study focuses on wind excitation. Modern energy harvesting technologies facilitate wind energy collection without rotary equipment, with great advantages regarding simplicity of design. These harvesters exploit self-sustained vibrations generated by wind and convert mechanical vibration energy into useful electric energy exploiting piezoelectric [10], electromagnetic [11,12], and triboelectric [13] phenomena. Piezoelectric harvesters are particularly suited to this application, since they have a large electro-mechanical coupling coefficient, and the integration layers of piezoelectric material with the vibrating structure are relatively simple and cost-effective.
An elastically suspended body impacted by a constant wind may experience different kinds of self-sustained vibrations depending on its geometry and on the characteristics of the suspension system that can allow the vibrating body one or more degrees of freedom (DOFs). Different kinds of piezoelectric harvesters based on vortex-induced vibrations (VIVs) [14,15], galloping [16,17], and flutter [18,19] have therefore been developed and tested.
The amount of power achieved by wind energy harvesters strongly depends on the type of interface circuit used to supply the electrical load (e.g., an IoT sensor) [20]. The simplest interfaces are based on full-bridge rectifiers, which do not require active control and thus additional energy consumption [21]. More sophisticated interface circuits employ active components such as switches and passive components such as inductors and capacitors to facilitate maximum power extraction and high efficiency. These circuits include synchronized switching harvesting on inductor (SSHI), synchronous electric charge extraction (SECE), and synchronized charge extraction (SCE) [22,23].
The application of wind harvesters (WHs) in remote weather stations is not characterized by very stringent constraints regarding harvester geometry, weight, and encumbrance, but WHs must comply with the low input voltage of IoT system electronics and must generate adequate power at the same time. In the scientific literature, there are few studies comparing different types of WHs from a specific application perspective.
This study aims to fill this research gap by determining the following:
  • The kinds of self-sustained vibrations that facilitate the best exploitation of wind in the selected region with simple harvester equipment;
  • The harvester layout that maximizes the range of operations and the power output.
This manuscript is organized as follows. The piezoelectric materials, harvester layouts, and experimental equipment used in this research are presented in Section 2. Section 3 compares VIV, galloping, and flutter harvesters of similar dimensions via experimental wind tunnel tests. The aim is to determine the harvester configuration most suited to complement solar panels in remote weather stations in the selected region.
Since Section 3 shows that the galloping harvester is the best choice for this application, in Section 4, a mathematical model of the galloping harvester is developed and validated. In Section 5, the mathematical model and experimental tests are then used to refine the mechanical design of the galloping harvester. In particular, since there are few comparisons in the scientific literature between T- and I-shaped galloping harvesters, the two configurations are analyzed by considering certain constraints relevant to the present application. Section 6 discusses the extraction of electrical energy from a T-shaped galloping harvester via a full-bridge rectifier with low-voltage drop. Experimental tests show that this harvester configuration provides an average electric power close to the average electrical load of an IoT wireless sensor for environmental monitoring.
Finally, conclusions are drawn in Section 7.

2. Materials and Experimental Setup

Weather stations, with dimensions in the hundreds of mm and a weight of approximately 1 kg, typically measure a set of meteorological parameters such as temperature, humidity, wind, rain, UV, and light intensity. This research focuses on a particular weather station located in North East Italy (near Padua), a region with a mean wind velocity of about 2 m/s and a maximum of around 10 m/s.
Considering the above dimensions and environmental conditions, this research focuses on wind harvesters equipped with bluff bodies with maximum dimensions of about 200 mm and a reference area of approximately 3000 mm2.
There are many kinds of flow-induced vibrations that can be exploited by wind harvesters, each related to the vibrational motion in a steady flow of an elastically suspended body. If the body is a cylinder, then due to the symmetry of the cross-section, the aerodynamic coefficients do not vary with cylinder attitude, and the resultant wind force is always parallel to the relative wind velocity; in this case, vibrations are excited by the von Karman vortexes that in certain conditions are shed downstream of the cylinder. The first harvesters based on vortex-induced vibrations (VIVs) were developed in [24,25,26], and details on the properties and design of these harvesters can be found in [14,27].
When the elastically suspended body has a more general cross-section (e.g., square, triangle, half-cylinder), the aerodynamic coefficients change as the body vibrates in the flow and galloping self-sustained vibrations take place. The first studies on galloping harvesters were presented in [16,28], and details on the design and performance of these harvesters can be found in [29].
If the non-cylindrical body can perform two-degrees-of-freedom vibrations including plunge and pitch, the dominant phenomenon becomes the flutter instability. The first flutter harvesters were presented in [18], and a review of the performances of these devices can be found in [30].
The common features of the above-mentioned wind harvesters can be summarized as follows:
  • The aerodynamic force that fosters vibrations is proportional to the area of the vibrating body;
  • The vibrating body is elastically suspended via a cantilever beam;
  • The vibrating body mass is light;
  • The active piezoelectric layer is bonded on the surface of the cantilever.
Within this research framework, 3D-printed plastic vibrating bodies with different shapes but the same reference area were thus adopted. All the tested harvesters were equipped with the same aluminum cantilever beam, having a length of 130 mm and a rectangular cross-section of  21 × 1  mm. A piezoelectric patch M2814-P2 built by Smart material GmbH (Dresden, Germany) was glued on the surface of the cantilever beam and near the clamp. The active layer of this patch is made from MFC composite. The vibrating bodies were mounted on the cantilever tips via slots and the fixture was blocked with glue.
The prototype harvesters were tested in the wind tunnel, as depicted in Figure 1. The rectangular cross-section of the tunnel measures 190 mm in width and 200 mm in height. These dimensions guarantee that, when the prototypes are mounted inside the wind tunnel, the blockage effect is small [31], and there is a sufficient gap between the ends of the bluff body and the walls of the wind tunnel [32]. The wind flow is generated by a fan that allows a maximum wind velocity of 11 m/s. Wind velocity was measured using a TSI 8455-300-1 air velocity transducer (TSI Incorporated, Shoreview, MN, USA) with an accuracy of 2% of reading. The temperature during tests ranged from 15 °C to 20 °C.
The voltage generated by the harvester was measured using a National Instruments NI 9230 board (National Instruments, Austin, TX, USA) and processed via MATLAB 2024a code. The typical sampling rate and acquisition time were 2048 Hz and 10 s, respectively.

3. Choice of the Self-Excitation Mechanism

This section aims to make a comparison between T-shaped piezoelectric harvesters based on VIVs, galloping, and flutter. The T-shaped harvester features a vibrating body (excited by wind flow) perpendicular to the cantilever longitudinal axis and can be realized for the three kinds of harvesters. The harvester prototypes are shown in Figure 2; the flutter harvester CAD model details are depicted in Figure 3.
VIV-based wind harvesters generate voltage, exploiting the coincidence of the natural frequency with the frequency of vortex shedding from the cylindrical bluff body. The basic equation for the design of the VIV harvester is
f n = St U D
where  f n  is the natural frequency of the harvester and the term  St U D  is the vortex shedding frequency from a steady cylinder with diameter D and exposed to a wind flow having velocity U. St is the Strouhal number [33]. In fact, the vibrating cylinder behavior is more complex, since vibrations affect the vortex shedding and a lock-in phenomenon occurs [34]. Nonetheless, Equation (1) is a good starting point for the harvester design. The prototype VIV harvester, depicted in Figure 2a, was designed with values  D = 19  mm,  St = 0.17 , and  U = 2  m/s. With the aluminum cantilever described in the previous section and a tip mass  M = 0.008  kg, the resulting harvester natural frequency was  f n = 18  Hz.
Figure 4 depicts experimental results obtained with the prototype VIV harvester, whose geometric and mechanic parameters are reported in Table 1.
The rms value of the open-circuit (OC) voltage generated by the harvester is plotted against wind velocity. Each voltage value is the average of three different measurements.
The VIV harvester can generate a relevant OC voltage (about 8 V) only when the wind velocity reaches a value that makes the vortex shedding frequency equal to the harvester natural frequency. For lower or higher values of wind velocity, the voltage generated by the harvester is very small, and it slightly increases when the wind increases due to the increased excitation due to turbulence.
The prototype galloping harvester was built simply by substituting the cylindrical bluff body of the VIV harvester, with a square section bluff body having the same projected area and the same mass (see Figure 2b). Galloping vibrations are self-sustained vibrations that take place above a certain wind velocity (onset velocity  U G ), when the fluctuating aerodynamic forces due to the variation in the aerodynamic coefficients cancel the mechanical damping forces (and if the harvester is connected to an external electrical load, the sum of mechanical and electrical damping forces). Above  U G , the vibrating system experiences large-amplitude oscillations that increase until a limit cycle is reached.
In open-circuit conditions, the onset velocity of galloping vibrations [16,35] is given by the following formula:
U G = 2 c 1 a 1 ρ D L T σ 1
where  c 1  is modal damping,  ρ  is air density, D and  L T  are the width and length of the bluff body, respectively,  a 1  is an aerodynamic coefficient, and  σ 1  is a constant related to the shape of the first mode of vibration of the harvester (additional details are given in Section 4).
With the selected geometric and mechanical properties of the prototype galloping harvester (which are summarized in Table 1), the resulting onset velocity  U G  was  3.5  m/s. The measured values of the rms OC voltage generated by the prototype for increasing values of wind velocity are reported in Figure 4. The galloping harvester behavior is very different from that of the VIV harvester: for wind velocities exceeding  U G , the galloping harvester generates a continuously increasing voltage that reaches the value of 37 V at 6 m/s. Larger wind velocity values were not tested with this harvester because at 6 m/s vibration, the amplitude was already very large.
Flutter vibrations are another kind of self-sustained vibration. They differ from galloping vibrations because they take place in elastically suspended airfoils with at least two degrees of freedom: plunge DOF and pitch DOF. In the T-shaped harvester, the flexibility of the cantilever provides the plunge DOF, whereas a revolute joint between the tip of the cantilever and the airfoil body permits the pitch DOF. The presence of a torsion spring around the pitch axis is not mandatory, with some designs including a torsion spring [36] and others not [37]. Generally speaking, the design of a T-shaped flutter harvester is more complex than that of other types of harvesters, since the revolute joint must be accommodated inside the small thickness of the airfoil.
The flutter harvester prototype was developed starting from a 0024 NACA profile with a mass of 10 g (see Figure 2c). Since standard NACA profiles have a fixed ratio between the maximum thickness and chord length, the chord length was increased to obtain sufficient room for the revolute joint. To keep the airfoil area equal to that of the VIV and galloping harvesters, the flutter harvester length was decreased accordingly.
The layout of the revolute joint is depicted in Figure 3. A steel sleeve fitted with two cylindrical pins was manufactured, and the sleeve was then inserted and glued onto the end of the cantilever. Two cylindrical holes were made in the body of the airfoil. The revolute joint was achieved by coupling the pins on the sleeve with the holes in the airfoil. In this research, since harvester simplicity and robustness are key issues, no torsion spring was inserted into the joint. The geometric and mechanical properties of the flutter harvester prototype are summarized in Table 1.
Flutter self-sustained vibrations occur if the wind velocity exceeds a specific value, i.e., flutter velocity. At the flutter velocity, the device becomes dynamically unstable, large oscillations occur, and amplitude increases until a limit cycle is reached. The complete study of a flutter harvester requires non-linear analysis methods [36,38]; nevertheless, the onset of flutter instability can be studied numerically by calculating the complex eigenvalues of a linearized system. A widely adopted linear model of a flutter harvester includes the lumped-parameter model of plunge and pitch vibrations and aerodynamic forces calculated according to Theodorsen’s unsteady thin airfoil theory [18]. Some preliminary calculations performed with this method showed that the designed airfoil becomes unstable for wind velocities greater than 6.3 m/s. The designed flutter harvester was then tested in the wind tunnel. Figure 4 reports experimental results regarding rms OC voltage versus wind velocity. The trend of the OC voltage generated by the flutter harvester is similar to that of the galloping harvester, but the flutter velocity is greater than the galloping velocity and the slope is lower.
Finally, the comparison between the three harvester prototypes highlights that the best choice for the power supply of a weather station operating in a low-wind region is the galloping harvester, provided that the galloping velocity can be reduced slightly.
The VIV harvester exhibits good levels of performance at the design’s wind velocity (lock-in condition), but it works well only for a very narrow range of wind velocities similar to the lock-in value. It can be the preferable solution only if the wind velocity is low and very constant; moreover, it is safer in severe weather conditions than the other harvesters, because if the wind velocity is high but outside the lock-in value, the amplitude of vibrations is small.
The flutter harvester is more complex than the galloping harvester; its design is complex, since there is no analytical expression of flutter velocity. The flutter velocity is larger than the galloping velocity.
For the above-mentioned reasons, the remainder of this manuscript addresses galloping harvesters, focusing on design solutions suited to reducing the galloping onset velocity.

4. Multiphysics Mathematical Model of the Galloping Harvester

The T-shaped harvester considered in the previous section is the simplest layout of a galloping harvester. With the same elements (cantilever, piezoelectric patch, and bluff body), an I-shaped harvester can be built with the bluff body having the same length and width, and with the axis aligned with the longitudinal axis of the cantilever (see Figure 5). From the perspective of reducing the galloping onset velocity  U G , the I layout is promising, since the moment of inertia of the bluff body with respect to the cantilever end point strongly increases, leading to large variations in the parameters that appear in Equation (2). The mathematical model of the galloping harvester is therefore developed with the aim of modeling both T-shaped and I-shaped harvesters.
The piezoelectric cantilever can be modeled as a continuous system, and forced vibrations are governed by the following partial differential equation:
E J 4 w ( x , t ) x 4 + E * J 5 w ( x , t ) x 4 t + m 2 w ( x , t ) t 2 + c a w ( x , t ) t + θ v ( t ) d δ ( x x 1 ) d x d δ ( x x 2 ) d x = F y ( t ) δ ( x L ) + M z ( t ) d δ ( x L ) d x
where the spatial coordinate x identifies any point along the cantilever, and t corresponds to time. The function  w ( x , t )  describes the transverse displacement measured from the undeformed shape of the cantilever. The bending stiffness is given by  E J , where J is the equivalent area moment of inertia, and  E *  is the Kelvin–Voigt time-independent viscoelastic constant,  c a  is the viscous damping coefficient of the beam related to air damping, m denotes the mass per unit length of the beam, and  δ  represents the Dirac delta function. The term  v ( t )  is the voltage, and  θ  represents the piezoelectric coupling term and is defined as
θ = e 31 b 2 h p h b 2 h c 2
where  e 31  is the piezoelectric constant, b is the width of the piezoelectric patch,  h p  denotes the thickness, and  h b  and  h c  define the distances from the neutral axis to the bottom and top surfaces of the piezoelectric layer, respectively.
On the right-hand side of Equation (3) is the forcing term related to the aerodynamic excitation; in particular,  F y ( t )  represents the lumped aerodynamic force due to galloping phenomena applied to the end of the cantilever beam, whereas  M z ( t )  is the torque generated by the force acting on the bluff body reported at the end of the cantilever.
The transverse displacement  w ( x , t )  can be expressed through the modal expansion approach:
w ( x , t ) = m = 1 Ψ m ( x ) η m ( t )
where  Ψ m ( x )  is the mth mode of vibration and  η m ( t )  is the mth modal displacement. The mode of vibration is normalized such that  Ψ m ( L ) = 1 .
The modal equations of the cantilever harvester can be obtained by introducing Equation (5) into Equation (3) and exploiting the orthogonality properties of the modes of vibration:
m n d 2 η n ( t ) d t 2 + c n d η n ( t ) d t + k n η n ( t ) + φ n v ( t ) = F y ( t ) Ψ n ( L ) + M z ( t ) Ψ n ( L ) with n = 1 , ,
The term  φ n  represents the backward modal coupling term of the nth mode of vibration and is defined as
φ n = θ d Ψ n ( x ) d x | x = x 2 d Ψ n ( x ) d x | x = x 1
The terms  m n k n , and  c n  represent the modal mass, modal stiffness, and modal damping of the system, respectively. They are defined as follows:
m n = 0 L Ψ n ( x ) m Ψ n ( x ) d x + M Ψ n ( L ) 2 + 2 p Ψ n ( L ) Ψ n ( L ) M + d Ψ n ( x ) d x | x = L I d Ψ n ( x ) d x | x = L
k n = 0 L d 2 Ψ n ( x ) d x 2 E J d 2 Ψ n ( x ) d x 2 d x
c n = 2 ζ n k n m n
where  ζ n  is the modal damping ratio of the n-th vibration mode, p is the distance between the cantilever end and the center of mass of the bluff body, and I is the moment of inertia of the bluff body calculated with respect to the end of the cantilever. The variables p and I are defined as follows:
p = D 2 L T 2 , I = 1 6 M ( D 2 + D i 2 ) + M D 2 4 for T - shaped harvester 1 12 M ( D 2 + D i 2 + L T 2 ) + M L T 2 4 for I - shaped harvester
According to the approach presented in [39], the voltage generated by the piezoelectric cantilever is obtained as follows:
C p v ˙ ( t ) + i ( t ) = m = 1 φ m η ˙ m ( t )
where  C p  represents the capacitance of the piezoelectric layer and  i ( t )  is the current flowing in the external load. The OC voltage can be obtained by integrating Equation (12), with  i ( t ) = 0 , yielding
v ( t ) = v 0 + 1 C p m = 1 φ m η m ( t )
where  v 0  is the initial OC voltage. At this point, Equation (13) can be introduced into Equation (6) by considering  v 0 = 0 :
m n d 2 η n ( t ) d t 2 + c n d η n ( t ) d t + k n η n ( t ) + φ n 1 C p m = 1 φ m η m = F y Ψ n ( L ) + M z Ψ n ( L ) with n = 1 , ,
In general, the electrical output of most cantilever energy harvesters arises primarily from the excitation of their first bending mode [15]. Hence, Equation (14) can be particularized by considering only the first mode ( n = 1 ):
m 1 d 2 η 1 ( t ) d t 2 + c 1 d η 1 ( t ) d t + k 1 η 1 ( t ) + φ 1 2 C p η 1 = F y Ψ 1 ( L ) + M z Ψ 1 ( L )

4.1. Force Due to Galloping T-Shaped Harvester

The galloping instability stems from the body’s transverse vibrations, which continuously alter the effective angle of attack between the structure and the approaching wind (see Figure 6). The resulting variations in the aerodynamic lift and drag forces are expressed through the following equations:
F D ( t ) = 1 2 ρ D L T U r e l 2 C D ( α )
F L ( t ) = 1 2 ρ D L T U r e l 2 C L ( α )
The bluff body is installed at the free end of the cantilever; consequently, the angle of attack varies due to two concurrent effects: the change in the cantilever’s end slope produced by bending, and the change in the direction of the relative flow induced by the translational motion of the bluff body. To formalize the definition of the angle of attack, a Cartesian coordinate system  x y z  must be introduced. The origin is located at the center of the bluff body, and the  x -axis is always aligned with the incoming wind velocity U. When the cantilever deflects, the chord of the bluff body forms an angle  β  with  x :
β = w ( x , t ) x | x = L
As shown in Figure 6, the relative velocity  U r e l  is rotated by the angle  Γ  with respect to the incoming wind velocity U. If the small oscillation hypothesis is considered, the angle  Γ  is given by the following equation:
Γ w ˙ C U = 1 U w ( x , t ) t | x = L + D 2 2 w ( x , t ) x t | x = L
The angle of attack can be defined as the difference between the change in the cantilever’s end slope and the change in the direction of the relative velocity; the following equation holds:
α = Γ β
Equation (20) can be rewritten by introducing Equations (18) and (19):
α = 1 U w ( x , t ) t | x = L + D 2 2 w ( x , t ) x t | x = L w ( x , t ) x | x = L
If the modal expansion is introduced and only the first mode of vibration is considered (i.e.,  n = 1 ), Equation (21) becomes
α = 1 U Ψ 1 ( L ) η ˙ 1 + D 2 Ψ 1 ( L ) η ˙ 1 Ψ 1 ( L ) η 1
The force  F y ( t ) , which appears in Equation (3), can be derived as described in [16] by projecting the lift and drag forces onto the y axis of the  x y z  frame:
F y ( t ) = 1 2 ρ D L T U 2 a 1 α + a 3 α 3
where  a 1  is a positive constant and  a 3  is a negative constant. The moment  M z ( t ) , which appears in Equation (3), can be calculated by multiplying the force  F y ( t )  by the distance between the end of the cantilever and the center of the bluff body ( D / 2 ):
M z ( t ) = 1 4 ρ D 2 L T U 2 a 1 α + a 3 α 3
Equations (23) and (24) can be introduced in Equation (15):
m 1 η ¨ 1 + c 1 η ˙ 1 + k 1 η 1 + φ 1 2 C p η 1 = 1 2 ρ D L T U 2 a 1 α + a 3 α 3 Ψ 1 ( L ) + D 2 Ψ 1 ( L )
Substituting Equation (22) in Equation (25) and isolating the terms multiplied by  η ˙ 1 , a linear equivalent damping can be found:
The onset velocity of galloping ( U G ) can then be found imposing  c e q = 0 :
U G = 2 c 1 a 1 ρ D L T Ψ 1 ( L ) + D 2 Ψ 1 ( L ) 2
In this configuration,  σ 1  of Equation (2) is
σ 1 = Ψ 1 ( L ) + D 2 Ψ 1 ( L ) 2

4.2. Force Due to Galloping I-Shaped Harvester

In the I configuration, the transverse velocity of the bluff body  w ˙ C ( ξ )  varies along its span owing to the rotation of the tip  β  (see Figure 7).
The angle of attack and the aerodynamic load  Q y  are therefore not constant along the bluff body. Introducing a spanwise coordinate  ξ  with its origin at the cantilever tip and assuming that the bluff body rotates rigidly with the cantilever tip, the transverse velocity of the bluff body is as follows:
w ˙ C ( ξ ) = w ( x , t ) t | x = L + ξ 2 w ( x , t ) x t | x = L
and, for small amplitude vibrations, the angle of attack is
α ( ξ , t ) = Γ ( ξ ) 1 U w ( x , t ) t | x = L + ξ 2 w ( x , t ) x t | x = L
Introducing Equation (5) in (29) and considering only the first mode of the beam:
α ( ξ , t ) = 1 U Ψ 1 ( L ) η ˙ 1 + ξ Ψ 1 ( L ) η ˙ 1
A section at a distance  ξ  from the cantilever tip is subjected to an aerodynamic load per unit length given by
Q y ( ξ , t ) = 1 2 ρ D U 2 a 1 α ( ξ , t ) + a 3 α 3 ( ξ , t )
Finally, the resulting force  F y  and torque  M z  acting on the tip are obtained by integrating the aerodynamic load:
F y ( t ) = 0 L T Q y ( ξ , t ) d ξ = 1 2 ρ D U 2 a 1 0 L T α ( ξ ) d ξ + a 3 0 L T α 3 ( ξ ) d ξ
M z ( t ) = 0 L T ξ Q y ( ξ , t ) d ξ = 1 2 ρ D U 2 a 1 0 L T α ( ξ ) ξ d ξ + a 3 0 L T α 3 ( ξ ) ξ d ξ
As for the T-shaped harvester, the onset velocity of galloping can be found by setting the equivalent linear damping to zero:
U G = 2 c 1 a 1 ρ D L T Ψ 1 ( L ) + L T 2 Ψ 1 ( L ) 2 + L T 2 12 Ψ 1 ( L )
In this configuration,  σ 1  of Equation (2) is
σ 1 = Ψ 1 ( L ) + L T 2 Ψ 1 ( L ) 2 + L T 2 12 Ψ 1 ( L )

4.3. Experimental Validation of the T-Shaped and I-Shaped Harvesters

In this section, the mathematical model is validated thought experimental tests in the wind tunnel. For the T-shaped harvester, Equation (25) is numerically solved in MATLAB using the ode45 solver for nonstiff differential equations. The numerical model is used to estimate the OC voltage generated by the harvester for various values of wind velocity U.
The parameters  a 1  and  a 3  were retrieved from the experimental measurements obtained in Section 3. The rms of the OC voltage predicted by the model and the experimental measurements (mean value and standard deviation) are reported in Figure 8. Both the numerical model and the experimental measurements show the onset velocity of galloping at 3.5 m/s. Above this velocity, the system becomes unstable and the voltage increases with wind velocity. Below the onset velocity of galloping, voltages are very small, and the experimental voltage is larger than the numerical voltage because of turbulence.
For the I-shaped harvester, Equations (32) and (33) are introduced into Equation (15) and then solved in MATLAB using the ode45 solver. The parameters  a 1  and  a 3   of the I-shaped harvester were retrieved from experimental tests in the wind tunnel. Figure 9 shows the experimental and numerical voltages generated by the harvester at various wind velocities. As in the case of the T-shaped harvester, the voltage is almost zero below the onset velocity of galloping and then it continuously increases. The onset velocity of galloping is lower compared to the T-shaped harvester. Indeed, the voltage sharply grows above 2 m/s.
Figure 8 and Figure 9 show that there is a good agreement between the numerical and experimental results. The model can therefore predict the galloping phenomenon, making it possible to extend the investigation to other harvester configurations.

5. Numerical Simulations of the Effects of Mass, Stiffness, and Damping Properties

The model presented and validated in Section 4 is used to investigate the effects of the main parameters of the galloping harvester: the tip mass M, the modal stiffness  k 1 , and the modal damping  c 1 . It is worth noticing that, owing to the normalization of  Ψ ( x )  adopted in this study, the modal coordinate  η 1 ( t )  represents the displacement of the tip, and  k 1  and  c 1  represent the reduced stiffness and damping of the cantilever. The numerical investigation was conducted by varying one parameter at a time, starting from the nominal values ( M * k 1 * , and  c 1 * ) used in Section 3 and Section 4. The analysis presented in this section is limited to harvesters with square sections. The effect of different bluff body shapes (triangle, funnel) was extensively studied in [35].
First, the effect of the tip mass was analyzed. The mass (M) was varied by changing the thickness of the bluff body and the moment of inertia I was calculated accordingly (see Equation (11)). The voltage generated by the T and I harvesters when the tip mass is changed by 20% from the nominal value is shown in Figure 10. The variation in tip mass does not affect the onset velocity of galloping; indeed, it does not appear directly in Equations (26) and (34) and has a negligible effect on the term  Ψ 1 ( L ) . Above the onset velocity, the voltage is higher when a larger tip mass is used.
The stiffness  k 1  is then varied without changing the geometry of the cantilever beam. The numerical results describing the effect of stiffness are shown in Figure 11. The onset velocity of galloping does not change with  k 1 , which does not appear in Equations (26) and (34). Above the onset velocity, an higher voltage is obtained with a smaller stiffness. It can be observed that reducing the stiffness or increasing the tip mass have similar effects.
Finally, the numerical results with different values of the damping coefficient  c 1  are presented in Figure 12. The onset velocity of galloping varies with damping; indeed,  U G  depends linearly on  c 1  in Equations (26) and (34). When  U G  changes, the voltage curve translates along the horizontal axis, maintaining its slope. A harvester with smaller damping starts generating a relevant voltage at lower wind velocities and, at higher velocities, generates a higher voltage compared to harvesters with larger damping.
Variations in M k 1 , and  c 1  have similar effects on the T- and I-shaped harvesters.

6. Energy Extraction from Galloping Piezoelectric Harvester

Piezoelectric energy harvesters excited by wind-induced vibrations generate an alternating current (AC) voltage whose amplitude depends on instantaneous mechanical strain. The energy generated by the energy harvester after rectification can be stored in electrostatic form using a supercapacitor [20]. Due to the limited output power, minimization of energy losses in the rectifier becomes a primary requirement. In this work, for ease of implementation, robustness, and improved energy efficiency, a full-bridge rectifier comprising BAT43 Schottky diodes (with low-voltage drop, 0.2 V) was adopted.
A supercapacitor with capacitance  C = 500  mF was chosen for energy storage, considering a target load electrical power of  P L = 150  µW. This target represents the power demand of a wireless sensor node for environmental monitoring, including a microprocessor ESP32 FireBeetle, data logger, sensors, and antenna for data transmission. The maximum power demand occurs when the sensor is performing data logging and acquired measurements are transmitted to a remote receiver. The current profile of the wireless sensor node (Figure 13) is a periodic waveform, with pulsed behavior and an average value of  I L = 40  µA. With a rated DC voltage of  V L = 3.3  V for sensor electronics, the resulting average power  P L = V L I L  is close to the target value.
The proposed experimental conditions were intended to reproduce the operating scenario of a hybrid energy harvesting system, where a photovoltaic panel (with constant DC voltage) acts as a primary source and the piezoelectric harvester acts as a complementary source. The DC-DC converter provides a stabilized DC voltage to the electrical load, e.g., a wireless sensor node (Figure 14). In this context, the supercapacitor is assumed to already be pre-charged to a given voltage level; this level affects the output power of the harvester and, in turn, the charging rate of the supercapacitor.

6.1. Testing of Energy Extraction System

The experimental procedure consisted of the following steps:
  • The wind velocity inside the wind tunnel was kept constant at 4 m/s;
  • The supercapacitor was pre-charged to a desired voltage level and left in open-circuit conditions for several hours in order to minimize voltage relaxation effects;
  • Both harvester and capacitor voltages were measured.
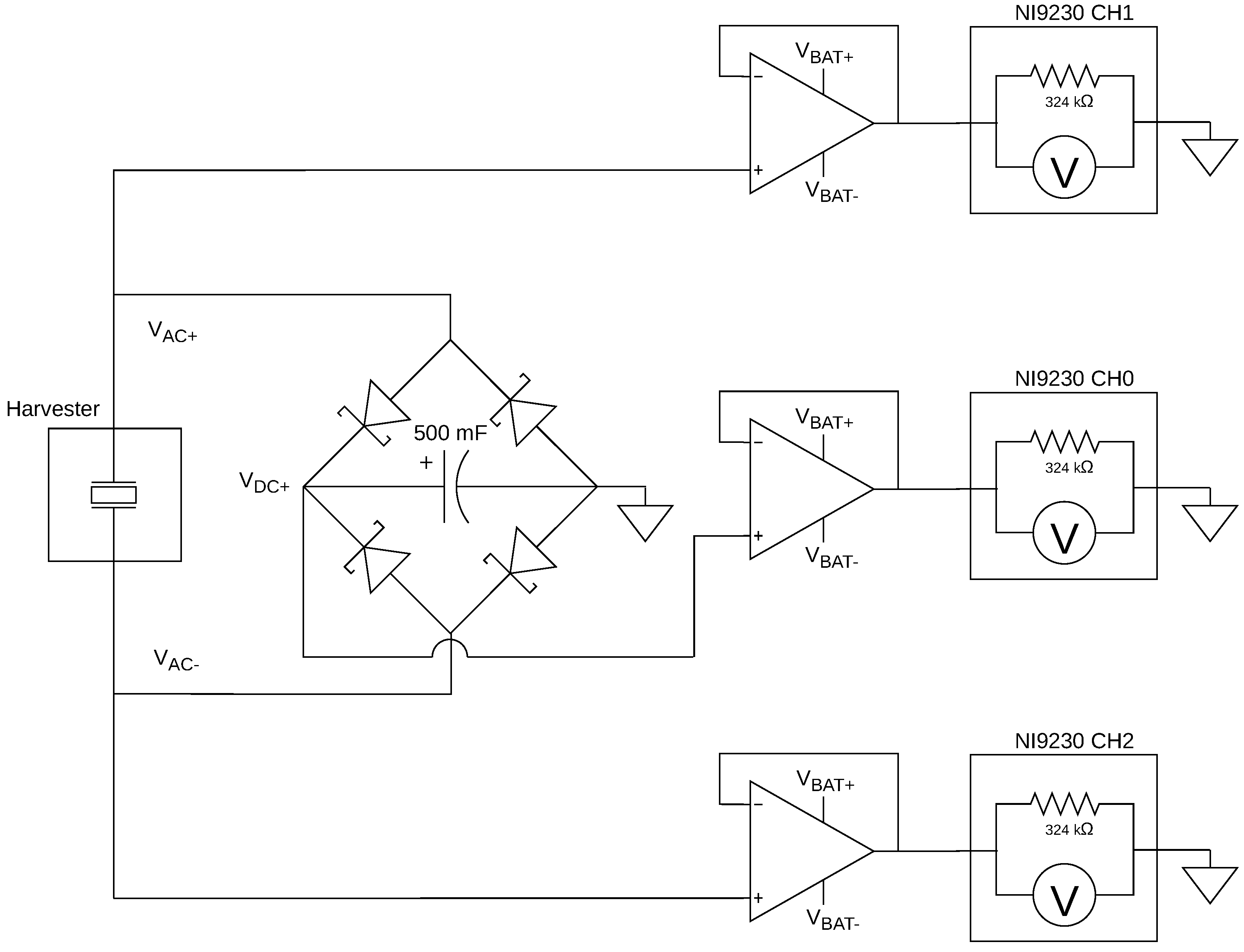
Figure 15 shows the schematic of the electric circuit used for the acquisition of voltage signals. The electrical ground reference was set at the negative DC terminal of the rectifier. Consequently, the measured signals were the voltages at the two AC terminals (whose difference corresponds to the piezoelectric output voltage) and the positive DC output voltage. All signals were acquired using a National Instruments NI 9230 data acquisition system (DAQ), which provides four differential input channels.
The accurate measurement of the harvester output voltage was particularly challenging due to its high internal impedance, comparable to that of the DAQ input stage. The T-shaped piezoelectric harvester used in the experiments had an internal capacitance  C p = 43 nF  and the first natural frequency  f n 18  Hz, corresponding to an equivalent impedance  Z e q = 1 / ( 2 π f C p ) 200  k Ω . Since the differential input impedance of the DAQ was of the same order of magnitude, a direct electrical connection would significantly load the harvester and perturb its electro-mechanical behavior.
To address this issue, buffer amplifiers were interposed between the harvester and the DAQ channels; these were powered by an external supply. The buffers provided a high input impedance, minimizing the loading effect while preserving the voltage waveforms at the measurement points.

6.2. On-Load Voltage Measurements

Figure 16 shows the T-shaped galloping harvester on-load voltage, considering an initial capacitor voltage of about 5 V and the experimental conditions mentioned above. The measurement was conducted for 200 s. It can be observed that the voltage amplitude is influenced by wind turbulence, which sometimes causes a sudden decrease, and by the initial capacitor voltage. The maximum amplitude in Figure 16 is achieved when the harvester voltage is equal to the capacitor voltage and there is no conduction through diodes of the full-bridge rectifier. The comparison with the OC voltage generated under the same conditions (Figure 17) highlights that the presence of a pre-charged capacitor has a regularizing effect on the harvester voltage waveform.
Figure 18 shows the corresponding voltage of the supercapacitor. The voltage slightly increases due to the electrical energy provided by the piezoelectric harvester. The amount of stored energy in a time interval  Δ t = t 2 t 1 =  200 s is  E = 1 / 2 C v 2 ( t 2 ) v 2 ( t 1 ) 40  mJ, with  v ( t 1 ) = 5.012  V and  v ( t 2 ) = 5.028  V, which corresponds to an average power  P = E / Δ t = 200  µW.

7. Conclusions

Galloping wind harvesters appear to be well suited to complementing solar panels in areas with moderate winds. Experimental tests and numerical simulations reported in this study show that by adopting the I configurations, the galloping onset velocity can be shifted into the required range velocity range while adopting a simple square section bluff body.
The multiphysics harvester model considers vibratory, fluid dynamic, and piezoelectric phenomena and is suited to both T-shaped and I-shaped harvesters. After comprehensive tuning via experimental tests, it can simulate harvester behavior with good accuracy and extend the range of investigation.
Experimental tests on a galloping harvester equipped with a rectifier and a supercapacitor showed that the harvester can supply sufficient power to a wireless sensor node without the need of a battery.
Future work will explore integrating the converter and harvester models. Simulations will be performed to analyze the performance of bluff bodies with different cross-sections and to verify the possibility of scaling up the I-shaped harvester’s size to increase its power.

Author Contributions

Conceptualization, A.P., G.F., M.T., M.B. (Manuele Bertoluzzo), M.B. (Matteo Bottin), D.D., F.M. and A.D.; methodology, A.P., G.F., M.T. and A.D.; software, A.P. and M.T.; validation, A.P., G.F., M.T. and M.B. (Matteo Bottin); formal analysis, A.P., G.F., M.T., M.B. (Matteo Bottin), F.M. and A.D.; investigation, M.B. (Matteo Bottin) and G.F.; data curation, M.B. (Manuele Bertoluzzo), M.B. (Matteo Bottin), D.D., F.M. and A.D.; writing—original draft preparation, A.P., G.F., M.T., M.B. (Manuele Bertoluzzo), M.B. (Matteo Bottin), D.D., F.M. and A.D.; writing—review and editing, F.M.; supervision, F.M. and A.D. All authors have read and agreed to the published version of the manuscript.

Funding

This research was funded by the Department of Industrial Engineering, University of Padova, grant no. C93C24006490005 (Project SID 2024 RaWiHaS).

Institutional Review Board Statement

Not applicable.

Informed Consent Statement

Not applicable.

Data Availability Statement

The original contributions presented in the study are included in the article, further inquiries can be directed to the corresponding author.

Conflicts of Interest

The authors declare no conflicts of interest.

References

  1. Mazzeo, D.; Matera, N.; De Luca, P.; Baglivo, C.; Congedo, P.M.; Oliveti, G. A literature review and statistical analysis of photovoltaic-wind hybrid renewable system research by considering the most relevant 550 articles: An upgradable matrix literature database. J. Clean. Prod. 2021, 295, 126070. [Google Scholar] [CrossRef]
  2. Liu, L.; Guo, X.; Lee, C. Promoting smart cities into the 5G era with multi-field Internet of Things (IoT) applications powered with advanced mechanical energy harvesters. Nano Energy 2021, 88, 106304. [Google Scholar] [CrossRef]
  3. Ting, L.S.Y.; Chanik Azhar, A.; Then, Y.L. Dual-Source Energy Harvesting: Synergizing Solar and Rain-Induced Vibrations via Piezoelectric Systems Mounted Beneath PV Panels in Sarawak. In Proceedings of the 2025 IEEE 5th International Conference in Power Engineering Applications (ICPEA), Bandar Baru Bangi, Malaysia, 14–15 July 2025; pp. 142–145. [Google Scholar] [CrossRef]
  4. Rahman, M.S.; Chakravarty, U.K. Design and Analysis of a Hybrid Solar and Vibration Energy Harvester. Energy Harvest. Syst. 2019, 6, 39–55. [Google Scholar] [CrossRef]
  5. Zhao, L.; Yang, Y. Toward Small-Scale Wind Energy Harvesting: Design, Enhancement, Performance Comparison, and Applicability. Shock Vib. 2017, 2017, 3585972. [Google Scholar] [CrossRef]
  6. Lu, C.; Jiang, X.; Li, L.; Zhou, H.; Yang, A.; Xin, M.; Fu, G.; Wang, X. Wind energy harvester using piezoelectric materials. Rev. Sci. Instrum. 2022, 93, 031502. [Google Scholar] [CrossRef]
  7. Iqbal, M.; Nauman, M.M.; Khan, F.U.; Abas, P.E.; Cheok, Q.; Iqbal, A.; Aissa, B. Vibration-based piezoelectric, electromagnetic, and hybrid energy harvesters for microsystems applications: A contributed review. Int. J. Energy Res. 2021, 45, 65–102. [Google Scholar] [CrossRef]
  8. Doria, A.; Fanti, G.; Filipi, G.; Moro, F. Development of a novel piezoelectric harvester excited by raindrops. Sensors 2019, 19, 3653. [Google Scholar] [CrossRef]
  9. Palomba, I.; Tonan, M.; Doria, A. Design of cantilever harvesters excited by raindrop impacts. Mech. Syst. Signal Process. 2025, 225, 112284. [Google Scholar] [CrossRef]
  10. Xue, X.; Xiang, H. Performance of a novel piezoelectric energy harvester in railway wind barriers under coupling of train-induced wind and crosswinds. Eng. Struct. 2026, 349, 121872. [Google Scholar] [CrossRef]
  11. Li, J.; Wang, G.; Yang, P.; Wen, Y.; Zhang, L.; Song, R.; Hou, C. An orientation-adaptive electromagnetic energy harvester scavenging for wind-induced vibration. Energy 2024, 286, 129578. [Google Scholar] [CrossRef]
  12. Fang, S.; Zhang, X.; Fan, J.; Guan, Y.; Liu, W.; Cai, M.; Lai, Z.; Huang, X.; Wang, X.; Zhou, S.; et al. A high-output dynamic bistable electromagnetic energy harvester for ultra-low-frequency rotational excitations. Mech. Syst. Signal Process. 2026, 246, 113925. [Google Scholar] [CrossRef]
  13. Liu, S.; Guo, J.; Zhu, Z.; Meng, L.; Li, X. Multi-degree-of-freedom energy-harvesting and monitoring-coupled triboelectric nanogenerator for vibration state perception of transmission towers. Nano Energy 2026, 151, 111820. [Google Scholar] [CrossRef]
  14. Pasetto, A.; Tonan, M.; Moro, F.; Doria, A. Design Parameters Affecting the Performance of Vortex-Induced Vibration Harvesters. Micromachines 2025, 16, 122. [Google Scholar] [CrossRef] [PubMed]
  15. Tonan, M.; Palomba, I.; Pasetto, A.; Doria, A. Interaction between vortex-induced vibrations and base vibrations in piezoelectric harvesters. Int. J. Mech. Syst. Dyn. 2025. [Google Scholar] [CrossRef]
  16. Barrero-Gil, A.; Alonso, G.; Sanz-Andres, A. Energy harvesting from transverse galloping. J. Sound Vib. 2010, 329, 2873–2883. [Google Scholar] [CrossRef]
  17. Yan, Z.; Abdelkefi, A.; Hajj, M.R. Piezoelectric energy harvesting from hybrid vibrations. Smart Mater. Struct. 2014, 23, 025026. [Google Scholar] [CrossRef]
  18. Erturk, A.; Vieira, W.; De Marqui, C., Jr.; Inman, D. On the energy harvesting potential of piezoaeroelastic systems. Appl. Phys. Lett. 2010, 96, 184103. [Google Scholar] [CrossRef]
  19. Orrego, S.; Shoele, K.; Ruas, A.; Doran, K.; Caggiano, B.; Mittal, R.; Kang, S. Harvesting ambient wind energy with an inverted piezoelectric flag. Appl. Energy 2017, 194, 212–222. [Google Scholar] [CrossRef]
  20. Dicken, J.; Mitcheson, P.D.; Stoianov, I.; Yeatman, E.M. Power-extraction circuits for piezoelectric energy harvesters in miniature and low-power applications. IEEE Trans. Power Electron. 2012, 27, 4514–4529. [Google Scholar] [CrossRef]
  21. Zhao, L.; Yang, Y. Analytical solutions for galloping-based piezoelectric energy harvesters with various interfacing circuits. Smart Mater. Struct. 2015, 24, 075023. [Google Scholar] [CrossRef]
  22. Tang, L.; Zhao, L.; Yang, Y.; Lefeuvre, E. Equivalent Circuit Representation and Analysis of Galloping-Based Wind Energy Harvesting. IEEE/ASME Trans. Mechatron. 2015, 20, 834–844. [Google Scholar] [CrossRef]
  23. Hu, G.; Lan, C.; Tang, L.; Zhou, B.; Yang, Y. Dynamics and power limit analysis of a galloping piezoelectric energy harvester under forced excitation. Mech. Syst. Signal Process. 2022, 168, 108724. [Google Scholar] [CrossRef]
  24. Akaydin, H.D.; Elvin, N.; Andreopoulos, Y. Experimental study of a self-excited piezoelectric energy harvester. In Proceedings of the ASME 2010 Conference on Smart Materials, Adaptive Structures and Intelligent Systems, SMASIS 2010, Philadelphia, PA, USA, 28 September–1 October 2010; Volume 1, pp. 179–185. [Google Scholar] [CrossRef]
  25. Akaydin, H.; Elvin, N.; Andreopoulos, Y. The performance of a self-excited fluidic energy harvester. Smart Mater. Struct. 2012, 21, 025007. [Google Scholar] [CrossRef]
  26. Bernitsas, M.M.; Raghavan, K.; Ben-Simon, Y.; Garcia, E.M. VIVACE (Vortex Induced Vibration Aquatic Clean Energy): A new concept in generation of clean and renewable energy from fluid flow. J. Offshore Mech. Arct. Eng. 2008, 130, 041101. [Google Scholar] [CrossRef]
  27. Mehmood, A.; Abdelkefi, A.; Hajj, M.; Nayfeh, A.; Akhtar, I.; Nuhait, A. Piezoelectric energy harvesting from vortex-induced vibrations of circular cylinder. J. Sound Vib. 2013, 332, 4656–4667. [Google Scholar] [CrossRef]
  28. Zhao, L.; Tang, L.; Yang, Y. Small wind energy harvesting from galloping using piezoelectric materials. In Proceedings of the ASME 2012 Conference on Smart Materials, Adaptive Structures and Intelligent Systems, Stone Mountain, GA, USA, 19–21 September 2012; Volume 2, pp. 919–927. [Google Scholar] [CrossRef]
  29. Tan, T.; Zuo, L.; Yan, Z. Environment coupled piezoelectric galloping wind energy harvesting. Sens. Actuators A Phys. 2021, 323, 112641. [Google Scholar] [CrossRef]
  30. Li, Z.; Zhou, S.; Yang, Z. Recent progress on flutter-based wind energy harvesting. Int. J. Mech. Syst. Dyn. 2022, 2, 82–98. [Google Scholar] [CrossRef]
  31. Choi, C.K.; Kwon, D.K. Wind tunnel blockage effects on aerodynamic behavior of bluff body. Wind Struct. Int. J. 1998, 1, 351–364. [Google Scholar] [CrossRef]
  32. Morse, T.; Govardhan, R.; Williamson, C. The effect of end conditions on the vortex-induced vibration of cylinders. J. Fluids Struct. 2008, 24, 1227–1239. [Google Scholar] [CrossRef]
  33. Blevins, R.D. Flow-Induced Vibration; Van Nostrand Reinhold Company: New York, NY, USA, 1977. [Google Scholar]
  34. Facchinetti, M.; de Langre, E.; Biolley, F. Coupling of structure and wake oscillators in vortex-induced vibrations. J. Fluids Struct. 2004, 19, 123–140. [Google Scholar] [CrossRef]
  35. Zhao, D.; Hu, X.; Tan, T.; Yan, Z.; Zhang, W. Piezoelectric galloping energy harvesting enhanced by topological equivalent aerodynamic design. Energy Convers. Manag. 2020, 222, 113260. [Google Scholar] [CrossRef]
  36. Tian, H.; Shan, X.; Cao, H.; Song, R.; Xie, T. A method for investigating aerodynamic load models of piezoaeroelastic energy harvester. J. Sound Vib. 2021, 502, 116084. [Google Scholar] [CrossRef]
  37. Tamimi, V.; Wu, J.; Esfehani, M.J.; Zeinoddini, M.; Naeeni, S.T.O. Comparison of hydrokinetic energy harvesting performance of a fluttering hydrofoil against other Flow-Induced Vibration (FIV) mechanisms. Renew. Energy 2022, 186, 157–172. [Google Scholar] [CrossRef]
  38. Bibo, A.; Daqaq, M.F. Energy harvesting under combined aerodynamic and base excitations. J. Sound Vib. 2013, 332, 5086–5102. [Google Scholar] [CrossRef]
  39. Priya, S.; Inman, D. Energy Harvesting Technologies; Springer: New York, NY, USA, 2009; pp. 1–517. [Google Scholar] [CrossRef]
Figure 1. Wind tunnel with I-shaped galloping harvester.
Figure 1. Wind tunnel with I-shaped galloping harvester.
Applsci 16 03035 g001
Figure 2. Piezoelectric energy harvester equipped with bluff body to generate (a) vortex-induced vibration (VIV); (b) galloping; and (c) flutter.
Figure 2. Piezoelectric energy harvester equipped with bluff body to generate (a) vortex-induced vibration (VIV); (b) galloping; and (c) flutter.
Applsci 16 03035 g002
Figure 3. CAD model of the piezoelectric energy harvester equipped with bluff body to generate flutter phenomena.
Figure 3. CAD model of the piezoelectric energy harvester equipped with bluff body to generate flutter phenomena.
Applsci 16 03035 g003
Figure 4. Experimental voltage generated exploiting different self-excitation mechanisms. The reference area of the aerodynamic body is fixed.
Figure 4. Experimental voltage generated exploiting different self-excitation mechanisms. The reference area of the aerodynamic body is fixed.
Applsci 16 03035 g004
Figure 5. (a) Galloping T-shaped harvester; (b) galloping I-shaped harvester. The two bluff bodies have the same length and width.
Figure 5. (a) Galloping T-shaped harvester; (b) galloping I-shaped harvester. The two bluff bodies have the same length and width.
Applsci 16 03035 g005
Figure 6. Angle of attack and aerodynamic forces.
Figure 6. Angle of attack and aerodynamic forces.
Applsci 16 03035 g006
Figure 7. Angle of attack and aerodynamic load.
Figure 7. Angle of attack and aerodynamic load.
Applsci 16 03035 g007
Figure 8. Voltage generated by the T galloping harvester, ( a 1 = 1.9 a 3 = 16 ).
Figure 8. Voltage generated by the T galloping harvester, ( a 1 = 1.9 a 3 = 16 ).
Applsci 16 03035 g008
Figure 9. Voltage generated by the I galloping harvester, ( a 1 = 1.7 a 3 = 120 ).
Figure 9. Voltage generated by the I galloping harvester, ( a 1 = 1.7 a 3 = 120 ).
Applsci 16 03035 g009
Figure 10. Effect of tip mass on the OC voltage generated by the T (a) and I (b) harvesters with a fixed stiffness ( k 1 ) and damping coefficient ( c 1 ).
Figure 10. Effect of tip mass on the OC voltage generated by the T (a) and I (b) harvesters with a fixed stiffness ( k 1 ) and damping coefficient ( c 1 ).
Applsci 16 03035 g010
Figure 11. Effect of cantilever stiffness on the OC voltage generated by the T (a) and I (b) harvesters with a fixed tip mass ( M = 0.008  kg, and corresponding I) and damping coefficient ( c 1 ).
Figure 11. Effect of cantilever stiffness on the OC voltage generated by the T (a) and I (b) harvesters with a fixed tip mass ( M = 0.008  kg, and corresponding I) and damping coefficient ( c 1 ).
Applsci 16 03035 g011
Figure 12. Effect of damping on the OCV generated by the T (a) and I (b) harvesters with fixed tip mass ( M = 0.008  kg, and corresponding I) and stiffness ( k 1 ).
Figure 12. Effect of damping on the OCV generated by the T (a) and I (b) harvesters with fixed tip mass ( M = 0.008  kg, and corresponding I) and stiffness ( k 1 ).
Applsci 16 03035 g012
Figure 13. Current waveform of the wireless sensor node during data logging and data transmission.
Figure 13. Current waveform of the wireless sensor node during data logging and data transmission.
Applsci 16 03035 g013
Figure 14. Hybrid energy harvesting (photovoltaic energy production is complemented by piezoelectric harvesting; the supercapacitor SCAP provides an energy buffer for the electrical load).
Figure 14. Hybrid energy harvesting (photovoltaic energy production is complemented by piezoelectric harvesting; the supercapacitor SCAP provides an energy buffer for the electrical load).
Applsci 16 03035 g014
Figure 15. Measurement circuit schematic.
Figure 15. Measurement circuit schematic.
Applsci 16 03035 g015
Figure 16. On-load voltage generated by the T-shaped harvester ( U = 4  m/s). Capacitor voltage is also depicted.
Figure 16. On-load voltage generated by the T-shaped harvester ( U = 4  m/s). Capacitor voltage is also depicted.
Applsci 16 03035 g016
Figure 17. OC voltage generated by the T-shaped harvester ( U = 4  m/s).
Figure 17. OC voltage generated by the T-shaped harvester ( U = 4  m/s).
Applsci 16 03035 g017
Figure 18. Voltage measured at the supercapacitor terminals.
Figure 18. Voltage measured at the supercapacitor terminals.
Applsci 16 03035 g018
Table 1. Parameters of the harvesters.
Table 1. Parameters of the harvesters.
ParameterVIVGallopingFlutter
Cylinder diameter19 mm//
Section width/19 mm/
Airfoil chord//30 mm
Bluff-body/Airfoil mass 0.008  kg 0.008  kg 0.010  kg
Bluff-body/Airfoil span178 mm178 mm112 mm
Bluff-body/Airfoil moment of inertia * 1.5  kg mm2 1.7  kg mm2 0.7  kg mm2
Cantilever length130 mm130 mm130 mm
Cantilever width21 mm21 mm21 mm
Cantilever thickness1 mm1 mm1 mm
Patch length28 mm28 mm28 mm
Distance of the patch from the clamp8 mm8 mm8 mm
* Moment of inertia around the cantilever tip.
Disclaimer/Publisher’s Note: The statements, opinions and data contained in all publications are solely those of the individual author(s) and contributor(s) and not of MDPI and/or the editor(s). MDPI and/or the editor(s) disclaim responsibility for any injury to people or property resulting from any ideas, methods, instructions or products referred to in the content.

Share and Cite

MDPI and ACS Style

Pasetto, A.; Filipi, G.; Tonan, M.; Bertoluzzo, M.; Bottin, M.; Desideri, D.; Moro, F.; Doria, A. Designing a Wind Harvester to Complement Remote Weather Station Power Supply. Appl. Sci. 2026, 16, 3035. https://doi.org/10.3390/app16063035

AMA Style

Pasetto A, Filipi G, Tonan M, Bertoluzzo M, Bottin M, Desideri D, Moro F, Doria A. Designing a Wind Harvester to Complement Remote Weather Station Power Supply. Applied Sciences. 2026; 16(6):3035. https://doi.org/10.3390/app16063035

Chicago/Turabian Style

Pasetto, Alberto, Gino Filipi, Michele Tonan, Manuele Bertoluzzo, Matteo Bottin, Daniele Desideri, Federico Moro, and Alberto Doria. 2026. "Designing a Wind Harvester to Complement Remote Weather Station Power Supply" Applied Sciences 16, no. 6: 3035. https://doi.org/10.3390/app16063035

APA Style

Pasetto, A., Filipi, G., Tonan, M., Bertoluzzo, M., Bottin, M., Desideri, D., Moro, F., & Doria, A. (2026). Designing a Wind Harvester to Complement Remote Weather Station Power Supply. Applied Sciences, 16(6), 3035. https://doi.org/10.3390/app16063035

Note that from the first issue of 2016, this journal uses article numbers instead of page numbers. See further details here.

Article Metrics

Back to TopTop