Next Article in Journal
Improvement of a Subpixel Convolutional Neural Network for a Super-Resolution Image
Next Article in Special Issue
RMS Modeling and Control of a Grid-Forming E-STATCOM for Power System Stability in Isolated Grids
Previous Article in Journal
Predictive and Explainable Artificial Intelligence for Weight Loss After Sleeve Gastrectomy: Insights from Wide and Deep Learning with Medical Image and Non-Image Data
Previous Article in Special Issue
Forecasts Plus Assessments of Renewable Generation Performance, the Effect of Earth’s Geographic Location on Solar and Wind Generation
 
 
Font Type:
Arial Georgia Verdana
Font Size:
Aa Aa Aa
Line Spacing:
Column Width:
Background:
Article

Centralized MPPT Control Architecture for Photovoltaic Systems Using LoRa Technology

by
Pablo Fernández-Bustamante
1,*,
Eneko Artetxe
2,
Isidro Calvo
2 and
Oscar Barambones
2,*
1
Department of Electrical Engineering, Faculty of Engineering of Vitoria-Gasteiz, University of the Basque Country (UPV/EHU), 01006 Vitoria-Gasteiz, Spain
2
Department of Systems Engineering and Automatic Control, Faculty of Engineering of Vitoria-Gasteiz, University of the Basque Country (UPV/EHU), 01006 Vitoria-Gasteiz, Spain
*
Authors to whom correspondence should be addressed.
Appl. Sci. 2025, 15(5), 2456; https://doi.org/10.3390/app15052456
Submission received: 31 January 2025 / Revised: 20 February 2025 / Accepted: 23 February 2025 / Published: 25 February 2025
(This article belongs to the Special Issue Energy and Power Systems: Control and Management)

Abstract

Maximum power point tracking (MPPT) algorithms are necessary to optimize the power generation in solar photovoltaic (PV) power plants. Typically, MPPT control systems depend on the wired connections among sensors, processing nodes, and DC–DC power converters. However, Low-Power Wide-Area Networks (LPWANs) allow for centralizing the execution of MPPT algorithms wirelessly, achieving more flexibility and reducing costs. In particular, LoRa/LoRaWAN is a low-cost/low-consumption technology with an excellent immunity to interference, which is able to operate over tens of kilometers. This article presents a centralized MPPT control architecture for PV systems based on the LoRa/LoRaWAN technology. This technology provides long-range/low-cost wireless connectivity with PV plants located far away. The presented approach allows for executing in parallel, on a central computing node, different MPPT algorithms for distinct PV subsystems. A proof-of-concept prototype was implemented to experimentally validate the architecture. It involved a rooftop PV system and a DC–DC converter connected to a computer, which executes the MPPT algorithms, by means of a point-to-point LoRa network. For validation purpose, two MPPT control techniques were implemented: Perturb and Observe (P&O) and Sliding Mode Control (SMC). However, the presented approach allows for the implementation of more sophisticated MPPT algorithms for optimizing energy production. The obtained results prove the validity of the concept and suggest that the proposed low-cost approach can be extrapolated to be used with LoRaWAN networks.

1. Introduction

As reported by the International Energy Agency (IEA) [1], a record solar photovoltaic (PV) capacity of 425 GW was installed in 2023. The current share of solar PV in the global electricity mix is just over 5%, but it is expected to increase to 17% in 2030. In this scenario, it is crucial to adequately control the operation of PV systems in order to maximize their energy output, especially by taking into account the intermittency of the primary energy source and the highly non-linear behavior of the process of converting sunlight into electricity.
PV systems consist of PV cells that are integrated into modules arranged in series/parallel configurations, which are usually connected to the grid through one or more power electronic interfaces. The voltage/current curve of PV modules has an operating point that optimizes its output power, i.e., the Maximum Power Point (MPP). This curve changes with varying environmental conditions, particularly with respect to irradiance and cell temperature, but also with partial shading, unclean PV panels, and PV cell degradation [2]. Thus, MPP tracking (MPPT) controllers are used to continuously deliver the best PV system performance, even though conditions evolve during the day and over its lifetime [3]. Usually, the output of the MPPT controllers is the duty cycle of a Pulse Width Modulated (PWM) signal, which governs the gate of the power switches in DC–DC power electronic converters [4].
As described in the literature, there exist several MPPT algorithms [5,6,7,8]. In addition, the DC–DC power converters that determine the MPP can be organized in several ways. There may be one converter per module, or there may be one converter for several modules that share a uniform location [9].
This article focuses on an approach for executing different MPPT algorithms in a centralized way. In particular, the authors propose an architecture in which a central node executes the MPPT algorithms that calculate the duty ratios for the DC–DC converters of each PV subsytem based on irradiance, cell temperature, voltage, and current signals. The proposed architecture allows for implementing complex MPPT techniques like fuzzy logic control, particle swarm optimization, genetic algorithms, model predictive control, or AI-based methods (such as reinforcement learning) [7,10]. However, for validation purposes, two algorithms were selected: the Perturb and Observe (P&O) and Sliding Mode Control (SMC) techniques. P&O is a simple, widely used MPPT algorithm that requires a low computational cost. Unfortunately, it performs poorly in partially shaded PV modules and during abrupt irradiance variations. SMC techniques are robust and provide the capability to overcome possible lost or wrong messages, which is especially relevant when using wireless communications [11].
Typically, the communications between sensors, controllers, and power converters are wired, but, in the context of the rapid advancement of Industry 4.0, Wireless Sensor and Actuator Networks (WSANs) are being increasingly accepted in numerous industrial applications [12,13,14,15,16]. Thus, we propose LoRa/LoRaWAN, a Low-Power Wide-Area Network (LPWAN) technology, to implement the centralized MPPT control of PV systems located far away.
LoRa’s physical layer modulates the signals by means of a spread spectrum technique based on Chirp Spread Spectrum (CSS) technology [17]. Although LoRa has a low data transfer rate, it features low-cost, low-power, and long-range connectivity. In actuality, LoRa can be used over long distances, i.e., up to 5 km in urban environments and 15 km in open areas, which can be extended with high-gain antennas if needed. In addition, it has an excellent immunity to interference and none-line-of-sight conditions [18].
LoRa/LoRaWAN has already been used for different applications in the electrical domain, which involve the monitoring of energy distribution networks and Smart Grids (SGs). It increases deployment flexibility, reducing signal wiring and improving the scalability of the applications [19,20,21,22,23]. In [24], Shaban et al. proposed a centralized microgrid controller by means of LoRa communications aimed to connect/disconnect loads to the utility grid. Their simulation results showed that a LoRa protocol can handle the requirements for that purpose, although they did not test the MPPT control for the PV modules of the microgrid. Sherazi et al. [25] analyzed the feasibility of a wireless deployment with LoRaWAN. The storage batteries required by the gateways were fed from a PV plant. However, they did not mention the use of this LoRa network for operating the PV plant itself. Paredes-Parra et al. proposed a LoRa-based LPWAN for PV plants in [26]. They also carried out an experimental setup, but they focused on real-time data monitoring and plant management rather than MPPT control. Other researchers reviewed low-cost, Internet of Things (IoT) solutions in PV power plants, including Zigbee and LoRa (although only for monitoring purposes), thereby concluding that these technologies will be widely deployed at PV systems in the near future [27,28]. In [29], Ku et al. tested a LoRa RF setup to avoid overloading the transformers and over-voltage problems caused by a sudden injection of power from solar PV plants. They used LoRa to transmit control commands for smart inverters in order to control its power factor and to perform reactive power compensation. Moon et al. [30] proposed a low-cost, centralized, and wireless MPPT controller that was designed for building-integrated PV systems (although they used ZigBee instead of an LPWAN such as LoRa). In [31], the authors of this article also considered sending control signals through wireless technologies to improve the operation and QoS of solar PV systems by means of a centralized, wireless MPPT controller using XBee technology. However, the range limitations of XBee can complicate its use in very remote PV subsystems. The introduction of LoRa technology presents several advantages when compared to this previous work, as LoRa is a low-cost and low-consumption technology that was specifically designed for long-distance applications in the range of several kilometers. The use of LoRa’s CSS enhances robustness, reducing data loss. Finally, LoRa also enables connecting to LoRaWAN networks, thereby not only enhancing the potential for decentralized control, but also enabling scalable communication within a broader network infrastructure.
A proof-of-concept prototype that involved a rooftop installation at the Faculty of Engineering, Vitoria-Gasteiz (UPV/EHU), was built to validate the presented approach. This prototype involved a PV subsystem and a central computer running MATLAB R2022b for the execution of the MPPT control algorithms. These devices were connected by means of a point-to-point LoRa network, which was set up by means of Arduino MKR WAN 1300 LoRa boards. Different MPPT algorithms were programmed in MATLAB for experimentally validating the presented approach, namely P&O and SMC controllers.
The main aim of this work is to prove the suitability of LoRa communications for a centralized MPPT control method. Although we put focus on P&O and SMC controllers to perform MPPT, any other controller sufficiently robust and tolerant of relatively low transfer rates could be used. Additionally, the proposed controllers can be combined with artificial neural networks (ANNs) to improve their response time. The obtained results suggest that the proposed low-cost approach can be implemented over a LoRaWAN network, in which a central node executes, in parallel, a number of MPPT controllers for distinct PV subsystems, possibly with different orientations and shading patterns.
The remainder of this article is structured as follows: Section 2 describes the technologies used in this work, including the PV system and the use of LoRa communications. It also proposes a centralized architecture to execute MPPT controllers for different PV subsystems. Section 3 details the setup, materials, and methods used for the proof-of-concept experimental validation of the proposed approach. Section 4 describes the model used for computer simulations and presents the response of the simulation model to an irradiance step. In Section 5, the results of the experimental tests are presented. As shown in Section 6, we performed simulations tests with real input data for model validation, and we then discuss the results of the experiments. Lastly, we draw some conclusions in Section 7.

2. Centralized MPPT Architecture Based on LoRa

2.1. Power Optimization of PV Systems

2.1.1. PV Module

A PV cell can be characterized by the single-diode model, which is simple but accurate [32]. The schematic diagram of this model is shown in Figure 1, where I and V are the current and voltage of the PV cell, respectively. A direct current (DC) source generates I ph depending on solar irradiance. Additionally, the model incorporates two resistors: R sh , which is associated with the diode’s current leakage at the p-n junction; and R s , which denotes the series resistance of the PV cell. The output current is given by Kirchhoff’s Current Law through Equation (1), whose right-hand terms are defined below.
I = I ph I D I sh .
Ohm’s Law is used in (2) to determine I sh :
I sh = V D R sh ,
where V D is the voltage across the diode. A Shockley equation of the p-n junction of the diode is presented in (3):
I D = I 0 exp q V D n k T 1 ,
where I 0 is the reverse saturation current of the diode, q is the elementary charge, n is the quality factor of the diode, k is the Boltzmann constant, and T is the thermodynamic temperature of the p-n junction. In addition, I ph denotes the light-generated current in the solar cell, as shown in (4):
I ph = G G ref I sc _ ref + K ref T T ref ,
where K ref comprises a thermal factor of the short-circuit current at the reference temperature, T ref ; I sc _ ref is the short-circuit current at the reference temperature; and G and G ref are the effective and reference irradiance, respectively.
Assuming that all of the cells in the module are identical and not affected by uneven shading [33], the current and voltage of the PV module, I pv and V pv , are given by (5), where N p is the number of parallel circuits and N s is the number of cells connected in series:
I pv = N p I V pv = N s V .
The output power of the PV module is the product of the current ( I pv ) and voltage ( V pv ), as shown in (6):
P pv = I pv V pv .
To assess the performance of the PV module, an I V curve was plotted, as shown in Figure 2. It showcases all of the operating points: from short circuit, where V pv = 0 and I pv = I sc ; to open circuit, where I pv = 0 and V pv = V oc . The Maximum Power Point (MPP) represents the unique point on the curve that maximizes the power generated by the module. At this point, the current and voltage are denoted as I MPP and V MPP , respectively. The PV module (or an array of PV modules) is usually connected to a DC–DC converter. The input resistance of the converter is optimal when R in = R opt = V MPP / I MPP .
The MPP is influenced by variations in irradiance and temperature [34], as Figure 3 illustrates. With increasing irradiance, the curves undergo nearly vertical displacement, increasing power and voltage, whereas, with rising temperature, the I V curves contract horizontally, thereby decreasing power and voltage.
The deviation from the MPP operating point can be compensated through the implementation of a Maximum Power Point Tracking (MPPT) system, including a DC–DC converter and a control algorithm.

2.1.2. DC–DC Converter

DC–DC converter topologies for MPPT in PV applications include Buck, Boost, Buck-boost, Forward, Push-Pull, Flyback, and Cúk-Sepic. All of them are governed by the duty ratio (also known as duty cycle) of the Pulse Width Modulation (PWM) that drives the gate of the power switch device [35]. The variation of the converter’s duty cycle results in a change in the operating point of the PV module. Through effective control, this operating point is systematically manipulated to attain the MPP. The duty cycle control signal is set by the MPPT algorithm.
For the DC–DC power converter, the electric model of a boost converter was used. Equation (7) presents the boost converter average state-space model in continuous conduction mode. L is the inductance, C is the capacitance, R is the V o / I o ratio, and d is the duty cycle:
x ˙ = A x + B u y = C x ,
where x = I pv V o T , u = V pv , A = 0 d 1 L 1 d C 1 R C , B = 1 L 0 , and C = 0 1 .
The voltage output of the converter V o is a function of the input voltage V pv and the applied duty cycle d. Equation (8) shows that relationship:
V o = 1 1 d V pv .
To avoid scenarios where the converter has to perform outside the continuous conduction form, d was limited by software to values in the range of 0.1 to 0.9.

2.1.3. Control Techniques

P&O is a conventional and simple MPPT control method that responds very well under environmental conditions with gradual changes. This algorithm forces a small change in the duty ratio and then looks at the result of this change. If the PV power increases with respect to the previous reading, the sign of the change will be preserved in the next cycle. Conversely, if the PV power decreases, the sign will be changed. However, the response of this algorithm is inconsistent under partial shading and/or abrupt changes in solar irradiance for the reasons explained below.
In the case of partial shading, local maxima appear in the P V curve, which can lead the algorithm to interpret any of them as the MPP. The case of abrupt changes in irradiance is well known [36]. Figure 4 shows the potential problem, which is known as drifting. Suppose an initial state, Point 1, with G 1 irradiance value and the PV module operating at the MPP. Then, the P&O algorithm forces a positive change in the duty cycle, leading to an increase in V pv that could coincide with an increase in irradiance to G 2 . Consequently, power increases due to the greater irradiance (Point 2), but it remains below the MPP that corresponds to the new curve P max ( G 2 ) (Point 4). If irradiance keeps rising, then PV power also increases (Point 3). Therefore, the algorithm proceeds to raise the voltage reference, further deviating from the MPP of the new curve that corresponds to a higher irradiance curve (Point 5). This results in the P&O algorithm that persistently diverges from the real MPP.
SMC is a non-linear control methodology that determines control actions based on a defined set of permissible functions. The principal objective of this control approach is to navigate the system along a designated surface within the phase space, encapsulating the desired system behavior. In contrast to conventional continuous control methods, the state feedback control law in SMC does not adhere to a continuous time function. Instead, it smoothly transitions between various continuous control structures that are contingent on the system’s position relative to the sliding surface. This inherent characteristic classifies SMC within the realm of variable structure control methods. The operation of SMC unfolds in two discernible phases: the reaching phase and the sliding phase. During the reaching phase, the system systematically approaches the sliding surface through the implementation of a continuous control structure. Subsequently, as the sliding phase initiates upon reaching the sliding surface, the discontinuous controller takes effect, compelling the system states to smoothly slide toward the predetermined set point, which typically corresponds to the origin within the phase space [11,37]. The error is defined in Equation (9):
e = V pv V ref ,
where V ref is the voltage reference. This was then calculated, as explained later in Section 2.1.4. The sliding surface S is determined by Equation (10):
S = e + λ e d t ,
where λ is a design parameter with a positive value ( λ > 0 ) that needs to be adjusted during experiments. The SMC control signal has two terms: the equivalent term u eq and the switching term u sw . These terms are described in Equation (11):
u = u eq + u sw .
The switching term ensures robustness, as shown in Equation (12):
u sw = K sgn ( s ) .
The equivalent term is achieved when it meets the S = S ˙ = 0 criterion. From Equation (10), Equation (13) is achieved as follows:
S = e + λ e d t = 0 .
The combination of Equations (9) and (13) and S = 0 result in Equation (14):
V pv + λ e d t V ref = 0 .
Equation (8) can be rearranged as Equation (15):
V pv = ( 1 d ) V o .
From Equations (14) and (15), the following is obtained:
( 1 d ) V o + λ e d t V ref = 0 .
Taking into account that, in this system, the control signal is the duty cycle d, then u eq can be obtained from Equation (16):
u eq = 1 V o V o + λ e d t V ref .

2.1.4. Voltage Reference Estimator

In order to calculate the voltage reference for the SMC controller, an estimator based on Gaussian Process Regression (GPR) was designed. Gaussian processes (GPs) are a Bayesian approach that are used to solve regression problems [38]. GPR is particularly well suited for applications where uncertainty quantification and flexibility in modeling non-linear patterns are of paramount importance. For example, the authors in [39] trained a GPR in order to forecast the power generation with the ambient conditions. In this work, the MPP voltage was used as the reference for the SMC control. As V MPP depends on G and T (irradiance and cell temperature, respectively), they are thus the input variables for the GPR.
GPs, the underlying mathematical foundation of GPR, provide a framework for dealing with uncertainty in a principled manner. Unlike traditional regression models that estimate point predictions, GPR delivers not only provides predictions, but also quantifies the uncertainty associated with each prediction. This inherent probabilistic nature makes GPR an ideal candidate for various domains. On the other hand, GPR is not efficient for high-dimensional feature problems. However, the voltage reference estimator only needs temperature and irradiance as features.
At its core, GPR relies on the concept of kernels, or covariance functions, to measure the similarity between input data points. This allows the model to adapt to the intricacies of the data, capturing both local and global patterns. The choice of kernel function and associated hyper-parameters provides a flexible means to fit the model to the dataset at hand.
The Gaussian Process is defined as follows:
f ( t ) GP μ ( x i ) , k ( x i , x j ) ,
where μ ( x i ) and k ( x i , x j ) are the mean and covariance function, respectively. An initial distribution was assigned to each function that is capable of interpolating two observations within a given dataset. Higher probabilities were then assigned to functions with more favorable properties for interpolation. The final step involves combining the data with the preceding distribution to derive a posterior distribution, ultimately determining the regression result.
Gaussian Process Regression (GPR) hinges on a robust understanding of the prior distribution over functions, i.e., a foundation built upon a mean function and a covariance function, which is also known as the kernel. The kernel is pivotal in shaping the smoothness of the functions produced by the preceding distribution. The kernel’s role extends to determining the similarity between function values based on input variables, essentially quantifying the degree of correlation. The kernel choice is intricately tied to the underlying data assumptions.

2.2. Configurations of PV Systems

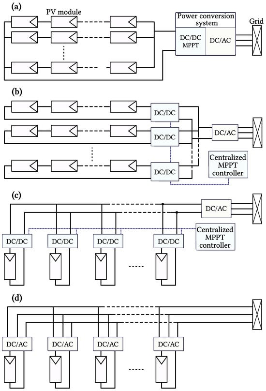
A PV system consists of multiple PV modules that span a peak of powers from a few hundred watts, as in a small rooftop installation, to hundreds of megawatts, as in the world’s largest photovoltaic plants. The control system of a grid-connected PV system has a dual-stage setup: MPPT and grid interface control [33]. The second stage is out of the scope of this article but is mentioned for context.
Figure 5 shows four different configurations of grid-connected PV systems. In the first option, as shown in Figure 5a, there is a central power conversion system that includes DC–DC for MPPT control and DC–AC as the interface to the grid. This approach is valid for PV plants on open, level areas, where all the PV modules have the same orientation and there are no external elements that could cast uneven shadows. In this configuration, the one MPPT control system applies to all of the PV modules, and the only measure against them not functioning at the same operating point is the bypass and blocking diodes.
The second configuration is depicted in Figure 5b. Here, each string of PV modules is connected to one DC–DC converter that optimizes its power output [40]. Figure 5c has a similar but more granular approach because all of the PV modules have their own DC–DC converter. In module-level DC–DC conversion, every PV module is linked to an individual DC–DC stage so that every module can be tracked to operate at the required operating point [41]. This is known in the literature as a module-integrated converter (MIC) [30]. We propose that the set point of the duty cycle sent to each of the DC–DC converters be calculated at a centralized MPPT controller for both string converter and MIC configurations. This way, a central computing node can independently run MPPT algorithms for various PV subsystems. This can be performed via wireless communications, as explained in the following subsections.
For completion, a fourth option is shown in Figure 5d, representing module-level DC–AC conversion, where every PV module has its own inverter. Each inverter is responsible not only for MPPT control, but also for grid interfacing.
The primary drawback associated with the MIC architecture is manufacturing cost. However, the potential for significantly higher energy yields is notable, especially when dealing with situations of partial shading. For instance, the simulations conducted by Shams El Deil et al. in [42] demonstrated that a fully re-configurable PV array, comprising 24 modules using MICs, could increase the power output up to 23% in comparison with a fixed 6s4p configuration with one converter. Nevertheless, it is important to note that there is no ideal architecture for PV systems. The right choice will depend on various factors that can have an impact on the investment cost and on the energy yield, such as shadows of buildings, latitude, or prevailing weather conditions.

2.3. LoRa/LoRaWAN Technology

LoRa and LoRaWAN are emerging technologies for Internet of Things (IoT) systems that operate in the sub-GHz band. The exact frequency depends on the geographical region. For instance, Europe uses 868 MHz, North America uses 915 MHz, and Asia uses 433 MHz. LoRa technology shares common objectives with other wireless technologies such as low-power communication and applications geared toward the IoT, but it distinguishes itself through differences in modulation technique and frequency bands [43]. LoRa achieves an extended range, immunity to interference, and lower power consumption, albeit at the expense of lower data rates.
LoRa, as a proprietary RF modulation technology designed for low-power, wide-area networks (LPWANs), claims a range of 5 km in urban areas and 15 km or more in rural areas. It caters to applications requiring long-range or deep in-building communication among numerous low-power devices collecting small amounts of data [44]. LoRa consists of the physical layer of communications while LoRaWAN extends to Layers 2 and 3. Only using the LoRa physical layer reduces latency and jitter.
LoRa employs a proprietary modulation technique based on Chirp Spread Spectrum (CSS) technology; it offers a compromise between sensitivity and data rate depending on the configuration parameters. In contrast to traditional Direct-Sequence-Spread Spectrum (DSSS) systems, LoRa CSS technology achieves spectrum spreading by producing a so-called chirp signal with a variable frequency. This approach ensures that the timing and the frequency offset between the transmitter and the receiver are equivalent, significantly reducing the complexity of the receiver’s design [45]. The spreading factor (SF) determines the amount of code used for the spectrum spreading of the original signal. SF is a critical parameter in LoRa modulation, with values from SF7 to SF12. The selection of the spreading factor influences the signal’s travel distance and the reception reliability: a larger spreading factor enables longer distances at the expense of a decrease in data rate [46].
In the context of this project, LoRa modules were chosen for several compelling reasons: (1) Reliability, durability, and affordability; (2) Operation at a sub-GHz band, particularly Europe’s 868 MHz; (3) Exceptional flexibility for configuration in various topologies and scenarios (point-to-point, star, and star of stars); (4) The capability, when coupled with high-gain antennas, to extend coverage over substantial distances that span several kilometers.

2.4. Conceptual Centralized MPPT Architecture

In this manuscript, we present an innovative architecture that harnesses MIC, LoRa communications, and a centralized MPPT controller for the enhanced control and monitoring of PV subsystems. Figure 6 provides a visual representation of the envisioned architecture.
Each PV subsystem comprises a PV panel, a DC–DC converter, and a sensor and actuator node, each subsystem being uniquely identified. These sensor and actuator nodes are responsible for reading essential physical variables from their corresponding subsystem, including irradiance, temperature, and PV and output voltage and current. Subsequently, these data are transmitted to the centralized computing node via LoRa/LoRaWAN communication.
The centralized computing node assumes the responsibility of performing calculations that are required for determining the necessary control actions. Upon receiving information from a sensor and actuator node, it executes the MPPT control process tailored for the associated PV subsystem. Once the MPPT algorithm calculates the control action, it is transmitted back to the corresponding sensor and actuator node through LoRa/LoRaWAN for execution.
Notably, with the addition of a new sensor and actuator node, the computing node dynamically creates a new process for the MPPT control of the added PV subsystem. This adaptability ensures the integration of new components into the existing architecture.
Furthermore, the computing node acts as a conduit for forwarding relevant information to the cloud, enabling the use of cloud services. This integration with cloud-based platforms enhances accessibility and provides a comprehensive overview of the PV subsystems’ performance. Additionally, this architecture supports the implementation of various control strategies.
Due to the characteristics of LoRa communications, abrupt changes in irradiance can cause poorer performance when compared to other wireless technologies. The time step limitation of this technology reduces the responsiveness of the system to changes in environmental conditions. However, LoRa’s long-range capabilities enable efficient communication over extended distances, which are crucial in scenarios where MPPT controllers may be deployed in remote or challenging terrains. Its low-power consumption aligns with the energy-efficient nature of renewable energy systems, ensuring minimal impact on overall power consumption. LoRa’s robustness in overcoming signal obstacles further enhances its reliability, making it particularly well suited for outdoor environments with potential line-of-sight challenges. Additionally, the cost-effectiveness of LoRa technology contributes to the affordability of implementing MPPT controllers, fostering the flexibility and scalability of PV energy solutions. The combination of long-range communication, low-power consumption, reliability, and cost-effectiveness positions LoRa as a promising technology for enhancing the performance and connectivity of MPPT controllers in PV energy applications.

3. Experimental Setup

3.1. Overview

This study emphasizes the utilization of LoRa-based wireless communications aimed at optimizing output power in PV systems. To achieve this objective, an experimental setup was implemented by setting a point-to-point LoRa network using MKR WAN 1300 LoRa modules (Arduino S.R.L., Monza, Italy) connected to the PV system and to a computer that executes MPPT control algorithms in MATLAB R2022b. This is depicted in Figure 7, illustrating the key components. G represents the solar irradiance, measured in W / m 2 , while T denotes the cell temperature. I pv and V pv correspond to the current and voltage of the PV module, respectively. Downstream of the DC–DC converter, a resistive load is used to focus on the demonstration of MPPT control through LoRa, although it could be a grid interface, as proposed in Section 2.2. Irradiance, temperature, PV current, and PV voltage serve as inputs to the controller while the output is the duty cycle of the PWM signal applied to the power switch of the DC–DC converter. Figure 8 and Figure 9 show photographic images of the experimental setup. It is physically located at the Faculty of Engineering, Vitoria-Gasteiz.

3.2. Power Circuit

Figure 10 shows the schematic of the power circuit of the experimental setup.
The PV module is a PEIMAR SG340P (PEIMAR S.R.L., Brescia, Italy) made of 72 polycrystalline cells connected in series and forming a 12 × 6 arrangement. Specifically designed for residential and small industrial applications, it features a protective front cover made of low-iron-tempered glass and a robust double-wall aluminum frame to ensure mechanical strength and durability. Table 1 provides the technical data of the PV module. It is installed on the rooftop of the Faculty. Figure 11 shows a picture of the installed PV module.
The PV module was connected to a DC–DC boost converter, TEP-192, which was used to optimize the power output from the PV module. It offers current and voltage signals for monitoring and control. The converter is governed by Pulse Width Modulation (PWM) by means of a duty cycle signal connected to the gate of an isolated gate bipolar transistor (IGBT). Further technical details can be found in Table 2.

3.3. Control System and Wireless Implementation

3.3.1. Hardware

Figure 12 illustrates the control circuit schematic. The current and voltage signals coming from the converter and the signals coming from the irradiance and temperature sensor were connected to an Arduino MKR WAN 1300 board (Arduino S.R.L., Monza, Italy). The duty cycle signal was transmitted from the Arduino board to the DC–DC converter. The Arduino board served as the sensor and actuator node. As for the computing node, it was composed of a computer running MATLAB, and it was connected to another MKR WAN 1300 via UART. Both MKR WAN 1300 modules used LoRa at the 868 MHz frequency band for communications.
The authors of this paper developed a cost-effective prototype for the sensor and actuator node. This prototype integrates an Arduino MKR WAN 1300 along with electronic components designed for measuring and scaling sensor readings. The voltage and current signals from the power converter have a range of 0–10 V, with the scale factors detailed in Table 2. The Si-V-10TC-T irradiance and temperature sensor, whose specifications are available in [47], generates 0–10 V signals, which are converted to 0–3.3 V using voltage dividers. Additionally, a BS170 MOSFET was employed to amplify the PWM signal. Figure 13 provides a more detailed schematic of the sensor and actuator node.
The MKR WAN 1300 module within the sensor and actuator node was programmed using the Arduino IDE 2.0.3 and Visual Studio Code 1.87. It transmitted data, including PV panel voltage and current, irradiance, and cell temperature, as well as converter voltage and current outputs, to the computing node. Furthermore, it received a duty cycle signal from the computing node, which was then written to a PWM output on the Arduino board.
The primary component of the computing node was a computer executing MATLAB code. The MKR WAN 1300 was linked to the computer through the UART port. The serial communication between these devices was configured using the Arduino IDE. The MATLAB code was used to read the serial port, capture the frames transmitted by the sensor and actuator node, process the received data, and to generate a frame containing the computed duty cycle for the PWM. The duty cycle was computed through both the P&O and SMC methods, as described in Section 3.3.2 and Section 3.3.3.

3.3.2. P&O Controller

The P&O controller pseudo-code is shown in Algorithm 1. For the implementation of the P&O, some of the values had to be defined, including the initial value d init , which assumes a value of 0.5, or the step size Δ d , which was tuned to a value of 0.01. In tandem, the duty cycle was constrained within an upper limit of d max and a lower limit of d min , with predefined values of 0.9 and 0.1, respectively. These limits ensure that the converter is always in continuous conduction mode.
Algorithm 1 P&O controller
  • Define [ d init , d min , d max , Δ d ]
  • Initialize [ P prev , V prev ]
  • [ I pv , V pv , P pv , d ] read PV panel information
  • P pv V pv I pv
  • Δ P P pv P prev
  • Δ V V pv V prev
  • Verify the operating equations:
  • if  Δ P < 0   then
  •     if  Δ V < 0  then
  •          d d Δ d
  •     else if  Δ V > 0  then
  •          d d + Δ d
  •     end if
  • else if  Δ P > 0   then
  •     if  Δ V < 0  then
  •          d d + Δ d
  •     else if  Δ V > 0  then
  •          d d Δ d
  •     end if
  • end if
  • Check if d is in the range of d min and d max
  • Update P prev and V prev with the values of P pv and V pv , respectively

3.3.3. SMC Controller

The SMC controller required a reference to calculate the error. This error determined the behavior of the controller. For this work, a voltage reference was needed since Equation (9) defines the error as the difference between the measured voltage and the voltage reference. Therefore, taking advantage of the simulation model, a supervised machine learning Gaussian Regression Process (GPR) was trained. For the GPR, specific kernels were employed, including the exponential (EXP) kernel (19), the Matérn 5/2 Function (MAT) (20), the Radial Basis Function (RBF) (21), and the Rational Quadratic (RQ) kernel (22).
k EXP ( x i , x j ) = σ 2 exp d ( x i , x j ) l ,
k MAT ( x i , x j ) = σ 2 1 + 5 l d ( x i , x j ) + 5 3 l 2 d ( x i , x j ) 2 exp 5 l d ( x i , x j ) ,
k RBF ( x i , x j ) = σ 2 exp d ( x i , x j ) 2 2 l 2 ,
k RQ ( x i , x j ) = σ 2 1 + d ( x i , x j ) 2 2 α l 2 α ,
where l is the length scale parameter, σ 2 is the variance, and α is the non-negative parameter of covariance.
These kernels contributed to the construction of the prior distribution, allowing the GPR to adapt to the nuances of the observed data and to optimize its understanding through the fitting process. The four kernels were tested with a reduced dataset to determine which of them would obtain the best results. Figure 14 shows the predictions made by GPR against the measured values. Inspection of this figure showed that all of the kernels behaved in a similar way with comparable results. Therefore, an RMSE error analysis was carried out to further investigate the results of the different kernels.
Table 3 shows the root mean square errors (RMSEs) for each kernel. It can be observed that the EXP kernel performed worse than all of the other kernels. The RQ, MAT, and RBF kernels performed very similar, with a slight advantage for the RQ kernel. Therefore, the RQ kernel was selected for the GPR voltage reference estimator.
The SMC controller pseudo-code is detailed in Algorithm 2. Implementing the SMC controller required defining some parameters. The tuning of the parameter λ ensured dynamic adjustments during the control process. Similarly, a carefully chosen step size, which was denoted as K, was used to regulate the algorithm’s switching process with a specified value of 0.01. To maintain stability and to avoid the discontinuous conduction mode in the DC–DC converter, constraints were imposed on d min and d max . The allowable range for the sliding variable was predetermined as 0.1 to 0.9, which contributed to the robustness and reliability of the SMC control strategy.
Algorithm 2 SMC controller
  • Define [ d min , d max , K , λ , L ]
  • Initialize u sw
  • [ V pv , V o , G , T ] read PV panel information
  • V ref GPR prediction with G and T
  • e Equation (9)
  • S Equation (10)
  • u eq Equation (17)
  • Verify the operating equations:
  • if  S < 0   then
           Δ d K
  • else
           Δ d K
  • end if
  • u sw u sw + Δ d
  • d = u eq + u sw
  • Check if d is in the range of d min and d max

3.3.4. LoRa Configuration

LoRa technology provides flexibility in adopting various network topologies. For the focus of this article, we opted for a point-to-point communication setup that involved the sensor and actuator nodes, as well as the computation node. In this configuration, greater control over communication parameters was achieved. To enhance message management, each node was assigned a unique identifier. Messages lacking the appropriate identifier for the intended recipient node were promptly discarded.
The Time on Air (TOA) was contingent upon several factors, as outlined in Table 4. Operating within the 868 MHz band, which is specific to Europe, a spread factor of 7 and a code rate of 4/5 were selected to minimize the TOA. A code rate of 4/5 allows using Forward Error Correction (FEC) techniques, effectively reducing the number of packet losses with the least impact on the data rate. The standard 125 KHz bandwidth was selected for signal broadcasting, resulting in a data rate of 5470 bps.
The information transmitted by the sensor and actuator node was sent in 40-byte packets, encompassing the essential variables from the PV panel. This 40-byte payload corresponded to a Time on Air (TOA) of 69.63 ms [20]. Furthermore, an 8-byte preamble was essential for synchronization, adding an extra 12.54 ms to the TOA. Consequently, the total TOA for the sensor and actuator node messages amounted to 82.18 ms. It is worth noting that the default output power for MKR WAN 1300 boards was configured to 17 dB.

4. Simulation Results

The experimental setup described in Section 3 was simulated in MATLAB/Simulink. Figure 15 shows a screenshot of the simulation model.
The model of the PV module was configured from Simulink/Simscape/Electrical/ Specialized Power Systems/Sources/PV Array. In order to simulate the delay in LoRa communications, a discrete sample and hold block was used with a sample time of 1 s. The P&O and SMC controllers used in the simulations were implemented as per Algorithms 1 and 2.
Figure 16 and Figure 17 show the simulation results when there was a step change in irradiance, from 400 W / m 2 to 1000 W / m 2 , while keeping the temperature constant at 40 °C. This abrupt change in irradiance was introduced as an extreme case, knowing that it will never happen in reality, but it served to test the response of the simulation model.
Both the P&O (Figure 16) and the SMC (Figure 17) algorithms responded well and in a similar way to a sudden variation in the irradiance, with approximate response times of 25 s in both cases. This behavior was expected from these controllers. However, the experiments show that the response time under real rapid changes in irradiance is much shorter (see Section 5).

5. Experimental Results

In order to validate the proposed LoRa-based, centralized MPPT controllers, some field experiments were conducted during the summer of 2023 with the equipment described in Section 3. The experiments were run repeatedly, alternating between the P&O and SMC algorithms, in 2 min periods for several days. In this way, the controllers were tested under different environmental conditions. As the two algorithms used were not run at the same time, it was not possible to compare the results under exactly the same environmental conditions. Therefore, we classified the experiments in the three scenarios that were representative of all the data collected: (1) constant irradiance, (2) smooth changes in irradiance, and (3) sudden changes in irradiance. For this manuscript, a couple of experiments with conditions as similar as possible were selected for each of the three scenarios.

5.1. Experiments with Constant Irradiance

In these experiments, the irradiance and temperature remained almost constant. They were useful to see the behavior of the controllers in stable conditions. In the first case, the P&O controller was observed with an irradiance of 1000 W / m 2 and a cell temperature of 59 °C (see Figure 18). In the first instant, a jump in power could be observed. This was due to the fact that, during the periods without measurement between experiments, the duty cycle was maintained at 0.1 for protection. When the measurements started, the controllers were initialized in a duty cycle of 0.5 to start looking for the MPP from that moment. The jump in the duty cycle from steady state to initialization is what caused the first abrupt jump. Then, the controller started its search for the MPP and reached that point after 30 s. This time can be reduced by increasing the step size of the controller, but doing so leads to larger oscillations around the MPP, which reduces its efficiency. Therefore, it was necessary to reach a compromise between the speed and the oscillations of the controller. The control continued at the MPP with slight oscillations around it, as was expected in this controller. The PV power reached a maximum of 265 W during the experiment. The reduction with respect to the nominal power of the PV module was due to the high temperature in addition to the defects in the panel, as well as due to there being no ideal conductors or accumulated dirt, among other reasons.
Figure 19 shows the graphical results of the SMC controller under a constant irradiance scenario. In this case, the irradiance has a value of 1008 W / m 2 , and the temperature matches with the previous one, i.e., 59 °C. Again, there was a jump from the steady state to the initial condition in the duty cycle at the beginning of the experiment. The time to reach the MPP was about 30 s, which is very similar to the P&O case. Similarly, increasing the controller pitch can reduce this time, albeit at the cost of higher oscillations. The PV panel power reached 265 W, as with the P&O, showing that both controllers completed the task of achieving the MPP in a reasonable time under the constant irradiance scenario.

5.2. Experiments with Smooth Changes in Irradiance

The results of the experiment with smooth changes in irradiance and using a P&O controller are shown in Figure 20. Irradiance started decreasing from 545 W / m 2 to 370 W / m 2 in the first minute, and then it increased with slight fluctuations until it reached a maximum of 700 W / m 2 . Meanwhile, the cell temperature moderately decreased from 44 °C to 42 °C, but this drop was negligible for the outcome of the experiment. The experiment showed, in the first part, how the MPP, due to the initial conditions of the scenario, was close to a 0.5 duty cycle, which corresponded with the arbitrary initial duty cycle start point coded in the controller. This implies that the only time needed for reaching the MPP was the time coming from the dynamics of the system. This casualty was exceptional and should not be expected. Usually, there will be a transient time when the algorithm searches for the MPP point of the system. For the rest of the experiment, the power curve mimicked the irradiance curve, both in the decreasing part and in the ascending part, achieving a maximum power of 200 W. This experiment confirmed that the P&O controller performs well in scenarios of slightly decaying and increasing irradiance.
Figure 21 contains the graphical results of another experiment, where a smooth change in irradiance took place, albeit with the SMC controller this time. The irradiance started at 750 W / m 2 and decreased to 500 W / m 2 at around 30 s. Then, it increased again fairly steadily up to 885 W / m 2 . The temperature remained practically constant between 40 °C and 41 °C. It can be seen from the duty cycle curve that the controller needed about 8 s to find the MPP. From that moment on, the controller managed to replicate the slight fluctuations of the irradiance curve. The power dropped to 140 W and then rose again to 250 W when the irradiance reached the maximum value of 885 W / m 2 . This experiment confirmed that the SMC controller is also a good candidate in situations of a smooth decrease and increase in irradiance. This behavior is to be expected as, without abrupt external changes, the SMC controller has enough time to react and adjust the duty cycle to reach the MPP.

5.3. Experiments with Sudden Changes in Irradiance

Next, the performance of the P&O and SMC controllers when under sudden changes in irradiance was evaluated. In principle, the time step limitation of the LoRa technology will reduce the responsiveness of the MPPT. We conducted experiments on partly cloudy days to analyze this issue.
The graphical results of the experiment with the P&O MPPT controller are shown in Figure 22. The temperature remained constant at 62 °C. However, the PV module was shaded by a cloud in the time interval from 15 s to 35 s, changing the irradiance value from 1100 W / m 2 to 500 W / m 2 and then back to 1100 W / m 2 . It can be observed that the decrease in irradiance had an immediate effect on the power by decreasing it. However, after the cloud was gone and the irradiance went up, between approximately 25 s and 35 s, the P&O controller did not respond quickly to operate at the MPP. On the contrary, it misinterpreted the irradiance and power increase and it kept decreasing the duty cycle, such that the PV module worked out of the MPP for the new conditions. This occurred because the P&O algorithm detected an increment in the PV power that was not caused by the controller’s previous action but rather by the irradiance increment itself, which caused the controller to take the wrong action and keep reducing the duty cycle, thus confirming the MPP drifting problem explained in Section 2.1. In summary, the limitation in the time step caused a wrong performance during a brief period of time, reducing the power extraction from the PV panel. The rest of the experiment proceeded normally and the MPP was reached again, as expected.
The results of the experiment for the SMC controller under abrupt variations in irradiance are depicted in Figure 23. In this case, a clear interval took place amidst an otherwise cloudy and cooler day. The temperature stayed constant at 41 °C throughout the duration of the experiment. The irradiance started at 500 W / m 2 and it then rapidly increased to 1100 W / m 2 and later to 1200 W / m 2 in just a few seconds. From that moment on, the irradiance decreased rather abruptly at first and then smoothly to 500 W / m 2 again. During the first part of the rise, the controller was able to adjust correctly, as seen in the smooth rise and fall intervals. Later, the same effect took place as had happened in the P&O since, in this case, the measured voltage did not change due to the actions of the controller but due to the change in the irradiance itself. Therefore, the controller was not able to take the correct control action until after a delay of about 8 s.

6. Discussion

In order to extrapolate the simulation results to those that would have been obtained in the real system, it was necessary to validate the simulation model. To that purpose, we used the irradiance and temperature measurements from the experimental results of sudden changes in irradiance that are shown in Figure 22 and Figure 23. The simulation results are presented in Figure 24 and Figure 25. When comparing Figure 22 to Figure 24 (P&O algorithm), as well as Figure 23 to Figure 25 (SMC algorithm), it can be observed that the simulation model presented very similar results in the power and duty cycle during the experiments, which validated the implemented simulation model.
In addition, the experimental results shown in Section 5 demonstrate the viability of the LoRa wireless controller schema in both constant and smoothly changing conditions. In such cases, the controller’s time step proved sufficient to adapt to changes and to achieve maximum power extraction. While the controller could operate more swiftly by adjusting the change in duty cycle, this action may result in increased oscillations around the MPP, potentially leading to a loss in efficiency. A larger variation in control actions means a more substantial change in the operating point, which allows the algorithm to explore the power–voltage curve more quickly. This increased exploration speed can make the controller respond faster to changes in environmental conditions.
LoRa’s constraints on data size did not pose an issue as the application’s capacity requirements in this regard were not demanding. The selected LoRa parameters resulted in a round trip latency of 164 ms approximately, but the execution time in the computing node and the sensor and actuator nodes must also be considered. During the experiments, a count of lost packages was kept. We observed that a control time step of 300 ms was the minimum latency required for a reliable communication. In actuality, no packet loss was found, but we observed packet losses with shorter time steps. However, we considered a control time step of one second to have a margin of safety. The same tests showed that the probability of packet loss with a one second time step was reduced to practically zero. These results demonstrate the robustness of LoRa communications for this application with a properly chosen time step.
However, it is worth noting that the performance of this control scheme was sub-optimal when confronted with significant changes in irradiance. In such instances, QoS limitations associated with sampling time amplify the drift phenomenon inherent in P&O controllers. While not critical, this issue results in operating at a less efficient point until conditions stabilize and the controller can return to the MPP. Increasing the controller’s duty cycle change in each action, as discussed earlier, would alleviate this problem, but undesirable consequences deter such an adjustment. Ultimately, an increased control action change makes the controller quicker, reducing the time the controller is in inefficient conditions and, therefore, reducing the power loss in the transient. Nonetheless, this increased control action also affects the steady state, making the oscillations bigger and, thus, losing efficiency. Finding the right balance becomes a must. Under normal conditions, we expect to spend more time in a steady state than transient conditions, so too big a change in duty cycle is usually not advisable.

7. Conclusions

This paper proposes a centralized MPPT control architecture for PV subsystems that use LoRa/LoRaWAN communication to exchange the control signals among the sensor and actuator nodes close to the PV subsystems and a centralized computing node, which executes the MPPT algorithms. Different MPPT algorithms may be used in parallel to maximize the power production from the PV subsystems by computing the duty cycle value from the DC–DC converters. This approach adapts to different points of operation due to the ambient conditions or orientation on the PV subsystems. It also adapts to different configurations with several PV subsystems, which may involve either PV modules or strings of PV modules that share one DC–DC power converter.
The introduction of LoRa technology presents several advantages when compared to other alternatives. Although LoRa technology provides a low data transfer rate, it is a low-cost/low-consumption technology that is specifically designed for long-distance applications in the range of several kilometers. The use of LoRa’s CSS enhances robustness, reducing data loss. Moreover, LoRa also enables connecting to LoRaWAN networks, thereby not only enhancing the potential for decentralized control, but also enabling scalable communication within a broader network infrastructure. All these characteristics make it adequate to be used in a centralized MPPT control architecture.
A proof-of-concept prototype involving a rooftop installation in the Faculty of Engineering, Vitoria-Gasteiz (UPV/EHU), was built to validate the presented approach. This prototype involved a PV subsystem and a central computer running MATLAB for the execution of the MPPT control algorithms. These devices were connected by means of a point-to-point LoRa network, which were set up with Arduino MKR WAN 1300 LoRa boards. Although the proposed architecture allows for implementing complex MPPT algorithms, two algorithms were selected for validation purposes: the Perturb and Observe (P&O) and Sliding Mode Control (SMC) techniques. P&O is a simple, widely used MPPT algorithm that requires a low computational cost. Unfortunately, it provides a poor performance under partial shading and abrupt irradiance variations. SMC techniques are robust and provide the capability to overcome possible lost or wrong messages, which is especially relevant when using wireless communications. However, other MPPT techniques could be also used as long as they tolerate low bit rates.
The obtained results prove the validity of the presented approach. The response time to abrupt changes in irradiance is acceptable for this kind of application. Future work will implement more advanced control techniques that are suitable for LoRa/LoRaWAN constraints, such as ANN, which calculate the initial duty cycle to reduce the settling time. Another possible future work could be the use of other advanced techniques to improve the estimation of the voltage reference. The presented approach could be complemented with additional mechanisms to ensure the operation of the PV system in the case of communication failures. For example, basic control algorithms could be implemented in edge computers to take over in such cases.
The results of these experiments suggest that the proposed low-cost approach can be extrapolated to be used over a LoRaWAN network in which a central computing node executes, in parallel, a number of MPPT algorithms for different PV subsystems.

Author Contributions

Conceptualization, O.B. and I.C.; methodology, O.B., I.C., P.F.-B. and E.A.; investigation, P.F.-B. and E.A.; writing—original draft preparation, E.A. and P.F.-B.; writing—review and editing, O.B., I.C., P.F.-B. and E.A.; visualization, P.F.-B. and E.A.; supervision, O.B. and I.C.; project administration, O.B. and I.C. All authors have read and agreed to the published version of the manuscript.

Funding

This research was funded by the Basque Government through Project EKOHEGAZ II (ELKARTEK KK-2023/00051), by the UPV/EHU through Project GIU23/002, and by the MobilityLab Foundation (CONV23/14, CONV23/12).

Institutional Review Board Statement

Not applicable.

Informed Consent Statement

Not applicable.

Data Availability Statement

The original contributions presented in this study are included in the article. Further inquiries can be directed to the corresponding authors.

Acknowledgments

The authors wish to express their gratitude to the Basque Government, to the UPV/EHU, and to the MobilityLab Foundation for supporting this work.

Conflicts of Interest

The authors declare no conflicts of interest.

References

  1. IEA. World Energy Outlook 2024; Technical Report; International Energy Agency: Paris, France, 2024. [Google Scholar]
  2. Deutsche Gesellschaft für Sonnenenergie. Planning and Installing Photovoltaic Systems. A Guide for Installers, Architects and Engineers; Routledge: London, UK, 2013. [Google Scholar]
  3. Subudhi, B.; Pradhan, R. A Comparative Study on Maximum Power Point Tracking Techniques for Photovoltaic Power Systems. IEEE Trans. Sustain. Energy 2013, 4, 89–98. [Google Scholar] [CrossRef]
  4. Taghvaee, M.; Radzi, M.; Moosavain, S.; Hizam, H.; Hamiruce Marhaban, M. A Current and Future Study on Non-Isolated DC-DC Converters for Photovoltaic Applications. Renew. Sustain. Energy Rev. 2013, 17, 216–227. [Google Scholar] [CrossRef]
  5. Bendib, B.; Belmili, H.; Krim, F. A Survey of the Most Used MPPT Methods: Conventional and Advanced Algorithms Applied for Photovoltaic Systems. Renew. Sustain. Energy Rev. 2015, 45, 637–648. [Google Scholar] [CrossRef]
  6. Baba, A.; Liu, G.; Chen, X. Classification and Evaluation Review of Maximum Power Point Tracking Methods. Sustain. Futures 2020, 2, 100020. [Google Scholar] [CrossRef]
  7. Derbeli, M.; Napole, C.; Barambones, O.; Sanchez, J.; Calvo, I.; Fernández-Bustamante, P. Maximum Power Point Tracking Techniques for Photovoltaic Panel: A Review and Experimental Applications. Energies 2021, 14, 7806. [Google Scholar] [CrossRef]
  8. Ali, A.; Sayed, M.; Mohamed, E. Modified Efficient Perturb and Observe Maximum Power Point Tracking Technique for Grid-Tied PV System. Int. J. Electr. Power Energy Syst. 2018, 99, 192–202. [Google Scholar] [CrossRef]
  9. Ismail, A.; El-Deib, A. DC/AC Conversion Topologies for Photovoltaic Applications. In Proceedings of the IEEE Conference on Power Electronics and Renewable Energy, CPERE 2023, Luxor, Egypt, 15–17 February 2023. [Google Scholar] [CrossRef]
  10. Artetxe, E.; Uralde, J.; Barambones, O.; Calvo, I.; Martin, I. Maximum Power Point Tracker Controller for Solar Photovoltaic Based on Reinforcement Learning Agent with a Digital Twin. Mathematics 2023, 11, 2166. [Google Scholar] [CrossRef]
  11. Slotine, J.-J.; Li, W. Applied Nonlinear Control; Prentice Hall: Hoboken, NJ, USA, 1991. [Google Scholar]
  12. Raza, S.; Faheem, M.; Guenes, M. Industrial Wireless Sensor and Actuator Networks in Industry 4.0: Exploring Requirements, Protocols, and Challenges—A MAC Survey. Int. J. Commun. Syst. 2019, 32, e4074. [Google Scholar] [CrossRef]
  13. Seferagić, A.; Famaey, J.; De Poorter, E.; Hoebeke, J. Survey on Wireless Technology Trade-Offs for the Industrial Internet of Things. Sensors 2020, 20, 488. [Google Scholar] [CrossRef] [PubMed]
  14. Wu, Y.; Wu, Y.; Guerrero, J.; Vasquez, J. Digitalization and Decentralization Driving Transactive Energy Internet: Key Technologies and Infrastructures. Int. J. Electr. Power Energy Syst. 2021, 126, 106593. [Google Scholar] [CrossRef]
  15. Noor-A-Rahim, M.; John, J.; Firyaguna, F.; Sherazi, H.; Kushch, S.; Vijayan, A.; O’Connell, E.; Pesch, D.; O’Flynn, B.; O’Brien, W.; et al. Wireless Communications for Smart Manufacturing and Industrial IoT: Existing Technologies, 5G and Beyond. Sensors 2023, 23, 73. [Google Scholar] [CrossRef] [PubMed]
  16. Artetxe, E.; Barambones, O.; Calvo, I.; Fernández-Bustamante, P.; Martin, I.; Uralde, J. Wireless Technologies for Industry 4.0 Applications. Energies 2023, 16, 1349. [Google Scholar] [CrossRef]
  17. Raza, U.; Kulkarni, P.; Sooriyabandara, M. Low Power Wide Area Networks: An Overview. IEEE Commun. Surv. Tutor. 2017, 19, 855–873. [Google Scholar] [CrossRef]
  18. Abdallah, B.; Khriji, S.; Chéour, R.; Lahoud, C.; Moessner, K.; Kanoun, O. Improving the Reliability of Long-Range Communication against Interference for Non-Line-of-Sight Conditions in Industrial Internet of Things Applications. Appl. Sci. 2024, 14, 868. [Google Scholar] [CrossRef]
  19. Llaria, A.; Terrasson, G.; Curea, O.; Jiménez, J. Application of Wireless Sensor and Actuator Networks to Achieve Intelligent Microgrids: A Promising Approach towards a Global Smart Grid Deployment. Appl. Sci. 2016, 6, 61. [Google Scholar] [CrossRef]
  20. Noreen, U.; Bounceur, A.; Clavier, L. A Study of LoRa Low Power and Wide Area Network Technology. In Proceedings of the 2017 International Conference on Advanced Technologies for Signal and Image Processing (ATSIP), Fez, Morocco, 22–24 May 2017; pp. 1–6. [Google Scholar] [CrossRef]
  21. de Almeida, L.; Dos Santos, J.; Melo Pereira, L.; Sodré, A., Jr.; Mendes, L.; Rodrigues, J.; Rabelo, R.; Alberti, A. Control Networks and Smart Grid Teleprotection: Key Aspects, Technologies, Protocols, and Case-Studies. IEEE Access 2020, 8, 174049–174079. [Google Scholar] [CrossRef]
  22. Swain, A.; Abdellatif, E.; Mousa, A.; Pong, P. Sensor Technologies for Transmission and Distribution Systems: A Review of the Latest Developments. Energies 2022, 15, 7339. [Google Scholar] [CrossRef]
  23. Repuri, R.; Darsy, J. Energy-Efficient LoRa Routing for Smart Grids. Sensors 2023, 23, 3072. [Google Scholar] [CrossRef]
  24. Shaban, M.; Ben Dhaou, I.; Alsharekh, M.; Abdel-Akher, M. Design of a Partially Grid-Connected Photovoltaic Microgrid Using IoT Technology. Appl. Sci. 2021, 11, 11651. [Google Scholar] [CrossRef]
  25. Sherazi, H.; Piro, G.; Grieco, L.; Boggia, G. When Renewable Energy Meets LoRa: A Feasibility Analysis on Cable-Less Deployments. IEEE Internet Things J. 2018, 5, 5097–5108. [Google Scholar] [CrossRef]
  26. Paredes-Parra, J.; García-Sánchez, A.; Mateo-Aroca, A.; Molina-García, Á. An Alternative Internet-of-Things Solution Based on LOra for PV Power Plants: Data Monitoring and Management. Energies 2019, 12, 881. [Google Scholar] [CrossRef]
  27. de Melo, G.; Torres, I.; de Araújo, Í.; Brito, D.; Barboza, E. A Low-Cost Iot System for Real-Time Monitoring of Climatic Variables and Photovoltaic Generation for Smart Grid Application. Sensors 2021, 21, 3293. [Google Scholar] [CrossRef] [PubMed]
  28. Kalay, M.; Kılıç, B.; Sağlam, Ş. Systematic Review of the Data Acquisition and Monitoring Systems of Photovoltaic Panels and Arrays. Sol. Energy 2022, 244, 47–64. [Google Scholar] [CrossRef]
  29. Ku, T.T.; Chen, C.S.; Lin, C.H.; Hsu, C.T.; Chuang, H.J. Transformer Management System for Energy Control of Customer Demand Response and Pv Systems. IEEE Trans. Ind. Appl. 2019, 55, 51–59. [Google Scholar] [CrossRef]
  30. Moon, S.; Yoon, S.G.; Park, J.H. A New Low-Cost Centralized MPPT Controller System for Multiply Distributed Photovoltaic Power Conditioning Modules. IEEE Trans. Smart Grid 2015, 6, 2649–2658. [Google Scholar] [CrossRef]
  31. Fernández-Bustamante, P.; Calvo, I.; Villar, E.; Barambones, O. Centralized MPPT Based on Sliding Mode Control and XBee 900 MHz for PV Systems. Int. J. Electr. Power Energy Syst. 2023, 153, 109350. [Google Scholar] [CrossRef]
  32. Humada, A.; Hojabri, M.; Mekhilef, S.; Hamada, H. Solar Cell Parameters Extraction Based on Single and Double-Diode Models: A Review. Renew. Sustain. Energy Rev. 2016, 56, 494–509. [Google Scholar] [CrossRef]
  33. Zheng, H.; Li, S.; Challoo, R.; Proano, J. Shading and Bypass Diode Impacts to Energy Extraction of PV Arrays under Different Converter Configurations. Renew. Energy 2014, 68, 58–66. [Google Scholar] [CrossRef]
  34. Villalva, M.; Gazoli, J.; Filho, E. Comprehensive Approach to Modeling and Simulation of Photovoltaic Arrays. IEEE Trans. Power Electron. 2009, 24, 1198–1208. [Google Scholar] [CrossRef]
  35. Hossain, M.Z.; Rahim, N.A.; a/l Selvaraj, J. Recent Progress and Development on Power DC-DC Converter Topology, Control, Design and Applications: A Review. Renew. Sustain. Energy Rev. 2018, 81, 205–230. [Google Scholar] [CrossRef]
  36. Hussein, K.; Muta, I.; Hoshino, T.; Osakada, M. Maximum Photovoltaic Power Tracking: An Algorithm for Rapidly Changing Atmospheric Conditions. IEE Proc. Gener. Transm. Distrib. 1995, 142, 59–64. [Google Scholar] [CrossRef]
  37. Yasin, A.; Ashraf, M.; Bhatti, A. A Novel Filter Extracted Equivalent Control Based Fixed Frequency Sliding Mode Approach for Power Electronic Converters. Energies 2019, 12, 853. [Google Scholar] [CrossRef]
  38. Williams, C.; Rasmussen, C. Gaussian Processes for Regression. In Advances in Neural Information Processing Systems; MIT Press: Cambridge, MA, USA, 1995; Volume 8. [Google Scholar]
  39. Kanwal, S.; Khan, B.; Muhammad Ali, S. Machine Learning Based Weighted Scheduling Scheme for Active Power Control of Hybrid Microgrid. Int. J. Electr. Power Energy Syst. 2021, 125, 106461. [Google Scholar] [CrossRef]
  40. Bergveld, H.; Buẗhker, D.; Castello, C.; Doorn, T.; De Jong, A.; Van Otten, R.; De Waal, K. Module-Level DC/DC Conversion for Photovoltaic Systems: The Delta-Conversion Concept. IEEE Trans. Power Electron. 2013, 28, 2005–2013. [Google Scholar] [CrossRef]
  41. Golla, M.; Sankar, S.; Chandrasekaran, K.; Simon, S.; Padhy, N. An Integrated Power Control Module for Photovoltaic Sources in DC Microgrid System. Int. J. Electr. Power Energy Syst. 2022, 142, 108348. [Google Scholar] [CrossRef]
  42. Shams El-Dein, M.; Kazerani, M.; Salama, M. Optimal Photovoltaic Array Reconfiguration to Reduce Partial Shading Losses. IEEE Trans. Sustain. Energy 2013, 4, 145–153. [Google Scholar] [CrossRef]
  43. Alipio, M.; Bures, M. Current Testing and Performance Evaluation Methodologies of LoRa and LoRaWAN in IoT Applications: Classification, Issues, and Future Directives. Internet Things 2024, 25, 101053. [Google Scholar] [CrossRef]
  44. Petäjäjärvi, J.; Mikhaylov, K.; Pettissalo, M.; Janhunen, J.; Iinatti, J. Performance of a Low-Power Wide-Area Network Based on Lora Technology: Doppler Robustness, Scalability, and Coverage. Int. J. Distrib. Sens. Netw. 2017, 13, 1550147717699412. [Google Scholar] [CrossRef]
  45. Jung, S.; Im, G.; Jung, D.H.; Kim, P.; Ryu, J.; Kang, J. Performance Analysis of DSSS- and CSS-based Physical Layer for IoT Transmission over LEO Satellites. ETRI J. 2022, 44, 543–559. [Google Scholar] [CrossRef]
  46. Lim, J.T.; Han, Y. Spreading Factor Allocation for Massive Connectivity in LoRa Systems. IEEE Commun. Lett. 2018, 22, 800–803. [Google Scholar] [CrossRef]
  47. IMT Technology. Silicon Irradiance Sensors for Measurement of Solar Irradiance. Available online: https://imt-technology.com/fileadmin/docs/en/products/DS_Si-Sensors_EN_2024-06.pdf (accessed on 22 January 2025).
Figure 1. Schematic diagram of the single-diode model circuit for PV cell characterization.
Figure 1. Schematic diagram of the single-diode model circuit for PV cell characterization.
Applsci 15 02456 g001
Figure 2. The power–voltage and current–voltage curves of a generic PV module.
Figure 2. The power–voltage and current–voltage curves of a generic PV module.
Applsci 15 02456 g002
Figure 3. The irradiance and temperature influence on the PV curves. (a) Effect of the irradiance variations. (b) Effect of the temperature variations.
Figure 3. The irradiance and temperature influence on the PV curves. (a) Effect of the irradiance variations. (b) Effect of the temperature variations.
Applsci 15 02456 g003
Figure 4. Illustration of the drifting challenge that the P&O control method faces.
Figure 4. Illustration of the drifting challenge that the P&O control method faces.
Applsci 15 02456 g004
Figure 5. Configurations of PV systems. (a) With centralized converters. (b) With a central inverter, string DC/DC converters, and a centralized MPPT. (c) With module-integrated converters and a centralized MPPT. (d) With module-integrated inverters.
Figure 5. Configurations of PV systems. (a) With centralized converters. (b) With a central inverter, string DC/DC converters, and a centralized MPPT. (c) With module-integrated converters and a centralized MPPT. (d) With module-integrated inverters.
Applsci 15 02456 g005
Figure 6. Centralized MPPT architecture using LoRa/LoRaWAN.
Figure 6. Centralized MPPT architecture using LoRa/LoRaWAN.
Applsci 15 02456 g006
Figure 7. Layout of the experimental setup.
Figure 7. Layout of the experimental setup.
Applsci 15 02456 g007
Figure 8. Photographic images of the sensor and actuator node, the DC–DC converter, and the resistive load.
Figure 8. Photographic images of the sensor and actuator node, the DC–DC converter, and the resistive load.
Applsci 15 02456 g008
Figure 9. Photographic images of the computing node and the computer running MATLAB.
Figure 9. Photographic images of the computing node and the computer running MATLAB.
Applsci 15 02456 g009
Figure 10. Diagram of the power circuit of the experimental setup.
Figure 10. Diagram of the power circuit of the experimental setup.
Applsci 15 02456 g010
Figure 11. Location of the PV module. (a) Plan view. (b) Photographic image, as seen from A.
Figure 11. Location of the PV module. (a) Plan view. (b) Photographic image, as seen from A.
Applsci 15 02456 g011
Figure 12. Diagram of the control system used for the experiments.
Figure 12. Diagram of the control system used for the experiments.
Applsci 15 02456 g012
Figure 13. Schematic of the sensor and actuator node.
Figure 13. Schematic of the sensor and actuator node.
Applsci 15 02456 g013
Figure 14. The measured values versus the predicted values of the GPR kernels.
Figure 14. The measured values versus the predicted values of the GPR kernels.
Applsci 15 02456 g014
Figure 15. Screenshot of the simulation model in MATLAB/Simulink.
Figure 15. Screenshot of the simulation model in MATLAB/Simulink.
Applsci 15 02456 g015
Figure 16. Simulation of the P&O controller in response to a step change in irradiance. (a) Cell temperature. (b) Solar irradiance. (c) PV power. (d) Duty cycle.
Figure 16. Simulation of the P&O controller in response to a step change in irradiance. (a) Cell temperature. (b) Solar irradiance. (c) PV power. (d) Duty cycle.
Applsci 15 02456 g016
Figure 17. Simulation of the SMC controller in response to a step change in irradiance. (a) Cell temperature. (b) Solar irradiance. (c) PV power. (d) Measured PV voltage and reference PV voltage. (e) Duty cycle.
Figure 17. Simulation of the SMC controller in response to a step change in irradiance. (a) Cell temperature. (b) Solar irradiance. (c) PV power. (d) Measured PV voltage and reference PV voltage. (e) Duty cycle.
Applsci 15 02456 g017
Figure 18. The experiment results of the constant irradiance and temperature conditions for the P&O controller. (a) Cell temperature. (b) Solar irradiance. (c) PV power. (d) Duty cycle.
Figure 18. The experiment results of the constant irradiance and temperature conditions for the P&O controller. (a) Cell temperature. (b) Solar irradiance. (c) PV power. (d) Duty cycle.
Applsci 15 02456 g018
Figure 19. The experiment results of the constant irradiance and temperature conditions for the SMC controller. (a) Cell temperature. (b) Solar irradiance. (c) PV power. (d) Measured PV voltage and reference PV voltage. (e) Duty cycle.
Figure 19. The experiment results of the constant irradiance and temperature conditions for the SMC controller. (a) Cell temperature. (b) Solar irradiance. (c) PV power. (d) Measured PV voltage and reference PV voltage. (e) Duty cycle.
Applsci 15 02456 g019
Figure 20. The experiment results of the smooth irradiance change conditions for the P&O controller. (a) Cell temperature. (b) Solar irradiance. (c) PV power. (d) Duty cycle.
Figure 20. The experiment results of the smooth irradiance change conditions for the P&O controller. (a) Cell temperature. (b) Solar irradiance. (c) PV power. (d) Duty cycle.
Applsci 15 02456 g020
Figure 21. The experiment results of the smooth irradiance change conditions for the SMC controller. (a) Cell temperature. (b) Solar irradiance. (c) PV power. (d) Measured PV voltage and reference PV voltage. (e) Duty cycle.
Figure 21. The experiment results of the smooth irradiance change conditions for the SMC controller. (a) Cell temperature. (b) Solar irradiance. (c) PV power. (d) Measured PV voltage and reference PV voltage. (e) Duty cycle.
Applsci 15 02456 g021
Figure 22. The experiment results of the sudden irradiance change conditions for the P&O controller. (a) Cell temperature. (b) Solar irradiance. (c) PV power. (d) Duty cycle.
Figure 22. The experiment results of the sudden irradiance change conditions for the P&O controller. (a) Cell temperature. (b) Solar irradiance. (c) PV power. (d) Duty cycle.
Applsci 15 02456 g022
Figure 23. The experiment results of the sudden irradiance change conditions for the SMC controller. (a) Cell temperature. (b) Solar irradiance. (c) PV power. (d) Measured PV voltage and reference PV voltage. (e) Duty cycle.
Figure 23. The experiment results of the sudden irradiance change conditions for the SMC controller. (a) Cell temperature. (b) Solar irradiance. (c) PV power. (d) Measured PV voltage and reference PV voltage. (e) Duty cycle.
Applsci 15 02456 g023
Figure 24. Simulation of the P&O controller under abrupt irradiance variations. (a) Cell temperature. (b) Solar irradiance. (c) PV power. (d) Duty cycle.
Figure 24. Simulation of the P&O controller under abrupt irradiance variations. (a) Cell temperature. (b) Solar irradiance. (c) PV power. (d) Duty cycle.
Applsci 15 02456 g024
Figure 25. Simulation of the SMC controller under abrupt irradiance variations. (a) Cell temperature. (b) Solar irradiance. (c) PV power. (d) Measured PV voltage and reference PV voltage. (e) Duty cycle.
Figure 25. Simulation of the SMC controller under abrupt irradiance variations. (a) Cell temperature. (b) Solar irradiance. (c) PV power. (d) Measured PV voltage and reference PV voltage. (e) Duty cycle.
Applsci 15 02456 g025
Table 1. Technical data of the PV module.
Table 1. Technical data of the PV module.
PropertyValueUnit
Dimensions1956 × 992mm
Number of cells72
Maximum power340W
Maximum power voltage38.3V
Maximum power current8.88A
Open-circuit voltage46.7V
Short-circuit current9.51A
Table 2. Details of the DC–DC boost converter used in the experiments.
Table 2. Details of the DC–DC boost converter used in the experiments.
PropertyValueUnit
Switching frequency20kHz
Maximum input voltage60V
Maximum output voltage200V
Maximum input current20A
Maximum output current20A
Table 3. RMSE values for the GPR kernels.
Table 3. RMSE values for the GPR kernels.
KernelEXPMATRBFRQ
RMSE0.0927660.0746420.0746070.074578
Table 4. LoRa communication configuration parameters.
Table 4. LoRa communication configuration parameters.
ParameterValue
Frequency868 MHz
Spreading factor7
Channel frequency125 kHz
Code rate4/5
Preamble8 symbols
Output power17 dB
Disclaimer/Publisher’s Note: The statements, opinions and data contained in all publications are solely those of the individual author(s) and contributor(s) and not of MDPI and/or the editor(s). MDPI and/or the editor(s) disclaim responsibility for any injury to people or property resulting from any ideas, methods, instructions or products referred to in the content.

Share and Cite

MDPI and ACS Style

Fernández-Bustamante, P.; Artetxe, E.; Calvo, I.; Barambones, O. Centralized MPPT Control Architecture for Photovoltaic Systems Using LoRa Technology. Appl. Sci. 2025, 15, 2456. https://doi.org/10.3390/app15052456

AMA Style

Fernández-Bustamante P, Artetxe E, Calvo I, Barambones O. Centralized MPPT Control Architecture for Photovoltaic Systems Using LoRa Technology. Applied Sciences. 2025; 15(5):2456. https://doi.org/10.3390/app15052456

Chicago/Turabian Style

Fernández-Bustamante, Pablo, Eneko Artetxe, Isidro Calvo, and Oscar Barambones. 2025. "Centralized MPPT Control Architecture for Photovoltaic Systems Using LoRa Technology" Applied Sciences 15, no. 5: 2456. https://doi.org/10.3390/app15052456

APA Style

Fernández-Bustamante, P., Artetxe, E., Calvo, I., & Barambones, O. (2025). Centralized MPPT Control Architecture for Photovoltaic Systems Using LoRa Technology. Applied Sciences, 15(5), 2456. https://doi.org/10.3390/app15052456

Note that from the first issue of 2016, this journal uses article numbers instead of page numbers. See further details here.

Article Metrics

Back to TopTop