Improved DBSCAN-Based Electricity Theft Detection Using Spatiotemporal Fusion Features
Abstract
1. Introduction
- Analyzes the impact of anomalous load behaviors on node voltage, branch current, and power loss in distribution feeders, providing physical insights and engineering guidance for theft detection in practical systems.
- Enables low-cost implementation relying solely on data collected from existing smart meters, without the need for additional monitoring devices.
- Proposes a spatiotemporal feature fusion approach that jointly captures electrical correlations in feeder topology and temporal load dynamics, enhancing the representational capacity of input features.
- Develops an unsupervised detection framework integrating PCA-based dimensionality reduction and DBSCAN clustering, effectively removing dependence on labeled or historical data.
2. Electrical Parameter Analysis of Single-Node and Multi-Node Anomalies in Distribution Networks
2.1. Benchmark Model Construction
2.2. Parameters Under Normal Operating Conditions
2.3. Single-Node Anomaly Analysis
- (1)
- Node Voltage Variation under Single-Node Anomalies
- (2)
- Branch Current Variation under Single-Node Anomalies
- (3)
- Branch Power Loss Variation under Single-Node Anomalies
2.4. Multi-Node Anomaly Analysis
- (1)
- Node Voltage Variation under Multi-Node Anomalies
- (2)
- Branch Current Variation under Multi-Node Anomalies
- (3)
- Branch Power Loss Variation under Multi-Node Anomalies
3. Spatiotemporal Feature Fusion-Based Improved DBSCAN for Anomalous Nodes Detection
3.1. Extraction of Topological Features and Load Data Features
3.2. Feature Dimensionality Reduction
3.3. Anomalous Node Identification Based on DBSCAN
- Silhouette Coefficient evaluates clustering quality by comparing the average intra-cluster distance with the nearest-cluster distance. Its value ranges from −1 to 1, with values closer to 1 indicating better cluster structure.
- Calinski–Harabasz Index is based on the ratio of between-cluster variance to within-cluster variance, with higher values indicating better inter-cluster separation and intra-cluster compactness.
- Davies–Bouldin Index calculates the mean ratio of intra-cluster compactness to inter-cluster separation; lower values indicate superior clustering performance.
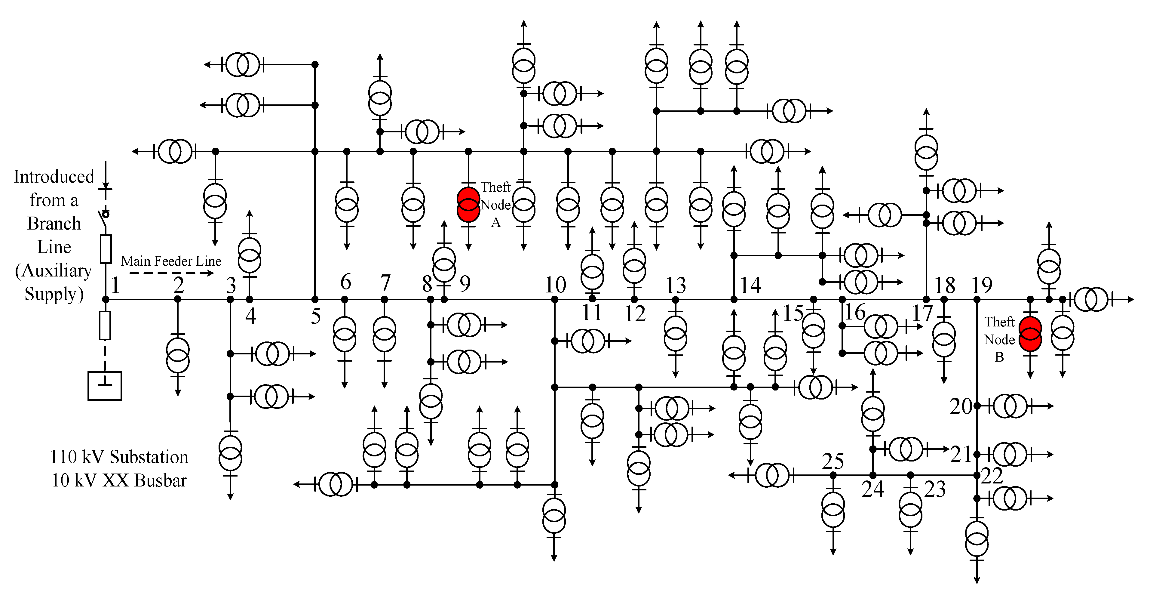
4. Case Study of Anomalous Node Identification in a Distribution Feeder
4.1. Feeder Topology and Two-Anomalous-Node Scenario
4.2. Node Feature Analysis
4.3. Detection Results of the Unsupervised Clustering Method
4.4. Method Robustness and Quantitative Performance Evaluation
4.5. Comparison with Supervised and Unsupervised Baselines
5. Discussion
5.1. Practical Application Significance
5.2. Limitations
5.3. Future Research Directions
6. Conclusions
- (1)
- Based on the IEEE 33-bus benchmark distribution network, the disturbance patterns of voltage, current, and power loss under theft conditions were analyzed. Results indicate that the farther a theft node is from the power source, the stronger the propagated voltage and current disturbances along the feeder. The electrical distance is positively correlated with fluctuation amplitude. Meanwhile, branch loss peaks are localized near theft terminals and increase unidirectionally along the power flow path without back-propagation to downstream lines.
- (2)
- By exploring the correlation between theft disturbances and network topology, a comprehensive set of spatial, temporal, and cross-correlation features was constructed to represent node operating states. An improved DBSCAN clustering framework was developed based on these fused features.
- (3)
- Validation on hybrid datasets demonstrated that the proposed method achieved an accuracy of 90.7%, a recall of 87.5%, and an F1-score of 0.895, outperforming the traditional K-means algorithm and approaching the performance of supervised CNN models—without the need for labeled data.
- (4)
- The proposed method relies solely on basic electrical measurements such as voltage, current, and power, without requiring user labels or complex training. This ensures low deployment cost, strong scalability.
Author Contributions
Funding
Institutional Review Board Statement
Informed Consent Statement
Data Availability Statement
Acknowledgments
Conflicts of Interest
References
- Reddy Depuru, S.S.S.; Wang, L.; Devabhaktuni, V. Electricity theft: Overview, issues, prevention and a smart meter based approach to control theft. Energy Policy 2011, 39, 1007–1015. [Google Scholar] [CrossRef]
- Jiang, R.; Lu, R.; Wang, Y.; Luo, J.; Shen, C.; Shen, X. Energy-theft detection issues for advanced metering infrastructure in smart grid. Tsinghua Sci. Technol. 2014, 19, 105–120. [Google Scholar] [CrossRef]
- Massaferro, P.; Di Martino, J.M.; Fernández, A. Fraud detection in electric power distribution: An approach that maximizes the economic return. IEEE Trans. Power Syst. 2019, 35, 703–710. [Google Scholar] [CrossRef]
- Esmael, A.A.; Da Silva, H.H.; Ji, T.; da Silva Torres, R. Non-technical loss detection in power grid using information retrieval approaches: A comparative study. IEEE Access 2021, 9, 40635–40648. [Google Scholar] [CrossRef]
- Xia, X.; Xiao, Y.; Liang, W.; Cui, J. Detection methods in smart meters for electricity thefts: A survey. Proc. IEEE 2022, 110, 273–319. [Google Scholar] [CrossRef]
- Muzumdar, A.; Modi, C.; Vyjayanthi, C. Designing a blockchain-enabled privacy-preserving energy theft detection system for smart grid neighborhood area network. Electr. Power Syst. Res. 2022, 207, 107884. [Google Scholar] [CrossRef]
- Ahmad, T.; Chen, H.; Wang, J.; Guo, Y. Review of various modeling techniques for the detection of electricity theft in smart grid environment. Renew. Sustain. Energy Rev. 2018, 82, 2916–2933. [Google Scholar] [CrossRef]
- Shahid, M.B.; Shahid, M.O.; Tariq, H.; Saleem, S. Design and development of an efficient power theft detection and prevention system through consumer load profiling. In Proceedings of the 2019 International Conference on Electrical, Communication, and Computer Engineering (ICECCE), Cox’s Bazar, Bangladesh, 7–9 February 2019; pp. 1–6. [Google Scholar]
- Wang, Y.; Chen, Q.; Hong, T.; Kang, C. Review of smart meter data analytics: Applications, methodologies, and challenges. IEEE Trans. Smart Grid 2018, 10, 3125–3148. [Google Scholar] [CrossRef]
- Messinis, G.M.; Hatziargyriou, N.D. Review of non-technical loss detection methods. Electr. Power Syst. Res. 2018, 158, 250–266. [Google Scholar] [CrossRef]
- Luan, W.; Wang, G.; Yu, Y.; Lin, J.; Zhang, W.; Liu, Q. Energy theft detection via integrated distribution state estimation based on AMI and SCADA measurements. In Proceedings of the 2015 5th International Conference on Electric Utility Deregulation and Restructuring and Power Technologies (DRPT), Changsha, China, 26–29 November 2015; pp. 751–756. [Google Scholar]
- Silva, L.G.d.O.; da Silva, A.A.; de Almeida-Filho, A.T. Allocation of power-quality monitors using the P-median to identify nontechnical losses. IEEE Trans. Power Deliv. 2016, 31, 2242–2249. [Google Scholar] [CrossRef]
- Manito, A.R.; Bezerra, U.H.; Soares, T.M.; Vieira, J.P.; Nunes, M.V.; Tostes, M.E.; de Oliveira, R.C. Technical and non-technical losses calculation in distribution grids using a defined equivalent operational impedance. IET Gener. Transm. Distrib. 2019, 13, 1315–1323. [Google Scholar] [CrossRef]
- Ferreira, T.S.D.; Trindade, F.C.; Vieira, J.C. Load flow-based method for nontechnical electrical loss detection and location in distribution systems using smart meters. IEEE Trans. Power Syst. 2020, 35, 3671–3681. [Google Scholar] [CrossRef]
- Veeramani, P.; Aravindaguru, I.; Prathap, M.; Bhavesh, L.; Kamalesh, R.; Hassan, A.T. IOT Based Power Theft Detection For Transmission Lines. In Proceedings of the 2024 5th International Conference on Smart Electronics and Communication (ICOSEC), Tholurpatti, India, 18–20 September 2024; pp. 507–512. [Google Scholar]
- Haq, E.U.; Pei, C.; Zhang, R.; Jianjun, H.; Ahmad, F. Electricity-theft detection for smart grid security using smart meter data: A deep-CNN based approach. Energy Rep. 2023, 9, 634–643. [Google Scholar] [CrossRef]
- Bai, Y.; Sun, H.; Zhang, L.; Wu, H. Hybrid CNN-Transformer Network for Electricity Theft Detection in Smart Grids. Sensors 2023, 23, 8405. [Google Scholar] [CrossRef]
- Fernandes, S.E.; Pereira, D.R.; Ramos, C.C.; Souza, A.N.; Gastaldello, D.S.; Papa, J.P. A probabilistic optimum-path forest classifier for non-technical losses detection. IEEE Trans. Smart Grid 2018, 10, 3226–3235. [Google Scholar] [CrossRef]
- Ahir, R.K.; Chakraborty, B. Pattern-based and context-aware electricity theft detection in smart grid. Sustain. Energy Grids Netw. 2022, 32, 100833. [Google Scholar] [CrossRef]
- Punmiya, R.; Choe, S. ToU Pricing-Based Dynamic Electricity Theft Detection in Smart Grid Using Gradient Boosting Classifier. Appl. Sci. 2021, 11, 401. [Google Scholar] [CrossRef]
- Xia, X.; Lin, J.; Jia, Q.; Wang, X.; Ma, C.; Cui, J.; Liang, W. ETD-ConvLSTM: A Deep Learning Approach for Electricity Theft Detection in Smart Grids. IEEE Trans. Inf. Forensics Secur. 2023, 18, 2553–2568. [Google Scholar] [CrossRef]
- Wu, Q.; Zhang, M.; Liao, L. Analysis of electricity stealing based on user electricity characteristics of electricity information collection system. Energy Rep. 2022, 8, 488–494. [Google Scholar] [CrossRef]
- Peng, Y.; Yang, Y.; Xu, Y.; Xue, Y.; Song, R.; Kang, J.; Zhao, H. Electricity theft detection in AMI based on clustering and local outlier factor. IEEE Access 2021, 9, 107250–107259. [Google Scholar] [CrossRef]
- Bondok, A.; Abdelsalam, O.; Badr, M.; Mahmoud, M.; Alsabaan, M.; Alsaqhan, M.; Ibrahem, M.I. Accurate Power Consumption Predictor and One-Class Electricity Theft Detector for Smart Grid “Change-and-Transmit” Advanced Metering Infrastructure. Appl. Sci. 2024, 14, 9308. [Google Scholar] [CrossRef]
- Tian, L.; Xiang, M. Abnormal power consumption analysis based on density-based spatial clustering of applications with noise in power systems. Autom. Electr. Power Syst. 2017, 41, 64–70. [Google Scholar]
- Zheng, K.; Wang, Y.; Chen, Q.; Li, Y. Electricity theft detecting based on density-clustering method. In Proceedings of the 2017 IEEE Innovative Smart Grid Technologies-Asia (ISGT-Asia), Auckland Central, New Zealand, 4–7 December 2017; pp. 1–6. [Google Scholar]
- Dolatabadi, S.H.; Ghorbanian, M.; Siano, P.; Hatziargyriou, N.D. An enhanced IEEE 33 bus benchmark test system for distribution system studies. IEEE Trans. Power Syst. 2020, 36, 2565–2572. [Google Scholar] [CrossRef]
- Baran, M.E.; Wu, F.F. Network reconfiguration in distribution systems for loss reduction and load balancing. IEEE Trans. Power Deliv. 2002, 4, 1401–1407. [Google Scholar] [CrossRef]
- Gewers, F.L.; Ferreira, G.R.; Arruda, H.F.D.; Silva, F.N.; Comin, C.H.; Amancio, D.R.; Costa, L.d.F. Principal component analysis: A natural approach to data exploration. ACM Comput. Surv. 2021, 54, 1–34. [Google Scholar] [CrossRef]
- Hahsler, M.; Piekenbrock, M.; Doran, D. dbscan: Fast density-based clustering with R. J. Stat. Softw. 2019, 91, 1–30. [Google Scholar] [CrossRef]














| Node | Node | Line Impedance/p.u. | Node Load/kW + j kVar | Node | Node | Line Impedance/p.u. | Node Load/kW + j kVar |
|---|---|---|---|---|---|---|---|
| 1 | 2 | 0.0922 + j0.047 | 100 + j60 | 17 | 18 | 0.3720 + j0.5740 | 90 + j40 |
| 2 | 3 | 0.4930 + j0.2511 | 90 + j40 | 2 | 19 | 0.1640 + j0.1565 | 90 + j40 |
| 3 | 4 | 0.3660 + j0.1864 | 120 + j80 | 19 | 20 | 1.5042 + j1.3554 | 90 + j40 |
| 4 | 5 | 0.3811 + j0.1941 | 60 + j30 | 20 | 21 | 0.4095 + j0.4784 | 90 + j40 |
| 5 | 6 | 0.8190 + j0.7070 | 60 + j20 | 21 | 22 | 0.7089 + j0.9373 | 90 + j40 |
| 6 | 7 | 0.1872 + j0.6188 | 200 + j100 | 3 | 23 | 0.4512 + j0.3083 | 90 + j50 |
| 7 | 8 | 0.7114 + j0.2351 | 200 + j100 | 23 | 24 | 0.8980 + j0.7091 | 420 + j200 |
| 8 | 9 | 1.0300 + j0.7400 | 60 + j20 | 24 | 25 | 0.8960 + j0.7011 | 420 + j200 |
| 9 | 10 | 1.0440 + j0.7400 | 60 + j20 | 6 | 26 | 0.2030 + j0.1034 | 60 + j25 |
| 10 | 11 | 0.1966 + j0.0650 | 45 + j30 | 26 | 27 | 0.2842 + j0.1447 | 60 + j25 |
| 11 | 12 | 0.3744 + j0.1238 | 60 + j35 | 27 | 28 | 1.0590 + j0.9337 | 60 + j20 |
| 12 | 13 | 1.4680 + j1.1550 | 60 + j35 | 28 | 29 | 0.8042 + j0.7006 | 120 + j70 |
| 13 | 14 | 0.5416 + j0.7129 | 120 + j80 | 29 | 30 | 0.5075 + j0.2585 | 200 + j600 |
| 14 | 15 | 0.5910 + j0.5260 | 60 + j10 | 30 | 31 | 0.9744 + j0.9630 | 150 + j70 |
| 15 | 16 | 0.7463 + j0.5450 | 60 + j20 | 31 | 32 | 0.3105 + j0.3619 | 210 + j100 |
| 16 | 17 | 1.2890 + j1.7210 | 60 + j20 | 32 | 33 | 0.3410 + j0.5362 | 60 + j40 |
| Line ID | From Node | To Node | Line ID | From Node | To Node | Line ID | From Node | To Node | Line ID | From Node | To Node |
|---|---|---|---|---|---|---|---|---|---|---|---|
| Line1 | 1 | 2 | Line9 | 9 | 10 | Line17 | 17 | 18 | Line25 | 6 | 26 |
| Line2 | 2 | 3 | Line10 | 10 | 11 | Line18 | 2 | 19 | Line26 | 26 | 27 |
| Line3 | 3 | 4 | Line11 | 11 | 12 | Line19 | 19 | 20 | Line27 | 27 | 28 |
| Line4 | 4 | 5 | Line12 | 12 | 13 | Line20 | 20 | 21 | Line28 | 28 | 29 |
| Line5 | 5 | 6 | Line13 | 13 | 14 | Line21 | 21 | 22 | Line29 | 29 | 30 |
| Line6 | 6 | 7 | Line14 | 14 | 15 | Line22 | 3 | 23 | Line30 | 30 | 31 |
| Line7 | 7 | 8 | Line15 | 15 | 16 | Line23 | 23 | 24 | Line31 | 31 | 32 |
| Line8 | 8 | 9 | Line16 | 16 | 17 | Line24 | 24 | 25 | Line32 | 32 | 33 |
| Line ID | Voltage/V | Current/A | Power Loss /kW + j kVar | Line ID | Voltage/V | Current/A | Power Loss /kW + j kVar |
|---|---|---|---|---|---|---|---|
| Line1 | 36.72 | 210.34 | 7.07 + j3.12 | Line17 | 5.83 | 4.92 | 0.02 + j0.03 |
| Line2 | 179.30 | 187.11 | 29.90 + j15.23 | Line18 | 7.10 | 18.09 | 0.10 + j0.09 |
| Line3 | 95.76 | 134.61 | 11.49 + j5.85 | Line19 | 47.62 | 13.58 | 0.48 + j0.43 |
| Line4 | 94.72 | 127.87 | 10.79 + j5.50 | Line20 | 9.88 | 9.06 | 0.06 + j0.07 |
| Line5 | 233.79 | 124.75 | 22.08 + j19.06 | Line21 | 9.22 | 4.53 | 0.03 + j0.03 |
| Line6 | 65.37 | 58.38 | 1.105 + j3.65 | Line22 | 45.88 | 48.48 | 1.84 + j1.25 |
| Line7 | 62.01 | 47.61 | 2.80 + j0.92 | Line23 | 86.59 | 43.69 | 2.97 + j2.34 |
| Line8 | 80.79 | 36.78 | 2.41 + j1.73 | Line24 | 43.12 | 21.88 | 0.74 + j0.58 |
| Line9 | 74.73 | 33.71 | 2.06 + 1.46 | Line25 | 25.78 | 65.34 | 1.50 + j0.76 |
| Line10 | 10.99 | 30.64 | 0.32 + j0.11 | Line26 | 34.51 | 62.48 | 1.92 + j9.79 |
| Line11 | 19.13 | 28.00 | 0.51 + 0.17 | Line27 | 145.83 | 59.63 | 6.52 + j5.75 |
| Line12 | 79.59 | 24.60 | 1.54 + j1.21 | Line28 | 105.25 | 56.97 | 4.52 + j3.94 |
| Line13 | 32.85 | 21.18 | 0.42 + j0.55 | Line29 | 49.89 | 50.58 | 2.25 + j1.15 |
| Line14 | 19.44 | 14.19 | 0.21 + j0.18 | Line30 | 55.40 | 23.35 | 0.92 + j0.91 |
| Line15 | 17.94 | 11.21 | 0.16 + j0.12 | Line31 | 12.49 | 15.13 | 0.12 + j0.14 |
| Line16 | 30.04 | 8.06 | 0.15 + j0.19 | Line32 | 3.95 | 3.59 | 0.008 + j0.012 |
| No. | Node | Normal Power Load/kW + jkVar | Power at Theft Ratio r/kW + jkVar | |||
|---|---|---|---|---|---|---|
| r1 = 0.2 | r2 = 0.4 | r3 = 0.6 | r4 = 0.8 | |||
| 1 | 4 | 120 + j80 | 96 + j64 | 72 + j48 | 48 + j32 | 24 + j16 |
| 2 | 6 | 60 + j20 | 48 + j16 | 36 + j12 | 24 + j8 | 12 + j4 |
| 3 | 14 | 120 + j80 | 96 + j64 | 72 + j48 | 48 + j32 | 24 + j16 |
| 4 | 24 | 420 + j200 | 336 + j160 | 252 + j120 | 168 + j80 | 84 + j40 |
| Branch | Electricity Theft at Node 6 | Electricity Theft at Node 24 | ||||||
|---|---|---|---|---|---|---|---|---|
| r1 = 0.2 | r2 = 0.4 | r3 = 0.6 | r4 = 0.8 | r1 = 0.2 | r2 = 0.4 | r3 = 0.6 | r4 = 0.8 | |
| Line1 | 0.593 | 1.183 | 1.771 | 2.357 | 4.196 | 8.288 | 12.279 | 16.168 |
| Line2 | 0.664 | 1.325 | 1.983 | 2.639 | 4.701 | 9.274 | 13.72 | 18.04 |
| Line3 | 0.906 | 1.808 | 2.704 | 3.595 | 0.092 | 0.183 | 0.274 | 0.364 |
| Line4 | 0.952 | 1.899 | 2.841 | 3.777 | 0.092 | 0.184 | 0.275 | 0.366 |
| Line5 | 0.974 | 1.943 | 2.906 | 3.863 | 0.092 | 0.184 | 0.276 | 0.367 |
| Line6 | 0.048 | 0.095 | 0.143 | 0.19 | 0.092 | 0.183 | 0.274 | 0.364 |
| Line7 | 0.048 | 0.096 | 0.144 | 0.192 | 0.092 | 0.184 | 0.276 | 0.367 |
| Line8 | 0.049 | 0.097 | 0.145 | 0.194 | 0.093 | 0.186 | 0.279 | 0.371 |
| Line9 | 0.049 | 0.097 | 0.146 | 0.194 | 0.094 | 0.187 | 0.279 | 0.372 |
| Line10 | 0.049 | 0.097 | 0.146 | 0.195 | 0.094 | 0.187 | 0.28 | 0.373 |
| Line11 | 0.049 | 0.098 | 0.146 | 0.195 | 0.094 | 0.187 | 0.281 | 0.373 |
| Line12 | 0.049 | 0.098 | 0.147 | 0.196 | 0.094 | 0.188 | 0.281 | 0.374 |
| Line13 | 0.049 | 0.098 | 0.147 | 0.196 | 0.094 | 0.188 | 0.282 | 0.375 |
| Line14 | 0.049 | 0.098 | 0.147 | 0.196 | 0.095 | 0.189 | 0.282 | 0.376 |
| Line15 | 0.049 | 0.098 | 0.148 | 0.197 | 0.095 | 0.189 | 0.283 | 0.376 |
| Line16 | 0.049 | 0.099 | 0.148 | 0.197 | 0.095 | 0.189 | 0.283 | 0.377 |
| Line17 | 0.049 | 0.099 | 0.148 | 0.197 | 0.095 | 0.189 | 0.283 | 0.377 |
| Line18 | 0.002 | 0.004 | 0.005 | 0.007 | 0.012 | 0.025 | 0.037 | 0.05 |
| Line19 | 0.002 | 0.004 | 0.005 | 0.007 | 0.013 | 0.025 | 0.037 | 0.05 |
| Line20 | 0.002 | 0.004 | 0.005 | 0.007 | 0.013 | 0.025 | 0.037 | 0.05 |
| Line21 | 0.002 | 0.004 | 0.005 | 0.007 | 0.013 | 0.025 | 0.037 | 0.05 |
| Line22 | 0.012 | 0.024 | 0.035 | 0.047 | 17.412 | 33.115 | 47.127 | 59.459 |
| Line23 | 0.012 | 0.024 | 0.035 | 0.047 | 19.203 | 36.314 | 51.351 | 64.331 |
| Line24 | 0.012 | 0.024 | 0.036 | 0.047 | 0.29 | 0.577 | 0.863 | 1.146 |
| Line25 | 0.048 | 0.097 | 0.145 | 0.193 | 0.093 | 0.185 | 0.278 | 0.369 |
| Line26 | 0.048 | 0.097 | 0.145 | 0.193 | 0.093 | 0.186 | 0.278 | 0.37 |
| Line27 | 0.049 | 0.097 | 0.145 | 0.194 | 0.093 | 0.186 | 0.279 | 0.371 |
| Line28 | 0.049 | 0.097 | 0.146 | 0.194 | 0.093 | 0.186 | 0.279 | 0.371 |
| Line29 | 0.049 | 0.097 | 0.146 | 0.194 | 0.094 | 0.187 | 0.279 | 0.372 |
| Line30 | 0.049 | 0.098 | 0.147 | 0.195 | 0.094 | 0.188 | 0.281 | 0.374 |
| Line31 | 0.049 | 0.098 | 0.147 | 0.196 | 0.094 | 0.188 | 0.281 | 0.374 |
| Line32 | 0.049 | 0.098 | 0.147 | 0.196 | 0.094 | 0.188 | 0.281 | 0.374 |
| No. | Node | Normal Power Load/kW + jkVar | Power at Theft Ratio r/kW + jkVar | |||
|---|---|---|---|---|---|---|
| r1 = 0.2 | r2 = 0.4 | r3 = 0.6 | r4 = 0.8 | |||
| 1 | 4 | 120 + j80 | 96 + j64 | 72 + j48 | 48 + j32 | 24 + j16 |
| 9 | 60 + j20 | 48 + j16 | 36 + j12 | 24 + j8 | 12 + j4 | |
| 2 | 20 | 90 + j40 | 72 + j32 | 54 + j24 | 36 + j16 | 18 + j8 |
| 24 | 420 + j200 | 336 + j160 | 252 + j120 | 168 + j80 | 84 + j40 | |
| No. | Electricity Theft at Nodes 4 and 9 | Electricity Theft at Nodes 20 and 24 | ||||||
|---|---|---|---|---|---|---|---|---|
| r1 = 0.2 | r2 = 0.4 | r3 = 0.6 | r4 = 0.8 | r1 = 0.2 | r2 = 0.4 | r3 = 0.6 | r4 = 0.8 | |
| Line1 | 1.921 | 3.821 | 5.702 | 7.562 | 5.034 | 9.923 | 14.669 | 19.273 |
| Line2 | 2.156 | 4.286 | 6.391 | 8.471 | 4.704 | 9.28 | 13.728 | 18.049 |
| Line3 | 2.964 | 5.88 | 8.748 | 11.569 | 0.095 | 0.189 | 0.283 | 0.376 |
| Line4 | 1.030 | 2.053 | 3.068 | 4.077 | 0.095 | 0.19 | 0.284 | 0.378 |
| Line5 | 1.053 | 2.098 | 3.136 | 4.166 | 0.095 | 0.19 | 0.285 | 0.379 |
| Line6 | 2.211 | 4.394 | 6.548 | 8.675 | 0.095 | 0.189 | 0.282 | 0.376 |
| Line7 | 2.687 | 5.333 | 7.939 | 10.504 | 0.095 | 0.19 | 0.285 | 0.379 |
| Line8 | 3.441 | 6.817 | 10.127 | 13.372 | 0.096 | 0.192 | 0.288 | 0.383 |
| Line9 | 0.141 | 0.281 | 0.421 | 0.56 | 0.097 | 0.193 | 0.288 | 0.384 |
| Line10 | 0.141 | 0.282 | 0.422 | 0.561 | 0.097 | 0.193 | 0.289 | 0.384 |
| Line11 | 0.141 | 0.282 | 0.422 | 0.562 | 0.097 | 0.193 | 0.290 | 0.385 |
| Line12 | 0.142 | 0.283 | 0.424 | 0.564 | 0.097 | 0.194 | 0.290 | 0.386 |
| Line13 | 0.142 | 0.283 | 0.424 | 0.565 | 0.097 | 0.194 | 0.291 | 0.387 |
| Line14 | 0.142 | 0.284 | 0.425 | 0.566 | 0.098 | 0.195 | 0.291 | 0.388 |
| Line15 | 0.142 | 0.284 | 0.426 | 0.567 | 0.098 | 0.195 | 0.292 | 0.388 |
| Line16 | 0.143 | 0.285 | 0.426 | 0.568 | 0.098 | 0.195 | 0.292 | 0.389 |
| Line17 | 0.143 | 0.285 | 0.427 | 0.568 | 0.098 | 0.195 | 0.292 | 0.389 |
| Line18 | 0.006 | 0.011 | 0.017 | 0.023 | 9.804 | 19.096 | 27.878 | 36.149 |
| Line19 | 0.006 | 0.011 | 0.017 | 0.023 | 12.94 | 24.976 | 36.11 | 46.343 |
| Line20 | 0.006 | 0.011 | 0.017 | 0.023 | 0.069 | 0.137 | 0.206 | 0.274 |
| Line21 | 0.006 | 0.011 | 0.017 | 0.023 | 0.069 | 0.137 | 0.206 | 0.274 |
| Line22 | 0.038 | 0.076 | 0.113 | 0.151 | 17.414 | 33.119 | 47.131 | 59.464 |
| Line23 | 0.038 | 0.076 | 0.113 | 0.151 | 19.205 | 36.317 | 51.355 | 64.335 |
| Line24 | 0.038 | 0.076 | 0.114 | 0.152 | 0.292 | 0.583 | 0.871 | 1.157 |
| Line25 | 0.096 | 0.191 | 0.287 | 0.382 | 0.096 | 0.191 | 0.286 | 0.381 |
| Line26 | 0.096 | 0.192 | 0.287 | 0.383 | 0.096 | 0.192 | 0.287 | 0.382 |
| Line27 | 0.096 | 0.192 | 0.288 | 0.384 | 0.096 | 0.192 | 0.288 | 0.383 |
| Line28 | 0.096 | 0.193 | 0.288 | 0.384 | 0.096 | 0.192 | 0.288 | 0.383 |
| Line29 | 0.097 | 0.193 | 0.289 | 0.385 | 0.097 | 0.193 | 0.288 | 0.384 |
| Line30 | 0.097 | 0.194 | 0.290 | 0.385 | 0.097 | 0.193 | 0.288 | 0.384 |
| Line31 | 0.097 | 0.194 | 0.291 | 0.385 | 0.097 | 0.194 | 0.290 | 0.386 |
| Line32 | 0.097 | 0.194 | 0.291 | 0.385 | 0.097 | 0.194 | 0.290 | 0.386 |
| No. | Topological Feature | Calculation Method |
|---|---|---|
| 1 | Node Closeness Centrality | |
| 2 | Node Betweenness Centrality | |
| 3 | Node Hierarchical Depth | |
| 4 | Neighbor Connectivity Density | |
| 5 | Electrical Coupling Strength |
| No. | Feature Name | Calculation Method | No. | Feature Name | Calculation Method |
|---|---|---|---|---|---|
| 1 | Monthly Average Voltage | 9 | Current Jump Frequency | ||
| 2 | Voltage Fluctuation Index | 10 | Monthly Active Power Integral | ||
| 3 | Voltage Skewness | 11 | Monthly Reactive Power Integral | ||
| 4 | Weekly Fluctuation Rate | 12 | Mean Power Factor | ||
| 5 | Mean Daily Peak-to-Valley Voltage | 13 | Power–Current Covariance | ||
| 6 | Voltage Jump Frequency | 14 | Power Output per Unit Current | ||
| 7 | Monthly Average Current | 15 | Voltage–Current Correlation Coefficient | ||
| 8 | Peak-to-Valley Current Difference | 16 | Power-Time Peak-Valley Synchronization |
| Evaluation Metric | K-Means Results | DBSCAN Results |
|---|---|---|
| Silhouette Coefficient | 0.32 | 0.68 |
| Calinski–Harabasz Index | 152.7 | 286.4 |
| Davies–Bouldin Index | 1.85 | 0.62 |
| No. | Feature | Node A Value | Z-Score | Node B Value | Z-Score |
|---|---|---|---|---|---|
| 1 | Node Closeness Centrality | 0.081 | −0.32 | 0.078 | −0.49 |
| 2 | Node Betweenness Centrality | 650 | 0.49 | 146 | −0.55 |
| 3 | Node Hierarchical Depth | 9 | −0.63 | 19 | 1.12 |
| 4 | Neighbor Connectivity Density | 0.027 | 0.037 | 0.027 | 0.037 |
| 5 | Electrical Coupling Strength | 4.80% | −0.45 | 3.60% | −1.11 |
| 6 | Monthly Average Voltage (kV) | 10.51 | 0.35 | 10.36 | 0.05 |
| 7 | Voltage Fluctuation Index | 0.15% | 0.55 | 0.12% | 0.42 |
| 8 | Voltage Skewness | 0.03 | 0.12 | 0.08 | 0.42 |
| 9 | Weekly Fluctuation Rate | 0.25% | −1.02 | 0.18% | −1.31 |
| 10 | Mean Daily Peak-to-Valley Voltage (kV) | 0.18 | −0.75 | 0.25 | 0.13 |
| 11 | Voltage Jump Frequency | 1/month | −1.22 | 3/month | 0.25 |
| 12 | Monthly Average Current (A) | 480.3 | 1.25 | 85.6 | −0.32 |
| 13 | Peak-to-Valley Current Difference (A) | 78.5 | 0.28 | 45.2 | −0.35 |
| 14 | Current Jump Frequency | 2/month | −0.54 | 5/month | 0.84 |
| 15 | Monthly Active Power Integral (MWh) | 1380 | 1.12 | 65.8 | −0.31 |
| 16 | Monthly Reactive Power Integral (MVarh) | 320 | 0.85 | 12.3 | −0.67 |
| 17 | Mean Power Factor | 0.90 | 0.41 | 0.85 | −0.23 |
| 18 | Power-Current Covariance | 0.65 | 0.95 | 0.42 | 0.25 |
| 19 | Power Output per Unit Current (kW/A) | 0.33 | 0.15 | 0.25 | −0.45 |
| 20 | Voltage-Current Correlation Coefficient | 0.87 | 0.91 | 0.82 | −0.54 |
| 21 | Power-Time Peak-Valley Synchronization | 0.92 | 0.65 | 0.75 | 0.26 |
| Method | Accuracy (%) | Anomaly Variability (%) | Noise Sensitivity (%) | Label Requirement |
|---|---|---|---|---|
| Proposed Method | 90.72 | ±1.2 | ±2.15 | None |
| CNN (Supervised) | 92.31 | ±0.8 | ±1.53 | High |
| K-means | 84.84 | ±4.51 | ±6.32 | None |
Disclaimer/Publisher’s Note: The statements, opinions and data contained in all publications are solely those of the individual author(s) and contributor(s) and not of MDPI and/or the editor(s). MDPI and/or the editor(s) disclaim responsibility for any injury to people or property resulting from any ideas, methods, instructions or products referred to in the content. |
© 2025 by the authors. Licensee MDPI, Basel, Switzerland. This article is an open access article distributed under the terms and conditions of the Creative Commons Attribution (CC BY) license (https://creativecommons.org/licenses/by/4.0/).
Share and Cite
Chen, J.; Guan, Z.; Bai, W.; Liu, J.; Zhao, Y.; Zhou, J.; Xiong, L. Improved DBSCAN-Based Electricity Theft Detection Using Spatiotemporal Fusion Features. Appl. Sci. 2025, 15, 12028. https://doi.org/10.3390/app152212028
Chen J, Guan Z, Bai W, Liu J, Zhao Y, Zhou J, Xiong L. Improved DBSCAN-Based Electricity Theft Detection Using Spatiotemporal Fusion Features. Applied Sciences. 2025; 15(22):12028. https://doi.org/10.3390/app152212028
Chicago/Turabian StyleChen, Jianlin, Zhe Guan, Wei Bai, Jiayue Liu, Yanlong Zhao, Junyu Zhou, and Lan Xiong. 2025. "Improved DBSCAN-Based Electricity Theft Detection Using Spatiotemporal Fusion Features" Applied Sciences 15, no. 22: 12028. https://doi.org/10.3390/app152212028
APA StyleChen, J., Guan, Z., Bai, W., Liu, J., Zhao, Y., Zhou, J., & Xiong, L. (2025). Improved DBSCAN-Based Electricity Theft Detection Using Spatiotemporal Fusion Features. Applied Sciences, 15(22), 12028. https://doi.org/10.3390/app152212028

