Research on the CSODC Strategy Based on Impedance Model Prediction and SSO Stability Assessment of DFIGs
Abstract
1. Introduction
- (1)
- The centralized sub-synchronous oscillation damping controller (CSODC, see Table A1) is proposed for the first time. This controller can increase the equivalent resistance of the system at the sub-synchronous frequency and damp the SSO successfully.
- (2)
- The multi-operating point impedance of the DFIG is obtained through scanning and derived using a Taylor series expansion for the “black-box” controller.
- (3)
- An adaptive tuning strategy has been developed for optimizing the phase angle, gain coefficient, and filter parameters of the controller to suppress oscillations across diverse operational scenarios. This adaptive tuning framework ensures effective performance under varying grid conditions. Simulations demonstrate that the proposed centralized damping controller effectively mitigates sub-synchronous resonance and enhances system stability.
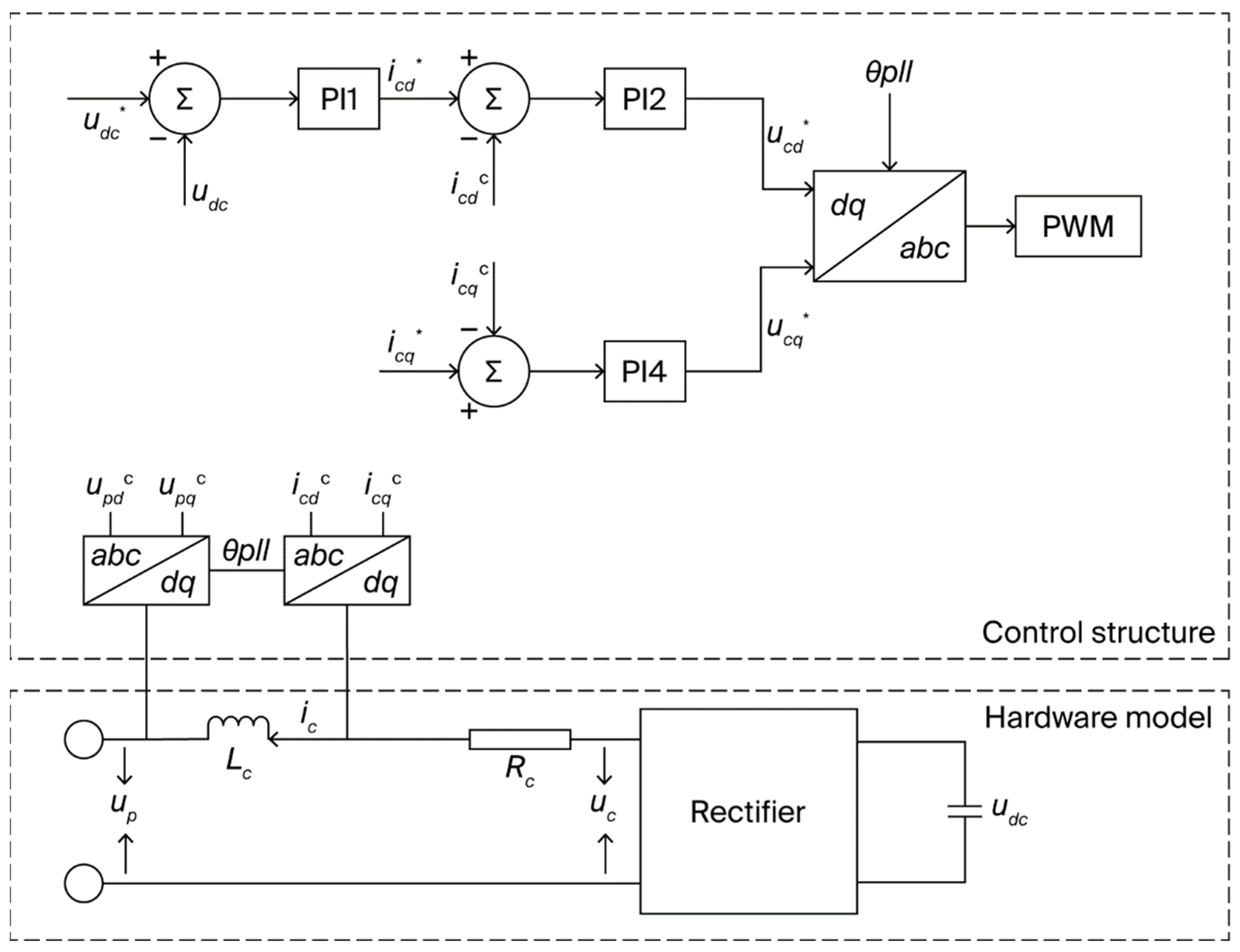
2. DFIG Impedance Modeling
- : Electrical angle;
- : Output phase angle of the phase-locked loop (PLL) with transfer function ;
- /: Rotor-side dq-axis current references;
- /: Grid-side dq-axis current references;
- /: Measured rotor-side dq-axis currents;
- /: Measured grid-side dq-axis currents;
- : Rotor three-phase currents;
- : Rotor-side converter voltage modulation indices;
- : Grid-side converter voltage modulation indices;
- : DC-link voltage;
- : Stator three-phase output voltages;
- /: d/q-axis components of generator-side converter output voltages in synchronous rotating frame;
- : Generator-side converter three-phase output currents;
- /: d/q-axis components of generator-side modulation indices in synchronous rotating frame;
- : Rotor-side current PI controller;
- : Grid-side converter three-phase output currents;
- /: d/q-axis components of grid-side modulation indices in synchronous rotating frame;
- : Grid-side current PI controller.
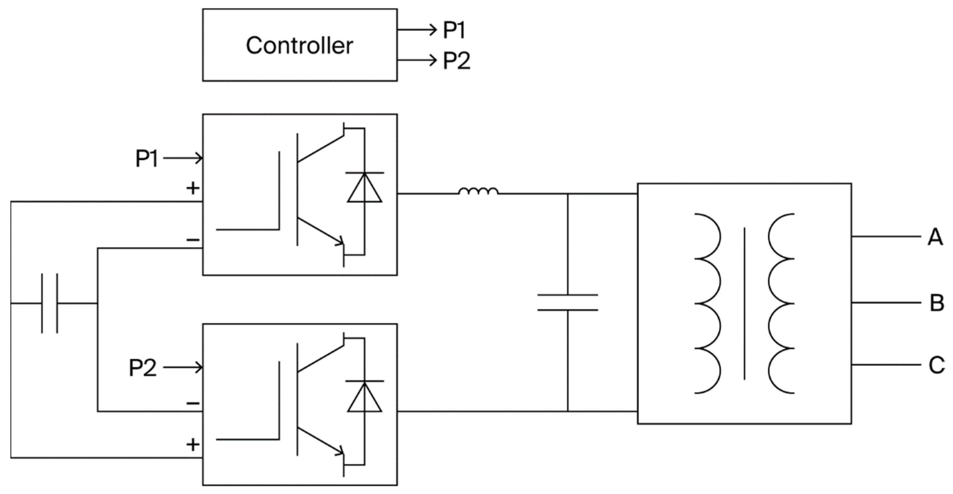
3. Centralized Sub-Synchronous Damping Control Device for Wind Farms
3.1. CSODC Principle and Structure
3.1.1. Mode Filter Design
3.1.2. Proportional-Phase Shift Section
3.1.3. Converter Controller
3.1.4. The CSODC with RTLAB
- (1)
- Converter control module
- (2)
- Converter main circuit module and its connection system
3.2. CSODC Input Signal and Parameter Design
- (1)
- Optimal gain parameter Tu
- (2)
- Optimal gain parameter Ku
4. Verification of the CSODC Resonance Suppression Effect
4.1. Series Capacitor
4.2. Wind Speed
5. Summary
Author Contributions
Funding
Data Availability Statement
Conflicts of Interest
Appendix A
| Serial Number | Full Name | Abbreviation |
|---|---|---|
| 1 | Sub-synchronous control interaction | SSCI |
| 2 | Doubly fed induction generator | DFIG |
| 3 | Centralized sub-synchronous oscillation damping controller | CSODC |
| 4 | Sub-synchronous oscillation | SSO |
| 5 | Sub-synchronous damping calculator | SSDC |
| 6 | International Energy Agency | IEA |
| 7 | Superconducting magnetic energy storage system | SMES |
| 8 | Battery energy storage system | BESS |
| 9 | Rotor-side converter | RSC |
| 10 | Grid-side converter | GSC |
| 11 | Maximum power point tracking | MPPT |
References
- Wang, W.; Li, G.; Chen, Y.; He, G.; Wu, W.; Xiao, Y.; Guo, Z.; Zhou, D. Review of Wideband Impedance Measurement Technology and Equipment for New Energy Power Generation. J. Electr. Eng. China 2025, 1–18. Available online: http://kns.cnki.net/kcms/detail/11.2107.TM.20250411.1501.011.html (accessed on 19 June 2025).
- Li, D.; Sun, T.; Yi, C.; Gao, W.; Li, S.; Lyu, B.; Li, H.; Zhang, Y.; Bai, Z.; Wang, J.; et al. Research on the Development of Deep-Sea Floating Wind Power Technology. Chin. J. Eng. Sci. 2025, 27, 108–122. [Google Scholar] [CrossRef]
- Li, M.; Yu, Z.; Xu, T.; He, J.; Wang, C.; Xie, X. Research on Complex Oscillation Problems Caused by New Energy Grid-Connected Systems and Countermeasures. Power Syst. Technol. 2017, 41, 1035–1042. [Google Scholar] [CrossRef]
- Wang, W.; Zhang, C.; He, G.; Li, G.; Zhang, J.; Wang, H. Review of Subsynchronous Oscillations in Grid-Connected Systems of Large-Scale Wind Farms. Power Syst. Technol. 2017, 41, 1050–1060. [Google Scholar] [CrossRef]
- Xie, X.; Liu, H.; He, J.; Liu, H.; Liu, W. A Brief Analysis of New Oscillation Problems in Power Systems. J. Electr. Eng. China 2018, 38, 2821–2828+3133. [Google Scholar] [CrossRef]
- Irwin, G.D.; Jindal, A.K.; Isaacs, A.L. Sub-synchronous control interactions between type 3 wind turbines and series compensated AC transmission systems. In Proceedings of the 2011 IEEE Power and Energy Society General Meeting, Detroit, MI, USA, 24–28 July 2011; pp. 1–6. [Google Scholar] [CrossRef]
- Leon, A.E.; Solsona, J.A. Sub-Synchronous Interaction Damping Control for DFIG Wind Turbines. IEEE Trans. Power Syst. 2015, 30, 419–428. [Google Scholar] [CrossRef]
- Ma, X.; Wen, J.; Yan, W.; Lu, Y.; Wang, N.; Zhou, Q.; Lv, R.; Wang, C. Application Analysis of Voltage Single-Loop Control Strategy in Zhangbei Flexible DC Project. Autom. Electr. Power Syst. 2025, 49, 198–207. [Google Scholar]
- Zhao, L. China’s green energy development becomes the engine of global energy transition. Ecol. Econ. 2024, 40, 9–12. [Google Scholar]
- Zhang, J.; Teng, J.; Li, X.; Tan, Z. Short-term prediction of photovoltaic power based on meteorological characteristics and improved Transformer. Therm. Power Eng. 2024, 39, 146–154. [Google Scholar]
- Roinila, T.; Vilkko, M.; Sun, J. Online Grid Impedance Measurement Using Discrete-Interval Binary Sequence Injection. IEEE J. Emerg. Sel. Top. Power Electron. 2014, 2, 985–993. [Google Scholar] [CrossRef]
- Chen, X.; Zhang, Y.; Wang, S.; Chen, J.; Gong, C. Impedance-Phased Dynamic Control Method for Grid-Connected Inverters in a Weak Grid. IEEE Trans. Power Electron. 2016, 32, 274–283. [Google Scholar] [CrossRef]
- Wen, B.; Boroyevich, D.; Burgos, R.; Mattavelli, P.; Shen, Z. Analysis of D-Q Small-Signal Impedance of Grid-Tied Inverters. IEEE Trans. Power Electron. 2015, 31, 675–687. [Google Scholar] [CrossRef]
- Liu, P.; Cui, Y.; Liu, Z.; Liang, Y. Research on a unified analysis method for the stability of grid-connected converters based on impedance analysis. Power Syst. Prot. Control. 2023, 51, 114–125. [Google Scholar] [CrossRef]
- Wang, Q.; Zhao, Y.; Feng, L.; Yi, L.; Li, Z.; Ma, J.; Shen, Y. Study on Sub/Supersynchronous Oscillation Suppression Strategies for Direct-Drive Wind Farms via Multi-Terminal Flexible DC Grid-Connection Systems Under Sender-Side Fault Scenarios. J. Electr. Eng. China 2025, 1–11. Available online: http://kns.cnki.net/kcms/detail/11.2107.TM.20250312.1758.005.html (accessed on 19 June 2025).
- Xu, Y.; Nian, H.; Wang, T.; Chen, L.; Zheng, T. Frequency Coupling Characteristic Modeling and Stability Analysis of Doubly Fed Induction Generator. IEEE Trans. Energy Convers. 2018, 33, 1475–1486. [Google Scholar] [CrossRef]
- Zhang, F.; Chen, W.; Li, K.; Guo, X.; Xue, A. The Impact of Active Power Restoration Control in a Double-Fed Wind Farm on the Initial Stability of a Wind-Fired Bundled System and Its Improved Control Strategy. Power Syst. Prot. Control. 2025, 53, 136–150. [Google Scholar] [CrossRef]
- Wang, N.; Ke, W.; Yao, R.; Chen, T.; Li, Y. Wideband Oscillation Suppression Strategy for Grid-connected Double-fed Wind Turbines Based on Impedance Reshaping. J. Electr. Power Syst. Autom. 2025, 37, 29–37. [Google Scholar] [CrossRef]
- Chen, J.; Hu, Y.; Wang, Y.; Li, J.; Wang, X.; Jiang, Q.; Zheng, X. Study on harmonic interaction between paralleled STATCOMs with cascaded H-bridge topology in wind farm clusters. IET Renew. Power Gener. 2021, 15, 2515–2525. [Google Scholar] [CrossRef]
- Chen, J.; Zhao, B.; Zhao, B. Modeling and Stability Analysis of VSG-type Grid-connected Energy Storage dq Impedance Considering the Influence of Multiple Control Loops. Energy Storage Sci. Technol. 2025, 14, 222–239. [Google Scholar] [CrossRef]
- Liu, C.; Liu, Z.; Han, J. Adaptive Suppression of Sub/Supersynchronous Oscillations in AC Transmission Systems for Black/Gray Box New Energy Power Stations. J. Electr. Eng. China 2025, 45, 1–13. Available online: https://doi.org/10.13334/j.0258-8013.pcsee.232766 (accessed on 19 June 2025).
- Lyu, J.; Rao, Y.; Wang, Z.; Dai, J.; Cai, X. Data-Driven Impedance Identification and Stability Online Assessment of Wind Farm Connected With MMC-HVDC. IEEE Trans. Ind. Appl. 2023, 60, 2567–2576. [Google Scholar] [CrossRef]
- Meng, F.; Guo, C.; Zhang, J.; Hu, C. Online Identification of Vulnerable Points in Multi-Level Oscillations of Wind Farm Grid-Connected Systems Using Gray Box Modeling of Unit Parameters. Power Syst. Autom. 2024, 1–15. Available online: http://kns.cnki.net/kcms/detail/32.1180.tp.20241023.0959.002.html (accessed on 19 June 2025).
- Zhao, C.; Jiang, Q. Black-box identification method for the impedance model of grid-connected converters under all operating conditions. Power Syst. Prot. Control. 2024, 52, 48–55. [Google Scholar] [CrossRef]
- Zhang, X.; Huang, H.; Xie, Q.; Gao, L.; Ye, J.; Ma, S. Research on the Suppression Strategy With SMES of SSO for the Black-Box DFIG System. IEEE Access 2025, 13, 45715–45732. [Google Scholar] [CrossRef]
- Abdeen, M.; Li, H.; Jing, L. Improved subsynchronous oscillation detection method in a DFIG-based wind farm interfaced with a series-compensated network. Int. J. Electr. Power Energy Syst. 2020, 119, 105930. [Google Scholar] [CrossRef]
- He, Z.; Gao, C.; Ding, X.; Wang, C.; Li, T.; Wu, C. A Review of Fault Defense Technologies for Phase-Switching Failures in Multi-Feed High-Voltage Direct Current Transmission Systems. High Volt. Technol. 2024, 50, 2735–2746. [Google Scholar] [CrossRef]
- Wu, W. Research on the Wideband Oscillation Mechanism and Suppression Methods of New Energy Power Generation Connected to Weak Grids. Ph.D. Thesis, Hunan University, Changsha, China, 2019. [Google Scholar] [CrossRef]
- Gao, Y. Impedance Modeling of Double-Feedback Wind Power Grid-Connected Systems and Analysis of Sub/Super-Synchronous Oscillation Mechanisms. Master’s Thesis, North China Electric Power University, Beijing, China, 2020. [Google Scholar] [CrossRef]
- Xu, Y. Modeling of Impedance and Analysis of Grid Stability of Wind Turbines Under Oscillation Frequency Coupling. Ph.D. Thesis, Zhejiang University, Hangzhou, China, 2021. [Google Scholar] [CrossRef]
- Zhang, X.; Xu, S.; Huang, H.; Zheng, P.; Wang, L.; Wang, X.; Wang, Y. Risk prediction of sub-synchronous oscillation based on the black-box impedance model of DFIG for multiple operating conditions. In Proceedings of the 12th International Conference on Renewable Power Generation (RPG 2023), Shanghai, China, 14–15 October 2023; pp. 686–693. [Google Scholar] [CrossRef]




















| Operating Conditions | Active Power (pu) | Reactive Power (pu) | Terminal Voltage (pu) |
|---|---|---|---|
| 1 | 1 | 0 | 1 |
| 2 | 0.9 | 0 | 1 |
| 3 | 0.8 | 0 | 1 |
| 4 | 0.7 | 0 | 1 |
| 5 | 0.6 | 0 | 1 |
| 6 | 0.5 | 0 | 1 |
| 7 | 0.4 | 0 | 1 |
| 8 | 0.3 | 0 | 1 |
| 9 | 0.2 | 0 | 1 |
| 10 | 0.1 | 0 | 1 |
Disclaimer/Publisher’s Note: The statements, opinions and data contained in all publications are solely those of the individual author(s) and contributor(s) and not of MDPI and/or the editor(s). MDPI and/or the editor(s) disclaim responsibility for any injury to people or property resulting from any ideas, methods, instructions or products referred to in the content. |
© 2025 by the authors. Licensee MDPI, Basel, Switzerland. This article is an open access article distributed under the terms and conditions of the Creative Commons Attribution (CC BY) license (https://creativecommons.org/licenses/by/4.0/).
Share and Cite
Wang, X.; Ren, Y.; Wu, L.; Deng, X.; Zhang, X.; Wang, Q. Research on the CSODC Strategy Based on Impedance Model Prediction and SSO Stability Assessment of DFIGs. Appl. Sci. 2025, 15, 11218. https://doi.org/10.3390/app152011218
Wang X, Ren Y, Wu L, Deng X, Zhang X, Wang Q. Research on the CSODC Strategy Based on Impedance Model Prediction and SSO Stability Assessment of DFIGs. Applied Sciences. 2025; 15(20):11218. https://doi.org/10.3390/app152011218
Chicago/Turabian StyleWang, Xiao, Yina Ren, Linlin Wu, Xiaoyang Deng, Xu Zhang, and Qun Wang. 2025. "Research on the CSODC Strategy Based on Impedance Model Prediction and SSO Stability Assessment of DFIGs" Applied Sciences 15, no. 20: 11218. https://doi.org/10.3390/app152011218
APA StyleWang, X., Ren, Y., Wu, L., Deng, X., Zhang, X., & Wang, Q. (2025). Research on the CSODC Strategy Based on Impedance Model Prediction and SSO Stability Assessment of DFIGs. Applied Sciences, 15(20), 11218. https://doi.org/10.3390/app152011218
