PWM-Based Speed and Position Estimations for Permanent Magnet Synchronous Machines
Abstract
1. Introduction
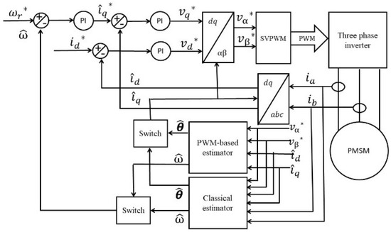
2. Control and Estimation
2.1. Machine Model
2.2. Classical Flux-Based MRAS Speed Estimator
2.3. PWM-Based Speed Estimator
3. Simulation Results
4. Experimental Setups
5. Experimental Results
6. Conclusions
Author Contributions
Funding
Institutional Review Board Statement
Informed Consent Statement
Data Availability Statement
Conflicts of Interest
References
- Krishnan, R. Permanent Magnet Synchronous and Brushless DC Motor Drives; CRC Press: Cleveland, OH, USA, 2017. [Google Scholar]
- Bose, B.K. Power Electronics and Variable Frequency Drives; Wiley: Hoboken, NJ, USA, 1996. [Google Scholar]
- Zuo, Y.; Lai, C.; Iyer, K.L.V. A Review of Sliding Mode Observer Based Sensorless Control Methods for PMSM Drive. IEEE Trans. Power Electron. 2023, 38, 11352–11367. [Google Scholar] [CrossRef]
- Krishna, S.M.; Daya, J.F. MRAS speed estimator with fuzzy and PI stator resistance adaptation for sensorless induction motor drives using RT-lab. Perspect. Sci. 2016, 8, 121–126. [Google Scholar] [CrossRef]
- Maiti, S.; Verma, V.; Chakraborty, C.; Hori, Y. An Adaptive Speed Sensorless Induction Motor Drive with Artificial Neural Network for Stability Enhancement. IEEE Trans. Ind. Inform. 2012, 8, 757–766. [Google Scholar] [CrossRef]
- Matsumoto, A.; Hasegawa, M.; Tomita, M.; Matsui, K. Algebraic design of full-order flux observer for IPMSM position sensorless control. In Proceedings of the IEEE International Electric Machines & Drives Conference (IEMDC), Niagara Falls, ON, Canada, 22 August 2011; pp. 1276–1281. [Google Scholar]
- Lee, K.-G.; Lee, J.-S.; Lee, K.-B. SPMSM sensorless control for wide speed range using full-order flux observer. In Proceedings of the IEEE International Conference on Industrial Technology (ICIT), Busan, Republic of Korea, 26 February–1 March 2014; pp. 164–168. [Google Scholar]
- Xu, Y.; Yao, M.; Sun, X. Overview of Position-Sensorless Technology for Permanent Magnet Synchronous Motor Systems. World Electr. Veh. J. 2023, 14, 212. [Google Scholar] [CrossRef]
- Xu, P.L.; Zhu, Z.Q. Comparison of carrier signal injection methods for sensorless control of PMSM drives. In Proceedings of the IEEE Energy Conversion Congress and Exposition (ECCE), Montreal, QC, Canada, 20–24 September 2015; pp. 5616–5623. [Google Scholar]
- Zhang, Z. Sensorless Back EMF Based Control of Synchronous PM and Reluctance Motor Drives—A Review. IEEE Trans. Power Electron. 2022, 37, 10290–10305. [Google Scholar] [CrossRef]
- Zhang, X.; Bodrov, A.; Apsley, J.; Semjonovs, A.; Zbede, Y. Speed Sensorless Control of a Surface-mounted Permanent Magnet Drive. In Proceedings of the 2019 10th International Conference on Power Electronics and ECCE Asia (ICPE 2019—ECCE Asia), Busan, Republic of Korea, 27–30 May 2019; pp. 2853–2859. [Google Scholar]
- Kumar, R.; Das, S.; Syam, P.; Chattopadhyay, A.K. Review on model reference adaptive system for sensorless vector control of induction motor drives. IET Electr. Power Appl. 2015, 9, 496–511. [Google Scholar] [CrossRef]
- Zhao, Y.; Wei, C.; Zhang, Z.; Qiao, W. A Review on Position/Speed Sensorless Control for Permanent-Magnet Synchronous Machine-Based Wind Energy Conversion Systems. IEEE J. Emerg. Sel. Top. Power Electron. 2013, 1, 203–216. [Google Scholar] [CrossRef]
- Teja, A.R.; Verma, V.; Chakraborty, C. A New Formulation of Reactive-Power-Based Model Reference Adaptive System for Sensorless Induction Motor Drive. IEEE Trans. Ind. Electron. 2015, 62, 6797–6808. [Google Scholar] [CrossRef]
- Karol, W.; Grzegorz, T.; Krzysztof, S.; Seiichiro, K. Improving Regenerating Mode Operation of MRAS-Based Induction Motor Speed Estimation Using the Multilayer Technique. IEEE Access 2024, 12, 153063–153073. [Google Scholar] [CrossRef]
- Zbede, Y.B.; Gadouie, S.M.; Atkinson, D.J. Model Predictive MRAS Estimator for Sensorless Induction Motor Drives. IEEE Trans. Ind. Electron. 2016, 63, 3511–3521. [Google Scholar] [CrossRef]
- Shin, M.H.; Hyun, D.S.; Cho, S.B.; Choe, S.Y. An improved stator flux estimation for speed sensorless stator flux orientation control of induction motors. IEEE Trans. Power Electron. 2000, 15, 312–318. [Google Scholar] [CrossRef]
- Hinkkanen, M.; Luomi, J. Modified integrator for voltage model flux estimation of induction motors. IEEE Trans. Ind. Electron. 2003, 50, 818–820. [Google Scholar] [CrossRef]
- Huang, K.; Li, W.; Huang, S.; Xiao, L.; Zheng, L.; Xu, Z. Sensorless control of direct-driven permanent magnet wind power generation system based on improved MRAS. In Proceedings of the 2011 International Conference on Electrical Machines and Systems, Beijing, China, 20–23 August 2011; pp. 1–5. [Google Scholar]
- Strinić, T.; Silber, S.; Gruber, W. The Flux-Based Sensorless Field-Oriented Control of Permanent Magnet Synchronous Motors without Integrational Drift. Actuators 2018, 7, 35. [Google Scholar] [CrossRef]
- Xu, W.; Jiang, Y.; Mu, C.; Blaabjerg, F. Improved nonlinear flux observer-based second-order soifo for PMSM sensorless control. IEEE Trans. Power Electron. 2019, 34, 565–579. [Google Scholar] [CrossRef]
- Zuo, Y.; Ge, X.; Zheng, Y.; Chen, Y.; Wang, H.; Woldegiorgis, A.T. An Adaptive Active Disturbance Rejection Control Strategy for Speed-Sensorless Induction Motor Drives. IEEE Trans. Transp. Electrif. 2022, 8, 3336–3348. [Google Scholar] [CrossRef]
- Accetta, A.; Cirrincione, M.; Girolamo, S.D.; D’Ippolito, F.; Pucci, M.; Sferlazza, A. Robust Nonlinear Control for Induction Motor Drives Based on Adaptive Disturbance Compensation. IEEE Trans. Ind. Appl. 2025, 61, 3163–3173. [Google Scholar] [CrossRef]
- Pindoriya, R.M.; Tejan, K.V.; Rajpurohit, B.S. Stator feed-forward voltage estimation with MRAS technique for position sensorless PMSM drive. Int. J. Power Electron. 2023, 18, 460–481. [Google Scholar] [CrossRef]
- Zaky, M.S.; Metwaly, M.K. Sensitivity analysis of a stator current-based MRAS estimator for sensorless induction motor drives. Eng. Technol. Appl. Sci. Res. 2024, 14, 17584–17590. [Google Scholar] [CrossRef]
- Salman, E.; Yilmaz, M. A Novel Sensorless Control Approach for IPMSM Using Extended Flux Based PI Observer for Washing Machine Applications. Int. J. Control. Autom. Syst. 2023, 21, 2313–2322. [Google Scholar] [CrossRef]
- Xiao, S.; Griffo, A. PWM-Based Flux Linkage and Rotor Temperature Estimations for Permanent Magnet Synchronous Machines. IEEE Trans. Power Electron. 2020, 35, 6061–6069. [Google Scholar] [CrossRef]



















| Parameters | Value | Parameters | Value |
|---|---|---|---|
| Motor parameters | Speed controller | ||
| Pole pairs | 3 | 0.1 A/(rad/s) | |
| Rated Power | 2.1 kW | 2 A /(rad/s) | |
| Stator resistance | 2.19 Ω | Classical MRAS | |
| Rated current | 4.2 A | 200 rad | |
| Base speed | 3000 rpm | 2000 rad | |
| Rated torque | 6.7 Nm | PWM-MRAS | |
| Torque constant | 1.6 Nm/A | 500 rad | |
| PM flux linkage | 0.356 V/Hz | 2000 rad | |
| 12.5 mH | Signal injection | ||
| 15 mH | 40 V | ||
| Inertia | 0.00077 Kg· | 400 Hz | |
| Inverter parameters | LPF | 50 Hz | |
| PWM freq | 3.125 kHz | BPF | 350–450 Hz |
| DC link | 700 V | MRAS voltage estimator | |
| Dead time | 0.5 µs | LPF | 3 Hz |
| Current controller | Encoder specs | ||
| 200 V/A | Resolution | 4096 CPR | |
| 1000 V/(A·s) | |||
| Metric | Operating Point | Classical MRAS | PWM-Based MRAS |
|---|---|---|---|
| Peak Position Error | 30 rad/s | 0.2 rad | 0.02 rad |
| 50 rad/s at no load | 0.14 rad | 0.034 rad | |
| 50 rad/s at 40% of rated load | 0.15 rad | 0.07 rad | |
| Speed Ripple | 30 rad/s | 8.3% | 2.67% |
| 50 rad/s at no load | 3.6% | 1.8% | |
| 50 rad/s at 40% of rated load | 4% | 2.2% | |
| Settling Time | Step from 0 to 1.4 Nm Motoring mode | 0.28 s | 0.3 s |
| Step from 0 to 1.4 Nm regenerative mode | 1.4 s | 1.5 s | |
| Overshoot | Step from 0 to 1.4 Nm Motoring mode | 12% | 14% |
| Step from 0 to 1.4 Nm regenerative mode | 40% | 20% | |
| Position Accuracy at low-Speed | Low speed | degraded | Not affected |
| Failure Threshold (Minimum speed) | Low speed (rad/s) | 10 | <5 |
| Robustness under Parameter Mismatch | Change stator resistance | Increase speed ripples | Not affected |
| Execution time | TI C2000 (150 MHz) | 9 µs | 13 µs |
Disclaimer/Publisher’s Note: The statements, opinions and data contained in all publications are solely those of the individual author(s) and contributor(s) and not of MDPI and/or the editor(s). MDPI and/or the editor(s) disclaim responsibility for any injury to people or property resulting from any ideas, methods, instructions or products referred to in the content. |
© 2025 by the authors. Licensee MDPI, Basel, Switzerland. This article is an open access article distributed under the terms and conditions of the Creative Commons Attribution (CC BY) license (https://creativecommons.org/licenses/by/4.0/).
Share and Cite
Shlimet, S.B.; Griffo, A. PWM-Based Speed and Position Estimations for Permanent Magnet Synchronous Machines. Appl. Sci. 2025, 15, 9859. https://doi.org/10.3390/app15189859
Shlimet SB, Griffo A. PWM-Based Speed and Position Estimations for Permanent Magnet Synchronous Machines. Applied Sciences. 2025; 15(18):9859. https://doi.org/10.3390/app15189859
Chicago/Turabian StyleShlimet, Saleh B., and Antonio Griffo. 2025. "PWM-Based Speed and Position Estimations for Permanent Magnet Synchronous Machines" Applied Sciences 15, no. 18: 9859. https://doi.org/10.3390/app15189859
APA StyleShlimet, S. B., & Griffo, A. (2025). PWM-Based Speed and Position Estimations for Permanent Magnet Synchronous Machines. Applied Sciences, 15(18), 9859. https://doi.org/10.3390/app15189859

