The Application of Numerical Ductile Fracture Simulation in the LBB Evaluation of Nuclear Pipes
Abstract
1. Introduction
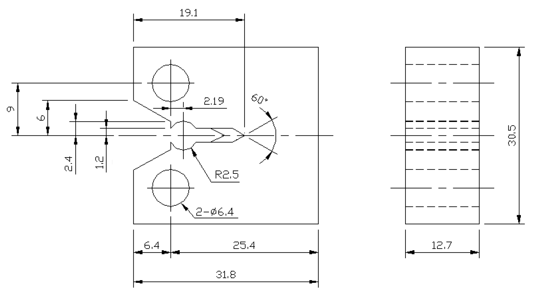
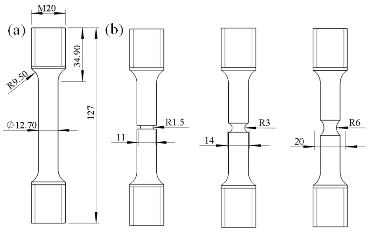
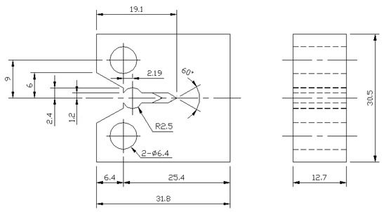
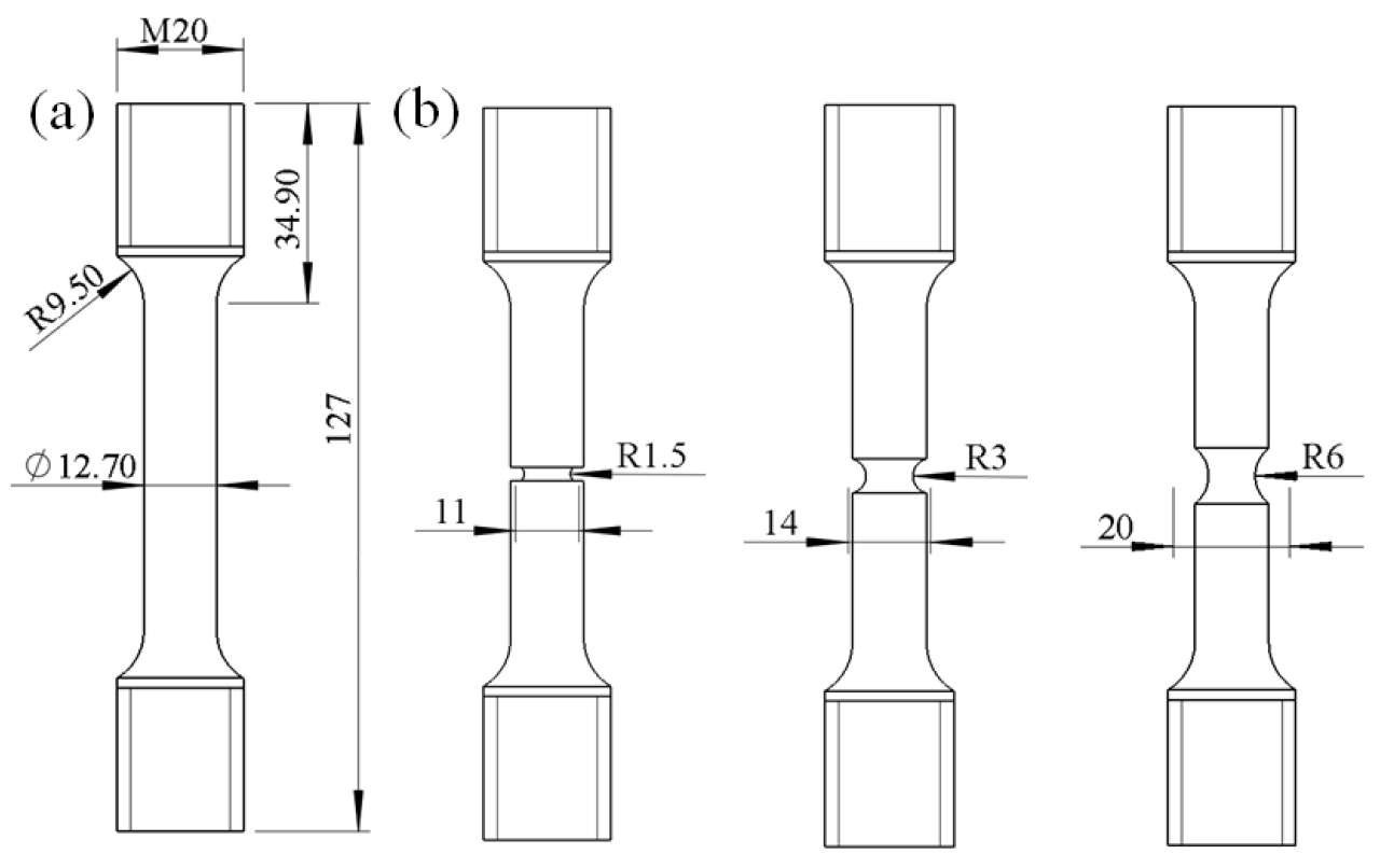
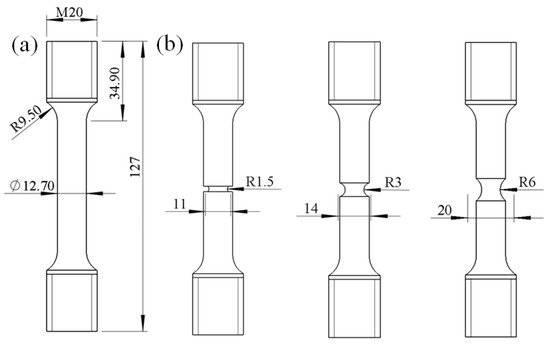
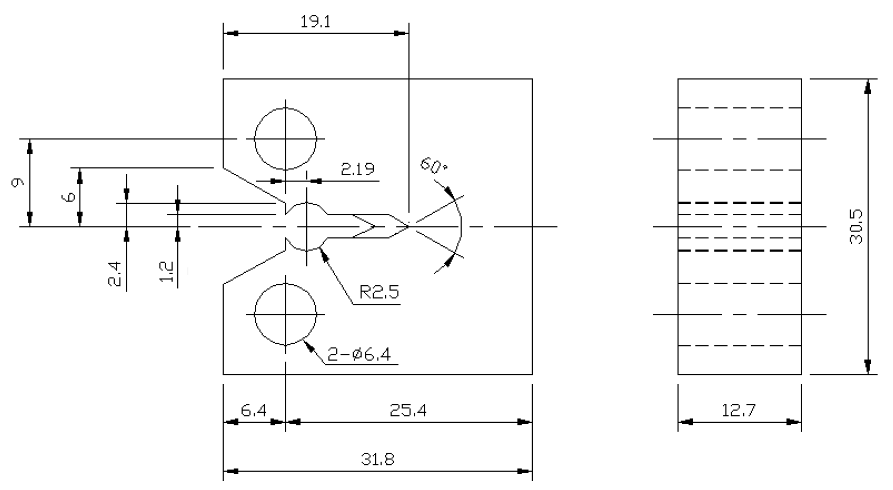
2. Materials and Methods
3. Numerical Ductile Fracture Simulation
3.1. Ductile Fracture Model
3.2. Calibration of Parameters
3.3. Simulation Results
4. LBB Analysis and Discussion
5. Conclusions
- The extended SMCS model is employed to accurately simulate the crack propagation behavior in full-scale nuclear pipes with circumferential cracks. By introducing a mesh-dependent critical damage parameter (ωc), the dependence of crack-tip stress–strain fields on mesh size was effectively reduced, enabling the use of larger element sizes in simulations. The ωc values for specific mesh sizes were calibrated by comparing the simulation results with experimental data from CT specimens.
- Through CDFD analysis, the critical load levels were calibrated for pipes with different initial crack lengths and compared. For a pipe with a large initial crack length (2θ = 180°), the critical load levels in the LBB concept predicted based on the J-R curve of a CT specimen are close to those predicted based on the J-R curve of a full-scale pipe, while for a pipe with a short initial crack length (2θ = 60°), using a CT specimen to predict the critical load level of the pipe may result in significant conservatism.
- Crack growth behaviors of full-scale nuclear pipes with circumferential cracks are simulated accurately by the extended SMCS model, and the maximum supported load levels predicted based on the simulation results are in good agreement with those predicted based on the full-scale pipe test results. This approach for the design of nuclear pipes by simulating full-scale pipe fractures with an extended SCMS model not only reduces conservatism but also saves significant time and costs.
Author Contributions
Funding
Data Availability Statement
Acknowledgments
Conflicts of Interest
References
- He, F.; Xiong, F.; Bai, X.; Yang, K.; Lu, X.; Li, B.; Wang, X. Study and analysis of the effect of dynamic load on the application of LBB technology to the primary pipe of reactor coolant system. Nucl. Eng. Des. 2024, 429, 113646. [Google Scholar] [CrossRef]
- Blasset, S.; Hartmann, M.; Courtin, E.; Nicaise, N.; Nana, A. Leak-before-break and other concepts of break-exclusion. Int. J. Press. Vessel. Pip. 2024, 209, 105197. [Google Scholar] [CrossRef]
- Huh, N.S. New Engineering Method of Non-linear Fracture mechanics Analysis of Circumferential Through-wall Cracked Pipes; Sungkyunkwan University: Seoul, Republic of Korea, 2000. [Google Scholar]
- E1820-01; A.S. Standard Test Method for Measurement of Fracture Toughness. ASTM International: West Conshohocken, PA, USA, 2001.
- Seok, C.-S.; Kim, S.-Y. A study on the characteristics of fracture resistance curve of ferritic steels. KSME Int. J. 1999, 13, 827–835. [Google Scholar] [CrossRef]
- O’Dowd, N.P.; Shih, C.F. Family of crack-tip fields characterized by a triaxiality parameter—I. Structure of fields. J. Mech. Phys. Solids 1991, 39, 989–1015. [Google Scholar] [CrossRef]
- O’Dowd, N.P.; Shih, C.F. Family of crack-tip fields characterized by a triaxiality parameter—II. Fracture applications. J. Mech. Phys. Solids 1992, 40, 939–963. [Google Scholar] [CrossRef]
- Yang, S.; Chao, Y.J.; Sutton, M.A. Higher order asymptotic crack tip fields in a power-law hardening material. Eng. Fract. Mech. 1993, 45, 1–20. [Google Scholar] [CrossRef]
- Chao, Y.J.; Zhu, X.K. J-A2 Characterization of Crack-Tip Fields: Extent of J-A2 Dominance and Size Requirements. Int. J. Fract. 1998, 89, 285–307. [Google Scholar] [CrossRef]
- Zhu, X.-K.; Leis, B.N. Bending modified J–Q theory and crack-tip constraint quantification. Int. J. Fract. 2006, 141, 115–134. [Google Scholar] [CrossRef]
- Huh, N.S.; Kim, Y.J.; Choi, J.B.; Kim, Y.J.; Kim, Y.J. Prediction of failure behavior for nuclear piping using curved wide-plate test. J. Press. Vessel Technol. Trans. ASME 2004, 126, 419–425. [Google Scholar] [CrossRef]
- Shen, T.; Park, K.-t.; Choi, J.-g.; Moon, B.-W.; Koo, J.-M.; Seok, C.-S. Evaluation for fracture resistance curves of nuclear real pipes using curved equivalent stress gradient (curved ESG) specimens. Eng. Fract. Mech. 2017, 169, 89–98. [Google Scholar] [CrossRef]
- Liao, F.; Wang, W.; Chen, Y. Ductile fracture prediction for welded steel connections under monotonic loading based on micromechanical fracture criteria. Eng. Struct. 2015, 94, 16–28. [Google Scholar] [CrossRef]
- Mundó, I.; Caner, F.C.; Mateo, A. Micromechanical modelling of the elastoplasticity and damage in ductile metals. Int. J. Solids Struct. 2025, 317, 113437. [Google Scholar] [CrossRef]
- Kim, M.-S.; Cho, Y.-H.; Jang, H. Numerical modeling of stress-state dependent damage evolution and ductile fracture of austenitic stainless steel. Int. J. Solids Struct. 2025, 318, 113439. [Google Scholar] [CrossRef]
- Moattari, M.; Sattari-Far, I.; Persechino, I.; Bonora, N. Prediction of fracture toughness in ductile-to-brittle transition region using combined CDM and Beremin models. Mater. Sci. Eng. A 2016, 657, 161–172. [Google Scholar] [CrossRef]
- Zhang, T.; Zhao, Y. A study on the parameter identification and failure prediction of ductile metals using Gurson–Tvergaard–Needleman (GTN) model. Mater. Today Commun. 2023, 34, 105223. [Google Scholar] [CrossRef]
- Ding, X.; Wei, X.; Zhang, X.; Hou, Y.; Zhao, F. Ductile fracture prediction of titanium foil based on shear-modified GTN damage model considering size effect. Eng. Fract. Mech. 2025, 323, 111200. [Google Scholar] [CrossRef]
- Min, F.; Gao, K.; Huang, H.; Wen, S.; Wu, X.; Nie, Z.; Zhou, D.; Gao, X. Application of the modified GTN model in predicting Taylor impact fracture of 7XXX aluminum alloy. Comput. Struct. 2024, 301, 107457. [Google Scholar] [CrossRef]
- Oh, C.-S.; Kim, N.-H.; Kim, Y.-J.; Baek, J.-H.; Kim, Y.-P.; Kim, W.-S. A finite element ductile failure simulation method using stress-modified fracture strain model. Eng. Fract. Mech. 2011, 78, 124–137. [Google Scholar] [CrossRef]
- Jeon, J.Y.; Kim, Y.J.; Kim, J.W.; Lee, S.Y. Effect of thermal ageing of CF8M on multi-axial ductility and application to fracture toughness prediction. Fatigue Fract. Eng. Mater. Struct. 2015, 38, 1466–1477. [Google Scholar] [CrossRef]
- Youn, G.-G.; Nam, H.-S.; Kim, Y.-J.; Kim, J.-W. Numerical prediction of thermal aging and cyclic loading effects on fracture toughness of cast stainless steel CF8A: Experimental and numerical study. Int. J. Mech. Sci. 2019, 163, 105120. [Google Scholar] [CrossRef]
- Chi, W.-M.; Kanvinde, A.M.; Deierlein, G.G. Prediction of Ductile Fracture in Steel Connections Using SMCS Criterion. J. Struct. Eng. 2006, 132, 171–181. [Google Scholar] [CrossRef]
- Oh, C.-K.; Kim, Y.-J.; Baek, J.-H.; Kim, W.-s. Development of stress-modified fracture strain for ductile failure of API X65 steel. Int. J. Fract. 2007, 143, 119–133. [Google Scholar] [CrossRef]
- Kiran, R.; Khandelwal, K. Gurson model parameters for ductile fracture simulation in ASTM A992 steels. Fatigue Fract. Eng. Mater. Struct. 2014, 37, 171–183. [Google Scholar] [CrossRef]
- Kanvinde, A.M.; Deierlein, G.G. The Void Growth Model and the Stress Modified Critical Strain Model to Predict Ductile Fracture in Structural Steels. J. Struct. Eng. 2006, 132, 1907–1918. [Google Scholar] [CrossRef]
- Kanvinde, A.M. Micromechanical Simulation of Earthquake Induced Fractures in Steel Structures; Stanford University: Stanford, CA, USA, 2005. [Google Scholar]
- Nam, H.-S.; Oh, Y.-R.; Kim, Y.-J.; Kim, J.-S.; Miura, N. Application of engineering ductile tearing simulation method to CRIEPI pipe test. Eng. Fract. Mech. 2016, 153, 128–142. [Google Scholar] [CrossRef]
- Seok, C.S. Real-Scale Pipe Testing and Knowledge and Information Database on the Piping of Nuclear Power Plant for the LBB Design; National Research Foundation of Korea: Daejeon, Korea, 2012. [Google Scholar]
- Zahoor, A.; Kanninen, M.F. A Plastic Fracture Mechanics Prediction of Fracture Instability in a Circumferentially Cracked Pipe in Bending—Part I: J-Integral Analysis. J. Press. Vessel Technol. 1981, 103, 352–358. [Google Scholar] [CrossRef]
- E8-01; A.S. Standard test method for tension testing of metallic materials. ASTM International: West Conshohocken, PA, USA, 2007.
- Iqbal, S.; Siddique, M.; Hamza, A.; Murtaza, N.; Pasha, G.A. Computational analysis of fluid dynamics in open channel with the vegetated spur dike. Innov. Infrastruct. Solut. 2024, 9, 345. [Google Scholar] [CrossRef]
- Kim, Y.J.; Jung, H.D. Integrity evaluation of pressure vessel and piping system of nuclear power plant. KSME Int. J. 1991, 31, 244–250. [Google Scholar]
- Gong, N.; Wang, G.Z.; Xuan, F.Z.; Tu, S.T. Leak-before-break analysis of a dissimilar metal welded joint for connecting pipe-nozzle in nuclear power plants. Nucl. Eng. Des. 2013, 255, 1–8. [Google Scholar] [CrossRef]
- Kumar, V.; German, M.D.; Wilkening, W.W.; Andrews, W.R.; Mowbray, D.F. Advances in Elastic-Plastic Fracture Analysis; General Electric Co.: Schenectady, NY, USA, 1984. [Google Scholar]
- Kumar, V.; German, M.D.; Shih, C.F. An Engineering Approach for Elastic-Plastic Fracture Analysis; General Electric Company: Schenectady, NY, USA, 1981. [Google Scholar]















Disclaimer/Publisher’s Note: The statements, opinions and data contained in all publications are solely those of the individual author(s) and contributor(s) and not of MDPI and/or the editor(s). MDPI and/or the editor(s) disclaim responsibility for any injury to people or property resulting from any ideas, methods, instructions or products referred to in the content. |
© 2025 by the authors. Licensee MDPI, Basel, Switzerland. This article is an open access article distributed under the terms and conditions of the Creative Commons Attribution (CC BY) license (https://creativecommons.org/licenses/by/4.0/).
Share and Cite
Fang, Y.; Li, B.; Seok, C.-S.; Shen, T. The Application of Numerical Ductile Fracture Simulation in the LBB Evaluation of Nuclear Pipes. Appl. Sci. 2025, 15, 7010. https://doi.org/10.3390/app15137010
Fang Y, Li B, Seok C-S, Shen T. The Application of Numerical Ductile Fracture Simulation in the LBB Evaluation of Nuclear Pipes. Applied Sciences. 2025; 15(13):7010. https://doi.org/10.3390/app15137010
Chicago/Turabian StyleFang, Yuxuan, Biao Li, Chang-Sung Seok, and Tao Shen. 2025. "The Application of Numerical Ductile Fracture Simulation in the LBB Evaluation of Nuclear Pipes" Applied Sciences 15, no. 13: 7010. https://doi.org/10.3390/app15137010
APA StyleFang, Y., Li, B., Seok, C.-S., & Shen, T. (2025). The Application of Numerical Ductile Fracture Simulation in the LBB Evaluation of Nuclear Pipes. Applied Sciences, 15(13), 7010. https://doi.org/10.3390/app15137010

