Next Article in Journal
The Application of Structural Reliability and Sensitivity Analysis in Engineering Practice
Previous Article in Journal
Analysis of China’s Low-Carbon Power Transition Path Considering Low-Carbon Energy Technology Innovation
 
 
Font Type:
Arial Georgia Verdana
Font Size:
Aa Aa Aa
Line Spacing:
Column Width:
Background:
Article

Hardware Design for Cascade-Structure, Dual-Stage, Current-Limiting, Solid-State DC Circuit Breaker

1
College of Electrical Engineering & New Energy, China Three Gorges University, Yichang 443005, China
2
State Key Laboratory of Advanced Electromagnetic Engineering and Technology, School of Electrical and Electronic Engineering, Huazhong University of Science and Technology, Wuhan 430074, China
*
Author to whom correspondence should be addressed.
Appl. Sci. 2025, 15(1), 341; https://doi.org/10.3390/app15010341
Submission received: 15 November 2024 / Revised: 30 December 2024 / Accepted: 30 December 2024 / Published: 1 January 2025

Abstract

Solid-state DC circuit breakers provide crucial support for the safe and reliable operation of low-voltage DC distribution networks. A hardware topology based on a cascaded structure with dual-stage, current-limiting, small-capacity, solid-state DC circuit breakers has been proposed. The hardware topology uses a series–parallel configuration of cascaded SCR (thyristors) and MOSFETs (metal oxide semiconductor field-effect transistors) in the transfer branch, which enhances the breaking capacity of the transfer branch. Additionally, a secondary current-limiting circuit composed of an inductor and resistor in parallel is integrated at the front end of the transfer branch to effectively improve the current-limiting performance of the circuit breaker. Meanwhile, a dissipation branch is introduced on the fault side to reduce the energy consumption burden on surge arresters. For the power supply system of the hardware part, a capacitor-powered method is adopted for safety and efficiency, with a capacitor switch serially connected to the capacitor power supply for high-precision control of the power supply. Current detection branches are introduced into each branch to provide conditions for the on–off control of semiconductor switching devices and experimental data analysis. The high-frequency control of semiconductor devices is achieved using optocoupler signal isolation chips and high-speed drive chips through a microcontroller STM32. Simulation verification based on MATLAB/SIMULINK software and experimental prototype testing have been conducted, and the results show that the hardware topology is correct and effective.

1. Introduction

The introduction of high-frequency converters and power electronic devices has made it more convenient and efficient to integrate distributed power sources into the grid [1,2]. Renewable energy sources such as wind and photovoltaic (PV) power are gradually transitioning from supplementary to primary energy sources, with their share continuing to rise [3,4,5,6]. Since its development in the 1990s, flexible direct current (DC) transmission technology has emerged as a new form of DC transmission following AC transmission and conventional DC transmission, achieving significant progress [7,8,9]. Compared to traditional DC transmission technology, flexible DC technology exhibits various advantages: it can achieve the independent control of active and reactive power, avoid the introduction of reactive power compensation devices, reduce harmonic levels, solve commutation failure problems, and require less land area [10,11].
The low damping characteristics of DC grids mean that when short-circuit faults occur, the impact is extensive and extremely fast, necessitating the rapid isolation and clearance of DC faults [12,13]. Configuring DC circuit breakers at the connection points between converter stations and DC lines is an effective choice for dealing with DC system faults; this method does not interfere with normally operating lines and does not interrupt normal power transmission [14,15,16]. Solid-state DC circuit breakers offer faster fault clearance speeds and simpler control methods compared to mechanical and hybrid DC circuit breakers, and can achieve bidirectional current interruption through the antiparallel connection of semiconductor devices [17,18].
Reference [19] developed a small solid-state circuit breaker experimental platform based on PMOS with an input voltage of 48 V. The circuit breaker does not require an additional power supply, using a self-powered method, and uses domestically mature PMOS and Schottky diodes to complete fault blocking within a few microseconds. Reference [20] developed a reverse-blocking-type IGCT-based solid-state DC circuit breaker prototype with an antiparallel structure, which is cost-effective, compact, and highly reliable. By simulating the generation of short-circuit currents through an LC resonant circuit, it achieved a current capacity of 2 kA under a system voltage of 750 V and could cut off a fault current of 10 kA within hundreds of microseconds. Reference [21] designed a low-power DC solid-state circuit breaker experimental prototype rated at 48 V using a digital–analog hybrid control system based on DSP and emulators. The system’s rated current was 1 A, and it successfully completed tests for eight possible fault conditions. Reference [22] proposed and designed a solid-state DC circuit breaker (SSCB) prototype based on SiC MOSFETs. Through the design of adaptive driving circuits, control logic, and current-sensing branches, the prototype can clear faults with a peak current of 48 A and limit overvoltage to 800 V within 15 microseconds.
Based on the above experimental prototype production schemes, this paper proposes a small-capacity hardware topology for a cascade-structure, dual-stage, current-limiting, solid-state DC circuit breaker. A simulation model is established in MATLAB/SIMULINK(R2017b) to verify the effectiveness of the topology and construct a small-capacity experimental prototype. The prototype introduces electrolytic capacitors as the power supply system for the circuit breaker, with current detection modules connected in series in each branch to test the current data of each branch. A microcontroller drives the semiconductor devices, silicon-controlled rectifiers (SCRs), and metal oxide semiconductor field-effect transistors (MOSFETs) via optocouplers and drive modules, ultimately completing the experimental verification.

2. Topology and Principles

2.1. Hardware Topology Structure

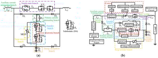
The proposed bidirectional solid-state DC circuit breaker topology and the unidirectional hardware topology are shown in Figure 1a,b. The hardware topology consists of a steady-state branch, a dual-stage current-limiting branch (including primary and auxiliary current-limiting branches), a transfer branch, a surge arrester branch, and an energy dissipation branch. The main branch integrates a modular current detection circuit, while the steady-state branch, transfer branch, and short-circuit branch achieve control over the conduction and turn-off of core power electronic devices through a microcontroller STM32(Zheng dian yuan zi, Guangzhou, China).
The power supply employs modular capacitors to simulate the system voltage of the circuit breaker and is equipped with a capacitor power switch connected in series to start or shut down the capacitor power supply. To enable the detection of the current carried by the main branches, modular current detection circuits are introduced in each main branch, which can be implemented using sampling resistors or Hall current sensors for current measurement. In the steady-state branch, the current detection branch converts the current signal into a voltage signal, which is then sent to the AD analog-to-digital conversion module and subsequently transmitted to the STM32 microcontroller for signal processing. The STM32 sends control signals to the optocoupler and drive circuit to achieve the conduction and turn-off of power electronic devices. The steady-state branch is composed of thyristors T0 and MOSFETs VT1 connected in series, while the transfer branch is formed by the series connection of modular cascaded SM sub-modules. Each SM contains a power electronic branch made up of a thyristor and a MOSFET connected in series, along with a buffer branch connected in parallel, consisting of resistors, capacitors, and diodes in series and parallel configurations. The control method for the power electronic branch is the same as that for the steady-state branch. A voltage measurement circuit is introduced on the high side of the metal oxide varistor (MOV) to achieve precise measurement of the voltage across the MOV. A simulated short-circuit circuit is also installed on the load side to perform short-circuit operations on the load.

2.2. Principles of Topology

First, the capacitor power supply is pre-charged to 30 V, and the mechanical switch of the capacitor power supply is turned on. Subsequently, the STM32 microcontroller sends a control signal to activate the capacitor power supply switch and conduct the steady-state branch while turning off the power electronic branch in the transfer branch and short-circuit circuit. At this point, the system voltage of the circuit breaker is established, and the rated current flows through the steady-state branch to supply power to the load. After a brief delay, the short-circuit circuit conducts, causing a short-circuit fault in the system, leading to a rapid increase in fault current in the steady-state branch. Under the suppression of the auxiliary current-limiting branch, the growth rate of the fault current slows down, providing more time for the circuit breaker to handle the short-circuit fault. When the fault current in the steady-state branch is about to reach its carrying limit, the STM32 microcontroller issues a command to conduct the power electronic branch and turn off the steady-state branch. The power electronic branch, with a large carrying capacity, further processes the fault current. When the current in the power electronic branch approaches the threshold, the power electronic branch is turned off, and the fault current surges into the buffer circuit composed of capacitors, resistors, and diodes in series and parallel. When the buffer capacitor charges to the activation voltage of the varistor, the metal oxide varistor (MOV) begins to process the energy stored in the system inductors, ultimately dissipating the fault current and disconnecting the system. Simultaneously, post-fault reclosing simulation experiments were conducted. Given that overhead line faults in flexible DC systems can be transient or permanent, after the fault is cleared, there is a deionization period of 200 to 500 milliseconds [23] before automatic reclosing. In this small-scale experiment, the deionization time was set to 2 to 2.5 milliseconds. After deionization, the state of the short-circuit circuit is controlled to simulate transient and permanent fault types. Facing different fault types, the microcontroller will choose to restart the system or disconnect it.

3. Fault Handling Method and Theoretical Discussion

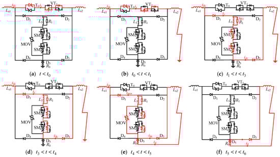
An equivalent platform design for the DC system where the circuit breaker is located is shown in Figure 2. U d c represents the DC system voltage composed of capacitors; DCCB (DC circuit breaker) refers to the proposed breaker. R l i n e and L l i n e are the equivalent impedances of the DC lines, R L is the equivalent resistance of the load, and R F is the equivalent resistance of the fault ground. Figure 3 illustrates the current path during the fault clearance process.

3.1. Time ( t < t 0 )

The capacitor power supply is activated, starting the system power supply. The STM32 microcontroller sends a signal to the optocoupler isolation circuit, which then conducts the thyristor T0 and MOSFET VT1 in the steady-state branch through the drive circuit, while simultaneously turning off the semiconductor switching devices in the power electronic branch. The short-circuit circuit (in parallel with the load), consisting of MOSFETs and optocouplers, is now turned off. The system enters its normal state, with the current path as shown in Figure 3a. At this point, the system’s rated current value is I 0 = U d c / ( R l i n e + R L ) .

3.2. Time ( t 0 < t < t 1 )

At time t 0 , the STM32 microcontroller controls the MOSFET in the short-circuit circuit, which is in parallel with the load, to conduct, simulating a system short-circuit fault. At this moment, the load is short-circuited, causing the system-level voltage to drop and triggering a rapid increase in fault current in the steady-state branch until the next processing signal arrives. The fault current path during this process is shown in Figure 3b, and the fault current can be represented as:
i s = I 0 e ( t t 0 ) / τ 1 + U d c R l i n e + R F ( 1 e ( t t 0 ) τ 1 )

3.3. Time ( t 1 < t < t 3 )

The current detection module in the steady-state branch continuously sends the current signal to the microcontroller via AD analog-to-digital conversion. When the current in the steady-state branch rises to the threshold value, the microcontroller controls the turn-off of T0 and VT1, while simultaneously sending a signal to conduct the thyristor and MOSFET in the power electronic branch. The current in the steady-state branch quickly drops to zero, and the thyristor automatically turns off due to the lack of holding current. The fault current is forced to flow into the power electronic branch and continues to rise, as shown in Figure 3c. If the current transfer time is ignored, i.e., assuming that the fault current is completely transferred to the power electronic branch at time t 2 , then substituting t 2 into Equation (1) yields i z ( t 2 ) = i d c ( t 2 ) = I 2 . According to Kirchhoff’s current and voltage laws, we know that:
i d c = i L 1 + i R 1 = i L 1 + L 1 R 1 d i L 1 d t U L 1 = L 1 d i L 1 d t U d c = ( L s 1 + L s 2 + L l i n e ) d i d c d t + U L 1 + i d c ( R l i n e + R F )
Obtain i L 1 and U L 1 :
i L 1 = i d c ( 1 e ( R 1 / L 1 ) t )
U L 1 = L 1 d i d c d t ( 1 e ( R 1 / L 1 ) t ) + R 1 i d c e ( R 1 / L 1 ) t
If R 1 / L 1 is larger, then e ( R 1 / L 1 ) t during this phase will approach 0. Therefore,
U L 1 = L 1 d i d c d t U d c = ( L s 1 + L s 2 + L l i n e + L 1 ) d i d c d t + i d c ( R l i n e + R F )
Then, the short-circuit fault current is solved as:
i z = i d c = I 2 e ( t t 2 ) / τ 2 + U d c R l i n e + R F ( 1 e ( t t 2 ) / τ 2 )
In the equation: τ 2 = ( L l i n e + L s 1 + L s 2 + L 1 ) / ( R l i n e + R F ) . The current rise rate during this phase is defined as the second rise rate of the fault current. The introduction of the main current-limiting circuit ensures that τ 2 > τ 1 , reducing the second rise rate of the fault current and achieving the optimal current-limiting effect.

3.4. Time ( t 3 < t < t 4 )

At time t 3 , as the current in the power electronic branch is about to reach its carrying threshold, the microcontroller sends a signal to turn off the thyristor and MOSFET in the power electronic branch. Similar to the principle of the steady-state branch, after the MOSFET is turned off, the thyristor follows by turning off. The fault current surges into the buffer circuit’s buffer capacitor in the SM, causing the capacitor to charge rapidly, as shown in Figure 3d. Ignoring R l i n e and R F , U L 1 is the same as the previous level Equation (3). According to Kirchhoff’s voltage law:
L 1 C d 2 u c d t 2 + u c = U d c
In the equation: L 1 = L l i n e + L s 1 + L s 2 + L 1 . C is the equivalent capacitance value of all the buffer capacitors in the sub-modules. Substituting the initial values u c ( t 3 ) = 0 and i z ( t 3 ) = I 3 into Equation (5), we can obtain:
i c ( t ) = C L 1 U d c sin 1 L 1 C ( t t 3 ) + I 3 cos 1 L 1 C ( t t 3 ) u c ( t ) = U d c U d c cos 1 L 1 C ( t t 3 ) + L 1 C I 3 sin 1 L 1 C ( t t 3 )
Analyzing Equation (6), it can be known that the fault current flowing through the capacitor is proportional to the capacitor capacity. The larger C s is, the higher the amplitude of the fault current will be. At the same time, an increase in the capacitance value will limit the rise rate of the fault current and will also correspondingly extend the fault clearance time.

3.5. Time ( t 4 < t < t 5 )

At time t 4 , the buffer capacitor is rapidly charged to the activation voltage of the metal oxide varistor (MOV) under the dual impact of the system voltage and the induced voltage from the current-limiting inductor. The fault current surges into the MOV and begins to attenuate. By the time t 5 is reached, the fault current from the non-faulted side has been completely dissipated in the MOV. As shown in Figure 3e, the induced voltage from the current-limiting inductor LS2 on the faulted side forms a loop with diode D5 and the discharge resistor R0 to dissipate the energy stored in the inductor. According to Equation (6), the fault current at time t 4 can be determined as i d c ( t 4 ) = I 4 . Assuming that the voltage across the MOV stabilizes at U m o v during operation, according to Kirchhoff’s voltage law, the current flowing through the MOV is:
i m o v = i d c = I 4 e ( t t 4 ) / τ 3 + U d c U m o v R l i n e + R F ( 1 e ( t t 4 ) / τ 3 )
The fault isolation time Δ t is obtained as:
Δ t = t t 4 = τ 3 ln U m o v U d c R l i n e + R F U d c U m o v R l i n e + R F I 4
At this point, the energy absorbed by the metal oxide varistor (MOV) is:
W = 1 2 ( L s 1 + L 1 ) i d c 2
In the equation, τ 3 = L / ( R l i n e + R F ) . Without the introduction of the discharge branch, L = L 1 ; after introducing the discharge branch, L = L l i n e + L 1 + L s 1 . From the analysis of Equations (8) and (9), it is evident that the smaller the current-limiting reactance value, the faster the fault current decreases, resulting in a shorter fault isolation time Δ t , and consequently, the energy absorbed by the MOV decreases.

3.6. Time ( t 5 < t < t 6 )

At time t 5 , the current on the non-faulted side decays to zero. The energy in the current-limiting reactor on the faulted side is dissipated through the discharge resistor R 0 , ultimately completing the fault clearance. The current path during this phase is shown in Figure 3f. The time constant of the first-order RL circuit in series is τ 4 = L s 2 / ( R 0 + R F ) . When the grounding fault resistance is too small, the corresponding increase in R 0 can reduce the energy dissipation time on the faulted side, which is beneficial for reclosing.

4. Hardware Design of the Circuit Breaker Prototype

Flexible DC grids require high-performance fault clearance capabilities from DC circuit breakers, necessitating optimized parameter design for the breakers. While MOSFETs are fully controllable power electronic devices, they have lower voltage withstand capabilities compared to thyristors (SCRs). SCRs possess higher voltage and current stress tolerance but cannot turn off autonomously. However, these issues are effectively resolved when MOSFETs and SCRs are connected in series to share the voltage. Once the MOSFET turns off, the branch current passes through zero, forcing the thyristor to turn off. During subsequent overvoltage events limited by the surge arrester, the overvoltage will be shared between the MOSFET and the thyristor.
In this study, a small-scale prototype experiment of the circuit breaker is conducted using a 30 V electrolytic capacitor as the system power supply. The steady-state branch is composed of a MOSFET (IRF740PBF) (Jia li chuang, Shenzhen, China) and an SCR (BT151) (Jia li chuang, Shenzhen, China), along with a current detection module, with capacities of 400 V/10 A and 800 V/12 A, respectively. The power electronic branch in the SM has the same configuration as the steady-state branch. Each diode (SS1045-SMB) (Jia li chuang, Shenzhen, China) in the system has a capacity of 45 V/10 A, and the metal oxide varistor (MOV) (V30MLA1210NH) (Jia li chuang, Shenzhen, China) has a varistor voltage and clamping voltage of 39 V and 68 V, respectively. The load is set to 50 Ω . The parameters of each component used in the experiment are as follows: L s 1 = L s 2 = 2 mH, R 1 = 10 Ω , and R 0 = 1 Ω . Due to experimental condition limitations, a single cascaded module is used for the SM, with C s = 1 μF, and R s = 2 k Ω . Some key component parameters are listed in Table 1. The hardware circuits of each module are analyzed as follows:

4.1. Power Supply System Design

The physical diagram of the capacitor power supply is shown in Figure 4a. For flexible application in the circuit breaker prototype, four integrated capacitor power supplies with different capacities are used. The capacities from left to right in the physical setup are 680 μF, 1000 μF, 2200 μF, and 4700 μF, respectively. Each capacitor is connected in series with a mechanical switch to achieve hard open and close for charging and discharging. During the charging process of the capacitors, a current-limiting resistor needs to be connected; in this design, the current-limiting resistor is a 100 Ω plug-in resistor. The soft switch circuit of the capacitor power supply is illustrated in Figure 4b. The left side connects to the output of the capacitor power supply, and the right side connects to the power supply interface of the circuit breaker mainboard. The STM32 microcontroller drives the MOSFET through an optocoupler and MOSFET driver circuit (to be detailed later) to achieve soft open and close of the capacitor power supply, effectively preventing premature discharge of the power capacitors during circuit breaker startup, which could cause the circuit breaker to fail to start.

4.2. Hall Current Sensor Circuit Design

Shown in Figure 5a,b are the physical image and corresponding circuit diagram of the current detection module based on a Hall current sensor, respectively. In this experiment, a high-performance Hall effect current sensor CC6920 (U2) (Jia li chuang, Shenzhen, China) is used, which features high precision and low noise linear DC current measurement, with a current measurement range of 0–5 A. The equivalent output voltage signal of the Hall sensor is 0–2.5 V. To observe the output signal more intuitively and significantly, an operational amplifier LMV321IDBVR (Jia li chuang, Shenzhen, China) is connected to the output end of the Hall sensor as shown in the circuit diagram, with the gain designed to be two times. A first-order filter circuit is connected at the terminal to eliminate high-frequency noise interference. AD1 is the signal output terminal that outputs the current acquisition signal, corresponding to the signal output terminal in the physical image. Ports 1, 2, 3, and 4 of U2 are the input and output interfaces for the current to be measured, corresponding to the input and output terminals in the physical image.

4.3. Sampling Resistor Current Measurement Circuit Design

Shown in Figure 6a,b are the physical image and circuit diagram of the current measurement module using the sampling resistor method, respectively. The INA193AIDBVR chip (U2) (Jia li chuang, Shenzhen, China), which has advantages such as high precision, low noise, and a wide gain range, is used to amplify the voltage signal across the sampling resistor as illustrated in the circuit diagram, with a gain of 20 times. The sampling resistor, a high-precision current sampling resistor, is connected in series with the branch of the current to be detected, with a resistance value of 150 mΩ. After the current passes through this sampling resistor, the voltage across the resistor is calculated by U2 to output the value of the current passing through it. Finally, the signal goes through a first-order filter circuit to filter out interference signals. AD5 is the signal output terminal that outputs the current acquisition signal, corresponding to the signal output terminal in the physical image. VIN+ and VIN- are the input and output interfaces for the current to be measured, corresponding to the input and output terminals in the physical image.

4.4. Optocoupler Circuit Design

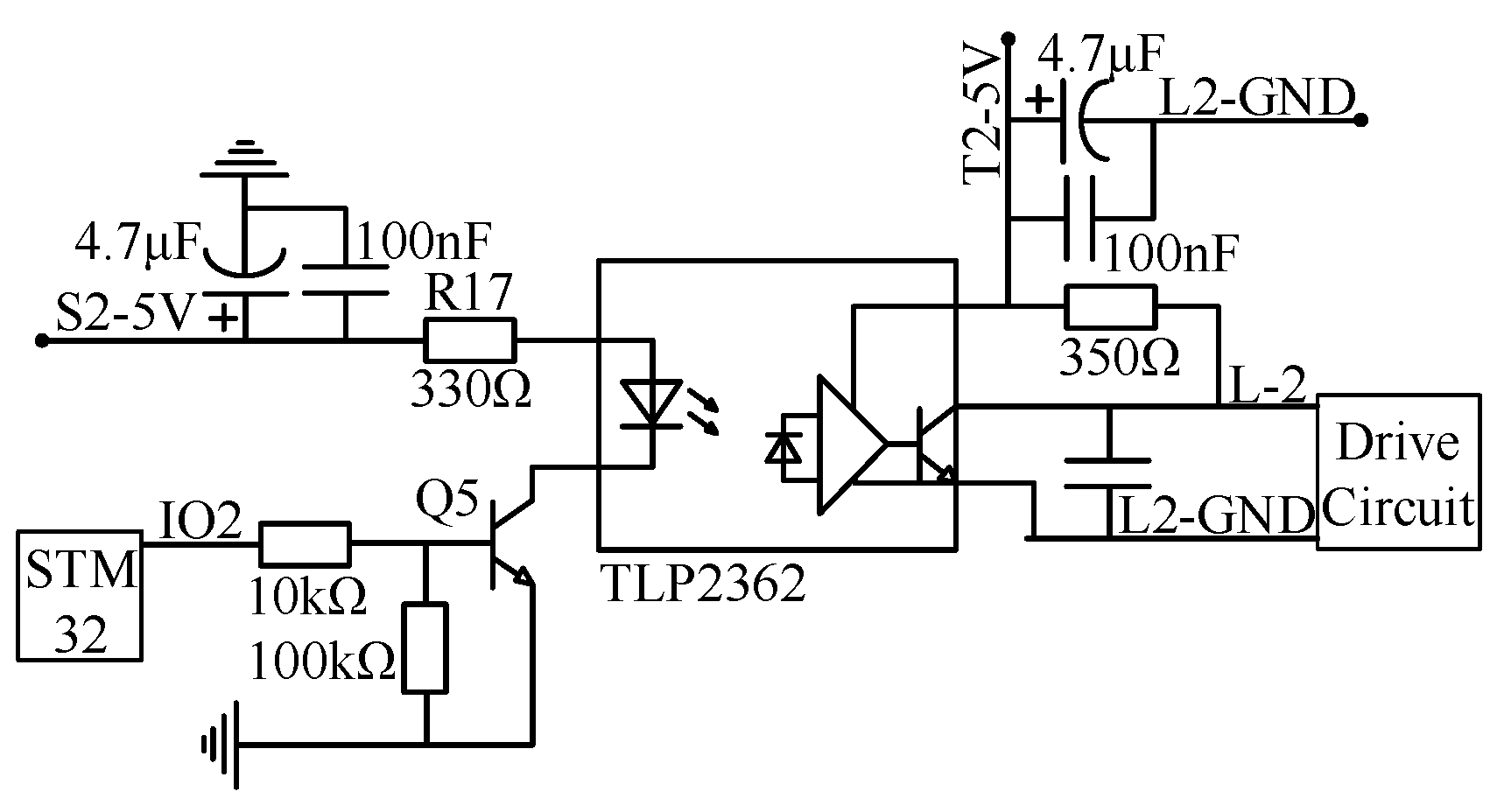
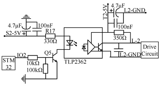
To achieve the parallel driving of multiple semiconductor switching devices, it is necessary to isolate the drive circuits for each thyristor and MOSFET. The logic output optocoupler isolation chip TLP2362 (Jia li chuang, Shenzhen, China), based on the photoelectric effect, can realize the output and isolation of electrical signals. As shown in Figure 7, the input side of the TLP2362 consists of a transistor Q5 and a current-limiting resistor R17 connected in series. By controlling the base of the transistor via the IO2 interface and the emitter voltage using the microcontroller STM32, the photoelectric effect of the optocoupler chip can be achieved. When IO2 is at a high level, the optocoupler’s anode L-2 outputs a high level of 5 V; when IO2 is at a low level, L-2 outputs a low level of 0 V. The output side, with ports L-2 and L2-GND, connects to the input ends of the drive circuits for various semiconductor devices, thereby achieving the driving of thyristors and MOSFETs.

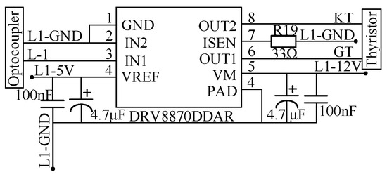
4.5. Thyristor Drive Circuit Design

Shown in Figure 8 is the thyristor drive circuit. The thyristor is a current-driven semiconductor device, and its drive is achieved using the DRV8870DDAR chip (Jia li chuang, Shenzhen, China), which is designed for PWM speed control to drive DC motors. An external current-limiting resistor R19 is used to set the output current amplitude. For the thyristor model used in this experiment, the current-limiting resistor is set to 33 Ω. The drive chip can deliver an output current amplitude of up to 15 mA, meeting the gate drive requirements of the thyristor. The KT terminal is connected to the cathode of the thyristor, and the GT terminal is connected to the gate of the thyristor. L-1 and L1-GND are connected to the output terminals of the optocoupler chip (with L-1 connecting to the optocoupler’s output anode). When the optocoupler outputs a high level of 5 V, the GT terminal of the drive chip outputs the drive current to turn on the thyristor.

4.6. MOSFET Drive Circuit Design

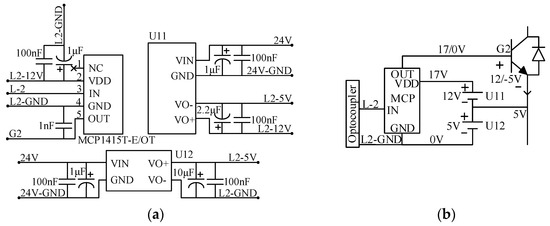
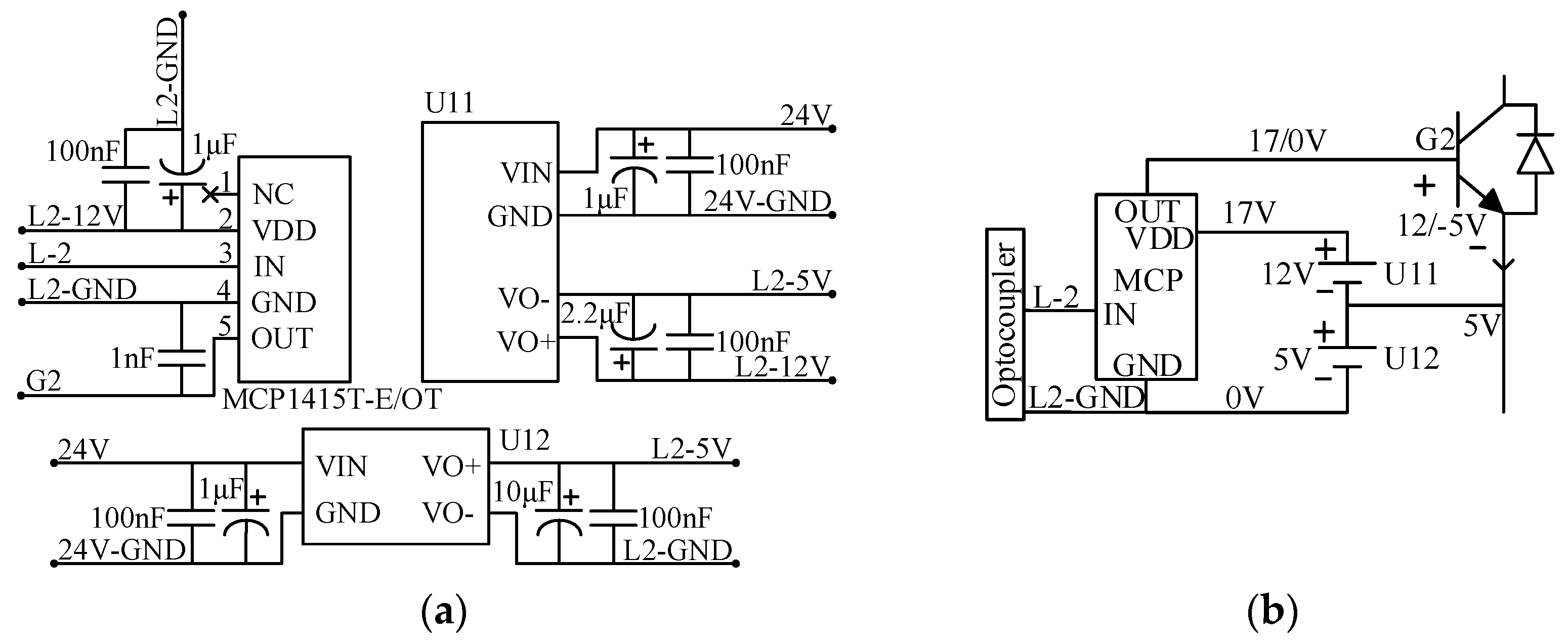
Shown in Figure 9a is the MOSFET drive circuit, and Figure 9b illustrates the equivalent circuit of the MOSFET gate-source voltage. The MOSFET is a voltage-driven device. A high-frequency drive chip MCP1415T-E/OT (Jia li chuang, Shenzhen, China), characterized by extremely fast rise and fall times and a high capacitive load drive capability, is used. Dual isolated DC power supplies U11 and U12 are utilized to achieve the turn-on and turn-off drive of the MOSFET gate-source with +12 V and −5 V, respectively. The G2 output terminal of the drive chip MCP is connected to the gate of the MOSFET, while the L2-5V network connects to the source of the MOSFET. L-2 and L2-GND connect to the anode and cathode of the optocoupler chip output, respectively. In Figure 9b, the supply voltage VDD of the chip is 17 V, and the output OUT switches between 17 V and 0 V through the optocoupler’s output high and low levels; thus, the MOSFET gate-source voltage is either +12 V or −5 V. When the optocoupler outputs a high level of 5 V, the MOSFET gate-source voltage is +12 V, and the MOSFET turns on; when the optocoupler outputs a low level, the MOSFET gate-source voltage is −5 V, and the MOSFET turns off.

4.7. Experimental Platform Design

Shown in Figure 10a is the small-scale experimental prototype platform established for this project, operating with a system voltage of 30 V. The system’s stable state rated current is 0.6 A, and through the experiment, a fault clearance of a short-circuit current peak up to 3.5 A was successfully achieved. The prototype circuit breaker is illustrated in Figure 10b. The circuit breaker’s system voltage employs a capacitor power supply mode, utilizing the energy storage characteristics of capacitors to provide the system voltage by pre-charging them. The capacitor power supply is connected to a capacitor power switch, which is activated using a controller. The current acquisition module uses both a Hall current sensor and a sampling resistor method for current measurement. Various components of the experimental platform and functional branches of the circuit breaker have been marked in the figures.

5. Simulation and Experimental Results

In this section, a simulation experiment model based on MATLAB/SIMULINK is established for the topology shown in Figure 1a to functionally validate the proposed solid-state circuit breaker hardware topology and to conduct comparative analysis of the experimental results data.

5.1. Simulation Verification

MATLAB/SIMULINK simulation validation for the topology shown in Figure 1a is performed with the following parameter design: system voltage: 30 V; load resistance: 30 Ω; L s 1 = L s 2 = 2 mH; R 1 = 10 Ω ; R 0 = 1 Ω ; C s = 1 μF; R s = 2 k Ω . The simulation results are as follows:
Shown in Figure 11a are the simulation waveforms for each branch during the fault interruption process of the hardware topology circuit breaker. It can be observed that at system startup, the steady-state branch and the power electronics branch are in the conduction and turn-off states, respectively. The system’s rated current gradually rises and stabilizes due to the current-limiting inductor. At time t 0 , a load short-circuit fault occurs on the right side of the circuit breaker. The steady-state branch current i s begins to increase under the suppression of the auxiliary current-limiting branch until time t 1 , when the steady-state branch current reaches the turn-off threshold, and the branch is turned off while the power electronic branch is conducted. Current then rushes into the power electronics branch and continues to rise as shown in the figure at i z . By time t 2 , the current in the power electronics branch rises to the carrying threshold, which turns off the power electronics branch, and the current is transferred to the buffer circuit’s capacitor. The buffer capacitor charges rapidly as shown in the figure at i c , and its voltage rises to the varistor MOV activation voltage at time t 3 . The varistor quickly dissipates the residual energy of the circuit breaker and successfully isolates the fault by time t 4 as shown in the figure at i m o v . Figure 11b shows the overall trend of the short-circuit current i d c . It is evident that when the current flowing through the buffer capacitor drops to zero, the surge protector clamps the induced overvoltage from inductive components in the system to 68 V, effectively protecting the system and the internal semiconductor devices of the circuit breaker from overvoltage impacts.
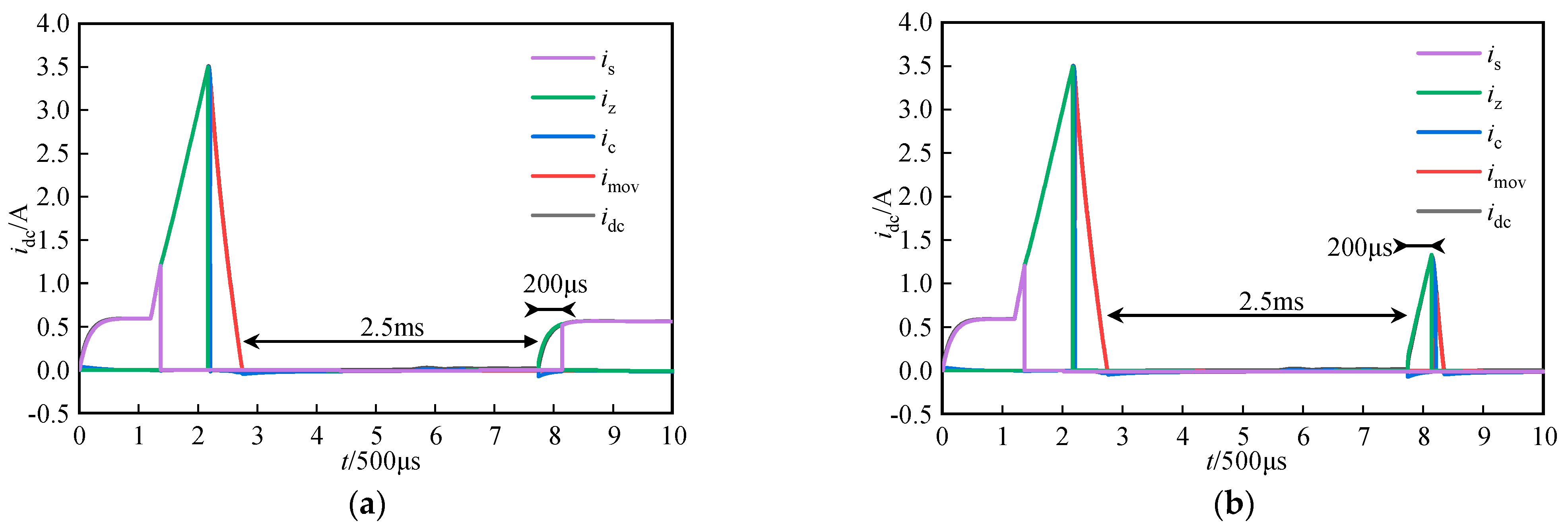
After a certain period following fault isolation, the circuit breaker will perform a reclosing operation based on the type of short-circuit, as shown in Figure 12a. After fault isolation, reclosing occurs after 2.5 ms. At this point, the load fault has been cleared. During reclosing, the power electronics branch is initially conducted, allowing the current to establish and rise within this branch. After a 200 μs delay for fault determination, if the current i z in the power electronics branch is less than or equal to the system’s rated current, the steady-state branch is then conducted, and the power electronics branch is turned off, transferring the system’s rated current to the steady-state branch and restoring the system to its normal operating state. Conversely, as shown in Figure 12b, if after the 200 μs delay, the current i z in the power electronics branch is much higher than the system’s rated current, then the power electronics branch is quickly turned off to prevent further damage. The residual energy is dissipated through the varistor and the energy dissipation branch, maintaining the system in a disconnected state.

5.2. Experimental Verification

The experimental result waveforms for this experiment are shown in Figure 13a–d. Due to limited experimental conditions, the AD module was not designed, and the STM32 microcontroller controls the semiconductor devices in the prototype based on the conduction and turn-off times of each branch obtained from the simulation results. After the mechanical switch of the capacitor power supply is turned on, the capacitor power supply switch is activated, conducting the steady-state branch and turning off the power electronic branch. After 600 μs, at time t 0 , the microcontroller realizes a short-circuit to the load, during which the steady-state branch current i s gradually rises to the rated current of 0.6 A, as shown in Figure 13a. Another 100 μs later, at time t 1 , the power electronics branch is conducted and the steady-state branch is turned off; the steady-state branch current rises to 1.2 A before being turned off, while the power electronic branch is conducted and inherits the transferred current from the steady-state branch, which continues to rise as shown in Figure 13b at i z . After 400 μs, at time t 2 , the power electronics branch is turned off; during this period, the current in the power electronics branch rises to the threshold of 3.5 A and then rapidly flows into the buffer capacitor, with the peak current in the buffer capacitor reaching 3.3 A, as shown in Figure 13c at i c . Subsequently, the varistor is engaged to dissipate the residual energy in the system, as illustrated in Figure 13d at i m o v , completing the dissipation after 300 μs, with the peak current carried by the varistor reaching 2.9 A. Figure 13e shows the waveform of the system short-circuit current i d c and the voltage U m o v across the varistor, indicating that at time t 3 , when the system current rapidly decreases, the varistor clamps the system overvoltage to 68 V, successfully isolating the fault.
After fault isolation and a 2 ms deionization time, the microcontroller performs a reclosing operation, as shown in Figure 14a. First, the power electronic branch is conducted. After a 200 μs fault detection time, if the current i z in the power electronic branch is 0.5 A, which is less than the system’s rated current of 0.6 A, then the fault is identified as a transient fault. The steady-state branch is then conducted, and the power electronic branch is turned off. The system current is established and stabilizes at 0.6 A in the steady-state branch, indicating a successful reclosing. Conversely, as shown in Figure 14b, if the current i z in the power electronic branch is 1.1 A after a 200 μs delay, which is significantly higher than the system’s rated current of 0.6 A, then the fault is identified as a permanent fault. The power electronic branch is immediately turned off, successfully isolating the fault for the second time.

6. Conclusions

To explore the fault interruption process of DC breakers in flexible DC systems, a hardware topology based on a cascaded structure with dual-stage, current-limiting, solid-state DC circuit breakers was proposed. The principles and operation processes of the DC circuit breaker hardware topology were analyzed in detail, and the validity of the simulation was verified. Additionally, a small-capacity circuit breaker prototype was developed to interrupt a short-circuit fault current with a peak of 3.5 A, limiting the overvoltage during disconnection to 68 V, and achieving a total interruption time of 800 μs. The following conclusions were drawn: The STM32H743 microcontroller provides flexible and effective control over the optocoupler drive circuits. The thyristors and MOSFETs used exhibit excellent performance, making them entirely suitable for the operation of clearing short-circuit faults by the DC circuit breaker. The current detection module and capacitor power supply design effectively support the experimental results. The effectiveness of the remaining components in the circuit breaker meets the experimental requirements. The purpose of the study is to validate the effectiveness of the topology through the fabrication of a small-capacity circuit breaker prototype and to provide a reference for the development of larger-capacity prototypes. Additionally, this work intends to serve as a guide for the creation of small-capacity prototypes corresponding to other circuit breaker topologies. Furthermore, it is designed to be applicable in scenarios where actual inductive circuits require the interruption of current.

Author Contributions

C.D. and Z.Y. proposed a cascaded small-capacity, solid-state DC circuit breaker topology and provided the theoretical principles and explanations. Y.J. conducted the hardware circuit design, as well as the simulation and experimental verification. All authors have read and agreed to the published version of the manuscript.

Funding

This research received no external funding.

Institutional Review Board Statement

Not applicable.

Informed Consent Statement

Not applicable.

Data Availability Statement

The original contributions presented in the study are included in the article, further inquiries can be directed to the corresponding author.

Conflicts of Interest

The authors declare no conflicts of interest.

References

  1. Zhang, J.; Li, Y.; Guo, P.; Li, H.; Yang, L.; Zhang, Q. Anti-islanding Technology for Power Outage Maintenance of Distribution Network Connected with High-penetration Distributed Photovoltaic Generation. Power Capacit. React. Power Compens. 2024, 45, 0125–0132. [Google Scholar]
  2. Jiang, T.; Yang, L.; Zhang, Y.; Wang, K.; Fang, B. Active Power Coordination Control Method of Transmission Network Considering Large-scale New Energy Access. Tech. Autom. Appl. 2024. Available online: https://kns.cnki.net/kcms/detail/23.1474.TP.20241017.1805.015.html (accessed on 1 November 2024).
  3. Hou, Y.; He, X.; Liu, W.; Sun, Y.; Tao, F. A 10 kV DC circuit breaker based on magnetic coupling transfer principle. Electr. Eng. 2024, 25, 57–64. [Google Scholar]
  4. Zhang, S.; Zou, G.; Zhang, C.; Wei, X.; Zhou, C. DC fault current limiter based on coupled inductor. Electr. Power Autom. Equip. 2024, 44, 82–87. [Google Scholar]
  5. Alsaif, F.; Zhang, Y.; Li, X.; Hu, B.; Adina, N.; Ma, D.; Alkhalid, K.; Potty, K.A.; Wang, J. DC Microgrid Stabilization: Using T-Type Modular DC Circuit Breaker (T-Breaker) With Shunt Compensation. IEEE Ind. Appl. Mag. 2024, 30, 27–37. [Google Scholar] [CrossRef]
  6. Zhao, S.; Kheirollahi, R.; Wang, Y.; Zhang, H.; Song, X.; Fan, B.; Wang, J.; Cao, Y.; Lu, F. Soft Turn-Off DC Solid-State Circuit Breakers With Flexible Dual Tripping Schemes. IEEE J. Emerg. Sel. Top. Power Electron. 2024, 12, 997–1010. [Google Scholar] [CrossRef]
  7. Wang, J. Research on improved active disturbance rejection frequency control of VSC-MTDC. Mod. Electron. Tech. 2024. Available online: https://kns.cnki.net/kcms/detail/61.1224.tn.20241012.1306.004.html (accessed on 1 November 2024).
  8. Zhao, Z.; Yang, K.; Qian, L.; Cao, Y.; Shi, Z. Effect of Mechanical DC Circuit Breaker Operation Timing Sequence on Operating Overvoltage in Flexible DC Distribution Network. High Volt. Appar. 2024, 60, 212–220. [Google Scholar]
  9. Li, Q.; Sun, B.; Sun, H.; Zhang, X.; Wang, Z.; Chen, X. Research review of medium and high frequency oscillation in VSC-HVDC transmission. Electr. Power Autom. Equip. 2024. [Google Scholar] [CrossRef]
  10. Xue, S.; Chen, W.; Zhang, J.; Li, X.; Li, B.; Chen, X. Coordination Technology of Control and Protection in Flexible DC Power System Based on Voltage Clamping Circuit Breaker. J. Tianjin Univ. 2024, 57, 729–740. [Google Scholar]
  11. Zhou, M.; Wang, H.; Sun, R.; Qian, Y.; Liu, Z.; Qin, Y. Hybrid High Voltage DC Circuit Breaker Topology with Current Limiting Capability. High Volt. Appar. 2024, 60, 101–112. [Google Scholar]
  12. Tao, C.; Wang, Y.; Gao, F.; Yang, Q. Current Limiting High Voltage DC Circuit Breaker with Re-closing Function. High Volt. Appar. 2024, 60, 43–52. [Google Scholar]
  13. Guan, F. Research on Parameter Design Method of a Novel Limiting-current Hybrid HVDC Circuit Breaker. Electr. Switchg. 2024, 62, 60–64. [Google Scholar]
  14. Pei, X.; Jia, Z.; Zhou, W.; Tan, Q.; Li, P. Controllable Oscillation-based Current Injection Hybrid DC Circuit Breaker. Trans. China Electrotech. Soc. 2024. [Google Scholar] [CrossRef]
  15. Shu, H.; Shao, Z.; Kuang, Y. Research of Opening Timing Optimization Based on Improved Current-Limiting Hybrid DC Circuit Breaker. Trans. China Electrotech. Soc. 2023, 38, 6176–6187. [Google Scholar]
  16. Liu, X.; Yu, X.; Chen, H.; Shi, H.; Jiang, W. Optimized Design and Full Operation Breaking Performance Analysis of Resistance Capacity Hybrid DC Circuit Breakers. Power Syst. Technol. 2024. Available online: https://kns.cnki.net/kcms/detail/11.2410.tm.20240628.1256.008.html (accessed on 1 November 2024).
  17. Can, D.; Li, K.; Zhao, Y.; Pu, G. Modular cascaded multi-port DC circuit breaker with fault current-limiting capability. J. Power Electron. 2024, 24, 436–447. [Google Scholar]
  18. Dong, H.; Zhou, H.; Zheng, L.; Wang, W. Solid-State Circuit Breaker Based on Cascaded Normally-On SiC JFETs for Medium-Voltage DC Distribution Networks. Prot. Control Mod. Power Syst. 2024, 9, 32–46. [Google Scholar]
  19. Peng, Y.; Wang, L.; Tian, A.; Zhang, X.; Wu, T.; Shen, X. Self-powered DC Solid-state Circuit Breakers Based on PMOS. High Volt. Eng. 2023, 49, 1304–1313. [Google Scholar]
  20. Yan, X.; Yu, Z.; Qu, L.; Gan, Z.; Ren, C.; Zeng, R. Design and Development of Solid-state DC Circuit Breaker Based on Reverse Blocking IGCT. High Volt. Eng. 2024, 50, 551–560. [Google Scholar]
  21. Xiang, B. Esearch on DC Solid State Circuit Breaker Based on SiC MOSFET. Master’s Thesis, Southwest Jiaotong University, Chengdu, China, 2022. [Google Scholar]
  22. Xiao, H. Design and Implementation of Solid State DC Circuit Breaker Based on SiC MOSFET. Master’s Thesis, University Chongqing, Chongqing, China, 2017. [Google Scholar]
  23. Fan, X.; Li, T.; Zhang, S.; Xu, H.; Zhang, X. A Capacitor-Based Active Clamp Type Hybrid DC Circuit Breaker. Power Syst. Technol. 2024, 48, 4620–4627. Available online: https://kns.cnki.net/kcms/detail/11.2410.TM.20240221.1555.005.html (accessed on 1 November 2024).
Figure 1. (a) The topological structure; (b) circuit breaker hardware topology.
Figure 1. (a) The topological structure; (b) circuit breaker hardware topology.
Applsci 15 00341 g001
Figure 2. Equivalent circuit.
Figure 2. Equivalent circuit.
Applsci 15 00341 g002
Figure 3. Schematic diagram of current path.
Figure 3. Schematic diagram of current path.
Applsci 15 00341 g003
Figure 4. (a) Physical diagram of capacitor power supply; (b) circuit diagram of soft switch for capacitor power supply.
Figure 4. (a) Physical diagram of capacitor power supply; (b) circuit diagram of soft switch for capacitor power supply.
Applsci 15 00341 g004
Figure 5. (a) Physical image of the Hall sensor module; (b) circuit diagram of the Hall sensor module.
Figure 5. (a) Physical image of the Hall sensor module; (b) circuit diagram of the Hall sensor module.
Applsci 15 00341 g005
Figure 6. (a) Physical image of the sampling resistor method; (b) circuit diagram of the sampling resistor method.
Figure 6. (a) Physical image of the sampling resistor method; (b) circuit diagram of the sampling resistor method.
Applsci 15 00341 g006
Figure 7. Circuit diagram of the optocoupler isolation module.
Figure 7. Circuit diagram of the optocoupler isolation module.
Applsci 15 00341 g007
Figure 8. Circuit diagram of the thyristor drive circuit.
Figure 8. Circuit diagram of the thyristor drive circuit.
Applsci 15 00341 g008
Figure 9. (a) Circuit diagram of the MOSFET drive circuit; (b) equivalent circuit diagram of the MOSFET gate-source voltage.
Figure 9. (a) Circuit diagram of the MOSFET drive circuit; (b) equivalent circuit diagram of the MOSFET gate-source voltage.
Applsci 15 00341 g009
Figure 10. (a) Experimental platforms; (b) experimental prototype.
Figure 10. (a) Experimental platforms; (b) experimental prototype.
Applsci 15 00341 g010
Figure 11. (a) Simulation waveforms of branch currents; (b) interrupting overvoltage waveform.
Figure 11. (a) Simulation waveforms of branch currents; (b) interrupting overvoltage waveform.
Applsci 15 00341 g011
Figure 12. (a) Clearance and reclosing waveform; (b) fault not cleared and reclosing waveform.
Figure 12. (a) Clearance and reclosing waveform; (b) fault not cleared and reclosing waveform.
Applsci 15 00341 g012
Figure 13. (a) Waveform of steady-state branch; (b) waveform of power electronic branch; (c) waveform of capacitor; (d) waveform of surge arrester branch; (e) waveform of breaking overvoltage.
Figure 13. (a) Waveform of steady-state branch; (b) waveform of power electronic branch; (c) waveform of capacitor; (d) waveform of surge arrester branch; (e) waveform of breaking overvoltage.
Applsci 15 00341 g013
Figure 14. (a) Waveform of reclosing after fault clearance; (b) waveform of reclosing without fault clearance.
Figure 14. (a) Waveform of reclosing after fault clearance; (b) waveform of reclosing without fault clearance.
Applsci 15 00341 g014
Table 1. Experimental key devices and parameters.
Table 1. Experimental key devices and parameters.
ComponentParameter
MOSFET (IRF740PBF) (Jia li chuang, Shenzhen, China)400 V/10 A
SCR (BT151) (Jia li chuang, Shenzhen, China)800 V/12 A
Diode (SS1045-SMB) (Jia li chuang, Shenzhen, China)45 V/10 A
Varistor (V30MLA1210NH) (Jia li chuang, Shenzhen, China)39 V/68 V
ControllerSTM32H743 (Zheng dian yuan zi, Guangzhou, China)
Disclaimer/Publisher’s Note: The statements, opinions and data contained in all publications are solely those of the individual author(s) and contributor(s) and not of MDPI and/or the editor(s). MDPI and/or the editor(s) disclaim responsibility for any injury to people or property resulting from any ideas, methods, instructions or products referred to in the content.

Share and Cite

MDPI and ACS Style

Ding, C.; Ji, Y.; Yuan, Z. Hardware Design for Cascade-Structure, Dual-Stage, Current-Limiting, Solid-State DC Circuit Breaker. Appl. Sci. 2025, 15, 341. https://doi.org/10.3390/app15010341

AMA Style

Ding C, Ji Y, Yuan Z. Hardware Design for Cascade-Structure, Dual-Stage, Current-Limiting, Solid-State DC Circuit Breaker. Applied Sciences. 2025; 15(1):341. https://doi.org/10.3390/app15010341

Chicago/Turabian Style

Ding, Can, Yinbo Ji, and Zhao Yuan. 2025. "Hardware Design for Cascade-Structure, Dual-Stage, Current-Limiting, Solid-State DC Circuit Breaker" Applied Sciences 15, no. 1: 341. https://doi.org/10.3390/app15010341

APA Style

Ding, C., Ji, Y., & Yuan, Z. (2025). Hardware Design for Cascade-Structure, Dual-Stage, Current-Limiting, Solid-State DC Circuit Breaker. Applied Sciences, 15(1), 341. https://doi.org/10.3390/app15010341

Note that from the first issue of 2016, this journal uses article numbers instead of page numbers. See further details here.

Article Metrics

Back to TopTop