Design and Analysis of Micro Signal Detection Circuit for Magnetic Field Detection Utilizing Coil Sensors
Abstract
1. Introduction
2. Eddy Current Detection
3. Principle of the Weak Signal Detection Circuit
4. Hardware Design of Dual-Phase Sensitive Lock-in Amplifier Circuits
4.1. Pre-Differential Amplifier Circuit
4.2. Bandpass Filter Circuit
4.3. Circuit of Phase Shift
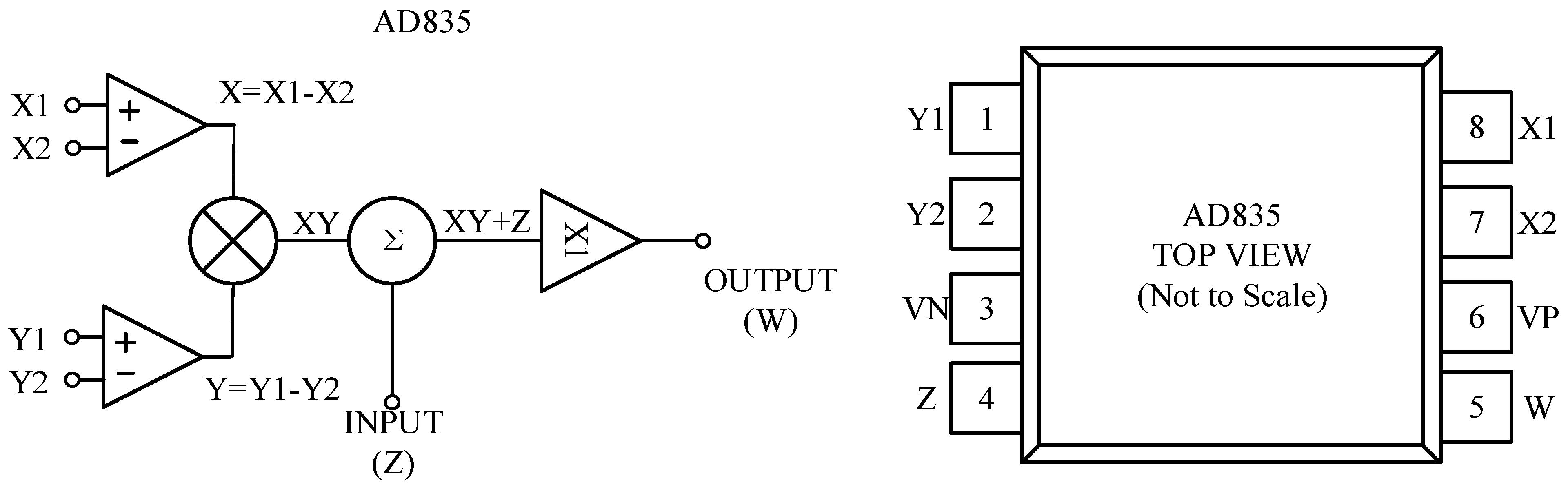
4.4. Phase Sensitive Detector Module
4.5. Low-Pass Filter Circuit
5. Hardware Detection Circuit Debugging and Result Analysis
5.1. Differential Amplifier Module Testing
5.2. Bandpass Filter Module Testing
5.3. Phase Shifter Module Testing
5.4. Phase Sensitive Detector Module Testing
5.5. Low-Pass Filter Module Testing
5.6. Overall Hardware Circuit Testing
6. Conclusions
Author Contributions
Funding
Institutional Review Board Statement
Informed Consent Statement
Data Availability Statement
Conflicts of Interest
References
- Sanai, K.; Nakasaki, S.; Hashimoto, M.; Macadre, A.; Goda, K. Fracture Behavior of a Unidirectional Carbon Fiber-Reinforced Plastic under Biaxial Tensile Loads. Materials 2024, 17, 1387. [Google Scholar] [CrossRef] [PubMed]
- Bogenfeld, R. Experimental Comparative Analysis of the Through-Thickness and In-Plane Compression Moduli of Unidirectional CFRP Laminates. J. Compos. Sci. 2024, 8, 76. [Google Scholar] [CrossRef]
- Zhou, F.; Zhang, J.; Song, S.; Yang, D.; Wang, C. Effect of Temperature on Material Properties of Carbon Fiber Reinforced Polymer (CFRP) Tendons: Experiments and Model Assessment. Materials 2019, 12, 1025. [Google Scholar] [CrossRef] [PubMed]
- Shuai, Y.; Li, Z.; Xuejia, Y.; Lu, L. Wandering Overview of carbon fiber 3D weaving technology and its application in new energy field. Mar. Electr. Electron. Eng. 2022, 42, 118–121. [Google Scholar] [CrossRef]
- Qifeng, M.; Kai, S.; Lipan, Z.; Yali, W.; Shasha, S. Study of Simulation and Experimental of a New Eddy Current Probe for Carbon Fiber Reinforced Plastics Plate. Chin. J. Sens. Actuators 2019, 32, 829–833. [Google Scholar]
- Wu, D.; He, T.; Wang, X.; Sun, Q. Impedance Analysis of a Meander Coil with Rectangular Cross Section above a Planar Conductor Using Vertex Description. J. Nondestruct. Eval. 2018, 37, 1–11. [Google Scholar] [CrossRef]
- Bouloudenine, A.; Feliachi, M.; Latreche, M.E.H. Development of circular arrayed eddy current sensor for detecting fibers orientation and in-plane fiber waviness in unidirectional CFRP. Ndt E Int. 2017, 92, 30–37. [Google Scholar] [CrossRef]
- Machado, M.A.; Antin, K.-N.; Rosado, L.S.; Vilaça, P.; Santos, T.G. Contactless high-speed eddy current inspection of unidirectional carbon fiber reinforced polymer. Compos. Part B Eng. 2019, 168, 226–235. [Google Scholar] [CrossRef]
- Daura, L.U.; Tian, G.; Yi, Q.; Sophian, A. Wireless power transfer-based eddy current non-destructive testing using a flexible printed coil array. Philos. Trans. R. Soc. A 2020, 378, 20190579. [Google Scholar] [CrossRef] [PubMed]
- Lefebvre, O.; Cao, H.H.; Cortés Francisco, M.; Woytasik, M.; Dufour-Gergam, E.; Ammar, M.; Martincic, E. Reusable embedded microcoils for magnetic nano-beads trapping in microfluidics: Magnetic simulation and experiments. Micromachines 2020, 11, 257. [Google Scholar] [CrossRef]
- Wu, D.; Cheng, F.; Yang, F.; Huang, C. Non-destructive testing for carbon-fiber-reinforced plastic (CFRP) using a novel eddy current probe. Compos. Part B Eng. 2019, 177, 107460. [Google Scholar] [CrossRef]
- Li, Z.; Wang, Z.; Luo, H.; Xu, Y.; Yu, J.; Jiang, Y. Weak RF Signal Detection Based on Single-Mode Optoelectronic Oscillator. IEEE Photonics Technol. Lett. 2023, 35, 313–316. [Google Scholar] [CrossRef]
- Li, R.; Tian, H.; Kato, T.; Asahara, A.; Minoshima, K. Broadband coherently synthesized two-color electro-optic frequency combs with phase noise suppression. Appl. Phys. Express 2022, 16, 012005. [Google Scholar] [CrossRef]
- Geng, X.; Ye, Z.; Xiao, Y.; Tian, Y.; Xie, Q.; Wang, Z. A 25.8-GHz integer-N CPPLL achieving 60-fs rms jitter and robust lock acquisition based on a time–amplifying phase–frequency detector. IEEE Trans. Microw. Theory Tech. 2023, 71, 4869–4881. [Google Scholar] [CrossRef]
- Peng, W.; Daoyu, Q.; Tianhuai, D.; Zhibin, F. Study on Signal Detection Technology of Small Inductance Planar Coil. Chinese J. Sens. Actuators 2007, 10, 2333–2336. [Google Scholar]
- Amenabar, I.; Mendikute, A.; López-Arraiza, A.; Lizaranzu, M.; Aurrekoetxea, J. Comparison and analysis of non-destructive testing techniques suitable for delamination inspection in wind turbine blades. Compos. Part B Eng. 2011, 42, 1298–1305. [Google Scholar] [CrossRef]
- Hosten, B.; Castaings, M. Comments on the ultrasonic estimation of the viscoelastic properties of anisotropic materials. Compos. Part A Appl. Sci. Manuf. 2008, 39, 1054–1058. [Google Scholar] [CrossRef]
- Cheng, J.; Qiu, J.; Xu, X.; Ji, H.; Takagi, T.; Uchimoto, T. Research advances in eddy current testing for maintenance of carbon fiber reinforced plastic composites. Int. J. Appl. Electromagn. Mech. 2016, 51, 261–284. [Google Scholar] [CrossRef]
- Shuping, Z. Simulink-based simulation analysis of weak signal detection in lock-in amplifiers. Digit. Technol. Appl. 2012, 11, 51–52+54. [Google Scholar] [CrossRef]
- Peng, F.; Yanan, L.; Biao, W. Simulink Simulation Design of Lock-in Amplifier for Signal Detection Theory Course. Educ. Mod. 2017, 4, 238–240. [Google Scholar] [CrossRef]
- Wang, G.; Reboul, S.; Choquel, J.-B.; Fertein, E.; Chen, W. Circular Regression in a Dual-Phase Lock-In Amplifier for Coherent Detection of Weak Signal. Sensors 2017, 17, 2615. [Google Scholar] [CrossRef]














| Amplitude (I) | Phase (I) | Output 1 | Output 2 | Amplitude Calculation Results | Phase Calculation Results | Amplitude Error | Phase Error |
|---|---|---|---|---|---|---|---|
| 10 uV | 30° | −4.496 mV | −8.915 mV | 19.969 mV | 27.389° | 0.155% | 0.345% |
| 10 uV | 54° | −7.828 mV | −6.219 mV | 19.995 mV | 51.534° | 0.025% | 0.459% |
| 50 uV | 72° | −46.808 mV | −17.825 mV | 100.174 mV | 69.153° | 0.174% | 0.184% |
| 70 uV | −40° | 47.566 mV | −51.497 mV | 140.207 mV | −42.7278° | 0.147% | 0.032% |
| 100 uV | 0° | −98.610 mV | 5.518 mV | 200.249 mV | −2.7195° | 0.124% | 0.45% |
| 100 uV | 26° | −39.413 mV | −92.045 mV | 200.257 mV | 23.180° | 0.128% | 0.405% |
Disclaimer/Publisher’s Note: The statements, opinions and data contained in all publications are solely those of the individual author(s) and contributor(s) and not of MDPI and/or the editor(s). MDPI and/or the editor(s) disclaim responsibility for any injury to people or property resulting from any ideas, methods, instructions or products referred to in the content. |
© 2024 by the authors. Licensee MDPI, Basel, Switzerland. This article is an open access article distributed under the terms and conditions of the Creative Commons Attribution (CC BY) license (https://creativecommons.org/licenses/by/4.0/).
Share and Cite
Xu, Q.; Zhang, S.; Li, S.; Xu, Z.; Cao, S.; Wang, M. Design and Analysis of Micro Signal Detection Circuit for Magnetic Field Detection Utilizing Coil Sensors. Appl. Sci. 2024, 14, 3618. https://doi.org/10.3390/app14093618
Xu Q, Zhang S, Li S, Xu Z, Cao S, Wang M. Design and Analysis of Micro Signal Detection Circuit for Magnetic Field Detection Utilizing Coil Sensors. Applied Sciences. 2024; 14(9):3618. https://doi.org/10.3390/app14093618
Chicago/Turabian StyleXu, Qifan, Sichang Zhang, Siyu Li, Zhe Xu, Shouqi Cao, and Meiling Wang. 2024. "Design and Analysis of Micro Signal Detection Circuit for Magnetic Field Detection Utilizing Coil Sensors" Applied Sciences 14, no. 9: 3618. https://doi.org/10.3390/app14093618
APA StyleXu, Q., Zhang, S., Li, S., Xu, Z., Cao, S., & Wang, M. (2024). Design and Analysis of Micro Signal Detection Circuit for Magnetic Field Detection Utilizing Coil Sensors. Applied Sciences, 14(9), 3618. https://doi.org/10.3390/app14093618
