Design, Simulation, and Comparison of Advanced Control Strategies for a 3-Degree-of-Freedom Robot
Abstract
1. Introduction
- Computed Torque Control: a family of techniques including variants such as Proportional–Derivative Computed Torque (PDCT) and Proportional–Integral–Derivative Computed Torque (PIDCT).
- Fuzzy Intelligent Control: it employs fuzzy logic to handle system uncertainty and nonlinearity.
- Model Predictive Control (MPC): a technique that utilizes a system model to predict and optimize its future behavior.
- Mamdani: Calculates the truth value for each system input. The system employs T-norms, typically using the minimum between inputs or their product. During defuzzification, the membership function is truncated at the T-norm value level.
- Takagi-Sugeno: This system enhances Mamdani’s approach by reducing computational processing. Instead of output membership functions, it uses concrete linear combinations of input values. The final output is computed as a weighted average between the linear output combinations and T-norm values.
- Tsukamoto: Similarly to Mamdani, this system uses injective output membership functions to obtain the pre-image of the T-norm value.
- Findings: a study of three advanced controllers for application in a 3-DoF robot is provided.
- Practical implications: the system utilizes the dynamic model of a Scorbot robot, considering 3-DoF.
- Originality/value: the simulation method of three controllers is proposed through performance comparisons with trajectory tracking graphs and performance indicators.
2. Literature Review
2.1. Advances in Computed Torque Control
2.2. Developments in Fuzzy Control and Hybrid Systems
2.3. Applications of Predictive Control in Robotics
2.4. Optimization and Comparative Analysis of Controllers
2.5. Advanced Control Techniques
- PD Computed Torque Control Law, which can be represented by Equation (4)
- PID Control Law, which can be represented by Equation (5)
3. Description of the System Under Study
3.1. Scorbot Robot Structure
3.2. Kinematic Model of the Scorbot Robot
3.3. Dynamic Model of the Scorbot Robot
- : vector of torques and forces with dimension .
- : inertia matrix with dimension .
- : vector of Coriolis and centrifugal forces with dimension .
- : gravity vector with dimension .
- : friction vector with dimension .
- : externals torques and forces with dimension
- : number of DoF.
- : represents the position term.
- : represents the velocity term.
- : represents the acceleration term.
3.4. Choice of Robot Under Study
4. Design of Control Strategies
4.1. Dynamic Control
- Adaptive Control: adapts to changes in the robot’s dynamics during operation.
- Fuzzy Control: addresses difficulties in creating mathematical models.
- Predictive Control: uses process models to generate control signals, typically requiring high computational effort but useful for multi-input, multi-output systems.
4.2. Control Scheme
- : reference signal called the desired trajectory.
- , y : signals to be controlled called the actual trajectories associated with motion, velocity, and acceleration.
- : error produced by the difference between and .
- Controller: generally, includes parts of the robot’s dynamic equation.
- System model: corresponds to the mathematical model of the robot, represented as a matrix and vectors.
- Disturbance: external variables that cause changes in the robot’s motion.
- Sensors: elements in the feedback loop that allow the identification of the variables to be controlled.
4.3. Design of the 3-DoF Robot
Scorbot Robot Model
4.4. Controllers
4.4.1. Computed Torque Family Controller
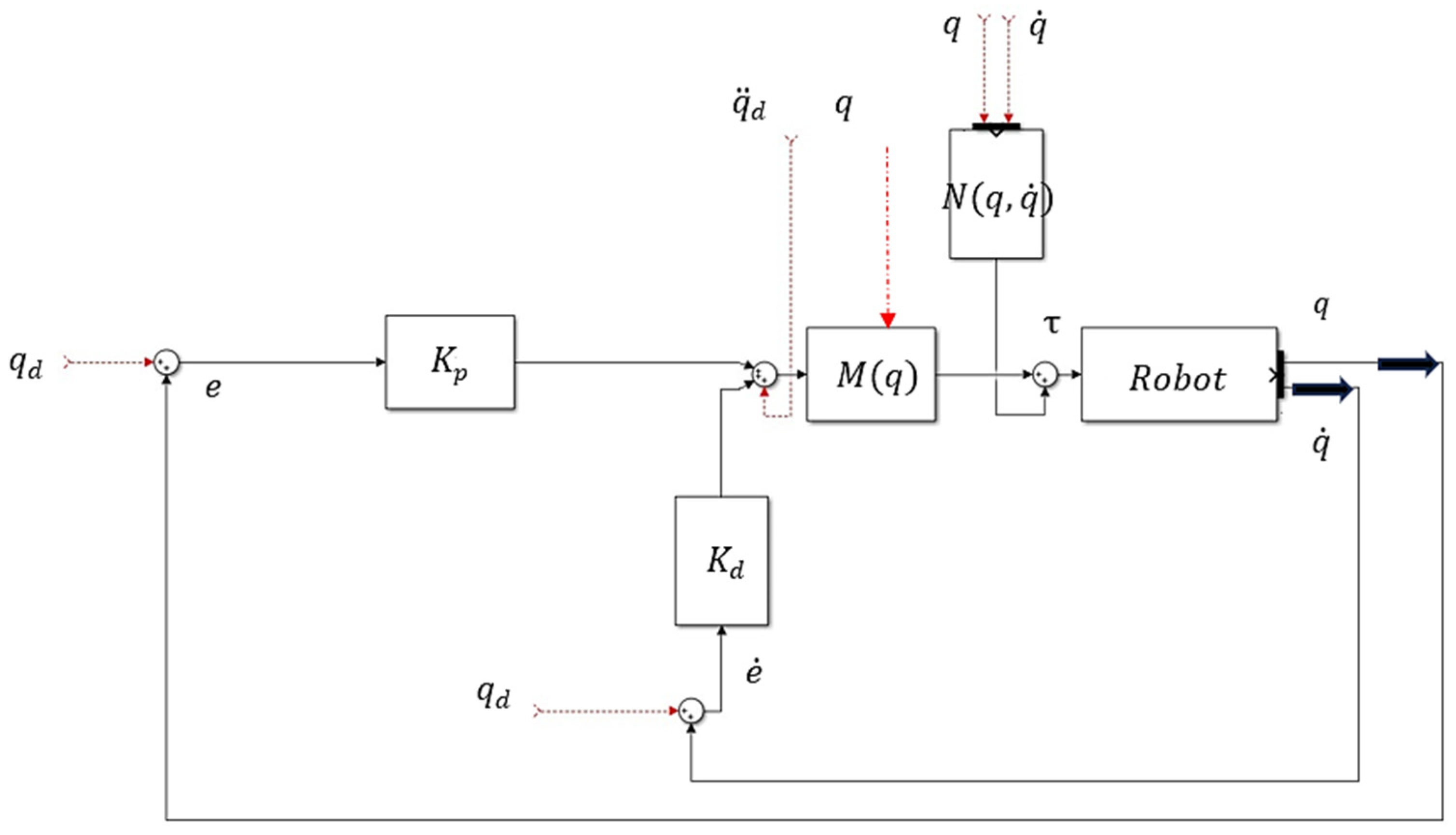
Proportional–Derivative Computed Torque Control
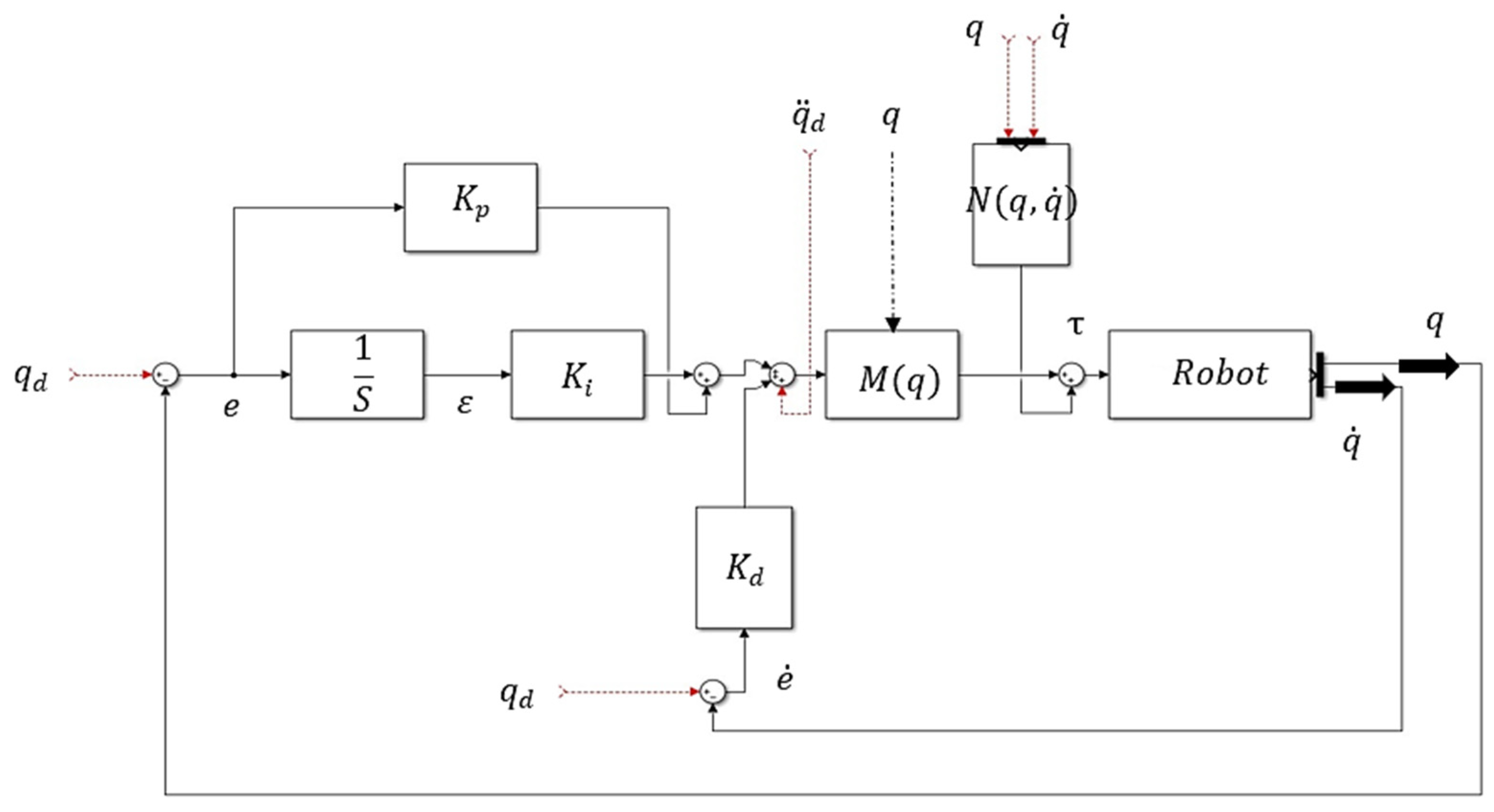
Proportional–Integral–Derivative Computed Torque Control
4.4.2. Proportional–Derivative–Integral Fuzzy Controller
4.4.3. Model Predictive Control
- A predictive model for determining process evolution at future time instants.
- An objective function minimization process.
- Implementation of a finite and sliding control horizon, which involves computing the control sequence across the entire horizon, executing only the first signal, and iterating the process at each sampling instant.
4.5. System Identification
4.6. Cartesian Trajectories
4.7. Performance Indexes
5. Results
5.1. Computed Torque Proportional–Derivative Control
5.2. Computed Torque Proportional–Integral–Derivative Control
5.3. Proportional–Derivative–Integral Fuzzy Control
5.4. Model Predictive Control
5.5. Trajectory Tracking
5.6. Classical Proportional–Integral–Derivative Control
Proportional–Integral–Derivative Control
5.7. Proportional–Integral–Derivative Control with Gain Scheduling
5.8. “Evade from the Side” Trajectory
5.9. “Evade from Above” Trajectory
6. Discussion
Practical Applications
7. Conclusions
- A 3-DoF Scorbot model robot was designed using the Toolbox, Simscape, and Robotics System, applying design information according to technical specifications. Simulation tests were performed to observe the movement of the robot’s joints with geometric trajectories, considering four- and five-point coordinated paths.
- Controllers (PD Computed Torque, PID Computed Torque, PD-PI + fuzzy, and MPC) were designed and simulated using the dynamic model of the robot. Graphs of the desired and actual trajectories were generated, verifying the sequences of the proposed trajectories.
- Classical PID control was included to observe the robot’s behavior under the same trajectories, as well as a PID control with Gain Scheduling to enhance its performance. Trajectories for object evasion were also designed.
- Performance indices were calculated, highlighting that the IA indicator approximated a value close to one.
8. Future Work
- Developing a more precise mathematical model for the robot, including all moments of inertia.
- Exploring new control strategies.
- Implementing visual sensors for object detection.
- Object tracking using visual sensors.
- Conducting experimental validations to verify the effectiveness of the proposed methods.
Author Contributions
Funding
Institutional Review Board Statement
Informed Consent Statement
Data Availability Statement
Acknowledgments
Conflicts of Interest
Abbreviations
| ABC | Artificial Bee Colony |
| ABCMG | Artificial Bee Colony with Multi-elite Guidance |
| AI | Artificial Intelligence |
| CMRR | Common Mode Rejection Ratio |
| DH | Denavit–Hartenberg |
| DoF | Degree-of-Freedom |
| FLC | Fuzzy Logic Controller |
| FLJC | Fuzzy logic Based Joint Controllers |
| GB | Giga Byte |
| GHz | Giga Hertz |
| GPS | Global Position System |
| IA | Index of Agreement |
| IoT | Internet of Things |
| LB-NMPC | Learning Based Nonlinear Model Predictive Control |
| KKT | Karush–Kuhn–Tucker |
| MAE | Mean Absolute Error |
| MIMO | Multiple Input/Output System |
| MPC | Model Predictive Control |
| MSE | Mean Squared Error |
| NMPC | Nonlinear Predictive Control |
| NPL | Nonlinear Non-Problem |
| PD | Proportional–Derivative |
| PDCT | Proportional–Derivative Computed Torque |
| PI | Proportional–Integral |
| PID | Proportional–Integral–Derivative |
| PIDCT | Proportional–Integral–Derivative Computed Torque |
| PIs | Performance Indices |
| PSO | Particle Swarm Optimization algorithm |
| RAM | Random Access Memory |
| RMS | Residual Mean Square |
| RMSE | Root Mean Square Error |
| RSD | Residual Standard Deviation |
| SQP | Sequential Quadratic Program |
| 3D | Three Dimensions |
References
- Barrientos, A.; Peñín, L.; Balaguer, C.; Aracil, R. Fundamentos de Robótica; McGraw Hill: Antequera, Spain, 1997. [Google Scholar]
- Craig, J. Robótica, 3rd ed.; Pearson: Ciudad de Mexico, Mexico, 2006. [Google Scholar]
- Lewis, F.L.; Dawson, D.M.; Abdallah, C.T. Robot Manipulator Control Theory and Practice Second Edition, Revised and Expanded; Marcel Dekker, Inc.: New York, NY, USA; Basel, Switzerland, 2004. [Google Scholar]
- Matute, A.; Bernal, W. Fuzzy Logic Techniques in Control Engineering; Revista Ciencia, Innovación y Tecnología (RCIYT): Buenos Aires, Argentina, 2017; Volume III. [Google Scholar]
- Gregori, V.; Morillas, S.; Sapena, A. Examples of fuzzy metrics and applications. Fuzzy Sets Syst. 2011, 170, 95–111. [Google Scholar] [CrossRef]
- Fehr, J.; Schmid, P.; Schneider, G.; Eberhard, P. Modeling, Simulation, and Vision-/MPC-Based Control of a PowerCube Serial Robot. Appl. Sci. 2020, 10, 7270. [Google Scholar] [CrossRef]
- Calli, B.; Dollar, A.M. Vision-Based Model Predictive Control for Within-Hand Precision Manipulation with Underactuated Grippers. In Proceedings of the 2017 IEEE International Conference on Robotics and Automation (ICRA), Singapore, 29 May–3 June 2017. [Google Scholar]
- Ostafew, C.J.; Schoellig, A.P.; Barfoot, T.D.; Collier, J. Learning-based Nonlinear Model Predictive Control to Improve Vision-based Mobile Robot Path Tracking. J. Field Robot. 2016, 33, 133–152. [Google Scholar] [CrossRef]
- Abad, A.C.; Ligutan, D.D.; Dadios, E.P.; Cruz, L.J.S.; Del Rosario, M.C.D.; Kudhal, J.N.S. Fuzzy Logic-Controlled 6-DOF Robotic Arm Color-based Sorter with Machine Vision Feedback. Int. J. Adv. Comput. Sci. Appl. 2018, 9, 21–31. [Google Scholar] [CrossRef]
- Roshanianfard, A.; Mengmeng, D.; Nematzadeh, S. A 4-dof scara robotic arm for various farm applications: Designing, kinematic modelling, and parameterization. Acta Technol. Agric. 2021, 24, 61–66. [Google Scholar] [CrossRef]
- Iqbal, J. Modern Control Laws for an Articulated Robotic Arm: Modeling and Simulation. Eng. Technol. Appl. Sci. Res. 2019, 9, 4057–4061. [Google Scholar] [CrossRef]
- Urrea, C.; Saa, D. Design, Simulation, Implementation, and Comparison of Advanced Control Strategies Applied to a 6-DoF Planar Robot, Electrical Engineering Department, Faculty of Engineering. Symmetry 2023, 15, 1070. [Google Scholar] [CrossRef]
- Tay, S.H.; Choong, W.H.; Yoong, H.P. A Review of SCARA Robot Control System. In Proceedings of the 2022 IEEE International Conference on Artificial Intelligence in Engineering and Technology (IICAIET), Kota Kinabalu, Malaysia, 13–15 September 2022. [Google Scholar]
- Yime, E.; Roldán, J.; Villa, J. Computed torque control of a 2-RR planar parallel robot. Prospectiva 2017, 15, 85–95. [Google Scholar] [CrossRef][Green Version]
- Soto, I.; Campa, R. Two-Loop Control of Redundant Manipulators: Analysis and Experiments on a 3-DOF Planar Arm. Int. J. Adv. Robot. Syst. 2013, 10, 85. [Google Scholar] [CrossRef]
- Oktarina, Y.; Septiarini, F.; Dewi, T.; Risma, P.; Nawawi, M. Fuzzy-PID Controller Design of 4 DOF Industrial Arm Robot Manipulator. Comput. Eng. Appl. J. 2019, 8, 123–136. [Google Scholar] [CrossRef]
- Mirzadeh, M.; Haghighi, M.; Khezri, S.; Mahmoodi, J.; Karbasi, H. Design Adaptive Fuzzy Inference Controller for Robot Arm. Int. J. Inf. Technol. Comput. Sci. 2014, 6, 66–73. [Google Scholar] [CrossRef]
- Ali, A.M.A.; Sabah, I.A.; Ahmed, A.; Mohammed, A.M.A.A. Modelling and Control Two-Link Robot Arm Based on Fuzzy Logic. IOSR J. Electr. Electron. Eng. 2022, 17, 41–49.00E1. [Google Scholar]
- Camacho, E.F.; Bordons, C. Control Predictivo: Pasado, Presente y Futuro. Rev. Iberoam. Automática E Informática Ind. 2004, 1, 5–28. Available online: https://polipapers.upv.es/index.php/RIAI/article/view/8031 (accessed on 1 October 2024).
- Guechi, E.-H.; Bouzoualegh, S.; Zennir, Y.; Blažič, S. MPC Control and LQ Optimal Control of a Two-Link Robot Arm: A Comparative Study. Machines 2018, 6, 37. [Google Scholar] [CrossRef]
- AlAttar, A.; Chappell, D.; Kormushev, P. Kinematic-Model-Free Predictive Control for Robotic Manipulator Target Reaching with Obstacle Avoidance. Front. Robot. AI 2022, 9, 809114. [Google Scholar] [CrossRef]
- Azeez, M.I.; Abdelhaleem, A.M.M.; Elnaggar, S.; Moustafa, K.A.F.; Atia, K.R. Optimization of PID trajectory tracking controller for a 3-DOF robotic manipulator using enhanced Artificial Bee Colony algorithm. Sci. Rep. 2023, 13, 11164. [Google Scholar] [CrossRef]
- Kern, J.; Urrea, C.; Torres, H. Implementation and Comparison of Controllers for Planar Robots. J. Electr. Eng. Technol. 2017, 12, 926–936. [Google Scholar] [CrossRef][Green Version]
- Kern, J.; Urrea, C.; Verdejo, H.; Agramonte, R.; Becker, C. Trajectory Tracking and Disturbance Rejection Performance Analysis of Classical and Advanced Controllers for a SCORBOT Robot. Robotics 2024, 13, 48. [Google Scholar] [CrossRef]
- MatLab Simulink. 2024. Available online: https://la.mathworks.com (accessed on 1 October 2024).
- Intelitek Inc. SCORBOT-ER 5Plus User Manual, Catalog # 100016 Rev. C, February 1996. Available online: www.intelitek.com (accessed on 19 July 2024).
- Martínez, J.; Guerrero, G.; Gerardo, L. Modelado del robot SCORBOT ER-V+. In Proceedings of the Congreso Nacional de Control Automático, UNAM, DF, Mexico, 18–20 October 2006. [Google Scholar]
- Mañay, E.D.; Chiliquinga, M.D.; Lza, J.E.I.; Ugsha, H.E.Y.; Castillo, P.S. Diseño por simulación de un control Fuzzy y MPC para un proceso de nivel. Cienc. Lat. Rev. Científica Multidiscip. 2022, 6, 1951–1970. [Google Scholar] [CrossRef]
- Toxqui, B.; Palomino, A.; Martínez, C. Estudio comparativo de los esquemas de control Par Calculado y PD+ para el robot UR5, México, Tecnológico Nacional de México en Celaya. Pist. Educ. 2023, 44, 826–840. [Google Scholar]
- Abdo, B.; Gorashi, M. Modeling and Control of 5 DOFs Robotic Arm Using PID and Fuzzy Logic Controller. Res. Propos. 2024, 1, 1–85. [Google Scholar] [CrossRef]
- Comari, S.; Carricato, M. Vision-Based Robotic Grasping of Reels for Automatic Packaging Machines. Appl. Sci. 2022, 12, 7835. [Google Scholar] [CrossRef]
- Jin, T.; Han, X. Robotic arms in precision agriculture: A comprehensive review of the technologies, applications, challenges, and future prospects. Comput. Electron. Agric. 2024, 221, 108938. [Google Scholar] [CrossRef]
- Roshanianfard, A.; Noguchi, N.; Kamata, T. Design and performance of a robotic arm for farm use. Int. J. Agric. Biol. Eng. 2019, 12, 146–158. [Google Scholar] [CrossRef]
- Wang, W.; Wang, P.; Zhao, Y.; Zhu, Y.; Zhao, J. Kinematics and workspace analysis of a robotic arm for medical delivery robots. InE3S Web Conf. 2021, 257, 01067. [Google Scholar] [CrossRef]
- Khandagale, S.; Bappasaheb, N.; Khose, A.; Kshirsagar, P.; Nemane, P.; Haribhau, R. Role of Pharmaceutical Automation and Robotics in Pharmaceutical Industry: A Re-view. Syst. Rev. Pharm. 2024, 15, 131–135. Available online: https://www.sysrevpharm.org/articles/role-of-pharmaceutical-automation-and-robotics-in-pharmaceutical-industrya-short-review.pdf (accessed on 1 October 2024).
- Nandi, S.; Das, S. Robotics in the Pharmaceutical Industry. Hum. J. 2021, 21, 325–334. [Google Scholar]
- Jun, Z.; Jiguo, W.; Qianyi, Z.; Ning, W.; Chaofan, W.; Lei, W. Design and Workspace Analysis of Drilling Arm of Mining Anchor Drilling Robot. J. Phys. Conf. Ser. 2022, 2202, 012057. [Google Scholar] [CrossRef]
- Zakey, N.E.N.A.; Zaman, M.H.M.; Ibrahim, M.F. Structural Optimization of 4-DOF Agricultural Robot Arm. J. Kejuruter. 2024, 36, 1127–1134. [Google Scholar] [CrossRef]
- Wei, C.Z.; Zaman, M.H.M.; Ibrahim, M.F. Visual Servo Algorithm of Robot Arm for Pick and Place Application. J. Kejuruter. 2024, 36, 891–898. [Google Scholar] [CrossRef]
- Zheng, Z.; Ma, Y.; Zheng, H.; Gu, Y.; Lin, M. Industrial part localization and grasping using a robotic arm guided by 2D monocular vision. Ind. Robot. Int. J. Robot. Res. Appl. 2018, 45, 794–804. [Google Scholar] [CrossRef]



































| SCORBOT-ER V Plus Specifications | |
|---|---|
| Mechanical structure | Vertical articulated |
| Number of axes | Five axes plus servo gripper (three axes are considered) |
| Axis Movement | |
| Axis 1: base rotation (first DoF) | 310° |
| Axis 2: shoulder rotation (second DoF) | +130°/−35° |
| Axis 3: elbow rotation (third DoF) | ±130° |
| Axis 4: wrist pitch (end effector) | ±130° |
| Axis 5: wrist roll (end effector) | Unlimited (mechanically); ±570° (electrically) |
| Maximum operating radius | 610 mm (24.4”) |
| End effector | DC servo gripper with optical encoder, parallel finger motion; Measurement of object’s size/gripping force by means of gripper sensors and software. |
| Maximum gripper opening | 75 mm (3”) without rubber pads 65 mm (2.6”) with rubber pads |
| Hard home | Fixed position on each axis, found by means of microswitches |
| Feedback | Optical encoder on each axis |
| Actuators | 12V DC servo motors |
| Motor capacity (axes 1–6) | 15 oz. in Peak Torque (stall) 70 W Power for Peak Torque |
| Gear ratios | Motors 1, 2, 3: 127.1:1 Motors 4, 5: 65.5:1 Motor 6 (gripper) 19.5:1 |
| Transmission | Gears, timing belts, and lead screw |
| Maximum payload | 1 kg (2.2 lb.), including gripper |
| Position repeatability | ±0.5 mm (0.02”) at TCP (tip of gripper) |
| Weight | 11.5 kg (25 lb) |
| Maximum path velocity | 600 mm/s (23.6”/s) |
| Ambient operating temperature | 2°–40 °C (36°–104°F) |
| Link | ||||
|---|---|---|---|---|
| 1 | 0 | 90° | ||
| 2 | 0 | 0 | ||
| 3 | 0 | 0 |
| Symbol | Link 1 | Link 2 | Link 3 | Unit |
|---|---|---|---|---|
| l | 0.32 | 0.22 | 0.22 | [m] |
| lc | 0 | 0.052 | 0.1376 | [m] |
| m | 7.1402 | 2.2483 | 1.957 | [kg] |
| Izz | 0.04624 | 0.02595 | 0.03616 | [kg∙m2] |
| Fv | 0.025 | 0.025 | 0.025 | [N∙m/rad] |
| Feca | 0.05 | 0.05 | 0.05 | [N∙m] |
| Fecb | 0.05 | 0.05 | 0.05 | [N∙m] |
| Controller | Weaknesses | Strengths | Complementary Characteristics |
|---|---|---|---|
| Computed Torque (Adaptive Control) | None observed. | Guarantees global asymptotic stability and, in practical terms, calculates the exact amount of energy required by servomotors to execute a planned trajectory. Cancels robot dynamics in closed-loop and reduces the computation of calculations to solve the system in state variables during numerical integration. | Applicable to any robot with n DoF. |
| Fuzzy Control | Cannot eliminate steady-state error. | Provides better performance in terms of settling time, response time, overshoot, and robustness. Stable control. High precision. Able to adapt to different operating conditions. | Applicable to other robot types. |
| Model Predictive Control | Requires knowledge of a sufficiently accurate dynamic system model. Requires an optimization algorithm, thus can only be implemented by computer. Requires high computational cost, making it difficult to apply to fast systems. Complex consideration of uncertainties. | Executes constraints and can be used with Multiple-Input Multiple-Output (MIMO) systems. Time-domain formulation, flexible and open. Allows handling of linear and nonlinear systems, Single-Variable and Multi-Variable using the same controller formulation. Control law responds to optimal criteria. Allows incorporation of constraints in controller synthesis. | Applicable to other robot types. |
| PID | Insufficient for the nonlinear control system. Low precision. Unable to adapt to different operating conditions. | Stable control. Easy to apply. | Used at industrial level. |
| Simulation Conditions | |
|---|---|
| Gains | ; Kd = 20 |
| Total simulation time | |
| External forces | Step function |
| MATLAB® R2024a | Standard configuration |
| Trajectory generation | Trapezoidal Velocity with Waypoints |
| Data Capture | 3D Array |
| Simulation Conditions | |
|---|---|
| Gains | ; Ki = 10; Kd = 20 |
| Total simulation time | |
| External forces | Step function |
| MATLAB® R2024a | Standard configuration |
| Trajectory generation | Trapezoidal Velocity with Waypoints |
| Data Capture | 3D Array |
| (a) | |||
|---|---|---|---|
| Membership Conditions | |||
| IF (Error is P) and (ErrorI is P) | Then (Output is PB) | ||
| IF (Error is P) and (ErrorI is N) | Then (Output is Z) | ||
| IF (Error is P) and (ErrorI is Z) | Then (Output is PS) | ||
| IF (Error is N) and (ErrorI is P) | Then (Output is Z) | ||
| IF (Error is N) and (ErrorI is N) | Then (Output is NB) | ||
| IF (Error is N) and (ErrorI is Z) | Then (Output is NS) | ||
| IF (Error is Z) and (ErrorI is P) IF (Error is Z) and (ErrorI is N) IF (Error is Z) and (ErrorI is Z) | Then (Output is PS) Then (Output is NS) Then (Output is Z) | ||
| (b) | |||
| Error/ErrorI | N | Z | P |
| N | NB | NS | Z |
| Z | NS | Z | PS |
| P | Z | PS | PB |
| Simulation Conditions | |
|---|---|
| Gains | ; Ki = 1; Kd = 5; Ku = 20; Ku1 = 20 |
| Total simulation time | |
| External forces | Step function |
| MATLAB® R2024a | Standard configuration |
| Trajectory generation | Trapezoidal Velocity with Waypoints |
| Data Capture | 3D Array |
| Simulation Conditions | |
|---|---|
| Sample time | |
| Total simulation time | |
| External forces | Step function |
| MATLAB® R2024a | Standard configuration |
| Trajectory generation | Trapezoidal Velocity with Waypoints |
| Data Capture | 3D Array |
| Time [s] | |||||||
|---|---|---|---|---|---|---|---|
| Cartesian Axis [m] | 1 | 2 | 3 | 4 | 5 | 6 | |
| X | 0.2500 | 0.2500 | 0.2500 | 0.1500 | 0.1500 | 0.2500 | |
| Y | 0.0100 | 0.0100 | 0.1100 | 0.1100 | 0.0100 | 0.0100 | |
| Z | 0.1100 | 0.1100 | 0.1100 | 0.1100 | 0.1100 | 0.1100 | |
| Time [s] | |||||||
|---|---|---|---|---|---|---|---|
| Cartesian Axis [m] | 1 | 2 | 3 | 4 | 5 | 6 | |
| X | 0.2500 | 0.2500 | 0.2500 | 0.1500 | 0.2500 | 0.2500 | |
| Y | 0.0100 | 0.0100 | 0.1100 | 0.1100 | 0.0100 | 0.0100 | |
| Z | 0.1100 | 0.1100 | 0.1100 | 0.1100 | 0.1100 | 0.1100 | |
| Controller | Computed Torque PD | PD-PI Fuzzy | MPC | ||||||
|---|---|---|---|---|---|---|---|---|---|
| Index | RMS | RSD | IA | RMS | RSD | IA | RMS | RSD | IA |
| X Coordinate | 0.0720 | 0.1595 | 0.9940 | 0.0641 | 0.0133 | 0.9989 | 0.0675 | 0.0161 | 0.9981 |
| Y Coordinate | 0.0904 | 0.1731 | 0.9885 | 0.0742 | 0.0451 | 0.9991 | 0.0721 | 0.0572 | 0.9984 |
| Z Coordinate | 0.1447 | 0.1443 | 0.9709 | 0.0563 | 0.0246 | 0.9976 | 0.0981 | 0.0401 | 0.9979 |
| Trajectory A | √ | ||||||||
| Link | |||
|---|---|---|---|
| 1 | 1500 | 100 | 50 |
| 2 | 2000 | 200 | 150 |
| 3 | 3000 | 300 | 50 |
| Controller | Weaknesses | Strengths | Complementary Characteristics |
|---|---|---|---|
| Computed Torque PD | Requires the dynamic model of the robot. | Simple, provides precision and smoothness in movement. | Robust in selected trajectories. Low computational cost. Negligible processing/execution time. |
| PD-PI Fuzzy | Needs additional classical control. | Does not require a dynamic model. Provides smoothness. | Acceptable in trajectories. Low computational cost. Significant processing/execution time. |
| MPC | Requires the dynamic model of the robot. | Predicts future values. Acceptable movement. | Acceptable in trajectories. Low computational cost. Minimal processing/execution time. |
Disclaimer/Publisher’s Note: The statements, opinions and data contained in all publications are solely those of the individual author(s) and contributor(s) and not of MDPI and/or the editor(s). MDPI and/or the editor(s) disclaim responsibility for any injury to people or property resulting from any ideas, methods, instructions or products referred to in the content. |
© 2024 by the authors. Licensee MDPI, Basel, Switzerland. This article is an open access article distributed under the terms and conditions of the Creative Commons Attribution (CC BY) license (https://creativecommons.org/licenses/by/4.0/).
Share and Cite
Urrea, C.; Kern, J.; Torres, V. Design, Simulation, and Comparison of Advanced Control Strategies for a 3-Degree-of-Freedom Robot. Appl. Sci. 2024, 14, 11010. https://doi.org/10.3390/app142311010
Urrea C, Kern J, Torres V. Design, Simulation, and Comparison of Advanced Control Strategies for a 3-Degree-of-Freedom Robot. Applied Sciences. 2024; 14(23):11010. https://doi.org/10.3390/app142311010
Chicago/Turabian StyleUrrea, Claudio, John Kern, and Víctor Torres. 2024. "Design, Simulation, and Comparison of Advanced Control Strategies for a 3-Degree-of-Freedom Robot" Applied Sciences 14, no. 23: 11010. https://doi.org/10.3390/app142311010
APA StyleUrrea, C., Kern, J., & Torres, V. (2024). Design, Simulation, and Comparison of Advanced Control Strategies for a 3-Degree-of-Freedom Robot. Applied Sciences, 14(23), 11010. https://doi.org/10.3390/app142311010

