Calculation of Trusses System in MATLAB—Multibody
Abstract
1. Introduction
2. Example of Analytical Design Based on In-Plane Deformation Conditions
- Node A:

- Node B:

- Node C:

- Node D:

- Node B:

- Node C:

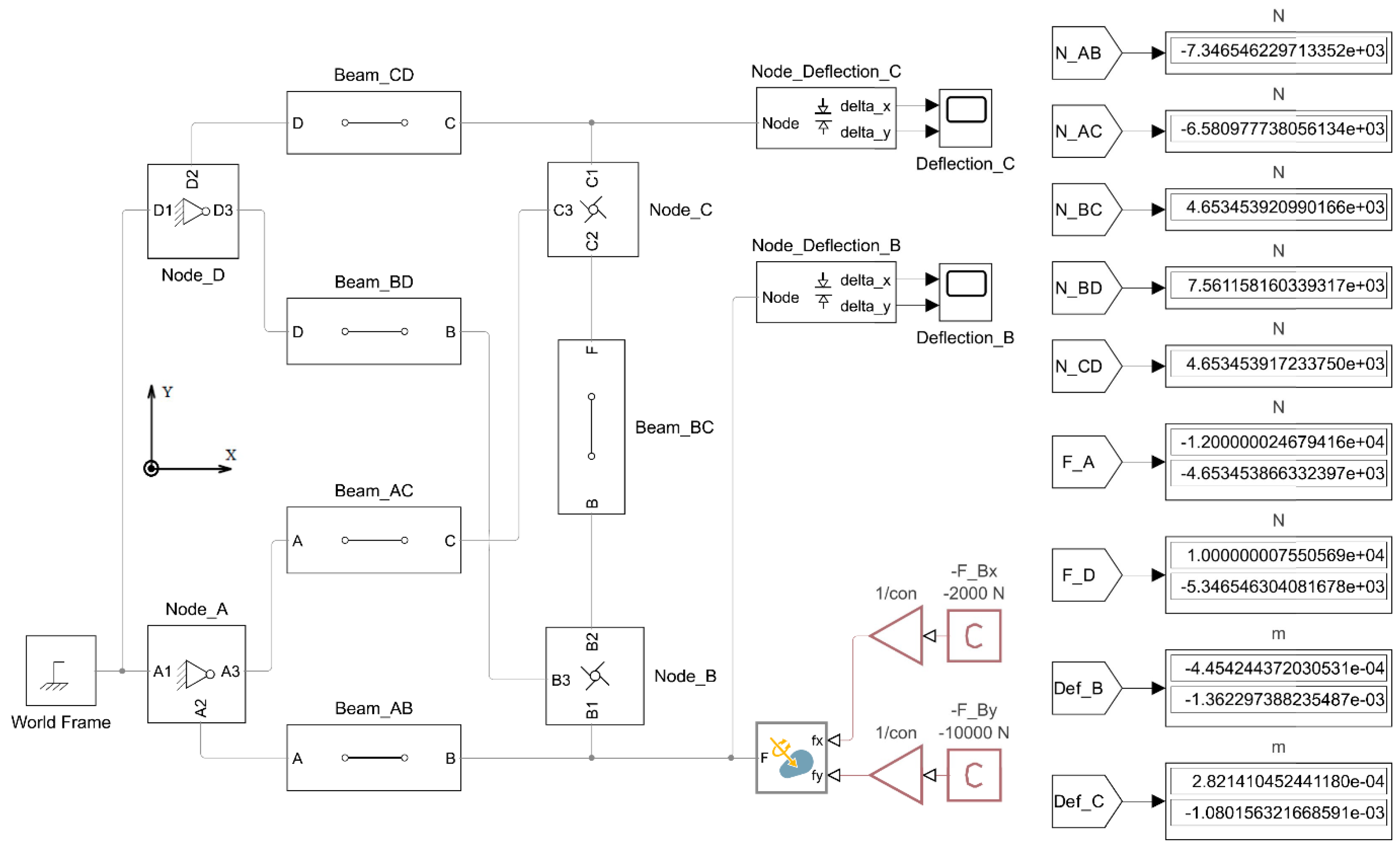
3. Building a Trusses Structure in MATLAB—Simscape Multibody
4. Building a Trusses Structure in the SOLIDWORKS—Weldments Tool
5. Results
5.1. Deriving from the Theory
5.2. The MATAB and SOLIDWORKS Results
| Parameter [Unit] | Theoretical Calculation | MATLAB Not Optimized | MATLAB Optimized | SOLIDWORKS |
|---|---|---|---|---|
| NAB [N] | −7.34654620 × 103 | −7.34654003 × 103 | −7.34654622 × 103 | −7.34590527 × 103 |
| NAC [N] | −6.58097746 × 103 | −6.58097926 × 103 | −6.58097773 × 103 | −6.58031299 × 103 |
| NBC [N] | 4.65345379 × 103 | 4.65345692 × 103 | 4.65345392 × 103 | 4.65308789 × 103 |
| NBD [N] | 7.56115815 × 103 | 7.56116105 × 103 | 7.56115816 × 103 | 7.55990186 × 103 |
| NCD [N] | 4.65345379 × 103 | 4.65345484 × 103 | 4.65345391 × 103 | 4.65298145 × 103 |
| FAx [N] | −1.20000000 × 104 | −1.19999982 × 104 | −1.20000002 × 104 | −1.19988418 × 104 |
| FAy [N] | −4.65345379 × 103 | −4.65344188 × 103 | −4.65345386 × 103 | −4.65380371 × 103 |
| FDx [N] | 1.00000000 × 104 | 9.99999827 × 103 | 1.00000000 × 104 | 9.99884180 × 103 |
| FDy [N] | −5.34654620 × 103 | −5.34655811 × 103 | −5.34654630 × 103 | −5.34619678 × 103 |
| FBx 1 [N] | −2.00000000 × 103 | −1.99999177 × 103 | −2.00000002 × 103 | – |
| FBy 1 [N] | −1.00000000 × 104 | −1.00000051 × 104 | −1.00000001 × 104 | – |
| δBx [m] | −4.45424435 × 10−4 | −4.45424989 × 10−4 | −4.45424437 × 10−4 | −4.45385580 × 10−4 |
| δBy [m] | −1.36229734 × 10−3 | −1.36229743 × 10−3 | −1.36229738 × 10−3 | −1.36211328 × 10−3 |
| δCx [m] | 2.82141018 × 10−4 | 2.82140499 × 10−4 | 2.82141045 × 10−4 | 2.82112334 × 10−4 |
| δCy [m] | −1.08015632 × 10−3 | −1.08015649 × 10−3 | −1.08015632 × 10−3 | −1.07999449 × 10−3 |
6. Discussion
7. Conclusions
Author Contributions
Funding
Institutional Review Board Statement
Informed Consent Statement
Data Availability Statement
Conflicts of Interest
Nomenclature
| Abbreviations | |
| FEM | Finite Element Method |
| Parametres, variables | |
| A, B, C, D | Node, Gusset |
| U | Potential strain energy of the trusses system |
| F, N | Normal force in a bar |
| F | Force vector |
| M | Moment |
| l | Bar length |
| d | Bar diameter |
| S | cross-section |
| E | The Young’s modulus of a bar |
| G | Shear modulus |
| Density | Density |
| μ | Poisson’s ratio |
| δB, δC | Deflection vector at node B or C in the plane |
| FeB, FeC | Additional external force vector at node B or C |
| C | Damping matrix of the Rayleigh damping model |
| K | Stiffness matrix of the Rayleigh damping model |
| M | Mass matrix of the Rayleigh damping model |
| bm | Mass coefficient proportional to the mass matrix M of the Rayleigh damping model |
| bk | Stiffness coefficient proportional to the stiffness matrix K of the Rayleigh damping model |
| t | Simulation time |
| con | Multiplication constant |
| x, y, z | Coordinate system axes, or position vector elements |
| u(i) | i—the element of the vector u of the input variable for the function in SIMULINK |
References
- Mathworks; Simscape. MultibodyTM Getting Started Guide; Mathworks: Natick, MA, USA, 2024. [Google Scholar]
- Mathworks. MATLAB for Artificial Intelligence. Available online: https://www.mathworks.com/help/pdf_doc/sm/sm_gs.pdf (accessed on 14 August 2024).
- Mathworks; Simscape. MultibodyTM User’s Guide; Mathworks: Natick, MA, USA, 2024. [Google Scholar]
- Mathworks. MATLAB for Artificial Intelligence. Available online: https://www.mathworks.com/help/pdf_doc/sm/sm_ug.pdf (accessed on 14 August 2024).
- Bauchau, O.A.; Craig, J.I. Euler—Bernoulli beam theory. In Structural Analysis; Springer: Dordrecht, The Netherlands, 2009. [Google Scholar]
- Öchsner, A. Euler—Bernoulli beam theory. In Classical Beam Theories of Structural Mechanics; Springer: Cham, Switzerland, 2021; pp. 7–66. [Google Scholar]
- Euler-Bernoulli Beams: Bending, Buckling, and Vibration. Available online: https://ocw.mit.edu/courses/2-002-mechanics-and-materials-ii-spring-2004/bc25a56b5a91ad29ca5c7419616686f7_lec2.pdf (accessed on 1 August 2024).
- Šarišský, P. Zpracování Algoritmu pro Řešení Deformace Prutových Soustav v Reálném Čase [Development of an Algorithm for Real—Time Deformation Analysis of Trusses Systems]. Bachelor’s Thesis, Brno University of Technology, Brno-Královo Pole, Czech Republic, 2017. [Google Scholar]
- Bakošová, A.; Krmela, J.; Handrik, M. Computing of truss structure using MATLAB. Manuf. Technol. 2020, 20, 279–285. [Google Scholar] [CrossRef]
- ANSYS. ANSYS Fluent User Guide; ANSYS: Canonsburg, PA, USA, 2017; Available online: http://www.ansys.com (accessed on 14 August 2024).
- Madenci, E.; Guven, I. Fundamentals of ANSYS. In The Finite Element Method and Applications in Engineering Using ANSYS®; ANSYS: Canonsburg, PA, USA, 2006; pp. 15–35. [Google Scholar]
- Thompson, M.K.; Thompson, J.M. ANSYS Mechanical APDL for Finite Element Analysis; Butterworth—Heinemann: Oxford, UK, 2017. [Google Scholar]
- Trebuňa, F.; Šimčák, F. Odolnosť Prvkov Mechanických Sústav [Resistance of Mechanical System Components]. Technical University of Košice: Košice, Slovakia, 2004. [Google Scholar]
- Jones, R.M. Buckling of Bars, Plates, and Shells; Bull Ridge Corporation: Blacksburg, VA, USA, 2006. [Google Scholar]
- Cai, Q.; Feng, R.; Zhang, Z. Topology optimization of truss structure considering nodal stability and local buckling stability. Structures 2022, 40, 64–73. [Google Scholar] [CrossRef]
- Gambhir, M.L. Stability Analysis and Design of Structures; Springer Science & Business Media: Dordrecht, The Netherlands, 2004. [Google Scholar]
- Manguri, A.; Saeed, N.; Szczepanski, M.; Jankowski, R. Buckling and shape control of prestressable trusses using optimum number of actuators. Sci. Rep. 2023, 13, 3838. [Google Scholar] [CrossRef] [PubMed]
- Janíček, P.; Ondráček, E.; Vrbka, J. Mechanika těles. Pružnost a Pevnost I [Mechanics of Bodies. Elasticity and Rigidity I]; Vysoké učení Technické: Brno, Czech Republic, 1992. [Google Scholar]
- Karnovsky, I.A.; Lebed, O. Advanced Methods of Structural Analysis; Springer Nature: Berlin/Heidelberg, Germany, 2021. [Google Scholar]
- Hughes, A.J.; Merrill, C. Method of joints: Theory and practice of designing, building, and testing trusses. Technol. Eng. Teach. 2020, 80, 28. [Google Scholar]
- Florian, Z.; Pellant, K.; Suchánek, M. Technická Mechanika I—Statika [Technical Mechanics I—Statics]; Vysoké učení Technické v Brně: Brno, Czech Republic, 2004. [Google Scholar]
- Miller, S.; Soares, T.; Weddingen, Y.V.; Wendlandt, J. Modeling Flexible Bodies with Simscape Multibody Software. An Overview of Two Methods for Capturing the Effects of Small Elastic Deformations; MathWorks: Natick, MA, USA, 2017. [Google Scholar]
- Králik, J. Modelovanie Konštrukcií v Metóde Konečných Prvkov [Finite Element Modelling of Structures]; ANSYS: Canonsburg, PA, USA, 2009. [Google Scholar]
- Adhikari, S.; Phani, A.S. Rayleigh’s classical damping revisited. In Proceedings of the International Conference on Civil Engineering in the New Millennium: Opportunities and Challenges, Howrah, India, 11–14 January 2007. [Google Scholar]
- Rahman, M.H.; Gupta, C. Computation of Rayleigh damping coefficient of a rectangular submerged floating tunnel (SFT). SN Appl. Sci. 2020, 2, 936. [Google Scholar] [CrossRef]
- Planchard, D. Solidworks 2014 Reference Guide; SDC Publications: Mission, KS, USA, 2014. [Google Scholar]
- Kurowski, P. Engineering Analysis with SolidWorks Simulation 2015; SDC Publications: Mission, KS, USA, 2015. [Google Scholar]
- Solidworks. Available online: https://www.solidworks.com/ (accessed on 1 August 2024).
- Mechanical Engineer. Available online: https://shantgananian.github.io (accessed on 1 August 2024).













Disclaimer/Publisher’s Note: The statements, opinions and data contained in all publications are solely those of the individual author(s) and contributor(s) and not of MDPI and/or the editor(s). MDPI and/or the editor(s) disclaim responsibility for any injury to people or property resulting from any ideas, methods, instructions or products referred to in the content. |
© 2024 by the authors. Licensee MDPI, Basel, Switzerland. This article is an open access article distributed under the terms and conditions of the Creative Commons Attribution (CC BY) license (https://creativecommons.org/licenses/by/4.0/).
Share and Cite
Ondočko, Š.; Svetlík, J.; Jánoš, R.; Semjon, J.; Dovica, M. Calculation of Trusses System in MATLAB—Multibody. Appl. Sci. 2024, 14, 9547. https://doi.org/10.3390/app14209547
Ondočko Š, Svetlík J, Jánoš R, Semjon J, Dovica M. Calculation of Trusses System in MATLAB—Multibody. Applied Sciences. 2024; 14(20):9547. https://doi.org/10.3390/app14209547
Chicago/Turabian StyleOndočko, Štefan, Jozef Svetlík, Rudolf Jánoš, Ján Semjon, and Miroslav Dovica. 2024. "Calculation of Trusses System in MATLAB—Multibody" Applied Sciences 14, no. 20: 9547. https://doi.org/10.3390/app14209547
APA StyleOndočko, Š., Svetlík, J., Jánoš, R., Semjon, J., & Dovica, M. (2024). Calculation of Trusses System in MATLAB—Multibody. Applied Sciences, 14(20), 9547. https://doi.org/10.3390/app14209547

