Construction of Robotics and Application of the Optical-Flow Algorithm in Determining Robot Motions
Abstract
1. Introduction
2. Methodology
3. Robot Design and Testing for the Standard Model
3.1. Robot Design
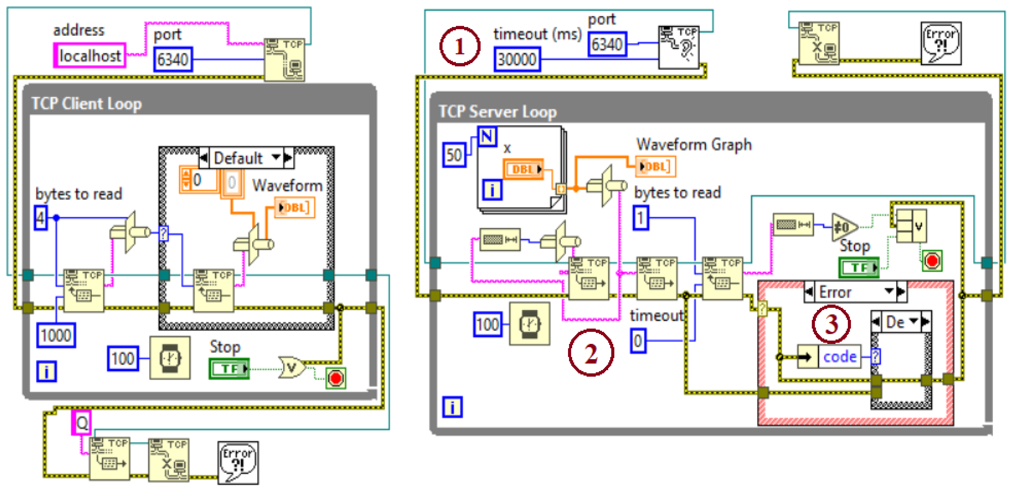
3.2. Communication Systems
3.2.1. Communication between Robot 1 and the Central Computer
3.2.2. Communication between Robot 2 and the Central Computer
3.3. Experimental Setup and Process to Determine System Parameters
3.3.1. Standard Model for Initial System Parameters
3.3.2. Application Models for Determining Scaling Factor
3.3.3. Experimental Evaluation of Measurement Errors
4. Results and Discussion
4.1. Experiment 1
4.2. Experiment 2
4.3. Experiment 3
4.4. Experiment 4
5. Conclusions
- −
- The algorithm shows a high ability to determine the position, velocity, and angle of the robot in space. The results can be applied to other objects in the same frame when a calibration process is performed. The average error of velocity was 7.9%, and the angle was 1.25°. This error becomes high when the robot moves far from the camera. However, the uncertainty is less sensitive to the length of the model and trajectory. In a complicated trajectory, both measurements in robot and optical-flow results show highly accurate results with an average error of 8.9% in velocity and 2.40% in angle.
- −
- A correlation function was built for different objects. It is shown that the function is simple but is highly effective in determining the object. Additionally, it can be featured for other objects with a calibration process in advance.
- −
- Systematic robots and measurements were successful in design for the testing process. The robot with a telecommunication system can be applied in real application. The communication system allows detection of the positions of the robot in real time with highly accurate results.
- −
- The measurement systems developed in the current study can be used as the initial process of determining the state of the robot. The real test and application will be developed in the future to confirm the efficiency of the system. Additionally, a communication system should be developed to link the positions of the robot by the camera and a highly advanced, expensive technique such as laser to improve the accuracy of the measurements.
Author Contributions
Funding
Data Availability Statement
Acknowledgments
Conflicts of Interest
References
- Karthikeyan, P.; Tamilselvan, S.; Selvakumar, S.; Sridharan, P. Design of Armed Robotic System for defense and military application. In Proceedings of the 5th IRF International Conference, Chennai, India, 23 March 2014; ISBN 978-9382702-67-2. [Google Scholar]
- Luvizon, D.C.; Nassu, B.T.; Minetto, R. A Video-Based System for Vehicle Speed Measurement in Urban Roadways. IEEE Trans. Intell. Transp. Syst. 2017, 18, 1393–1404, (IEEE transactions). [Google Scholar] [CrossRef]
- Ohya, A.; Kosaka, A.; Kak, A. Vision-Based Navigation by a Mobile Robot with Obstacle Avoidance Using Single-Camera Vision and Ultrasonic Sensing. IEEE Trans. Robot. Autom. 1998, 14, 969–978. [Google Scholar] [CrossRef]
- Wei, Q.; Yang, B. Adaptable Vehicle Detection and Speed Estimation for Changeable Urban Traffic With Anisotropic Magnetoresistive Sensors. IEEE Sens. J. 2017, 17, 2021–2028. [Google Scholar] [CrossRef]
- Gerat, J.; Sopiak, D.; Oravec, M.; Pavlovi Cova, J. Vehicle Speed Detection from Camera Stream Using Image Processing Methods. In Proceedings of the International Symposium ELMAR, Zadar, Croati, 16–18 September 2024. [Google Scholar]
- Efstathios, P.F.; Garzon, M.; Barrientos, A. Human Detection from a Mobile Robot Using Fusion of Laser and Vision Information. Sensors 2013, 13, 11603–11635. [Google Scholar] [CrossRef] [PubMed]
- Madischer, N.; Hou, R.; Corves, B. Multiposture leg tracking for temporarily vision restricted environments base on fusion of laser and radar sensor data. J. Field Robot. 2023, 40, 1620–1638. [Google Scholar] [CrossRef]
- Zheng, K.; Wu, F.; Chen, X. Laser-Based people detection and obstacle avoidance for a hospital transport robot. Sensor 2021, 21, 961. [Google Scholar] [CrossRef] [PubMed]
- Yasin, J.N.; Mohamed, A.S.S.; Haghbayan, M.-H.; Heikkonen, J.; Tenhunen, H.; Plosila, J. Low-cost ultrasonic based object detection and collision avoidance method for autonomous robots. Int. J. Inf. Tecnol. 2021, 13, 97–107. [Google Scholar] [CrossRef]
- Cui, Y.; Zhang, Y.; Dong, J.; Sun, H.; Chen, X.; Zhu, F. LinK3D: Linear keypoints representation for 3D lidar point cloud. arXiv 2023. [Google Scholar] [CrossRef]
- Zhao, W.; Wang, X.; QI, B.; Runge, T. Ground-Level mapping and navigating for agriculture based on IoT and Computer vision. IEEE Access 2020, 8, 221975–221985. [Google Scholar] [CrossRef]
- Javadi, S.; Dahl, M.; Pettersson, M.I. Vehicle speed measurement model for video-based systems. Comput. Electr. Eng. 2019, 76, 238–248. [Google Scholar] [CrossRef]
- Sunil, D.; Mane, B.; Vhanale, S. Real Time Obstacle Detection for Mobile Robot Navigation Using Stereo Vision. In Proceedings of the International Conference on Computing, Analytics and Security Trends (CAST), Pune, India, 19–21 December 2016. [Google Scholar]
- Satoh, K.; Uchiyama, S.; Yamamoto, H. A Head Tracking Method Using Bird’s-Eye View Camera and Gyroscope. In Proceedings of the Third IEEE and ACM International Symposium on Mixed and Augmented Reality (ISMAR 2004), Arlington, VA, USA, 5 November 2004. [Google Scholar]
- Olivares-Mendez, M.A.; Fu, C.; Ludivig, P.; Bissyande, T.F.; Kannan, S.; Zurad, M.; Annaiyan, A.; Voos, H.; Campoy, P. Towards an Autonomous vision-based unmanned aerial system against wildlife poachers. Sensors 2015, 15, 31362–31391. [Google Scholar] [CrossRef] [PubMed]
- Ying, X.; Zhang, Z. Visual recognition of robot targets in complex state based on sub-pixel Harris corner. E3S Wed Conf. 2021, 233, 04029. [Google Scholar] [CrossRef]
- Redmon, J.; Divvala, S.; Girshick, R.; Farhadi, A. You only look once: Unified, real-time object detection. In Proceedings of the 2016 IEEE Conference on Computer Vision and Pattern Recognition (CVPR), Las Vegas, NV, USA, 27–30 June 2016; pp. 779–788. [Google Scholar]
- Wang, Y.-Y.; Li, Z.-M.; Wang, L.; Wang, M. A Scale Invariant Feature Transform Based Method. J. Inf. Hiding Multimed. Signal Process. 2013, 73–89. [Google Scholar]
- Dalal, N.; Triggs, B. Histograms of Oriented Gradients for Human Detection. In Proceedings of the 2005 IEEE Computer Society Conference on Computer Vision and Pattern Recognition (CVPR’05), San Diego, CA, USA, 20–25 June 2005. [Google Scholar]
- Gidaris, S.; Komodakis, N. Object detection via a multi-region & semantic segmentation-aware CNN model. In Proceedings of the 2015 IEEE International Conference on Computer Vision, Santiago, Chile, 7–13 December 2015. [Google Scholar]
- Rashid, M.; Khan, M.A.; Sharif, M.; Raza, M.; Sarfraz, M.M.; Afza, F. Object detection and classification: A point selection and fusion strategy of deep convolutional neural network and SIFT point features. Multimed. Tools Appl. 2019, 78, 15751–15777. [Google Scholar] [CrossRef]
- Bochkovskiy, A.; Chien-Yao, W.; Hong-Yuan, M.L. YOLOv4: Optimal Speed and Accuracy of Object Detection. arXiv 2020, arXiv:2004.10934. [Google Scholar]
- Lan, W.; Dang, J.; Wang, Y.; Wang, S. Pedestrian detection based on yolo network model. In Proceedings of the 2018 IEEE International Conference on Mechatronics and Automation (ICMA), Changchun, China, 5–8 August 2018; pp. 1547–1551. [Google Scholar]
- Hsu, W.-Y.; Lin, W.-Y. Adaptive fusion of multi-scale yolo for pedestrian detection. IEEE Access 2021, 9, 110063–110073. [Google Scholar] [CrossRef]
- Benjumea, A.; Teeti, I.; Cuzzolin, F.; Bradley, A. Yolo-z: Improving small object detection in yolov5 for autonomous vehicles. arXiv 2021, arXiv:2112.11798. [Google Scholar]
- Dazlee, N.M.A.A.; Khalil, S.A.; Abdul-Rahman, S.; Mutalib, S. Object detection for autonomous vehicles with sensor-based technology using yolo. Int. J. Intell. Syst. Appl. Eng. 2022, 10, 129–134. [Google Scholar] [CrossRef]
- Shinde, S.; Kothari, A.; Gupta, V. Yolo based human action recognition and localization. Procedia Comput. Sci. 2018, 133, 831–838. [Google Scholar] [CrossRef]
- Zheng, Y.; Zhang, H. Video analysis in sports by lightweight object detection network under the background of sports industry development. Comput. Intell. Neurosci. 2022, 2, 1–10. [Google Scholar] [CrossRef] [PubMed]
- Yang, W.; Jiachun, Z. Real-time face detection based on yolo. In Proceedings of the 2018 1st IEEE International Conference on Knowledge Innovation and Invention (ICKII), Jeju Island, Republic of Korea, 23–27 July 2018; pp. 221–224. [Google Scholar]
- Chen, W.; Huang, H.; Peng, S.; Zhou, C.; Zhang, C. Yolo-Face: A Real-Time Face Detector. In The Visual Computer; Springer-Verlag GmbH Germany, part of Springer Nature: Berlin/Heidelberg, Germany, 2020. [Google Scholar]




























| Components | Specifications |
|---|---|
| Controller | NI MyRIO-1900, National Intruments (NI), Austin, TX, USA |
| Motor with Gearbox | DCM50-775 24VDC 400RPM Geared Motor |
| Encoder | Encoder 13ppr |
| Power Circuit | DC BTS7960 43A High-power Motor Driver |
| Line Following Sensor | TCRT5000 Line Follower Sensor |
| Wheels | ZD Racing 150 mm, Guangdong, China |
| Object | Truck | Person | Car | |||
|---|---|---|---|---|---|---|
| Errors | Velocity (%) | Angle (°) | Velocity (%) | Angle (°) | Velocity (%) | Angle (°) |
| Exp. 1 | 5.2 | 0.49 | 7.1 | 0.49 | 11.8 | 0.50 |
| Exp. 2 | 7.0 | 1.48 | 7.0 | 1.73 | 6.6 | 2.10 |
| Exp. 3 | 7.6 | 1.90 | 7.8 | 1.78 | 8.0 | 1.28 |
Disclaimer/Publisher’s Note: The statements, opinions and data contained in all publications are solely those of the individual author(s) and contributor(s) and not of MDPI and/or the editor(s). MDPI and/or the editor(s) disclaim responsibility for any injury to people or property resulting from any ideas, methods, instructions or products referred to in the content. |
© 2024 by the authors. Licensee MDPI, Basel, Switzerland. This article is an open access article distributed under the terms and conditions of the Creative Commons Attribution (CC BY) license (https://creativecommons.org/licenses/by/4.0/).
Share and Cite
Nguyen, A.V.; Hoang, V.T.; Tran, T.H. Construction of Robotics and Application of the Optical-Flow Algorithm in Determining Robot Motions. Appl. Sci. 2024, 14, 9342. https://doi.org/10.3390/app14209342
Nguyen AV, Hoang VT, Tran TH. Construction of Robotics and Application of the Optical-Flow Algorithm in Determining Robot Motions. Applied Sciences. 2024; 14(20):9342. https://doi.org/10.3390/app14209342
Chicago/Turabian StyleNguyen, Anh Van, Van Tien Hoang, and The Hung Tran. 2024. "Construction of Robotics and Application of the Optical-Flow Algorithm in Determining Robot Motions" Applied Sciences 14, no. 20: 9342. https://doi.org/10.3390/app14209342
APA StyleNguyen, A. V., Hoang, V. T., & Tran, T. H. (2024). Construction of Robotics and Application of the Optical-Flow Algorithm in Determining Robot Motions. Applied Sciences, 14(20), 9342. https://doi.org/10.3390/app14209342

