Next Article in Journal
Sustainable Utilization of Stabilized Dredged Material for Coastal Infrastructure: Innovations in Non-Fired Brick Production and Erosion Control
Next Article in Special Issue
Configurational Design of a Hybrid System Based on an Air–Water Heat Pump and Biomass Boiler for a Rural Dwelling
Previous Article in Journal
Beyond Simple Tapping: Is Timed Body Movement Influenced When Balance Is Threatened?
Previous Article in Special Issue
The Intersection of Architectural Conservation and Energy Efficiency: A Case Study of Romanian Heritage Buildings
 
 
Font Type:
Arial Georgia Verdana
Font Size:
Aa Aa Aa
Line Spacing:
Column Width:
Background:
Article

Increasing the Efficiency of Ecological Solar Panels Combined with the Building’s Roof

1
Department of Heat and Gas Supply and Ventilation, Institute of Civil Engineering and Building Systems, Lviv Polytechnic National University, 79013 Lviv, Ukraine
2
Department of Heat and Power Engineering, Education and Research Institute of Energetics, Automation and Energy Efficiency, National University of Life and Environmental Sciences of Ukraine, 03041 Kyiv, Ukraine
*
Author to whom correspondence should be addressed.
Appl. Sci. 2024, 14(18), 8543; https://doi.org/10.3390/app14188543
Submission received: 26 June 2024 / Revised: 1 August 2024 / Accepted: 5 August 2024 / Published: 23 September 2024

Abstract

This article is devoted to increasing the efficiency of ecological solar panels with their combination with the house’s roof. A solar panel construction that combines both the solar collector and the building cover is considered. This work investigates the efficiency of solar panels depending on the type of coating, heat-carrying medium mass flow rate, tube diameter, and the distance between the tubes. Among the coatings, Grafplast PDA roofing material is the most effective. Prandelli/Tuborama tubes with a diameter of 16 mm are recommended. The diameter of the tubes significantly affects the efficiency of the solar panel only at low intensity of solar radiation.

1. Introduction

Since the 1990s, the market for solar heat-supply systems (SHSSs) has grown tremendously in the world. In particular, the Chinese SHSS market has become the largest of them. The annual output increased to 13 million square meters in 2004 from 0.5 million square meters in 1991, with an average annual growth rate of over 28.5%. There are basically three most common types of collectors: vacuum tube collectors (heat-pipe vacuum tube collectors), flat-plate collectors, and combination collectors [1]. Today, combined solar collectors are attracting more and more attention from researchers, as they make it possible to use the advantages of some and eliminate the disadvantages of other technical solutions [2]; hybrid systems, which are relevant in times of decarbonization and increasing eco-technologies, are also receiving increased attention [3]. A particularly promising direction in the development of solar energy solutions is the combination of solar collector elements and the external protection of buildings, in particular, walls [4].
A variety of solar panels have been designed and researched over the past few decades [5]. The main goal of these studies was to increase the efficiency of solar panels [6,7] and reduce their cost since an increase in efficiency is mainly accompanied by an increase in the price of solar panels. Therefore, it is advisable to search for the optimal parameters of the solar panel, which will make it possible to obtain maximum efficiency at minimum economic costs.
The improvement in existing solar heat supply (SHS) systems [8,9] for their maximum integration into traditional heat-supply systems and wide application in practice is relevant today. One of the ways to solve this aspect is to use the effect of combining solar panels with the roof of a house [10]. At the same time, the issue of increasing their efficiency from the point of view of choosing the optimal design parameters (covering material, tubes, etc.) and their quantitative characteristics (diameter, distance between tubes, location, etc.) is important to consider. Known combined solar heaters do not provide the most efficient use of solar energy with a relatively low cost.
Currently, there are a significant number of installations that use solar energy as well as circuit solutions of solar heat-supply systems with such elements [11,12]. Several designs of solar installations have been developed [13,14], but each of them works most efficiently only in certain conditions. Therefore, an analysis of the known methods of increasing the efficiency of such installations and solar heat-supply systems [15,16] as a whole is necessary for the selection of their rational schematic solutions. It is also important to study not only each element separately [17,18] but also the entire system together in order to obtain the maximum possible information on improving the efficiency of this system.

2. Review and Analysis

In a solar panel review, it is advisable to analyze flat, vacuum, concentrating, and combined solar panels, as well as their structure, principle of operation, advantages, and disadvantages.

2.1. Flat Solar Panels

Flat solar panels are the simplest among the existing devices that use solar energy actively [19]. It should be noted that as a result of improvement, these panels achieve the most rational indicators of cost and efficiency of the service life.
Flat solar panels work according to the principle of the greenhouse effect, which is based on the fact that solar radiation is almost completely transmitted through the glass.
The scheme of a flat solar panel is shown in Figure 1 [19].
Since the main intensity of solar radiation under ground conditions is in the spectral range of 0.4 μm–1.8 μm, and ordinary or tempered glass is used as a light-conducting layer, with a transmission coefficient in this spectral range of up to 95%. In flat solar panels, in addition to ordinary glass, any other transparent coating that transmits the sun’s rays well can be used. The coating is located in the lower part of the panel; with a solar radiation absorption coefficient of up to 90%, when heated, the coating emits thermal energy. The main power is not totally passed through the glass because it is in the infrared spectrum (range). Thus, the accumulation of solar energy by the panel is achieved. Heat removal is carried out by a heat carrier—water or a solution of a non-freezing liquid—which moves through heat-conducting structural elements (made of aluminum or copper). A flat solar panel is technically a fairly simple device, and the most complex element in its design is a heat absorber. Heat sinks are divided into open, closed, and vacuum, and also have different designs.
It is obvious that in order to improve the performance of the panel, it is necessary that the coating has the maximum absorption capacity of solar radiation and the minimum emission capacity of the absorbed energy.
The main characteristic of solar panels is the amount of heat that can be obtained from 1 m2 of its surface. If we accept certain simplifications, averaging, and generalizations, in particular regarding the geographical location of the city, the intensity of solar radiation, the design of the panel, etc., then on a sunny summer day in Ukraine, the productivity of flat panels from 1 m2 of its surface per day can reach 50 L of water with a temperature of up to 50–60 °C.
Since flat solar panels are reliable, relatively simple designs and have a long service life, it is important to increase their efficiency in periods with low solar radiation potential and in the cold period of the year.

2.2. Vacuum Solar Panels

Let us consider vacuum solar panels (VSP) [20]. A modern VSP is usually equipped with 10–30 vacuum tubes located parallel to each other. The number of VSPs depends on the needs of the consumer, but usually, one or two are enough; in some cases, four or more are needed (depending on the heat load and the direction of use of the accumulated heat).
The conversion of solar radiation energy into heat is carried out due to vacuum tubes, which are the most effective from the point of view of obtaining radiation heat, and the received heat is transferred to water, which is directly used by the heat consumer, or for the heat-carrying medium, which is used to heat water for heat-supply systems [21].
There are four main types of vacuum tubes with which the panels are equipped (Figure 2) [20], (Figure 3) [21].
Water tube. Each solar panel vacuum tube consists of two glass tubes, between which a vacuum is created to minimize heat loss. The outer tube is made of transparent, strong borosilicate glass that can withstand hail with a diameter of 25 mm. The inner tube is also made of translucent borosilicate glass covered with a special selective coating that provides heat absorption with minimal reflectivity. Under the influence of solar radiation, the water in the tubes heats up and enters the heater, being replaced by cold water from the heater. Damage to the tube results in the leakage of the heat-carrying medium from the system, and seasonal use significantly reduces the efficiency, but these tubes have a much lower cost compared to thermal ones.
The heat tube consists of two tubes: an outer glass tube made of borosilicate glass and an inner copper tube with a small content of light-boiling liquid. When heated, steam rises to the tip (condenser) of the heat pipe. Having given heat to the water moving through the pipeline, it condenses and returns back through the heat pipe. This is how the cycle is carried out. If one of the tubes is damaged, the collector continues to work, because heat transfer occurs through the copper “sleeve” of the receiver, due to which the heating circuit is separated from the tubes. The process of replacing the tubes is very simple, and there is no need to remove the antifreeze from the circuit of the heat exchanger. The easy replacement of the tube and the possibility of system operation in the case of its damage, as well as the use of a copper tube with a small content of easily boiling liquid, increases the efficiency compared to the water tube.

2.3. Concentrating Solar Panels

Let us consider concentrating solar panels (CSP) [22,23]. Laying concentrators under the heat-absorbing elements of solar panels allows for increasing the temperature of the heat-carrying medium to 120–250 °C. Parabolocylindrical concentrators have the shape of a parabola elongated in a straight line, the focus of which is a tube with a heat-carrying medium heated to a temperature of 300–390 °C. They can be reflective and lenticular. Reflective concentrators are mirrors and surfaces of a certain shape (paraboloid) made of special materials [24]; they are made up to 50 m long and placed in rows at a distance of several meters when oriented along the north–south axis.
Parabolic concentrators have the shape of a satellite plate (Figure 4) [24] and are controlled by two coordinates when tracking the sun. The focusing of solar energy is carried out on a small area, and the reflection of solar radiation falling on them by mirrors is about 92%. Photoelectric elements or a Stirling engine, the heating area of which was in the focus of the reflector, are fixed in the focus of the reflector on the bracket. Usually, hydrogen or helium is used as a heat-carrying medium in a Stirling engine.
The concentration of solar radiation makes it possible to reduce the size of the heat-receiving element, but there is a need to cool the system. It is also necessary to use mechanisms for tracking them after the Sun and to constantly keep the concentrator clean. This significantly increases the cost of the received energy and complicates the operation of such plants. Therefore, a number of scientific studies were conducted to increase the efficiency of solar energy concentrating installations [11,25,26].

2.4. Combined Solar Panels

Let us consider combined solar panels [16,27]. Different designs of solar panels are known (Figure 5) [16], which contain a protective coating, a heat-insulating layer, and a heat-conducting layer located between them [28,29]. The advantages of such structures are that they are building elements; independently perceive and accumulate solar energy; and are reliable and simple in construction, installation, and maintenance. This significantly reduces their cost compared to solar panels [30,31].
However, the small contact surface between the pipelines and the protective coating significantly reduces the heat-transfer coefficient between them, and the high metal capacity of the structure significantly increases the cost of the panel and reduces the efficiency of its use.
The most effective is the solar panel, the protective coating of which performs the functions of a waterproofing layer and an absorption coating. This makes it possible to cover roofs as a whole and allows the maximum use of materials that are usually most commonly used for roofing and waterproofing roof coatings [16].
The solar panel (Figure 6) [27] consists of a protective coating (1), which serves as a waterproofing and absorption layer and is located on a heat-conducting layer (2). It acts as a thermal energy accumulator, in which corrugated pipelines (4) for the supply and removal of the heat carrier are placed. A heat-insulating layer (3) for protecting slabs of the floor against overheating is placed under the heat-conducting layer, on which the heat-reflecting screen (5) is placed.
Since these systems are elements of buildings, their installation can be foreseen both in new construction and in the reconstruction of the building, which will increase the efficiency of the system as a whole and reduce the payback period. However, it is not known which design features of the solar panel are rational to ensure the maximum efficiency of its operation. Therefore, it is necessary to technically improve and experimentally investigate the solar panel, which will reduce the cost of the product and increase its efficiency.
Summarizing, the following should be stated:
  • Currently, there are various designs of solar panels that differ in technical and economic indicators. Flat solar panels are quite reliable, efficient, and easy to operate, with a cost that is 20–40% lower than high-cost vacuum panels. However, flat panels inefficiently use solar energy in the morning and evening hours.
  • Systems with a passive use of solar energy have a relatively low cost and are environmentally friendly, but it is difficult to control the parameters of the indoor air and carry out the necessary air exchange in the room. Systems with an active use of solar energy are expensive. It is advisable to use a solar heat-supply system with combined solar heaters (solar panels).
  • The advantage of such structures is their belonging to building structures. They independently perceive and accumulate solar energy and are reliable and simple in construction, installation, and maintenance, which significantly reduces their cost compared to solar panels. However, the small contact surface between the pipelines and the protective coating significantly reduces the intensity of heat exchange between them, and the high metal content of the structure significantly increases the cost of the panel and reduces the efficiency of its use.
  • The most effective is the solar panel, the protective coating of which performs the functions of a waterproofing layer and an absorption coating, which makes it possible to cover roofs as a whole and allows maximum use of materials that are usually most commonly used for roofing.
  • Since these systems are elements of buildings, their installation can be foreseen both in new construction and in the reconstruction of the building, which will increase the efficiency of the system as a whole and reduce the payback period. However, it is not known which design features of solar panels are rational to ensure maximum efficiency of its operation; therefore, it is necessary to technically improve and experimentally investigate the solar panel, which will allow a reduction in the cost of the product and increase its efficiency.
  • Therefore, the study of ecological solar panels as systems with a relatively low cost is of economic, scientific, and social-technical interest.

3. The Aim of the Manuscript

The purpose of this article is to increase the efficiency of the use of solar panels due to their combination with the enclosing structures of buildings.
For this, the following should be performed in the next study:
-
To analyze known background data and calculation methods for solar heat-supply systems;
-
To carry out theoretical and experimental research of the different solar panels under various conditions to define the most effective one;
-
To reveal the dependence of the heat-accumulating capacity of the solar panel on various roofing materials and types of pipes;
-
To carry out experimental investigations of the efficiency of the solar heat-supply system at different conditions;
-
To obtain analytical equations used for calculating the efficiency of a solar panel.

4. Materials and Methods

4.1. Design of a Complete 3-Factor Experiment

The task of this work is to conduct experimental studies of the efficiency of solar panels η depending on 6 factors (4 quantitative and 2 qualitative). Quantitative factors are the diameter of the tubes d (mm), the distance between them h (m), the mass flow rate of the heat-carrying medium G (kg/h), and the radiation intensity I (W/m2). Qualitative ones are the type of tubes (TT) and panel coating (PC). This means that a full 6-factor experiment η = f (d, h, G, I, TT, PC) should be realized. Since the implementation of a full 6-factor experiment and the compilation of its planning matrix is a rather cumbersome process, this paper proposes to divide the full 6-factor experiment into two full 3-factor experiments. Designing a complete 6-factor experiment is an extremely complex process. The experimental planning matrix must follow Newton’s binomial rule. According to this rule, such a matrix has 26 = 64, namely, 64 rows and 64 columns, that is, it is quite bulky. In this regard, it is proposed to divide the 6-factor problem into two 3-factor ones, each of which has 8 rows and 8 columns, respectively. This is more than obvious; it simplifies the situation. Therefore, it is beneficial and absolutely necessary. However, it requires a number of assumptions: the radiation intensity, the type of tubes, and the solar panel coverage are represented by a conditionally constant value. Therefore, experimental studies are divided into 2 series of experiments. The first series is research η = f (d, h, G), where the value of the radiation intensity was I = 500 W/m2 and I = 1000 W/m2, tubes were TOPTERM MULTILAYER PIPE PEX/AL/PEX (TOPTERM (Poland), Zhytomyr, Ukraine), and covering with Grafplast PDA roofing material was used. Accordingly, the second series—η = f (d, h, G), where the value of the radiation intensity was I = 500 W/m2 and I = 1000 W/m2, tubes were PRANDELLI/TUBORAMA 02 STOP (Prandelli, Lumezzane, Italy), and covering with roofing material was used.
Quantitative factors varied within such limits: h = 0.1–0.2 m; G = 15–45 kg/h; d = 16 mm, 20 mm, 25 mm; I = 500 W/m2 and 1000 W/m2.
Regarding qualitative factors, 2 types of tubes were studied: TOPTERM MULTILAYER PIPE PEX/AL/PEX and PRANDELLI/TUBORAMA 02 STOP, which changed alternately. In this study, only roofing material was selected as the most common panel coating.

4.2. Experimental Study of the Efficiency of the Solar Heat-Supply System with Solar Panels

To carry out experimental measurements and process the obtained results, a planning matrix of a full factorial experiment was composed according to [26]. To evaluate reproducibility errors, each experimental measurement was carried out several times. In this regard, a series of parallel experiments was carried out. The dispersion of the reproducibility of the experiments was determined. In order to avoid systematic errors when drawing up the plan of the matrix of the experiment, the experiments were randomized. To estimate the measurement error, the experiment was conducted three times at the same conditions. For each measurement, values were obtained, from which the average one was calculated. Student’s, Fisher’s, and Cochran’s criteria were used to check the results.
The solar panel consisted of a protective coating, a heat-conducting layer, pipelines, a heat-reflective screen, and thermal insulation made of polystyrene foam with a thickness of 50 mm around the perimeter and 100 mm behind the heat-reflective screen.
Both laboratory and field experimental investigations of solar heat-supply systems were conducted. For experimental studies, 2 solar panels with a total area of 0.72 m2 were selected. The measurements were carried out in the city of Lviv (Ukraine) on the roof of an apartment building.
Before performing experimental investigations, all solar panels were installed in the same horizontal position. The heat-carrying medium flow rate was set by measuring and shut-off-regulating devices. During the experiments, the intensity of the sun’s radiation, the temperature at the entrance and exit from the solar panels, and the flow rate of the heat-carrying medium were measured, and the efficiency of each solar panel was determined. In addition, the surface of the solar panels was cleansed of impurities. The sequence of measurements was chosen in a random pattern provided by the experiment planning matrix.
During the experiments, the following values were measured:
-
Intensity of full solar energy;
-
Intensity of direct energy;
-
Intensity of scattered energy;
-
Outdoor air temperature;
-
The temperature of the coolant at the entrance and exit from the solar batteries;
-
Wind speed.
All these measurements were performed three times with an interval of 30 min.

5. Results and Discussion

Figure 7 shows the results of experiments under the following conditions: covering the solar panel with Grafplast PDA roofing material, using TOPTERM MULTILAYER PIPE PEX/AL/PEX tubes, and an intensity of solar radiation I = 500 W/m2.
Figure 8 presents the results of experiments under the following conditions: covering the solar panel with roofing material, TOPTERM MULTILAYER PIPE PEX/AL/PEX tubes, and intensity of solar radiation I = 1000 W/m2.
Figure 9 presents the results of experiments under the following conditions: covering the solar panel with Grafplast PDA roofing material, PRANDELLI/TUBORAMA 02 STOP tubes, and intensity of solar radiation I = 500 W/m2.
Figure 10 presents the results of experiments under the following conditions: covering the solar panel with roofing material, PRANDELLI/TUBORAMA 02 STOP tubes, and intensity of solar radiation I = 1000 W/m2.
The graphs in Figure 7, Figure 8, Figure 9 and Figure 10 are approximated by Formulas (1)–(4), respectively.
η = 44.0 + (4.72 − 0.14d)(0.4G − 5.2 + 18.5h − 1.5Gh),
η = 32.55 − 0.22d + (0.056d + 1.24)(10h + 0.35GGh − 4.35),
η = 36.71 + 0.3d + 0.09G − 5.4h − 0.18Gh + 0.027Gd − 1.6hd − 0.05Ghd,
η = 27.5 + (0.02d + 0.95)(0.334G − 20h − 0.67Gh + 1.0).
The research results under these conditions (Figure 7, Figure 8, Figure 9 and Figure 10) proved that the efficiency of the solar panel increases with a decrease in the pitch between the tubes, as well as with a decrease in their diameter, as well as with an increase in the flow of the heat carrier with an increase in the intensity of solar radiation. However, increasing the mass flow rate and reducing the diameter of the tubes results in an increase in hydraulic resistance, which is an undesirable phenomenon. Under the selected conditions of the experiments, the optimal values are the following: diameter of the tubes d = 16 mm, step between the tubes h = 0.1 m, mass flow rate of heat-carrying medium G = 45 kg/h. As for the material of the tubes, PRANDELLI/TUBORAMA 02 STOP and PEX/AL/PEX are equivalent since the advantage of 67% PRANDELLI/TUBORAMA 02 STOP over 65% PEX/AL/PEX may be due to experimental error.
By way of discussion, it should be noted that Figure 7, Figure 8, Figure 9 and Figure 10 and Formulas (1)–(4) are summarized as follows: to increase the efficiency of the panel, values d and h should be reduced, and G should be increased. However, they should be optimized in terms of hydraulic resistance.
The direction of future research will involve the selection of other tube materials and coatings in order to compare the obtained results and carry out optimization in technical and economic aspects. In addition, it is advisable to conduct research on other values of the intensity of solar radiation, for example, 700–800 W/m2 and 1200–1300 W/m2.

6. Practical Application of Research Results

Based on the conducted theoretical and experimental studies of solar heat-supply system with solar panels, it is possible to draw conclusions about the possibility of applying the investigated circuit solution. Solar panels allow users to receive solar energy throughout the day and accumulate more of it, as they are inertial. The sectional storage tank will make it possible to reheat the coolant without significant transfer of the accumulated heat back to the solar panel. Night thermal storage at a preferential rate will allow an increase in the efficiency of the system as a whole since unused thermal energy may remain in the storage tank. As a result of the studies conducted on solar panels, it is possible to draw conclusions about their effectiveness and the possibilities of wide application in solar heat-supply systems. Schematic solutions with solar panels are simple and cheap to implement, which is a prerequisite for their wide application.
The system proposed for solar heat supply (Figure 11) consists of solar panels, shut-off and regulating valves, a sectional storage tank with heat exchangers, a tubular electric heater (TEH), and a heat-generating unit (HGU).
The thermal energy received from the solar panels is accumulated in the storage tank, where it can be reheated by TEH or heat from the HGU, if necessary. If (on sunny summer days) the heat accumulated during the day is not fully used, then due to nighttime electrothermal accumulation, the heat-carrying medium is reheated and used in the morning.
It is possible to combine the solar heat-supply system with solar panels and thermal storage with passive solar heat supply systems (SHSSs). This SHS system can also be used in a heat-supply system with a passive SHS system and a heat pump.
Solar panels can be used both in new construction and in the reconstruction of roofs. If the building has a rooftop boiler room, the solar panels are connected to the heat-supply system through the main storage tank, which is connected to an additional storage tank, heated using a heat-generating unit.
The solar heat-supply system using solar panels is shown in Figure 12.
In the above diagram, cold water is supplied through the pipeline (2) to the solar panel (1), where it is heated by solar energy. When the water distribution devices (shower (5) or sink (4)) are turned on, hot water is supplied to the consumer, and cold water is supplied from the network (2) in its place.
The developed and researched solar panels can be used for solar heating of buildings, in particular residential buildings.
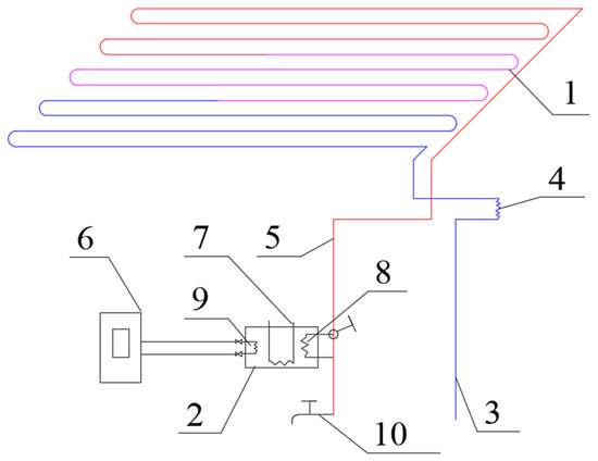
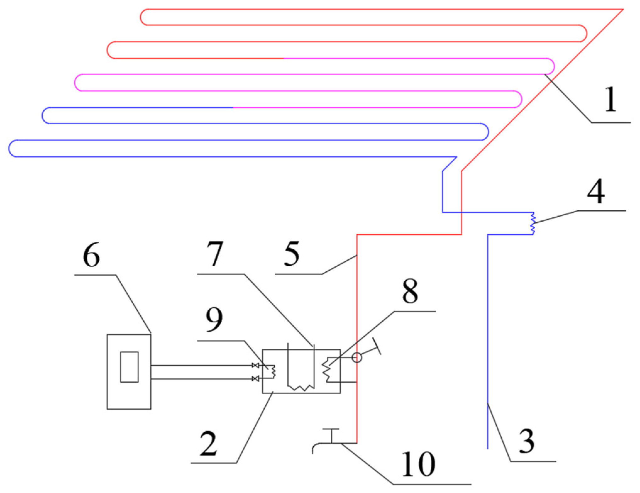
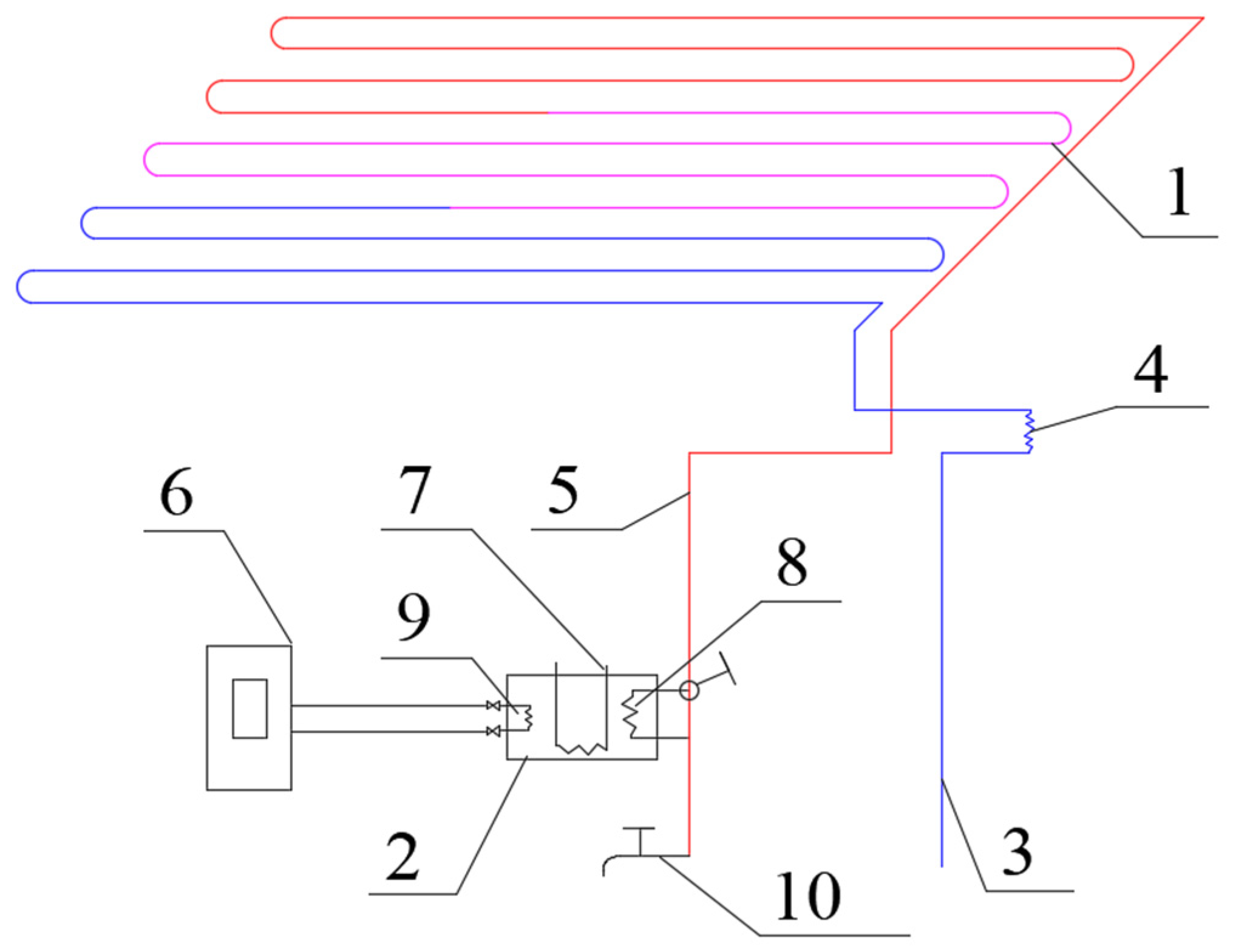
In the diagram shown in Figure 13, cold water is supplied to the solar panel and is preheated in the attic due to a heat exchanger (4); then, after heating, it is supplied to the consumer (10). If necessary, the water can be reheated in the intermediate tank (2) from electricity or from the energy of the HGU.
A combined heating system with solar panels was implemented in a residential building in Lviv city (Ukraine). The implemented method makes it possible to provide the necessary parameters of the heat-carrying medium for the heat-supply system and improves the microclimate of the premises of a residential building. The economic effect of its implementation is 268.1 EUR/year.

7. Conclusions

The analysis of previous studies proved that the solar panels’ application, which is combined with the flat roof covering of the house, makes it possible to both consolidate the advantages of different systems with active and passive consumption of solar radiation and to minimize disadvantages.
The improved model of the accumulation of solar energy by the solar panel made it possible to simulate this process for different latitudes and azimuthal deviations.
Increasing the efficiency of using solar heat is achieved by reducing the distance between the tubes, but this results in a more complicated installation; the distance is optimal at 0.1 m.
An increase in the mass flow rate of the heat-carrying medium results in an increase in the solar panel efficiency, but at the same time, the hydraulic resistance of the system and the level of hydrodynamic noise increases; a mass flow rate of 45 kg/h is hypothetically optimal.
A reduction in the diameter of the tubes results in an increase in the efficiency of the panel, but at the same time, it complicates its installation; the optimal diameter is 16 mm.
The diameter of the tubes significantly affects the efficiency of the solar panel only at a low intensity of solar radiation (500 W/m2); when the intensity of radiation increases (1000 W/m2), the influence of the diameter of the tubes decreases.
Conducted laboratory and field studies of the solar panel experimentally confirmed that the use of Grafplast PDA roofing material and PRANDELLI/TUBORAMA 02 STOP or PEX/AL/PEX tubes provides an increase in the efficiency of the solar panel by up to 10%.
The results of laboratory studies are confirmed by field tests, where unforeseen factors that are random have been taken into account.
A combined heating system with solar panels was implemented in a residential building in Lviv city (Ukraine). The economic effect of its implementation is 268.1 EUR/year.

Author Contributions

Conceptualization—O.V. and S.S.; methodology—M.K. and I.S.; software—O.S. and O.D.; validation—O.V. and I.S.; formal analysis—M.K., O.D. and N.S.; investigation—M.K. and I.S.; resources—N.S. and O.D.; data curation—M.K. and O.S.; writing—original draft preparation—O.V. and S.S.; writing—review and editing—O.V.; visualization—O.S. and O.D.; supervision—O.V.; funding acquisition—O.V. All authors have read and agreed to the published version of the manuscript.

Funding

This research received no external funding.

Institutional Review Board Statement

Not applicable.

Informed Consent Statement

Not applicable.

Data Availability Statement

Data is contained within the article.

Conflicts of Interest

The authors declare no conflicts of interest.

References

  1. Li, J.; Hu, R. Solar thermal in China: Overview and perspectives of the Chinese solar thermal market. Refocus 2005, 6, 25–27. [Google Scholar]
  2. Zhao, D.; Ji, J.; Yu, H.; Wei, W.; Zheng, H. Numerical and experimental study of a combined solar Chinese kang and solar air heating system based on Qinghai demonstration building. Energy Build. 2017, 143, 61–70. [Google Scholar] [CrossRef]
  3. Wu, S.-Y.; Zhang, Y.-C.; Xiao, L.; Shen, Z.-G. Performance comparison investigation on solar photovoltaic-thermoelectric generation and solar photovoltaic-thermoelectric cooling hybrid systems under different conditions. Int. J. Sustain. Energy 2018, 37, 533–548. [Google Scholar] [CrossRef]
  4. Li, D.; Yuan, P.; Wang, Z.; Xu, C. Heat transfer model of hot-wall Kang based on the non-uniform Kang surface temperature in Chinese rural residences. Build. Therm. Light Acoust. Model. 2017, 10, 145–163. [Google Scholar]
  5. Neumann, F.; Patschke, M.; Schoennenbeck, M. Heliothermal Flat Collector Module Having a Sandwich Structure. Patent Application No. HK1084175A1, 21 July 2006. [Google Scholar]
  6. Riegger, C. Transpired solar collector walls. Use solar, save green. Interface 2008, 5–8. [Google Scholar]
  7. Kaplun, V.; Osypenko, V. About Using Electricity Pricing for Smart Grid Dynamic Management with Renewable Sources. In Proceedings of the IEEE 6th International Conference on Energy Smart Systems, Kyiv, Ukraine, 17–19 April 2019; pp. 256–260. [Google Scholar]
  8. Zhelykh, V.; Shapoval, P.; Shapoval, S.; Kasynets, M. Influence of Orientation of Buildings Facades on the Level of Solar Energy Supply to Them. Lect. Notes Civ. Eng. 2021, 100, 499–504. [Google Scholar]
  9. Voznyak, O.; Spodyniuk, N.; Antypov, I.; Dudkiewicz, E.; Kasynets, M.; Savchenko, O.; Tarasenko, S. Efficiency Improvement of Eco-Friendly Solar Heat Supply System as a Building Coating. Sustainability 2023, 15, 2831. [Google Scholar] [CrossRef]
  10. Dudkiewicz, E.; Fidorów-Kaprawy, N. The energy analysis of a hybrid hot tap water preparation system based on renewable and waste sources. Energy 2017, 127, 198–208. [Google Scholar] [CrossRef]
  11. Ulewicz, M.; Zhelykh, V.; Furdas, Y.; Kozak, K. Assessment of the Economic Feasibility of Using Alternative Energy Sources in Ukraine. Lect. Notes Civ. Eng. 2021, 100, 482–489. [Google Scholar]
  12. Kasynets, M.; Kozak, K.; Piznak, B.; Venhryn, I. Enhancing of Efficiency of Solar Panels Combined with Building Coating. Lect. Notes Civ. Eng. 2023, 290, 136–149. [Google Scholar]
  13. Artemenko, M.; Kaplun, V.; Bobrovnyk, V.; Polishchuk, S. Active filters application for energy losses reduction in three-phase power supply systems. Tech. Electrodyn. 2018, 4, 53–56. [Google Scholar]
  14. Adamski, M. Mini longitudinal flow spiral recuperator. In Proceedings of the Healthy Buildings Europe 2017, Lublin, Poland, 2–5 July 2017. [Google Scholar]
  15. Košičanová, D.; Fedora, P. Reducing energy consumption with using ventilation and solar cooling, school building’s case study. Pollack Period. 2011, 6, 131–138. [Google Scholar] [CrossRef]
  16. Ulewicz, M.; Zhelykh, V.; Kozak, K.; Furdas, Y. Application of Thermosiphon Solar Collectors for Ventilation of Premises. Lect. Notes Civ. Eng. 2020, 47, 180–187. [Google Scholar]
  17. Venhryn, I.; Shapoval, S.; Voznyak, O.; Datsko, O.; Gulai, B. Modelling of optical characteristics of the Thermal Photovoltaic Hybrid Solar Collector. In Proceedings of the International Scientific and Technical Conference on Computer Sciences and Information Technologies, Lviv, Ukraine, 22–25 September 2021; Volume 1, pp. 255–258. [Google Scholar]
  18. Zhelykh, V.; Kozak, C.; Savchenko, O. Using of thermosiphon solar collector in an air heating system of passive house. Pollack Period. 2016, 11, 125–133. [Google Scholar] [CrossRef]
  19. Kaplun, V.; Shcherbak, V. Multifactor analysis of university buildings’ energy efficiency. Actual Probl. Econ. 2016, 186, 349–359. [Google Scholar]
  20. Klymchuk, O.; Denysova, A.; Shramenko, A.; Borysenko, K.; Ivanova, L. Theoretical and experimental investigation of the efficiency of the use of heat-accumulating material for heat supply systems. EUREKA Phys. Eng. 2019, 3, 32–40. [Google Scholar] [CrossRef][Green Version]
  21. Bilous, I.; Deshko, V.; Sukhodub, I. Building inside air temperature parametric study. Mag. Civ. Eng. 2016, 68, 65–75. [Google Scholar] [CrossRef]
  22. Adamski, M. Ventilation system with spiral recuperator. Energy Build. 2010, 42, 674–677. [Google Scholar] [CrossRef]
  23. Buyak, N.; Deshko, V.; Sukhodub, I. Buildings energy use and human thermal comfort according to energy and exergy approach. Energy Build. 2017, 146, 172–181. [Google Scholar] [CrossRef]
  24. Deshko, V.; Buyak, N. A model of human thermal comfort for analyzing the energy performance of buildings. East.-Eur. J. Enterp. Technol. 2016, 4, 42–48. [Google Scholar]
  25. Shapoval, S.; Spodyniuk, N.; Zhelykh, V.; Shepitchak, V.; Shapoval, P. Application of rooftop solar panels with coolant natural circulation. Pollack Period. 2021, 16, 132–137. [Google Scholar] [CrossRef]
  26. Dicka, Z.; Katunsky, D.; Dolnikova, E. Elimination Options of Solar Heat Gains Through Transparent Surfaces–Review. Lect. Notes Civ. Eng. 2024, 438, 78–87. [Google Scholar]
  27. Venhryn, I. Research on Solar Collectors Integrated into the Glass Façade Construction of Buildings/Structures: Necessity and Specifics. Theory Build. Pract. 2019, 1, 38–46. [Google Scholar] [CrossRef]
  28. Ramos, J.; Rodríguez Jara, E.Á.; Álvarez Domínguez, S. Analysis of the economic feasibility and reduction of a building’s energy consumption and emissions when integrating hybrid solar thermal/PV/micro-CHP systems. Appl. Energy 2016, 165, 828–838. [Google Scholar] [CrossRef]
  29. Doroshenko, A.V.; Khalak, V.F. Solar Polymer Liquid Collectors: Analysis of Existing Results, New Solutions. Refrig. Eng. Technol. 2018, 54, 44–52. [Google Scholar] [CrossRef]
  30. Jun, Y.-J.; Park, K.-S.; Song, Y.-H. A study on the structure of Solar/Photovoltaic Hybrid system for the purpose of preventing overheat and improving the system performance. Sol. Energy 2021, 230, 470–484. [Google Scholar] [CrossRef]
  31. He, Y.-L.; Qiu, Y.; Wang, K.; Yuan, F.; Wang, W.-Q.; Li, M.-J.; Guo, J.-Q. Perspective of concentrating solar power. Energy 2020, 198, 117373. [Google Scholar] [CrossRef]
Figure 1. Scheme of a flat solar panel: 1—transparent coating; 2—absorbing surface; 3—tubes; 4—thermal insulation layer; 5—aluminum frame.
Figure 1. Scheme of a flat solar panel: 1—transparent coating; 2—absorbing surface; 3—tubes; 4—thermal insulation layer; 5—aluminum frame.
Applsci 14 08543 g001
Figure 2. Types of vacuum tubes: (a) simple glass vacuum tube; (b) 3-core solar vacuum tube; (c) heat tube; (d) super heat tube.
Figure 2. Types of vacuum tubes: (a) simple glass vacuum tube; (b) 3-core solar vacuum tube; (c) heat tube; (d) super heat tube.
Applsci 14 08543 g002
Figure 3. Scheme of a vacuum solar panel. 1—vacuum; 2—aluminum foil; 3—copper heat pipe; 4—hermetic plug; 5—working circuit; 6—working fluid; 7—condensed steam.
Figure 3. Scheme of a vacuum solar panel. 1—vacuum; 2—aluminum foil; 3—copper heat pipe; 4—hermetic plug; 5—working circuit; 6—working fluid; 7—condensed steam.
Applsci 14 08543 g003
Figure 4. Diagram of a parabolic-cylindrical concentrator: 1—concentrator; 2—receiver; 3—solar energy.
Figure 4. Diagram of a parabolic-cylindrical concentrator: 1—concentrator; 2—receiver; 3—solar energy.
Applsci 14 08543 g004
Figure 5. Combined solar panel: 1—front light-receiving panel, 2—back panel (polyester reinforced with glass fiber), 3—thermal insulation layer (polyurethane foam), 4—tubes, 5—channel (recess), 6—heat-conducting sheet (in the form of an aluminum radiator grill), 7—body shape, 8—absorbent coating, 9—thermostatic probe.
Figure 5. Combined solar panel: 1—front light-receiving panel, 2—back panel (polyester reinforced with glass fiber), 3—thermal insulation layer (polyurethane foam), 4—tubes, 5—channel (recess), 6—heat-conducting sheet (in the form of an aluminum radiator grill), 7—body shape, 8—absorbent coating, 9—thermostatic probe.
Applsci 14 08543 g005
Figure 6. Schematic diagram of a solar panel: 1—protective coating; 2—heat-conducting layer; 3—thermal insulation layer; 4—pipeline for supply and discharge of heat-carrying medium; 5—heat-reflecting screen.
Figure 6. Schematic diagram of a solar panel: 1—protective coating; 2—heat-conducting layer; 3—thermal insulation layer; 4—pipeline for supply and discharge of heat-carrying medium; 5—heat-reflecting screen.
Applsci 14 08543 g006
Figure 7. Dependence of solar panel efficiency η covered with Grafplast PDA roofing material on the distance h (m) between the PEX/AL/PEX, the heat-carrying medium mass flow rate G (kg/h), and tube diameter d (mm).
Figure 7. Dependence of solar panel efficiency η covered with Grafplast PDA roofing material on the distance h (m) between the PEX/AL/PEX, the heat-carrying medium mass flow rate G (kg/h), and tube diameter d (mm).
Applsci 14 08543 g007
Figure 8. Dependence of solar panel efficiency η covered with Grafplast PDA roofing material on the distance h (m) between the PEX/AL/PEX tubes, the heat-carrying medium mass flow rate G (kg/h), and tube diameter d (mm).
Figure 8. Dependence of solar panel efficiency η covered with Grafplast PDA roofing material on the distance h (m) between the PEX/AL/PEX tubes, the heat-carrying medium mass flow rate G (kg/h), and tube diameter d (mm).
Applsci 14 08543 g008
Figure 9. Dependence of solar panel efficiency η covered with Grafplast PDA roofing material on the distance h (m) between the PRANDELLI/TUBORAMA 02 STOP tubes, the heat-carrying medium mass flow rate G (kg/h), and tube diameter d (mm).
Figure 9. Dependence of solar panel efficiency η covered with Grafplast PDA roofing material on the distance h (m) between the PRANDELLI/TUBORAMA 02 STOP tubes, the heat-carrying medium mass flow rate G (kg/h), and tube diameter d (mm).
Applsci 14 08543 g009
Figure 10. Dependence of solar panel efficiency η covered with Grafplast PDA roofing material on the distance h (m) between the PRANDELLI/TUBORAMA 02 STOP tubes, the heat-carrying medium mass flow rate G (kg/h), and pipe diameter d (mm).
Figure 10. Dependence of solar panel efficiency η covered with Grafplast PDA roofing material on the distance h (m) between the PRANDELLI/TUBORAMA 02 STOP tubes, the heat-carrying medium mass flow rate G (kg/h), and pipe diameter d (mm).
Applsci 14 08543 g010
Figure 11. Combined system of solar heat supply with solar panels: 1—solar panel; 2—the main tank accumulator; 3—additional tank accumulator; 4—heat exchanger of the heat-supply system; 5—heat exchanger from HGU; 6—TEH; 7,13—pipelines; 8—circulation pump; 9—thermostatic valve; 10,11—pipelines connecting accumulator tanks; 12—hydraulic collector; 14—heat-carrying medium drain nozzle; 15—heat-carrying medium supply pipe; 16—heat-carrying medium selection nozzle; 17—additional heat source (HGU).
Figure 11. Combined system of solar heat supply with solar panels: 1—solar panel; 2—the main tank accumulator; 3—additional tank accumulator; 4—heat exchanger of the heat-supply system; 5—heat exchanger from HGU; 6—TEH; 7,13—pipelines; 8—circulation pump; 9—thermostatic valve; 10,11—pipelines connecting accumulator tanks; 12—hydraulic collector; 14—heat-carrying medium drain nozzle; 15—heat-carrying medium supply pipe; 16—heat-carrying medium selection nozzle; 17—additional heat source (HGU).
Applsci 14 08543 g011
Figure 12. Scheme of the solar hot water supply system with solar panels for the summer shower of the holiday home: 1—solar panel; 2—cold water supply; 3—supply of heated water; 4—wash basin; 5—shower cabin.
Figure 12. Scheme of the solar hot water supply system with solar panels for the summer shower of the holiday home: 1—solar panel; 2—cold water supply; 3—supply of heated water; 4—wash basin; 5—shower cabin.
Applsci 14 08543 g012
Figure 13. The scheme of using a combined solar heater in SHS system: 1—solar panel; 2—tank accumulator; 3—cold water supply; 4,8,9—heat exchangers; 5—hot water supply; 6—additional heat source (HGU); 7—TEH; 10—hot water supply system.
Figure 13. The scheme of using a combined solar heater in SHS system: 1—solar panel; 2—tank accumulator; 3—cold water supply; 4,8,9—heat exchangers; 5—hot water supply; 6—additional heat source (HGU); 7—TEH; 10—hot water supply system.
Applsci 14 08543 g013
Disclaimer/Publisher’s Note: The statements, opinions and data contained in all publications are solely those of the individual author(s) and contributor(s) and not of MDPI and/or the editor(s). MDPI and/or the editor(s) disclaim responsibility for any injury to people or property resulting from any ideas, methods, instructions or products referred to in the content.

Share and Cite

MDPI and ACS Style

Voznyak, O.; Kasynets, M.; Shapoval, S.; Savchenko, O.; Sukholova, I.; Spodyniuk, N.; Dovbush, O. Increasing the Efficiency of Ecological Solar Panels Combined with the Building’s Roof. Appl. Sci. 2024, 14, 8543. https://doi.org/10.3390/app14188543

AMA Style

Voznyak O, Kasynets M, Shapoval S, Savchenko O, Sukholova I, Spodyniuk N, Dovbush O. Increasing the Efficiency of Ecological Solar Panels Combined with the Building’s Roof. Applied Sciences. 2024; 14(18):8543. https://doi.org/10.3390/app14188543

Chicago/Turabian Style

Voznyak, Orest, Mariana Kasynets, Stepan Shapoval, Olena Savchenko, Iryna Sukholova, Nadiia Spodyniuk, and Oleksandr Dovbush. 2024. "Increasing the Efficiency of Ecological Solar Panels Combined with the Building’s Roof" Applied Sciences 14, no. 18: 8543. https://doi.org/10.3390/app14188543

APA Style

Voznyak, O., Kasynets, M., Shapoval, S., Savchenko, O., Sukholova, I., Spodyniuk, N., & Dovbush, O. (2024). Increasing the Efficiency of Ecological Solar Panels Combined with the Building’s Roof. Applied Sciences, 14(18), 8543. https://doi.org/10.3390/app14188543

Note that from the first issue of 2016, this journal uses article numbers instead of page numbers. See further details here.

Article Metrics

Back to TopTop