Abstract
Six different commercial powders, finer than 45 μm, were used for examining the effects of particle characteristics on mean particle size and specific surface area. The measurements were carried out using the most commonly used air permeability- and laser light diffraction (scattering) techniques. As the air permeability method has been used as a benchmark for decades in the powder metallurgy (P/M) industry, the physical phenomena that govern the passage of gas through the powder bed under laminar flow conditions were also presented. The experimental data indicate that both methods give similar results for spherical powders. The advantage of laser light systems over gas permeameters is the ability to provide additional information on particle size distribution. Irregularly shaped powders should be analyzed by both techniques, relying on gas permeametry for surface area measurements and on laser light diffraction for the estimation of mean particle size and size distribution. Application of scanning electron microscopy as a complementary technique was found very helpful in the interpretation of data through visualization of individual particles.
1. Introduction
The mean particle size, particle size distribution, and specific surface areas of powders are evaluated by a variety of analytical methods. Some of them, which use measuring principles based on light scattering, electric field perturbation, particle settling in a liquid, gas permeability, and gas absorption, are well-suited for testing fine and superfine powders, i.e., powders composed of particles smaller than 45 and 10 μm, respectively.
In recent years, laser light diffraction has become the most widely accepted method of determining the particle size distribution of metal powders [1,2]. The commercially available instruments operate on the principle of coherent light scattering on particles most often suspended in water or an organic liquid. The liquid dispersant is re-circulated continuously through the measurement cell. From the angle and intensity of the diffracted laser beam, the particle size distribution is calculated according to the Fraunhofer–Mie theories [3,4]. A typical instrument control, data acquisition and data analysis software, has also the capability to calculate the specific surface area and two mean particle sizes defined in the ASTM E799-03 standard [5], namely, the De Broukere mean diameter and the Sauter mean diameter. The simplest equipment has an operating range of around 1 to 300 μm. More sophisticated designs, incorporating a dual light source (red laser light and blue laser light), offer significant improvements in the measurement resolution below 1 μm and can effectively measure particles falling into the whole range of particle sizes used in powder metallurgy (P/M) applications (0.1–1000 μm).
When analyzing fine powders, especially the superfines, care must be taken to properly disperse the powder in the slurry by choosing appropriate suspension liquid and, if necessary, adding a surfactant or dispersant to the suspension. It is common practice to use ultrasonic sound waves to break up weakly agglomerated particles.
Some newly developed instruments are additionally fitted with dry dispersion units. They allow a dry powder sample (4–10 g) to be suspended in a flowing air stream, pass through the measuring zone, and be sucked into a vacuum cleaner. This usually results in poorer powder dispersion, but in conjunction with an analysis of liquid suspension, it can be useful in assessing the amount of agglomerated material in the dry state.
Laser light diffraction offers certain advantages over other testing methods. The ease of operation, rapid analysis, and relatively simple specimen preparation are primary reasons for its wide usage in research and quality control routines for comparing different lots of metal powders [1,4]. Several limitations must be addressed, however, in using coherent light scattering for particle size analysis. First, the principle behind light scattering assumes the spherical shape of particles. Therefore, deviations from sphericity contribute to a great extent to errors in the particle size distribution results. Second, the equipment design precludes analysis of concentrated suspensions. Hence, the tested sample is hardly representative of the powder lot. Third, the instrument cannot distinguish between dispersed/primary particles and agglomerates. This leads to an overestimation of coarser particles.
A comprehensive determination of physical particle properties by laser light diffraction alone is impossible. Therefore, complementary techniques such as scanning electron microscopy (SEM) and testing the gas permeability of a packed bed of powder are also used extensively throughout the P/M research centers and industry [1]. SEM serves as a means to measure individual particles and affords the opportunity for particle morphology and shape analysis. Gas permeability testing is most often carried out with two commercial test devices, i.e., the Fisher Sub-Sieve Sizer (FSSS) and the Sub-Sieve AutoSizer (SAS). Both permeameters measure the resistance of air flow through the packed powder particles, which is related to bed porosity, surface area, and particle density. Conversion of the measured permeability to a surface area, using the Kozeny–Carman equation, enables indirect estimation of the equivalent mean particle diameter (Fisher Number), assuming that all particles are spherical and have the same size. FSSS is a relatively simple instrument used for powder particles ranging from 0.5 to 50 μm, whereas the SAS is a digital, fully automated equipment dedicated to particle sizes between 0.2 and 75 µm.
Attempts to correlate results obtained from various powder particle sizing techniques are so far limited. A comparative study of the particle size distribution of ceramic powders using the analysis of variance for sedimentation and laser light diffraction methods is presented in ref. [6]. As these techniques are based on different physical principles, they generate different results, causing doubts.
The particle size distribution, specific surface area, and particle shape of cementitious materials were measured by air permeability, sieving, laser light diffraction, BET, image analysis, and mercury intrusion porosimetry [7]. It has been shown that limitations to comparability of the acquired results arise when these methods are applied to materials that markedly differ in particle size, particle shape, and mineralogical composition.
Cumulative particle size distributions acquired from laser light diffraction, aerodynamic time-of-flight, electrical zone sensing, and photon correlation spectroscopy for fine metal and ceramic powders are compared in ref. [8]. The authors concluded that there is no single method for measuring particle size and its distribution and that the instrument of choice must be selected based upon powder characteristics and application. Because permeametry was not compared with the other techniques, the main objective of the present study was to use the SAS to test a range of fine powders, differing in particle size, particle shape, porosity, and the degree of agglomeration, and subsequently to relate the obtained results to data generated by laser diffraction.
2. Theory of Permeametry
The interrelationship between porosity, permeability, and particle surface area was first established by Kozeny [9], who investigated the laminar flow of water through soil using a simple model in which a bundle of parallel circular channels is contained inside a solid block. He pointed out that owing to the tortuous character of the flow, the actual length of the equivalent channels (l′) should be greater than the depth of the soil (l), as schematically demonstrated in Figure 1.
Figure 1.
Kozeny’s model of a permeable body.
The velocity (v) distribution of the viscous fluid in a steady axisymmetric flow in a single channel is shown schematically in Figure 2.
Figure 2.
Schematic of a velocity distribution in a circular channel.
The velocity profile can be determined by summing up the force resulting from the pressure drop between the entrance and the exit of the channel and the internal frictional force.
Thus,
where Δp is the pressure drop along the axis at a distance l, and τ is the shear stress in the flowing fluid.
In a Newtonian fluid, the viscous stress is related to the strain rate by Newton’s law of viscosity, which for cylindrical coordinates becomes
where μ is the viscosity of the fluid.
Combining Equations (1) and (2), and integrating with the assumption that the layer associated with the channel wall is immobile,
gives the following velocity profile equation:
The total volumetric flow rate through the channel is then obtained by inserting (3) into (4) and integrating Equation (4):
Conversion of the total volumetric flow rate to the average fluid velocity (vav) in the channel is accomplished by Poiseuille’s equation:
where D is the channel diameter.
The volumetric flow rate through the permeable body (see Figure 1) can be directly related to the volumetric flow rate through all channels by the following equation:
where vb is the linear velocity of fluid flow through the permeable body; A is the area of cross-section of the permeable body normal to the direction of flow (see Figure 1); and θ is the fractional porosity of the permeable body.
Assuming that their actual path length is through the permeable body l′ > l, as shown in the bottom part of Figure 1, Equation (7) becomes
The apparent volume of any porous body is the sum of the pore volume (Vp) and the volume of the solid material (Vs). Since and , therefore
where n is the number of channels. The overall surface area of channels is
Hence, from Equations (9) and (10),
where SV is the specific surface area of the permeable body.
Converting Poiseuille’s equation into the form
and adopting the values of vav and D from Equations (8) and (11), respectively, Equation (6) may be re-written as follows:
Inserting , it takes the form of the Kozeny–Carman equation:
For permeable bodies composed of compressed fine particles, K″ depends in a complex manner on porosity, particle shape, and other factors. Experimental data acquired from different packed powder beds indicate, however, that K″ is most often close to 5 [10,11]. The empirical findings are in good accordance with theoretical expectations [11,12,13]. Hence, utilizing , the Kozeny–Carman equation becomes
or alternatively,
where SM is the surface area per unit mass of the powder, and ρ is the density of the powder material.
Assuming that the permeable powder bed consists of monosized spheres, conversion of the surface area per unit volume of the powder (SV) to the equivalent mean particle diameter (dS) is trivial:
Hence,
where dFN, usually termed the Fisher Number, is the diameter of the particle with the same specific surface as the tested powder.
It is impossible to measure the size distribution of a bulk powder by means of permeametry. This is one of the major flaws of this technique. However, dFN proves convenient to provide a relative ranking of powders in terms of an “effective” particle size.
It is noteworthy that attempts were made to incorporate correction factors related to the particle shape [14,15,16,17,18,19,20], particle size distribution [21], and pore geometry [22] to the original Kozeny–Carman equation. Research mainly concerned non-metallic materials, and, until now, none of the modified expressions have been found applicable in the commercial permeameters used in the P/M applications.
3. Materials and Methods
Six commercial powders from the subsieve range, i.e., with particle sizes less than 45 μm, were selected for characterization. Their main attributes, provided by powder suppliers, are listed in Table 1.
Table 1.
Main characteristic of experimental powders.
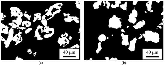
As demonstrated in Figure 3 and Figure 4, the powders were deliberately chosen to cover a relatively broad range of particle shapes, sizes, size distributions, specific surface areas, and tendencies to agglomeration.

Figure 3.
SEM micrographs of powders used in this study: 316L-A (a); 316L (b); NC100.24 (c); ABC100.30 (d); YTF-HY2 (e); Cobalite CNF (f).
Figure 4.
SEM-magnified views of the finest powders: YTF-HY2 (a); Cobalite CNF (b).
The Höganäs iron powders were provided with particle sizes up to around 150 μm. Therefore, prior to testing, they were screened to −38 μm (−400 mesh) in order to suit the SAS application requirements. Both powders have similar morphology (compare Figure 3c,d), but their internal structure is different. The NC100.24 grade has a spongy (porous) structure that originates from the fabrication process. The ABC100.30 grade, like the other atomized and carbonyl powders, is solid and may contain only microporosity that is hardly detectable by light microscopy (LM).
The internal structure of the Höganäs iron powders is shown in Figure 5.
Figure 5.
LM micrographs of cross-sectioned powder particles: NC100.24 (a); ABC100.30 (b).
Two common techniques based on laser light scattering and air permeability were compared with respect to how they respond to changes in particle size, shape, internal porosity, and tendency to agglomeration of the experimental powders.
The Winner 2000B Laser Particle Size Analyzer (LPSA) manufactured by Jinan Winner Particle Instruments Stock Co., Ltd. (Jinan, China), equipped with the He-Ne light source (>2 mW; λ = 632.8 nm), was used to determine the particle size distribution. Distilled water was selected as the carrier fluid. Vigorous water stirring and ultrasonically vibrating the suspension by a 70 W/40 kHz sound generator were applied simultaneously to separate loosely agglomerated particles throughout the test. The values reported in this study are the average of five readings taken at 15 s intervals. The acquisition of data began soon after the powder was poured into the water tank and its concentration in suspension stabilized within the range specified in the manufacturer’s operating manual.
The HEL Sub-Sieve AutoSizer manufactured by Micromeritics Instrument Corp. (Norcross, GA, USA) was used to determine the specific surface area and, indirectly, the Sauter mean diameter of powders. The instrument was operated in compliance with ASTM B330-20 and ISO 10070:2019 standards [23,24], using a constant inlet gas pressure of 5 kPa and a constant compressive force of 222 N exerted on the tested powder. The powder bed porosity, specific surface area per unit mass, and equivalent sphere diameter of powder were calculated after each test by the SAS software (version 8.4).
4. Results
The experimental data generated by both methods and provided by the data handling software are summarized in Table 2.
Table 2.
Powder properties from laser diffraction and air permeability methods.
The first three columns of Table 2 provide the simplest means of particle size distribution wherein 10, 50, and 90 vol.% of powder consists of particles smaller than D10, D50, and D90, respectively. Hence, D50 represents the median particle diameter by volume.
The width of the distribution is quantified by
The next two columns contain the weighted mean particle diameters D[4,3] and D[3,2], where the volumes and surface areas of individual particles are used as the weights, respectively. D[4,3] is termed the mean diameter over volume or the De Broukere mean diameter. Laser light diffraction results are reported on a volume basis, and therefore, the D[4,3] is often presented as the mean particle size.
By definition, the Sauter mean diameter D[3,2], also termed the volume/surface mean diameter, can be expressed as
where di, Vi, and Si are the diameter, volume, and surface area of the i-th particle, respectively.
From Equation (19), it becomes obvious that the Fisher Number (dFN) is equivalent to the Sauter mean diameter (D[3,2]) because both parameters are calculated using the specific surface area criterion.
Based on the direct particle size measurements, the LPSA software calculates and reports the surface area per unit volume of the powder (SV). For ease of comparison, the SV values were converted to surface areas per unit mass (SM) using a simple relationship (see Equations (15) and (16)):
and are presented in Table 2 along with specific surface areas measured with the SAS.
5. Discussion
The reproducibility of particle size and surface area measurements relies primarily on using representative samples of the bulk material and setting appropriate measurement conditions. If properly maintained, the SAS instrument has a slight advantage over the wet laser light diffraction equipment in that it examines larger samples, which provides a better representation of the bulk powder. Besides the sample size, by an automation of the analysis, operator errors are almost excluded, and the reproducibility and repeatability are markedly improved. On the other hand, the merit of laser light scattering is the capability to measure the size of individual particles. Consequently, the particle size distribution of the powder can easily be determined. Care is needed, however, in interpreting the particle size analysis data when the powder is agglomerated or irregularly shaped.
Although the two instruments used in this study operate on different principles, they generate similar results for spherically shaped particles. Using the Fisher Number (dFN) as a baseline, the D[3,2] diameters obtained from laser light scattering differ by less than 9% for the 316L-A and YTF-HY2 powders. These small differences may originate from a relatively high proportion of splats and welded satellites (see Figure 3a), aggregates of firmly bonded particles (see Figure 4a), misshapes developed during powder fabrication [25], and other uncertainty associated with measuring procedures. It has to be noted that the acceptance criteria for central values of the distribution (i.e., D50, D[4,3], D[3,2]) evaluated by laser light diffraction require deviation from the expected value <10% or even <20% when measuring below 10 μm [26].
In the case of the most spherical 316L powder, the Sauter diameters produced by both methods are virtually identical (see Figure 3 and Table 2). It is noteworthy that the 316 L powder bed porosity achieves the lowest value of 40.7%. This may improve the accuracy of permeability testing because the bed becomes more uniform as the porosity decreases [13].
The D[4,3] and D50 values have not been taken into account in this analysis. They indicate markedly larger mean particle sizes, which is typical for volume-based distributions.
Cobalite CNF has rough surface configuration (see Figure 4b) and shows the widest particle size distribution among the tested powders (Span = 2.07). According to its producer, the powder is composed of multi-phase agglomerates of individual particles finer than 1 μm [27]. As is evident from Table 2, the ultrasonic energy applied during the laser light diffraction measurements has a negligible effect on the disintegration of bigger particles seen in Figure 3f and Figure 4b, mistakenly regarded as agglomerates. It becomes obvious that the powder consists of porous, fine-grained, predominantly rounded particles, bigger than 1 μm. The SAS data indicate that Cobalite CNF is characterized by the highest specific surface area (see Table 2). Due to its spongy structure, developed during the milling of loosely sintered metallic cakes received from the reduction of fine oxide precipitates [28], the SM figure obtained from laser light diffraction and dFN generated by the SAS are both highly underestimated. It is worthy of notice that the 72.7% bed porosity is the highest among the tested powders. At high levels of porosity, the pore texture is non-uniform because internal pores in bigger powder conglomerates provide markedly smaller channels for flowing air than the inter-particle porosity. Large capillaries have disproportionately high rates of flow, which suppresses the effect of the small capillaries, thus leading to errors [13,29].
As seen in Figure 3c,d, both Höganäs iron powders show irregular particle shapes. The deviation from sphericity provides room for errors in particle sizing and specific surface area measurements. Besides the external particle features, the NC100.24 grade has a spongy structure characterized by internal porosity (see Figure 5a), which, if interconnected, may underestimate the dFN readings. With this in mind, the D[3,2] and dFN figures included in Table 2 for NC100.24 and ABC100.30 powders are less reliable than the estimates obtained for the remaining powders. The specific surface measurements show that the Höganäs iron powders respond similarly to Cobalite CNF. The SM figures generated by the SAS are noticeably higher (>50%) than those obtained from laser light diffraction. In the case of the sponge NC100.24 powder, the difference reaches a value of 67%. It seems, therefore, that in the case of irregularly shaped and porous powders, the SAS provides much more reliable SM predictions and should be preferred to laser light scattering in this particular application.
Interestingly, neither the Fisher Number (dFN) nor the particle size distribution width (span) correlate with the fractional porosity of the powder bed (θ). Quantitative statistical treatment of data included in Table 2 yields determination coefficients (R2) as low as 0.33 and 0.4, respectively.
6. Conclusions
The Sub-Sieve AutoSizer and Laser Particle Size Analyzer were used to test six commercial powders classified as −325 mesh (−45 μm). Comparison of results acquired from both instruments has led to the following conclusions:
- -
- For well-dispersed spherical powders, the volume/surface mean diameters and specific surface areas estimated by either technique differ by less than the measurements-related uncertainty limit (<10%).
- -
- For irregularly shaped and/or firmly aggregated powders, the estimation of specific surface area and particle size/size distribution should be analyzed separately by the SAS and LPSA instruments, respectively.
- -
- The LPSA is a more versatile instrument than the SAS. The mathematical algorithms used to convert the scattered light signals obtained from individual particles are capable of calculating a variety of parameters characterizing both individual particles and the sample as a whole.
- -
- The imaging capabilities of scanning electron microscopy (SEM) make it a useful tool for qualitative interpretation of data acquired by both the LPSA and the SAS.
- -
- The SAS quantitative assessments supported by SEM imaging may provide some insight into the internal structure (porosity) of the powder.
There is no universal technique for measuring particle size and surface area. Therefore, the selection of a specific method has to be based on powder characteristics and an application process that must be controlled.
Author Contributions
Conceptualization, J.K.; methodology, J.K. and D.T.; formal analysis, J.K. and D.T.; investigation, J.K. and D.T.; resources, J.K. and D.T.; writing—original draft preparation, J.K.; writing—review and editing, J.K. and D.T.; visualization, J.K. and D.T.; supervision, J.K. and D.T. All authors have read and agreed to the published version of the manuscript.
Funding
This work was supported by AGH University of Krakow through contract 16.16.110.663.
Institutional Review Board Statement
Not applicable.
Informed Consent Statement
Not applicable.
Data Availability Statement
The raw data supporting the conclusions of this article will be made available by the authors on request.
Acknowledgments
The authors gratefully acknowledge Adam Gruszczyński of AGH University of Krakow for his able assistance with SEM documentation.
Conflicts of Interest
The authors declare no conflicts of interest.
References
- Iacocca, R.G. Particle Size and Size Distribution in Metal Powders. In Powder Metal Technologies and Applications; ASM International: Almere, The Netherlands, 1998; Volume 7, pp. 541–549. [Google Scholar]
- German, R.M. Powder Metallurgy and Particulate Materials Processing; MPIF: Princeton, NJ, USA, 2005; pp. 11–54. [Google Scholar]
- Xu, R. Particle Characterization: Light Scattering Methods; Kluwer Acadamic Publishers: New York, NY, USA, 2002; pp. 56–182. [Google Scholar]
- Jillavenkatesa, A.; Dapkunas, S.J.; Lum, L.-S.H. Particle Size Characterization; National Institute of Standards and Technology, Special Publication 960-1; US Government Printing Office: Washington, DC, USA, 2001; pp. 93–124.
- ASTM E799-03 (2020); Standard Practice for Determining Data Criteria and processing for Liquid Drop Size Analysis. ASTM International: West Conshohocken, PA, USA, 2020.
- Santana, G.L.; Brasileiro, C.T.; Azeredo, G.A.; Ferreira, H.C.; Neves, G.A.; Ferreira, H.S. A comparative study of particle size distribution using analysis of variance for sedimentation and laser diffraction methods. Ceramica 2019, 65, 452–460. [Google Scholar] [CrossRef]
- Arvaniti, E.C.; Juenger, M.C.G.; Bernal, S.A.; Duchesne, J.; Courard, L.; Leroy, S.; Provis, J.L.; Klemm, A.; De Belie, N. Determination of particle size, surface area, and shape of supplementary cementitious materials by different techniques. Mater. Struct. 2015, 48, 3687–3701. [Google Scholar] [CrossRef]
- Iacocca, R.G.; German, R.M. A comparison of powder particle size measuring instruments. Int. J. Powder Metal. 1997, 33, 35–48. [Google Scholar]
- Kozeny, J.J. Ueber kapillare Leitung des Wassers im Boden. Sitzungsber Akad Wiss Wien 1927, 136, 271–306. [Google Scholar]
- Richardson, J.F.; Harker, J.H.; Backhurst, J.R. Particle Technology and Separation Processes. In Coulson and Richardson’s Chemical Engineering, 5th ed.; Butterworth-Heinemann: Oxford, UK, 2002; Volume 2, pp. 191–236. [Google Scholar]
- Carman, P.C. Fluid flow through granular beds. Trans. Inst. Chem. Eng. 1937, 15, 150–166. [Google Scholar] [CrossRef]
- Carman, P.C. The Determination of the Specific Surface of Powders I. J. Soc. Chem. Ind. 1938, 58, 225–234. [Google Scholar]
- Allen, T. Particle Size Measurements, 4th ed.; Chapman & Hall: London, UK, 1990; pp. 503–539. [Google Scholar]
- Pape, H.; Clauser, C.; Iffland, J. Variation of permeability with porosity in sandstone diagenesis interpreted with a fractal pore space model. In Fractals and Dynamic Systems in Geoscience; Springer: Berlin/Heidelberg, Germany, 2000; pp. 603–619. [Google Scholar]
- Rodriguez, E.; Giacomelli, F.; Vazquez, A. Permeability-porosity relationship in RTM for different fiberglass and natural reinforcements. J. Compos. Mater. 2004, 38, 259–268. [Google Scholar] [CrossRef]
- Xu, P.; Yu, B. Developing a new form of permeability and Kozeny–Carman constant for homogeneous porous media by means of fractal geometry. Adv. Water Resour. 2008, 31, 74–81. [Google Scholar] [CrossRef]
- Henderson, N.; Brettas, J.C.; Sacco, W.F. A three-parameter Kozeny–Carman generalized equation for fractal porous media. Chem. Eng. Sci. 2010, 65, 4432–4442. [Google Scholar] [CrossRef]
- Khabbazi, A.E.; Ellis, J.S.; Bazylak, A. Developing a new form of the Kozeny–Carman parameter for structured porous media through lattice-Boltzmann modeling. Comput. Fluid 2013, 75, 35–41. [Google Scholar] [CrossRef]
- Schulz, R.; Ray, N.; Zech, S.; Rupp, A.; Knabner, P. Beyond Kozeny–Carman: Predicting the permeability in porous media. Transp. Porous Media 2019, 130, 487–512. [Google Scholar] [CrossRef]
- Mehdi, S.; Gholami, R.; Jami, M.; Ananthan, M.A.; Rahimi, A.; Khur, W.S. Developing a porosity-permeability relationship for ellipsoidal grains: A correction shape factor for Kozeny-Carman’s equation. J. Petrol. Sci. Eng. 2021, 205, 108896. [Google Scholar]
- Nomura, S.; Yamamoto, Y.; Sakaguchi, H. Modified expression of Kozeny–Carman equation based on semilog–sigmoid function. Soils Found. 2018, 58, 1350–1357. [Google Scholar] [CrossRef]
- Mavko, G.; Nur, A. The effect of a percolation threshold in the Kozeny-Carman relation. Geophysics 1997, 62, 1480–1482. [Google Scholar] [CrossRef]
- ISO 10070:2019; Metallic Powders. Determination of Envelope-Specific Surface Area from Measurements of the Permeability to Air of a Powder Bed under Steady-State Flow Conditions. ISO: Geneva, Switzerland, 2019.
- ASTM B330–20; Standard Test Methods for Estimating Average Particle Size of Metal Powders and Related Compounds Using Air Permeability. ASTM: West Conshohocken, PA, USA, 2020.
- Strauss, J.; Dunkley, J. How to make metal powders. Part 3: Understanding gas atomization and gas atomised powders. Powder Metall. Rev. 2022, 11, 71–82. [Google Scholar]
- Anon. Light diffraction measurement of particle size. Pharmacopeial Forum 2005, 31, 1235–1241. [Google Scholar]
- Kamphuis, B.-J.; Serneels, A. Cobalt and nickel free bond powder for diamond tools. Ind. Diam. Rev. 2004, 64, 26–32. [Google Scholar]
- Kamphuis, B.-J.; Peersman, J. Pre-Alloyed Bond Powders. U.S. Patent 7,077,883 B2, 18 July 2006. [Google Scholar]
- Fishmeister, H.F.; Blände, C.-A.; Palmqvist, S. A comparative study of methods for particle-size analysis in the sub-sieve range. Powder Metall. 1961, 4, 82–119. [Google Scholar] [CrossRef]
Disclaimer/Publisher’s Note: The statements, opinions and data contained in all publications are solely those of the individual author(s) and contributor(s) and not of MDPI and/or the editor(s). MDPI and/or the editor(s) disclaim responsibility for any injury to people or property resulting from any ideas, methods, instructions or products referred to in the content. |
© 2024 by the authors. Licensee MDPI, Basel, Switzerland. This article is an open access article distributed under the terms and conditions of the Creative Commons Attribution (CC BY) license (https://creativecommons.org/licenses/by/4.0/).