Quasi-Static and Dynamic Crack Propagation by Phase Field Modeling: Comparison with Previous Results and Experimental Validation
Abstract
1. Introduction
2. Quasi-Static and Dynamic Tensile Experiments
2.1. Specimen Description
2.2. Experimental Design
2.3. Experimental Results and Analysis
3. Brittle Fracture Phase Field Model
3.1. Diffusive Crack Energy Approximation Using Phase Filed Method
3.2. Governing Equations
4. Numerical Examples
4.1. Crack Growth under Quasi-Static Loading
4.1.1. Quasi-Static Tensile Test of Notched Specimens
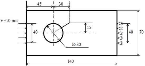
4.1.2. Compression Test of a Regularly Dispersed Pores Microstructure
4.2. Crack Propagation under Dynamic Loading
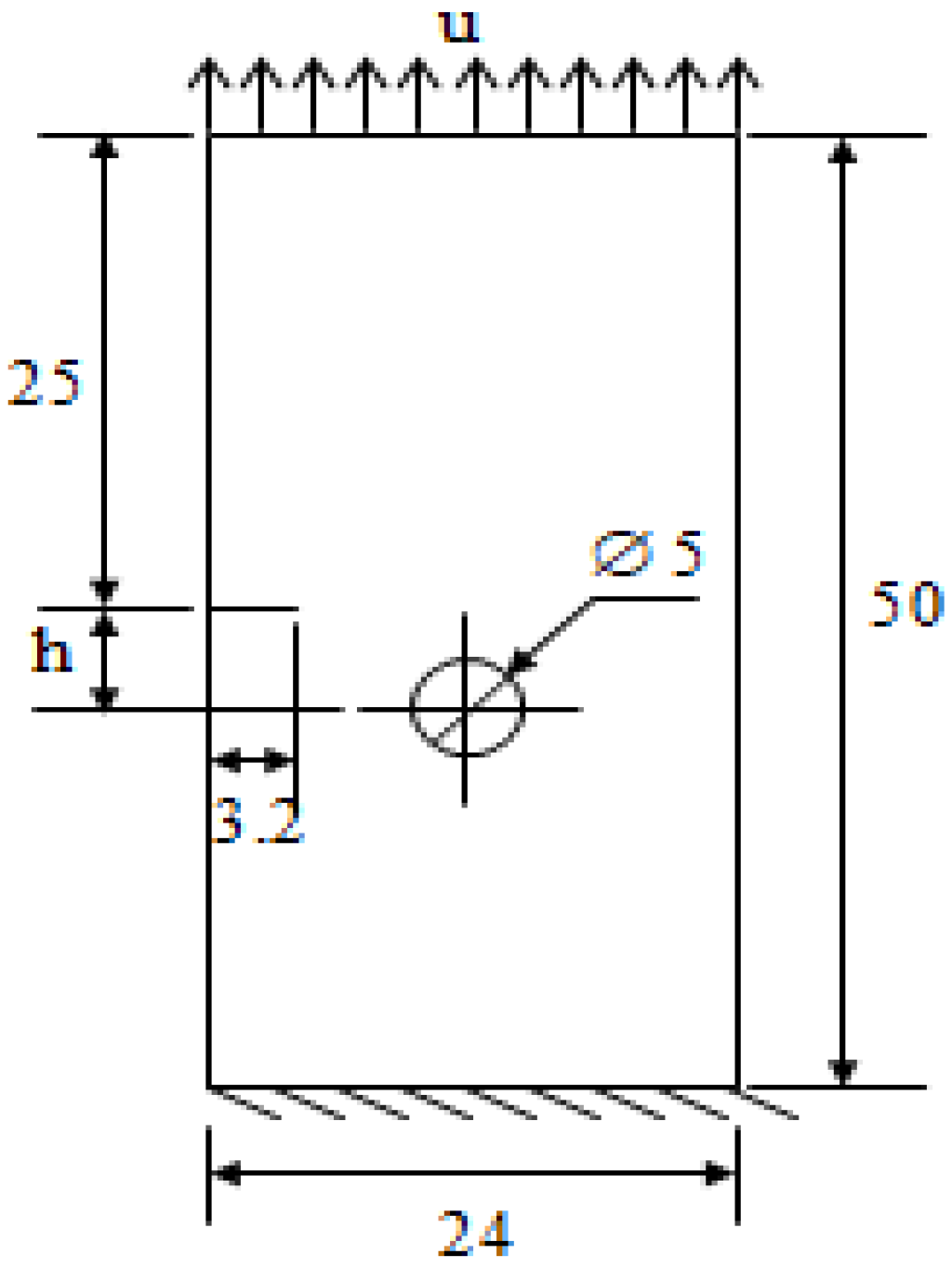
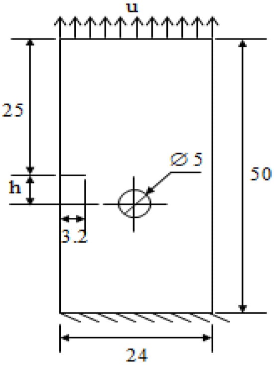
4.2.1. Dynamic Tensile Test of Notched Specimens
4.2.2. Dynamic Shear Loading of Kalthoff Experiment
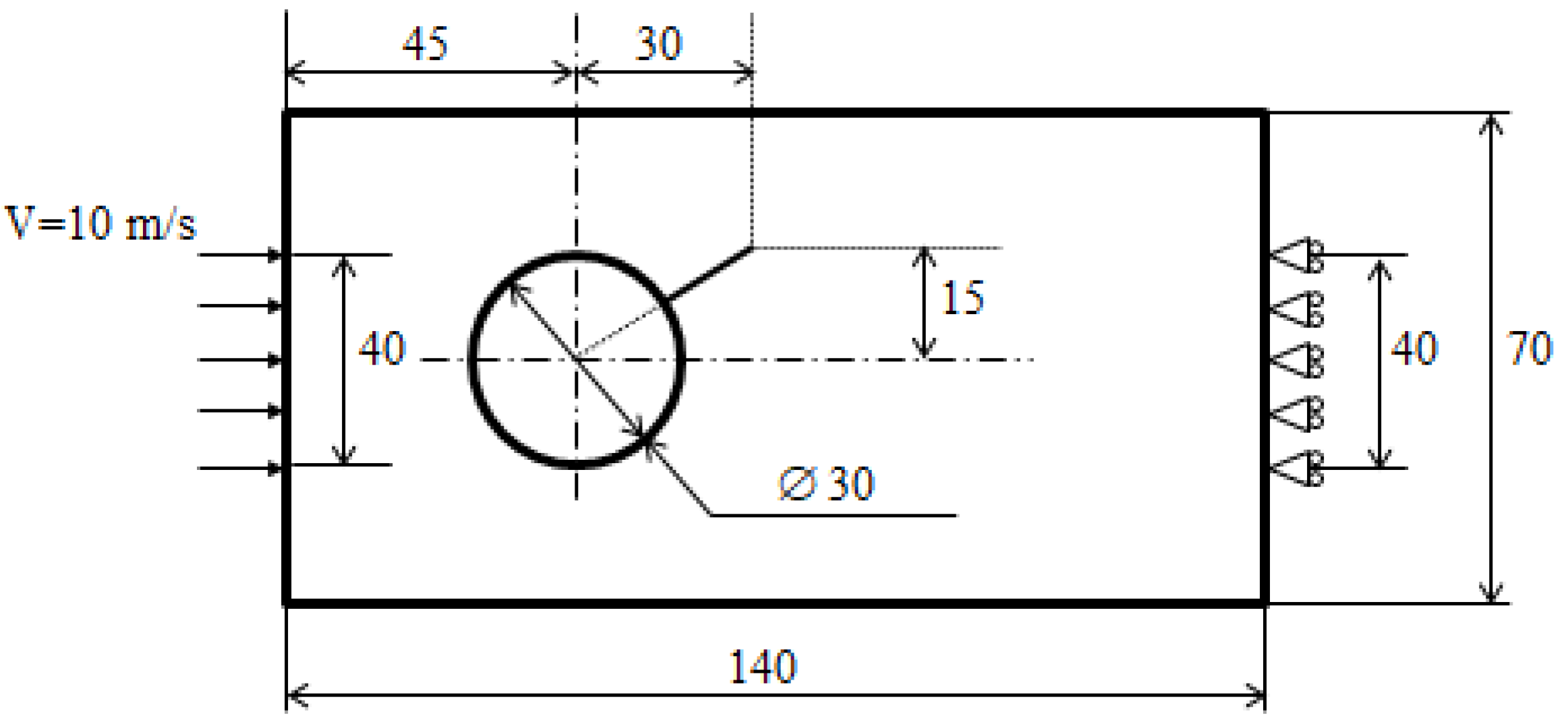
4.2.3. Dynamic Crack Propagation under Mixed-Mode Loading
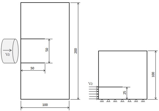
4.2.4. Crack Arrest Due to Compressive Stress
5. Conclusions
Author Contributions
Funding
Institutional Review Board Statement
Informed Consent Statement
Data Availability Statement
Conflicts of Interest
Appendix A. Finite Element Discretization
Appendix B. Implicit Dynamics Solver
References
- Griffith, A.A. The phenomena of rupture and flow in solids. Philos. Trans. R. Soc. Lond. Ser. A Math. Phys. Eng. Sci. 1921, 221, 163–198. [Google Scholar]
- Zhou, S.J.; Lomdahl, P.S.; Thomson, R.; Holian, B.L. Dynamic crack processes via molecular dynamics. Phys. Rev. Lett. 1996, 76, 2318. [Google Scholar] [CrossRef] [PubMed]
- Rountree, C.L.; Kalia, R.K.; Lidorikis, E.; Nakano, A.; van Brutzel, L.; Vashishta, P. Atomistic aspects of crack propagation in brittle materials: Multimillion atom molecular dynamics simulations. Annu. Rev. Mater. Res. 2002, 32, 377–400. [Google Scholar] [CrossRef]
- Gui, Y.L.; Bui, H.H.; Kodikara, J.; Zhang, Q.B.; Zhao, J.; Rabczuk, T. Modelling the dynamic failure of brittle rocks using a hybrid continuum-discrete element method with a mixed-mode cohesive fracture model. Int. J. Impact Eng. 2016, 87, 146–155. [Google Scholar] [CrossRef]
- Zhou, F.; Molinari, J.F. Dynamic crack propagation with cohesive elements: A methodology to address mesh dependency. Int. J. Numer. Methods Eng. 2004, 59, 1–24. [Google Scholar] [CrossRef]
- Falk, M.L.; Needleman, A.; Rice, J.R. A critical evaluation of cohesive zone models of dynamic fracture. J. Phys. 2001, 11, Pr5-43–Pr5-50. [Google Scholar]
- Martinelli, D.; Insana, A. Application of a Finite-Discrete Element Method Code for Modelling Rock Spalling in Tunnels: The Case of the Lyon-Turin Base Tunnel. Appl. Sci. 2024, 14, 591. [Google Scholar] [CrossRef]
- Huespe, A.E.; Oliver, J.; Sanchez, P.J.; Blanco, S.; Sonzogni, V. Strong discontinuity approach in dynamic fracture simulations. Mec. Comput. 2006, 25, 1997–2018. [Google Scholar]
- Moës, N.; Dolbow, J.; Belytschko, T. A finite element method for crack growth without remeshing. Int. J. Numer. Methods Eng. 1999, 46, 131–150. [Google Scholar] [CrossRef]
- Réthoré, J.; Gravouil, A.; Combescure, A. An energy-conserving scheme for dynamic crack growth using the extended finite element method. Int. J. Numer. Methods Eng. 2005, 63, 631–659. [Google Scholar] [CrossRef]
- Prabel, B.; Combescure, A.; Gravouil, A.; Marie, S. Level set X-FEM non-matching meshes: Application to dynamic crack propagation in elastic–plastic media. Int. J. Numer. Methods Eng. 2007, 69, 1553–1569. [Google Scholar] [CrossRef]
- Gomez-Gamboa, E.; Diaz-Rodriguez, J.G.; Mantilla-villalobos, J.A.; Bohorquez-Becerra, O.R.; Martinez, M.D.J. Experimental and Numerical Evaluation of Equivalent Stress Intensity Factor Models under Mixed-Mode (I+II) Loading. Infrastructures 2024, 9, 45. [Google Scholar] [CrossRef]
- Pijaudier-Cabot, G.; Bažant, Z.P. Nonlocal damage theory. J. Eng. Mech. 1987, 113, 1512–1533. [Google Scholar] [CrossRef]
- Jirasek, M. Nonlocal models for damage and fracture: Comparison of approaches. Int. J. Solids Struct. 1998, 35, 4133–4145. [Google Scholar] [CrossRef]
- Moës, N.; Stolz, C.; Bernard, P.E.; Chevaugeon, N. A level set based model for damage growth: The thick level set approach. Int. J. Numer. Methods Eng. 2011, 86, 358–380. [Google Scholar] [CrossRef]
- Bernard, P.E.; Moës, N.; Chevaugeon, N. Damage growth modeling using the thick level set (TLS) approach: Efficient discretization for quasi-static loadings. Comput. Methods Appl. Mech. Eng. 2012, 233–236, 11–27. [Google Scholar] [CrossRef]
- Francfort, G.; Marigo, J.J. Revisiting brittle fracture as an energy minimization problem. J. Mech. Phys. Solids 1998, 46, 1319–1342. [Google Scholar] [CrossRef]
- Francfort, G.; Marigo, J.J. Vers une théorie énergétique de la rupture fragile. Comptes Rendus Mécanique 2002, 330, 225–233. [Google Scholar] [CrossRef]
- Bourdin, B.; Francfort, G.; Marigo, J.J. Numerical experiments in revisited brittle fracture. J. Mech. Phys. Solids 2000, 48, 797–826. [Google Scholar] [CrossRef]
- Baktheer, A.; Martinez-Paneda, E.; Aldakheel, F. Phase field cohesive zone modeling for fatigue crack propagation in quasi-brittle materials. Comput. Methods Appl. Mech. Eng. 2024, 422, 116834. [Google Scholar] [CrossRef]
- Miehe, C.; Welschinger, F.; Hofacker, M. Thermodynamically consistent phase-field models of fracture: Variational principles and multi-field FE implementations. Int. J. Numer. Methods Eng. 2010, 83, 1273–1311. [Google Scholar] [CrossRef]
- Heister, T.; Wheeler, M.F.; Wick, T. A primal-dual active set method and predictor-corrector mesh adaptivity for computing fracture propagation using a phase-field approach. Comput. Methods Appl. Mech. Eng. 2015, 290, 466–495. [Google Scholar] [CrossRef]
- Kaczmarczyk, L.; Ullah, Z.; Lewandowski, K.; Meng, X.; Zhou, X.Y.; Athanasiadis, I.; Nguyen, H.; Chalons-Mouriesse, C.A.; Richardson, E.; Miur, E.; et al. MoFEM: An open source parallel finite element library. J. Open Source Softw. 2020, 5, 1441. [Google Scholar] [CrossRef]
- Wick, T. Modified Newton methods for solving fully monolithic phase-field quasi-static brittle fracture propagation. Comput. Methods Appl. Mech. Eng. 2017, 325, 577–611. [Google Scholar] [CrossRef]
- Wu, J.Y.; Huang, Y. Comprehensive implementations of phase-field damage models in abaqus. Theor. Appl. Fract. Mech. 2020, 106, 102440. [Google Scholar] [CrossRef]
- Aldakheel, F.; Hudobivnik, B.; Hussein, A.; Wriggers, P. Phase-field modeling of brittle fracture using an efficient virtual element scheme. Comput. Methods Appl. Mech. Eng. 2018, 341, 443–466. [Google Scholar] [CrossRef]
- Miehe, C.; Hofacker, M.; Welschinger, F. A phase field model for rate-independent crack propagation: Robust algorithmic implementation based on operator splits. Comput. Methods Appl. Mech. Eng. 2010, 199, 2765–2778. [Google Scholar] [CrossRef]
- Amor, H.; Marigo, J.J.; Maurini, C. Regularized formulation of the variational brittle fracture with unilateral contact: Numerical experiments. J. Mech. Phys. Solids 2009, 57, 1209–1229. [Google Scholar] [CrossRef]
- Sicsic, P.; Marigo, J.J.; Maurini, C. Initiation of a periodic array of cracks in the thermal shock problem: A gradient damage modeling. J. Mech. Phys. Solids 2014, 63, 256–284. [Google Scholar] [CrossRef]
- Farrell, P.; Maurini, C. Linear and nonlinear solvers for variational phase-field models of brittle fracture. Int. J. Numer. Methods Eng. 2017, 109, 648–667. [Google Scholar] [CrossRef]
- Chaboche, J.L.; Feyel, F.; Monerie, Y. Interface debonding models: A viscous regularization with a limited rate dependency. Int. J. Solids Struct. 2001, 38, 3127–3160. [Google Scholar] [CrossRef]
- Lorentz, E.; Benallal, A. Gradient constitutive relations: Numerical aspects and application to gradient damage. Comput. Methods Appl. Mech. Eng. 2005, 194, 5191–5220. [Google Scholar] [CrossRef]
- Marigo, J.J.; Maurini, C.; Pham, K. An overview of the modelling of fracture by gradient damage models. Meccanica 2016, 51, 3107–3128. [Google Scholar] [CrossRef]
- Bourdin, B.; Francfort, G.A.; Marigo, J.J. The Variational Approach to Fracture; Springer: Dordrecht, The Netherlands, 2008. [Google Scholar]
- Molnar, G.; Gravouil, A.; Seghir, R.; Réthoré, J. An open-source Abaqus implementation of the phase-field method to study the effect of plasticity on the instantaneous fracture toughness in dynamic crack propagation. Comput. Methods Appl. Mech. Eng. 2020, 365, 113004. [Google Scholar] [CrossRef]
- Kriaa, Y.; Hentati, H.; Zouari, B. Optimized method for computing phase-field model using decoupling scheme. In Design and Modeling of Mechanical Systems—III, Proceedings of the 7th Conference on Design and Modeling of Mechanical Systems, Hammamet, Tunisia, 27–29 March 2017; Springer: Cham, Switzerland, 2017; pp. 1101–1110. [Google Scholar] [CrossRef]
- Kriaa, Y.; Hentati, H.; Zouari, B. Applying the phase-field approach for brittle fracture prediction: Numerical implementation and experimental validation. Mech. Adv. Mater. Struct. 2020, 29, 828–839. [Google Scholar] [CrossRef]
- Ambati, M.; Gerasimov, T.; De Lorenzis, L. A review on phase-field models of brittle fracture and a new fast hybrid formulation. Comput. Mech. 2015, 55, 383–405. [Google Scholar] [CrossRef]
- Wu, J.Y. A unified phase-field theory for the mechanics of damage and quasi-brittle failure. J. Mech. Phys. Solids 2017, 103, 72–99. [Google Scholar] [CrossRef]
- Lesicar, T.; Polancec, T.; Tonkovic, Z. Convergence Check Phase-Field Scheme for Modelling of Brittle and Ductile Fractures. Appl. Sci. 2023, 13, 7776. [Google Scholar] [CrossRef]
- Jeong, H.; Signetti, S.; Seok Han, T.; Ryu, S. Phase field modeling of crack propagation under combined shear and tensile loading with hybrid formulation. Comput. Mater. Sci. 2018, 155, 483–492. [Google Scholar] [CrossRef]
- Borden, M.J.; Verhoosel, C.V.; Scott, M.A.; Hughes, T.J.; Landis, C.M. A phase-field description of dynamic brittle fracture. Comput. Methods Appl. Mech. Eng. 2012, 217–220, 77–95. [Google Scholar] [CrossRef]
- Nguyen, T.T.; Yvonnet, J.; Zhu, Q.Z.; Bornert, M.; Château, C. A phase field method to simulate crack nucleation and propagation in strongly heterogeneous materials from direct imaging of their microstructure. Eng. Fract. Mech. 2015, 133, 37–38. [Google Scholar] [CrossRef]
- Sammis, C.G.; Ashby, M.F. The Failure of Brittle Porous Solids under Compressive Stress States. Acta Merall 1986, 34, 511–526. [Google Scholar] [CrossRef]
- Kalthoff, J.F. Modes of dynamic shear failure in solids. Int. J. Fract. 2000, 101, 1–31. [Google Scholar] [CrossRef]
- Rabczuk, T.; Zi, G.; Gerstenberger, A.; Wall, W.A. A new crack tip element for the phantom-node method with arbitrary cohesive cracks. Int. J. Numer. Methods Eng. 2008, 75, 577–599. [Google Scholar] [CrossRef]
- Rabczuk, T.; Zi, G. A meshfree method based on the local partition of unity for cohesive cracks. Comput. Mech. 2007, 39, 743–760. [Google Scholar] [CrossRef]
- Rabczuk, T.; Bordas, S.; Zi, G. A three-dimensional meshfree method for continuous multiple-crack initiation, propagation and junction in statics and dynamics. Comput. Mech. 2007, 40, 473–495. [Google Scholar] [CrossRef]
- Ren, H.; Zhuang, X.; Rabczuk, T. Dual-horizon peridynamics: A stable solution to varying horizons. Comput. Methods Appl. Mech. Eng. 2017, 318, 762–782. [Google Scholar] [CrossRef]
- Ren, H.; Zhuang, X.; Cai, Y.; Rabczuk, T. Dual-horizon peridynamics. Int. J. Numer. Methods Eng. 2016, 108, 1451–1476. [Google Scholar] [CrossRef]
- Rabczuk, T.; Samaniego, E. Discontinuous modelling of shear bands using adaptive meshfree methods. Comput. Methods Appl. Mech. Eng. 2008, 197, 641–658. [Google Scholar] [CrossRef]
- Rabczuk, T.; Areias, P.M.A.; Belytschko, T. A simplified mesh-free method for shear bands with cohesive surfaces. Int. J. Numer. Methods Eng. 2007, 69, 993–1021. [Google Scholar] [CrossRef]
- Rabczuk, T.; Zi, G.; Bordas, S.; Hung, N.-X. A simple and robust three-dimensional cracking-particle method without enrichment. Comput. Methods Appl. Mech. Eng. 2010, 199, 2437–2455. [Google Scholar] [CrossRef]
- Zhou, S.; Rabczuk, T.; Zhuang, X. Phase field modeling of quasi-static and dynamic crack propagation: COMSOL implementation and case studies. Adv. Eng. Softw. 2018, 122, 31–49. [Google Scholar] [CrossRef]
- Zhang, Z.; Paulino, G.H.; Celes, W. Extrinsic cohesive modelling of dynamic fracture and microbranching instability in brittle materials. Int. J. Numer. Methods Eng. 2007, 72, 893–923. [Google Scholar] [CrossRef]
- Li, T.; Marigo, J.J.; Guilbaud, D.; Potapov, S. Gradient damage modeling of brittle fracture in an explicit dynamics context. Int. J. Numer. Methods Eng. 2016, 108, 1381–1405. [Google Scholar] [CrossRef]
- Grégoire, D. Initiation, Propagation, Arrêt et Redémarrage de Fissures Sous Impact. Ph.D. Thesis, Institut National des Sciences Appliquées de Lyon, Lyon, France, 2008. [Google Scholar]
- Fageehi, Y.A.; Alshoaibi, A.M. Investigating the Influence of Holes as Crack Arrestors in Simulating Crack Growth Behavior Using Finite Element Method. Appl. Sci. 2024, 14, 897. [Google Scholar] [CrossRef]
- Newmark, N.M. A method of computation for structural dynamics. ASCE J. Eng. Mech. Div. 1959, 85, 67–94. [Google Scholar] [CrossRef]






















Disclaimer/Publisher’s Note: The statements, opinions and data contained in all publications are solely those of the individual author(s) and contributor(s) and not of MDPI and/or the editor(s). MDPI and/or the editor(s) disclaim responsibility for any injury to people or property resulting from any ideas, methods, instructions or products referred to in the content. |
© 2024 by the authors. Licensee MDPI, Basel, Switzerland. This article is an open access article distributed under the terms and conditions of the Creative Commons Attribution (CC BY) license (https://creativecommons.org/licenses/by/4.0/).
Share and Cite
Kriaa, Y.; Hersi, Y.; Ammar, A.; Zouari, B. Quasi-Static and Dynamic Crack Propagation by Phase Field Modeling: Comparison with Previous Results and Experimental Validation. Appl. Sci. 2024, 14, 4000. https://doi.org/10.3390/app14104000
Kriaa Y, Hersi Y, Ammar A, Zouari B. Quasi-Static and Dynamic Crack Propagation by Phase Field Modeling: Comparison with Previous Results and Experimental Validation. Applied Sciences. 2024; 14(10):4000. https://doi.org/10.3390/app14104000
Chicago/Turabian StyleKriaa, Yosra, Yassine Hersi, Amine Ammar, and Bassem Zouari. 2024. "Quasi-Static and Dynamic Crack Propagation by Phase Field Modeling: Comparison with Previous Results and Experimental Validation" Applied Sciences 14, no. 10: 4000. https://doi.org/10.3390/app14104000
APA StyleKriaa, Y., Hersi, Y., Ammar, A., & Zouari, B. (2024). Quasi-Static and Dynamic Crack Propagation by Phase Field Modeling: Comparison with Previous Results and Experimental Validation. Applied Sciences, 14(10), 4000. https://doi.org/10.3390/app14104000

