Abstract
To efficiently extract the model parameters of photovoltaic (PV) modules, this paper proposed an identification method based on the Dynamic Elite-Leader Multi-Verse Optimizer (DLMVO) algorithm. An adaptive strategy was used to control parameters based on population evolution rate and aggregation rate to balance the exploitation and exploration to avoid the search falling into local optimization. In addition, this paper proposed a dynamic elite-leader-based variation strategy to enhance the probability of variation success and improve merit search speed. This proposed algorithm was applied to the parameter identification of two different PV modules and validated using six existing methods in the literature for comparison. The experimental results show that the DLMVO algorithm significantly reduced the standard deviation of the three models compared with the standard deviation of the MVO algorithm, the single diode decreased by nearly 40%, the single-component model decreased by about 28%, and the double diode exhibited the best effect, which decreased by 83%.
1. Introduction
Due to the increasingly severe environmental contamination and energy crises, renewable energy has been in urgent demand for decades. Solar cells convert electricity from inexhaustible solar energy, which is the most promising renewable energy source [1]. Since the 1900s, the PV industry has developed rapidly. It is reported that over 500 G Wp of PV system capacity was installed worldwide in 2018, a number that is projected to increase to 700 G Wp by 2021 [2]. Estimating the actual performance of operating PV systems and managing and optimizing these systems has become an urgent problem that makes it necessary to establish an accurate model to closely emulate characteristics of solar PV systems [3]. The modeling of PV systems is normally composed of two steps: (1) mathematical model formulation and (2) parameters extraction [4]. At present, researchers have posed a variety of equivalent solar cell models, among which the single-diode model (SDM) and double-diode model (DDM) are the widely used in engineering applications [5] The model parameters are the main factor that affects PV model accuracy; examples include photogenerated current Iph, diode reverse saturation current Id, series resistance Rs, parallel resistance Rsh, and diode ideality factor n1. Parameters are uncertain and cannot be directly obtained, which makes the extraction of parameters for PV models a focus of current research. Moreover, these parameters intuitively reflect the impact of various factors on solar PV model operation. Hence, it is indispensable for simulation, performance evaluation, fault analysis, and control of PV systems to identify parameters accurately [6].
The typical PV mathematical model of SDM and DDM is an implicit transcendental equation, which has the disadvantage that it cannot be solved explicitly using ordinary electronic functions, which brings challenges to the design of parameter estimation methods [7,8]. Researchers have recently used several methods for parameter identification of PV model, which can be divided into three different methods: analytical methods, deterministic methods, and heuristic methods. When using analytical approaches, some assumptions need to be made in advance, which reduces the accuracy of the solutions [9]. Several methods have been proposed, including Newton–Raphson methods [10,11], iterative curve fitting [12], Lambert W-functions [13], and more. Although deterministic methods are simple and quick, these methods are sensitive to initial values. In addition, these deterministic methods usually have incidental restrictions such as differentiability and convexity of decision space, which may lead to the search convergence at local optima [14]. Meta-heuristic algorithms essentially belong to the same category as the deterministic method, but they do not need specific computing conditions, and their concept and structure are relatively uncomplicated, which makes them easy to implement [15]. Therefore, heuristic methods have been widely used in solving the problem of PV model parameter extraction [7], such as particle swarm optimization [16,17], differential evolution [18], simulated annealing [19], genetic algorithms [20], whale optimization algorithm, hybrid firefly algorithm [21], artificial bee colony [22,23], cat swarm optimization [24], teaching-learning-based optimization [25,26], asexual reproduction optimization [27] and other algorithms [28,29]. Although it can achieve relatively superior solutions, deficiencies such as instability and premature convergence still exist. According to the theorem of ‘no free lunch’ (NFL), there is no general optimal algorithm that can solve all unsolved optimization research in the best way [6]. Therefore, we try to develop a new method which is suitable for a specific domain that shows better effectiveness compared to previous methods [4].
The Multi-Verse Optimizer (MVO), proposed in 2016 [30], is a powerful natural-based heuristic method for global optimization. It not only presents a strong global search ability but, more importantly, the core control is less complicated, and the code is easy to implement. Based on these advantages, the MVO algorithm and its variants have been successfully applied to many engineering applications [31,32,33,34]. Although MVO performance is superior, there are still some shortcomings. First, the control parameter that increases linearly with the number of iterations, wormhole existence probability (WEP), slows the evolution of the population in the early stage of the search, resulting in poor convergence of the algorithm. Second, the control parameter, travel distance rate (TDR), does not consider the current quality of each individual, which makes it difficult to balance the global search ability and local search ability of the algorithm. Finally, the variation strategy based on wormholes is difficult to further improve the quality of offspring individuals, resulting in a population convergence to global optimality.
In this paper, an improved MVO algorithm named Dynamic Leader Multi-Verse Optimizer (DLMVO), was designed for the first time to effectively estimate the parameters of the PV model. In DLMVO, three improvements are proposed to overcome the disadvantage of the original MVO. First, the adaptive strategy of wormhole existence probability (WEP) based on a Gauss distribution is proposed to help losers find more promising regions further. Second, a new adaptive strategy for updating travel distance rate (TDR) is adopted to balance exploration and exploitation, preventing the search from falling into local optima. Third, we propose a dynamic leader search strategy to improve the probability of producing better solutions and speed up the convergence rate.
The main contributions of this paper are summarized as follows:
- Dynamic Leader Multi-Verse Optimizer (DLMVO) was proposed by improving MVO. In DLMVO, three improved strategies were implemented to remedy the disadvantages of MVO.
- The performance of the DLMVO algorithm was verified by applying it to parameter extraction of different PV models.
- The compared and statistical experimental results presented the feasibility and effectiveness of the DLMVO in identifying parameters of different PV models.
The remainder of this paper is organized as follows: Section 2 is the PV models and problem formulation. The fundamentals of the MVO algorithm will be introduced in Section 3. Section 4 presents the proposed DLMVO algorithm in detail. Section 5 shows the experiment results and analysis. Conclusions are presented in Section 6.
2. PV Models and Problem Formulation
An ideal solar cell is expressed by a light-generated current source [35], and its output current is relevant to the intensity of light shining on it. Because of optical and electrical losses inside solar panels, the behavior of the current generated by actual solar cell will deviate from that of the intended designed. To characterize this deviation, researchers have proposed various PV models. Among these, the most famous models are SDM and DDM, which are widely used in practical projects [36]. This section will introduce the concepts of these two PV models and how they adapt to optimization problems.
2.1. Single-Diode Model
In the SDM, only one diode (D1) is connected to the light-generated current source in parallel, as shown in Figure 1. The SDM takes into account the current generated by the diffusion and recombination of electrons. Furthermore, it also considers the leakage current of the PN junction, effects of silicon and electrode inter-surfaces, electrode resistance, and flowing current resistance [35].
Figure 1.
Equivalent circuit diagrams of SDM.
Under Kirchhoff’s current law, the output current (IL) can be calculated by Equation (1)
where Iph is photovoltaic-generated current, ID1 is the diode current obtained by Equation (2). Ish provides the shunt resistor current, which can be calculated by Equation (3)
where Id1, n1, Rs, and Rsh are reverse saturation current of the diode, the ideal coefficient, the series resistance, and the shunt resistance, respectively. VL is the cell output voltage. Vth is the junction thermal voltage which can be obtained by Equation (4). q is the electric charge (1.60217646 × 10−19 C), T(K) is the cell temperature (Kelvin), and KB refers to the Boltzmann constant (1.381 × 1023 J/K).
For reasons listed before, we rewrite Equation (1) as follow:
There are five unknown parameters in Equation (5) that need to be extracted in SDM, including Iph, Id1, n1, Rs, and Rsh.
2.2. Double-Diode Model
Compared with the SDM, the effect of recombined current loss in the depletion region is also considered in the DDM, which is represented by the diode current (ID2) through the second diode (D2) [37]. The DDM is shown in Figure 2.
Figure 2.
Equivalent circuit diagrams of DDM.
We calculate the second parallel diode current by Equation (6)
where Id2 is the reverse saturation current and n2 is the ideality factor of D2. The other terms were introduced previously. Thus, the output current of DDM is calculated by Equation (7).
Seven unknown parameters Iph, Id1, Id2, n1, n2, Rs, and Rsh are required to be extracted in the DDM.
2.3. PV Module Model
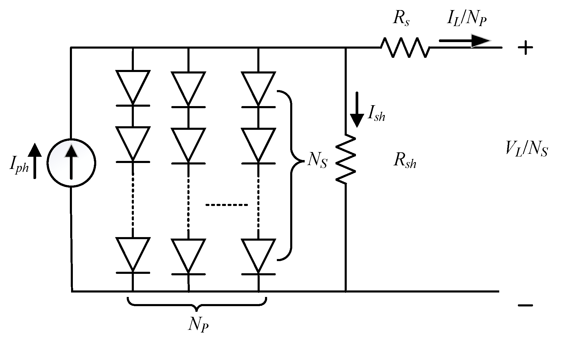
In the applied conditions, PV modules achieve the required voltage and current by making an array of small cells that are interconnected in series and parallel [38]. The PV module model based on the SDM is shown in Figure 3.
Figure 3.
Equivalent circuit diagrams of PV model based on SDM.
According to Equation (5) and the series-parallel relationship of PV cells, we obtained the output current using Equation (8) [7]
where Np is the number of solar cells in parallel and Ns is the number of solar cells in series. We found that five parameters (Iph, Isd, Rs, Rsh, and n1) need to be extracted from Equation (8).
2.4. Problem Formulation
Performance of solar cells is highly sensitive to the value of these parameters. Therefore, it is essential to accurately estimate these parameters to reflect the actual performance of photovoltaic cells. The main goal of this research is to find correct parameter values to minimize the distance between the experimental and calculated data [7,8]. According to this principle, the parameter identification of PV models becomes an optimization problem. When using optimization problems to solve parameter identification research, to define an objective function to describe the errors of all data is quite necessary, and the objective function is usually defined as the root mean square error (RMSE) [17,18,19,20,39,40]:
where N means the number of measured data, IL and VL represent the measured value of current and voltage, respectively, and X denotes the decision variable. Specifically, the objective function of the SDM, DDM, and single-module model (SMM) are as follows:
3. Multi-Verse Optimizer
The Multi-Verse Optimizer (MVO) was designed based on three concepts (white hole, black hole, and wormhole) from theories related to the multiverse in cosmology, in which the idea of the black and white hole is used to explore search spaces, and wormholes are used to exploit the search spaces. This section will mainly introduce the specific implementation process of the MVO algorithm.
3.1. Initialization
The universe means a candidate solution generated by the MVO, and (number of populations) NP universes constitute a population. Each universe is assumed to be a solution vector composed of D decision variables, and the j-th decision variable of the i-th universe (Ui,j) can be initialized as follows:
where r1 is a random number and the value is in the interval [0, 1]. Umax and Umin are the maximum and minimum values of variables, respectively.
3.2. White/Black Hole Tunnels
In this model, the universe with a higher inflation rate is considered to have a white hole, while a universe with a lower inflation rate is thought to have a black hole. Additionally, the inflation rate of each universe is proportional to the fitness value of each solution. Objects can move between various universes from white holes to black holes. The specific operation of this step is through a roulette wheel mechanism, and the implementation process is as follows:
where is the j-th parameter of k-th universe selected by a roulette wheel selection mechanism, r2 is a random number that between [0, 1], and NI (Ui) indicates the normalized inflation rate of the i-th universe.
3.3. Wormhole Tunnels
To ensure the diversity of universes and perform exploitation, the MVO considers that regardless of the rate of inflation, every universe has the probability of traveling around the best universe through wormholes. The description of this mechanism is as follows:
where xbest is the best universe under the current iteration, r3 and r4 are random numbers between [0, 1]. Wormhole Existence Probability (WEP) and Traveling Distance Rate (TDR) are two coefficients with adaptive formulas as follows:
where WEPmin and WEPmax are the maximum and minimum of WEP, which are 0.2 and 1, respectively. p represents the exploitation accuracy over the iterations. NFEs and Max_NFEs are the current number of iterations and the maximum number of iterations.
4. Dynamic Leader Multi-Verse Optimizer (DLMVO)
To accurately and reliably extract the parameters of solar cell models, we proposed an improved MVO algorithm named DLMVO. Each improvement and its motivation are described in this section.
4.1. Adaptive Adjustment of Wormhole Existence Probability
The original MVO algorithm is good at global searches but lacks the local search ability. To this end, we propose an improved WEP adaptive strategy that uses probability to find promising searching directions. To be specific, in every generation, the wormhole existence probability WEPi of each individual vector was respectively generated as:
where Gaussian (rand, 0.1) is a random number that is sampled from a Gaussian distribution accordingly with the mean rand and standard deviation of 0.1. If the value of WEPi is not between [0, 1], it will be regenerated.
4.2. Adaptive Adjustment of Travel Distance Rate
In the MVO algorithm, TDR has a significant role in controlling the explorative power and population diversity and was suggested to linearly decrease from 1 to 0 with generation [30,41]. However, it is not necessarily proper to decrease purely with time for two main reasons. The first reason is that parameters that are too small are not beneficial to maintaining population diversity at a later stage of the evolutionary process, and therefore the population will suffer from prematurity. The second reason is that it does not take into account the current quality of each individual, resulting in poor convergence of the algorithm.
With these considerations, a strategy for updating the TDR according to the quality of each individual is introduced in this paper [41]. The TDR is determined by the evolution speed factor of each universe and the aggregation degree factor of the population, where the evolution speed factor is defined as:
where fit is the fitness value of Ui. This parameter takes the evolution speed of each universe into account, and a smaller α indicates that the universe evolves faster.
The aggregation degree factor is given as:
where is the mean fitness of all universes in the population at the NFES-th iteration. Fbest, NFEs represents the optimal value found in this iteration. The TDR of the universe in the NFES-th iteration can be obtained through the evolution speed factor and the aggregation degree factor as follows:
where r5, r6, and r7 are random unequal numbers of [0, 1].
4.3. Dynamic Leader Search Strategy
As seen from Equation (15), the optimal solution plays a vital role in the search process, as it guides and draws other individuals to its region. This search strategy performs well on unimodal optimization problems especially. However, it easily makes complex multimodal optimization functions converge prematurely. The reasons are mainly because the step of each individual’s perturbation around the best individual through wormholes is random, making it difficult to further improve the quality of the offspring. Additionally, overuse of optimal solutions may reduce diversity of the population and cause the algorithm process to fall into a local optimum [42]. Taking into consideration these shortcomings, a new search strategy based on dynamic elite leaders is suggested in this paper, and a detailed description is shown next.
In the new search strategy, the universe is sorted based on the fitness, and the top percent of universes are regarded as a dynamic group (Utop). Utop should have different characteristics, which will ensure that the travel strategy is effective. Current individuals are taken as primary vectors that will cooperate with the random individuals in the dynamic groups to guide the population to promising areas. The details are as follows:
where utopk0 and utopk1 are randomly chosen from Utop under the current iteration. To facilitate exploration at the beginning of the search and to exploit during the later stages, a dynamic population reduction strategy is employed. Each generation population size is formulated as follows:
where Ceil(y) is a function that returns a minimum integer greater than parameter y. Of note, 2 < NPtop < NP.
4.4. The Proposed DLMVO Algorithm
The pseudo-code of the DLMVO algorithm is summarized as Algorithm 1. Compared with the traditional MVO, the additional computation in DLMVO is to calculate the speed factor(α) and aggregation factor(β) of the population. The added computational complexity is O (2 × l × n), where n is the population size, and l is the maximum number of iterations. Since the complexity of the basic MVO is O (l × (n2 + n × log(n) × D)), the total complexity of the DLMVO is O (l × (n2 + n × log(n) × D + 2 × n)). Although DLMVO adds two new parameters to the calculation, the increase in calculation is minimal, and the two parameters are automatically generated without being user-defined, which makes the DLMVO easier to apply to various scenarios.
| Algorithm 1 The pseudo-code of the DLMVO algorithm. |
| 1. Initially generate NP universes (Ui,j) |
| 2. Calculate fitness value of each universe |
| 3. While NFEs < Max_NFEs |
| 4. Identify the best universe in current population; |
| 5. SU = Sorted universes and Utop = SU (1: top:) |
| 6. NI = Normalize the fitness value (the inflation rate) of the universes |
| 7. // Black holes exchange objects through white holes by Equation (14) // |
| 8. Update WEP and TDR by Equation (18) and Equation (21), respectively. |
| 9. // Every universe has the probability to travel by Equation (22)// |
| 10. Bring the new universes back if it goes out of the search space boundaries |
| 11. Update fitness and the best universe |
| 12. Accept the new solution if it is better than the old one |
| 13. NFEs = NFEs + 1; |
| 14. End while |
To more intuitively describe the mechanism of the DLMVO algorithm, we drew an abstract diagram of the DLMVO algorithm, as shown in the Figure 4. Specifically, in the primary iteration process, the top NPtop individuals are first identified as the temporary elite population. Then the dimensions of the good individuals are crossed over to the dimensions of the flawed individuals according to white hole and black hole models, and finally the wormhole model is used to guide the mutations through the temporary elite individuals. After the above process is executed, a better solution will be retained. Additionally, Figure 5 presents the flowchart of the DLMVO.
Figure 4.
An abstract demonstration of the process and mechanism of DLMVO.
Figure 5.
The flowchart of DLMVO algorithm.
5. Experiments and Results
In this section, the effectiveness of the DLMVO is evaluated on the SDM, DDM, and PV modules. A 57 mm diameter commercial RTC France silicon solar cell with an irradiance of 1000 W/m2 and temperature of 33 °C was used for SDM and DDM models, and a solar module named Photowatt-PWP201 (under 1000 W/m2 at 45 °C) that consists of 36 polycrystalline silicon cells in series was adopted for SMM models. As shown in Table 1, to ensure the fairness of the comparison, the setting of the upper and lower bounds for each parameter is the same as that of the previous studies [43,44].
Table 1.
Parameter range for three cases.
For this experiment, we designed an excellent algorithm for the same problem to verify the superior performance of the DLMVO algorithm in comparison to the algorithms MVO [31], QMVO [45], Rcr-JADE [46], IWOA [47], CLPSO [48], IJAYA [6], PGJAYA [8], and SATLBO. The parameters of each compared algorithm are configured according to the recommendations in the respective references, shown in Table 2. To avoid the contingency of experiments, the DLMVO and other competitors were all executed in MATLAB 2016a and conducted with 30 independent runs.
Table 2.
Parameter setting of DLMVO and each compared algorithm.
5.1. Detailed Result Comparison of Three Studies
This section mainly presents the comparison of the model accuracy for three cases handled by the DLMVO and its competitor algorithms. The best results of different algorithms are presented.
5.1.1. Results on PV Cell of RTC France in SDM
For the SDM on the PV cell of RTC France, the best results extracted by different algorithms are shown in Table 3, in which the minimum RMSE is marked in bold. Smaller RMSE values suggest a better result of parameter identification. Based on Table 3, the DLMVO obtained the least RMSE (9.8602 × 10−4), which was better than IJAYA, QMVO, CLPSO, and MVO. Otherwise, Rcr-JADE, IWOA, PGJAYA, and SATLBO algorithms could also get the minimum results, and MVO achieved the worst results.
Table 3.
Detailed results among different algorithms on SDM.
To further verify the accuracy of DLMVO identification results, the best-estimated parameters extracted by the DLMVO algorithm were used to reconstruct the simulated data, and this was compared with the measured data. The results are shown in Figure 6. It can be seen from Figure 6 that there is a high consistency between the experimental data and the simulation data, which indirectly shows the accuracy of the identification parameters.
Figure 6.
Comparisons between measured data and simulated data obtained by DLMVO for SDM (a) I-V curves and (b) P-V curves.
5.1.2. Results on PV Cell of RTC France in DDM
For the double-diode model on the PV cell of RTC France in Table 4, the best result of estimation parameters and RMSE for different algorithms are listed. It is clear that only the DLMVO and Rcr-JADE provide the best RMSE value (9.8248 × 10−4) among all compared algorithms, and MVO still obtained the worst results. It is worth mentioning that IWOA, PGJAYA, and SATLBO, which can obtain the best results in parameter extraction of SDM, failed to obtain the best identification results in the parameter extraction experiment of DDM. This is because the DDM has seven unknowns, which requires a higher optimization solver than the parameter extraction of SDM. In addition, to demonstrate the accuracy of the DMM parameters extracted by the DLMVO, the I-V curves and P-V curves between measured and simulated data are shown in Figure 7, where the simulated data generated by the DLMVO also highly matched with the experimental data.
Table 4.
Detailed results among different algorithms on DDM.

Figure 7.
Comparisons between measured data and simulated data obtained by DLMVO for DDM (a) I-V curves and (b) P-V curves.
5.1.3. Results on PV Module of Photowatt-PWP201 in SMM
For the SDM on the PV module of Photowatt-PWP201, Table 5 shows the best identification results obtained by the DLMVO algorithm and its competitors. It can be seen from the table that the DLMVO, Rcr-JADE, IWOA, IJAYA, PGJAYA, and SATLBO can obtain the most negligible value of RMSE (2.4251 × 10−3), while MVO, QMVO, and CLPSO did not yield the best RMSE results. Simultaneously, Figure 8 shows the comparison of I-V and P-V curves between simulated data by the DLMVO and the measured data. It can be seen clearly from Figure 8 that the identification data of the Photowat-PWP201 component agree well with almost all measured data, which fully demonstrates the accuracy of the parameter identification of the DLMVO algorithm for SMM.
Table 5.
Detailed results among different algorithms on SMM.

Figure 8.
Comparisons between measured data and simulated data obtained by DLMVO for SMM (a) I-V curves and (b) P-V curves.
5.2. Statistical Results and Convergence Speed
The previous section showed the accuracy of the DLMVO algorithm for estimating model parameters. This section mainly introduces the robustness and converge speed of different algorithms.
We used the Wilcoxon’s signed-rank test with a significance level of 0.05 to compare the significance between the DLMVO and every competitor algorithm [49]. Symbols “+”, “−”, and “≈” show that the performance of the DLMVO is significantly better than, worse than, or similar to the corresponding algorithm, respectively. The experimental results over 30 independent runs of three case studies are provided in Table 6, which include minimum RMSE (Min), maximum RMSE (Max), mean RMSE (Mean), and standard deviation of RMSE (Std), where the best result is highlighted in boldface. From Table 6, for SDM, although Rcr-JADE, IWOA, PGJAYA, and SATLBO could obtain the minimum RMSE, their performance was not as good as the DLMVO considering the mean RMSE and standard deviation of RMSE. For DDM, Rcr-JADE could also obtain the most negligible RMSE value, but it is still less stable than DLMVO. For SMM, although most competing algorithms can obtain the minimum RMSE, the standard deviation of RMSE by the DLMVO remained better than others. Meanwhile, according to the result of the statistical test (Sig), the DLMVO algorithm is the most reliable algorithm in parameter identification for any model.
Table 6.
Statistical results of RMSE values of different algorithms for three models.
To more intuitively show the distribution of results obtained by different algorithms in 30 independent runs, the box diagram of three cases by each algorithm is shown in Figure 9. By comparing the distribution of optimal solutions, we found that the DLMVO was better than other compared algorithms in terms of accuracy and robustness.

Figure 9.
Boxplot of best RMSE in 30 independent runs for three models.
The Friedman test results of different algorithms for three experimental cases are given in Figure 10, which shows that DLMVO had the best average ranking, followed by Rcr-JADE, PGJAYA, IWOA, SATLBO, IJAYA, QMVO, CLPSO, and MVO.
Figure 10.
Friedman test results of different algorithms.
From the comparison and statistical results, Rcr-JADE, IWOA, SATLBO, and PGJAYA, together with the DLMVO algorithm in this paper, were the most competitive. Therefore, more experiments are carried out to quantify the convergence of these algorithms. For a scientific comparison, the maximum number of iterations (Max_NFEs) was set to 50,000 for all compared algorithms. The convergence curve of 30 independent runs of five algorithms is shown in Figure 11. As curves, it is evident that the DLMVO had the fastest convergence speed, which indirectly means that the DLMVO can quickly extract the parameters of PV models.

Figure 11.
Convergence curves of different algorithms for three models.
5.3. The Advantage of DLMVO Components
As described in Section 4, in the DLMVO, three improvements were used to enhance the performance of the MVO. To analyze the effectiveness of different components, three DLMVO variants were developed, i.e., the MVO that only uses adaptive WEP repair technology is called DLMVO-1, the MVO with the self-adaptive TDR strategy is called DLMVO-2, and the MVO with the dynamic leaders for traveling for short is called DLMVO-3. The convergence curves and statistical results are reported in Figure 12 and Table 7, respectively. In Table 7, for each model, the overall best result among these five algorithms is highlighted in boldface.

Figure 12.
Convergence curves of different components in DLMVO on three models.
Table 7.
Influence of different components on the performance of DLMVO.
From the reported results, it can be observed that:
- The Wilcoxon’s signed-rank test results in Table 7 demonstrate that DLMVO-1, DLMVO-2, and DLMVO-3 provided better results than MVO, which indicates that each improvement is beneficial for MVO to find the optimal solution.
- Concerning the Max, Mean, and Std of RMSE values, DLMVO-3 was significantly better than DLMVO-1 and DLMVO-2, especially for Mean and Std, which shows that the dynamic leader travel strategy has an advantage on improving the robustness of the MVO.
- The convergence curves presented in Figure 9 illustrate that each improvement helps to improve the convergence speed. Although DLMVO-3 is not the fastest in the initial stage for SDM and SMM, it can converge quickly for DDM.
The comparison reveals that the three improved components are conducive to enhancing the performance of the DLMVO. Although the dynamic leader travel strategy contributes more, the absence of any enhanced components will significantly deteriorate the performance of the DLMVO.
6. Conclusions
This paper proposed a Dynamic Leader Multi-Verse Optimizer (DLMVO) algorithm to solve the problem of parameter extraction in PV models. There were three improvements in the DLMVO. First, the WEP-repairing technique of Gaussian distribution can use probability to quantify the searchability, which helps to balance the local and global search ability. Second, relying on the quality of each universe to adjust the TDR could effectively balance between exploration and exploitation, thereby preventing the population from falling into a local optimum. Ultimately, the travel strategy with dynamic leaders decreases randomness and enhances the probability of producing better qualified offspring, ensuring that the population continuously evolves toward the global optimum. It was applied to three different PV models and compared with eight state-of-the-art algorithms.
The conclusions according to the compared and statistical experimental results are summarized as follows:
- DLMVO performed better in terms of accuracy, robustness, and convergence of the identified parameters. The maximum error of identification accuracy was only 0.38%, its robustness ranked first in the Friedman test, and the DLMVO algorithm also had the fastest convergence speed among all competing algorithms, which can quickly extract the model parameters of photovoltaic modules.
- The travel strategy with dynamic leaders contributed more to DLMVO. However, missing either enhancing components will significantly deteriorate the performance of the DLMVO.
- This proposed DLMVO-based solver can be considered a valuable and efficient tool for solving the problem of parameter identification in PV models.
The research in this paper did not consider parameter identification under fault conditions. We will focus on identifying model parameters under engineering application faults in future research. In addition, using model parameters to diagnose PV faults is also one of the following critical works.
Author Contributions
Conceptualization, J.L.; Methodology, J.L. and J.D.; Software, J.L., J.D. and C.X.; Writing—review, J.L., C.X. and G.W.; Data curation, C.X., G.W., P.L. and Y.Z.; Validation, J.L.; Writing—original draft, J.L.; Writing—review and editing, J.L., J.D. and C.X.; Resources, R.J. and J.D.; Supervision, R.J. and J.D.; Funding acquisition, R.J. and J.D. All authors have read and agreed to the published version of the manuscript.
Funding
This work was partly supported by the National Natural Science Foundation of China (Grant No. 52009106, 51779206), the Key R&D Projects of Shaanxi Province (No. 2019ZDLJY18-03).
Institutional Review Board Statement
Not applicable.
Informed Consent Statement
Not applicable.
Data Availability Statement
Not applicable.
Conflicts of Interest
The authors declare that they have no known competing financial interests or personal relationships that could have appeared to influence the work reported in this paper.
References
- Izam, N.S.M.N.; Itam, Z.; Sing, W.L.; Syamsir, A. Sustainable Development Perspectives of Solar Energy Technologies with Focus on Solar Photovoltaic—A Review. Energies 2022, 15, 2790. [Google Scholar] [CrossRef]
- Qiu, T.Z.; Wang, L.C.; Lu, Y.B.; Zhang, M.; Qin, W.M.; Wang, S.Q.; Wang, L.Z. Potential assessment of photovoltaic power generation in China. Renew. Sustain. Energy Rev. 2022, 154, 111900. [Google Scholar] [CrossRef]
- Long, W.; Wu, T.B.; Xu, M.; Tang, M.Z.; Cai, S.H. Parameters identification of photovoltaic models by using an enhanced adaptive butterfly optimization algorithm. Energy 2021, 229, 120750. [Google Scholar] [CrossRef]
- Chen, H.L.; Jiao, S.; Wang, M.J.; Heidari, A.A.; Zhao, X.H. Parameters identification of photovoltaic cells and modules using diversification-enriched Harris hawks optimization with chaotic driftse. J. Clean. Prod. 2020, 244, 118778. [Google Scholar] [CrossRef]
- Hao, P.; Zhang, Y.P.; Lu, H.; Lang, Z. A novel method for parameter identification and performance estimation of PV module under varying operating conditions. Energy Convers. Manag. 2021, 247, 114689. [Google Scholar] [CrossRef]
- Ye, X.J.; Liu, W.; Li, H.; Wang, M.J.; Chi, C.; Liang, G.X.; Chen, H.L.; Huang, H.L. Modified whale optimization algorithm for solar cell and PV module parameter identification. Complexity 2021, 2021, 8878686. [Google Scholar] [CrossRef]
- Gao, X.K.; Cui, Y.; Hu, J.J.; Xu, G.Y.; Wang, Z.F.; Qu, J.H.; Wang, H. Parameter extraction of solar cell models using improved shuffled complex evolution algorithm. Energy Convers. Manag. 2018, 157, 460–479. [Google Scholar] [CrossRef]
- Yu, K.J.; Qu, B.Y.; Yue, C.T.; Ge, S.L.; Chen, X.; Liang, J. A performance-guided JAYA algorithm for parameters identification of PV cell and module. Appl. Energy 2019, 237, 241–257. [Google Scholar] [CrossRef]
- Rasheed, M.; Alabdali, O.; Hassan, H.H. Parameters Extraction of a Single-Diode Model of Photovoltaic Cell Using False Position Iterative Method. J. Phys. Conf. Ser. 2021, 1879, 032113. [Google Scholar] [CrossRef]
- Jordehi, A.R. Time varying acceleration coefficients particle swarm optimisation (TVACPSO): A new optimisation algorithm for estimating parameters of PV cells and modules. Energy Convers. Manag. 2016, 129, 262–274. [Google Scholar] [CrossRef]
- Gnetchejo, P.J.; Ndjakomo Essiane, S.; Dadjé, A.; Ele, P.; Mbadjoun Wapet, D.E.; Perabi Ngoffe, S.; Chen, Z. A self-adaptive algorithm with Newton Raphson method for parameters identification of photovoltaic modules and array. Trans. Electr. Electron. Mater. 2021, 22, 869–888. [Google Scholar] [CrossRef]
- Meng, X.; Yan, J.; Junwei, W. Iterative Parameter Estimation for Photovoltaic Cell Models by Using the Hierarchical Principle. Int. J. Control. Autom. Syst. 2022, 20, 2583–2593. [Google Scholar] [CrossRef]
- Hao, P.; Zhang, Y. An Improved Method for Parameter Identification and Performance Estimation of PV Modules from Manufacturer Datasheet Based on Temperature-Dependent Single-Diode Model. IEEE J. PVs 2021, 11, 1446–1457. [Google Scholar] [CrossRef]
- Meng, Z.; Zhao, Y.M.; Tang, S.Q.; Sun, Y.Z. An efficient datasheet-based parameters extraction method for two-diode photovoltaic cell and cells model. Renew. Energy 2020, 153, 1174–1182. [Google Scholar] [CrossRef]
- Gude, S.; Jana, K.C. A multiagent system based cuckoo search optimization for parameter identification of photovoltaic cell using Lambert W-function. Appl. Soft Comput. 2022, 120, 108678. [Google Scholar] [CrossRef]
- Jordehi, A.R. Enhanced leader particle swarm optimisation (ELPSO): An efficient algorithm for parameter estimation of photovoltaic (PV) cells and modules. Sol. Energy 2018, 159, 78–87. [Google Scholar] [CrossRef]
- Nunes, H.G.G.; Pombo, J.A.N.; Mariano, S.J.P.S.; Calado, M.R.A.; de Souza, J.A.M.F. A new high performance method for determining the parameters of PV cells and modules based on guaranteed convergence particle swarm optimization. Appl. Energy 2018, 211, 774–791. [Google Scholar] [CrossRef]
- Li, S.J.; Gu, Q.; Gong, W.Y.; Ning, B. An enhanced adaptive differential evolution algorithm for parameter extraction of PV models. Energy Convers. Manag. 2020, 205, 112443. [Google Scholar] [CrossRef]
- Bendaoud, R.; Amiry, H.; Benhmida, M.; Zohal, B.; Yadir, S.; Bounouar, S.; Hajjaj, C.; Baghaz, E.; El Aydi, M. New method for extracting physical parameters of PV generators combining an implemented genetic algorithm and the simulated annealing algorithm. Sol. Energy 2019, 194, 239–247. [Google Scholar] [CrossRef]
- Restrepo-Cuestas, B.J.; Montano, J.; Ramos-Paja, C.A.; Trejos-Grisales, L.A.; Orozco-Gutierrez, M.L. Parameter estimation of the bishop photovoltaic model using a genetic algorithm. Appl. Sci. 2022, 12, 2927. [Google Scholar] [CrossRef]
- Beigi, A.M.; Maroosi, A. Parameter identification for solar cells and module using a Hybrid Firefly and Pattern Search Algorithms. Sol. Energy 2018, 171, 435–446. [Google Scholar] [CrossRef]
- Hachana, O.; El-Fergany, A.A. Efficient PEM fuel cells parameters identification using hybrid artificial bee colony differential evolution optimizer. Energy 2022, 250, 123830. [Google Scholar] [CrossRef]
- Aoufi, B.; Hachana, O.; Sid, M.A.; Tina, G.M. Precise and fast parameter identification of mono-crystalline, poly-crystalline, and mono-facial photovoltaic modules using a new Bat Artificial Bee Colony optimizer. J. Comput. Electron. 2022, 21, 491–512. [Google Scholar] [CrossRef]
- Guo, L.; Meng, Z.; Sun, Y.Z.; Wang, L.B. Parameter identification and sensitivity analysis of solar cell models with cat swarm optimization algorithm. Energy Convers. Manag. 2016, 108, 520–528. [Google Scholar] [CrossRef]
- Li, S.J.; Gong, W.Y.; Yan, X.S.; Hu, C.Y.; Bai, D.Y.; Wang, L.; Gao, L. Parameter extraction of PV models using an improved teaching-learning-based optimization. Energy Convers. Manag. 2019, 186, 293–305. [Google Scholar] [CrossRef]
- Yu, K.J.; Chen, X.; Wang, X.; Wang, Z.L. Parameters identification of PV models using self-adaptive teaching-learning-based optimization. Energy Convers. Manag. 2017, 145, 233–246. [Google Scholar] [CrossRef]
- Yuan, X.; He, Y.; Liu, L. Parameter extraction of solar cell models using chaotic asexual reproduction optimization. Neural Comput. Appl. 2015, 26, 1227–1239. [Google Scholar] [CrossRef]
- Singla, M.K.; Nijhawan, P. Triple diode parameter estimation of solar PV cell using hybrid algorithm. Int. J. Environ. Sci. Technol. 2022, 19, 4265–4288. [Google Scholar] [CrossRef]
- Saadaoui, D. Multiple learning JAYA algorithm for parameters identifying of photovoltaic models. Mater. Today Proc. 2022, 52, 108–123. [Google Scholar] [CrossRef]
- Mirjalili, S.; Mirjalili, S.M.; Hatamlou, A. Multi-verse optimizer: A nature-inspired algorithm for global optimization. Neural Comput. Appl. 2016, 27, 495–513. [Google Scholar] [CrossRef]
- Fathy, A.; Rezk, H. Multi-verse optimizer for identifying the optimal parameters of PEMFC model. Energy 2018, 143, 634–644. [Google Scholar] [CrossRef]
- Abasi, A.K.; Khader, A.T.; Al-Betar, M.A.; Naim, S.; Makhadmeh, S.N.; Alyasseri, Z.A.A. Link-based multi-verse optimizer for text documents clustering. Appl. Soft Comput. 2020, 87, 106002. [Google Scholar] [CrossRef]
- Mirjalili, S.; Jangir, P.; Mirjalili, S.Z.; Saremi, S.; Trivedi, I.N. Optimization of problems with multiple objectives using the multi-verse optimization algorithm. Knowl. Based Syst. 2017, 134, 50–71. [Google Scholar] [CrossRef]
- Abd Elaziz, M.; Oliva, D.; Ewees, A.A.; Xiong, S.W. Multi-level thresholding-based grey scale image segmentation using multi-objective multi-verse optimizer. Expert Syst. Appl. 2019, 125, 112–129. [Google Scholar] [CrossRef]
- Khanna, V.; Das, B.K.; Bisht, D.; Vandana; Singh, P.K. A three diode model for industrial solar cells and estimation of solar cell parameters using PSO algorithm. Renew. Energy 2015, 78, 105–113. [Google Scholar] [CrossRef]
- Alam, D.; Yousri, D.; Eteiba, M. Flower pollination algorithm based solar PV parameter estimation. Energy Convers. Manag. 2015, 101, 410–422. [Google Scholar] [CrossRef]
- Wolf, M.; Noel, G.; Stirn, R. Investigation of the double exponential in the current—Voltage characteristics of silicon solar cells. IEEE Trans. Electron Devices 1977, 24, 419–428. [Google Scholar] [CrossRef]
- Awadallah, M.A. Variations of the bacterial foraging algorithm for the extraction of PV module parameters from nameplate data. Energy Convers. Manag. 2016, 113, 312–320. [Google Scholar] [CrossRef]
- Ram, J.P.; Babu, T.S.; Dragicevic, T.; Rajasekar, N. A new hybrid bee pollinator flower pollination algorithm for solar PV parameter estimation. Energy Convers. Manag. 2017, 135, 463–476. [Google Scholar] [CrossRef]
- Derick, M.; Rani, C.; Rajesh, M.; Farrag, M.E.; Wang, Y.; Busawon, K. An improved optimization technique for estimation of solar PV parameters. Sol. Energy 2017, 157, 116–124. [Google Scholar] [CrossRef]
- Al-Madi, N.; Faris, H.; Mirjalili, S. Binary multi-verse optimization algorithm for global optimization and discrete problems. Int. J. Mach. Learn. Cybern. 2019, 10, 3445–3465. [Google Scholar] [CrossRef]
- Yang, X. A modified particle swarm optimizer with dynamic adaptation. Appl. Math. Comput. 2007, 189, 1205–1213. [Google Scholar] [CrossRef]
- Zheng, L.M.; Zhang, S.X.; Zheng, S.Y.; Pan, Y.M. Differential evolution algorithm with two-step subpopulation strategy and its application in microwave circuit designs. IEEE Trans. Ind. Inform. 2016, 12, 911–923. [Google Scholar] [CrossRef]
- Easwarakhanthan, T. Nonlinear minimization algorithm for determining the solar cell parameters with microcomputers. Int. J. Sol. Energy 1986, 4, 1–12. [Google Scholar] [CrossRef]
- Sayed, G.I.; Darwish, A.; Hassanien, A.E. Quantum multiverse optimization algorithm for optimization problems. Neural Comput. Appl. 2019, 31, 2763–2780. [Google Scholar] [CrossRef]
- Gong, W.; Cai, Z. Parameter extraction of solar cell models using repaired adaptive differential evolution. Sol. Energy 2013, 94, 209–220. [Google Scholar] [CrossRef]
- Xiong, G.J.; Zhang, J.; Shi, D.Y.; He, Y. Parameter extraction of solar PV models using an improved whale optimization algorithm. Energy Convers. Manag. 2018, 174, 388–405. [Google Scholar] [CrossRef]
- Liang, J.J. Comprehensive learning particle swarm optimizer for global optimization of multimodal functions. IEEE Trans. Evol. Comput. 2006, 10, 281–295. [Google Scholar] [CrossRef]
- Alcalá-Fdez, J.; Sanchez, L.; Garcia, S.; del Jesus, M.J.; Ventura, S.; Garrell, J.M.; Otero, J.; Romero, C.; Bacardit, J.; Rivas, V.M.; et al. KEEL: A software tool to assess evolutionary algorithms for data mining problems. Soft Comput. 2009, 13, 307–318. [Google Scholar] [CrossRef]
Disclaimer/Publisher’s Note: The statements, opinions and data contained in all publications are solely those of the individual author(s) and contributor(s) and not of MDPI and/or the editor(s). MDPI and/or the editor(s) disclaim responsibility for any injury to people or property resulting from any ideas, methods, instructions or products referred to in the content. |
© 2023 by the authors. Licensee MDPI, Basel, Switzerland. This article is an open access article distributed under the terms and conditions of the Creative Commons Attribution (CC BY) license (https://creativecommons.org/licenses/by/4.0/).