An Improved Direct Predictive Torque Control for Torque Ripple and Copper Loss Reduction in SRM Drive
Abstract
1. Introduction
2. SRM Model
3. Theoretical Background of the Predictive Torque Control
3.1. Predictive Torque Control Based on PWM
3.2. Predictive PWM-DITC Algorithm
4. Direct Predictive Torque Control Algorithm for SRM
4.1. Purpose of the Algorithm
4.2. The DPTC Algorithm
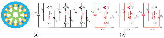
5. The Switching Strategy
6. Simulation Results
7. Experimental Results
8. Conclusions
Author Contributions
Funding
Institutional Review Board Statement
Informed Consent Statement
Data Availability Statement
Conflicts of Interest
References
- Sahoo, S.K.; Dasgupta, S.; Panda, S.K.; Xu, J.X. A Lyapunov Function-Based Robust Direct Torque Controller for a Switched Reluctance Motor Drive System. IEEE Trans. Power Electron. 2012, 27, 555–564. [Google Scholar] [CrossRef]
- Li, Q.; Lun, H.; Dai, L.C.; Fang, C.; Chen, Z.H. Networked control strategy of dual linear switched reluctance motors based time delay tracking system. ISA Trans. 2022, 129, 605–615. [Google Scholar]
- Ralev, I.; Qi, F.; Burkhart, B.; Klein-Hessling, A.; De Doncker, R.W. Impact of Smooth Torque Cont-rol on the Efficiency of a High-Speed Automotive Switched Reluctance Drive. IEEE Trans. Ind. Appl. 2017, 53, 5509–5517. [Google Scholar] [CrossRef]
- Li, C.; Wang, G.; Liu, J.; Li, Y.; Fan, Y. A Novel Method for Modeling the Electromagnetic Characteristics of Switched Reluctance Motors. Appl. Sci. 2018, 8, 537. [Google Scholar] [CrossRef]
- Yao, S.; Zhang, W. A Simple Strategy for Parameters Identification of SRM Direct Instantaneous Torque Control. IEEE Trans. Power Electron. 2018, 33, 3622–3630. [Google Scholar] [CrossRef]
- Ustun, O.; Onder, M. An improved torque sharing function to minimize torque ripple and increase average torque for switched reluctance motor drives. Electr. Power Components Syst. 2020, 48, 667–681. [Google Scholar] [CrossRef]
- Bober, P.; Ferkova, Z. Comparison of an off-line optimized firing angle modulation and torque sharing functions for switched reluctance motor control. Energies 2020, 13, 2435. [Google Scholar] [CrossRef]
- Zeng, H.; Chen, Z.; Chen, H. Smooth torque speed characteristic of switched reluctance motors. J. Power Electron. 2014, 14, 341–350. [Google Scholar] [CrossRef]
- Fang, G.; Scalcon, F.P.; Xiao, D.; Vieira, R.P.; Gründling, H.A.; Emadi, A. Advanced Control of Switched Reluctance Motors (SRMs): A Review on Current Regulation, Torque Control and Vibration Suppression. IEEE Open J. Ind. Electron. Soc. 2021, 2, 280–301. [Google Scholar] [CrossRef]
- Ye, W.; Ma, Q.; Zhang, P. Improvement of the torque-speed performance and drive efficiency in an SRM using an optimal torque sharing function. Appl. Sci. 2018, 8, 720. [Google Scholar] [CrossRef]
- Hamouda, M.; Menaem, A.A.; Rezk, H.; Ibrahim, M.N.; Számel, L. An improved indirect instantaneous torque control strategy of switched reluctance motor drives for light electric vehicles. Energy Rep. 2020, 6, 709–715. [Google Scholar] [CrossRef]
- Vujičić, V.P. Minimization of Torque Ripple and Copper Losses in Switched Reluctance Drive. IEEE Trans. Power Electron. 2012, 27, 388–399. [Google Scholar] [CrossRef]
- Ye, J.; Bilgin, B.; Emadi, A. An Extended-Speed Low-Ripple Torque Control of Switched Reluctance Motor Drives. IEEE Trans. Power Electron. 2015, 30, 1457–1470. [Google Scholar] [CrossRef]
- Li, H.; Bilgin, B.; Emadi, A. An Improved Torque Sharing Function for Torque Ripple Reduction in Switched Reluctance Machines. IEEE Trans. Power Electron. 2019, 30, 1635–1644. [Google Scholar] [CrossRef]
- Xia, Z.; Bilgin, B.; Nalakath, S.; Emadi, A. A New Torque Sharing Function Method for Switched Reluctance Machines with Lower Current Tracking Error. IEEE Trans. Ind. Electron. 2021, 68, 10612–10622. [Google Scholar] [CrossRef]
- Sun, Q.; Wu, J.H.; Gan, C.; Hu, Y.H.; Si, J.K. OCTSF for torque ripple minimisation in SRMs. IET Power Electron. 2016, 9, 2741–2750. [Google Scholar] [CrossRef]
- Peng, F.; Ye, J.; Emadi, A. A Digital PWM Current Controller for Switched Reluctance Motor Drives. IEEE Trans. Power Electron. 2016, 31, 7087–7098. [Google Scholar]
- Li, C.H.; Du, Q.J.; Liu, X. Indirect predictive torque control for switched reluctance motor in EV application. Energy Rep. 2022, 8, 857–865. [Google Scholar] [CrossRef]
- Mikail, R.; Husain, I.; Sozer, Y.; Islam, M.S.; Sebastian, T. A Fixed Switching Frequency Predictive Current Control Method for Switched Reluctance Machines. IEEE Trans. Ind. Appl. 2014, 50, 3717–3726. [Google Scholar] [CrossRef]
- Barrass, P.G.; Mecrow, B.C. Flux and torque control of switched reluctance machines. IET Electr. Power Appl. 1998, 6, 145. [Google Scholar] [CrossRef]
- Xu, A.D.; Zhao, X.C.; He, K.L.; Cao, Y.Z. Torque-ripple reduction of SRM using optimised voltage vector in DTC. IET Electr. Syst. Transp. 2018, 33, 3622–3630. [Google Scholar]
- Reddy, P.K.; Ronanki, D.; Perumal, P. Efficiency improvement and torque ripple minimisation of four-phase switched reluctance motor drive using new direct torque control strategy. IET Electr. Power Appl. 2020, 14, 52–61. [Google Scholar] [CrossRef]
- Yan, N.; Cao, X.; Deng, Z. Direct Torque Control for Switched Reluctance Motor to Obtain High Torque–Ampere Ratio. IEEE Trans. Ind. Electron. 2019, 66, 5144–5152. [Google Scholar] [CrossRef]
- Inderka, R.B.; De Doncker, R.W. DITC-direct instantaneous torque control of switched reluctance drives. IEEE Trans. Ind. Appl. 2003, 39, 1046–1051. [Google Scholar] [CrossRef]
- Fuengwarodsakul, N.H.; Menne, M.; Inderka, R.B.; De Doncker, R.W. High-dynamic four-quadrant switched reluctance drive based on DITC. IEEE Trans. Ind. Appl. 2005, 41, 1232–1242. [Google Scholar] [CrossRef]
- Sun, Q.; Wu, J.; Gan, C. Optimized Direct Instantaneous Torque Control for SRMs With Efficiency Improvement. IEEE Trans. Ind. Electron. 2021, 68, 2072–2082. [Google Scholar] [CrossRef]
- Song, S.; Fang, G.; Hei, R.; Jiang, J.; Ma, R.; Liu, W. Torque Ripple and Efficiency Online Optimization of Switched Reluctance Machine Based on Torque per Ampere Characteristics. IEEE Trans. Power Electron. 2020, 35, 9608–9616. [Google Scholar] [CrossRef]
- Wang, S.; Hu, Z.; Cui, X. Research on Novel Direct Instantaneous Torque Control Strategy for Switched Reluctance Motor. IEEE Access 2020, 8, 66910–66916. [Google Scholar] [CrossRef]
- Valencia, D.F.; Tarvirdilu-Asl, R.; Garcia, C.; Rodriguez, J.; Emadi, A. Vision, Challenges, and Future Trends of Model Predictive Control in Switched Reluctance Motor Drives. IEEE Access 2021, 9, 69926–69937. [Google Scholar] [CrossRef]
- Vazquez, S.; Rodriguez, J.; Rivera, M.; Franquelo, L.G.; Norambuena, M. Model Predictive Control for Power Converters and Drives: Advances and Trends. IEEE Trans. Ind. Electron. 2017, 64, 935–947. [Google Scholar] [CrossRef]
- Peyrl, H.; Papafotiou, G.; Morari, M. Model predictive torque control of a Switched Reluctance Motor. In Proceedings of the 2009 IEEE International Conference on Industrial Technology, Churchill, VIC, Australia, 10–13 February 2009. [Google Scholar]
- Li, C.H.; Wang, G.F.; Li, Y.; Xu, A.D. An improved finite-state predictive torque control for switched reluctance motor drive. IET Electr. Power Appl. 2017, 12, 144–151. [Google Scholar] [CrossRef]
- Fang, G.; Ye, J.; Xiao, D.; Xia, Z.; Emadi, A. Computational-Efficient Model Predictive Torque Control for Switched Reluctance Machines with Linear-Model-Based Equivalent Transformations. IEEE Trans. Ind. Electron. 2022, 69, 5465–5477. [Google Scholar] [CrossRef]
- Li, W.; Cui, Z.; Ding, S.; Chen, F.; Guo, Y. Model Predictive Direct Torque Control of Switched Reluctance Motors for Low-Speed Operation. IEEE Trans. Energy Convers. 2022, 37, 1406–1415. [Google Scholar] [CrossRef]
- Xu, A.; Shang, C.; Chen, J.; Zhu, J.; Han, L. A New Control Method Based on DTC and MPC to Reduce Torque Ripple in SRM. IEEE Access 2019, 7, 68584–68593. [Google Scholar] [CrossRef]
- Neuhaus, C.R.; Fuengwarodsakul, N.H.; Doncker, R.D. Predictive PWM-based direct instantaneous torque control of switched reluctance drives. In Proceedings of the 2006 37th IEEE Power Electronics Specialists Conference, Jeju, Republic of Korea, 18–22 June 2006. [Google Scholar]












| Parameters | Value |
|---|---|
| Phase | 3 phases |
| Stator/rotor poles | 12/8 |
| Rated power | 1.5 KW |
| Rated torque | 9.55 N·m |
| Speed range of constant torque | 1000–1500 r/min |
| Maximum flux linkage | 0.986 Wb |
| Stator resistance | 0.9 |
| Moment of inertia | 0.01 |
| Friction coefficient | 0.005 N·m·s |
| Method | Speed (rpm) | |||
|---|---|---|---|---|
| DITC | 200 | 39.1% | 0.4359 | 4.6121 |
| 400 | 42.9% | 0.4763 | 4.8216 | |
| 800 | 58.4% | 0.5842 | 5.1493 | |
| FCS-MPTC in [31] | 200 | 38.2% | 0.4043 | 4.3071 |
| 400 | 41.8% | 0.4526 | 4.5162 | |
| 800 | 53.2% | 0.5493 | 5.1201 | |
| PWM-DITC in [36] | 200 | 19.2% | 0.1365 | 4.6230 |
| 400 | 33.5% | 0.2437 | 4.8113 | |
| 800 | 39.3% | 0.3479 | 5.2329 | |
| DPTC | 200 | 17.9% | 0.1302 | 4.2109 |
| 400 | 29.4% | 0.2054 | 4.4360 | |
| 800 | 38.6% | 0.3421 | 4.9058 |
| Method | Speed (rpm) | |||
|---|---|---|---|---|
| DITC | 200 | 42.4% | 0.4838 | 4.7462 |
| 400 | 51.3% | 0.5804 | 4.9286 | |
| 800 | 63.8% | 0.6247 | 5.3230 | |
| FCS-MPTC in [31] | 200 | 41.2% | 0.4792 | 4.5863 |
| 400 | 47.8% | 0.5635 | 4.6441 | |
| 800 | 56.3% | 0.6091 | 5.2549 | |
| PWM-DITC in [36] | 200 | 27.1% | 0.1675 | 4.7106 |
| 400 | 36.7% | 0.2916 | 4.8742 | |
| 800 | 42.5% | 0.4108 | 5.3400 | |
| DPTC | 200 | 22.4% | 0.1481 | 4.3065 |
| 400 | 33.2% | 0.2434 | 4.5218 | |
| 800 | 39.4% | 0.3962 | 4.9945 |
Disclaimer/Publisher’s Note: The statements, opinions and data contained in all publications are solely those of the individual author(s) and contributor(s) and not of MDPI and/or the editor(s). MDPI and/or the editor(s) disclaim responsibility for any injury to people or property resulting from any ideas, methods, instructions or products referred to in the content. |
© 2023 by the authors. Licensee MDPI, Basel, Switzerland. This article is an open access article distributed under the terms and conditions of the Creative Commons Attribution (CC BY) license (https://creativecommons.org/licenses/by/4.0/).
Share and Cite
Sheng, L.; Wang, G.; Fan, Y.; Liu, J.; Liu, D.; Mu, D. An Improved Direct Predictive Torque Control for Torque Ripple and Copper Loss Reduction in SRM Drive. Appl. Sci. 2023, 13, 5319. https://doi.org/10.3390/app13095319
Sheng L, Wang G, Fan Y, Liu J, Liu D, Mu D. An Improved Direct Predictive Torque Control for Torque Ripple and Copper Loss Reduction in SRM Drive. Applied Sciences. 2023; 13(9):5319. https://doi.org/10.3390/app13095319
Chicago/Turabian StyleSheng, Linhao, Guofeng Wang, Yunsheng Fan, Jian Liu, Di Liu, and Dongdong Mu. 2023. "An Improved Direct Predictive Torque Control for Torque Ripple and Copper Loss Reduction in SRM Drive" Applied Sciences 13, no. 9: 5319. https://doi.org/10.3390/app13095319
APA StyleSheng, L., Wang, G., Fan, Y., Liu, J., Liu, D., & Mu, D. (2023). An Improved Direct Predictive Torque Control for Torque Ripple and Copper Loss Reduction in SRM Drive. Applied Sciences, 13(9), 5319. https://doi.org/10.3390/app13095319

