Quad-Band Uniformly Spaced Array Antenna Using Diverse Patch and Fractal Antennas
Abstract
1. Introduction
2. Materials and Methods
2.1. Quad-Band Uniformly Spaced Array Antenna
2.2. Patch and Fractal Element Antennas
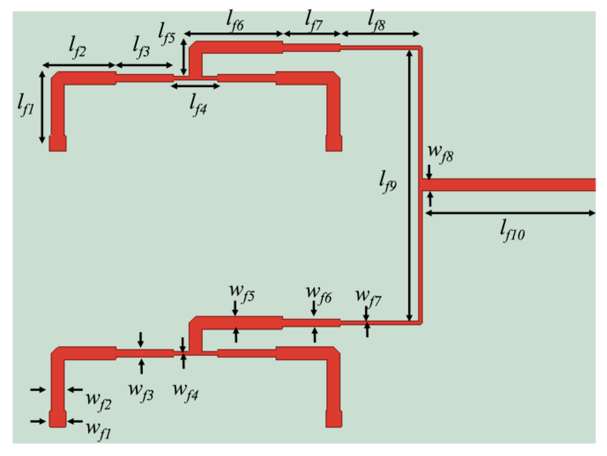
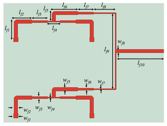
2.3. Feed Network Integrated with the Array Antenna
3. Results
4. Discussion
Author Contributions
Funding
Institutional Review Board Statement
Informed Consent Statement
Data Availability Statement
Conflicts of Interest
References
- Is 5G/Wi-Fi Convergence Coming? Available online: https://www.5gtechnologyworld.com/is-5g-wi-fi-convergence-coming/ (accessed on 2 February 2022).
- Arvidsson, P.-A. Antenna Array Arrangement and A Multi Band Antenna. U.S. Patent No. 9030367, 11 July 2012. [Google Scholar]
- Hsu, S.-H.; Ren, Y.-J.; Chang, K. A dual-polarized planar-array antenna for S-band and X-band airborne applications. IEEE Antennas Propag. Mag. 2009, 51, 70–78. [Google Scholar]
- Mao, C.X.; Gao, S.; Wang, Y.; Chu, Q.X.; Yang, X.X. Dual-band circularly polarized shared-aperture array for C-/X-band satellite communications. IEEE Trans. Antennas Propag. 2017, 65, 5171–5178. [Google Scholar] [CrossRef]
- Shi-Gang, Z.; Jiang-Jun, Y.; Tan-Huat, C. Design of L/X-band shared aperture antenna array for SAR application. Microw. Opt. Technol. Lett. 2015, 57, 2197–2204. [Google Scholar] [CrossRef]
- Kothapudi, V.K.; Kumar, V. A single layer S/X-band series-fed shared aperture antenna for SAR applications. Prog. Electromagn. Res. C 2017, 76, 207–219. [Google Scholar] [CrossRef]
- Govindarajulu, S.R.; Hokayem, R.; Tarek, M.N.; Guerra, M.R.; Alwan, E.A. Low profile dual-band shared aperture array for vehicle-to-vehicle communication. IEEE Access 2021, 9, 147082–147090. [Google Scholar] [CrossRef]
- Jamshidi, M.B.; Lalbakhsh, A.; Alibeigi, N.; Soheyli, M.R.; Oryani, B.; Rabbani, N. Socialization of industrial robots: An innovative solution to improve productivity. In Proceedings of the 2018 IEEE 9th Annual Information Technology, Electronics and Mobile Communication Conference (IEMCON), Vancouver, BC, Canada, 1–3 November 2018; pp. 832–837. [Google Scholar]
- Lalbakhsh, P.; Zaeri, B.; Lalbakhsh, A. An improved model of ant colony optimization using a novel pheromone update strategy. IEICE Trans. Inf. Syst. 2013, E96, 2309–2318. [Google Scholar] [CrossRef]
- Kim, I.; Lee, S.-G.; Lee, J.-H. Triple-band uniform circular array antenna for a multi-functional radar system. Electronics 2021, 10, 1488. [Google Scholar] [CrossRef]
- Li, K.; Dong, T.; Xia, Z. A broadband shared-aperture L/S/X-band dual polarized antenna for SAR applications. IEEE Access 2019, 7, 51417–51425. [Google Scholar] [CrossRef]
- Pozar, D.M.; Targonski, S.D. A shared-aperture dual-band dual-polarized microstrip array. IEEE Trans. Antennas Propag. 2001, 49, 150–157. [Google Scholar] [CrossRef]
- Li, Y.; Zou, H.; Wang, M.; Peng, M.; Yang, G. A Quad-Band Eight-Antenna Array for 5G/WLAN MIMO in Micro Wireless Access Points. In Proceedings of the 2018 IEEE International Symposium on Antennas and Propagation & USNC/URSI National Radio Science Meeting, Boston, MA, USA, 8–13 July 2018; pp. 1953–1954. [Google Scholar]
- Bhatti, R.A.; Choi, J.-H.; Park, S.-O. Quad-Band MIMO Antenna Array for Portable Wireless Communications Terminals. IEEE Antennas Wirel. Propag. Lett. 2009, 8, 129–132. [Google Scholar] [CrossRef]
- Wang, H.; He, Y.; Yang, G. A Side-Edge Frame Printed Eight-Element Antenna Array for Quad-Band MIMO Operations in the 5G Smartphone. In Proceedings of the 2019 IEEE International Symposium on Antennas and Propagation and USNC-URSI Radio Science Meeting, Atlanta, GA, USA, 7–12 July 2019; pp. 713–714. [Google Scholar]
- Nej, S.; Ghosh, A.; Ahmad, S.; Ghaffar, A.; Hussein, M. Compact quad band MIMO antenna design with enhanced gain for wireless communications. Sensors 2022, 22, 7143. [Google Scholar] [CrossRef] [PubMed]
- Chowdary, P.S.R.; Prasad, A.M.; Rao, P.M.; Anguera, J. Design and performance study of Sierpinski fractal based patch antennas for multiband and miniaturization characteristics. Wirel. Pers. Commun. 2015, 83, 1713–1730. [Google Scholar] [CrossRef]
- Gianvittorio, J.P.; Rahmat-Samii, Y. Fractal antennas: A novel antenna miniaturization technique, and applications. IEEE Antennas Propag. Mag. 2002, 44, 20–36. [Google Scholar] [CrossRef]
- Karmakar, A. Fractal antennas and arrays: A review and recent developments. Intl. J. Microw. Wirel. Technol. 2021, 13, 173–197. [Google Scholar] [CrossRef]
- Song, C.T.P.; Hall, P.S.; Ghafouri-Shiraz, H. Perturbed Sierpinski multiband fractal antenna with improved feeding technique. IEEE Trans. Antennas Propag. 2003, 51, 1011–1017. [Google Scholar] [CrossRef]
- Ishak, S.H. Sierpinski gasket fractal antenna with defected ground structure (DGS). In Proceedings of the 2012 International Conference on ICT Convergence (ICTC), Jeju, Republic of Korea, 15–17 October 2012; pp. 441–446. [Google Scholar]
- Shrestha, S.; Han, S.J.; Noh, S.K.; Kim, S.; Kim, H.B.; Choi, D.Y. Design of modified Sierpinski fractal based miniaturized patch antenna. In Proceedings of the International Conference on Information Networking 2013 (ICOIN), Bangkok, Thailand, 28–30 January 2013; pp. 274–279. [Google Scholar]
- Mishra, R.K.; Ghatak, R.; Poddar, D.R. Design formula for Sierpinski gasket pre-fractal planar-monopole antennas [Antenna Designer’s Notebook]. IEEE Antennas Propag. Mag. 2008, 50, 104–107. [Google Scholar] [CrossRef]
- Kim, I.; Rahmat-Samii, Y. Electromagnetic band gap-dipole sub-array antennas creating an enhanced tilted beams for future base station. IET Microw. Antennas Propag. 2015, 9, 319–327. [Google Scholar] [CrossRef]
- Guo, Z.; Yang, G. Radial uniform circular antenna array for dual-mode OAM communication. IEEE Antennas Wirel. Propag. Lett. 2017, 66, 404–407. [Google Scholar] [CrossRef]
- Balanis, C.A. Antenna Theory Analysis and Design, 3rd ed.; John Wiley & Sons: Wiley, NJ, USA, 2005; pp. 283–384. [Google Scholar]
- Kim, I.; Won Jung, C.; Kim, Y.; Eil Kim, Y. Low-profile wideband MIMO antenna with suppressing mutual coupling between two antennas. Microw. Opt. Technol. Lett. 2008, 50, 1336–1339. [Google Scholar] [CrossRef]











| Antenna Type | Center Frequency | Wireless Comm. Services |
|---|---|---|
| Square | 5.08 GHz | Wi-Fi |
| Fat bow tie | 4.40 GHz | Wi-Fi |
| Fat bow tie fractal | 3.72 GHz | 5G |
| Bow tie | 2.80 GHz | None |
| Bow tie fractal (Iteration 2) | 2.60 GHz | None |
| Bow tie fractal (Iteration 3) | 2.47 GHz | Wi-Fi |
| lf1 | lf2 | lf3 | lf4 | lf5 | lf6 | lf7 | lf8 | lf9 | lf10 | |
|---|---|---|---|---|---|---|---|---|---|---|
| Port1 | 16.7 | 5.5 | 22.2 | 7.3 | 5.5 | 16.7 | 22.2 | 5.6 | 62.1 | 28.1 |
| Port2 | 13.9 | 13.9 | 12.7 | 12 | 7.55 | 20.2 | 12.7 | 19.4 | 62.1 | 21.7 |
| Port3 | 19.2 | 8.5 | 14.7 | 7.9 | 7.6 | 20.5 | 14.7 | 2.8 | 51.3 | 35.3 |
| Port4 | 12.1 | 12.1 | 10.9 | 8.4 | 6.7 | 17.5 | 10.9 | 15.5 | 51.7 | 32.8 |
| wf1 | wf2 | wf3 | wf4 | wf5 | wf6 | wf7 | wf8 | |||
| 3 | 2.4 | 1.4 | 0.7 | 2.4 | 1.4 | 0.7 | 2.4 |
| Reference # | Frequencies (GHz) | Array Disposition | Port Isolation (dB) | Gain (dBi) |
|---|---|---|---|---|
| [3] | 2.94–2.96/9.8–9.98 | 4 × 8/1 × 2 | >25.3 | 18.3/9.5 |
| [4] | 5.0–6.2/7.2–8.9 | 2 × 2/4 × 4 | >15/20 | 14.5/17.5 |
| [5] | 1.07–1.24/8.3–10.3 | 1 × 1/8 × 8 | >17/20 | 7.0/23.0 |
| [6] | 3.12–3.42/9.2–9.36 | 1/12 elements | >25 | 8.5/11 |
| [7] | 5.84–5.94/27.75–28.47 | 2 × 2/1 × 2 | >38/55 | 10/11.85 |
| This study | 2.44–2.45/3.69–3.72/ 4.35–4.41/5.02–5.09 | 2 × 2/2 × 2/ 2 × 2/2 × 2 | >23.2 | 11.1/13.5/ 13.8/14.4 |
Disclaimer/Publisher’s Note: The statements, opinions and data contained in all publications are solely those of the individual author(s) and contributor(s) and not of MDPI and/or the editor(s). MDPI and/or the editor(s) disclaim responsibility for any injury to people or property resulting from any ideas, methods, instructions or products referred to in the content. |
© 2023 by the authors. Licensee MDPI, Basel, Switzerland. This article is an open access article distributed under the terms and conditions of the Creative Commons Attribution (CC BY) license (https://creativecommons.org/licenses/by/4.0/).
Share and Cite
Kim, I.; Kim, E. Quad-Band Uniformly Spaced Array Antenna Using Diverse Patch and Fractal Antennas. Appl. Sci. 2023, 13, 3675. https://doi.org/10.3390/app13063675
Kim I, Kim E. Quad-Band Uniformly Spaced Array Antenna Using Diverse Patch and Fractal Antennas. Applied Sciences. 2023; 13(6):3675. https://doi.org/10.3390/app13063675
Chicago/Turabian StyleKim, Ilkyu, and Eunhee Kim. 2023. "Quad-Band Uniformly Spaced Array Antenna Using Diverse Patch and Fractal Antennas" Applied Sciences 13, no. 6: 3675. https://doi.org/10.3390/app13063675
APA StyleKim, I., & Kim, E. (2023). Quad-Band Uniformly Spaced Array Antenna Using Diverse Patch and Fractal Antennas. Applied Sciences, 13(6), 3675. https://doi.org/10.3390/app13063675

