Optimal Power Flow Solutions for Power System Considering Electric Market and Renewable Energy
Abstract
1. Introduction
- Applying different nodal prices for nodes in transmission power networks and considering wind energy. The study is more complicated than previous studies [22,23,24,25,26,27,28,29,30,31,32,33,34,35,36,37,38] by considering the node prices, and it is also more complicated than the previous study [38] by considering wind energy.
- Consider different number of wind turbines and wind farms. In the first system with 30 nodes, four study cases of WTs placement with one, two, three and four WTs in range between 0 MW and 10 MW are implemented. In the second system with 118 nodes, five study case of WFs placement, from one to five WFs in range from 0 to 100 MW are simulated. Two factors of each wind turbine as well as each wind farm must be determined, including the placed location and rated power. The different study cases aim to determine the most suitable nodes to place wind energy as joining electric market. The target has not been concerned in all previous studies.
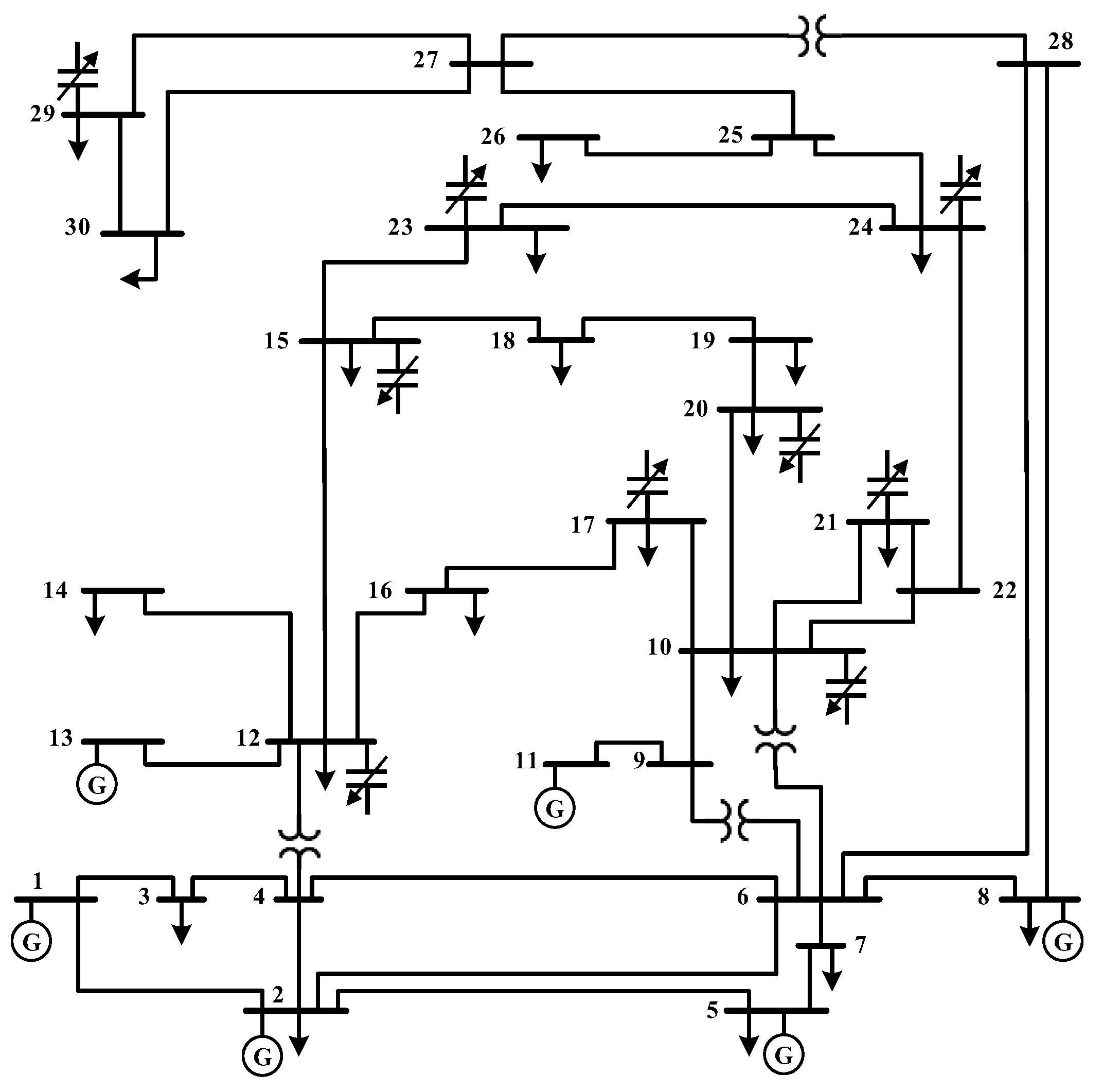
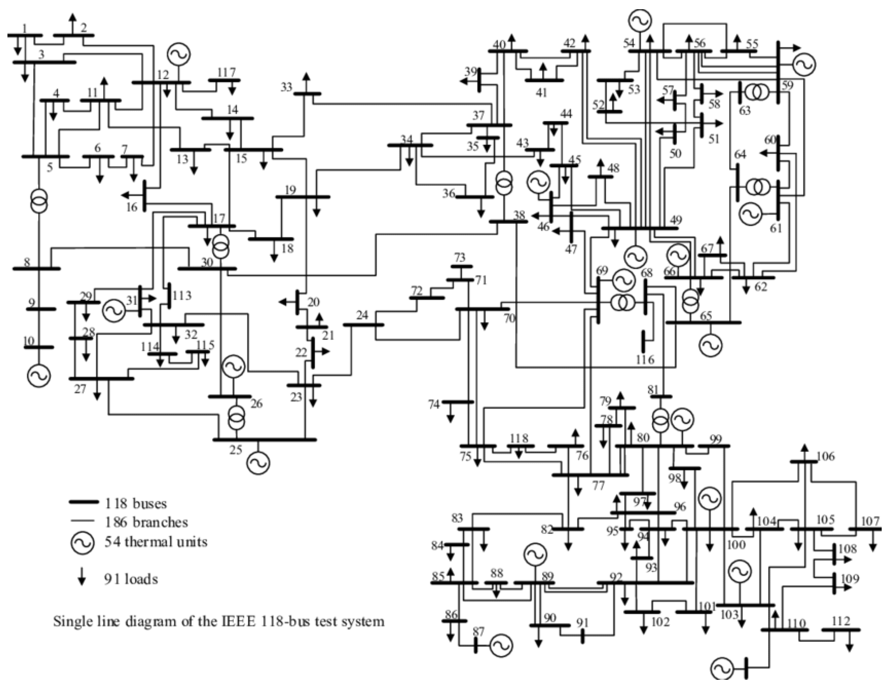
- Reach optimal solutions of placing wind turbines in the IEEE 30-node and the IEEE 118-node transmission power networks in electric market.
- Find the maximum profit of electricity sale for the case without and with wind energy. The obtained maximum profits indicate the most suitable nodes for installing wind turbines and the most effective number of WTs and WFs for reaching the highest profit. On the other hand, the priority order of nodes for placing wind energy-based generators can be used to plan stability improvement for the transmission power networks.
- Find one suitable metaheuristic algorithm for all study cases with electric market and wind energy. The six algorithms have applied for different optimization problems so far; however, the most powerful one should be recommended for other similar studies.
2. Formulation of the Studied Problem
2.1. Objective Functions
2.2. Constraints
3. Jellyfish Search Algorithm for the Problem
3.1. Jellyfish Algorithm (JS)
3.2. The Implementation of JSA for the Problem
3.2.1. The Selection of Control Variables
- Location of wind turbines: where . Each wind turbine can be located at the smallest node number (node 1) and the highest node number (Node ). So, Node 1 and Node are, respectively, the minimum and maximum locations, which are represented by and .
- 2.
- Rated power of wind turbines:
- 3.
- Power factor of wind turbines: ().
- 4.
- Active power generation of all thermal units excluding that in slack node: (). It is supposed that the first thermal unit (i.e., k = 1) is located at the slack node.
- 5.
- Tap of transformers: ().
- 6.
- Reactive power generation of all capacitors: (c = 1, …, ).
- 7.
- Voltage magnitude of all thermal units: ().
3.2.2. The Calculation of Dependent Variables
- Active power generation of thermal unit at slack node:
- 2.
- Reactive power generation of all thermal units: ().
- 3.
- Apparent power of all branches: ().
- 4.
- Voltage of all loads: ().
3.3. The Implementation of JSA for the Considered OPF Problem
- Step 1: Generate initial solutions.
- Step 2: Obtain all dependent variables and penalize their violation.
- Step 3: Calculate fitness function of all solutions.
- Step 4: Produce and correcting new control variables by using JSA.
- Step 5: Implement selection of better-quality variables and find the best solution.
4. Numerical Results
4.1. Applied Algorithms and Test Systems
4.2. Obtained Results for the IEEE 30-Node System
4.2.1. Results Obtained for Case 1
- All solutions of JSA are much better than those of SSA, GA and PSO
- Almost all solutions of JSA are better than those of MSA,
- JSA has many better solutions than WCA.
4.2.2. Results Obtained for Case 2 and Case 3
4.2.3. Results Obtained for Case 4
4.2.4. Results Obtained for Case 5
4.3. Obtained Results for the IEEE 118-Node System
5. Conclusions
- For Case 1, JSA obtained greater profit than MSA, SSA, WCA, PSO, and GA by 0.4%, 1.2%, 0.2%, 0.7%, and 0.75%, respectively. For Case 2 and Case 3, these values are 0.04%, 2.44%, 1.7%, 0.46%, and 1.02% and 1.2%, 1.52%, 0.4%, 1.3%, and 0.1%, respectively.
- Approximately all fifty solutions of JSA had a small deviation of profit, and its number of high-quality solutions was high. However, five remaining algorithms had big deviation and a small number of good solutions.
- JSA is much faster than others at least two times. The final solution of others at the last iteration was worse than a solution of JSA at a half iteration number.
- For the first system, JSA had approximately the same profit for Case 3 and Case 4, although Case 3 was more complicated. Case 3 optimized two factors of wind turbine and all parameters of transmission power network, but only all parameters of transmission network were optimized in Case 4. This result indicated that JSA was very effective for the complex problem with transmission network and renewable power plants. Three subcases in Case 5 indicated that higher profits could be reached when more wind turbines were placed. The effectiveness order of nodes for placing wind turbines was Node 5, Node 2, Node 1, and Node 10.
- For the second system, the order of nodes arranged from the most to the least importance is nodes 29, 31, 71, 45, and 47. As following the order, the profit can be reached effectively. In fact, the system with one wind farm can reach higher profit than the base system without wind farm by 29.69%. When increasing the wind farms to two, three, four, and five, the profit is greater by 20.59%, 8.18%, 8.39%, and 7.54%. Clearly, the important nodes have high impact on the increase in profit. On the other hand, the system with five wind farms can reach greater than the base system by 97.2%.
Author Contributions
Funding
Institutional Review Board Statement
Informed Consent Statement
Data Availability Statement
Acknowledgments
Conflicts of Interest
Abbreviations
| OPF | Optimal Power Flow |
| WFs | Wind farms |
| PVSs | Solar photovoltaic systems |
| JSA | Jellyfish search algorithm |
| MSA | Moth swarm algorithm |
| SSA | Salp swarm algorithm |
| WCA | Water cycle algorithm |
| PSO | Particle swarm optimization |
| GA | Genetic algorithm |
| Nomenclature | |
| Profit of the considered system | |
| The total revenue of electricity sale | |
| The total fuel cost of all thermal units in the transmission power networks | |
| Given coefficients in fuel cost function of the kth thermal unit | |
| Thermal unit number | |
| Load number | |
| Electricity price ($/MWh) at the lth load | |
| Load demand at the lth load node | |
| Number of wind turbines installed in the system | |
| PWm, QWm | Active and reactive power generation of the mth wind turbine |
| Reactive power generation of the kth thermal unit | |
| Number of transmission lines | |
| , | Active and reactive power loss on the bth transmission lines |
| Reactive power generation of the cth capacitor | |
| Number of capacitors | |
| Reactive power demand of load at the lth load node | |
| , | Active power generation of thermal unit and wind tubines at the ith node |
| , | Voltages of the ith and jth buses |
| , | Transfer susceptance and the conductance between the ith node and the jth node |
| Number of nodes | |
| and | Angles of voltage at the jth node and the ith node, respectively |
| , | The lowest and highest generation of the capacitors at the ith node |
| , | The smallest and highest active power generations of the kth thermal unit |
| , | The smallest and highest reactive power generations of the kth thermal unit |
| , | The smallest and highest active power generations of the mth wind turbine |
| , | The smallest and highest reactive power generations of the mth wind turbines |
| Tap value of the nth transformer | |
| , | The smallest and highest tap values of all transformers |
| Number of used transformers | |
| , , | Random numbers within 0 and 1 |
| , | The best and mean solutions of the current population |
| A random solution in the present population | |
| , | Fitness values of two solutions, and |
| , | Location and power factor of the mth wind farm |
| , | Lower and upper boundaries of the solution |
| The jth dependent variable set | |
| , | Lower and upper boundaries of the jth dependent variable set |
| Fitness value of the new solution jth | |
Appendix A
| Node | Price ($/MWh) | Node | Price ($/MWh) |
|---|---|---|---|
| 1 | 19.54 | 16 | 19.7 |
| 2 | 19.62 | 17 | 20.03 |
| 3 | 19.52 | 18 | 19.94 |
| 4 | 19.51 | 19 | 20.16 |
| 5 | 20.95 | 20 | 20.16 |
| 6 | 19.72 | 21 | 19.67 |
| 7 | 20.3 | 22 | 19.47 |
| 8 | 19.84 | 23 | 18.88 |
| 9 | 19.92 | 24 | 18.57 |
| 10 | 20.02 | 25 | 16.09 |
| 11 | 19.91 | 26 | 15.29 |
| 12 | 19.15 | 27 | 15.1 |
| 13 | 15.2 | 28 | 19.74 |
| 14 | 19.43 | 29 | 15.49 |
| 15 | 19.38 | 30 | 15.75 |
| Node | Price ($/MWh) | Node | Price ($/MWh) | Node | Price ($/MWh) | Node | Price ($/MWh) |
|---|---|---|---|---|---|---|---|
| 1 | 48.551 | 31 | 100.367 | 61 | 35.387 | 91 | 48.574 |
| 2 | 50.574 | 32 | 48.706 | 62 | 48.339 | 92 | 48.204 |
| 3 | 52.681 | 33 | 50.354 | 63 | 33.582 | 93 | 50.212 |
| 4 | 48.369 | 34 | 48.568 | 64 | 36.862 | 94 | 34.725 |
| 5 | 50.384 | 35 | 50.625 | 65 | 33.758 | 95 | 36.114 |
| 6 | 48.206 | 36 | 48.479 | 66 | 31.667 | 96 | 36.114 |
| 7 | 50.215 | 37 | 50.592 | 67 | 32.987 | 97 | 34.607 |
| 8 | 48.007 | 38 | 50.553 | 68 | 35.164 | 98 | 34.725 |
| 9 | 32.300 | 39 | 50.553 | 69 | 33.249 | 99 | 48.504 |
| 10 | 31.008 | 40 | 48.531 | 70 | 48.557 | 100 | 33.336 |
| 11 | 37.101 | 41 | 50.950 | 71 | 50.453 | 101 | 52.221 |
| 12 | 35.617 | 42 | 48.912 | 72 | 48.094 | 102 | 50.212 |
| 13 | 50.354 | 43 | 50.592 | 73 | 48.435 | 103 | 34.349 |
| 14 | 50.354 | 44 | 52.616 | 74 | 48.243 | 104 | 48.046 |
| 15 | 48.340 | 45 | 57.593 | 75 | 50.253 | 105 | 48.208 |
| 16 | 37.101 | 46 | 55.290 | 76 | 48.380 | 106 | 50.100 |
| 17 | 50.554 | 47 | 57.593 | 77 | 48.538 | 107 | 48.096 |
| 18 | 48.532 | 48 | 57.593 | 78 | 50.561 | 108 | 50.216 |
| 19 | 48.391 | 49 | 31.719 | 79 | 34.607 | 109 | 50.074 |
| 20 | 50.408 | 50 | 33.040 | 80 | 33.222 | 110 | 48.071 |
| 21 | 52.424 | 51 | 33.040 | 81 | 34.607 | 111 | 31.143 |
| 22 | 52.424 | 52 | 39.615 | 82 | 50.561 | 112 | 48.519 |
| 23 | 50.426 | 53 | 38.091 | 83 | 52.001 | 113 | 48.676 |
| 24 | 48.409 | 54 | 36.568 | 84 | 50.001 | 114 | 50.736 |
| 25 | 29.177 | 55 | 48.738 | 85 | 48.001 | 115 | 50.608 |
| 26 | 30.871 | 56 | 48.600 | 86 | 38.903 | 116 | 48.138 |
| 27 | 48.584 | 57 | 50.625 | 87 | 37.347 | 117 | 37.101 |
| 28 | 50.608 | 58 | 50.625 | 88 | 32.752 | 118 | 50.396 |
| 29 | 104.549 | 59 | 32.238 | 89 | 31.442 | ||
| 30 | 50.007 | 60 | 33.582 | 90 | 48.613 |
| Variable | Case 3 | Subcase 5.1 | Subcase 5.2 | Subcase 5.3 |
|---|---|---|---|---|
| PT2 (MW) | 44.44 | 44.28 | 36.82 | 31.54 |
| PT5 (MW) | 20.51 | 20.40 | 17.73 | 17.13 |
| PT8 (MW) | 10.03 | 10.00 | 10.00 | 10.00 |
| PT11 (MW) | 10.03 | 10.00 | 10.00 | 10.00 |
| PT13 (MW) | 12.00 | 12.00 | 12.00 | 12.00 |
| Vol1 (Pu) | 1.10 | 1.10 | 1.10 | 1.10 |
| Vol2 (Pu) | 1.06 | 1.06 | 1.06 | 1.06 |
| Vol5 (Pu) | 0.95 | 0.95 | 0.95 | 0.95 |
| Vol8 (Pu) | 0.95 | 0.95 | 0.95 | 0.95 |
| Vol11 (Pu) | 0.97 | 0.97 | 0.97 | 0.97 |
| Vol13 (Pu) | 0.98 | 0.98 | 0.98 | 0.97 |
| QC10 (MVAr) | 0.07 | 0.00 | 0.00 | 0.00 |
| QC12 (MVAr) | 0.28 | 5.00 | 5.00 | 0.11 |
| QC15 (MVAr) | 0.23 | 0.00 | 0.00 | 0.00 |
| QC17 (MVAr) | 0.18 | 0.00 | 0.00 | 0.00 |
| QC20 (MVAr) | 1.74 | 1.34 | 1.34 | 3.72 |
| QC21 (MVAr) | 0.07 | 0.00 | 0.00 | 0.00 |
| QC23 (MVAr) | 0.10 | 0.00 | 0.00 | 0.00 |
| QC24 (MVAr) | 0.00 | 0.00 | 0.00 | 0.00 |
| QC29 (MVAr) | 1.16 | 5.00 | 5.00 | 5.00 |
| Tp11 (Pu) | 0.90 | 0.90 | 0.90 | 0.90 |
| Tp12 (Pu) | 1.07 | 1.10 | 1.10 | 1.10 |
| Tp15 (Pu) | 0.90 | 0.90 | 0.90 | 0.90 |
| Tp36 (Pu) | 0.90 | 0.90 | 0.90 | 0.90 |
References
- Nguyen, K.; Fujita, G. Self-Learning Cuckoo search algorithm for optimal power flow considering tie-line constraints in large-scale systems. GMSARN Int. J. 2018, 12, 118–126. [Google Scholar]
- Warid, W.A. Novel Chaotic Rao-2 Algorithm for Optimal Power Flow Solution. Int. J. Electr. Comput. Eng. 2022, 2022, 7694026. [Google Scholar] [CrossRef]
- Sulaiman, M.H.; Mustaffa, Z.; Mohamad, A.J.; Saari, M.M.; Mohamed, M.R. Optimal power flow with stochastic solar power using barnacles mating optimizer. Int. Trans. Electr. Energy Syst. 2021, 31, e12858. [Google Scholar] [CrossRef]
- Nguyen, T.T. A high performance social spider optimization algorithm for optimal power flow solution with single objective optimization. Energy 2019, 171, 218–240. [Google Scholar] [CrossRef]
- Shaqsi, A.Z.A.; Sopian, K.; Al-Hinai, A. Review of energy storage services, applications, limitations, and benefits. Energy Rep. 2020, 6, 288–306. [Google Scholar] [CrossRef]
- Pham, L.H.; Dinh, B.H.; Nguyen, T.T.; Phan, V.D. Optimal operation of wind-hydrothermal systems considering certainty and uncertainty of wind. Alex. Eng. J. 2021, 60, 5431–5461. [Google Scholar] [CrossRef]
- Gan, L.; Low, S.H. An online gradient algorithm for optimal power flow on radial networks. IEEE J. Sel. Areas Commun. 2016, 34, 625–638. [Google Scholar] [CrossRef]
- Bose, S.; Gayme, D.F.; Chandy, K.M.; Low, S.H. Quadratically constrained quadratic programs on acyclic graphs with application to power flow. IEEE Trans. Control Netw. Syst. 2015, 23, 278–287. [Google Scholar] [CrossRef]
- Tostado, M.; Kamel, S.; Jurado, F. Developed Newton-Raphson based predictor-corrector load flow approach with high convergence rate. Int. J. Electr. Power Energy Syst. 2019, 105, 785–792. [Google Scholar] [CrossRef]
- Fortenbacher, P.; Demiray, T. Linear/quadratic programming-based optimal power flow using linear power flow and absolute loss approximations. Int. J. Electr. Power Energy Syst. 2019, 107, 680–689. [Google Scholar] [CrossRef]
- Momoh, J.A. Electric Power System Applications of Optimization; CRC Press: Boca Raton, FL, USA, 2017. [Google Scholar]
- Hamza, M.F.; Yap, H.J.; Choudhury, I.A. Recent advances on the use of meta-heuristic optimization algorithms to optimize the type-2 fuzzy logic systems in intelligent control. Neural. Comput. Appl. 2017, 28, 979–999. [Google Scholar] [CrossRef]
- Abd El-sattar, S.; Kamel, S.; Tostado, M.; Jurado, F. Lightning attachment optimization technique for solving optimal power flow problem. In Proceedings of the 2018 Twentieth International Middle East Power Systems Conference, Cairo, Egypt, 18–20 December 2018; IEEE: New York, NY, USA, 2018; pp. 930–935. [Google Scholar]
- Berrouk, F.; Bounaya, K. Optimal power flow for multi-FACTS power system using hybrid PSO-PS algorithms. J. Control Autom. Electr. Syst. 2018, 29, 177–191. [Google Scholar] [CrossRef]
- Marcelino, C.G.; Almeida, E.; Wanner, E.F.; Baumann, M.; Weil, M.; Carvalho, L.M.; Miranda, V. Solving security constrained optimal power flow problems: A hybrid evolutionary approach. Appl. Intell. 2018, 48, 3672–3690. [Google Scholar] [CrossRef]
- Biswas, P.P.; Suganthan, N.; Mallipeddi, R.; Amaratunga, G.A. Optimal power flow solutions using differential evolution algorithm integrated with effective constraint handling techniques. Eng. Appl. Artif. Intell. 2018, 68, 81–100. [Google Scholar] [CrossRef]
- Kahraman, H.T.; Akbel, M.; Duman, S. Optimization of optimal power flow problem using multi-objective manta ray foraging optimizer. Appl. Soft Comput. 2022, 116, 108334. [Google Scholar] [CrossRef]
- Nadimi-Shahraki, M.H.; Fatahi, A.; Zamani, H.; Mirjalili, S.; Oliva, D. Hybridizing of Whale and Moth-Flame Optimization Algorithms to Solve Diverse Scales of Optimal Power Flow Problem. Electronics 2022, 11, 831. [Google Scholar] [CrossRef]
- Akdag, O. An improved archimedes optimization algorithm for multi/single-objective optimal power flow. Electr. Power Syst. Res. 2022, 206, 107796. [Google Scholar] [CrossRef]
- Mohamed, A.A.; Kamel, S.; Hassan, M.H.; Mosaad, M.I.; Aljohani, M. Optimal Power Flow Analysis Based on Hybrid Gradient-Based Optimizer with Moth–Flame Optimization Algorithm Considering Optimal Placement and Sizing of FACTS/Wind Power. Mathematics 2022, 103, 361. [Google Scholar] [CrossRef]
- Alanazi, A.; Alanazi, M.; Memon, Z.A.; Mosavi, A. Determining Optimal Power Flow Solutions Using New Adaptive Gaussian TLBO Method. Appl. Sci. 2022, 12, 7959. [Google Scholar] [CrossRef]
- Pham, L.H.; Dinh, B.H.; Nguyen, T.T. Optimal power flow for an integrated wind-solar-hydro-thermal power system considering uncertainty of wind speed and solar radiation. Neural. Comput. Appl. 2022, 34, 10655–10689. [Google Scholar] [CrossRef]
- Ahgajan, V.H.; Rashid, Y.G.; Tuaimah, F.M. Artificial bee colony algorithm applied to optimal power flow solution incorporating stochastic wind power. Int. J. Power Electron. Drive Syst. (IJPEDS) 2021, 12, 1890–1899. [Google Scholar] [CrossRef]
- Warid, W.; Hizam, H.; Mariun, N.; Abdul-Wahab, N.I. Optimal power flow using the Jaya algorithm. Energies 2016, 9, 678. [Google Scholar] [CrossRef]
- Elattar, E.E.; ElSayed, S.K. Modified JAYA algorithm for optimal power flow incorporating renewable energy sources considering the cost, emission, power loss and voltage profile improvement. Energy 2019, 178, 598–609. [Google Scholar] [CrossRef]
- Li, Z.; Cao, Y.; Dai, L.V.; Yang, X.; Nguyen, T.T. Optimal power flow for transmission power networks using a novel metaheuristic algorithm. Energies 2019, 12, 4310. [Google Scholar] [CrossRef]
- Duong, M.Q.; Nguyen, T.T.; Nguyen, T.T. Optimal placement of wind power plants in transmission power networks by applying an effectively proposed metaheuristic algorithm. Math. Probl. Eng. 2021, 2021, 1–20. [Google Scholar] [CrossRef]
- Alghamdi, A.S. A Hybrid Firefly–JAYA Algorithm for the Optimal Power Flow Problem Considering Wind and Solar Power Generations. Appl. Sci. 2022, 12, 7193. [Google Scholar] [CrossRef]
- Ali, Z.M.; Aleem, S.H.A.; Omar, A.I.; Mahmoud, B.S. Economical-environmental-technical operation of power networks with high penetration of renewable energy systems using multi-objective coronavirus herd immunity algorithm. Mathematics 2022, 10, 1201. [Google Scholar] [CrossRef]
- Pandya, S.B.; Jariwala, H.R. Renewable energy resources integrated multi-objective optimal power flow using non-dominated sort grey wolf optimizer. J. Green Eng. 2020, 10, 180–205. [Google Scholar]
- Nusair, K.; Alhmoud, L. Application of equilibrium optimizer algorithm for optimal power flow with high penetration of renewable energy. Energies 2020, 13, 6066. [Google Scholar] [CrossRef]
- Hassan, M.H.; Kamel, S.; Selim, A.; Khurshaid, T.; Domínguez-García, J.L. A modified Rao-2 algorithm for optimal power flow incorporating renewable energy sources. Mathematics 2021, 9, 1532. [Google Scholar] [CrossRef]
- Sulaiman, M.H.; Mustaffa, Z. Optimal power flow incorporating stochastic wind and solar generation by metaheuristic optimizers. Microsyst. Technol. 2021, 27, 3263–3277. [Google Scholar] [CrossRef]
- Abdullah, M.; Javaid, N.; Khan, I.U.; Khan, Z.A.; Chand, A.; Ahmad, N. (2019, March). Optimal power flow with uncertain renewable energy sources using flower pollination algorithm. In Proceedings of the International Conference on Advanced Information Networking and Applications, Matsue, Japan, 27–29 March 2019; Springer: Cham, Switzerland, 2019; pp. 95–107. [Google Scholar]
- Ali, M.A.; Kamel, S.; Hassan, M.H.; Ahmed, E.M.; Alanazi, M. Optimal Power Flow Solution of Power Systems with Renewable Energy Sources Using White Sharks Algorithm. Sustainability 2022, 14, 6049. [Google Scholar] [CrossRef]
- Bamane, D. Application of Crow Search Algorithm to solve Real Time Optimal Power Flow Problem. In Proceedings of the 2019 International Conference on Computation of Power, Energy, Information and Communication (ICCPEIC), Melmaruvathur, India, 27–28 March 2019; IEEE: New York, NY, USA, 2019; pp. 123–129. [Google Scholar]
- Alasali, F.; Nusair, K.; Obeidat, A.M.; Foudeh, H.; Holderbaum, W. An analysis of optimal power flow strategies for a power network incorporating stochastic renewable energy resources. Int. Trans. Electr. Energy Syst. 2021, 31, e13060. [Google Scholar] [CrossRef]
- Duman, S.; Rivera, S.; Li, J.; Wu, L. Optimal power flow of power systems with controllable wind-photovoltaic energy systems via differential evolutionary particle swarm optimization. Int. Trans. Electr. Energy Syst. 2020, 30, e12270. [Google Scholar] [CrossRef]
- Maheshwari, A.; Sood, Y.R.; Jaiswal, S. Flow direction algorithm-based optimal power flow analysis in the presence of stochastic renewable energy sources. Electr. Power Syst. Res. 2023, 216, 109087. [Google Scholar] [CrossRef]
- Khamees, A.K.; Abdelaziz, A.Y.; Eskaros, M.R.; Attia, M.A.; Sameh, M.A. Optimal power flow with stochastic renewable energy using three mixture component distribution functions. Sustainability 2023, 15, 334. [Google Scholar] [CrossRef]
- Hashish, M.S.; Hasanien, H.M.; Ji, H.; Alkuhayli, A.; Alharbi, M.; Akmaral, T.; Turky, R.A.; Jurado, F.; Badr, A.O. Monte carlo simulation and a clustering technique for solving the probabilistic optimal power flow problem for hybrid renewable energy systems. Sustainability 2023, 15, 783. [Google Scholar] [CrossRef]
- Warkad, S.B.; Khedkar, M.K.; Dhole, G.M. Optimal electricity nodal price behaviour: A study in Indian electricity market. J. Theor. Appl. Inf. Technol. 2009, 5. [Google Scholar]
- Chou, J.S.; Truong, D.N. A novel metaheuristic optimizer inspired by behavior of jellyfish in ocean. Appl. Math. Comput. 2021, 389, 125535. [Google Scholar] [CrossRef]
- Mohamed, A.A.A.; Mohamed, Y.S.; El-Gaafary, A.A.; Hemeida, A.M. Optimal power flow using moth swarm algorithm. Electr. Power Syst. Res. 2017, 142, 190–206. [Google Scholar] [CrossRef]
- Sakthivel, V.; Suman, M.; Sathya, D. Squirrel search algorithm for economic dispatch with valve-point effects and multiple fuels. Energy Sources B: Econ. Plan. Policy 2020, 15, 351–382. [Google Scholar] [CrossRef]
- Sadollah, A.; Eskandar, H.; Lee, H.M.; Kim, J.H. Water cycle algorithm: A detailed standard code. Softwarex 2016, 5, 37–43. [Google Scholar] [CrossRef]
- Oonsivilai, A.; Khamkeo, D.; Oonsivilai, R. Optimal load flow for connection of transmission network in lao people’s democratic republic using particle swarm optimization. GMSARN Int. J. 2019, 13, 183–193. [Google Scholar]
- Kuang, T.; Hu, Z.; Xu, M.A. genetic optimization algorithm based on adaptive dimensionality reduction. Math. Probl. Eng. 2020, 2020, 1–7. [Google Scholar] [CrossRef]
- Zimmerman, R.D.; Murillo-Sanchez, C.E. Matpower 4.1 User’s Manual; Power Systems Engineering Research Center (PSERC): Madison, WI, USA, 2011. [Google Scholar]
- Zhu, J. Optimization of Power System Operation; John Wiley & Sons: Hoboken, NJ, USA, 2015. [Google Scholar]
- Cheng, Q.; Huang, H.; Chen, M. A Novel Crow Search Algorithm Based on Improved Flower Pollination. Math. Probl. Eng. 2021, 2021, 1–26. [Google Scholar] [CrossRef]




















| Algorithm and Reference | Applied IEEE System | Objective Function | Number of WFs, PVSs,—Location for Each |
|---|---|---|---|
| Modified cuckoo search algorithm [22] | 30 nodes | Fuel cost | 2 WFs at nodes 10 and 24 |
| Artificial bee colony [23] | 30 nodes | Operating cost; active power loss; voltage deviation | 2 WFs at nodes 10 and 24 |
| Jaya algorithm [24] | 30 nodes | Fuel cost; active power loss; voltage stability | 2 WFs at nodes 3 and 30 |
| Modified Jaya algorithm [25] | 30 nodes; 118 nodes | Fuel cost; active power loss; voltage stability | 2 WFs at nodes 3 and 30 for both IEEE 30-node and 118-node systems |
| Modified equilibrium optimized [26]; modified coyote optimizer [27]. | 30 nodes; 57 nodes; 118 nodes | Fuel cost; Power loss | 2 WFs at nodes 3 and 30 for both IEEE 30-node systems |
| Hybrid of firefly and Jaya algorithm [28] | 30 nodes | Fuel cost; active power loss; voltage stability; emission | 2 WFs at nodes 5 and 11; 1 PVS at nodes 5 and 13 |
| Multi-objective Coronavirus herd immunity algorithm [29] | 30 nodes; 57 nodes | Fuel cost; active power loss; voltage stability | 1 WF at node 5 and 1 PVS at node 11 for the IEEE 30-node system 1 WF at node 2 and 1 PVS at node 3 for the IEEE 57-node system |
| Non-dominated sort grey wolf algorithm [30] | 30 nodes | Fuel cost | 2 WFs at nodes 5 and 11; 1 PVS at node 13 |
| Equilibrium optimizer algorithm [31] | 30 nodes | Fuel cost; active power loss; emission index; | 1 WF at node 11; 2 PVSs at nodes 5 and 13 |
| Modified Rao algorithm [32] | 30 nodes; 118 nodes | Fuel cost | 1 WF at node 30 for the IEEE 30-node system 1 WF at node 31 and 1 PVS at node 54 for the IEEE 118-node system |
| Barnacle mating optimizer [33]; Enhanced genetic algorithm [34]; White shark algorithm [35]; Crow search algorithm [36] | 30 nodes | Fuel cost; power loss; fuel cost and emission | 2 WFs at nodes 5 and 11; 1 PVS at node 13 |
| Manta ray foraging optimization [37] | 30 nodes; 118 nodes | Fuel cost; active power loss; voltage stability; emission | 2 WFs at nodes 30 and 11; 3 PVSs at nodes 5, 13 and 24 |
| Differential evolution [38] | 30 nodes; 57 nodes; 118 nodes | Fuel cost; fuel cost and emission; voltage stability | 2 WFs at nodes 5 and 11; 1 PVS at node 13 for the IEEE 30-node system 2 WFs at nodes 6 and 9; 1 PVS at node 2 for the IEEE 57-node system 3 PVSs at nodes 6, 15 and 34 for the IEEE 118-node system |
| System | Study Cases | Applied Algorithms | Number of WTs/WFs | Optimized Parameters of WTs | ||
|---|---|---|---|---|---|---|
| IEEE 30-node system | Case 1 | 6 | 40; 200 | 0 | No | |
| Case 2 | 6 | 40; 200 | 0 | No | ||
| Case 3 | 6 | 40; 400 | 1 | Yes | ||
| Case 4 | 1 (JSA) | 40; 200 | 1 | No | ||
| Case 5 | 5.1 | 1 (JSA) | 100; 1000 | 2 | Yes | |
| 5.2 | 100; 1500 | 3 | ||||
| 5.3 | 100; 2000 | 4 | ||||
| IEEE 118-node system | Case 1 | 1 (JSA) | 100; 2500 | 0 | No | |
| Case 2 | 100; 3000 | 1 | Yes | |||
| Case 3 | 100; 3500 | 2 | Yes | |||
| Case 4 | 100; 4000 | 3 | Yes | |||
| Case 5 | 100; 4500 | 4 | Yes | |||
| Case 6 | 100; 5000 | 5 | Yes | |||
| Case 2: without WTs | Position | - | - | - | - |
| Power (MW) | 0 | - | - | - | |
| Case 3: 1 WT | Position | 5 | - | - | - |
| Power (MW) | 10 | - | - | - | |
| Case 5.1: 2 WTs | Position | 5 | 2 | - | - |
| Power (MW) | 10 | 10 | - | - | |
| Case 5.2: 3 WTs | Position | 5 | 2 | 1 | - |
| Power (MW) | 10 | 10 | 10 | - | |
| Case 5.3: 4 WTs | Position | 5 | 2 | 1 | 10 |
| Power (MW) | 10 | 10 | 10 | 10 |
| 1 wind farm | Position | 29 | - | - | - | - |
| Power (MW) | 100 | - | - | - | - | |
| 2 wind farms | Position | 29 | 31 | - | - | - |
| Power (MW) | 100 | 100 | - | - | - | |
| 3 wind farms | Position | 29 | 31 | 71 | - | - |
| Power (MW) | 100 | 100 | 100 | - | - | |
| 4 wind farms | Position | 29 | 31 | 71 | 45 | - |
| Power (MW) | 100 | 100 | 100 | 100 | - | |
| 5 wind farms | Position | 29 | 31 | 71 | 45 | 47 |
| Power (MW) | 100 | 100 | 100 | 100 | 100 |
Disclaimer/Publisher’s Note: The statements, opinions and data contained in all publications are solely those of the individual author(s) and contributor(s) and not of MDPI and/or the editor(s). MDPI and/or the editor(s) disclaim responsibility for any injury to people or property resulting from any ideas, methods, instructions or products referred to in the content. |
© 2023 by the authors. Licensee MDPI, Basel, Switzerland. This article is an open access article distributed under the terms and conditions of the Creative Commons Attribution (CC BY) license (https://creativecommons.org/licenses/by/4.0/).
Share and Cite
Nguyen, T.T.; Nguyen, H.D.; Duong, M.Q. Optimal Power Flow Solutions for Power System Considering Electric Market and Renewable Energy. Appl. Sci. 2023, 13, 3330. https://doi.org/10.3390/app13053330
Nguyen TT, Nguyen HD, Duong MQ. Optimal Power Flow Solutions for Power System Considering Electric Market and Renewable Energy. Applied Sciences. 2023; 13(5):3330. https://doi.org/10.3390/app13053330
Chicago/Turabian StyleNguyen, Thang Trung, Hung Duc Nguyen, and Minh Quan Duong. 2023. "Optimal Power Flow Solutions for Power System Considering Electric Market and Renewable Energy" Applied Sciences 13, no. 5: 3330. https://doi.org/10.3390/app13053330
APA StyleNguyen, T. T., Nguyen, H. D., & Duong, M. Q. (2023). Optimal Power Flow Solutions for Power System Considering Electric Market and Renewable Energy. Applied Sciences, 13(5), 3330. https://doi.org/10.3390/app13053330

