Mitigation Effect of Helmholtz Resonator on the Micro-Pressure Wave Amplitude of a 600-km/h Maglev Train Tunnel
Abstract
1. Introduction
2. Numerical Model
2.1. Maglev Train and Tunnel Model
- Conventional tunnel without Helmholtz resonators and without any additional structures.
- A 94-cavity new tunnel comprising 94 cavities arranged continuously without intervals on both sides of the tunnel, starting at 4.78 h from the entrance and ending at 6.83 h from the exit of the tunnel.
- A 72-cavity new tunnel 1, the 72 cavities were divided into 24 groups, each group consisting of 3 cavities, with an interval of 1.76 h between each group, starting inside the tunnel at 4.78 h from the entrance and ending at 6.83 h from the tunnel exit.
- A 64-cavity new tunnel, the 64 cavities were divided into 32 groups, each group consisting of 2 cavities, with an interval of 1.76 h between each group, starting inside the tunnel at 2.39 h from the entrance and ending at 6.83 h from the tunnel exit.
- A 72-cavity new tunnel 2, the 72 cavities were divided into 24 groups, each group consisting of 3 cavities, with an interval of 1 h between each group, arranged from 2.39 h inside the tunnel from the entrance and ending at 15.18 h from the exit of the tunnel. The specific programmer is listed in Table 1.
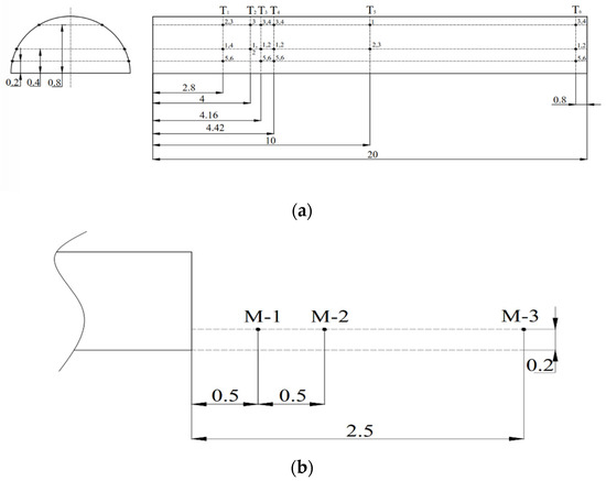
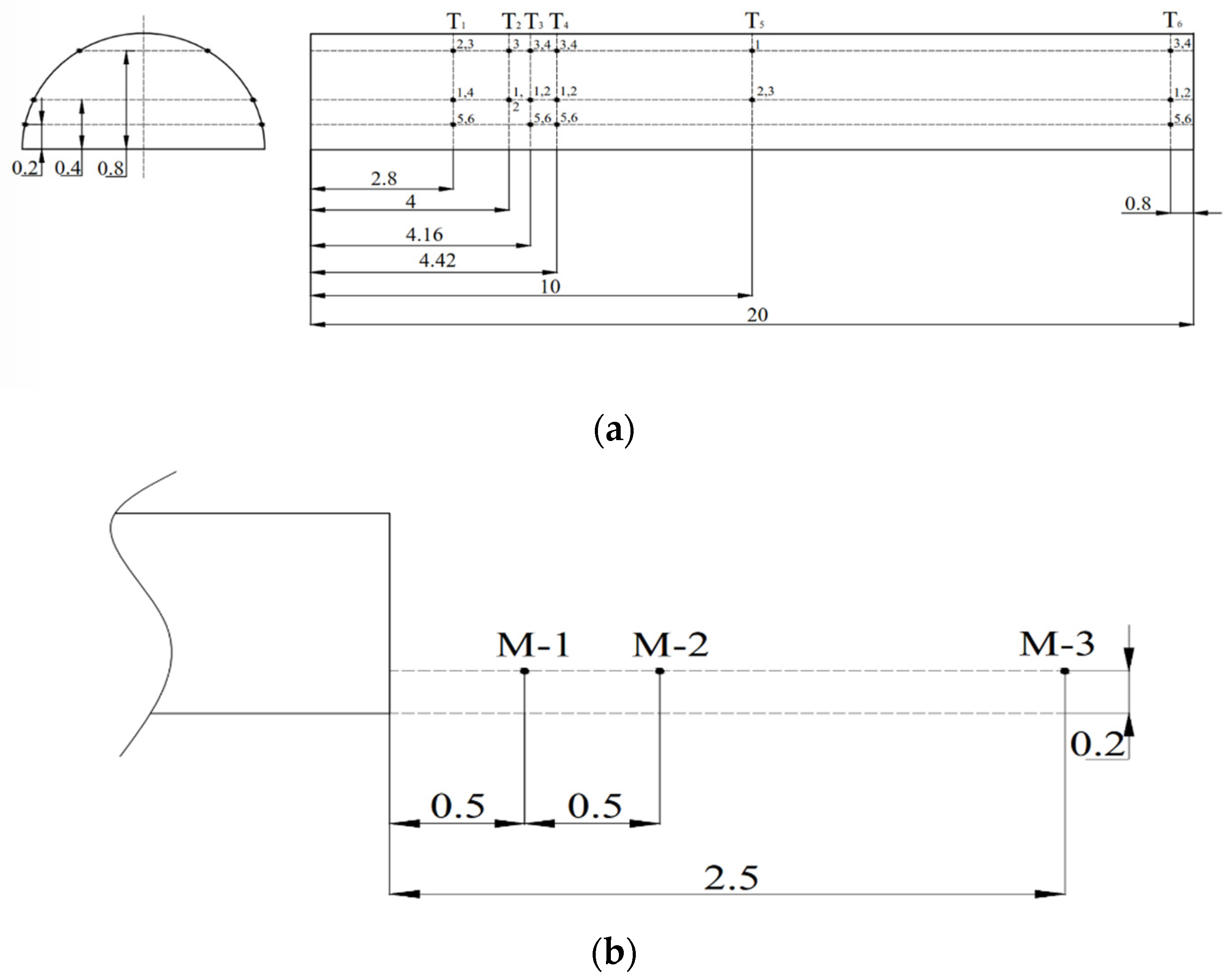
2.2. Calculation Domain and Measurement Point Layout
2.3. Grid Division Strategy
2.4. Numerical Validation
2.4.1. Grid Independence Verification
2.4.2. Moving Model Test Verification
3. Results and Discussion
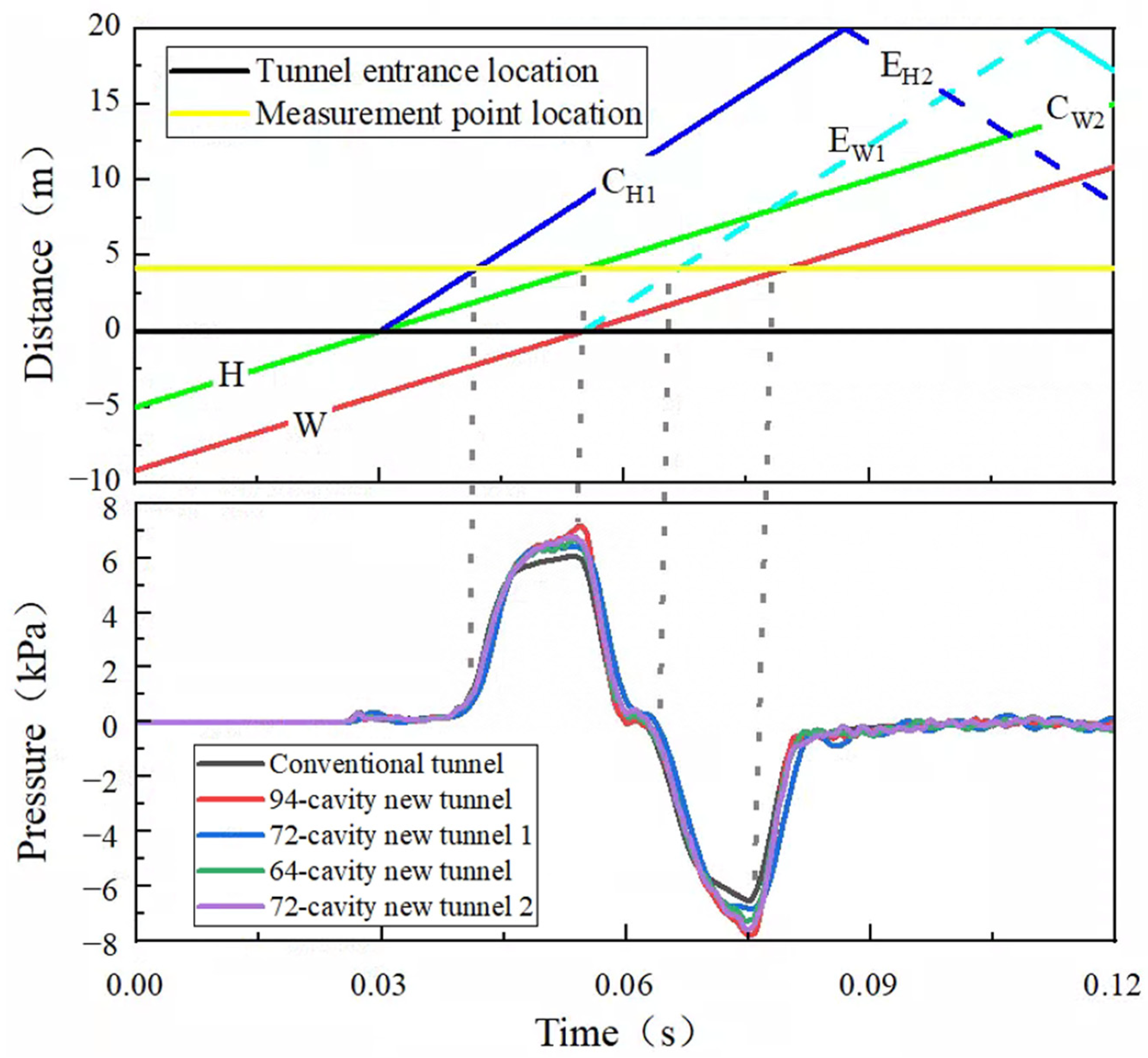
3.1. Three-Dimensional Effect Analysis of Tunnel
3.2. Analysis of the Effect of Helmholtz Resonators on Micro-Pressure Waves
3.2.1. Analysis of Helmholtz Resonator Resonance Conditions
3.2.2. Analysis of Micro-Pressure Wave AMPLITUDE Reduction Effect
3.3. Analysis of an Optimized Arrangement of Helmholtz Resonators
3.3.1. Optimized Solutions for Variable Cavities
3.3.2. Analysis of the Effect of the Optimized Solution on the Pressure at the Tunnel Wall
3.3.3. Analysis of the Impact of Optimized Solutions on Micro-Pressure Waves
4. Conclusions
- In this study, the initial compressional wave frequency generated by the high-speed maglev train passing through the tunnel corresponded to 15 Hz in the main frequency. Furthermore, the resonant frequency of the Helmholtz resonator was 14.63 Hz, and the upper and lower limits of the resonant band were 13.76 Hz and 16.13 Hz, respectively.
- The Helmholtz resonator effectively reduced the micro-pressure wave amplitude at the tunnel exit by reducing the initial compressional gradient. In the conventional tunnel, the micro-pressure wave amplitude at 20 m and 50 m from the tunnel exit was 641.26 Pa and 292.22 Pa, respectively. In the 94-cavity new tunnel with the Helmholtz resonator, the micro-pressure wave amplitude at 20 m and 50 m from the tunnel exit was 436.91 Pa and 195.12 Pa, respectively. The Helmholtz resonator provided 31.87% and 33.23% relief of the micro-pressure wave amplitude at the two locations. However, the presence of the Helmholtz resonator increased the tunnel blockage ratio by 18.9%, resulting in an 18.62% increase in the tunnel wall pressure.
- The 72-cavity new tunnel 1 is an optimized solution for the 94-cavity new tunnel, which exhibited 29.28% and 30.65% relief of micro-pressure waves at 20-m and 50-m measurement points at the tunnel exit, respectively, and only a 4.36% increase in tunnel wall pressure. The 72-cavity new tunnel 1 is an optimized solution for the 94-cavity new tunnel and ensured that the micro-pressure waves are relieved while maintaining an increase in the train surface pressure within acceptable limits and in line with engineering requirements.
- In the 72-cavity new tunnel 1 scheme, the micro-pressure wave amplitude at the exit of the tunnel was approximately inversely proportional to the 0.78th power of the distance from the exit end of the tunnel, which approximates the fitted curve of the original tunnel scheme. This indicates that the presence of the Helmholtz resonator only reduces the initial compressional wave gradient and micro-pressure wave amplitude, and it does not affect the formation mechanism.
Author Contributions
Funding
Institutional Review Board Statement
Informed Consent Statement
Data Availability Statement
Acknowledgments
Conflicts of Interest
References
- Ren, J. Study on Micro-Pressure Wave Noise Characteristics of Railway Tunnel Portal at Higher Speed; Lanzhou Jiaotong University: Lanzhou, China, 2018; pp. 1–5. (In Chinese) [Google Scholar]
- Tian, H.Q. Train Aerodynamics; China Railway Publishing House: Beijing, China, 2007; pp. 273–281. (In Chinese) [Google Scholar]
- Maeda, T. Micro-Pressure wave radiating from tunnel portal and pressure variations due to train passage. Railw. Tech. Res. Inst. Q. Rep. 1996, 37, 199–203. [Google Scholar]
- Yamamoto, A. Micro-pressure wave radiated from a tunnel exit. In Nihon Butsuri Gakkai Haru Bunkakai; The Physical Society of Japan Spring: Tokyo, Japan, 1977. [Google Scholar]
- Tebbutt, J.A.; Vahdati, M.; Carolan, D.; Dear, J.P. Numerical investigation on an array of Helmholtz resonators for the reduction of micro-pressure waves in modern and future high-speed rail tunnel systems. J. Sound Vib. 2017, 400, 606–625. [Google Scholar] [CrossRef]
- Zhang, L.; Yang, M.Z.; Liang, X.F.; Zhang, J. Oblique tunnel portal effects on train and tunnel aerodynamics based on moving model tests. J. Wind. Eng. Ind. Aerodyn. 2017, 167, 128–139. [Google Scholar] [CrossRef]
- Zhang, L.; Yang, M.Z.; Niu, J.Q.; Liang, X.F.; Zhang, J. Moving model tests on transient pressure and micro-pressure wave distribution induced by train passing through tunnel. J. Wind. Eng. Ind. Aerodyn. 2019, 191, 1–21. [Google Scholar] [CrossRef]
- Kim, D.H.; Cheol, S.Y.; Iyer, R.S. and Kim, H.D. A newly designed entrance hood to reduce the micro pressure wave emitted from the exit of high-speed railway tunnel. Tunn. Undergr. Space Technol. 2021, 108, 103728. [Google Scholar] [CrossRef]
- Wang, T.; Hu, C.; Gong, Y.; Yang, M.; Xiong, X.; Zu, J.; Lu, Y. Study on micro-pressure wave mitigation at railway tunnel mouth with extended miter cut buffer structure for speeds of 400 km/h. Chin. J. Aerodyn. 2021, 39, 151–161. [Google Scholar] [CrossRef]
- Howe, M.S. Influence of train Mach number on the compression wave generated in a tunnel-entrance hood. J. Eng. Math. 2003, 46, 147–163. [Google Scholar] [CrossRef]
- Jia, Y.X.; Yang, Z.; Yao, J.B.; Mei, Y.G. Numerical simulation study on pressure fluctuation in tunnel intersection of high-speed maglev train. China Railw. Sci. 2020, 41, 86–94. [Google Scholar]
- Lin, T.T.; Yang, M.Z.; Zhang, L.; Zhong, S.; Tao, Y.; Ma, J.C. Effect of streamlined head arch structure of high-speed maglev train on aerodynamic characteristics of coupling between train and tunnel. J. Railw. Sci. Eng. 2022, 19, 2515–2523. [Google Scholar] [CrossRef]
- Zhang, J.; Wang, Y.; Han, S.; Wang, F.; Gao, G. A novel arch lattice-shell of enlarged cross-section hoods for micro-pressure wave mitigation at exit of maglev tunnels. Tunn. Undergr. Space Technol. 2023, 132, 104859. [Google Scholar] [CrossRef]
- Niu, J.; Wang, Y.; Yao, H.; Huang, Y. Numerical investigation on application of train body airflow diversion device to suppress pressure waves in railway high-speed train/tunnel system. Int. J. Rail Transp. 2022, 1–18. [Google Scholar] [CrossRef]
- Yang, M.Z.; Zhong, S.; Zhang, L.; Qian, B.S.; Wang, T.T.; Zhou, D.; Wu, F. 600 km/h moving model rig for high-speed train aerodynamics. J. Wind. Eng. Ind. Aerodyn. 2022, 227, 105063. [Google Scholar] [CrossRef]
- Han, S.; Zhang, J.; Xiong, X.; Ji, P.; Zhang, L.; Sheridan, J.; Gao, G. Influence of high-speed maglev train speed on tunnel aerodynamic effects. Build. Environ. 2022, 223, 109460. [Google Scholar] [CrossRef]
- An, J.; Lv, H.; Geng, Y.; Han, Y. Acoustic performance of tunable frequency Helmholtz resonator. China Mech. Eng. 2018, 29, 954. [Google Scholar]
- Wang, X.; Mak, C.M. Disorder in a periodic Helmholtz resonators array. Appl. Acoust. 2014, 82, 1–5. [Google Scholar] [CrossRef]
- Cai, C.; Mak, C.M. Hybrid noise control in a duct using a periodic dual Helmholtz resonator array. Appl. Acoust. 2018, 134, 119–124. [Google Scholar] [CrossRef]
- Tan, X.M. Study on Parameterization of Influencing Factors of Air Pressure Blast Wave through Tunnel of High-Speed Train. Ph.D. Thesis, Central South University, Changsha, China, 2012. [Google Scholar]
- Selamet, A.; Lee, I. Helmholtz resonator with extended neck. J. Acoust. Soc. Am. 2003, 113, 1975–1985. [Google Scholar] [CrossRef] [PubMed]
- Su, S.L.; Zhang, M.; Cao, W.W. Acoustic improvement of Helmholtz resonant muffler. Ship Sci. Technol. 2014, 128–131. [Google Scholar]
- Iliadis, P.; Hemida, H.; Soper, D.; Baker, C. Numerical simulations of the separated flow around a freight train passing through a tunnel using the sliding mesh technique. Proc. Inst. Mech. Eng. Part F J. Rail Rapid Transit 2020, 234, 638–654. [Google Scholar] [CrossRef]
- Liu, T.H.; Chen, Z.W.; Chen, X.D.; Xie, T.Z.; Zhang, J. Transient loads and their influence on the dynamic responses of trains in a tunnel. Tunn. Undergr. Space Technol. 2017, 66, 121–133. [Google Scholar] [CrossRef]
- Langfeldt, F.; Hoppen, H.; Gleine, W. Resonance frequencies and sound absorption of Helmholtz resonators with multiple necks. Appl. Acoust. 2019, 145, 314–319. [Google Scholar] [CrossRef]
- Wang, J.; Rubini, P.; Qin, Q.; Houston, B. A model to predict acoustic resonant frequencies of distributed Helmholtz resonators on gas turbine engines. Appl. Sci. 2019, 9, 1419. [Google Scholar] [CrossRef]
- Wu, W.W. Numerical Analysis of Low-Frequency Aeroacoustic Attenuation Performance of Helmholtz Resonator under Low Mach Number. Ph.D. Thesis, Jiangsu University of Science and Technology, Zhenjiang, China, 2021. [Google Scholar] [CrossRef]
- Herrero-Durá, I.; Cebrecos, A.; Picó, R.; Romero-García, V.; García-Raffi, L.M.; Sánchez-Morcillo, V.J. Sound absorption and diffusion by 2D arrays of Helmholtz resonators. Appl. Sci. 2020, 10, 1690. [Google Scholar] [CrossRef]
- Du, G.H. Fundamentals of Acoustics; Nanjing University House: Nanjing, China, 2012; pp. 155–170. [Google Scholar]
- CENICAFE 14067–5; CEN European Standard, Railway Applications-Aerodynamics. Part 5: Requirements and Test Procedures for Aerodynamics in Tunnels. CEN European: Brussels, Belgium, 2006.
- Yamamoto, A. Aerodynamics of a train and tunnel. In Proceedings of the 1st International Conference on Vehicle Mechanics, Detroit, MI, USA, 16–18 July 1968; Society of Automotive Engineers, Inc.: Warrendale, PA, USA, 1968; pp. 151–163. [Google Scholar]
- Cross, D.; Hughes, B.; Ingham, D.; Ma, L. A validated numerical investigation of the effects of high blockage ratio and train and tunnel length upon underground railway aerodynamics. J. Wind. Eng. Ind. Aerodyn. 2015, 146, 195–206. [Google Scholar] [CrossRef]
- Lu, Y.B.; Wang, T.T.; Yu, W.A.; Hu, C.; Qian, B.S. Effect of tunnel length of locally enlarged section on pressure fluctuation during intersection of high-speed train. In Proceedings of the 11th National Conference on Fluid Mechanics, Shenzhen, China, 4 December 2020. [Google Scholar]
- Yu, Y.Z.; Liu, T.H.; Xia, Y.T.; Yang, M.Z.; Liu, H.K. Development and prospect of aerodynamic drag reduction technology for higher speed (400+ km/h) trains. Chin. J. Aerodyn. 2021, 39, 83–94. [Google Scholar]
- Wang, F.; Zhang, L.; Yang, M.M.; Yin, X.F. Effect of line spacing on aerodynamic performance of open line rendezvous of 600 km/h high-speed maglev train. Acta Aerodyn. Sin. 2022, 41, 1–9. [Google Scholar]
















| Conventional Tunnel | 94-Cavity New Tunnel | 72-Cavity New Tunnel 1 | 64-Cavity New Tunnel | 72-Cavity New Tunnel 2 | |
|---|---|---|---|---|---|
| Number of Cavities | 0 | 94 | 72 | 64 | 72 |
| Distance from entrance | 0 | 4.78 h | 4.78 h | 2.39 h | 2.39 h |
| Distance to exit | 0 | 6.83 h | 6.83 h | 6.83 h | 15.18 h |
| Distance between two cavities | 0 | 0 | 1.76 h | 1.76 h | 1 h |
| Layout location | 0 | Bottom of both sides | Bottom of both sides | Bottom of both sides | Bottom of both sides |
| Layout options | 0 | Continuous layout | Arranged in groups at intervals (groups of 3 cavities) | Arranged in groups at intervals (2 chamber groups) | Arranged in groups at intervals (groups of 3 cavities) |
| Tunnel Exit Pressure (Pa) | M-1 | M-2 | M-3 |
|---|---|---|---|
| Moving model test | 1070.556 | 681.97 | 313.9677 |
| Numerical simulation calculations | 1021.85 | 641.26 | 292.22 |
| Error | 4.55% | 5.97% | 6.93% |
| M-1 | M-2 | M-3 | Wall Pressure in the Tunnel | |
|---|---|---|---|---|
| Conventional tunnel | 1021.85 | 641.26 | 292.22 | 6149.85 |
| 94-Cavity New Tunnel | 703.87 | 436.91 | 195.12 | 7176.44 |
| Ratio | −31.12% | −31.87% | −33.23% | +16.69% |
| Conventional Tunnel | 94-Cavity New Tunnel | 72-Cavity New Tunnel 2 | 64-Cavity New Tunnel | 72-Cavity New Tunnel 2 |
|---|---|---|---|---|
| 6149.85 Pa | 7176.44 Pa | 6417.83 Pa | 6655.52 Pa | 6779.94 Pa |
| +16.69% | +4.36% | +8.22% | +10.24% |
| M-1 | M-2 | M-3 | |
|---|---|---|---|
| Conventional tunnel | 1021.85 | 641.26 | 292.22 |
| 72-cavity new tunnel 1 remission rate | −27.1% | −29.3% | −30.7% |
| 64-cavity new tunnel remission rate | −25.6% | −27.8% | −27.4% |
| 72-cavity new tunnel 2 remission rate | −35.4% | −37.4% | −38.7% |
| Tunnel Structure | Fitting Curves | Correlation Coefficient |
|---|---|---|
| Conventional tunnel | 0.996 | |
| 72-cavity new tunnel 1 | 0.997 |
Disclaimer/Publisher’s Note: The statements, opinions and data contained in all publications are solely those of the individual author(s) and contributor(s) and not of MDPI and/or the editor(s). MDPI and/or the editor(s) disclaim responsibility for any injury to people or property resulting from any ideas, methods, instructions or products referred to in the content. |
© 2023 by the authors. Licensee MDPI, Basel, Switzerland. This article is an open access article distributed under the terms and conditions of the Creative Commons Attribution (CC BY) license (https://creativecommons.org/licenses/by/4.0/).
Share and Cite
Li, D.-Q.; Yang, M.-Z.; Lin, T.-T.; Zhong, S.; Yang, P. Mitigation Effect of Helmholtz Resonator on the Micro-Pressure Wave Amplitude of a 600-km/h Maglev Train Tunnel. Appl. Sci. 2023, 13, 3124. https://doi.org/10.3390/app13053124
Li D-Q, Yang M-Z, Lin T-T, Zhong S, Yang P. Mitigation Effect of Helmholtz Resonator on the Micro-Pressure Wave Amplitude of a 600-km/h Maglev Train Tunnel. Applied Sciences. 2023; 13(5):3124. https://doi.org/10.3390/app13053124
Chicago/Turabian StyleLi, Dian-Qian, Ming-Zhi Yang, Tong-Tong Lin, Sha Zhong, and Peng Yang. 2023. "Mitigation Effect of Helmholtz Resonator on the Micro-Pressure Wave Amplitude of a 600-km/h Maglev Train Tunnel" Applied Sciences 13, no. 5: 3124. https://doi.org/10.3390/app13053124
APA StyleLi, D.-Q., Yang, M.-Z., Lin, T.-T., Zhong, S., & Yang, P. (2023). Mitigation Effect of Helmholtz Resonator on the Micro-Pressure Wave Amplitude of a 600-km/h Maglev Train Tunnel. Applied Sciences, 13(5), 3124. https://doi.org/10.3390/app13053124
