Flexural Behavior of Corroded High-Speed Railway Simply Supported Prestressed Concrete Box Girder
Abstract
1. Introduction
2. Experiment Details
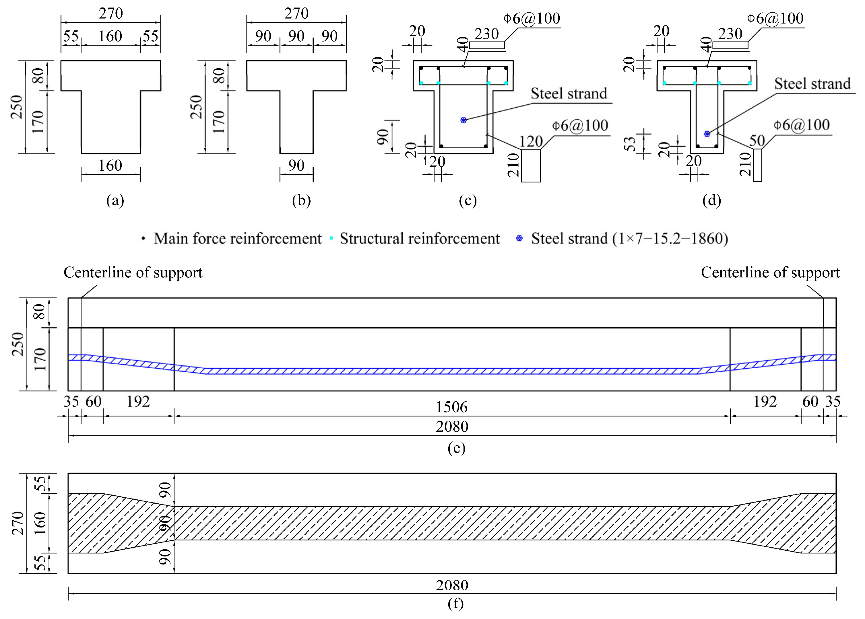
2.1. Design and Fabrication of Scaled Beams
2.2. Corrosion Scheme
2.3. Four-Point Bending Test
3. Analytical Model
3.1. Impact of Strand Corrosion
3.1.1. Strand Cross-Section Reduction
3.1.2. Strand Property Degradation
3.1.3. Concrete Cracking
3.2. Calculation of Flexural Behavior
3.2.1. Cracking Moment
3.2.2. Flexural Bearing Capacity
4. Results and Discussion
4.1. Experimental Phenomena
4.2. Load–Deflection Curve at Midspan
4.3. Cracking Moment
4.4. Flexural Bearing Capacity
4.5. Displacement Ductility Factor
5. Conclusions
- (1)
- Strand corrosion significantly reduced its mechanical properties, which in turn degraded the flexural behavior of the PC beams. In this test, when the mass loss was 12.30%, the cracking load, ultimate load, and ductility decreased by 27.8%, 29.9%, and 11.5%, respectively.
- (2)
- There existed a critical strand mass loss (7% in this study) for the reduction in the flexural bearing capacity of a corroded PC beam. A strand mass loss of less than 7% could lead to a linear degradation law with concrete crushing failure. As mass loss increased, the flexural bearing capacity exhibited an exponentially decreasing trend with strand rupture failure.
- (3)
- Strand corrosion had a negligible effect on initial flexural stiffness before concrete cracking. But after concrete cracking, the higher the mass loss was, the faster the flexural stiffness decreased.
- (4)
- The analytical model considering the effects of strand cross-section reduction, strand property deterioration, and concrete cracking can predict the cracking moment, flexural bearing capacity, and failure mode well.
Author Contributions
Funding
Institutional Review Board Statement
Informed Consent Statement
Data Availability Statement
Acknowledgments
Conflicts of Interest
Abbreviations
| ρ | Strand mass loss |
| D0 | Initial nominal diameter of the external wire |
| D1 | Initial nominal diameter of the middle wire |
| pm | Maximum corrosion depth |
| pa | Average corrosion depth |
| R | Corrosion penetration factor |
| Ac | Strand loss area |
| Ap,ρ | Strand residual area |
| Ep (Ep,ρ) | Strand elasticity modulus before and after corrosion |
| fptk (fptk,ρ) | Standard ultimate strength of strand before and after corrosion |
| εpu (εpu,ρ) | Strand ultimate strain before and after corrosion |
| εpy (εpy,ρ) | Strand yield strain before and after corrosion |
| fyk (fyk’) | Standard yield strength of non-prestressed tensile and compressive steel bar |
| As (As’) | Area of non-prestressed tensile and compressive steel bar |
| fck (fck,ρ) | Standard axial compressive strength of concrete before and after corrosion |
| εp,ρ | Calculated strain of corroded prestressing strand |
| ftk,ρ | Standard concrete axial tensile strength of concrete after strand corrosion |
| εcu | Concrete ultimate compressive strain |
| εc | Concrete peak compressive strain |
| ε1 | Average concrete tensile strain that is perpendicular to the prestressing force direction |
| K | Coefficient related to strand diameter and roughness |
| n | Number of steel wires to be considered for corrosion |
| wcr | Width of crack at a certain corrosion depth |
| μrs | Volume ratio of corroded oxide to strand subject to corrosion |
| b | Section width at the position of strand |
| bf’ | Section width of flange plate |
| W0,ρ | Flexural section resistance factor of converted section near the midspan |
| σpc,ρ | Concrete precompression stress generated by the effective prestress at the section’s lower edge |
| γ | Plasticity coefficient of the resisting moment |
| hp | Distance from strand to the compressive edge |
| hs | Distance from non-prestressed tensile steel bar to the compressive edge |
| as’ | Distance from non-prestressed compressive steel bar to the compressive edge |
| x (xc) | Actual and equivalent compressed zone heights of concrete |
| α1 | Stress coefficient of equivalent rectangular compression zone |
| β1 | Height coefficient of equivalent rectangular compression zone |
| Mcr,ρ | Calculated cracking moment |
| Mu,ρ | Calculated flexural bearing capacity |
| Q | External load applied at one loading point |
| δ | Midspan deflection |
| a | Distance from the loading point to the support |
| L | Calculated span of the scaled beam |
References
- Yang, O.; Li, H.; Ou, J.; Li, Q. Failure patterns and ultimate load-carrying capacity evolution of a prestressed concrete cable-stayed bridge: Case study. Adv. Struct. Eng. 2013, 16, 1283–1296. [Google Scholar] [CrossRef]
- Jeyashree, T.M.; Kannan Rajkumar, P.R.; Satyanarayanan, K.S. Developments and research on fire response behaviour of prestressed concrete members—A review. J. Build. Eng. 2022, 57, 104797. [Google Scholar] [CrossRef]
- Campione, G.; Zizzo, M. Influence of strands corrosion on the flexural behavior of prestressed concrete beams. Structures 2022, 45, 1366–1375. [Google Scholar] [CrossRef]
- Su, X.; Ma, Y.; Wang, L.; Guo, Z.; Zhang, J. Fatigue life prediction for prestressed concrete beams under corrosion deterioration process. Structures 2022, 43, 1704–1715. [Google Scholar] [CrossRef]
- Li, F.; Yuan, Y.; Li, C. Corrosion propagation of prestressing steel strands in concrete subject to chloride attack. Constr. Build. Mater. 2011, 25, 3878–3885. [Google Scholar] [CrossRef]
- Li, H.; Li, L.; Ye, M.; Li, M.; Wu, Y. Blast fragility assessment of aging coastal RC columns exposed to non-uniform CIC attacks using LBE function. J. Build. Eng. 2023, 71, 106510. [Google Scholar] [CrossRef]
- Li, H.; Li, L.; Zhou, G.; Xu, L. Time-dependent Seismic Fragility Assessment for Aging Highway Bridges Subject to Non-uniform Chloride-induced Corrosion. J. Earthq. Eng. 2022, 26, 1809561. [Google Scholar] [CrossRef]
- Li, H.; Li, L.; Zhou, G.; Xu, L. Effects of various modeling uncertainty parameters on the seismic response and seismic fragility estimates of the aging highway bridges. Bull. Earthq. Eng. 2020, 18, 6337–6373. [Google Scholar] [CrossRef]
- Jeon, C.H.; Lee, J.B.; Lon, S.; Shim, C.S. Equivalent material model of corroded prestressing steel strand. J. Mater. Res. Technol. 2019, 8, 2450–2460. [Google Scholar] [CrossRef]
- Jeon, C.H.; Nguyen, C.D.; Shim, C.S. Assessment of mechanical properties of corroded prestressing strands. Appl. Sci. 2020, 10, 4055. [Google Scholar] [CrossRef]
- Vecchi, F.; Franceschini, L.; Tondolo, F.; Belletti, B.; Sánchez Montero, J.; Minetola, P. Corrosion morphology of prestressing steel strands in naturally corroded PC beams. Constr. Build. Mater. 2021, 296, 123720. [Google Scholar] [CrossRef]
- Yu, Q.; Gu, X.; Zeng, Y.; Zhang, W. Flexural behavior of corrosion-damaged prestressed concrete beams. Eng. Struct. 2022, 272, 114985. [Google Scholar] [CrossRef]
- Bonopera, M.; Liao, W.; Perceka, W. Experimental–theoretical investigation of the short-term vibration response of uncracked prestressed concrete members under long-age conditions. Structures 2022, 35, 260–273. [Google Scholar] [CrossRef]
- Meng, Q.; Zhu, J.; Wang, T. Numerical prediction of long-term deformation for prestressed concrete bridges under random heavy traffic loads. J. Bridge Eng. 2019, 24, 04019107. [Google Scholar] [CrossRef]
- Zhang, X.; Wang, L.; Zhang, J.; Ma, Y.; Liu, Y. Flexural behavior of bonded post-tensioned concrete beams under strand corrosion. Nucl. Eng. Des. 2017, 313, 414–424. [Google Scholar] [CrossRef]
- Harries, K.A. Structural testing of prestressed concrete girders from the lake view drive bridge. J. Bridge Eng. 2009, 14, 78–92. [Google Scholar] [CrossRef]
- Rinaldi, Z.; Imperatore, S.; Valente, C. Experimental evaluation of the flexural behavior of corroded p/c beams. Constr. Build. Mater. 2010, 24, 2267–2278. [Google Scholar] [CrossRef]
- Wang, L.; Zhang, X.; Zhang, J.; Liu, Y. Simplified model for corrosion-induced bond degradation between steel strand and concrete. J. Mater. Civ. Eng. 2017, 29, 04016257. [Google Scholar] [CrossRef]
- Li, F. Effect of Steel Strands Corrosion on Prestressed Concrete Structures under Chloride Environment; China University of Mining and Technology: Xuzhou, China, 2008. (In Chinese) [Google Scholar]
- Qiu, Y. Experimental and Numerical Investigation of Flexural Performance of Corrosion-Affected High-Speed Rail Box Beam; Central South University: Changsha, China, 2014. (In Chinese) [Google Scholar]
- Lu, Z.; Zhou, Q.; Li, H.; Zhao, Y. A new empirical model for residual flexural capacity of corroded post-tensioned prestressed concrete beams. Structures 2021, 34, 4308–4321. [Google Scholar] [CrossRef]
- Lu, Y.; Vintzileou, E.; Zhang, G.; Tassios, T.P. Reinforced concrete scaled columns under cyclic actions. Soil Dyn. Earthq. Eng. 1999, 18, 151–167. [Google Scholar] [CrossRef]
- ŽArnic, R.; Gostič, S.; Crewe, A.J.; Taylor, C.A. Shaking table tests of 1:4 reduced-scale models of masonry infilled reinforced concrete frame buildings. Earthq. Eng. Struct. Dyn. 2001, 30, 819–834. [Google Scholar] [CrossRef]
- Kim, N.S.; Lee, J.H.; Chang, S.P. Equivalent multi-phase similitude law for pseudodynamic test on small scale reinforced concrete models. Eng. Struct. 2009, 31, 834–846. [Google Scholar] [CrossRef]
- GB 50010-2010; Code for Design of Concrete Structures. China Architecture & Building Press: Beijing, China, 2010. (In Chinese)
- GB 50017-2017; Standard for Design of Steel Structures. China Building and Building Press: Beijing, China, 2017. (In Chinese)
- Wang, L.; Li, T.; Dai, L.; Chen, W.; Huang, K. Corrosion morphology and mechanical behavior of corroded prestressing strands. J. Adv. Concr. Technol. 2020, 18, 545–557. [Google Scholar] [CrossRef]
- Chen, R. Research on Bearing Capacity of Acid Rain Corrosion Prestressed Concrete Beam and Existing Prestress Test; East China Jiaotong University: Nanchang, China, 2021. (In Chinese) [Google Scholar] [CrossRef]
- Kashani, M.M.; Crewe, A.J.; Alexander, N.A. Nonlinear stress–strain behaviour of corrosion-damaged reinforcing bars including inelastic buckling. Eng. Struct. 2013, 48, 417–429. [Google Scholar] [CrossRef]
- Feng, R.; He, X.; Wang, F.; Zeng, J.; Zhu, J. Experimental analysis of corroded rc continuous beams rehabilitated by ICCP-SS under unsymmetrical loading. Structures 2022, 46, 1171–1188. [Google Scholar] [CrossRef]
- Guo, T.; Chen, Z.; Liu, T.; Han, D. Time-dependent reliability of strengthened PSC box-girder bridge using phased and incremental static analyses. Eng. Struct. 2016, 117, 358–371. [Google Scholar] [CrossRef]
- Vereecken, E.; Botte, W.; Lombaert, G.; Caspeele, R. Assessment of corroded prestressed and posttensioned concrete structures: A review. Struct. Concr. 2021, 22, 2556–2580. [Google Scholar] [CrossRef]
- Tu, B.; Dong, Y.; Fang, Z. Time-dependent reliability and redundancy of corroded prestressed concrete bridges at material, component, and system levels. J. Bridge Eng. 2019, 24, 04019085. [Google Scholar] [CrossRef]
- Ma, Y.; Xue, C.; Wang, L.; She, Q.; Zhang, J. Pit geometry size distribution on corroded pre-stressed reinforcement. J. Trans. Sci. Eng. 2016, 3, 49–55. (In Chinese) [Google Scholar] [CrossRef]
- González, J.A.; Andrade, C.; Alonso, C.; Feliu, S. Comparison of ratios of general corrosion and maximum pitting penetration on concrete embedded steel reinforcement. Cem. Concr. Res. 1995, 25, 257–264. [Google Scholar] [CrossRef]
- Yoo, C.H.; Park, Y.C.; Kim, H.K. Modeling corrosion progress of steel wires in external tendons. J. Bridge Eng. 2018, 23, 04018098. [Google Scholar] [CrossRef]
- Coronelli, D. Bar Corrosion in Steel-Concrete Bond: Material and Structural Effects in R/C; Politecnico di Milano: Milano, Italy, 1998. [Google Scholar]
- Capé, M. Residual Service-Life Assessment of Existing Rc Structures; Chalmers University of Technology: Goteborg, Sweden, 1999. [Google Scholar]
- Wang, L.; Dai, L.; Yi, J.; Zhang, X.; Zhang, J. Expansion of prestressed strand corrosion products and concrete cracking prediction. Eng. Mech. 2018, 35, 54–62. (In Chinese) [Google Scholar]
- Yuan, J.; Yu, Z. Basic Principles of Concrete Structural Design, 3rd ed.; China Railway Publishing House: Beijing, China, 2015. (In Chinese) [Google Scholar]
- JGJ 369-2016; Code for Design of Prestressed Concrete Structures. China Architecture & Building Press: Beijing, China, 2016. (In Chinese)
- Masi, A.; Digrisolo, A.; Santarsiero, G. Analysis of a large database of concrete core tests with emphasis on within-structure variability. Materials 2019, 12, 1985. [Google Scholar] [CrossRef] [PubMed]
- Pacheco, J.; De Brito, J.; Chastre, C.; Evangelista, L. Experimental investigation on the variability of the main mechanical properties of concrete produced with coarse recycled concrete aggregates. Constr. Build. Mater. 2019, 201, 110–120. [Google Scholar] [CrossRef]
- Benenato, A.; Ferracuti, B.; Imperatore, S.; Kioumarsi, M.; Spagnuolo, S. Behaviour of prestressed concrete beams damaged by corrosion. In Proceedings of the CACRCS DAYS 2020, Online, 1–4 December 2020. [Google Scholar]
- Menoufy, A.E.; Soudki, K. Flexural behavior of corroded pretensioned girders repaired with CFRP sheets. PCI J. 2014, 59, 129–143. [Google Scholar] [CrossRef]
- Talha Junaid, M.; Shweiki, A.; Barakat, S.; Alhalabi, M.; Mostafa, O. Flexural characterization and ductility assessment of small-scale mortar beams reinforced with 3D-printed polymers. Structures 2022, 45, 1751–1761. [Google Scholar] [CrossRef]
- Han, S.; Fan, C.; Zhou, A.; Ou, J. Simplified implementation of equivalent and ductile performance for Steel-FRP composite bars reinforced seawater sea-sand concrete beams: Equal-stiffness design method. Eng. Struct. 2022, 266, 114590. [Google Scholar] [CrossRef]
- Li, Z.; Zhu, H.; Zhen, X.; Wen, C.; Chen, G. Effects of steel fiber on the flexural behavior and ductility of concrete beams reinforced with BFRP rebars under repeated loading. Compos. Struct. 2021, 270, 114072. [Google Scholar] [CrossRef]














| Items | Total Length/m | Cross-Section Near the Midspan | Cross-Section Near the Support | ||
|---|---|---|---|---|---|
| Area/mm2 | Inertia Moment/mm4 | Area/mm2 | Inertia Moment/mm4 | ||
| Prototype structure | 32.60 | 9.19 × 106 | 1.14 × 1013 | 1.44 × 107 | 1.61 × 1013 |
| Scaled beam | 2.08 | 3.69 × 104 | 1.88 × 108 | 4.88 × 104 | 2.65 × 108 |
| Theoretical ratio | 1/15.68 | 1/15.682 | 1/15.684 | 1/15.682 | 1/15.684 |
| Actual ratio | 1/15.67 | 1/15.782 | 1/15.694 | 1/15.782 | 1/15.704 |
| Materials | Cement (425#) | Sand | Gravel (8–12 mm) | Water | Fly Ash | Mineral Powder | Water Reducer |
|---|---|---|---|---|---|---|---|
| Dosage | 343 | 686 | 1072 | 147 | 88.2 | 58.2 | 4.9 |
| Item | Diameter/mm | Yield Strength/MPa | Ultimate Strength/MPa | Elastic Modulus/MPa |
|---|---|---|---|---|
| Steel strain | 15.2 | 1834.0 | 1872.0 | 1.95 × 105 |
| HRB335 | 8 | 322.4 | 430.4 | 2.00 × 105 |
| HPB235 | 6 | 330.0 | 480.0 | 2.10 × 105 |
| Specimen | L1 | L2 | L3 | L4 | L5 | L6 |
|---|---|---|---|---|---|---|
| Design corrosion time/h | 0 | 35.25 | 70.50 | 105.75 | 141.00 | 211.50 |
| Actual mass loss/% | 0 | 2.12 | 4.06 | 6.28 | 7.84 | 12.30 |
| Design mass loss/% | 0 | 2 | 4 | 6 | 8 | 12 |
| Standard deviation of mass loss/% | 0 | 0.63 | 1.25 | 0.83 | 1.07 | 2.54 |
| Test cracking load/kN | 72.0 | 68.0 | 62.2 | 65.8 | 58.0 | 52.0 |
| Test cracking moment/kN·m | 23.58 | 22.20 | 20.35 | 21.56 | 18.88 | 17.03 |
| Predicted cracking moment/kN·m | 23.06 | 21.50 | 20.27 | 19.32 | 18.62 | 17.41 |
| Test ultimate load/kN | 232.5 | 230.7 | 222.0 | 218.6 | 196.7 | 163.0 |
| Test flexural bearing capacity/kN·m | 76.14 | 75.55 | 72.71 | 71.59 | 64.43 | 53.38 |
| Predicted flexural bearing capacity/kN·m | 49.43 | 48.48 | 48.11 | 47.18 | 42.90 | 35.32 |
| Yield displacement/mm | 11.357 | 11.035 | 12.316 | 11.903 | 12.100 | 11.024 |
| Ultimate displacement/mm | 36.500 | 34.900 | 38.140 | 35.800 | 35.280 | 31.356 |
| Displacement ductility factor | 3.21 | 3.16 | 3.10 | 3.01 | 2.92 | 2.84 |
| Test failure mode | CC | CC | CC | CC | SR | SR |
| Predicted failure mode | CC | CC | CC | CC | SR | SR |
Disclaimer/Publisher’s Note: The statements, opinions and data contained in all publications are solely those of the individual author(s) and contributor(s) and not of MDPI and/or the editor(s). MDPI and/or the editor(s) disclaim responsibility for any injury to people or property resulting from any ideas, methods, instructions or products referred to in the content. |
© 2023 by the authors. Licensee MDPI, Basel, Switzerland. This article is an open access article distributed under the terms and conditions of the Creative Commons Attribution (CC BY) license (https://creativecommons.org/licenses/by/4.0/).
Share and Cite
Kuang, Y.; Yang, J.; Jing, H.; Tian, R.; Niu, K.; Yu, Z. Flexural Behavior of Corroded High-Speed Railway Simply Supported Prestressed Concrete Box Girder. Appl. Sci. 2023, 13, 8396. https://doi.org/10.3390/app13148396
Kuang Y, Yang J, Jing H, Tian R, Niu K, Yu Z. Flexural Behavior of Corroded High-Speed Railway Simply Supported Prestressed Concrete Box Girder. Applied Sciences. 2023; 13(14):8396. https://doi.org/10.3390/app13148396
Chicago/Turabian StyleKuang, Yachuan, Jiahui Yang, Haiquan Jing, Runan Tian, Kexiang Niu, and Zhiwu Yu. 2023. "Flexural Behavior of Corroded High-Speed Railway Simply Supported Prestressed Concrete Box Girder" Applied Sciences 13, no. 14: 8396. https://doi.org/10.3390/app13148396
APA StyleKuang, Y., Yang, J., Jing, H., Tian, R., Niu, K., & Yu, Z. (2023). Flexural Behavior of Corroded High-Speed Railway Simply Supported Prestressed Concrete Box Girder. Applied Sciences, 13(14), 8396. https://doi.org/10.3390/app13148396

