Maximum Power Point Tracking Algorithm of Photo-Voltaic Array through Determination of Boost Converter Conduction Mode
Abstract
1. Introduction
- We present an extensive investigation of a converter in DCM under conditions of varied weather and design of the components, which has not been previously well studied in the literature. The findings of this investigation indicate that there are several conditions during which converter enters DCM mode because of nonlinear characteristics of the PV source.
- This paper proposes a new method, in which a unique feature is introduced to restrict the converter’s movement into DCM. Mode identification of CCM and DCM is executed through a unique formula, and no new sensors are required to execute this process.
- Compared to previous algorithms, the proposed method results in the converter not becoming caught in DCM mode, and as such is better able to utilize PV-generated power.
2. Related Work
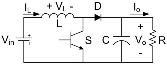
3. Analysis of Boost Converter
4. Design of Boost Converter for a PV Array
5. Boost Converter CCM/DCM Mode Analysis with Variations in L and Weather Conditions
- At high irradiance values, if the converter is operating in the constant current region or MPP zone, the converter stays in CCM. However, if it moves towards the Voc region, the converter enters DCM.
- At low irradiance values, i.e., from 250 and below, the converter may operate in DCM mode even in the MPP region due to the low source current from the PV array.
- In general, the P&O algorithm starts the first run from the region, i.e., in DCM mode. This means that if the algorithm is operating with a low voltage step it may become confused in this region, resulting in low convergence speed and poor dynamic efficiency.
- Because the P&O algorithm continues to searching the MPP under varying weather conditions, it may enter the DCM region frequently, potentially disrupting MPP tracking if it becomes caught in this region for several iterations.
6. Design of the Proposed MPPT Technique
6.1. Identification Mechanism of CCM/DCM
6.2. Functioning of Proposed MPPT
7. Simulation Experiments and Comparative Study
7.1. PV Module in PSIM
7.2. Case 1
7.3. Case 2
8. Discussion: Qualitative Comparison between MPPTs
9. Conclusions
Author Contributions
Funding
Institutional Review Board Statement
Informed Consent Statement
Data Availability Statement
Acknowledgments
Conflicts of Interest
Abbreviations
| Limit used in the algorithm | |
| k | Dead time period during which the inductor current becomes zero |
| CCM | Continuous Conduction Mode |
| Step size of the duty ratio D | |
| D | Duty ratio |
| DCM | Discontinuous Conduction Mode |
| Switching frequency | |
| PV current corresponding to the maximum power point | |
| Instantaneous photovoltaic current | |
| Short-circuit current of the PV module | |
| I–V | Current vs. voltage characteristics |
| L | Inductor used in the dc–dc converter |
| Minimum inductance to ensure CCM mode | |
| MPP | Maximum Power Point |
| MPPT | Maximum Power Point Tracking |
| Perturb and Observe MPPT algorithm | |
| P-V | Power vs. voltage characteristics |
| PV | Photovoltaic |
| Load resistance | |
| Output voltage ripple | |
| Inductor voltage | |
| Output voltage | |
| Open-circuit voltage of PV module | |
| Estimated value of | |
| Instantaneous photovoltaic voltage | |
| STC | Standard testing condition (1000 , 25 °C) |
| ON time of the mosfet used in the dc-dc converter |
References
- Rekinger, M.; Thies, F.; Masson, G.; Orlandi, S. Global Market Outlook for Solar Power 2015–2019 Solar Power Europe; Report; SolarPower Europe: Brussels, Belgium, 2015. [Google Scholar]
- Díaz, M.; Muñoz, J.; Rivera, M.; Rohten, J. A Comprehensive Control Strategy for a Push–Pull Microinverter Connected to the Grid. Energies 2023, 16, 3196. [Google Scholar] [CrossRef]
- Al Abri, W.; Al Abri, R.; Yousef, H.; Al-Hinai, A. A Design of Partial Shading Detection Method and Global Power Point Searching Technique for Grid-Connected PV System Operating Under Partial Shading Condition. In Proceedings of the 2023 IEEE PES Conference on Innovative Smart Grid Technologies-Middle East (ISGT Middle East), Abu Dhabi, United Arab Emirates, 12–15 March 2023; pp. 1–7. [Google Scholar]
- Agrawal, S.; Umanand, L. A Novel Converter using MPPT Algorithm and Acceleration Factor for Stand-alone PV System. 2023. under review. [Google Scholar]
- European Photovoltaic Industry Association. Global Market Outlook for Photovoltaics 2014–2018; European Photovoltaic Industry Association: Brussels, Belgium, 2014. [Google Scholar]
- Sher, H.A.; Murtaza, A.F.; Addoweesh, K.E.; Chiaberge, M. Pakistan’s progress in solar PV based energy generation. Renew. Sustain. Energy Rev. 2015, 47, 213–217. [Google Scholar] [CrossRef]
- Tabassum, M.; Kashem, S.B.A.; Siddique, M.B.M.; Afrouzi, H.N.; Ponnan, S.; Sharif, H.Z. Renewable energy adoption in third world countries. Int. J. Eng. Syst. Model. Simul. 2022, 13, 255–261. [Google Scholar] [CrossRef]
- Hussain, H.M.; Nardelli, P.H. A heuristic-based home energy management system for demand response. In Proceedings of the 2020 IEEE Conference on Industrial Cyberphysical Systems (ICPS), Tampere, Finland, 9–12 June 2020; Volume 1, pp. 285–290. [Google Scholar]
- Pearsall, N. Introduction to photovoltaic system performance. In The Performance of Photovoltaic (PV) Systems; Elsevier: Amsterdam, The Netherlands, 2017; pp. 1–19. [Google Scholar]
- Sher, H.A.; Addoweesh, K.E.; Al-Haddad, K. An efficient and cost-effective hybrid MPPT method for a photovoltaic flyback microinverter. IEEE Trans. Sustain. Energy 2017, 9, 1137–1144. [Google Scholar] [CrossRef]
- Said Adouairi, M.; Bossoufi, B.; Motahhir, S.; Saady, I. Application of fuzzy sliding mode control on a single-stage grid-connected PV system based on the voltage-oriented control strategy. Results Eng. 2023, 17, 100822. [Google Scholar] [CrossRef]
- Naddami, S.; Ababssi, N.; Mokhlis, M. Nonlinear Control of a Three-Phase, Double-Stage Grid-Tied Photovoltaic System. In Proceedings of the 3rd International Conference on Electronic Engineering and Renewable Energy Systems: ICEERE 2022, Saidia, Morocco, 20–22 May 2022; Springer: Berlin/Heidelberg, Germany, 2023; pp. 441–449. [Google Scholar]
- D’silva, S.; Zare, A.; Shadmand, M.B.; Bayhan, S.; Abu-Rub, H. Towards Resiliency Enhancement of Network of Grid-Forming and Grid-Following Inverters. IEEE Trans. Ind. Electron. 2023. [Google Scholar] [CrossRef]
- Morey, M.; Gupta, N.; Garg, M.M.; Kumar, A. A comprehensive review of grid-connected solar photovoltaic system: Architecture, control, and ancillary services. Renew. Energy Focus 2023, 45, 307–330. [Google Scholar] [CrossRef]
- Sher, H.A.; Rizvi, A.A.; Addoweesh, K.E.; Al-Haddad, K. A single-stage stand-alone photovoltaic energy system with high tracking efficiency. IEEE Trans. Sustain. Energy 2016, 8, 755–762. [Google Scholar] [CrossRef]
- Anjum, W.; Husain, A.R.; Abdul Aziz, J.; Fasih ur Rehman, S.M.; Bakht, M.P.; Alqaraghuli, H. A robust dynamic control strategy for standalone PV system under variable load and environmental conditions. Sustainability 2022, 14, 4601. [Google Scholar] [CrossRef]
- Ahmad, R.; Murtaza, A.F.; Sher, H.A. Power tracking techniques for efficient operation of photovoltaic array in solar applications–A review. Renew. Sustain. Energy Rev. 2019, 101, 82–102. [Google Scholar] [CrossRef]
- Kollimalla, S.K.; Mishra, M.K. Variable perturbation size adaptive P&O MPPT algorithm for sudden changes in irradiance. IEEE Trans. Sustain. Energy 2014, 5, 718–728. [Google Scholar]
- Bhattacharyya, S.; Samanta, S.; Mishra, S. Steady output and fast tracking MPPT (SOFT-MPPT) for P&O and InC algorithms. IEEE Trans. Sustain. Energy 2020, 12, 293–302. [Google Scholar]
- Sher, H.A.; Murtaza, A.F.; Noman, A.; Addoweesh, K.E.; Al-Haddad, K.; Chiaberge, M. A new sensorless hybrid MPPT algorithm based on fractional short-circuit current measurement and P&O MPPT. IEEE Trans. Sustain. Energy 2015, 6, 1426–1434. [Google Scholar]
- Hussain, A.; Garg, M.M.; Korukonda, M.P.; Hasan, S.; Behera, L. A parameter estimation based mppt method for a pv system using lyapunov control scheme. IEEE Trans. Sustain. Energy 2018, 10, 2123–2132. [Google Scholar] [CrossRef]
- Hassan, A.; Bass, O.; Masoum, M.A. An improved genetic algorithm based fractional open circuit voltage MPPT for solar PV systems. Energy Rep. 2023, 9, 1535–1548. [Google Scholar] [CrossRef]
- Noman, A.M.; Khan, H.; Sher, H.A.; Almutairi, S.Z.; Alqahtani, M.H.; Aljumah, A.S. Scaled Conjugate Gradient Artificial Neural Network-Based Ripple Current Correlation MPPT Algorithms for PV System. Int. J. Photoenergy 2023, 2023, 8891052. [Google Scholar] [CrossRef]
- Manas, M.; Dakka, O.; Sharma, S.; Arandhakar, S.; Kallelapu, R.; Golla, S. A novel metaheuristic-based robust unified control MPPT algorithm for grid-connected PV system. Electr. Power Syst. Res. 2023, 221, 109389. [Google Scholar] [CrossRef]
- Murtaza, A.F.; Sher, H.A.; Khan, F.U.; Nasir, A.; Spertino, F. Efficient mpp tracking of photovoltaic (pv) array through modified boost converter with simple smc voltage regulator. IEEE Trans. Sustain. Energy 2022, 13, 1790–1801. [Google Scholar] [CrossRef]
- Ahmed, N.; Sher, H.A.; Al-Durra, A.; Hasanien, H.M. Comprehensive analysis and design of a switched-inductor type low inductance-requirement DC-DC buck-boost converter for low power applications. IET Power Electronics 2023, 16, 1239–1254. [Google Scholar]
- Murtaza, A.F.; Sher, H.A. A Series Resonant Network based Boost Converter. In Proceedings of the 2023 International Conference on Emerging Power Technologies (ICEPT), Swabi, Pakistan, 6–7 May 2023; pp. 1–4. [Google Scholar]
- Raghavendra, K.V.G.; Zeb, K.; Muthusamy, A.; Krishna, T.; Kumar, S.V.P.; Kim, D.H.; Kim, M.S.; Cho, H.G.; Kim, H.J. A comprehensive review of DC–DC converter topologies and modulation strategies with recent advances in solar photovoltaic systems. Electronics 2019, 9, 31. [Google Scholar] [CrossRef]
- Mudlapur, A.; Ramana, V.V.; Damodaran, R.V.; Balasubramanian, V.; Mishra, S. Effect of partial shading on PV fed induction motor water pumping systems. IEEE Trans. Energy Convers. 2018, 34, 530–539. [Google Scholar] [CrossRef]
- Nagarjun, S.; Debnath, D.; Chakraborty, C. Buck-boost buck CCM-DCM converter for PV based DC standalone system. In Proceedings of the 2018 IEEE International Conference on Power Electronics, Drives and Energy Systems (PEDES), Chennai, India, 18–21 December 2018; pp. 1–6. [Google Scholar]
- Agorreta, J.L.; Reinaldos, L.; Gonzalez, R.; Borrega, M.; Balda, J.; Marroyo, L. Fuzzy switching technique applied to PWM boost converter operating in mixed conduction mode for PV systems. IEEE Trans. Ind. Electron. 2009, 56, 4363–4373. [Google Scholar] [CrossRef]
- Basha, C.H.; Murali, M. A new design of transformerless, non-isolated, high step-up DC-DC converter with hybrid fuzzy logic MPPT controller. Int. J. Circuit Theory Appl. 2022, 50, 272–297. [Google Scholar] [CrossRef]
- Adeel, M.; Sher, H.A.; Hassan, A.K.; Al-Haddad, K. Comparative Analysis of PV Parameter Extraction Algorithms. In Proceedings of the IECON 2022—48th Annual Conference of the IEEE Industrial Electronics Society, Brussels, Belgium, 17–20 October 2022; pp. 1–6. [Google Scholar]















| Algorithm | Mode of Operation | Time (ms) | |
|---|---|---|---|
| Case-1 | Conventional | Discontinuous | 0–0.08 |
| Continuous | 0.08–0.3 | ||
| Proposed | Discontinuous | 0–0.04 | |
| Continuous | 0.04–0.3 |
| Algorithm | Mode of Operation | Time (ms) | |
|---|---|---|---|
| Case-2 | Conventional | Continuous | 0–0.1 & 0.265–0.3 |
| Discontinuous | 0.1–0.265 | ||
| Proposed | Continuous | 0–0.1 & 0.22–0.3 | |
| Discontinuous | 0.1–0.22 |
| Parameters | Proposed | MPPT [20] | MPPT [22] | MPPT [24] | MPPT [18] |
|---|---|---|---|---|---|
| CCM/DCM Mode Identification | Yes | No | No | No | No |
| Overall Convergence Speed Coupled with DCM | High | High | Medium | Medium | Medium |
| Algorithmic Complexity | Low | Medium | High | High | Low |
| Extra Sensor Requirements | No | Yes | No | No | No |
| Extra Hardware Requirements | No | Yes | No | No | No |
| Computational Burden | Low | Medium | High | High | Medium |
Disclaimer/Publisher’s Note: The statements, opinions and data contained in all publications are solely those of the individual author(s) and contributor(s) and not of MDPI and/or the editor(s). MDPI and/or the editor(s) disclaim responsibility for any injury to people or property resulting from any ideas, methods, instructions or products referred to in the content. |
© 2023 by the authors. Licensee MDPI, Basel, Switzerland. This article is an open access article distributed under the terms and conditions of the Creative Commons Attribution (CC BY) license (https://creativecommons.org/licenses/by/4.0/).
Share and Cite
Noman, A.M.; Sheikh, H.S.; Murtaza, A.F.; Almutairi, S.Z.; Alqahtani, M.H.; Aljumah, A.S. Maximum Power Point Tracking Algorithm of Photo-Voltaic Array through Determination of Boost Converter Conduction Mode. Appl. Sci. 2023, 13, 8033. https://doi.org/10.3390/app13148033
Noman AM, Sheikh HS, Murtaza AF, Almutairi SZ, Alqahtani MH, Aljumah AS. Maximum Power Point Tracking Algorithm of Photo-Voltaic Array through Determination of Boost Converter Conduction Mode. Applied Sciences. 2023; 13(14):8033. https://doi.org/10.3390/app13148033
Chicago/Turabian StyleNoman, Abdullah M., Haseeb Shakeel Sheikh, Ali Faisal Murtaza, Sulaiman Z. Almutairi, Mohammed H. Alqahtani, and Ali S. Aljumah. 2023. "Maximum Power Point Tracking Algorithm of Photo-Voltaic Array through Determination of Boost Converter Conduction Mode" Applied Sciences 13, no. 14: 8033. https://doi.org/10.3390/app13148033
APA StyleNoman, A. M., Sheikh, H. S., Murtaza, A. F., Almutairi, S. Z., Alqahtani, M. H., & Aljumah, A. S. (2023). Maximum Power Point Tracking Algorithm of Photo-Voltaic Array through Determination of Boost Converter Conduction Mode. Applied Sciences, 13(14), 8033. https://doi.org/10.3390/app13148033

