A High Power Factor LED Driver with Intrinsic Current Balancing Capability
Abstract
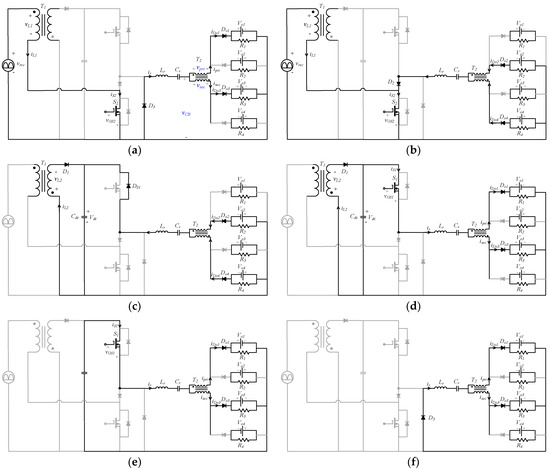
1. Introduction
2. Analysis of the Proposed LED Driver Circuit
- All components are considered ideal;
- The leakage inductance of T1 and T2 is negligible in comparison to the magnetizing inductance;
- The switching frequency (fs) of S1 and S2 is far higher than fL, thus, Vin is considered constant in a high-frequency period;
- The capacitances Cdc and Co1–Co4 are large enough so that the voltages across them (Vdc, Vo1–Vo4) are constant at steady-state operation;
- The current of each LED string is equal. (ILED1 = ILED2 = ILED3 = ILED4 = ILED).
2.1. Mode I ()
2.2. Mode II ()
2.3. Mode III ()
2.4. Mode IV ()
2.5. Mode V ()
2.6. Mode VI ()
3. Mathematical Equations for Parameters Design
3.1. Flyback-Typed Power-Factor Correction Circuit
3.2. Class-D Series Resonant Converter
4. Circuit Design and Experimental Results
4.1. Parameters Design
4.1.1. Parameters of the Flyback Converter
4.1.2. Parameters of the Resonant Converter
- Step 1 Calculate Ir,rms.
- Step 2 Calculate V1,rms and Vo1,rms.
- Step 3 Calculate Ro,equ and Xs.
- Step 4 Determine QL and Calculate Lr and Cr.
4.2. Experimental Results
5. Conclusions
Author Contributions
Funding
Institutional Review Board Statement
Informed Consent Statement
Data Availability Statement
Acknowledgments
Conflicts of Interest
References
- Li, L.; Gao, Y.; Jiang, H.; Mok, P.K.T.; Lau, K.M. An auto-zero-voltage-switching quasi-resonant LED driver with GaN FETs and fully integrated LED shunt protectors. IEEE J. Solid-State Circuits 2018, 53, 913–923. [Google Scholar] [CrossRef]
- Lee, E.S.; Choi, B.H.; Nguyen, D.T.; Jang, G.C.; Rim, C.T. Versatile LED drivers for various electronic ballasts by variable switched capacitor. IEEE Trans. Power Electron. 2016, 31, 1489–1502. [Google Scholar] [CrossRef]
- Esteki, M.; Khajehoddin, S.A.; Safaee, A.; Li, Y. LED system applications and LED driver topologies: A review. IEEE Access 2023, 11, 38324–38358. [Google Scholar] [CrossRef]
- Liu, X.; Zhou, Q.; Xu, J.; Lei, Y.; Wang, P.; Zhu, Y. High-efficiency resonant LED backlight driver with passive current balancing and dimming. IEEE Trans. Ind. Electron. 2018, 65, 5476–5486. [Google Scholar] [CrossRef]
- Zhao, C.; Xie, X.; Liu, S. Multioutput LED drivers with precise passive current balancing. IEEE Trans. Power Electron. 2013, 28, 1438–1448. [Google Scholar] [CrossRef]
- Chiu, H.J.; Cheng, S.J. LED backlight driving system for large-scale LCD panels. IEEE Trans. Ind. Electron. 2007, 54, 2751–2760. [Google Scholar] [CrossRef]
- Li, S.N.; Zhong, W.X.; Chen, W.; Hui, S.Y.R. Novel self-configurable current-mirror techniques for reducing current imbalance in parallel light-emitting diode (LED) strings. IEEE Trans. Power Electron. 2012, 27, 2153–2162. [Google Scholar] [CrossRef]
- Li, S.; Hui, S.Y.R. Self-configurable current-mirror circuit with short-circuit and open-circuit fault tolerance for balancing parallel light-emitting diode (LED) string current. IEEE Trans. Power Electron. 2014, 29, 5498–5550. [Google Scholar] [CrossRef]
- Qu, X.; Wong, S.C.; Tse, C.K. Noncascading structure for electronic ballast design for multiple LED lamps with independent brightness control. IEEE Trans. Power Electron. 2010, 25, 331–340. [Google Scholar]
- Kim, J.W.; Moon, J.P.; Moon, J.W. Duty-ratio-control-aided LLC converter for current balancing of two-channel LED driver. IEEE Trans. Ind. Electron. 2017, 64, 1178–1184. [Google Scholar] [CrossRef]
- Chen, H.; Zhang, Y.; Ma, D. A SIMO parallel-string driver IC for dimmable LED backlighting with local bus voltage optimization and single time-shared regulation loop. IEEE Trans. Power Electron. 2012, 27, 452–462. [Google Scholar] [CrossRef]
- Yang, W.H.; Yang, H.A.; Huang, C.J.; Chen, K.H. A high-efficiency single-inductor multiple-output buck-type LED driver with average current correction technique. IEEE Trans. Power Electron. 2018, 33, 3375–3385. [Google Scholar] [CrossRef]
- Qu, X.; Wong, S.C.; Tse, C.K. An improved LCLC current-source-output multistring LED driver with capacitive current balancing. IEEE Trans. Power Electron. 2015, 30, 5783–5791. [Google Scholar] [CrossRef]
- Wu, X.; Zhang, J.; Qian, Z. Multichannel LED driver with CLL resonant converter. IEEE Trans. Emerg. Sel. Top. Power Electron. 2015, 3, 589–598. [Google Scholar]
- Liu, T.; Liu, X.; He, M.; Zhou, S.; Meng, X.; Zhou, Q. Flicker-free resonant LED driver with high power factor and passive current Balancing. IEEE Access 2020, 9, 6008–6017. [Google Scholar] [CrossRef]
- Jiang, W.Z.; Hwu, K.I.; Chen, H.H. Applying hybrid passive current-sharing components to non-isolated LED driver. In Proceedings of the 2020 International Symposium on Computer, Consumer and Control, Taichung, Taiwan, 13–16 November 2020; pp. 259–262. [Google Scholar]
- Ye, Y.; Cheng, K.W.; Lin, J.; Wang, D. Single-switch multichannel current-balancing LED drive circuits based on optimized SC techniques. IEEE Trans. Ind. Electron. 2015, 62, 4761–4768. [Google Scholar] [CrossRef]
- Liu, X.S.; Yang, Q.; Zhou, Q.; Xu, J.P.; Zhou, G.H. Single-stage single-switch four-output resonant LED driver with high power factor and passive current balancing. IEEE Trans. Power Electron. 2017, 32, 4566–4576. [Google Scholar] [CrossRef]
- Gücin, T.N.; Fincan, B.; Biberoğlu, M. A series resonant converter-based Multichannel LED driver with inherent current balancing and dimming capability. IEEE Trans. Power Electron. 2019, 34, 2693–2703. [Google Scholar] [CrossRef]
- Guan, Y.; Cai, H.; Zhang, X.; Wang, Y.; Wang, W.; Xu, D. A soft-switching transformer-less step-down converter based on resonant current balance Module. In Proceedings of the IEEE Industry Applications Society Annual Meeting, Detroit, MI, USA, 11–15 October 2020. [Google Scholar]
- Wang, Y.; Guan, Y.; Ren, K.; Wang, W.; Xu, D. A single-stage LED driver based on BCM boost circuit and LLC converter for street lighting system. IEEE Trans. Ind. Electron. 2015, 62, 5446–5457. [Google Scholar] [CrossRef]
- Lu, D.D.C.; Iu, H.H.C.; Pjevalica, V. Single-stage ac/dc boost-forward converter with high power factor and regulated bus and output voltages. IEEE Trans. Ind. Electron. 2009, 56, 2128–2132. [Google Scholar] [CrossRef]
- Wang, Y.; Hu, X.; Guan, Y.; Xu, D. A single-stage LED driver based on half-bridge CLCL resonant converter and buck–boost circuit. IEEE Trans. Power Electron. 2019, 7, 196–208. [Google Scholar] [CrossRef]
- Liu, X.; Wan, Y.; Dong, Z.; He, M.; Zhou, Q.; Tse, C.K. Buck–boost–buck-type single-switch multistring resonant LED driver with high power factor and passive current balancing. IEEE Trans. Power Electron. 2020, 35, 5132–5143. [Google Scholar] [CrossRef]
- Cheng, H.L.; Chang, Y.N.; Chang, C.H.; Hsieh, S.Y.; Cheng, C.A. A novel high-power-factor AC/DC LED driver with dual flyback converters. IEEE Trans. Emerg. Sel. Topics Power Electron. 2019, 7, 555–564. [Google Scholar] [CrossRef]
- Hwu, K.I.; Chou, S.C. A simple current-balancing converter for LED lighting. In Proceedings of the Twenty-Fourth Annual IEEE Applied Power Electronics Conference and Exposition, Washington, DC, USA, 15–19 February 2009; pp. 587–590. [Google Scholar]
- Kazimierczuk, M.K.; Czarkowski, D. Resonant Power Converters, 1st ed.; John Wiley & Sons: New York, NY, USA, 1995; pp. 149–198. [Google Scholar]








| Vin | 110 V ± 10% (rms), 60 Hz |
| PLED | 72 W (24 × 3 W) |
| VLED | 23.1 V (6 × 3.85 V) |
| ILED | 0.78 A |
| fs | 50 kHz |
| D | 0.45 |
| T1 turns ratio n | 2 |
| DC-link Voltage Vdc | 100 V |
| Inductor Lf | 0.5 mH |
| Capacitor Cf | 2 μF |
| T1 primary inductance L1 | 0.306 mH |
| Capacitances Cdc, Co1–Co4 | 100 μF |
| Resonant Inductance Lr | 0.083 mH |
| Resonant Capacitance Cr | 220 nF |
| Active switches S1, S2, | SPW47N60C3 |
| Diodes Dr1~Dr4, D1~D3, Do1~Do4 | MUR460 |
Disclaimer/Publisher’s Note: The statements, opinions and data contained in all publications are solely those of the individual author(s) and contributor(s) and not of MDPI and/or the editor(s). MDPI and/or the editor(s) disclaim responsibility for any injury to people or property resulting from any ideas, methods, instructions or products referred to in the content. |
© 2023 by the authors. Licensee MDPI, Basel, Switzerland. This article is an open access article distributed under the terms and conditions of the Creative Commons Attribution (CC BY) license (https://creativecommons.org/licenses/by/4.0/).
Share and Cite
Cheng, H.-L.; Hung, Y.-C. A High Power Factor LED Driver with Intrinsic Current Balancing Capability. Appl. Sci. 2023, 13, 6879. https://doi.org/10.3390/app13126879
Cheng H-L, Hung Y-C. A High Power Factor LED Driver with Intrinsic Current Balancing Capability. Applied Sciences. 2023; 13(12):6879. https://doi.org/10.3390/app13126879
Chicago/Turabian StyleCheng, Hung-Liang, and Yi-Chan Hung. 2023. "A High Power Factor LED Driver with Intrinsic Current Balancing Capability" Applied Sciences 13, no. 12: 6879. https://doi.org/10.3390/app13126879
APA StyleCheng, H.-L., & Hung, Y.-C. (2023). A High Power Factor LED Driver with Intrinsic Current Balancing Capability. Applied Sciences, 13(12), 6879. https://doi.org/10.3390/app13126879

