Dynamic Characteristics Test and Simplified Calculation Model of Concealed Frame Panel Element
Abstract
:1. Introduction
2. Experiment on Panel Unit
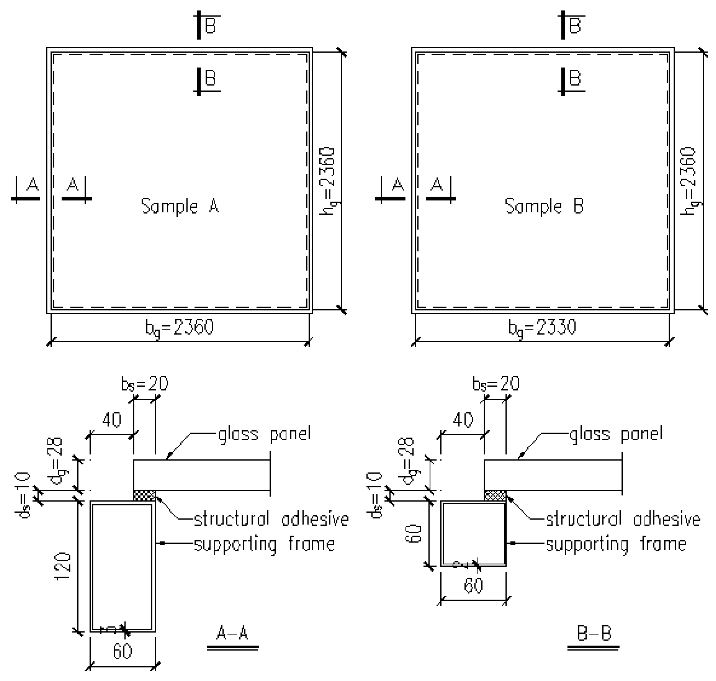
2.1. Test Profile
2.2. Sensor Layout and Loading Scheme
2.3. Experimental Results
3. Effect of Structural Sealant and Supporting Frame
4. The Construction of Simplified Models
5. Conclusions
- (1)
- The simply supported boundary model, which ignores both the influence of the structural sealant and the supporting frames, will overestimate the error of the inherent frequency of the panel unit by more than 40%. A model ignoring only the influence of supporting frames will overestimate the natural frequency by 20% as above. Therefore, the influence of the structural sealant and the supporting frame on the dynamic characteristics analysis of the hidden frame glass curtain wall panel units should not be neglected.
- (2)
- Since the main constraint of the structural sealant on the glass panel is a vertical translational effect other than the rotation effect, the structural sealant can be simplified as a vertical translational spring.
- (3)
- Using the simplified calculation model of the shell element of the glass panel, the spring element of the structural sealant and the beam element of the supporting frame, the relative error of the calculated natural frequencies is mostly less than 5%, showing a good calculation accuracy.
Author Contributions
Funding
Institutional Review Board Statement
Informed Consent Statement
Data Availability Statement
Conflicts of Interest
References
- Huang, X.K.; Zhao, X.A.; Liu, J.J.; Liu, G. Development of Building Curtain Walling Techniques in China over 30 Years. Build. Sci. 2013, 29, 80–88. (In Chinese) [Google Scholar]
- Boscato, G.; Reccia, E.; Cecchi, A. Non-destructive experimentation: Dynamic identification of multi-leaf masonry walls damaged and consolidated. Compos. Part B Eng. 2018, 133, 145–165. [Google Scholar] [CrossRef]
- Marques, D.; Flor, F.R.; de Medeiros, R.; Pagani, J.; do Carmo Pagani Junior, C.; Volnei, T. Structural Health Monitoring of Sandwich Struc-tures Based on Dynamic Analysis. Lat. Am. J. Solids Struct. 2017, 15, e58. [Google Scholar] [CrossRef] [Green Version]
- Quqa, S.; Landi, L.; Diotallevi, P.P. Modal assurance distribution of multivariate signals for modal identification of time-varying dynamic systems. Mech. Syst. Signal Process. 2021, 148, 107136. [Google Scholar] [CrossRef]
- Anjneya, K.; Roy, K. Response Surface-Based Model Updating in Structural Damage Identification Using Dynamic Responses. Structures 2021, 29, 1047–1058. [Google Scholar] [CrossRef]
- Meisam, G.; Abdul, R.H.; Zubaidah, I.; Khaled, G. Recent Developments in Damage Identification of Structures Using Data Mining. Lat. Am. J. Solids Struct. 2017, 14, 2373–2401. [Google Scholar]
- Yu, Y.; Liu, T.; Zhang, Q.L.; Yang, B. Wind-Induced Response of an L-Shaped Cable Support Glass Curtain Wall. Shock Vib. 2017, 2017, 1–16. [Google Scholar] [CrossRef] [Green Version]
- Reyes, J.C.; Correal, J.F.; Mancera, A.G.; Echeverry, J.S.; Gómez, J.S.; Sandoval, J.D.; Ángel, C.C. Experimental evaluation of permeable cable-supported facades subjected to wind and earthquake loads. Eng. Struct. 2020, 214, 110679. [Google Scholar] [CrossRef]
- Huang, B.F.; Chen, S.M.; Lu, W.S.; Mosalam, K.M. Seismic demand and experimental evaluation of the nonstructural building curtain wall: A review. Soil Dyn. Earthq. Eng. 2017, 100, 16–33. [Google Scholar] [CrossRef]
- Aiello, C.; Caterino, N.; Maddaloni, G.; Bonati, A.; Franco, A.; Occhiuzzi, A. Experimental and numerical investigation of cyclic response of a glass curtain wall for seismic performance assessment. Constr. Build. Mater. 2018, 187, 596–609. [Google Scholar] [CrossRef]
- Ren, W.X.; Peng, X.L. Baseline finite element modeling of a large span cable-stayed bridge through field ambient vibration tests. Comput. Struct. 2005, 83, 536–550. [Google Scholar] [CrossRef]
- Zare, H.A.; Ghodrati, A.G.; Jafarian, A.M.; Seyed, R.; Seyed, A.; Ghadimi, H.A. Baseline updating method for structural damage identification using modal residual force and grey wolf optimization. Eng. Optim. 2020, 52, 549–566. [Google Scholar] [CrossRef]
- Liu, X.G.; Bao, Y.W. Safety evaluation for frame supported glass curtain wall based on modal frequency change. Shen-Yang Univ. Technol. 2011, 33, 595–600. (In Chinese) [Google Scholar]
- Huang, Z.D.; Xie, M.W.; Song, H.K.; Du, Y. Modal analysis related safety-state evaluation of hidden frame supported glass curtain wall. J. Build. Eng. 2018, 20, 671–678. [Google Scholar] [CrossRef]
- Huang, Z.D.; Xie, M.W.; Zhao, J.H.; Du, Y.; Song, H.K. Rapid evaluation of hidden frame supported glass curtain wall safety state based on remote vibration measurement. J. Build. Eng. 2018, 19, 91–97. [Google Scholar] [CrossRef]
- Pan, D.G.; Jiang, K.; Zhang, X.C.; Huang, Y.; Caddemi, S. Sealants Delamination Detection of Structural Sealant Glazing Systems Based on Driving-point Accelerance. Shock Vib. 2020, 1, 7260438. [Google Scholar] [CrossRef]
- Zheng, H.; Zhang, X.C.; Wang, H.T.; Pan, D.G.; Jiang, K. Damage detection of bonded structure of building glass curtain wall based on origin FRF. J. Vib. Shock 2021, 40, 289–298. (In Chinese) [Google Scholar]
- Shi, B.J.; Yin, X.J.; Zhang, R.J.; Song, S.J. Experimental analysis and numerical simulation of mechanical behavior of glass curtain walls. J. Shandong Jianzhu Univ. 2006, 21, 474–479. (In Chinese) [Google Scholar]
- Juang, J.N.; Pappa, R.S. An eigensystem realization algorithm for modal parameter identification and model reduction. J. Guid. Control Dyn. 1985, 8, 620–627. [Google Scholar] [CrossRef]
- Cao, Z.Y. Vibration Theory of Plates and Shells; Railway Publishing House: Beijing, China, 1989. (In Chinese) [Google Scholar]
- Mottershead, J.E.; Friswell, M.I. Model updating in structural dynamics: A survey. J. Sound Vib. 1993, 167, 347–375. [Google Scholar] [CrossRef]
- Pan, D.G.; Zhang, A.Q. Structural Mechanics (I); TsingHua University Publishing House: Beijing, China, 2014. (In Chinese) [Google Scholar]









| Sample | 1 | 2 | 3 | 4 | 5 | 6 |
|---|---|---|---|---|---|---|
| A | 5.637 | 12.134 | 15.844 | 19.158 | 26.399 | 30.088 |
| B | 6.730 | 13.833 | 18.369 | 22.310 | 28.178 | 32.663 |
| Difference(%) | 16.241 | 12.282 | 13.746 | 14.128 | 6.313 | 7.884 |
| Material | Density (kg/m3) | Elastic Modulus(Gpa) | Poisson’s Ratio |
|---|---|---|---|
| Glass | 2500 | 72 | 0.20 |
| Aluminum | 2800 | 70 | 0.33 |
| Structural adhesive | 1350 | 0.001 | 0.45 |
| No. of Mode | Measured Values | Equation (1) | Model 1 | Model 2 | Model 3 |
|---|---|---|---|---|---|
| 1 | 5.637 | 6.956 (m = 1, n = 1) | 6.958 | 6.77 | 5.999 |
| 2 | 12.134 | 17.391 (m = 1, n = 2) | 17.427 | 16.73 | 12.401 |
| 3 | 15.844 | 17.391 (m = 2, n = 1) | 17.427 | 16.73 | 15.841 |
| 4 | 19.158 | 27.826 (m = 2, n = 2) | 27.879 | 25.92 | 19.272 |
| 5 | 26.399 | 34.782 (m = 2, n = 3) | 34.982 | 32.81 | 24.390 |
| 6 | 30.088 | 34.782 (m = 3, n = 2) | 34.982 | 32.91 | 29.594 |
| No. of Mode | Measured Values | Equation (1) | Model 1 | Model 2 | Model 3 |
|---|---|---|---|---|---|
| 1 | 6.730 | 7.816 (m = 1, n = 1) | 7.817 | 7.534 | 7.005 |
| 2 | 13.833 | 17.957 (m = 1, n = 2) | 17.981 | 17.026 | 14.282 |
| 3 | 18.369 | 21.125 (m = 2, n = 1) | 21.159 | 20.007 | 19.095 |
| 4 | 22.310 | 31.266 (m = 2, n = 2) | 31.306 | 28.421 | 21.226 |
| 5 | 28.178 | 34.858 (m = 2, n = 3) | 34.999 | 32.387 | 27.420 |
| 6 | 32.663 | 43.307 (m = 3, n = 2) | 43.496 | 39.638 | 31.877 |
| Order | Measured Values | Model 4 | Model 5 | Model 6 |
|---|---|---|---|---|
| 1 | 5.637 | 6.003 | 6.063 | 5.951 |
| 2 | 12.134 | 12.365 | 12.641 | 12.056 |
| 3 | 15.844 | 16.007 | 16.032 | 16.136 |
| 4 | 19.158 | 19.044 | 19.468 | 19.269 |
| 5 | 26.399 | 25.099 | 25.181 | 25.145 |
| 6 | 30.088 | 29.066 | 29.302 | 30.001 |
| Order | Measured Values | Model 4 | Model 5 | Model 6 |
|---|---|---|---|---|
| 1 | 6.730 | 6.9577 | 7.0439 | 6.975 |
| 2 | 13.833 | 14.286 | 14.472 | 13.965 |
| 3 | 18.369 | 18.924 | 19.153 | 19.317 |
| 4 | 22.310 | 22.63 | 22.941 | 22.278 |
| 5 | 28.178 | 27.838 | 28.172 | 28.264 |
| 6 | 32.663 | 32.507 | 32.941 | 32.381 |
Publisher’s Note: MDPI stays neutral with regard to jurisdictional claims in published maps and institutional affiliations. |
© 2022 by the authors. Licensee MDPI, Basel, Switzerland. This article is an open access article distributed under the terms and conditions of the Creative Commons Attribution (CC BY) license (https://creativecommons.org/licenses/by/4.0/).
Share and Cite
Zhang, X.; Xiang, C.; Pan, D.; Fu, X.; Tan, S. Dynamic Characteristics Test and Simplified Calculation Model of Concealed Frame Panel Element. Appl. Sci. 2022, 12, 4224. https://doi.org/10.3390/app12094224
Zhang X, Xiang C, Pan D, Fu X, Tan S. Dynamic Characteristics Test and Simplified Calculation Model of Concealed Frame Panel Element. Applied Sciences. 2022; 12(9):4224. https://doi.org/10.3390/app12094224
Chicago/Turabian StyleZhang, Xichen, Changxin Xiang, Danguang Pan, Xiangqiu Fu, and Shiyou Tan. 2022. "Dynamic Characteristics Test and Simplified Calculation Model of Concealed Frame Panel Element" Applied Sciences 12, no. 9: 4224. https://doi.org/10.3390/app12094224
APA StyleZhang, X., Xiang, C., Pan, D., Fu, X., & Tan, S. (2022). Dynamic Characteristics Test and Simplified Calculation Model of Concealed Frame Panel Element. Applied Sciences, 12(9), 4224. https://doi.org/10.3390/app12094224

