Influence of Five Additives on No Loading Swelling Potential of Red Clay
Abstract
:1. Introduction
2. Materials and Methods
2.1. Materials
2.2. Specimen Preparation
2.3. Test Procedures
3. Results and Discussion
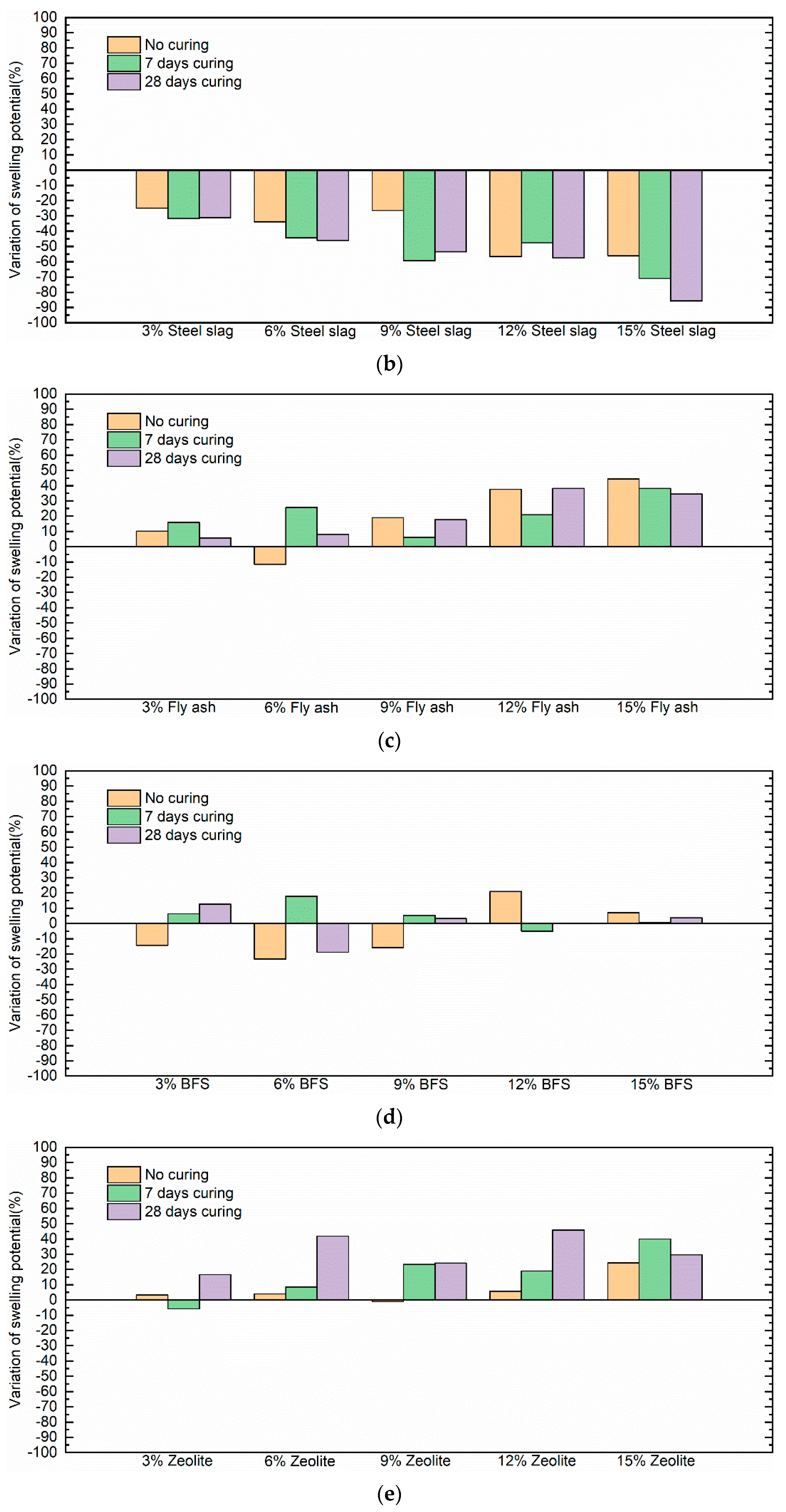
3.1. No Loading Swelling Ratio Test
3.2. X-ray Diffraction Quantitative Analysis of Clay Minerals
3.3. Scanning Electron Microscopy
3.4. Direct Shear Test
4. Conclusions
- For cement, zeolite powder, blast furnace slag, steel slag and fly ash were added separately to red clay. Cement and steel slag can significantly reduce the swelling potential of red clay compared with the other three additives. The modification effect of cement can be reflected after a certain period of curing, whereas the modification effect of steel slag depends more on the increase in steel slag content. When cement is added to red clay, the cement clinker reacts with the water in the red clay to form a large number of CSH and CAH colloids. These colloids fill the pores in the red clay and bond the soil particles as a whole, which greatly improves the compactness of the clay, reduces the water absorption capacity of the clay, and improves the resistance to inhibit the swelling of the clay.
- Adding steel slag can reduce the swelling potential of red clay without curing. The main reason for this is that Fe and Mn ions are adsorbed on the surface of negatively charged clay slices, so as to reduce the number of water molecules adsorbed by hydrogen bonds formed on the surface of the clay slices. Because the adsorption of ions on the surface of clay slices can be considered to occur at the same time when steel slag is added to red clay, the steel slag can immediately modify the swelling properties of red clay. SEM images show that the pozzolanic reaction in steel slag-modified specimens is similar to that in cement-modified specimens. A certain quantity of CSH and CAH colloids are formed, but this quantity is far less than that of cement.
- According to the position and intensity of diffraction peaks of clay minerals shown in XRD patterns, the diffraction peak relative intensity of kaolinite in steel slag-modified clay and cement-modified clay is higher than that in red clay. Therefore, the addition of steel slag and cement can change the relative content of clay minerals in red clay, reduce the relative content of hydrophilic clay minerals such as montmorillonite and illite, and increase the relative content of kaolinite. The content of nonhydrophilic clay minerals in red clay increases relatively, and the water stability of red clay is also improved. The above phenomenon is more obvious in cement-modified clay than in steel slag-modified clay.
- When steel slag is added alone, it causes a decrease in the water content in the specimen, and then causes a large loss of cohesion in the short term. After a certain curing period, the cohesion of the steel slag-modified specimen can be restored due to the bonding effect of CSH and CAH colloids caused by the pozzolanic reaction in the steel slag modified-specimen. The production of CSH and CAH colloids in the cement-modified specimen is much higher than that in the steel slag-modified specimen, so the cohesion of the cement-modified specimen can be greatly improved after a certain period of curing.
Author Contributions
Funding
Institutional Review Board Statement
Informed Consent Statement
Data Availability Statement
Conflicts of Interest
References
- She, J.; Lu, Z.; Yao, H.; Fang, R.; Xian, S. Experimental Study on the Swelling Behavior of Expansive Soil at Different Depths under Unidirectional Seepage. Appl. Sci. 2019, 9, 1233. [Google Scholar] [CrossRef] [Green Version]
- Cheng, Y.; Huang, X. Effect of Mineral Additives on the Behavior of an Expansive Soil for Use in Highway Subgrade Soils. Appl. Sci. 2019, 9, 30. [Google Scholar] [CrossRef] [Green Version]
- Al-Mukhtar, M.; Lasledj, A.; Alcover, J.-F. Behaviour and mineralogy changes in lime-treated expansive soil at 50 °C. Appl. Clay Sci. 2010, 50, 199–203. [Google Scholar] [CrossRef]
- TFHRC. Transportation and Federal Highways Research Council-U.S. Department of Transportation. Blast Furnace Slag, Material Description Guideline. 2004. Available online: http://www.tfhrc.gov/hnr20/recycle/waste/bfs1.html (accessed on 22 December 2021).
- Cokca, E.; Yazici, V.; Ozaydin, V. Stabilization of Expansive Clays Using Granulated Blast Furnace Slag (GBFS) and GBFS-Cement. Geotech. Geol. Eng. 2009, 27, 489–499. [Google Scholar] [CrossRef]
- Fasihnikoutalab, M.H.; Pourakbar, S.; Ball, R.; Unluer, C.; Cristelo, N. Sustainable soil stabilisation with ground granulated blast-furnace slag activated by olivine and sodium hydroxide. Acta Geotech. 2020, 15, 1981–1991. [Google Scholar] [CrossRef]
- Chen, L.; Chen, X.; Wang, H.; Huang, X.; Song, Y. Mechanical Properties and Microstructure of Lime-Treated Red Clay. KSCE J. Civ. Eng. 2021, 25, 70–77. [Google Scholar] [CrossRef]
- Wang, J.; Wang, S.; Hong, M.; Li, Y.; Wu, G.; Li, L.; Zhang, J. Correlation Analysis between Clay Mineral Composition and Shear Strength. J. Southwest Jiaotong Univ. 2018, 53, 1033–1038. [Google Scholar] [CrossRef]
- Yu, H.M.; Wang, Q. Steel Slag: Treatment and Resource Utilization; Metallurgical Industry Press: Beijing, China, 2015. [Google Scholar]
- Global Crude Steel Output Decreases by 0.9% in 2020. Available online: https://www.worldsteel.org/media-centre/press-releases/2021/Global-crude-steel-output-decreases-by-0.9--in-2020.html (accessed on 22 December 2021).
- Malasavage, N.E.; Jagupilla, S.; Grubb, D.G.; Wazne, M.; Coon, W.P. Geotechnical Performance of Dredged Material—Steel Slag Fines Blends: Laboratory and Field Evaluation. J. Geotech. Geoenviron. Eng. 2012, 138, 981–991. [Google Scholar] [CrossRef]
- Poh, H.Y.; Ghataora, G.S.; Ghazireh, N. Soil Stabilization Using Basic Oxygen Steel Slag Fines. J. Mater. Civ. Eng. 2006, 18, 229–240. [Google Scholar] [CrossRef]
- Akinwumi, I. Soil Modification by the Application of Steel Slag. Period. Polytech. Civ. Eng. 2014, 58, 371–377. [Google Scholar] [CrossRef] [Green Version]
- Mir, B.A.; Sridharan, A. Mechanical behaviour of fly ash-treated expansive soil. Ground Improv. Proc. Inst. Civ. Eng. 2019, 172, 12–24. [Google Scholar] [CrossRef]
- Mir, B.A.; Sridharan, A. Volume change behavior of clayey soil–fly ash mixtures. Int. J. Geotech. Eng. 2014, 8, 72–83. [Google Scholar] [CrossRef]
- Ramu, K.; DayakarBabu, R. A Laboratory Study on the Stabilized Expansive Soil with Partial Replacement of Fly Ash and Palm Oil Fuel Ash. Lect. Notes Civ. Eng. 2022, 152, 69–78. [Google Scholar] [CrossRef]
- Sharo, A.A.; Shaqour, F.M.; Ayyad, J.M. Maximizing Strength of CKD—Stabilized Expansive Clayey Soil Using Natural Zeolite. KSCE J. Civ. Eng. 2021, 25, 1204–1213. [Google Scholar] [CrossRef]
- Eyo, E.U.; Ng’Ambi, S.; Abbey, S.J. Performance of clay stabilized by cementitious materials and inclusion of zeolite/alkaline metals-based additive. Transp. Geotech. 2020, 23, 100330. [Google Scholar] [CrossRef]
- Goodarzi, A.R.; Goodarzi, S.; Akbari, H.R. Assessing geo-mechanical and micro-structural performance of modified expansive clayey soil by silica fume as industrial waste. Iran. J. Sci. Technol.-Trans. Civ. Eng. 2015, 39, 333–350. [Google Scholar] [CrossRef]
- Xu, B.; Yi, Y. Soft Clay Stabilization Using Three Industry Byproducts. J. Mater. Civ. Eng. 2021, 33, 06021002. [Google Scholar] [CrossRef]
- Yang, Q.; Du, C.; Zhang, J.; Yang, G. Influence of Silica Fume and Additives on Unconfined Compressive Strength of Cement-Stabilized Marine Soft Clay. J. Mater. Civ. Eng. 2020, 32, 04019346. [Google Scholar] [CrossRef]
- Huang, K.; Wan, J.-W.; Chen, G.; Zeng, Y. Testing study of relationship between water content and shear strength of unsaturated soils. Rock Soil Mech. 2012, 33, 2600. [Google Scholar]
- GB/T 50123-2019; National Standard of the People’s Republic of China. Standard for Geotechnical Testing Method. CSBTS & Ministry of Construction: Beijing, China, 2019.
- ASTM D2487; Standard Practice for Classification of Soils for Engineering Purposes (Unified Soil Classification System). ASTM International: West Conshohocken, PA, USA, 2017.
- ASTM D4318; Standard Test Methods for Liquid Limit, Plastic Limit, and Plasticity Index of Soils. ASTM International: West Conshohocken, PA, USA, 2017.
- Sridharan, A.; Jayadeva, M.S. Double layer theory and compressibility of clays. Geotechnique 1982, 32, 133–144. [Google Scholar] [CrossRef]
- Ikari, M.J.; Kopf, A.J. Cohesive strength of clay-rich sediment. Geophys. Res. Lett. 2011, 38, L16309. [Google Scholar] [CrossRef]
- Komine, H. Simplified evaluation for swelling characteristics of bentonites. Eng. Geol. 2004, 71, 265–279. [Google Scholar] [CrossRef]
- Zeng, Z.; Cui, Y.-J.; Conil, N.; Talandier, J. Experimental study on the aeolotropic swelling behaviour of compacted bentonite/claystone mixture with axial/radial technological voids. Eng. Geol. 2020, 278, 105846. [Google Scholar] [CrossRef]








| Physical and Index Properties of the Red Clay | Quantity |
|---|---|
| Natural density (g/cm3) | 1.92 |
| Dry density (g/cm3) | 1.64 |
| Liquid limit (%) | 63.30 |
| Plastic limit (%) | 11.31 |
| Plasticity index (%) | 51.99 |
| Optimum moisture content (%) | 9.55 |
| Unified soil classification | CH |
| Free swelling ratio (%) | 68.00 |
| Total cohesion (kPa) | 21.51 |
| Total angle of internal friction (°) | 30.90 |
| Chemical Composition | Red Clay (%) | Cement (%) | Steel Slag (%) | BFS (%) | Fly Ash (%) | Zeolite (%) |
|---|---|---|---|---|---|---|
| CaO | 0.74 | 47.40 | 41.22 | 59.31 | 3.60 | 2.80 |
| SiO2 | 52.99 | 15.82 | 6.32 | 16.31 | 35.71 | 65.41 |
| Al2O3 | 18.78 | 10.67 | 2.88 | 10.24 | 37.34 | 11.02 |
| Fe2O3 | 13.48 | 4.96 | 22.44 | 1.46 | 9.86 | 2.53 |
| MgO | 1.04 | 4.49 | 5.68 | 5.63 | 0.46 | 0.89 |
| SO3 | - | - | 0.59 | - | - | - |
| Na2O | 0.07 | 0.65 | 0.37 | 0.43 | 0.19 | 1.37 |
| K2O | 5.06 | 0.96 | 0.33 | 0.57 | 1.66 | 6.85 |
| P2O5 | 0.08 | 0.06 | - | - | 0.43 | 0.04 |
| MnO | 0.17 | 0.37 | 3.80 | 1.00 | 0.09 | 0.13 |
| ZrO2 | 0.52 | 0.32 | 0.14 | 0.45 | 1.49 | 0.14 |
| Cl | - | 1.24 | 0.06 | 0.06 | - | 0.08 |
| S | 0.02 | 1.78 | - | 1.22 | - | 0.02 |
| SrO | 0.06 | 0.67 | 0.17 | 0.67 | 1.63 | 0.11 |
| Loss of ignition | 4.97 | 8.20 | 12.77 | - | 2.05 | 7.86 |
| Specimen Number | Additives | The Relative Content of Clay Minerals | |||||
|---|---|---|---|---|---|---|---|
| S 1 | I/S 1 | It 1 | Kao 1 | C 1 | C/S 1 | ||
| 1 | - | 1 | 49 | 28 | 22 | - | - |
| 2 | 15% Steel Slag | 1 | 47 | 22 | 30 | - | - |
| 3 | 9% Cement | 2 | - | 48 | 50 | - | - |
Publisher’s Note: MDPI stays neutral with regard to jurisdictional claims in published maps and institutional affiliations. |
© 2022 by the authors. Licensee MDPI, Basel, Switzerland. This article is an open access article distributed under the terms and conditions of the Creative Commons Attribution (CC BY) license (https://creativecommons.org/licenses/by/4.0/).
Share and Cite
Yue, B.; Zhao, Z.; Qian, Z. Influence of Five Additives on No Loading Swelling Potential of Red Clay. Appl. Sci. 2022, 12, 3455. https://doi.org/10.3390/app12073455
Yue B, Zhao Z, Qian Z. Influence of Five Additives on No Loading Swelling Potential of Red Clay. Applied Sciences. 2022; 12(7):3455. https://doi.org/10.3390/app12073455
Chicago/Turabian StyleYue, Bing, Ziye Zhao, and Zengzhen Qian. 2022. "Influence of Five Additives on No Loading Swelling Potential of Red Clay" Applied Sciences 12, no. 7: 3455. https://doi.org/10.3390/app12073455
APA StyleYue, B., Zhao, Z., & Qian, Z. (2022). Influence of Five Additives on No Loading Swelling Potential of Red Clay. Applied Sciences, 12(7), 3455. https://doi.org/10.3390/app12073455
