Energy Saving in Electromechanical Grain Cleaning Systems
Abstract
:1. Introduction
- (1)
- Investigating the influence of physical and chemical properties of grain and operating modes of the production lines on SEC;
- (2)
- Determining the quantitative value of the SEC of the production lines for grain cleaning;
- (3)
- Establishing the correlation between the SEC of grain cleaning process, its productivity and operating modes of the production lines equipment [7];
- (4)
- Carrying out a comparative analysis of theoretical and experimental data.
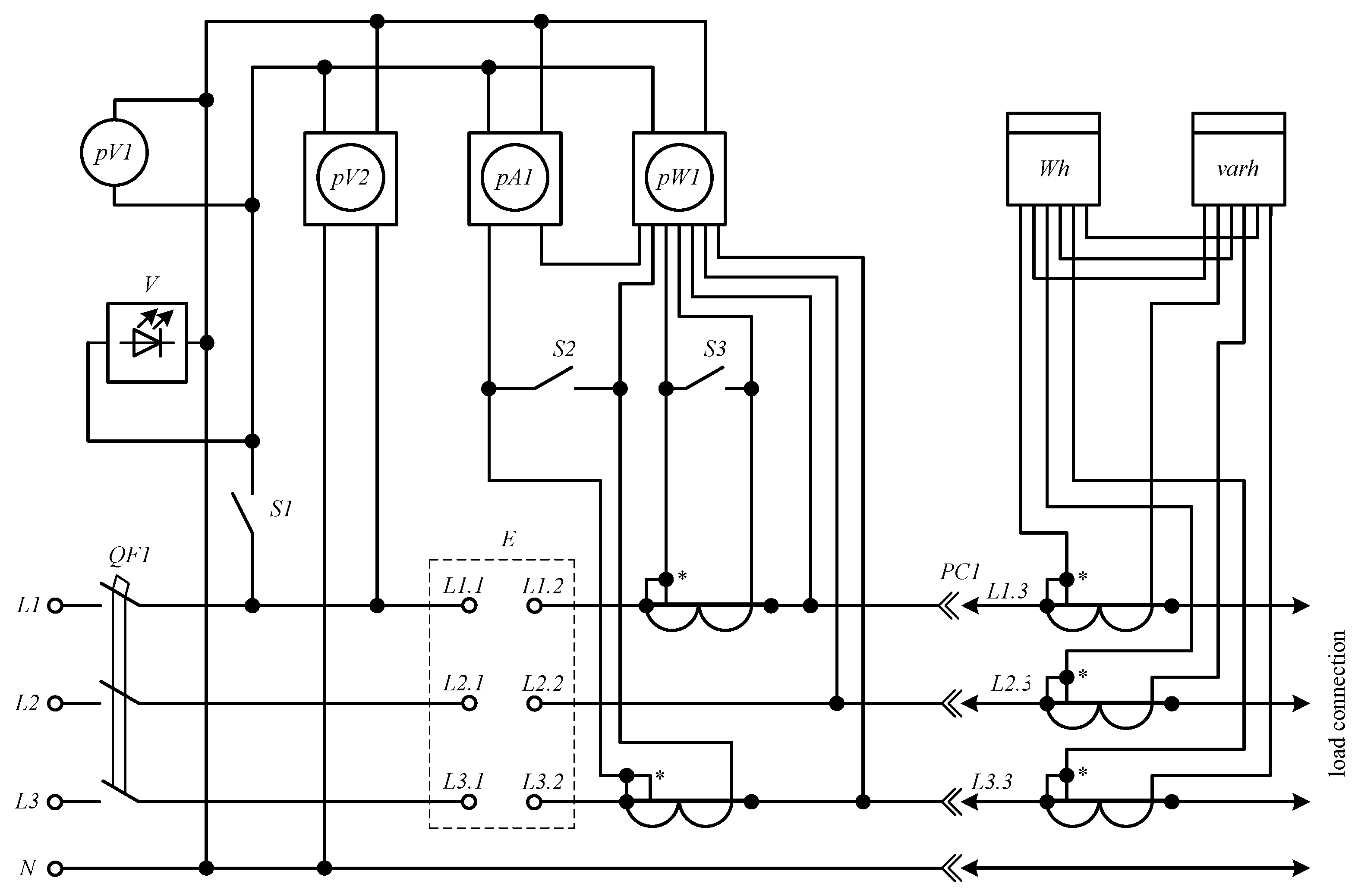
2. Materials and Methods
3. Results
4. Discussion
5. Conclusions
Author Contributions
Funding
Institutional Review Board Statement
Informed Consent Statement
Data Availability Statement
Conflicts of Interest
References
- Postnikova, M.V. Energy-Saving Modes of Operation of Electromechanical Grain Processing Systems at Grain Stations. Ph.D. Thesis, Tavria State Agrotechnological University, Melitopol, Ukraine, 2011. [Google Scholar]
- Havrysh, V.; Nitsenko, V.; Bilan, Y.; Streimikiene, D. Assessment of optimal location for a centralized biogas upgrading facility. Energy Environ. 2019, 3, 462–480. [Google Scholar] [CrossRef]
- Havrysh, V.; Nitsenko, V.; Perevozova, I.; Kulyk, T.; Vasylyk, O. Alternative Vehicle Fuels Management: Energy, Environmental and Economic Aspects. In Advanced Energy Technologies and Systems I. Studies in Systems, Decision and Control; Zaporozhets, A., Ed.; Springer: Cham, Switzerland, 2022; Volume 395, pp. 91–115. [Google Scholar]
- Qawaqzeh, M.Z.; Szafraniec, A.; Halko, S.; Miroshnik, O.; Zharkov, A. Modelling of a household electricity supply system based on a wind power plant. Prz. Elektrotech. 2020, 96, 36–40. [Google Scholar] [CrossRef]
- Szafraniec, A.; Halko, S.; Miroshnik, O.; Figura, R.; Zharkov, A.; Vershkov, O. Magnetic field parameters mathematical modelling of wind-electric heater. Prz. Elektrotech. 2021, 97, 36–41. [Google Scholar]
- Halko, S.; Suprun, O.; Miroshnyk, O. Influence of Temperature on Energy Performance Indicators of Hybrid Solar Panels Using Cylindrical Cogeneration Photovoltaic Modules. In Proceedings of the 2021 IEEE 2nd KhPI Week on Advanced Technology (KhPIWeek), Kharkiv, Ukraine, 13–17 September 2021; pp. 132–136. [Google Scholar]
- Nitsenko, V.; Mardani, A.; Streimikis, J.; Shkrabak, I.; Klopov, I.; Novomlynets, O.; Podolska, O. Criteria for Evaluation of Efficiency of Energy Transformation Based on Renewable Energy Sources. Montenegrin J. Econ. 2018, 14, 237–247. [Google Scholar] [CrossRef]
- Bazaluk, O.; Havrysh, V.; Nitsenko, V. Energy Efficiency of Inland Waterways Transport for Agriculture: The Ukraine Case Study. Appl. Sci. 2021, 11, 8937. [Google Scholar] [CrossRef]
- Bazaluk, O.; Havrysh, V.; Fedorchuk, M.; Nitsenko, V. Energy Assessment of Sorghum Cultivation in Southern Ukraine. Agriculture 2021, 11, 695. [Google Scholar] [CrossRef]
- Bilan, Y.; Nitsenko, V.; Havrysh, V. Energy aspect of vertical integration in agriculture. Rynek Energii 2017, 5, 98–110. [Google Scholar]
- Nazar’jan, G.N.; Postnikova, M.V.; Karpova, A.P. Solving Optimization Problems for Research Objects by Planning a Mathematical Experiment; Ljuks: Melitopol, Ukraine, 2012. [Google Scholar]
- Kalinichenko, A.; Havrysh, V.; Nitsenko, V. Alternative Vehicle Fuel Management: Impact on Energy Security Indicators. In Infrastructure and Environment; Krakowiak-Bal, A., Vaverkova, M., Eds.; Springer: Cham, Switzerland, 2019; pp. 367–374. [Google Scholar]
- Postnikova, M.; Mikhailov, E.; Nesterchuk, D.; Rechina, O. Energy Saving in the Technological Process of the Grain Grinding. In Modern Development Paths of Agricultural Production; Nadykto, V., Ed.; Springer: Cham, Switzerland, 2019; pp. 395–403. [Google Scholar]
- Podpryatov, G.I.; Rozhko, V.I.; Skaletskaya, L.F. Technology of Storage and Processing of Crop Products; Ahrarna Osvita: Kyiv, Ukraine, 2014; p. 393. [Google Scholar]
- Paraschiv, G.; Manole, C. Explaining the phenomenon of separation into fractions of a mixture of particulate matter by applying the principle of minimum energy. INMATEH-Agric. Eng. 2015, 45, 65–70. [Google Scholar]
- Bilgin, B.; Liang, J.; Terzic, M.V.; Dong, J.; Rodriguez, R.; Trickett, E.; Emadi, A. Modeling and Analysis of Electric Motors: State-of-the-Art Review. IEEE Trans. Transp. Electrif. 2019, 5, 602–617. [Google Scholar] [CrossRef] [Green Version]
- Linenko, A.; Khalilov, B.; Kamalov, T.; Tuktarov, M.; Syrtlanov, D. Effective technical ways to improve the vibro-centrifugal separator electric drive for grain cleaning. J. Agric. Eng. 2021, 52, 1136. [Google Scholar] [CrossRef]
- Mikhailov, E.; Postnikova, M.; Zadosnaia, N.; Afanasyev, O. Methodological Aspects of Determining Parameters of a Scalper-Type Air-Sieved Separator Airflow. In Modern Development Paths of Agricultural Production; Nadykto, V., Ed.; Springer: Cham, Switzerland, 2019; pp. 133–137. [Google Scholar]
- Nesterenko, A.V.; Leshchenko, S.M.; Vasylkovskyi, O.M.; Petrenko, D.I. Analytical assessment of the pneumatic separation quality in the process of grain multilayer feeding. INMATEH–Agric. Eng. 2017, 53, 65–70. [Google Scholar]
- Konopka, S.; Choszcz, D.J.; Markowski, P. Optimization of the Separation Parameters and Indicators of Separation Efficiency of Buckwheat Seeds. Sustainability 2017, 9, 2134. [Google Scholar] [CrossRef] [Green Version]
- Mudarisov, S.G.; Badretdinov, I.D. Numerical implementation of a mathematical model of the technological process of the diametric fan in a rotating coordinate system. News Int. Acad. Agrar. Educ. 2013, 17, 79–83. [Google Scholar]
- Nitsenko, V.; Kotenko, S.; Hanzhurenko, I.; Mardani, A.; Stashkevych, I.; Karakai, M. Mathematical Modeling of Multimodal Transportation Risks. In Proceedings of the Fourth International Conference on Soft Computing and Data Mining (SCDM 2020), Melaka, Malaysia, 22–23 January 2020; Ghazali, R., Nawi, N., Deris, M., Abawajy, J., Eds.; Springer: Cham, Switzerland, 2020; Volume 978, pp. 439–447. [Google Scholar]
- Kotenko, S.; Nitsenko, V.; Hanzhurenko, I.; Havrysh, V. The Mathematical Modeling Stages of Combining the Carriage of Goods for Indefinite, Fuzzy and Stochastic Parameters. Int. J. Integr. Eng. 2020, 12, 173–180. [Google Scholar] [CrossRef]
- Saitov, V.E.; Farafonov, V.G.; Gataullin, R.G.; Saitov, A.V. Research of a diametrical fan with suction channel. IOP Conf. Ser. Mater. Sci. Eng. 2018, 457, 012009. [Google Scholar] [CrossRef]
- Mudarisov, S.G.; Badretdinov, I.D. Substantiation of the parameters of the diametrical fan based on a mathematical model of the process of its operation. In Proceedings of the International Scientific-Practical Conference in the Framework of the XXIII International Specialized Exhibition “AgroComplex-2013”, Ufa, Russia, 12–15 March 2013; pp. 363–367. [Google Scholar]
- Bazaluk, O.; Kotenko, S.; Nitsenko, V. Entropy as an Objective Function of Optimization Multimodal Transportations. Entropy 2021, 23, 946. [Google Scholar] [CrossRef]
- Bredykhin, V.; Gurskyi, P.; Alfyorov, O.; Bredykhina, K.; Pak, A. Improving the Mechanical-Mathematical Model of Grain Mass Separation in A Fluidized Bed. East.-Eur. J. Enterp. Technol. 2021, 3, 79–86. [Google Scholar]
- Linenko, A.; Tuktarov, M.; Aipov, R.; Baynazarov, V. Analysis of pulsed operating mode of linear induction drive of grain cleaning machine. In Proceedings of the International Conference “Actual Issues of Mechanical Engineering” 2017 (AIME 2017), Tomsk, Russia, 27–29 July 2017; Volume 133, pp. 420–424. [Google Scholar]
- Aipov, R.; Linenko, A.; Badretdinov, I.; Tuktarov, M.; Akchurin, S. Research of the Work of the Sieve Mill of a Grain-cleaning Machine with a Linear Asynchronous Drive. Math. Biosci. Eng. 2020, 17, 4348–4363. [Google Scholar] [CrossRef]
- Cieślik, S. Mathematical Modelling of the Dynamics of Linear Electrical Systems with Parallel Calculations. Energies 2021, 14, 2930. [Google Scholar] [CrossRef]
- Badretdinov, I.; Mudarisov, S.; Tuktarov, M.; Dick, E.; Arslanbekova, S. Mathematical modelling of the grain material separation in the pneumatic system of the grain-cleaning machine. J. Appl. Eng. Sci. 2019, 17, 529–534. [Google Scholar] [CrossRef]
- Bazaluk, O.; Havrysh, V.; Nitsenko, V. Energy and Environmental Assessment of Straw Production for Power Generation. E3S Web Conf. 2021, 228, 01010. [Google Scholar] [CrossRef]
- Kharchenko, S.; Kovalishin, S.; Zavgorodniy, A.; Kharchenko, F.; Mikhaylov, Y. Effective sifting of flat seeds through sieve. INMATEH–Agric. Eng. 2019, 58, 17–26. [Google Scholar]
- Panasiewicz, M.; Zawislak, K.; Kusinska, E.; Sobczak, P. Purification and separation of loose material in pneumatic system with vertical air stream. TEKA Kom. Motoryz. Energetyki Rol. 2008, 8, 171–176. [Google Scholar]
- Choszcz, D.J.; Reszczyński, P.S.; Kolankowska, E.; Konopka, S.; Lipiński, A. The Effect of Selected Factors on Separation Efficiency in a Pneumatic Conical Separator. Sustainability 2020, 12, 3051. [Google Scholar] [CrossRef] [Green Version]
- Bortolaia, L.A.; Andrighetto, P.L.; Benatti, M. Technical evaluation of a suction pneumatic grain conveyor. Cienc. Rural 2008, 38, 526–529. [Google Scholar] [CrossRef]
- Kroulík, M.; Hůla, J.; Rybka, A.; Honzík, I. Pneumatic Conveying Characteristics of Seeds in a Vertical Ascending Airstream. Res. Agric. Eng. 2016, 62, 56–63. [Google Scholar] [CrossRef] [Green Version]
- Boac, J.M.; Ambrose, R.P.K.; Casada, M.E.; Maghirang, R.G.; Maier, D.E. Applications of Discrete Element Method in Modeling of Grain Postharvest Operations. Food Eng. Rev. 2014, 6, 128–149. [Google Scholar] [CrossRef] [Green Version]
- Zhang, H.H.; Wang, Z.Y.; Liu, Q.; Ma, P.F. Design and Simulation Research on Mechanical Ventilation System for Small Underground Granary. In Advanced Materials Research; Trans Tech Publications, Ltd.: Stafa-Zurich, Switzerland, 2014; Volume 2148, pp. 875–877. [Google Scholar]
- Soldatenko, L.S.; Ostrovkyi, I.A. Improvement of the collector output device of the disk separators. Grain Prod. Mix. Fodd. 2019, 19, 48–50. [Google Scholar] [CrossRef]
- Soldatenko, L.S.; Hornishnyi, O.V. Clarification of the methods used for calculating power of sieve separators. Grain Prod. Mix. Fodd. 2018, 18, 47–50. [Google Scholar] [CrossRef]
- Kupchuk, I.M.; Solona, O.V.; Derevenko, I.A.; Tverdokhlib, I.V. Verification of the mathematical model of the energy consumption drive for vibrating disc crusher. INMATEH-Agric. Eng. 2018, 55, 113–120. [Google Scholar]
- Jiang, S.-L.; Zhang, L. Energy-Oriented Scheduling for Hybrid Flow Shop with Limited Buffers through Efficient Multi-Objective Optimization. IEEE Access 2019, 7, 34477–34487. [Google Scholar] [CrossRef]
- Abdel-Hadi, A.; Salem, A.R.; Abbas, A.I.; Qandil, M.; Amano, R.S. Study of energy saving analysis for different industries. ASME J. Energy Resour. Technol. 2021, 143, 052101. [Google Scholar] [CrossRef]
- Yastrebov, P.P. Use and Rationing of Electricity in Grain Processing and Storage; Kolos: Moscow, Russia, 1973. [Google Scholar]
- Postnikova, M.V. Development of scientifically substantiated norms of energy consumption while grain processing at grain points. In Visnyk Natsionalnoho Tekhnichnoho Universytetu “KhPI”. Problemy Avtomatyzovanoho Elektropryvodu. Teoriia i Praktyka; NTU KHPI: Kharkiv, Ukraine, 2008; Volume 30, pp. 511–512. [Google Scholar]
- Koval, V.; Mikhno, I.; Hajduga, G.; Gaska, K. Economic efficiency of biogas generation from food product waste. E3S Web Conf. 2019, 100, 00039. [Google Scholar] [CrossRef] [Green Version]
- OECD. Best Available Techniques for Preventing and Controlling Industrial Pollution, Activity 2: Approaches to Establishing Best Available Techniques (BAT) around the World, Environment, Health and Safety, Environment Directorate; OECD: Moscow, Russia, 2018. [Google Scholar]
- Didur, V.A.; Masjutkin, E.P.; Postnikova, M.V.; Maslovskij, V.A. Scientific substantiation of specific energy consumption during grain cleaning by the method of mathematical experiment planning. Pratsi Inst. Elektr. NAN Ukr. 2008, 19, 94–98. [Google Scholar]
- Mykhailov, Y.; Zadosna, N.; Postnikova, M.; Pedchenko, G.; Khmelovskyi, V.; Bondar, M.; Ionichev, A.; Kozdęba, M.; Tomaszewska-Górecka, W. Energy assessment of the pneumatic sieve separator for agricultural crops. Agric. Eng. 2021, 25, 147–155. [Google Scholar] [CrossRef]
- Postnikova, M.V. The current state of control of electricity consumption at grain facilities. Pratsi Tavr. Derzh. Agric. Univ. 2013, 13, 148–152. [Google Scholar]




| Levels | Standardized Variable | Actual Scale | ||
|---|---|---|---|---|
| x1, t/h | x2, % | x3, % | ||
| Base level | 0 | 6.5 | 13.5 | 3.5 |
| Variability level Δxi | ±1 | 1.5 | 1.5 | 0.5 |
| Lower level of the FFE | −1 | 5.0 | 12.0 | 3.0 |
| Upper level of the FFE | +1 | 8.0 | 15.0 | 4.0 |
| Lower star point of the OCCD | −1.215 | 4.7 | 11.7 | 2.9 |
| Upper star point of the OCCD | +1.215 | 8.3 | 15.3 | 4.1 |
| Levels | Standardized Variable | Actual Scale | ||
|---|---|---|---|---|
| x1, t/h | x2, % | x3, % | ||
| Base level | 0 | 11.5 | 13.5 | 3.5 |
| Variability level Δxi | ±1 | 3.5 | 1.5 | 0.5 |
| Lower level of the FFE | −1 | 8.0 | 12.0 | 3.0 |
| Upper level of the FFE | +1 | 15.0 | 15.0 | 4.0 |
| Lower star point of the OCCD | −1.215 | 7.3 | 11.7 | 2.9 |
| Upper star point of the OCCD | +1.215 | 15.8 | 15.3 | 4.1 |
| Process Diagrams of ZAV-20 Grain-Cleaning Unit | Capacity, t/h | Calculated Wsp.calc., kW⋅h/t | Variation Limit ΔWsp, kW⋅h/t | Minimum, Wsp, kW⋅h/t | Experimental, Wsp. ex., kW⋅h/t |
|---|---|---|---|---|---|
| One production line with disc separators | 7.5 | 2.393 | +0.082 | 2.475 | 2.669 |
| One production line without disc separators | 10.0 | 1.623 | +0.103 | 1.726 | 1.931 |
| One production line with disc separators | 15.0 | 1.464 | +0.098 | 1.562 | 1.662 |
| One production line without disc separators | 20.0 | 0.933 | +0.136 | 1.069 | 1.1 |
Publisher’s Note: MDPI stays neutral with regard to jurisdictional claims in published maps and institutional affiliations. |
© 2022 by the authors. Licensee MDPI, Basel, Switzerland. This article is an open access article distributed under the terms and conditions of the Creative Commons Attribution (CC BY) license (https://creativecommons.org/licenses/by/4.0/).
Share and Cite
Bazaluk, O.; Postnikova, M.; Halko, S.; Kvitka, S.; Mikhailov, E.; Kovalov, O.; Suprun, O.; Miroshnyk, O.; Nitsenko, V. Energy Saving in Electromechanical Grain Cleaning Systems. Appl. Sci. 2022, 12, 1418. https://doi.org/10.3390/app12031418
Bazaluk O, Postnikova M, Halko S, Kvitka S, Mikhailov E, Kovalov O, Suprun O, Miroshnyk O, Nitsenko V. Energy Saving in Electromechanical Grain Cleaning Systems. Applied Sciences. 2022; 12(3):1418. https://doi.org/10.3390/app12031418
Chicago/Turabian StyleBazaluk, Oleg, Marina Postnikova, Serhii Halko, Serhii Kvitka, Evgeniy Mikhailov, Oleksandr Kovalov, Olena Suprun, Oleksandr Miroshnyk, and Vitalii Nitsenko. 2022. "Energy Saving in Electromechanical Grain Cleaning Systems" Applied Sciences 12, no. 3: 1418. https://doi.org/10.3390/app12031418
APA StyleBazaluk, O., Postnikova, M., Halko, S., Kvitka, S., Mikhailov, E., Kovalov, O., Suprun, O., Miroshnyk, O., & Nitsenko, V. (2022). Energy Saving in Electromechanical Grain Cleaning Systems. Applied Sciences, 12(3), 1418. https://doi.org/10.3390/app12031418

