Effect of Ultrafine Calcium Silicate on the Mechanical Properties of Oil Well Cement-Based Composite at Low Temperature
Abstract
:1. Introduction
2. Materials and Methods
2.1. Materials
2.2. Methods
2.2.1. Preparation of Cement Slurry
2.2.2. Construction Performances Test
2.2.3. Mechanical Performances Test
2.2.4. Hydration Process Analysis
2.2.5. XRD Analysis
2.2.6. SEM Analysis
3. Results and Discussion
3.1. Effect of Ultrafine Calcium Silicate on the Rheological Properties and Stability
3.2. Effect of Ultrafine Calcium Silicate on the Thickening Time and Water Loss
3.3. Effect of Ultrafine Calcium Silicate on Permeability
3.4. Effect of Ultrafine Calcium Silicate on the Mechanical Properties
3.4.1. Compressive Strength
3.4.2. Flexural Strength
3.4.3. Impact Strength
3.5. Hydration Process and Microstructure of Ultrafine Calcium Silicate Cement Slurry
3.5.1. Hydration Process
3.5.2. XRD Analysis
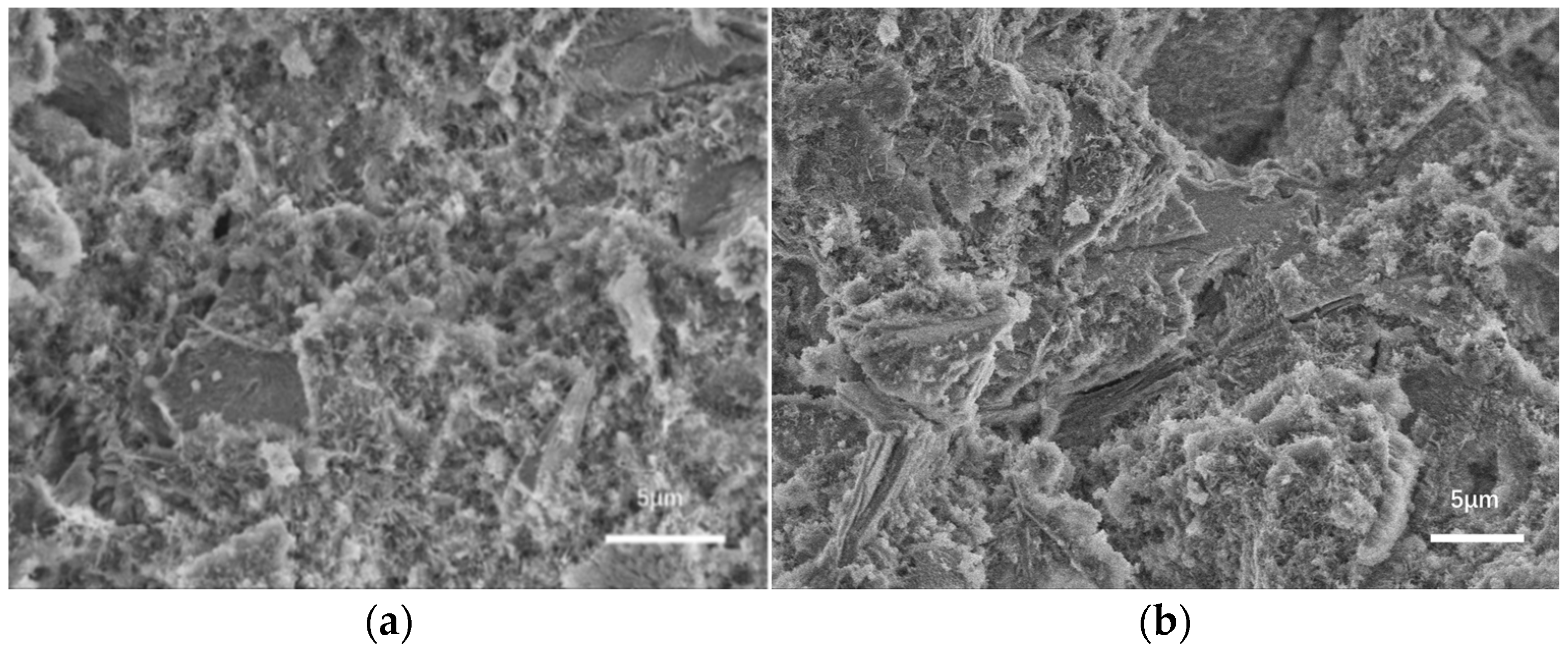
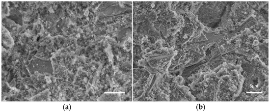
3.5.3. SEM Analysis
4. Conclusions
Author Contributions
Funding
Institutional Review Board Statement
Informed Consent Statement
Data Availability Statement
Conflicts of Interest
References
- Li, M.; Deng, S.; Meng, F.; Hao, J.; GUO, X. Effect of nanosilica on the mechanical properties of oil well cement at low temperature. Mag. Concr. Res. 2017, 69, 493–501. [Google Scholar] [CrossRef]
- Ravi, K.; Iverson, B.; Moore, S. Cement-slurry design to prevent destabilization of hydrates in deepwater environment. SPE Drill. Complet. 2009, 24, 373–377. [Google Scholar] [CrossRef]
- Watson, P.; Kolstad, E.; Borstmayer, R.; Pope, T.; Reseigh, A. An innovative approach to development drilling in deepwater Gulf of Mexico. In Proceedings of the SPE/IADC Drilling Conference, Amsterdam, The Netherlands, 19–21 February 2003; OnePetro: Houston, TX, USA, 2003. [Google Scholar] [CrossRef]
- Zhang, J.; Weissinger, E.A.; Peethamparan, S.; Scherer, G.W. Early hydration and setting of oil well cement. Cem. Concr. Res. 2010, 40, 1023–1033. [Google Scholar] [CrossRef]
- Wang, C.; Chen, X.; Wang, R. Do chlorides qualify as accelerators for the cement of deepwater oil wells at low temperature. Constr. Build. Mater. 2017, 133, 482–494. [Google Scholar] [CrossRef]
- Wang, C.; Wang, R.; Li, H.; Bu, Y.; Zhou, W. Design and performance evaluation of a unique deepwater cement slurry. SPE Drill. Complet. 2011, 26, 220–226. [Google Scholar] [CrossRef]
- Ann, K.; Jung, H.S.; Kim, H.S.; Kim, S.S.; Moon, H.Y. Effect of calcium nitrite-based corrosion inhibitor in preventing corrosion of embedded steel in concrete. Cem. Concr. Res. 2006, 36, 530–535. [Google Scholar] [CrossRef]
- Oey, T.; Stoian, J.; Li, J.; Vong, C.; Balonis, M.; Kumar, A.; Franke, W.; Sant, G. Comparison of Ca (NO3)2 and CaCl 2 admixtures on reaction, setting, and strength evolutions in plain and blended cementing formulations. J. Mater. Civ. Eng. 2015, 27, 04014267. [Google Scholar] [CrossRef]
- Hoang, K.; Justnes, H.; Geiker, M. Early age strength increase of fly ash blended cement by a ternary hardening accelerating admixture. Cem. Concr. Res. 2016, 81, 59–69. [Google Scholar] [CrossRef]
- Pang, X.; Boul, P.; Jimenez, W.C. Isothermal calorimetry study of the effect of chloride accelerators on the hydration kinetics of oil well cement. Constr. Build. Mater. 2015, 77, 260–269. [Google Scholar] [CrossRef]
- Wang, Y.L.; Sun, L.Y.; Liu, S.H.; Li, S.J.; Guan, X.M.; Luo, S.Q. Development of a novel double-sulfate composite early strength agent to improve the hydration hardening properties of portland cement paste. Coatings 2022, 12, 1485. [Google Scholar] [CrossRef]
- Yaphary, Y.L.; Yu, Z.; Lam, R.H.; Lau, D. Effect of triethanolamine on cement hydration toward initial setting time. Constr. Build. Mater. 2017, 141, 94–103. [Google Scholar] [CrossRef]
- Han, J.; Wang, K.; Shi, J.; Wang, Y. Mechanism of triethanolamine on Portland cement hydration process and microstructure characteristics. Constr. Build. Mater. 2015, 93, 457–462. [Google Scholar] [CrossRef]
- Millard, M.J.; Kurtis, K.E. Effects of lithium nitrate admixture on early-age cement hydration. Cem. Concr. Res. 2008, 38, 500–510. [Google Scholar] [CrossRef]
- Lu, C.; Yuan, S.; Cheng, P.; Liu, R. Mechanical properties of corroded steel bars in pre-cracked concrete suffering from chloride attack. Constr. Build. Mater. 2016, 123, 649–660. [Google Scholar] [CrossRef]
- Sathiyakumar, M.; Gnanam, F.D. Role of wollastonite additive on density. microstructure and mechanical properties of alumina. Ceram. Int. 2003, 29, 869–873. [Google Scholar] [CrossRef]
- Hayashi, Y.; Kawaki, H.; Hori, M. Evaluation of the mechanical properties and biocompatibility of gypsum-containing calcium silicate cements. Dent. Mater. J. 2021, 40, 863–869. [Google Scholar] [CrossRef]
- Paula, J.N.; Calixto, J.M.; Ladeira, L.O.; Ludvig, P.; Souza, T.C.C.; Rocha, J.M.; Melo, A.A.V. Mechanical and rheological behavior of oil-well cement slurries produced with clinker containing carbon nanotubes. J. Pet. Sci. Eng. 2014, 122, 274–279. [Google Scholar] [CrossRef]
- Li, G.; Zhan, L.; Hu, Z.; Chen, Y. Effects of particle gradation and geometry on the pore characteristics and water retention curves of granular soils: A combined DEM and PNM investigation. Granul. Matter 2021, 23, 1–16. [Google Scholar] [CrossRef]
- Bu, Y.; Xu, M.; Liu, H.; Guo, S.; Ma, X.; Zheng, R. Mechanism of Cement Stone Porosity and Permeability Structures for Downhole Fluid Packing. Arab. J. Sci. Eng. 2022, 47, 12223–12235. [Google Scholar] [CrossRef]
- Li, Z.Y.; Zhou, C.; Li, J.Y.; Wu, Q.B.; Guo, X.Y. Laboratory study on low temperature rapid strength cement slurry. Adv. Mater. Res. 2011, 287, 3127–3130. [Google Scholar] [CrossRef]
- Mtaki, T.M.; Gu, J. Effect of the particle size of nanosilica on early age compressive strength in oil-well cement paste. Constr. Build. Mater. 2020, 262, 120393. [Google Scholar] [CrossRef]
- Awolusi, T.F.; Sojobi, A.O.; Oguntayo, D.O.; Akinkurolere, O.O.; Orogbade, B.O. Effects of calcined clay, sawdust ash and chemical admixtures on Strength and Properties of concrete for pavement and flooring applications using Taguchi approach. Case Stud. Constr. Mater. 2021, 15, e00568. [Google Scholar] [CrossRef]
- Sojobi, A.O.; Awolusi, T.F.; Aina, G.B.; Oke, O.L.; Oladokun, M.; Oguntayo, D.O. Ternary and quaternary blends as partial replacement of cement to produce hollow sandcrete blocks. Heliyon 2021, 7, e07227. [Google Scholar] [CrossRef] [PubMed]
- Kontoleontos, F.; Tsakiridis, P.E.; Marinos, A.; Kaloidas, V.; Katsioti, M. Influence of colloidal nanosilica on ultrafine cement hydration: Physicochemical and microstructural characterization. Constr. Build. Mater. 2012, 35, 347–360. [Google Scholar] [CrossRef]









| SiO2 (wt.%) | CaO (wt.%) | Loss on Heating (wt.%) | Loss on Ignition (wt.%) |
|---|---|---|---|
| ≥60 | ≤22 | ≤8 | ≤15 |
| Cement | Fresh Water | Dispersant | Fluid Loss Reducer | Microsilicon | Retarder | Defoamer | Ultrafine Calcium Silicate |
|---|---|---|---|---|---|---|---|
| 100 | 44 | 1.2 | 2 | 1.5 | 0.2 | 0.5 | 0 |
| 100 | 44 | 1.2 | 2 | 1.5 | 0.2 | 0.5 | 2 |
| 100 | 44 | 1.2 | 2 | 1.5 | 0.2 | 0.5 | 4 |
| 100 | 44 | 1.2 | 2 | 1.5 | 0.2 | 0.5 | 6 |
| 100 | 44 | 1.2 | 2 | 1.5 | 0.2 | 0.5 | 8 |
| Content /% | Φ 600 | Φ 300 | Φ 200 | Φ 100 | Φ 6 | Φ 3 | Free Fluid /% |
|---|---|---|---|---|---|---|---|
| 0 | 175 | 88 | 59 | 29 | 3 | 2 | 0.2 |
| 2 | 216 | 157 | 95 | 46 | 4 | 3 | 0 |
| 4 | — | 290 | 197 | 102 | 6 | 4 | 0 |
| 6 | — | — | 224 | 146 | 11 | 7 | 0 |
| 8 | — | — | — | 216 | 17 | 10 | 0 |
Publisher’s Note: MDPI stays neutral with regard to jurisdictional claims in published maps and institutional affiliations. |
© 2022 by the authors. Licensee MDPI, Basel, Switzerland. This article is an open access article distributed under the terms and conditions of the Creative Commons Attribution (CC BY) license (https://creativecommons.org/licenses/by/4.0/).
Share and Cite
Zhu, J.; Jiang, X.; Xu, M.; Song, J. Effect of Ultrafine Calcium Silicate on the Mechanical Properties of Oil Well Cement-Based Composite at Low Temperature. Appl. Sci. 2022, 12, 12038. https://doi.org/10.3390/app122312038
Zhu J, Jiang X, Xu M, Song J. Effect of Ultrafine Calcium Silicate on the Mechanical Properties of Oil Well Cement-Based Composite at Low Temperature. Applied Sciences. 2022; 12(23):12038. https://doi.org/10.3390/app122312038
Chicago/Turabian StyleZhu, Jianglin, Xiangguang Jiang, Mingbiao Xu, and Jianjian Song. 2022. "Effect of Ultrafine Calcium Silicate on the Mechanical Properties of Oil Well Cement-Based Composite at Low Temperature" Applied Sciences 12, no. 23: 12038. https://doi.org/10.3390/app122312038
APA StyleZhu, J., Jiang, X., Xu, M., & Song, J. (2022). Effect of Ultrafine Calcium Silicate on the Mechanical Properties of Oil Well Cement-Based Composite at Low Temperature. Applied Sciences, 12(23), 12038. https://doi.org/10.3390/app122312038

