A Single-Bit Incremental Second-Order Delta-Sigma Modulator with Coarse-Fine Input Buffer
Abstract
Featured Application
Abstract
1. Introduction
2. Proposed Delta Sigma Modulator with Coarse-Fine Input Buffer
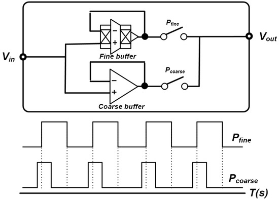
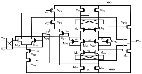
2.1. Coarse-Fine Input Buffer
2.2. Second-Order Incremental Cascade of Integrator Feedback
3. Results and Discussion
4. Conclusions
Author Contributions
Funding
Institutional Review Board Statement
Informed Consent Statement
Data Availability Statement
Acknowledgments
Conflicts of Interest
References
- Van Helleputte, N.; Konijnenburg, M.; Pettine, J.; Jee, D.-W.; Kim, H.; Morgado, A.; Van Wegberg, R.; Torfs, T.; Mohan, R.; Breeschoten, A.; et al. A 345 μW multi-sensor biomedical SoC with bio-impedance, 3-channel ECG, motion artifact reduction, and integrated DSP. IEEE J. Solid-State Circuits 2015, 50, 230–244. [Google Scholar] [CrossRef]
- Chen, C.-H.; Zhang, Y.; He, T.; Chiang, P.Y.; Temes, G.C. A micro-power two-step incremental analog-to-digital converter. IEEE J. Solid-State Circuits 2015, 50, 1796–1808. [Google Scholar] [CrossRef]
- Agah, A.; Vleugels, K.; Griffin, P.B.; Ronaghi, M.; Plummer, J.D.; Wooley, B.A. A high-resolution low-power oversampling ADC with extended-range for bio-sensor arrays. IEEE Symp. VLSI Circuits 2007, 2007, 244–245. [Google Scholar]
- Chen, C.H.; Crop, J.; Chae, J.; Chiang, P.; Temes, G.C. ‘A 12- bit 7 μW/channel 1 kHz/channel incremental ADC for biosensor interface circuits. In Proceedings of the 2012 IEEE International Symposium on Circuits and Systems (ISCAS), Seoul, Republic of Korea, 20–23 May 2012; pp. 2969–2972. [Google Scholar]
- Lee, J.Y.; Oh, Y.; Oh, S.; Chae, H. Low power CMOS-based Hall sensor with simple structure using double-sampling delta-sigma ADC. Sensors 2020, 20, 5285. [Google Scholar] [CrossRef]
- Sutula, S.; Cuxart, J.P.; Gonzalo-Ruiz, J.; Munoz, P.; Terés, L.; Serra-Graells, F. A 25-µW All-MOS Potentiostatic Delta-Sigma ADC for Smart Electrochemical Sensors. IEEE Trans. Circuits Syst. I Regul. Pap. 2014, 61, 671–679. [Google Scholar] [CrossRef]
- Wu, R.; Chae, Y.; Huijsing, J.H.; Makinwa, K.A. A 20-b ± 40-mV Range Read-Out IC with 50-nV Offset and 0.04% Gain Error for Bridge Transducers. IEEE J. Solid-State Circuits 2012, 47, 2152–2163. [Google Scholar] [CrossRef]
- Caldwell, T.C.; Johns, D.A. Incremental data converters at low oversampling ratios. IEEE Trans. Circuits Syst. I 2010, 57, 1525–1537. [Google Scholar] [CrossRef]
- Markus, J.; Silva, J.; Temes, G.C. Theory and applications of incremental delta-sigma converters. IEEE Trans. Circuits Syst. I 2004, 51, 678–690. [Google Scholar] [CrossRef]
- Oike, Y.; El Gamal, A. CMOS image sensor with per-column ΣΔ ADC and programmable compressed sensing. IEEE J. Solid-State Circuits 2013, 48, 318–328. [Google Scholar] [CrossRef]
- Kavusi, S.; Kakavand, H.; Gamal, A.E. On incremental ΣΔ modulation with optimal filtering. IEEE Trans. Circuits Syst. I Reg. Pap. 2006, 53, 1004–1015. [Google Scholar] [CrossRef]
- Kim, J.-H.; Jung, W.-K.; Lim, S.-H.; Park, Y.-J.; Choi, W.-H.; Kim, Y.-J.; Kang, C.-E.; Shin, J.-H.; Choo, K.-J.; Lee, W.-B.; et al. A 14b extended counting ADC implemented in a 24Mpixel APS-C CMOS image sensor. In Proceedings of the 2012 IEEE International Solid-State Circuits Conference, San Francisco, CA, USA, 19–23 February 2012; pp. 390–392. [Google Scholar]
- Chen, C.-H.; He, T.; Zhang, Y.; Temes, G.C. Incremental analog-to-digital convertors for high-resolution energy-efficient sensor interfaces. IEEE J. Emerg. Sel. Top. Circuits Syst. 2015, 5, 612–623. [Google Scholar] [CrossRef]
- Robert, J.; Deval, P. A second-order high-resolution incremental A/D converter with offset and charge injection compensation. IEEE J. Solid-State Circuits 1988, 23, 736–741. [Google Scholar] [CrossRef]
- Keith, N.; EDN Asia. Understanding the Benefits of pre-Charge Buffers in ADCs. 2021. Available online: https://www.ednasia.com/understanding-the-benefits-of-pre-charge-buffers-in-adcs (accessed on 19 October 2022).
- Razavi, B. The delta-sigma modulator [A circuit for all seasons]. IEEE Solid-State Circuits Mag. 2016, 8, 10–15. [Google Scholar] [CrossRef]
- ADS127L11 400-KSPS, Wide-Bandwidth, 24-Bit, Delta-Sigma ADC Datasheet. Available online: https://www.ti.com/lit/ds/symlink/ads127l11.pdf (accessed on 17 October 2022).
- Gupta, S.; Rathi, S.J.; Balamurali, S. Pre-Charge Buffer for Analog-to-Digital Converter. U.S. Patent 9571118B1, 14 February 2017. [Google Scholar]
- Castilho, M.A.L. Design of a Reference Buffer for a Delta-Sigma ADC with Current DAC. Master’s Thesis, Universidade Nova de Lisboa, Lisbon, Portugal, 2019. [Google Scholar]
- Dirk, K. Sigma-Delta Modulator. U.S. Patent EP1837996B1, 20 October 2010. [Google Scholar]
- THP210 and ADS127L11 Performance Table of Contents Application Note. Available online: https://www.ti.com/lit/an/sboa546/sboa546.pdf (accessed on 17 October 2022).
- Enz, C.C.; Temes, G.C. Circuit techniques for reducing the effects of op-amp imperfections: Autozeroing, correlated double sampling, and chopper stabilization. Proc. IEEE 1996, 84, 1584–1614. [Google Scholar] [CrossRef]
- Lee, C.-J.; Song, J.-I. A chopper stabilized current-feedback instrumentation amplifier for EEG acquisition applications. IEEE Access 2019, 7, 11565–11569. [Google Scholar] [CrossRef]
- Hogervorst, R.; Tero, J.P.; Eschauzier, R.G.H.; Huijsing, J.H. A compact power-efficient 3 v CMOS rail-to-rail input/output operational amplifier for VLSI cell libraries. IEEE J. Solid-State Circuits 1994, 29, 1505–1513. [Google Scholar] [CrossRef]
- Kumar, R.S.A. A Discrete-Time Delta-Sigma Modulator with Relaxed Driving Requirements And Improved Anti-Aliasing. In Proceedings of the 2021 IEEE International Symposium on Circuits and Systems (ISCAS), Daegu, Republic of Korea, 22–28 May 2021; pp. 1–5. [Google Scholar]
- Wang, T.; Xie, T.; Liu, Z.; Li, S. An 84dB-SNDR Low-OSR 4th-Order Noise-Shaping SAR with an FIA-Assisted EF-CRFF Structure and Noise-Mitigated Push-Pull Buffer-in-Loop Technique. In Proceedings of the 2022 IEEE International Solid-State Circuits Conference (ISSCC), San Francisco, CA, USA, 20–26 February 2022; pp. 418–420. [Google Scholar]
- Wei, R.; Wang, J.; Su, H. A fast-response reference voltage buffer for a sigma-delta modulator. IEICE Electron. Expr. 2018, 15, 20180159. [Google Scholar] [CrossRef]
- Nikas, A.; Jambunathan, S.; Klein, L.; Voelker, M.; Ortmanns, M. A low distortion continuous time sigma delta modulator using a high input impedance instrumentation amplifier for neural recording. In Proceedings of the 2018 IEEE Biomedical Circuits and Systems Conference (BioCAS), Cleveland, OH, USA, 17–19 October 2018; pp. 1–4. [Google Scholar]




















| Coefficient | Ideal Value | Real Value |
|---|---|---|
| a1 | 0.1125 | 0.1112 |
| a2 | 0.18 | 0.1776 |
| b1 | 0.1125 | 0.1112 |
| c1 | 0.45 | 0.4365 |
| This Work | ISCAS 2021 [25] | ISSCC 2022 [26] | IEICE 2018 [27] | BIOCAS 2018 [28] | |
|---|---|---|---|---|---|
| Process(μm) | 0.18 | 0.18 | 0.065 | 0.18 | 0.18 |
| Supply voltage (V) | 1.8 | 1.8 | 1.2 | 1.8 | 1.8 |
| Current consumption (A) | 1.374 m | 480 μ | 61.9 μ | 81.5 μ | 14 μ |
| Oversampling rate | 512 | 128 | 5 | - | 256 |
| Order of modulator | 2nd | 4th | 4th | - | - |
| DT/CT | DT | DT | CT | DT | CT |
| SINAD (dB) | 80.87 | 97.7 | 84.1 | 64.6 | 80 |
| ENOB (bits) | 13.14 | 15.97 | 13.67 | 10.34 | 13 |
| Sampling frequency (Hz) | 125 k | 6.144 M | 5 M | 10 k | 1 M |
| Pass band frequency (Hz) | 122.07 | 24 k | 500 k | - | 4 k |
| Buffer usage (Y/N) | Y | Y | Y | Y | N |
| Settling time (s) | 130 n | - | - | 134 n | - |
Publisher’s Note: MDPI stays neutral with regard to jurisdictional claims in published maps and institutional affiliations. |
© 2022 by the authors. Licensee MDPI, Basel, Switzerland. This article is an open access article distributed under the terms and conditions of the Creative Commons Attribution (CC BY) license (https://creativecommons.org/licenses/by/4.0/).
Share and Cite
Yoo, M.; Nam, K.; Choi, G.; Kang, S.; Jin, B.; Son, H.; Kim, K.; Ko, H. A Single-Bit Incremental Second-Order Delta-Sigma Modulator with Coarse-Fine Input Buffer. Appl. Sci. 2022, 12, 11651. https://doi.org/10.3390/app122211651
Yoo M, Nam K, Choi G, Kang S, Jin B, Son H, Kim K, Ko H. A Single-Bit Incremental Second-Order Delta-Sigma Modulator with Coarse-Fine Input Buffer. Applied Sciences. 2022; 12(22):11651. https://doi.org/10.3390/app122211651
Chicago/Turabian StyleYoo, Mookyoung, Kyeongsik Nam, Gyuri Choi, Sanggyun Kang, Byeongkwan Jin, Hyeoktae Son, Kyounghwan Kim, and Hyoungho Ko. 2022. "A Single-Bit Incremental Second-Order Delta-Sigma Modulator with Coarse-Fine Input Buffer" Applied Sciences 12, no. 22: 11651. https://doi.org/10.3390/app122211651
APA StyleYoo, M., Nam, K., Choi, G., Kang, S., Jin, B., Son, H., Kim, K., & Ko, H. (2022). A Single-Bit Incremental Second-Order Delta-Sigma Modulator with Coarse-Fine Input Buffer. Applied Sciences, 12(22), 11651. https://doi.org/10.3390/app122211651

