Analysis of Jet Structure and Physical Properties in the Coalfields of Northern China
Abstract
1. Introduction
2. Materials and Methods
2.1. Materials
2.2. Methods
3. Results
3.1. Analysis of the Main Components of Coal and Jet
3.2. Microscopic Observation Characteristics of Coal and Jet Slices
3.2.1. Microscopic Observation Characteristics of Coal Slices from Different Layers of the Datong Coalfield and Fushun Open-Pit Mine (Table 2)
3.2.2. Microscopic Observation Characteristics of Coal Jet from Different Layers in the Datong Coalfield and Fushun Open-Pit Mine
4. Discussion
5. Conclusions
Author Contributions
Funding
Institutional Review Board Statement
Informed Consent Statement
Data Availability Statement
Acknowledgments
Conflicts of Interest
References
- Chou, C.-L. Geologic Factors Affecting the Abundance, Distribution, and Speciation of Sulfur in Coals. In Geology of Fossil Fuels–Coal; CRC Press: Boca Raton, FL, USA, 2020; pp. 47–57. [Google Scholar]
- Wert, C.; Weiler, M. Jet and Other Carving-Coals. In Proceedings of the 1991 International Conference on Coal Science, University of Newcastle-Upon-Tyne, Tyne, UK, 16–20 September 1991. [Google Scholar] [CrossRef]
- Sheridan, A.; Davis, M.; Clark, I.; Redvers-Jones, H. Investigating Jet and Jet-Like Artefacts from Prehistoric Scotland: The National Museums of Scotland Project. Antiquity 2002, 76, 812–825. [Google Scholar] [CrossRef]
- Pollard, A.M.; Bussell, G.D.; Baird, D.C. The Analytical Investigation of Early Bronze Age Jet and Jet-Like Material from the Devizes Museum. Archaeometry 1981, 23, 139–167. [Google Scholar] [CrossRef]
- Xing, Y.; Li, Z. Study on Gemmological Characteristics of Jet from Fushun, Liaoning Province. J. Gems Gemmol. 2007, 4. [Google Scholar] [CrossRef]
- Xing, Y. Representation of Functional Group and Thermal Variation Behavior of Jet in Fushun Liaoning. Spectrosc. Spectr. Anal. 2017, 37, 1819. [Google Scholar]
- White, D.; Thiessen, R. The Origin of Coal, Report, 1913; Washington, DC, USA. Available online: https://digital.library.unt.edu/ark:/67531/metadc12254/ (accessed on 4 October 2022).
- University of North Texas Libraries, UNT Digital Library. Crediting UNT Libraries Government Documents Department. Available online: https://digital.library.unt.edu (accessed on 4 October 2022).
- Rapp, G. Gemstones Seal Stones and Ceremonial Stones. In Archaeomineralogy; Springer: Berlin/Heidelberg, Germany, 2009; pp. 91–120. [Google Scholar] [CrossRef]
- Bedikian, S.A. The Death of Mourning: From Victorian Crepe to the Little Black Dress. OMEGA J. Death Dying 2008, 57, 35–52. [Google Scholar] [CrossRef] [PubMed]
- Zhao, C.; Lu, L. A Group of Jet Carvings in the Western Zhou Dynasty—The Time When China Began to Use Coal as Fuel Was Discussed. Cult. Relics 1978, 5, 64–66. [Google Scholar] [CrossRef]
- Nuoyang, S.; Wang, R.; Han, B.; Rao, H.; Yang, M.; Yang, Y. Nondestructive Identification of a Jet Bead from the Changle Cemetery in Ningxia, China. Microchem. J. 2020, 157, 104907. [Google Scholar]
- Ma, Z.; Huang, W.; Zhao, Z. Research Progress on Coal-Bearing Sedimentology in China. Coal Technol. 2012, 1. CNKI:SUN:MTJS.0.2012-01-003. [Google Scholar]
- Guo, J.; Xian, Y.; Wei, X.; Wang, Y.; Xu, W.; Zhang, Y.; Yang, Q.; Gao, Z.; Ling, X.; Wen, R. Study on the Method of Distinguishing the Material of Jet-Like Cultural Relics Based on Infrared Spectra. Spectrosc. Spectr. Anal. 2021, 41, 1424–1429. [Google Scholar]
- Jing, L.; Yang, M.; Shao, L.; Chen, S.; Li, Y.; Zhou, K.; Wang, W. Paleoclimate Change and Sedi⁃ Mentary Environment Evolution, Coal Accumulation: A Middle Jurassic Terrestrial. J. China Coal Soc. 2016, 41, 1788–1797. [Google Scholar]
- Wang, P.L.; Li, Z.X.; Lv, D.W.; Wang, Z.F.; Liu, H.Y.; Wang, D.D.; Feng, T.T. Analysis on Palaeoclimate and Metallogenic Materials of Typical Basins under Co-Occurring Circumstances of Coal and Oil Shale. Coal Geol. China 2013, 25, 8–11. [Google Scholar]
- Yi, X. Some Fundamental Issues on Coal History Research in Ancient China. J. China Univ. Min. Technol. Soc. Sci. 2012. [Google Scholar] [CrossRef]
- Xin, Y. Study on the Component and Classification of Jet from Fushun in Liaoning Province. Superhard Mater. Eng. 2009. [Google Scholar] [CrossRef]
- Zhang, K. On the Disintegration, Displacement, Collision and Convergence of Pan—China Plate and Evolution of Its Oil and Gas Bearing Basins. Xinjiang Pet. Geol. 1991, 12, 91. [Google Scholar]
- Xia, B.; Huang, X.X.; Cai, Z.R.; Jia, H.Y.; Lu, B.F.; Wang, R. Relationship between Tectonics and Hydrocarbon Reservoirs from Indo-Chinese Epoch to Stage of Yanshan in Jiyang Depression. Nat. Gas Geosci. 2007, 18, 832–837. [Google Scholar]
- Guo, S.; Chen, J. Cenozoic Floras and Coal-Accumulating Environment in Himalayas and Hengduan Mountains Areas. Acta Palaeontol. Sin. 1989, 28, 512–521. [Google Scholar] [CrossRef]
- Liu, B.; Huang, W.; Weihua, A.O.; Yan, D.; Qilu, X.U.; Teng, J. Geochemistry Characteristics of Sulfur and Its Effect on Hazardous Elements in the Late Paleozoic Coal from the Qinshui Basin. Earth Sci. Front. 2016, 23, 59. [Google Scholar]
- Yao, S.; Hai, D.; Kai, H.; Kun, J. Biogeochemical Characteristic and Mineralization Process of Sulfur During the Coal Accumulation Process in Early Paleozoic of Southern China. Adv. Earth Sci. 2010, 25, 174. [Google Scholar]
- Zhu, L. The Petrography of the Early Paleozoic, Highly Metamorphized Bogheads and Their Geological Significance. Ti Chih Lun P’ing 1983, 29, 245–261. [Google Scholar]
- Pan, J.; Ge, T.; Liu, W.; Wang, K.; Wang, X.; Mou, P.; Wu, W.; Niu, Y. Organic Matter Provenance and Accumulation of Transitional Facies Coal and Mudstone in Yangquan, China: Insights from Petrology and Geochemistry. J. Nat. Gas Sci. Eng. 2021, 94, 104076. [Google Scholar] [CrossRef]
- Gastaldo, R.A.; Bamford, M.; Calder, J.; DiMichele, W.A.; Iannuzzi, R.; Jasper, A.; Kerp, H.; McLoughlin, S.; Opluštil, S.; Pfefferkorn, H.W. The Coal Farms of the Late Paleozoic. In Nature through Time; Springer: Berlin/Heidelberg, Germany, 2020; pp. 317–343. [Google Scholar] [CrossRef]
- Li, D.J.; Oh, C.-H. Fossil Woods from Coal-Bearing Strata of Upper Mesozoic in Central and Eastern Jilin, China. Glob. Geol. 2007, 26, 267–272. [Google Scholar]
- Zhang, H.; Zhu, Y. Coalforming Characteristics of Cenozoic Petroliferous Basins in Offshore China. Xinjiang Pet. Geol. 2013, 34, 1, CNKI:SUN:XJSD.0.2013-05-005. [Google Scholar]
- Jiang, Y.; Diao, H.; Zeng, W. Coal Source Rock Conditions and Hydrocarbon Generation Model of Pinghu Formation in Xihu Depression, East China Sea Basin. Bull. Geol. Sci. Technol 2020, 39, 30–39. [Google Scholar]




| Mad 1 (%) | Ad 2 (%) | Vdaf 3 (%) | St,d (%) | Apparent Density (g/cm3) | Fixed Carbon (%) | Oxygen Uptakevd (cm3/g) | Glia Index | Ignition Temperature (°C) | Spontaneous Ignition | |
|---|---|---|---|---|---|---|---|---|---|---|
| Qianjing No. 11 Coal 1 | 2.3 | 28 | 38.6 | 2.26 | 1.42 | 40 | 0.61 | 47/8.5 Smooth droop type | 400 | Spontaneous |
| Qianjing jet 1 | 0.7 | 12 | 61.5 | 2.67 | 1.23 | 25.6 | 0.56 | 75/0 Smooth ramp-down type | 330 | easy |
| Qianjing No. 11 Coal 2 | 3.74 | 12.38 | 32 | 1.14 | 1.5 | 49 | 0.73 | 300 | Spontaneous | |
| Qianjing jet 2 | 0.6 | 11.4 | 74.61 | 1.93 | 1.2 | 13 | 0.76 | 280 | easy | |
| Wangping No. 8 Coal | 1.19 | 29.93 | 37.59 | 1.4 | 1.65 | 30 | 0.61 | 330 | Spontaneous | |
| Wangping No. 8 jet | 0.58 | 10.28 | 70.4 | 0.8 | 1.2 | 19 | 0.7 | 300 | easy | |
| Fushun Yaokeng Coal | 4.17 | 3.71 | 45 | 0.7 | 1.32 | 43 | 0.8 | 270 | easy | |
| Fushun Yaokeng jet | 2.44 | 3.43 | 58.38 | 0.7 | 1.24 | 37 | 0.82 | 260 | easy |
| Serial Number | Coal Field | Coal Seam | Coal Section | Component Analysis |
|---|---|---|---|---|
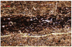
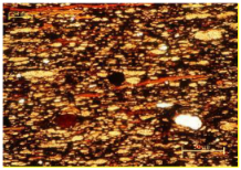
| 1 | Datong Jinhua Palace | J-2 | ![]() | Homogeneous vitrinites and semi-filament bodies are distributed in a striatum, the chitinous group is underdeveloped; the vitrinite group accounts for about 55%, the semi-filamentous body for about 35%, and the mineral content about 10%. |
| 2 | Datong Jinhua Palace | J-3 | ![]() | Homogeneous vitrinite (100%) contains pores and cracks. |
| 3 | Datong Jinhua Palace | J-7 | ![]() | The vitrinite group accounts for 60%, the inertite group for 40%; the coal rock type is micromirror inert coal, the homogeneous vitrinite is in the shape of a block or strip, and the filamentous body is in the shape of a band. |
| 4 | Datong Yungang | J-8 | ![]() | Inert components (45%) are inserted between successive vitrinite components (55%) due to a local oxidation. |
| 5 | Datong Jinhua Palace | J-9 | ![]() | Semi-filament body (black-brown25%), transitional stage as thin cell wall, vitrinite (40%), semi-filament body (20%), and silk body (15%) at top-bottom. |
| 6 | Datong Yungang | J-11 | ![]() | The black is silky (20%), the black-brown is semi-silky (45%), and the brown is vitrinite (35%); The cell cavity of the semi-filament body is hollow and the orientation is not obvious. |
| 7 | Datong Jinhua Palace | J-11 | ![]() | Structural vitrinites (60%), the cell structure (40%) is obvious, neatly arranged, into a honeycomb shape, as cell wall swells absorbing water and cell cavity filled with matrix vitrinite. |
| 8 | Datong Jinhua Palace | J-12 | ![]() | From bottom to top is the transition stage from vitrinite group (60%) to inertin group (40%), which are silk body (black), semi-silk body (black-brown), and vitrinite (red-brown). |
| 9 | Datong Yungang | J-14 | ![]() | Homogeneous vitrinite (60%) and silken body (30%), semi-filament body (10%) are interlayered as a transition phenomenon, and cracks in the later period lead to the bending and discontinuity of the laminae. |
| 10 | Datong Jinhua Palace | J-15 | ![]() | Silken body (30%), cell wall as black and opaque (70%); the cell structure is clear and the cavity is hollow. An oxidizing environment and hydrodynamic force is weak, with relatively complete biological cell structure. |
| 11 | Datong Xiaoyu | C-3 | ![]() | The vitrinite group accounts for 70%, the chitin group is for 20%, and the inert group is for 10%. The coal rock type is micro-triad coal, and vitrinite accounts for the most important component. |
| 12 | Datong Xiaoyu | C-5 | ![]() | A large number of keratinocytes (30%) are developed in yellow or yellow-white thin strips, with jagged inner edges, often inlaid around vitrinites (70%). |
| 13 | Datong Wangping | C-5 | ![]() | Vitrinite occupies 55%, inertite occupies 45%, and the coal rock type is micromirror inert coal; structure of vitrinite is filledin inertite as massive or linear. |
| 14 | Datong Wangping | C-8 | ![]() | Algae body (left), yellow 30%; silken body (right), black, opaque, hollow, visible cell structure 40%, but part of cell wall is swollen 30%; red is the mass vitrinite; yellow and orange megaspores (lower) are distributed along the layer. |
| 15 | Datong Qianjing | C-11 | ![]() | Structural vitrinite (70%), cell cavity is still black (30%) filled with pitch in the cell cavity. The stratum corneum (yellow) underneath is clearly jagged. |
| 16 | Hunyuan | C-8 | ![]() | Resin body (30%), Algae body (70%) |
| 17 | Hunyuan | C-11 | ![]() | Algae body (70%), Sapropel (30%) |
| 18 | Ningwu Tongying | C-2 | ![]() | The keratinous body (30%) coexists with the vitrinite (70%) in the edge, and the matrix vitrinite and inert body are filled into the structural vitrinite. |
| 19 | Fushun Open-pit Mine | East pit | ![]() | Resin body (30%), yellow lens body, cell wall expansion and rupture, cavity filled with shell debris and fine granules (70%). |
| 20 | Fushun Open-pit Mine | Waist pit | ![]() | Mass vitrinite (40%), elliptical, reddish-brown, surrounded by shell debris bonded by matrix vitrinite (60%). |
| 21 | Fushun Open-pit Mine | West Pit | ![]() | Vitrinite accounts for 45%, the chitin body is for 55%, the coal rock type is slightly bright coal; shell crumbs are distributed in the matrix vitrinite in a directional arrangement. |
| Serial Number | Coal Field | Coal Seam | Coal Section | Component Analysis |
|---|---|---|---|---|
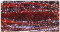
| 1 | Datong Qianjing | Floor 11 jet | ![]() | Mainly algae (75%), arranged in a directional arrangement, distributed in the black matrix (25%), which contains a small amount of matrix vitrinite and mass vitrinite. |
| 2 | Datong Qianjing | Floor 11 jet | ![]() | Crustaceous group accounts for 80%, the coal rock type is dark coal, and other microscopic components (20%) are distributed in fragments in a strong hydrodynamic force and reducing coal-forming environment. |
| 3 | Datong Wangping | Floor 8 jet | ![]() | The size of the algae (70%) is similar, the arrangement is directional, with high content of microspores (30%). The chitinous content of this sample is outstanding, reflecting a good oil-generating potential. |
| 4 | Datong Wangping | Floor 8 jet | ![]() | Mainly algae (85%), with a small amount of inert and vitrinite fragments (15%). |
| 5 | Fushun Open-pit Mine East pit | jet | ![]() | Gelatinized unstructured vitrinite (30%) and resin body mainly (70%). |
| 6 | Fushun Open-pit Mine West Pit | jet | ![]() | Mainly humus (70%), a small part of resin body (30%), mostly in directional arrangement. |
| 7 | Fushun Open-pit Mine Waist pit | jet | ![]() | Humus (85%) and a small amount of resin (15%) are arranged in a directional arrangement, increased inorganic content. |
Publisher’s Note: MDPI stays neutral with regard to jurisdictional claims in published maps and institutional affiliations. |
© 2022 by the authors. Licensee MDPI, Basel, Switzerland. This article is an open access article distributed under the terms and conditions of the Creative Commons Attribution (CC BY) license (https://creativecommons.org/licenses/by/4.0/).
Share and Cite
Gao, Y.; Gao, J.; Hu, K.; Ma, Y.; Zhang, Y. Analysis of Jet Structure and Physical Properties in the Coalfields of Northern China. Appl. Sci. 2022, 12, 11283. https://doi.org/10.3390/app122111283
Gao Y, Gao J, Hu K, Ma Y, Zhang Y. Analysis of Jet Structure and Physical Properties in the Coalfields of Northern China. Applied Sciences. 2022; 12(21):11283. https://doi.org/10.3390/app122111283
Chicago/Turabian StyleGao, Yuping, Jinyu Gao, Kaitong Hu, Yufei Ma, and Yuanzhi Zhang. 2022. "Analysis of Jet Structure and Physical Properties in the Coalfields of Northern China" Applied Sciences 12, no. 21: 11283. https://doi.org/10.3390/app122111283
APA StyleGao, Y., Gao, J., Hu, K., Ma, Y., & Zhang, Y. (2022). Analysis of Jet Structure and Physical Properties in the Coalfields of Northern China. Applied Sciences, 12(21), 11283. https://doi.org/10.3390/app122111283





























